109 方木和原木分项工程(构件制作)检验批质量验收记录TJ4-2-20
- 格式:doc
- 大小:50.00 KB
- 文档页数:4
方木和原木结构(木屋盖)工程检验批质量验收记录表(表一)GB50206-2002说明(本表适用于方木和原木结构工程的质量检验)(主控) 020501 主控项目:1.每检验批分别按不同受力的构件全数检查。
用钢尺或量角器量测。
a a a a每延米中不得多于1个,对于Ⅲa等材直径不应大于50mm,每延米中不得多于2个。
2.Ⅰa等材不允许有虫眼,Ⅱa、Ⅲa等允许有表层的虫眼。
3.木节尺寸按垂直于构件长度方向测量。
木节表现为条状时,在条状的一面不量,直径小于10mm的木节不计。
4.检查裂缝时,木构件的含水率必须达到主控项目2的要求a a a2m长度内不得多于1个。
2.同表4.2.1—1注2。
3.木节尺寸按垂直于构件长度方向测量。
直径小于10mm的木节不量。
2.每检验批检查全部构件。
按国家标准《木材物理力学试验方法》GB1927~1943—1991的规定测定木构件全截面的平均含水率。
检查试验报告。
注:本条中规定的含水率为木构件全截面的平均值。
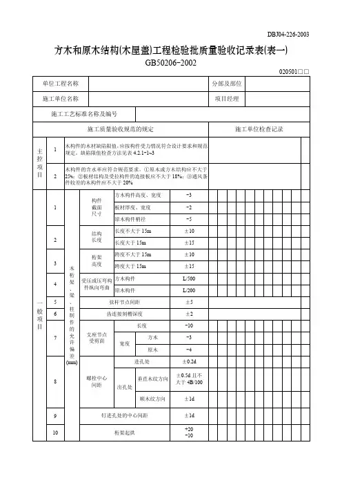
方木和原木结构(木屋盖)工程检验批质量验收记录表(表二)GB50206—2002说明(一般) 020501 一般项目:检查数量:1~19项全数检查;第20项检查整个横向支撑。
检验方法:1.钢尺量测。
2.用钢尺量桁架支座节点中心间距,梁、柱全长(高)。
3.用钢尺量脊节点中心与下弦中心距离。
4.拉线钢尺量测。
5~9.项用钢尺量测。
10.以两支座节点下弦中心线为准,拉一水平线,用钢尺量跨中下弦中心线与拉线之间距离。
11.用钢尺量测。
12.吊线钢尺量测。
13.吊(拉)线钢尺量。
14.钢尺量测。
15.用水准仪检查。
16.沿坡拉线钢尺量。
稍径椭园时取大小径的平均值。
17、18.项用钢尺量测。
19.拉10m线,不足10m拉通线,钢尺量测。
20.按设计文件检查。
注:1.d为螺栓或钉的直径;L为构件长度;B为板束总厚度。
2.H为桁架、柱的高度;L为构件长度。
GD-C5-711128/2年 月 日
监理单位 验收结论专业监理工程师:
年 月 日施工单位
检查结果专业工长:
项目专业质量检查员:
8屋盖结构支撑系统的完整性第4.3.8条/
表面8mm /封山、封
檐板平直
下边缘5mm /±5mm /油毡搭接宽度-10mm //原木上表面平直-7mmm /间距-10mm //原木梢径
-5mm /7屋面
木
构架
的安
装檩条
、椽木方木、胶合木截
面
-2mm 方木、胶合木上表面平直-4mm 挂瓦条间距
支座标高
±5mm /支座轴线对支承
面中心位移
10mm /)受压或压弯构件
纵向弯曲L/300(L=)垂直度
H/200且不大于15/6木桁架、梁及
柱的安装
结构中心线的间
距
±20mm /(H=/5木构件受压接头
第4.3.5条/4钉连接质量要求
第4.3.4条 /3螺栓连接(含受拉接头)
的螺栓数目、排列方式、
间隙、边距和端距
第4.3.3条/检查记录检查结果一般项目2齿连接质量要求
第4.3.2条/方木和原木结构检验批质量验收记录
128验收项目
设计要求及 规范规定最小/实际 抽样数量。
木工分项工程(木工施工)检验批质量验收
记录
项目概述
本次检验批质量验收记录涉及木工分项工程的施工情况。
木工分项工程是指建筑工程中与木材制品相关的施工项目,包括木制家具、木质地板、木制门窗等。
施工情况
日期:[填写日期]
施工单位:[填写施工单位名称]
项目负责人:[填写负责人姓名]
施工内容:[填写具体施工内容]
施工材料:[填写使用的木材材料及规格]
施工进度:[填写施工进度情况]
施工质量:[填写施工质量情况,包括工艺、规格符合情况等]
安全防护:[填写施工期间的安全防护措施采取情况]
检验结果:[填写本次检验的结果,包括合格、不合格情况]
备注:[填写其他需要备注的事项]
验收结论
经过现场检验和评估,木工分项工程的施工质量符合相关要求,施工质量达到验收标准。
验收人员
验收人员:
1. [填写验收人员姓名]
2. [填写验收人员姓名]
签名
施工单位代表签名:___________________ 验收人员签名:___________________。
020********020********注:本表内容的填写需依据《现场验收检验批检查原始记录》。
本检验批质量验收的规范依据见本页背面。
填写说明一、填写依据1 《木结构工程施工质量验收规范》GB50206-2012。
2 《建筑工程施工质量验收统一标准》GB50300-2013。
二、检验批划分材料、构配件的质量控制应以一幢方木、原木结构房屋为一个检验批;构配件安装质量控制应以整幢房屋的一楼层或变形缝间的一楼层为一个检验批。
三、GB50206-2012规范摘要主控项目4.2.1 方木、原木结构的形式、结构布置和构件尺寸,应符合设计文件的规定。
检查数量:检验批全数。
检验方法:实物与施工设计图对照、丈量。
4.2.2 结构用木材应符合设计文件的规定,并应具有产品质量合格证书。
检查数量:检验批全数。
检验方法:本规范附录B。
4.2.4 方木、原木及板材的目测材质等级不应低于表4.2.4的规定,不得采用普通商品材的等级标准替代。
方木、原木及板材的目测材质等级应按本规范附录B评定。
检查数量:检验批全数。
检验方法:本规范附录B。
1 原木或方木不应大于25%。
2 板材及规格材不应大于20%。
3 受拉构件的连接板不应大于18%。
4 处于通风条件不畅环境下的木构件的木材,不应大于20%。
检查数量:每一检验批每一树种每一规格木材随机抽取5根。
检验方法:本规范附录C。
4.2.6 承重钢构件和连接所用钢材应有产品质量合格证书和化学成分的合格证书。
进场钢材应见证检验其抗拉屈服强度、极限强度和延伸率,其值应满足设计文件规定的相应等级钢材的材质标准指标,且不应低于现行国家标准《碳素结构钢》GB700有关Q235及以上等级钢材的规定。
-30℃以下使用的钢材不宜低于Q235D或相应屈服强度钢材D 等级的冲击韧性规定。
钢木屋架下弦所用圆钢,除应作抗拉屈服强度、极限强度和延伸率性能检验外,尚应作冷弯检验,并应满足设计文件规定的圆钢材质标准。