接头盒分装技术规范
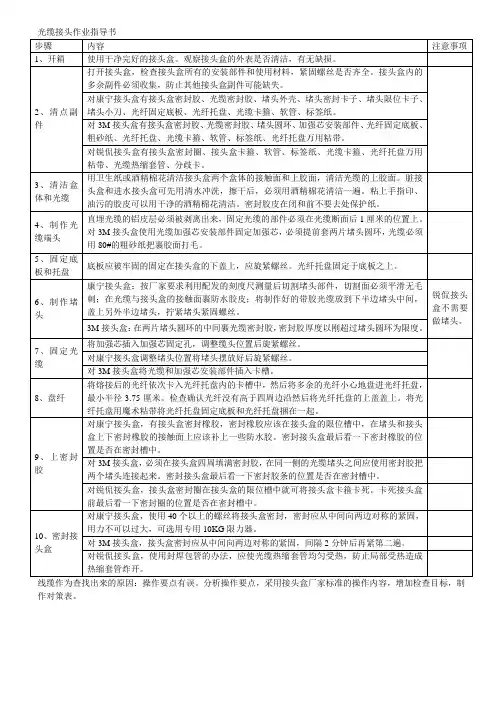
- 格式:doc
- 大小:69.00 KB
- 文档页数:5
安徽联通2005年本地传输网工程光缆接头盒技术规范书中国联合通信有限公司安徽分公司二 O O 五年五月目录一、工程部分1、概要2、供货范围和技术服务3、技术服务要求4、报价5、交货地点6、交货时间二、技术部分1、概述2、光缆接头盒技术要求3、质量保证体系4、工厂检验5、现场验收和最终验收6、保修期7、技术文件三、附表一、工程部分1、概要本技术规范书为安徽联通2005年本地传输网工程光缆接头盒投标所用。
2、供货范围和技术服务2.1 光缆接头盒及附件采购清单见附表(暂缺)。
2.2 要求投标方为本工程提供以下技术服务2.2.1 出厂验收2.2.2 技术文件3、技术服务要求3.1 出厂验收和现场验收技术要求见本规范书技术部分。
3.2 技术文件技术文件要求详见本规范书的技术部分。
4、报价投标方应按地区分类报价,应报单价、合价和总价(含运费和保险费等费用)。
若有优惠条件,请详细说明。
报价书应盖有报价单位公章并有法人代表签字。
5、交货地点交货地点按买方指定地点(签合同时商定)。
6、交货时间合同签约生效后两个月内或按招标方要求分批到货。
二、技术部分1、概述1.1 本技术规范书未规定的其它技术要求应不劣于中国国家标准、通信行业标准的要求。
1.2 本技术规范书未标明日期的中国国家标准、通信行业标准均使用最新版本(截至发标日)。
1.3 投标方必须对本技术规范书的每一条款作出明确答复,并给出所供产品的详细技术数据。
诸如“已知”、“理解”、“注意”或“同意”等不明确、不具体的答复视为不满足。
1.4 投标方应在投标文件中提供6份(1份原件,5份复印件)至少包括以下内容的中文技术文件。
1.4.1 光缆接头盒制造厂家的名称和地点。
1.4.2 光缆接头盒技术标准和制造方法及质量保证措施。
1.4.3 光缆接头盒各部分的详细尺寸。
1.4.4 光缆接头盒所用主要原材料和零配件(包括接头盒盒体、内部金工件、熔纤盘、热熔管、密封材料)的技术标准及生产厂商的名称和产地。
一、总则1引言1.1供方提供设备的技术规范和服务的内容应符合本技术规范的要求。
1.2供方所提供的欧式高压电缆分接箱必须有在电力系统中至少二年的成功运行经验。
应有本产品的两部鉴定证书及进网许可证。
1.3本高压电缆分接箱设备项目的业主(需方)为:巢湖供电公司。
1.4设计单位为:巢湖鼎力电力工程设计有限公司。
2供方职责2.1提供合同内所有设备的设计说明书及制造方面的说明。
2.2所提供的设备应发运到合同规定的目的地。
2.3应按合同上的交货期交货,未经需方许可,不得更改交货时间。
3标准供方在产品的设计,制造和调试试验过程中应符合现行的国标,电力部行业标准,IEC 有关标准的要求。
4技术资料及图纸4.1 在合同签字后,供方应在7天内提供施工设计用的图纸、资料可供拷贝的CAD光盘,否则按合同价的10%扣除货款。
供施工设计用的图纸资料如下:1)电缆分接箱外型图2)电缆分接箱运输图3)电缆分接箱基础图4)电缆分接箱控制接线原理图、接线图4.2供方应随供货向需方提供有关的图纸、技术资料及产品说明书4份。
4.3供方应随供货向需方装置投产前试验说明和技术要求。
5验收及服务5.1电缆分接箱在整体组装、出厂试验及交付使用时,供方应提前15天通知需方派员到厂监制,供方提供资料、技术、工作等环节上的方便。
5.2产品到达安装现场后,需方通知供方派员到现场共同开箱验收。
5.3供方应参加现场调试并免费培训需方技术人员。
6 本设备技术规范书提出的最低限度的技术要求,并未对一切技术细节作出规定,也未充分引述有关标准和规范的条文,供方应提供符合本规范书和工业标准的优质产品。
7 如果供方没有以书面形式对本规范书的条文提出异议,则意味着供方提供的设备完全符合本规范书的要求。
如有异议,不管是多么微小,都应在报价书中以“对规范书的意见和规范书的差异”为标题的专门章节中加以详细描述。
8本设备技术规范书所使用的标准与供方所执行的标准不一致时,按较高标准执行。
分装间操作规程1. 操作目的本操作规程旨在规范分装间的操作流程,确保分装过程中的安全性和高效性,减少可能的操作失误和污染风险。
2. 适用范围本操作规程适用于所有使用分装间进行物品分装工作的操作人员。
3. 操作前准备3.1 操作人员应穿戴统一的工作服,佩戴防护手套和鞋套。
3.2 确保分装间内的工作区域整洁、干净,并准备好所需的分装设备和材料。
3.3 检查分装设备是否正常工作,确保设备和工具处于安全状态。
4. 操作步骤4.1 操作人员进入分装间前,应先用洗手液洗手,确保双手干净。
4.2 操作人员按照工作指引,将需要分装的物品放置在工作台上。
4.3 操作人员在分装过程中应遵循以下步骤:•检查物品是否符合分装要求,如有破损或异常情况应及时报告上级。
•根据预定方案,准备好所需的包装材料和标签。
•将物品按照规定的数量和顺序进行分装。
•确保分装过程中操作细节和要求的严格执行。
•检查每个分装完成的物品是否符合标准,如有异常应及时处理。
4.4 分装完成后,操作人员应及时清理工作台及周围的物品,保持分装间整洁。
5. 安全事项5.1 操作人员在操作过程中应注意自身安全,特别是避免与机械设备、尖锐物品等发生接触。
5.2 分装间内应配备灭火器和急救箱,并定期检查其有效性。
5.3 操作人员应定期参加相关培训,了解安全操作规程和紧急情况的应对措施。
5.4 在操作过程中,发现任何安全隐患或异常情况,操作人员应立即上报上级,并采取措施控制风险。
6. 应急处理6.1 在分装过程中,如发生物品泄漏、飞溅或其他非正常情况,操作人员应立即采取应急措施,避免事态扩大。
6.2 如需要紧急撤离,操作人员应根据紧急情况应急预案执行。
6.3 分装间应设置紧急报警器,以便在紧急情况下及时报警求助。
7. 操作记录和监督7.1 每位操作人员应按要求填写相应的操作记录,包括分装物品、数量、操作时间等信息。
7.2 分装过程应有专人进行监督,确保操作规程得到有效执行。
分装包装工作标准一、生产前准备1、检查设备及阀门开关是否正常,空机试运行。
2、检查生产现场是否清场达标。
二、分装标准1、按产品包装规格设置好相关参数,并进行试装除皮称净重。
试装净重符合标示装量后,方可进行连续分装工作。
2、在分装过程中,每15分钟应按产品标示装量进行1次装量检查,每次连续抽查3包。
装量检查是检查净重,注意要除皮。
内控装量标准为:标示装量×(1±3%)3、装量检查过程中,如发现装量变动不符合要求,需将此前己分装好的产品进行复称,并对装量进行调整。
三、包装标准1、封口机工作前进行检查是否正常,并进行预热。
2、封口处应严密、平整。
不得出现封口不严、袋口脏污、烧焦、漏药等。
如果出现超过1%的问题产品,应全部返工并承担相应的损失。
3、操作过程中检查包装上的批号是否清晰完整。
4、装盒、装袋、装箱:数量必须正确无误。
装箱应整齐、方向一致,封箱要平整。
所有盒、袋、箱及操作台上不得有药物或粉尘附着。
(1)小袋装袋(桶)标准:所有袋子朝同一方向装入。
(2)大袋装箱标准:按同一方向进行装入,需交叉摆放的,右边为正向。
(3)封箱胶带标准:封箱胶带在箱子两头交叉重叠5cm,胶带应粘牢不脱、平整。
(4)打包带标准:产品内容物重量为14kg以下(含14kg)的,纵横两个方向各打一根(十字)。
产品内容物重量为14.1kg~15kg的,纵向一根,横向两根(艹字)。
产品内容物重量为15kg以上的,横两个方向各打两根(井字)。
5、贴标签要整齐、干净,无歪标、皱标、脏标、飞标、倒标。
6、合格证上的批号应与内外包装上批号一致相符、清晰;合格证要贴整齐,位置一致。
7、同一生产现场不得有2种以上产品,不得有同一产品不同批号或不同包装的产品;若需要有,应设隔离带明显隔离。
8、所有产品拼箱不得出现超过两个月的产品。
仅限两个批次拼箱(跨年份的不得拼箱)。
四、清场清洁生产现场必须保持清洁,每生产完一个品种或批号以及每天生产结束后,必须按照“清场清洁工作标准”要求进行清场清洁。
接线盒安装工艺
接线盒的安装工艺要求与施工方案
在接线盒的安装过程中,需要满足以下要求:接线盒的水平标高、竖直的凹凸、左右的位置,要求同一墙面、同一房间、同一层面、同一楼号都相应一致。
这样可以保证施工达到质量验收规范相应的要求。
同时,接线盒一次成型施工可以有效保证有效结构强度不受安装的破坏,且管线走向合理,与竣工图能很好的对应。
一次成型大量避免了后期的敲凿、修补、二次施工,缩短了施工工期,节约了大量的人力、资源,从整体上为降低工程造价作了贡献。
另外,一次成型还可以解决因为结构、装修墙面被影响而导致的墙面开裂等后遗症。
在施工方案上,需要注意以下两点:
1.安装线盒与土建工作人员共同进行。
根据土建标识好的
结构标高,选取固定一个位于平台中央部位的为唯一的基准点,然后用水平仪器水平出每个开关、插座等接线盒的精确标高,
做好清晰标识,这样有效保证了同一楼层、同一房间的接线盒标高的误差。
2.采用“套砌法”进行砖墙接线盒预埋。
新型环保材料混凝
土砌块的推广使用后,采用二次开墙槽配管的传统方式,不仅影响混凝土砌块的结构强度,而且其废弃物、扬尘都是和新型施工法格格不入的。
套砌法是指先把管线做到位,然后用专用切割机在有接线盒位置的地方的砌砖上事先开好86型盒的孔洞,然后套砌上去,然后专业电工在满足标高、水平度、垂直度的条件下,配合好泥工用高标号水泥砂浆固定。
这样避免了大量墙体开槽工作,保护了结构、节约了成本。
为了保证接线盒成型的质量,对专业电工一定要先进行技术交底,然后熟悉图纸,掌握管线走向及接线盒的标高、位置,随时配合好泥工。
线缆作为查找出来的原因:操作要点有误。
分析操作要点,采用接头盒厂家标准的操作内容,增加检查目标,制作对策表。
光缆接头盒预防进水处理江苏省邮电建设工程有限公司战略支撑部康宁 3M表 4—4 制表:吴旌 时间:2005年8月18日 锐侃表 4—5 制表:序号 错误原因 对策目标措施地点 时间 负责人 1弄脏防水模块、接头盒密封槽、光缆外皮和胶条。
清洁双手和施工材料。
让操作密封面时清洁成为重要的一个环节制定清洁的规范,增加操作训练,施工时让专人检查。
培训仓库 2005/ 8/17 许虎宁2 裹胶的地方切出的洞口大小不合适。
按厂家要求利用配发的刻度尺测量后切割。
让裹胶的地方切出合适的洞口 制定测量切割操作的规范,增加操作训练。
培训仓库 2005/ 8/17 许小兵3 密封接头盒时胶条会移位,没有添满密封槽。
密封接头盒最后看一下密封胶条的位置是否在密封槽中让检查密封胶条的位置成为密封前的最后一道工序。
增加操作训练,施工时让专人检查。
培训仓库2005/ 8/17许虎宁序号 错误原因 对策目标措施地点 时间 负责人 1弄脏接头盒密封槽、光缆外皮和胶条。
清洁双手和施工材料。
让操作密封面时清洁成为重要的一个环节制定清洁的规范,增加操作训练,施工时让专人检查。
培训仓库 2005/ 8/18 许虎宁2 裹胶的地方卡箍大小不合适。
按厂家要求利用配发的刻度尺测量后选择。
让裹胶的地方选用合适的卡箍。
增加操作训练,施工时让专人检查。
培训仓库 2005/ 8/18 许小兵3 密封接头盒时胶条会移位,没有添满密封槽。
密封接头盒最后看一下密封胶条的位置是否在密封槽中让检查密封胶条的位置成为密封前的最后一道工序。
增加操作训练,施工时让专人检查。
培训仓库2005/ 8/18许虎宁序号 错误原因 对策目标措施地点 时间 负责人 1弄脏接头盒密封槽、光缆外皮和金属膜,封焊管。
清洁双手和施工材料。
让操作密封面时清洁成为重要的一个环节制定清洁的规范,增加操作训练,施工时让专人检查。
分装操作规程
《分装操作规程》
分装操作规程是指在生产现场中对分装工作进行具体规范和操作步骤的文件,旨在提高分装工作的效率和质量,减少人为错误和事故的发生。
分装操作规程通常包括分装工艺流程、设备操作规范、安全注意事项、质量控制要求等内容。
首先,分装操作规程要明确规定分装工艺流程,包括原料准备、分装设备的选择和准备、分装操作步骤、包装材料的选择和使用等。
在工艺流程中,要详细描述每个步骤的操作要点和注意事项,确保分装的每个环节都得到严格控制。
其次,分装操作规程还涉及设备操作规范,包括设备的启动、运行、停止和清洁等各个环节的操作规范。
这些规范可以有效地保护设备,延长设备的使用寿命,减少故障和事故的发生。
另外,分装操作规程还包括安全注意事项,要求分装操作人员必须正确使用个人防护用品,做好安全标识和隐患排查工作,确保分装操作的安全进行。
最后,分装操作规程还包括质量控制要求,要求分装操作人员要根据产品质量标准进行分装操作,确保产品的质量和稳定性。
综上所述,《分装操作规程》是生产现场中必不可少的文件,通过详细规范和操作规程,能够提高分装工作的效率和质量,减少不必要的事故和损失,保障产品的质量和安全生产。
计量用接线盒技术规范书技术要求1.1功能要求●能够在带电负荷的情况下,进行现场仪器的连接或调换电能表、电气仪表及继电装置等。
●用于电能计量,继电保护,电气测量等二次回路的连接。
●带有测试接插端子,便于电力部门测试人员安全地带负荷接入测试仪器。
●具有防窃电功能。
1.2计量用接线盒外形结构规范1.2.1结构要求1.2.1.1 外形结构要求三相四线电压端一进三出同一类型的计量用接线盒外形结构在外形尺寸、安装尺寸、接线端子等上应达到统一。
1.2.1.2封印计量用接线盒端子盖应能加封印。
1.2.1.3 金属部分的防腐蚀在正常运行条件下可能受到腐蚀或能生锈的金属部分,应有防锈、防腐的涂层或镀层。
2.2.计量用接线盒的技术性能要求2.2.1材料技术性能要求达到三防(霉、潮、蛀),能耐高温,并可阻燃。
(即GB 1404《酚醛模塑料》中推荐按电气类PF2E2品级技术指标要求)主要技术性能应符合表1-1的要求。
2.2.2.1工频耐压接线盒的各端子间及各端子对地间加交流50Hz、2500V、1min进行工频耐压试验,应无击穿及闪络现象。
2.2.2.2绝缘电阻接线盒的各端子间及各端子对地间绝缘电阻应不小于30MΩ(1000V兆欧表)。
2.2.2.3热稳定性能热稳定性能应符合表1-2的要求。
2.2.2.4耐盐雾性能经盐雾试验后,仍能符合下列规定:铜端子的主要表面应无灰色或浅绿色腐蚀痕迹。
●紧固件的主要表面应无白色或灰黑色腐蚀痕迹。
2.2.2.5可靠性接线式接线盒在电流回路连片通10A,电压回路通5A情况下应能可靠地断开或闭合,电寿命不少于10万次。
3.1.主要结构材料及工艺要求3.1.1 端子座●端子座应使用绝缘、阻燃、防紫外线的进口全新、全透明聚碳酸酯(PC)材料制成。
●有足够的绝缘性能和机械强度,底部预留约3mm 空间作防盗窃电使用,有效防止由产品背面直接短接电流端而进行的盗窃电行为。
●端子座应使用绝缘、阻燃、防紫外线的材料制成,要求有足够的绝缘性能和机械强度。
接线盒规范接线盒是电气安装和电气设备中常用的辅助设备,用于接纳电缆、导线和其他线缆的终端设备。
其主要功能是连接和分配电气信号、电能和控制线路。
为了确保接线盒的正常运行和安全使用,有必要制定相应的规范。
以下是接线盒规范的主要内容,以确保其合理、规范和安全的使用。
一、接线盒的选材和制造要求:1. 接线盒应选用耐火、绝缘性好的材料,以保证其电气安全性能。
2. 接线盒的制造应符合国家相关标准,确保产品质量可靠。
二、接线盒的安装要求:1. 接线盒的安装位置应合理选择,要与其所连接的设备之间距离适中,方便维护和操作。
2. 接线盒的安装应稳固可靠,固定件应采用合适的型号和规格,并确保与基座连接牢固,不得出现松动或脱落。
三、接线盒的接线要求:1. 接线盒内的导线应根据电气图纸进行正确接线,确保连接正确、可靠。
2. 接线盒内的导线应采用合适的截面积,以满足电气设备的功率要求。
3. 接线盒内的导线应按照导线颜色进行正确标识,以便维护和故障排除。
四、接线盒的维护要求:1. 接线盒应定期进行维护和检查,确保连接可靠,不得有松动或脱落现象。
2. 接线盒应远离湿气、腐蚀性气体等环境,防止引起绝缘降低或金属氧化。
3. 接线盒内的设备或线路故障应及时维修,以保证整个电气系统的正常运行。
五、接线盒的使用注意事项:1. 接线盒使用时应按照规定电流和电压范围内使用,不得超负荷使用,以免引起电气事故。
2. 接线盒不宜悬挂重物,以免影响安装稳定性。
3. 接线盒使用环境应符合规范要求,不得暴露在高温、潮湿等恶劣条件下。
综上所述,接线盒规范是确保其正常运行和安全使用的重要保证。
相关单位和人员在使用接线盒时应严格遵守规范要求,加强维护和检查工作,确保电气设备的安全运行。
10kV电缆分接箱技术规范2009-11-15实施目录前言 (2)1 范围 (2)2 规范性引用文件 (2)3 术语和定义 (3)4 使用条件 (3)5 技术要求 (4)6 试验要求 (7)7 标志、起吊、安装、运输和贮存 (7)8 技术文件 (8)前言为规范10kV电缆分接箱技术标准和要求,指导电网公司系统10kV 电缆分接箱的建设、改造和运行管理工作,依据国家和行业的有关标准和规程,特制定本规范。
10kV 电缆分接箱技术规范1 范围1.1 本规范规定了10kV 电缆分接箱的使用条件、性能参数、功能设计、结构材料、试验要求、标志、起吊、运输和贮存等方面内容。
1.2 本规范适用于额定电压为12kV、工作频率为50Hz的户外三相交流金属封闭电缆分接开关设备,也称为电缆分接箱。
2 规范性引用文件下列文件中的条款通过本标准的引用而成为本标准的条款。
凡是注日期的引用文件,其随后所有的修改单(不包括勘误的内容)或修订版均不适用于本标准。
凡是不注日期的引用文件,其最新版本适用于本标准。
IEC 60694:2002 高压开关设备和控制设备标准的共用技术要求GB 3804-2004 3.6kV~40.5kV 高压交流负荷开关GB 3906-2006 3.6kV~40.5kV 交流金属封闭式开关设备和控制设备GB 16926-1997 交流高压负荷开关-熔断器组合电器GB/T 11022-1999 高压开关设备和控制设备标准的共用技术要求GB/T 12706.4-2002 挤包绝缘电力电缆及附件试验要求DL/T 404-2007 3.6kV~40.5kV 交流金属封闭式开关设备和控制设备DL/T 593-2006 高压开关设备和控制设备标准的共用技术要求DL/T 621-1997 交流电气装置的接地DL/T 791-2001 户内交流充气式开关柜选用导则JB/T 8144.1-1995 额定电压26/35kV 及以下电力电缆附件基本技术要求JB/T 10840-2008 3.6kV~40.5kV 高压交流金属封闭电缆分接开关设备3 术语和定义3.1 电缆分接开关设备主要由电缆附件构成的开关设备,完成配电系统中电力电缆线路汇集和分接功能的专用电气连接设备,也可以称作电缆分接箱;在其中可以包含开关设备,也可以不包含开关设备,即可分为带开关电缆分接箱、不带开关电缆分接箱。
低压电缆分接箱技术规范_____________10kV 工程低压电缆分支箱技术规范书_____年___月目录1、总则2、引用标准3、使用条件4、技术要求5、质量保证和试验6、包装、运输和储存7、验收附图:低压分支箱系统图1 总则1.1 本设备技术规范书适用于户外防雨/户内电缆分接箱。
它提出了该设备的功能设计、结构、性能、安装和试验等方面的技术要求。
1.2本设备技术规范书提出的是最低限度的技术要求,并未对一切技术细节作出规定,也未充分引述有关标准和规范的条文,卖方应提供符合本规范书和工业标准的优质产品。
1.3 如果卖方没有以书面形式对本规范书的条文提出异议,则意味着卖方提供的设备完全符合本规范书的要求。
如有异议,不管是多么微小,都应在报价书中以“对规范书的意见和同规范书的差异”为标题的专门章节中加以详细描述。
1.4本设备技术规范书所使用的标准如遇于卖方所执行的标准不一致时,按较高标准执行。
1.5本设备技术规范书经买、卖双方确认后作为订货合同的技术附件,于合同正文具有同等的法律效力。
1.6本设备技术规范书未尽事宜,由买卖双方协商确定。
1.7买方所指定产品厂家的元器件质量由卖方负责.2.引用标准GB7251-1997《低压成套开关设备和控制设备》DT/T620-1997 《交流电气装置的过电压保护和绝缘配合》DL/T621-1997《交流电气装置的接地》IEC439-1《低压成套开关设备和控制设备》GB9466-88《低压成套开关设备基本试验方法》GB4208-93 《外壳防护等级(IP代码)》GB1497—85 《低压电器基本标准》GB/T14048.1—1993 《低压开关设备和控制设备总则》GB 5589.2 《电缆附件试验方法恒压负荷循环试验》GB 11032 《交流无间隙金属氧化物避雷器》GB 50150-94《电气装置安装工程电气设备交接试验标准》GB/T12706-2002 《额定电压1kV(Um=1.2kV)到35kV (Um=40.5kV)挤包绝缘电力电缆及附件》DL/T596-1996 《电气设备预防性试验规程》JB/T 8138.1 《电缆附件试验方法直流电压试验》JB/T 8138.3 《电缆附件试验方法局部放电测量》在上述标准中,优先采用中华人民共和国国家标准、有关部颁标准及水利电力行业标准。
江苏汇珏网络通信设备有限公司质量管理三阶文件QCT-07-013-2014A版 0次修改光缆接头盒技术规范书编制审核批准分发号受控状态1 目的为了完善光缆接头盒技术规范要求,提高检验力度对光缆接头盒进行严格规范的质量检验和管控。
故特制定此规范。
2 适用范围适用于上海汇珏网络通讯设备有限公司接头盒(又称接续盒)。
3 职责3.1 销售负责下生产任务单到计划科,并在生产任务单上注明是公司常规包装或为特殊要求的包装。
3.2 计划科根据生产任务单要求,安排排产日期。
并在生产流程单注明包装方式。
3.3 物控科根据生产计划表提前做好备料。
3.4 生产科根据生产计划表要求投产并严格按照本文件要求包装。
3.5 品质科负责根据本文件要求严格进行成品发货检验。
4 工作程序4.1接头盒类型4.1.1数分为:芯、12芯、24芯、48芯、72芯、96芯、144芯、288芯;4.1.2接头盒按类型分为:哈扶式、卡接式、帽式;4.2引用标准本技术规格书指定产品应遵循的规范和标准主要包括但不仅仅限于以下所列范围:GB/T 1034-1998 塑料吸水性实验方法GB/T 1037-1988 塑料薄膜和片材透水蒸汽性试验方法GB/T 1120-1992 不锈钢棒GB/T 1410-1989 固体绝缘材料体积电阻率和表面电阻率试验方法GB/T 1634-1979 塑料弯曲负载热变形温度实验方法GB/T 2423.10-1995 电工电子产品基本环境试验规程试验Fc:振动(正弦)试验方法GB/T 2423.14-1997 电工电子产品基本环境试验规程太阳辐射试验导则GB/T 2423.24-1995 电工电子产品基本环境试验规程试验Sa:模拟地面上的太阳辐射试验GB/T 2951.38-1996 电线电缆白蚁试验方法GB 3281-1982 不锈耐酸及耐热钢厚钢板技术条件GB/T 7424.2-2002 光缆总规范第2部分:光缆基本实验方法GB/T 13993.2-2002 通信光缆系列第2部分:核心网用室外光缆GB 3873-83 通信设备产品包装通用技术条件GB 5577-85 合成橡胶牌号规定YD/T 590.1-1992 通信电缆塑料护套接续套管第1部分:通用技术条件YD/T 590.2-1992 通信电缆塑料护套接续套管第2部分:热缩套管YD/T 1024-1999 光纤固定接头保护组件YD/T 629.1-93 光纤传输衰减变化的监测方法和传输功率检测法YD/T 638.2-2-93 光通信设备型号命名方法IEC 1073-1:1994 光纤光缆接头第一部分:总规范-构件和附件YD/T 814.1-2004 光缆接头盒第一部分:室外光缆接头盒YD/T 590.2-92 通信电缆塑料护套管第二部分热缩套管其它未列出的与本产品有关的规范和标准,供货商有义务主动向业主提供。
制订部门技术部修订记录版本日期修订内容/摘要页次修订人002009/05/26新修订All012010/03/01文件格式ALL制订部门技术部1.目的规定对光伏组件接线盒的一般技术要求2.范围:本公司晶体硅光伏组件用接线盒,包括灌胶和非灌胶的接线盒。
3.引用文件GB2828.1-2003(idt.ISO2859-1:1999)第1部分:技术抽样检验程序按接收质量限(接收质量限AQL)检索的逐批检验抽样计划GB/T17626.2-1998(idt IEC61000-4-2:1995)电磁兼容试验和测量技术静电放电抗扰度试验GB/T9535地面用晶体硅光伏组件—设计鉴定和定型(idt IEC61215)4.定义5.要求5.1材料、零部件5.1.1接线盒的材料、零部件(包括接线盒体、电缆、电连接器、二级管,下同)应符合设计文件的要求。
5.1.2接线盒本体、接线盒盒盖材料应有良好的机械性能,材料的RTI值应高于额定工作温度+20℃;UL防火等级应达到94-5V级(有UL认证要求时)。
5.1.3对于不同的特定市场和客户需求,接线盒及其零部件应通过特定的质量认证,如:TUV、UL、VDE,或其它要求的认证。
5.1.4接线盒中旁路二极管的反向漏电流、反向击穿电压和正向压降符合供方提供的技术规格书承诺。
一般且应满足表5.1.4的要求:表5.1.4二级管特性检测数据要求反向漏电流I R反向击穿电压V RRM正向压降V F制订部门技术部肖特基二级管≤500μA(25℃,45V反向电压)≥45V(≥所保护电池串开路电压的2.5倍)≤0.6V(25℃、10A)普通硅PN结二级管5.1.5肖特基二级管应满足GB/T17626.2-1998静电放电抗扰度试验中,接触放电等级4的要求。
5.1.6所有认证必须提供有效的的认证证书。
5.2几何尺寸5.2.1各型号接线盒的主要尺寸符合设计图的要求。
5.3外观5.3.1接线盒应具有以下不可擦除的标识:(1)产品型号(2)制造材料(3)电压等级(4)输出端极性(5)导线截面面积或线号(6)警示标识(包括触电危险和不得带电拔开的警示)(7)IP防护等级(8)导线、电连接器的认证标记、档案号(9)额定工作温度5.3.2接线端子不得有锈蚀、镀层脱落等缺陷。
DKBA0.480.0456结构外购件技术要求DKBA0.480.0456 REV.V1.0室外光缆接头盒技术要求项目编码:21500149/21500150主要起草人:鄂文峰审核人:盛辉会签人:董唐京、张智文、伍立栋标准化审核人:洪霓玉批准人:邓在明2006-06-30发布 2006-07-10实施华 为 技 术 有 限 公 司 发布HUAWEI TECHNOLOGIES CO., LTD.Page 1 of 24修订记录技术要求号 版本号 更改说明 主要起草人 主要评审专家DKBA0.480.0456 V1 新发布 鄂文峰 董唐京 张忠学伍立栋 刘恒 陈安亮 宁超 王永刚 盛辉 罗义诚邓在明目录1 目的和适用范围 (5)1.1目的 (5)1.2适用范围 (5)2 引用的相关标准 (5)3 项目编码与建模命名 (6)3.1项目编码 (6)3.2建模命名 (6)4 功能描述 (6)5 要求 (6)5.1一般要求 (6)5.1.1 结构和外形尺寸 (6)5.1.2 材料工艺 (10)5.1.3 标识 (10)5.1.4 使用环境 (10)5.1.5 环保要求 (10)5.2性能要求及检验方法 (10)5.2.1 性能要求1: (10)5.2.2 性能要求2: (11)6 检验规则 (11)7 说明 (11)8 附录 (11)图3 接头盒底座 (14)图4 光纤熔纤盘 (15)图5 加强芯夹具 (16)图6 密封条 (17)图7 8号六角扳手 (17)图8 海绵 (18)图9 密封带 (18)图10 端面堵头 (19)图11 密封挡圈图片 (20)图12 砂皮纸 (20)图13 热缩套管 (21)图14 挂钩 (21)图15 接地线 (21)图16 扎带 (22)图17 接头盒上盖 (22)图18 接头盒底座图片 (23)图19 加强芯夹具和光缆夹具图片 (23)图20 接头盒上盖图片 (24)1 目的和适用范围1.1 目的结构外购件技术要求是描述公司结构外购件的受控性文件,其作用为:z供应厂商进行产品设计、生产和检验的依据。
.10kV欧式电缆分接箱技术规范书(2010.01)XXX公司年月1.总则1.1本设备技术规范书适用于10kV加强绝缘型欧式、美式电缆分接箱,本技术规范书提出了该产品的功能设计、结构、性能、和试验等方面的技术要求。
1.2需方在本规范书中提出了最低限度的技术要求,并未规定所有的技术要求和适用的标准,未对一切技术细则作出规定,也未充分引述有关标准和规范的条文,供方应提供一套满足本规范书和现行有关标准要求的高质量产品及其相应服务。
1.3如果供方没有以书面形式对本规范书的条款提出异议,则意味着供方提供的设备(或系统)完全满足本规范书的要求。
如有异议,应在投标书中以“对规范书的意见和与规范书的差异”为标题的专门章节加以详细描述。
1.4本设备技术规范书经需供双方确认后作为订货合同的技术附件,与合同正文具有同等的法律效力。
1.5供方须执行现行国家标准和行业标准。
应遵循的主要现行标准如下。
本技术规范出版时,所示版本均为有效。
所有标准都会被修订,供需双方应探讨使用下列标准最新版本的可能性。
有矛盾时,按现行的技术要求较高的标准执行。
JB 8144-1995 《额定电压26/35kV及以下电力电缆附件基本技术要求》GB/T 12706 额定电压lkV(Um=1.2kV)到35kV(Um=40.5kV)挤包绝缘电力电缆及其附件GB 11033 额定电压26/35kV及以下电力电缆附件基本技术要求GB 5589 电缆附件试验方法CB 9327 电缆导体压缩和机械连接接头试验方法GB 14315 电线电缆导体用压接型铜、铝接线端子和连接管》DL/T593—1996 《高压开关设备的共用订货技术导则》2.正常使用环境条件2.1周围空气温度:最高气温:+40℃最低气温:-15℃最高日平均气温:+30℃最高年平均气温:+20℃最大日温差:25K2.2 海拔:不超过1000m;2.3 风速:不大于25m/s;2.4 环境湿度:月平均值不大于90%;日平均值不大于95%;2.5 耐地震能力地震烈度:8级地面水平加速度: 0.2g;地面垂直加速度:0.1g;2.6安装地点的倾斜度:不大于3°3.技术参数及要求3.1结构要求3.1.1电缆分接箱体采用防雨造型,厚度2mm以上敷铝锌板多重折边工艺或不锈钢板加静电喷涂壳体或非金属新型复合耐火材料。
光缆接头盒设备安全操作规程为了保障光缆接头盒设备的安全使用,避免不必要的伤害和损失,制定本安全操作规程,规范设备的操作和维护。
一、设备使用前的准备工作1.在使用光缆接头盒设备前,应认真阅读设备的说明书和使用手册,熟悉设备的性能和使用方法,避免因操作不当造成设备故障或个人财产损失。
2.在设备的安装位置周围,应确保有足够的空间供设备使用和停放,设备周围应保持清洁,无易燃、易爆物品或杂物。
设备安装位置应远离水源、电源等易导致设备损坏的地方。
3.在安装设备前,应清理设备的工作区域,确保工作区域没有杂物和冗余工具等,以免影响设备的使用。
安装设备时应按说明书要求进行。
二、设备使用过程中的安全操作规范1.在使用设备时,应穿戴工作服、工作鞋等劳动防护用品。
对于某些工作环境要求高的场合,还应配备眼罩、手套、防护面罩等个人防护用品。
2.在设备使用过程中,应按照操作规程进行工作,避免过度、不当使用设备或操作不当造成事故和损失。
3.在将设备停放的时候,应选用符合要求的固定器具固定设备,避免因过度摆放设备等造成设备损坏和个人伤害。
4.在设备故障时,应立即停止使用设备,切断电源等能源供给,排除安全隐患后方可继续使用设备。
对于用户无法处理的故障应及时联系专业维修人员。
三、设备的日常维护和保养1.对于设备的日常维护和保养,应按照设备说明书要求进行,定期清洁设备,保证设备的正常使用。
2.对于设备的维护工作,必须由专业的人员进行,禁止未经过培训和资格考核的人员进行设备维护工作。
3.在设备维护和保养时,应切断设备的电源等能源供给,避免因误操作造成事故和损失。
禁止使用不符合要求的维修工具和设备进行维护。
四、设备的存放和保管1.在设备长期停用或存放时,应遵循设备的说明书要求进行停用设备的存放和保管,确保设备的安全和延长设备的使用寿命。
2.设备存放需要专门场地,必须设立封闭且干燥、通风良好的库房进行存放,以保证设备的安全使用和保存。
3.在存放设备时,必须防止设备被损坏或被盗,设备的存放地应具备相应的安全措施和防范措施,确保设备的安全存放。
2010年中国电信光缆接头盒产品集中采购技术规范一、概述1 本文件为中国电信2010年集中采购光缆接头盒的技术规范书。
2 本技术规范书依据为YD/T 814.1-2004《光缆接头盒第一部分:室外光缆接头盒》。
3 本次招标采购的光缆接头盒包含用于架空、管道、隧道、直埋等室外场景下用于两根或多根光缆连接的接头盒。
4 本技术规范书未规定的其它技术要求应不劣于相关的中国国家标准及通信行业标准的要求。
5 投标方应对本文件的技术规范所提出的各项条款进行逐条答复、说明和解释,并写出具体技术数据和指标。
首先对实现或满足程度明确做出“满足”、“部分满足”、“不满足”等应答。
对于规范书中要求列举的条款,必须在点对点应答书中进行列举,不得简单答复“满足”等,否则视该条款的应答为“不满足”。
如果回答“部分满足”,需要详细说明哪些部分满足,哪些部分不满足,并说明原因。
请投标方特别注意:在答复中,凡采用“详见”、“参见”等方式说明的条款,应指明参见文档的具体章节或页码,同时必须在点对点应答书中注有适当的总结性文字,简洁、明了地回答相应的条款。
6 本文件中未提出而厂商认为有必要说明的部分,以及更加合理的技术性能,厂商应在应标书中提供详细的资料和说明。
7 本文件的解释权属于招标方。
二、室外光缆接头盒技术规范书1、范围本技术规范书规定了室外光缆接头盒的产品分类、型号、结构、组成、技术要求、试验方法、检验规则和包装、标志、运输、贮存等要求。
本技术规范书适用于通信用光缆线路中架空、管道(隧道)和直埋等敷设方式安装使用的光缆接头盒。
2、分类和命名2.1 分类2.1.1 按光缆使用场合分类,可分为架空、管道(隧道)和直埋。
2.1.2 按光缆连接方式分类,可分为直通接续和分歧接续。
2.1.3 按密封方式分类,可分为机械密封和热收缩密封。
分类代号见表1。
2.2 规格用光缆中光纤的实际数目的阿拉伯数字表示。
2.3 型号及标记2.3.1 型号应反映出产品的专业代号、主称代号、使用场合代号、光缆连接方式代号、密封方式代号和规格,产品型号由以下各部分构成:2.3.2 产品的完整标记由产品名称、型号和标准号构成。
光缆接头盒高低温循环试验中的密封问题分析
电信技术
作者:信息产业部邮电工业产品质量监督检验中心廖运发戴真2007-12-10 10:48
光缆接头盒高低温密封问题
随着我国光通信网络的快速发展,光纤光缆及其附件种类越来越多。
根据光缆种类的不同,目前的光缆接头盒分为室外光缆接头盒、OPGW光缆接头盒、浅海光缆接头盒及微型光缆接头盒等。
随着光缆种类的增加,还将出现更多与新型光缆相适应的接头盒,如微吹布放光缆接头盒、排水管道光缆接头盒、路槽光缆接头盒等。
1循环试验的基本情况
表1 接头盒高低温循环试验条件
表1是YD/T814.1-2004中规定的接头盒高低温循环试验条件。
在室温下,将试样置入温控箱,以1℃/min的速率升温至高温,在高温下恒温2h,接着降温至室温,在室温下恒温2h,然后降至低温,在低温下恒温2 h,再升温至室温,在室温下恒温2 h,如此构成一个循环,共做10个循环。
图1是高低温循环试验温度变化曲线。
图1 高低温循环试验温度变化曲线(1个循环)
一般来说,接头盒内温度变化与温控箱温度变化相比有一些滞后,但这对分析接头盒内压力大小没有影响,可以不考虑。
假设接头盒内空气为理想气体,当温度变化时,在不漏气的情况下,接头盒内气体体积的变化影响可以忽略不计。
根据查理定律,即一定质量(M)的气体,在体积(V)保持不变的情况下,其压强(P)与温度(T)成正比,即P/T=常数。
其中T为绝对温度。
根据标准要求,初始状态室温为20℃、压强为160kPa(60kPa+100 kPa),应用查理定律求得的高低温循环试验接头盒内压力变化曲线如图2所示。
图2 高低温循环试验接头盒内压力变化曲线(1个循环)
从图2可以看出,接头盒内最高气压为183kPa,相对于大气压为83kPa,比常态60kPa 增加了很多,因此对接头盒的气密性要求更高。
2试验中盒内气压降低原因分析
光缆接头盒的高低温循环试验是为了检验光缆接头盒的密封性能否适应露天环境的温度变化。
光缆接头盒的密封性能失效既可能发生在高低温循环试验前,也可能发生在试验中,其中发生在极限高温或低温试验过程中的可能性最大。
在试验前密封性能发生失效的可能性存在于光缆接头盒本身以及试验时安装的气门嘴或光缆上,但主要来自于光缆接头盒密封材料本身。
2.1盒体本身
盒体本身漏气现象并不少见,主要是安装不当导致的。
室外光缆接头盒的种类较多,归纳起来主要有卧式(又称哈呋式)和帽式。
卧式的特点是盒体由两部分组成。
按照盒体的紧固方式,卧式又可分为卡箍式和纯螺钉式。
卡箍式是将4块斜口插板插入,用4颗不锈钢螺钉拧紧。
纯螺钉式是在盒体周围对称的若干位置使用螺钉将盒体紧固在一起。
光缆接头盒的结构不同,密封安装复杂度和对安装人员的技术水平要求也不同,如卡箍式光缆接头盒对安装人员的技术水平要求较高,如果让经验不足的人员安装,则可能因安装不当而出现漏气现象。
2.2密封材料
密封材料不佳是导致光缆接头盒密封性能失效的主要因素。
密封材料失效导致接头盒内气体泄漏主要发生在高低温循环试验过程中。
在高温时,接头盒内的气压最大,而且密封材料容易出现软化现象,因此接头盒的薄弱处很容易破裂。
而在-40℃时尽管盒内气压不大,但密封材料容易脆化而失去弹性,当温度升高时,盒内气压回升,密封材料无法复原从而导致盒体破裂。
要保证光缆接头盒的气体密封可靠性,采用的密封材料应满足如下要求。
(1)具有较好的热稳定性。
热稳定性是指密封材料具有足够的耐热性能及耐寒性能,最基本的要求是能在规定的时间内耐温变(-40℃~65℃),不因温度变化而失效。
热稳定性是衡量光缆接头盒密封胶带性能最重要的指标。
(2)具有合理的机械性能。
机械性能主要指硬度、拉伸强度和断裂伸长率等。
合适的硬度才能让密封橡胶填实光缆接头盒的密封槽,行业标准推荐的硬度为
2.5≤HA≤5;较好的断裂伸长率可以防止安装时胶带断裂从而影响密封的整体性,行业标准推荐的断裂伸长率为σT≥250%;适当的拉伸强度可以防止盒体在气压作用下挤破密封胶带,行业标准推荐的断裂伸长率为σT≥150%。
(3)具有较强的防老化性能。
由于室外光缆接头盒常年放置在露天环境中,因此要求密封胶带必须具有防止或延缓热氧老化特性。
目前,我国光缆接头盒采用的密封材料有非硫化自粘橡胶和硫化橡胶。
此外,考虑重复开启因素,有些采用硅橡胶垫圈作为密封材料。
2.3其他原因
(1)气门嘴
根据标准规定,光缆接头盒在高低温循环试验前必须安装气门嘴,以便使光缆接头盒充入一定压力的气体,并通过其在试验前后测量盒内气压。
气门嘴存在质量问题或者安装不当都会出现漏气,主要表现为接头盒盒体及密封材料无明显变形和漏气,但充入气体把盒体完全置于水中,气泡从气门嘴处溢出。
虽然这并非光缆接头盒盒体本身的问题,但会影响光缆接头盒的检验结果,因此必须给予重视。
为了尽量避免这种情况的发生,应选用质量好的无内胎压紧式气门嘴,并可靠地安装在盒体曲率半径最大的地方。
(2)光缆
光缆接头盒进行高低温循环试验时需要接入一段光缆以模拟光缆在线路上的实际工作情况。
接入的光缆要求能够保证光缆本身的密封性能非常可靠,否则无法保证光缆接头盒的密封性。
此外,光缆与接头盒的密封处理非常重要。
安装光缆时,应尽量把光缆加强芯固定住,并把光缆护套压实,防止光缆护套与加强芯之间产生滑移,然后使用热稳定性好的密封胶带把光缆与接头盒密封好。
3结束语
光缆接头盒的密封性能是一个系统工程,任何一个环节出现问题都可能导致漏气。
因此,要保证光缆接头盒的密封可靠性,就必须保证盒体、密封材料及其他附件的结构及材料可靠性,并指定具有丰富经验的人员进行封装。
封装好后建议充上100kPa气压的空气,并放置48h以上,如果气压无明显变化则可进行高低温循环试验。