《流体力学与流体机械》试题库(1)
- 格式:doc
- 大小:195.00 KB
- 文档页数:4
流体力学与流体机械同济大学课后答案一、单选题(分)1.流体的静压力国际单位是( )。
[单选题] *A、 N。
B、Pa(正确答案)C、atmD、bar。
2. 流体粘度的主要影响因素有( )。
[单选题] *A、温度和压力B、流体的种类C、温度、压力和流动状态D、温度和流体的种类(正确答案)3. 发电厂烟囱的自生抽力来源于空气和烟气的( )。
[单选题] *A、密度差(正确答案)B、流量差C、压力差D、粘度差4.形成流体流动过程中能量损失的根本原因是( )。
[单选题] *A、流体具有重量B、流体具有黏性(正确答案)C、流体具有压缩性D、流体的压力5. 流体的静压力( )。
[单选题] *A、是指静止流体内部的作用力。
B、是指流体内垂直于作用面的方向上单位面积的作用力。
(正确答案)C、既有法向力又有切向力。
D、仅出现在静止流体中。
6. 如果流动状态为层流,则该管段的阻力损失hf与流速的( )次方成正比。
[单选题] *A、0B、1/2C、1(正确答案)D、27.对于等直径直管道,其流动的能量损失( ) 。
[单选题] *A、仅有沿程损失(正确答案)B、仅有局部损失C、既有沿程损失也有局部损失D、不确定8. 绕流流动的压差阻力来源于( )。
[单选题] *A、边界层形成B、边界层分离(正确答案)C、压力差D、流体的惯性和压缩性9.对于管内流动时的能量损失,若用高度△H表示时,其物理意义是( )。
[单选题] *A、单位重量流体的能量损失(正确答案)B、单位质量流体的能量损失C、单位体积流体的能量损失D、单位时间内流体的能量损失10.流动状态为层流时,圆管过流断面最大流速是该断面平均流速的( )倍。
[单选题] *A、1/2B、1C、2(正确答案)D、411. 水力粗糙管是指( )。
[单选题] *A、内表面粗糙的管道B、内表面没有涂层的管道C、内表面腐蚀严重的管道D、层流底层不能覆盖内壁突起的管道(正确答案)12. 流体是在任何微小剪切力作用下,能够产生( )。
《流体力学与流体机械》试卷班级学号姓名得分一、填空:(总20分,每小题1分)1.流体在单位体积内所具有的叫流体的密度。
流体在单位体积内所具有的叫流体的重度。
密度和重度的关系是。
2.流体粘度的表示方法有、、三种。
3.风压是指单位体积的空气流经通风机所获得的。
4.离心式式水泵的正常工作条件是、、。
5.所有粘性流体,在流动时都具有两种不同的状态,即和。
6.两台水泵串联可以增加,两台水泵并联可以增加7.离心式通风机,气流沿_______流动;轴流式通风机中,气流沿_______流动。
8.活塞式空压机的实际工作循环包括、、、四个基本过程。
二、选择题:(总20分,每小题2分)1、活塞式空压机按理论循环压缩空气,以()规律压缩,循环功最小。
A 、绝热B 、等温C 、多变2、《煤矿安全规程》规定:“双缸空气压缩机的排气温度不得超过()℃”。
A、 160 B 、190 C、 2153、以()为测量基准测得的压力称为绝对压力。
A、真空B、大气压力C、海平面压力4、D280-43×3型泵中的43指水泵的()。
A 、转速 B、扬程 C、流量5、大型煤矿主排水泵应使用()叶片的叶轮。
A 、前向B 、径向 C、后向6、通风机2K60-4No.28型,60表示()。
A 、叶轮直径 B、轮毂比 C、风量7、轴流式通风机应在闸门()的情况下启动。
A 、半开或全开 B、关闭 C 、关闭或全开8、常用的矿用离心式通风机有4-72-11型,72含义是()。
A、风压B、比转数C、风量9、通风机串联的目的是为了()。
A、增大风压B、增大风量C、增大流速10、离心式水泵轴向推力的方向是由水泵的()。
A 、排水侧指向吸水侧 B、吸水侧指向排水侧 C、中间指向两侧三、问答题:(总40分,每小题8分)1、何为汽蚀现象?它对泵的工作有哪些危害?2.分析单吸式离心式水泵轴向推力产生的原因及其危害3、轴流式风机有哪些主要部件?各起什么作用?4、为什么要调节空压机的排气量?常用的调调节方法有哪几种?5、哪些原因会引起通风机与电动机震动,且震动频率与转速相符。
山东科技大学2011—2012学年第一学期《流体力学与流体机械》考试试卷(B卷)班级姓名学号一、选择题(每小题2分,共30分)1、下列叙述中( )是正确的。
A.静止液体的动力粘度为0B.静止液体的运动粘度为0C.静止液体的受到的切应力为0D.静止液体的受到的压应力为02、四种敞口盛水容器的底面积相同,水位高相同。
容器中水的重量比为9:1:10:2,容器底部所受的总压力为()A.9:1:10:2B.与形状有关C.相同D.不能确定。
3、压力体内()A.可能有液体B.必定充满液体C.至少有部分液体D.肯定没有液体4、恒定流是流场中()的流动。
A.各断面流速分布相同B.流线是相互平行的直线C.流动随时间按一定规律变化D.运动要素不随时间而变化5、文丘里管用于测量流量时的主要工作原理是()A.连续性方程 B.运动方程 C.能量方程 D.动量方程6、如图,两长度尺寸相同的支管并联,支管2中加设一个调节阀,下列正确的是()A.Q2<Q1,h f2< h f1。
B.Q2<Q1,h f2= h f1。
C.Q2>Q1,h w2= h w1D.Q2<Q1,h w2> h w17、紊流附加切应力是由于( )而产生的。
A .分子的内聚力B .分子间的动能交换C .重力D .紊流脉动速度引起的动量交换8、沿程损失系数λ不受Re 数影响,发生在( )A.层流区B.紊流光滑区C.紊流过渡区D.紊流粗糙区 9、两根相同直径的圆管,以同样速度输送20℃的水和空气,不会出现的情况是( )μ水=1.005×10-3Pa ·s ,μ空气=0.0183×10-3Pa ·s 。
A.水管内为层流状态,气管内为湍流状态。
B.水管、气管内都为层流状态。
C.水管内为湍流状态,气管内为层流状态。
D.水管、气管内都为湍流状态。
10、边界层的流动分离发生于( )A.物体后部B.物体前部C.逆压梯度区D.顺压梯度区 11、力F 、长度L 、速度v 、动力粘度μ组合成的无因次的数是( )A .vLFμ B .Lv F2μ C .2vLFμ D .22Lv Fμ12、虹吸管最高处的压强( )。
习题一、填空题(一)1.为提高U 形压差计的灵敏度较高,在选择指示液时,应使指示液和被测流体的密度差的值(B)A、偏大;B、偏小;C、越大越好2.在相同管径的圆形管道中,分别流动着粘油和清水,若雷诺数相等,二者的密度相差不大,而粘度相差很大,则油速(A)水速。
A、大于;B、小于;C、等于3.一设备表压为460 mmHg,另一设备的真空表读数为300mmHg,两设备的压强差为()kPa(当地大气压为101.3 kPa)。
A、760;B、101.3;C、160;D、21.34.液体的温度升高粘度();气体的温度升高粘度()。
A、不变;B、减小;C、增大;D、不定5.液体的密度与压力(),温度升高液体密度()。
A、无关;B、增大;C、减小;D、不定6.压力增加气体密度(),温度升高气体密度()。
A、不定;B、增大;C、减小;D、不变7.设备内表压为350kPa,其绝压为()kPa(当地大气压为100 kPa)。
A、450;B、250;C、460;D、-4508.流体的粘度越大,流体内部质点之间的内摩擦力()。
A、不变;B、越大;C、越小;D、不定9.对不可压缩流体,当体积流量一定时,流速与管径的2次方成反比;若体积流量不变,管径减小一倍,管内流体流速为原来的( )倍。
A、4;B、5;C、2;D、1.7510.流体的流量不变,将管径增加一倍,则雷诺数为原来的( ) 倍。
A、1/2;B、2;C、4;D、1/411.流体的流量不变,仅将管长增加一倍,则流动阻力为原来的( ) 倍。
A、1/2;B、2;C、4;D、1/412.当雷诺数Re<2000时,流体的流动型态为( ) ;当雷诺数Re>4000时,流体的流动型态为( )。
A、层流;B、定态流动;C、湍流;D、非定态流动16.流体在圆形管内作层流流动时,管中心处的流体质点流速为管内平均流速的( ) 倍。
A、1/2;B、1;C、2;D、2.517.若保持流量、密度和粘度不变,将管长增加一倍,雷诺数为原来的( )倍。
注册环保工程师基础考试上午(工程流体力学与流体机械)历年真题试卷汇编1(总分:58.00,做题时间:90分钟)一、单项选择题(总题数:29,分数:58.00)1.(2012年)图示管道为输水管道,若不考虑水头损失,且水箱的水位保持不变,(分数:2.00)A.A点的压强小于B点的压强B.C点的压强小于D点的压强C.E点的压强小于F点的压强√D.B点的压强大于C点的压强解析:解析:水位保持不变属恒定流,忽略水头损失,E、F两点能量方程为:z E>z F,u E >u F故p E<P F2.(2008年)水从水箱中流经等径直管,并经过收缩管道泄出,若水箱中的水位保持不变,则图示AB段内(分数:2.00)A.恒定流√B.非恒定流C.非均匀流D.急变流解析:解析:运动平衡的流动,流场中各点流速不随时间变化,由流速决定压强,黏性力和惯性力也不随时间变化,这种流动称为恒定流动。
例如,一水池有个排水孔出水,水池内水位保持不变,出水水流就认为是恒定流。
3.(2014年)图示为类似文丘里管路,当管中的流量为Q时,观察到A点处的玻璃管中的水柱高度为h,当改变阀门的开启度使管中的流量增大时,玻璃管中水位h会发生什么现象(分数:2.00)A.h变小B.h不变C.变大√D.无法判别解析:解析:文丘里效应表现在受限流动在通过缩小的过流断面时,流体出现流速或流量增大的现象。
由伯努利方程Z=C知流速的增大伴随流体压力的降低,从而A点处与外界大气压间的压差增大,h 变大。
4.(2011年)(分数:2.00)A.1-1断面和2-2断面B.2-2断面和3-3断面C.1-1断面和3-3断面√D.3-3断面和4-4断面解析:解析:2—2断面是变径,未知条件太多;4—4断面与流速方向不垂直。
5.(2010年)从物理意义上看,能量方程表示的是:(分数:2.00)A.单位重量液体的位能守恒B.单位重量液体的动能守恒C.单位重量液体的压能守恒D.单位重量液体的机械能守恒√解析:解析:位能、动能、压能之和为机械能。
干部学历教育《流体力学与流体机械》试卷答案一、填空题1液体的黏性随温度的升高而下降。
2.汽包内工质的绝对压力为13.25Mpa,大气压力为101.3kPa,汽包上压力表的读数为 13.15 Mpa。
3.只受重力作用的静止液体中,水平面是等压面的条件是均质、连续。
4.泵与风机运行中存在的损失按其性质分为机械损失、容积损失和水力损失。
5.对于离心式泵,提高单级叶轮的扬程,在入口条件一定的条件下,通常采取增大叶轮外径_和提高转速的方法;其中提高转速的方法可使泵保持较高效率。
6.流量增加时,泵发生汽蚀的可能性增大;当水温升高时,泵发生汽蚀的可能性增大。
7.流体的粘性是引起运动流体产生能量损失的根本原因。
转动设备润滑油油温过高会导致粘性降低而使轴与轴瓦形成干摩擦。
8.泵与风机是将原动机的机械能转变为流体的动能和压力能。
9.泵与风机采用串联运行方式的主要目的是提高扬程(风压)。
二、名词解释:1.全风压2.单位体积的气体通过风机所获得的机械能,称为全风压。
3.扬程单位重量液体通过泵所获得的机械能,称为扬程。
4.汽蚀现象在泵内反复出现水汽化、凝结、冲击而导致材料受破坏的现象,称为汽蚀现象。
4.流体的黏性流体抵抗剪切变形的能力。
三、问答题:1、管内流体流动产生的阻力损失有哪几种?如何减少?答案:管内流体流动产生的阻力损失有沿程阻力损失和局部阻力损失。
1 .从公式分析减小阻力损失的措施( 1 )减小沿程阻力损失。
1 )减小管长 L 。
沿程阻力损失的大小与管路长度成正比,在满足需要和保证安全的基础上,尽量减小管道长度。
2 )选用合理的经济流速,适当增大管径 d 。
3)减小管壁的绝对粗糙度4)提高液体温度,以减小动力粘滞系数 5)使用圆管。
(2)减小局部阻力损失减少局部阻件个数;改善局部阻件形状例如管道进口采用圆弧光滑过渡;改突然变径管为渐变管;采用较大的转弯半径;减小三通阻力从运行角度考虑减小阻力损失主要是保持各管路部件处于合理的运行状态。
流体力学与流体机械一、名词解释1、粘性:对物体表面附近的流体运动产生重要作用,施加于流体的应力和由此产生的变形速率以一定的关系联系起来的流体的一种宏观属性。
2、静压力基本方程式:3、过水断面:某一研究时刻的水面线与河底线包围的面积,称过水断面。
过水断面是与元流或总流所有流线正交的横断面。
4、总流:总流是封闭曲线取在管道内壁周线上的流束,是无数元流所组成的大的流束。
它是许多元流的有限集合体。
如实际工程中的管流及明渠水流都是总流。
5、临界雷诺数:当流体在管道中、板面上或具有一定形状的物体表面上流过时,流体的一部或全部会随条件的变化而由层流转变为湍流,此时,摩擦系统、阻力系数等会发生显著的变化。
转变点处的雷诺数即为临界雷诺数。
用Rec表示。
二、填空1、巴(bar)、千帕(kPa)、兆帕(MPa)2、摩擦阻力、流体流速3、自流式排水、扬升式排水4、单侧进水式泵(单吸泵)双侧进水式泵(双吸泵)5、自然通风机械通风三、简答题1、流体流动阻力有哪两种形式?答:(1)由于流体与器壁相摩擦而产生的阻力,称摩擦阻力;(2)流体在流动过程中由于方向改变或速度改变以及经过管件而产生的阻力,称局部阻力2、风机工作参数有几个?答:(1)流量(2)压力风机压力是指气体在通风机内的压力升高值,或者说是风机进出口处气体压力之差(3)功率(4)效率3、请写出管路特性曲线方程式?4、何谓风机工况?通风机个体特性曲线与矿井或管道风阻特性曲线在同一坐标图上的交点风机在网路工作时,是依靠风机的静压来克服网路的阻力的,因此,风机的工况点是由静压特性曲线与网路特性曲线的交点M来决定的。
5、请写出涡轮机的比例定律。
答:四、问答题1、离心式水泵为什么采用后弯叶片叶轮?答:⑴在转速、叶轮半径、流量都相同的条件下,前弯式叶轮产生的绝对速度比后弯式叶片叶轮,而流动损失与速度的平方成正比。
因此当流体流过叶轮及导叶或蜗壳时,其能量损失比后弯式叶片叶轮;⑵前弯式叶轮产生的动压比静压大,而水泵应产生高的静压以克服高的阻力来输送流体,若动压高,还得在导叶或蜗壳中转换为静压,在转换中必然要伴随较大的能量损失。
《流体力学与流体机械》试卷1一、单项选择题(40题,每题1分,计40分)1.与牛顿内摩擦定律有关的因素是( )A.压强、 速度和粘度;B.流体的粘度、切应力与角变形率;C.切应力、温度、 粘度和速度;D.压强、粘度和角变形。
2.流体是一种( )物质。
A.不断膨胀直到充满容器的;B.实际上是不可压缩的;C.不能承受剪切力的;D. 在任一剪切力的作用下不能保持静止的。
3.动力粘性系数μ与运动粘性系数ν的关系为( )。
A .ρν B.ν/ρ C. ν/p D. pν4.串联管道各串联管段的( )A.水头损失相等;B.总能量损失相等;C.水力坡度相等;D.所通过的流量相等。
5.长管并联管道各并联管段的( )A.水头损失相等;B.总能量损失相等;C.水力坡度相等;D.通过的水量相等;6.按连续介质的概念,流体质点是指( )。
A.流体的分子B.流体内的固体颗粒C.无大小的几何点D.几何尺寸同流动空间相比是极小量,又含有大量分子的微元体7.一下哪种流体为非牛顿流体( )。
A.空气B.清水C.血液D.酒精8.绝对压强P abs 、相对压强p 、真空值p v 、当地大气压强a p 之间的关系是( )。
A.P abs =p+ p vB.p= P abs +a pC.p v =a p - P abs9.一密闭容器内下部为密度为ρ的水,上部为空气,空气的压强为p 0。
若容器由静止状态自由下落,则在下落过程中容器内水深为h 处的压强为( ):A.gh p ρ+0B.0pC.0D.gh p ρ-010.定常流动是( )A.流动随时间按一定规律变化;B.流场中任意空间点的运动要素不随时间变化;C.各过流断面的速度分布相同;D.各过流断面的压强相同。
11.圆管层流过流断面的流速分布为( )。
A.均匀分布B.对数曲线分布C.二次抛物线分12、一下那些概念属于欧拉法( )。
A.流线B.迹线C.液体质点D.液体微13.圆管紊流粗糙区的沿程摩阻系数( )。
一、是非题 (正确√, 错误×,每小题1分,共10分) 1、恒定流一定是均匀流。
( ) 2、静压强大小与受压面方位无关。
( ) 3、无论流体作何种运动,水平面都是等压面。
( ) 4、真空压强是指没有大气存在时的压强。
( ) 5、总流伯努利能量方程只适用于恒定流。
( )6、理想流体是指不考虑粘性的流体;不可压缩流体是指忽略密度变化的流体。
这两种近似处理和流体连续介质假设一样都是流体力学中主要的力学模型。
( )7、临界雷诺数的大小与流体的性质无关。
( )8、明渠过流断面上各点的流速都是相等的。
( )9、当明渠均匀流水深大于临界水深,该水流一定是急流。
( ) 10、水泵的扬程就是指水泵的提水高度。
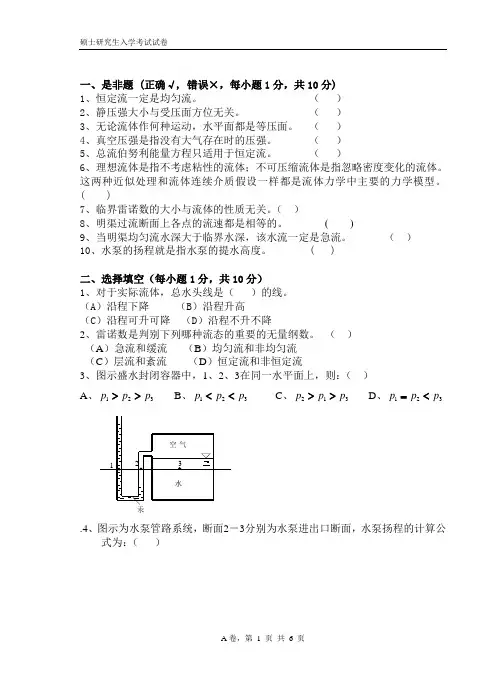
( )二、选择填空(每小题1分,共10分)1、对于实际流体,总水头线是( )的线。
(A )沿程下降 (B )沿程升高(C )沿程可升可降 (D )沿程不升不降2、雷诺数是判别下列哪种流态的重要的无量纲数。
( ) (A )急流和缓流 (B )均匀流和非均匀流 (C )层流和紊流 (D )恒定流和非恒定流3、图示盛水封闭容器中,1、2、3在同一水平面上,则:( ) A 、321p p p >>B 、321p p p <<C 、312p p p >>D 、321p p p <=.4、图示为水泵管路系统,断面2-3分别为水泵进出口断面,水泵扬程的计算公式为:( )z H A =)( 43205)(--++=w w h h z H B gV h h z H C w w 2)(244320+++=-- gp g p H D ρρ23)(-=5、动量方程式中流速和作用力:( )(A )流速有方向,作用力没有方向。
(B )流速没有方向,作用力有方向。
(C )都没有方向 (D )都有方向 6、圆管均匀流过流断面上切应力分布为:( )(A )抛物线分布,管壁处为零,管轴处最大; (B )直线分布,管壁处最大,管轴线中心处为零; (C )均匀分布;(D )层流为抛物线分布,紊流为对数分布。
一.填空题:(每小题2分,共20分)1.按规模的不同,可将模型实验分为和两种。
2.马赫准数体现的是可压缩流体在运动过程中与之间的比值关系。
3.对于超音速等熵流动,随着管道截面的增加,流体的速度将逐渐,温度逐渐,流体的体积得到。
4.超音速气流在等截面有摩擦的管道中作等温流动时,其流速沿程将不断,压力和密度沿程将不断,在这种情况下,气流必须不断地向外界放出热量才能够维持其等温流动。
5.在等压条件下,若以周围流体介质的为起点,单位时间内通过射流各截面的相对焓值是相等的,这是射流的。
6.所谓质量平均浓差,就是用乘以相应截面的,便可得到射流某截面上真实的物质相对量。
7.在烟囱抽力不变的情况下,若将烟道闸板逐渐提升,则烟道的阻力将会,炉膛内的零压面将逐渐。
8.按出口安装角的不同,叶轮一般可以分为三种型式,当出口安装角90°时,称为前弯式叶轮,这时叶片的出口方向与叶轮的旋转方向。
9.泵或风机的叶片工作角是指与的夹角,它表示的方向。
10.两台相同规格的离心式风机并联运行时所提供的总流量它们单独运行时的流量之和,而所提供的总压头它们单独运行时的压头。
二.解答题:(每小题10分,共40分)1.对某防浪堤进行模型实验,几何相似倍数为1/50,测得浪的压力为120N,问作用在原型防浪堤上浪的压力是多少?2.滞止温度为33℃的空气在直径为200mm的管道内作绝热流动,已知空气的绝热指数为1.4,气体常数为287J/kg·K。
问其临界流速和极限流速各为多少?3.已知旋流器叶片的内外径之比为0.8,叶片安装角为45°,问该旋流器所产生的旋流是弱旋流还是强旋流?4、已知某水泵铭牌上参量为n=1450r/min,H=18m,Q=288m3/h。
问该水泵的比转数n s是多少?三.计算题:(第1小题10分,共40)1.用同一根管路通过空气进行水管阀门的局部阻力系数测定,已知水的密度为1000kg/m3,运动粘度为1.0×10-6m2/s,空气的密度为1.2kg/m3,运动粘度为15×10-6m2/s,管路直径为60mm,水的流速为2.0m/s时。
《流体力学与流体机械》期终试题1一、是非判断题:(对者打“√”,错者打“×”,每小题2.5分,计30分)1.在一定剪切力作用下,能够变形的物质都叫做流体。
2.流体之所以作为连续介质假设,是因为我们所研究的对象是由大量分子组成的宏观流体的机械运动。
3.流体的体积压缩系数βP 是一个有因次的物理量,其单位与流体压强的单位相反。
4.有势质量力的势函数与流体压强之间的关系可以写成 C pU +=ρ。
5.冷、热流体的相对压力沿高度方向的变化规律是不同的,位置越高的地方,冷气体的相对压力越大。
6.在稳定流场中,流体的当地加速度为零;在均匀流场中,流体的迁移加速度为零。
7.由速度分布式 k j x i y u 22935ττ-+=可知,该速度场为三维的不稳定速度场。
8.若流场中流体质点的流线与迹线均为圆周线,那么该流场一定是有旋流场。
9.在不可压缩三维无旋流场中,流函数与速度势函数同时满足拉普拉斯方程。
10.对于稳定的缓变流来说,在流道的某一过流截面上,各点的)(z g p+ρ都相等。
11.由A u Q =可知,通过圆管内层流流动的流体,其体积流量与管径的平方成正比。
12.在紊流附面层的层流底层区内,由于流体是分层流动的,所以该区域定为无旋流动。
二、解答题:(每小题6分,计36分)1、在一直径为200 mm 的圆筒内置一同心小圆筒,两筒之间的间隙为1.0 mm ,其间充满动力粘度为0.52 Pa ·s 的油液,相对移动速度为0.5 m/s ,问每米长圆筒所受的摩擦力是多少?2、某密闭圆筒形容器内充满液体水,在以等角速度ω=8.0 rad/s 旋转的同时,还以等加速度a =2.2 m/s 2向上提升,试写出容器中液体水的等压面方程式。
3、已知流体质点沿流线方向的速度分布式为 τ1252+=s u ,试写出流线方向的加速度表达式s a 。
4、已知平面流场的速度分布为 y x y u x 22-=,22y x x u y +=,问流场中(1,1)点处的角变形速度及体积膨胀率各为多少5、已知某油嘴出口流量为3.92×10-5 m 3/s ,油嘴前压力表读数为0.25 MPa ,燃油密度为850 kg/m 3,油嘴流量系数取0.82。
《流体力学与流体机械》试题A卷答案一、填空(20分)1、液体气体平衡运动2、总是沿其作用面的内法线方向大小作用的方位3、速度、加速度空间位置时间的4、毕托管文德里流量计孔板流量计喷嘴流量计集流器5、几何相似运动相似动力相似6、叶片式容积式其他型式7、前盖板叶片后盖板轮毂8、平衡孔平衡(背)叶片双吸式叶轮叶轮对称布置9、叶轮导叶外壳集流器疏流罩扩散器10、闸门节流法风门调节法二、选择(10分)1、B2、A3、B4、C5、C6、D7、C8、A9、C 10、A三、判断(10分)1、χ2、√3、χ4、√5、χ6、√7、√8、χ9、χ 10、√四、名词解释(15分)1、流体的粘性分层流动的流体,层与层之间因速度不等而产生相对运动。
带动与阻力是一对大小相等,方向相反的作用力,流层之间的内摩擦力,流体的粘性就是阻止发生剪切变形的一种特性。
粘性大小的物理量有动力粘度和运动粘度。
2、音速和马赫数压力扰动在可压缩流体中的传播速度称为音速。
音速是气体动力学中非常重要的参数。
当扰动源与气体存在相对运动时,相对运动速度V与当地音速a的比值称为马赫数。
其物理意义是惯性力与弹性力之比。
3、允许吸上真空度允许吸上真空度是某一流量下工作时,根据压头特性曲线,功率特性曲线和效率曲线就可以确定相应的压头,功率和效率。
这一组流量,压头,功率和效率在特性曲线上的对应点称为泵或风机的工况点。
五、简答题(10分)1、伯努力方程应用的限制条件是什么?(1)理想不可压缩流体。
(2)作定常流动(3)作用于流体上的质量力只有重力(4)沿同一条流线(或微小流束)2、离心式风机集流器蜗壳的作用是什么?集流器的作用是合格证气流均匀的充满叶轮进口,减少流动损失和降低进口涡流噪声。
有筒形,锥形,弧形和组合形等几种。
蜗壳的作用是将叶轮出口的气体汇集起来,导至风机的出口,并将气的分动能转变为静压。
六、问答题(20分)1、流体运动总流及其包括的三个内容是什么?流动边界内所有流束的总和称为总流。
高等学校教学用书主讲:张明辉中国矿业大学出版社张景松编.流体力学与流体机械, 徐州:中国矿业大学出版社,2001.6(2005.1重印)删掉的题目:1-14、2-6、2-9、2-11、2-17、3-10、3-19、4-5、4-13《流体力学与流体机械之流体力学》第一章 流体及其物理性质1-8 1.53m 的容器中装满了油。
已知油的重量为12591N 。
求油的重度γ和密度ρ。
解:312591856.5kg/m 9.8 1.5m V ρ===⨯;38394N/m g γρ== 1-11 面积20.5m A =的平板水平放在厚度10mm h =的油膜上。
用平力拉它以0.8m/s U =速度移动(图1-6)。
若油的密度3856kg/m ρ=。
求油的动力粘度和运动粘度。
解:29.6N/m F A τ==,Uh τμ=, 所以,0.12Pa s hU τμ==g ,42/0.12/856 1.410m /s νμρ-===⨯ 1-12 重量20N G =、面积20.12m A =的平板置于斜面上。
其间充满粘度0.65Pa s μ=g 的油液(图1-7)。
当油液厚度8mm h =时。
问匀速下滑时平板的速度是多少。
解:sin 20 6.84F G N ==o ,57Pa s FAτ==g , 因为Uhτμ=,所以570.0080.7m/s 0.65h U τμ⨯=== 1-13 直径50mm d =的轴颈同心地在50.1mm D =的轴承中转动(图1-8)。
间隙中润滑油的粘度0.45Pa s μ=g 。
当转速950r/min n =时,求因油膜摩擦而附加的阻力矩M 。
解:将接触面沿圆柱展开,可得接触面的面积为:20.050.10.016m A dL ππ==⨯⨯=接触面上的相对速度为:2 2.49m/s 2260d d nu πω=== 接触面间的距离为:0.05mm 2D dδ-==接触面之间的作用力:358.44N du F AA dy uδμμ=== 则油膜的附加阻力矩为:8.9N m 2dM F==g 1-14 直径为D 的圆盘水平地放在厚度为h 的油膜上。
《流体力学与流体机械》试题库(一)
一、选择题(每小题2分,共30分)
1、小切应力作用于静止流体时,流体( )
A.粘度大时仍可保持静止
B.即刻开始流动
C.在过一定时间后才开始流动
D.是否流动还要看其他条件。
2、流体处于平衡状态的必要条件是( )
A.流体无粘性
B.流体粘度大
C.体积力有势
D.流体正压 3、当某点处存在真空时,该点的压强不可能的情况是( )
A.绝对压强为正值.
B.相对压强为正值。
C.绝对压强小于当地大气压强。
D.相对压强为负值。
4、静水中斜置平面壁的形心淹深h c 与压力中心淹深h D 的关系为( )
A.h c >h D
B.h c =h D C .h c <h D D.无规律 5、压力体内( )
A.必定充满流体;
B.肯定不会有流体; C .可能有流体,也可能无流体; D.至少有部分流体。
6、已知流场⎪⎩⎪⎨⎧-==2
2y
a u xy
u y x ,试分析判断该平面流动是( ) A .恒定流 B.一元流 C.无旋流 D.均匀流 7、文丘里管用于测量流量时的主要工作原理是( )
A.连续性方程
B.运动方程 C .伯努利方程 D.动量方程 8、不可压缩气体流动时,下列论述中正确的是( )
A.总压线、势压线及位压线总是沿程下降的;
B.总压线、势压线及位压线均可能沿程有升有降;
C.总压线及位压线总是沿程下降的,势压线沿程可能有升有降;
D.总压线总是沿程下降的,势压线及位压线沿程可能有升有降。
9、两根直径不同的圆管,在流动雷诺数Re 相等时,它们的沿程损失系数λ( )
A.一定不相等 B .可能相等 C.粗管的一定比细管的大 D.粗管的一定比细管的小
10、边界层的流动分离发生于( )
A .物体后部
B .物体前部
C .逆压梯度区
D .顺压梯度区
11、对于圆管中水流的层流运动,其断面流速分布可表示式为u =γJ (r 02-r 2)/4μ,已知
管轴上最大流速u max =.0.24m/s ,则断面平均流速为( ) A .0.24 m/s B .0.16 m/s C .0.12 m/s D .0.06 m/s
12、力F 、长度L 、速度v 、动力粘度μ组合成的无因次的数是( )
A .
vL F
μ B .L v F 2μ C .2
vL F μ D .22L v F μ 13、如图,两长度尺寸相同的支管并联,支管2中加设一个调节阀,下列正确的是( )
A.Q 2<Q 1,h f2< h f1。
B.Q 2<Q 1,h f2= h f1。
C.Q 2>Q 1,h L2= h L1
D.Q 2<Q 1,h L2> h L1
14、水泵是输送和提升液体的机器,是转换能量的机械,它把原动机的机械能转换为被输送液体
的能量,使液体获得( )。
A.压力和速度 B .动能和势能 C.流动方向的变化 D.静扬程 15、下列关于离心泵的叙述中,不正确的是( )
A . 离心泵使用前须预先向泵内充水。
B .离心泵常在零流量下启动。
C .关闭节流设备使泵在零流量下运行,此时轴功率为零。
D .离心泵不能常期在零流量下工作。
二、问答题(12分):
1、(4分)解释水击现象及其危害?
2、(8分)如图所示为该装置即时的水流状态,
①绘制总水头线和测压管水头线。
②若阀门开度减小,阀门前后两根测压管中的水面将如何变化?为什么?
三、计算题(58分)
1、(8分)图示密闭容器中盛有水,并装有一U 形水银测压计,今测得A 点距水面的距离为0.3m ,
m h 3.01=∆,m h 8.02=∆, 求容器中水面上的相对压强 p 0 ?
2、(15分)高压管末端的喷嘴如图,出口直径d=10cm ,管端直径D=40cm ,流量Q=0.4m 3
/s ,喷嘴和管以法兰盘连接,共用12个螺栓,不计水和管嘴的重量,求每个螺栓受力多少?
3、(10分)若球形尘粒的密度ρm =2500kg/m 3,空气温度20℃,求允许采用斯托克斯公式计算尘粒在空气中悬浮速度的最大粒径(相当于Re=1)。
已知空气密度ρ=1.205kg/m 3,运动粘滞系数ν=15.7×10-6m 2/s 。
4、(25分)设有一台水泵,当转速n=1450r/min时,其参数列于下表:
Q(L/s)0 2 4 6 8 10 12 14
H(m)11 10.8 10.5 10 9.2 8.4 7.4 6
η(%)0 15 30 45 60 65 55 30
管路系统的综合阻力数S=0.024×106s2/m5,几何扬水高度H Z=6m,上下两水池水面均为大气压。
求(1)水泵运行时的工作参数(Q、H、N、η)。
(2)如以节流阀调节流量,使Q=8L/s时,有关工作参数是多少?
(3)当采用改变泵转速的方法使流量变为8L/s时,泵的转速应为多少?
相应的其它参数是多少?
(4)根据计算结果比较哪种工况调节方式更节能?。