预应力混凝土简支梁设计
- 格式:ppt
- 大小:281.50 KB
- 文档页数:5
课程名称:《桥梁工程概论》设计题目:预应力钢筋混凝土简支T形梁桥设计院系:专业:学号:姓名:元芳指导教师:联系方式:西南交通大学峨眉校区2012年6 月 2 日课程设计任务书专业0 姓名学号开题日期:2012-5-15完成日期:2012-6-3题目:预应力纲纪混凝土简支T形梁桥设计一、设计的目的通过本次预应力纲纪混凝土简支T形梁桥设计,掌握并巩固课堂所学知识二、设计的内容及要求设计内容:1、计算桥面板内力(最大弯矩和剪力);2、计算主梁内力(跨中弯矩和剪力及支座处最大剪力),进行强度检算;要求:1、本课程设计须按教务对课程设计的排版格式要求,形成电子文档,并打印成文本上交,同时电子文档也须上交。
2、本课程设计期末考试时必须交三、指导教师评语四、成绩指导教师(签章)年月日目录第一章设计资料 (4)1.1 设计资料 (4)第二章主要尺寸拟定 (4)2.1 尺寸拟定 (4)第三章行车道板的计算 (9)3.1 桥面板恒载计算 (9)3.2 铰接板的内力计算 (10)第四章主梁内力计算 (8)4.1 求横向分布系数 (8)4.2 主梁内力计算 (11)第五章荷载效应组合.............................................................. 错误!未定义书签。
5.1 承载力极限状态设作用效应组合................................ 错误!未定义书签。
5.2 正常使用极限状态设作用效应组合............................ 错误!未定义书签。
第六章截面验算 (23)6.1 持久状况承载能力极限状态计算 (23)6.2 持久状况正常使用极限状态计算 (23)6.3 挠度验算 (24)第七章设计小结 (23)325/kN m 12.14/kN m 324/kN m 323/kN m 26.1p L m=23.5/kN m 43.4510c E MPa=⨯一、设计资料1、计算跨径:2、设计荷载:公路Ⅱ级荷载;人群荷载人行道重力:预制横隔梁的重力密度为 3、主要宽度尺寸:行车道宽度为 8.5m ,人行道宽度为 0.75m ,每片梁行车道板宽2.00m4、行车道板间连接形式:刚性连接3、铺装层及其各项指标:桥面铺装层外边缘处为2cm 的沥青表面处治(重力密度 )和6cm 厚的混凝土三角垫层(重力密度 ),桥面横坡 1.5%4、其他数据:弹性模量5、设计依据: 《公路桥涵设计通用规范》(JTG D60—2004)《公路钢筋混凝土及预应力混凝土桥梁设计规范》(JTG D62—2004)8、设计方法:承载能力极限状态法二、主要尺寸拟定① 主梁高度公路普通钢筋混凝土梁高跨比的经济范围约为1/11~1/16;预应力混凝土梁的高跨比为1/15~1/25,随跨度增大而取较小值,本课程设计采用1350mm 的主梁高度② 梁肋厚度常用的梁肋厚度为15cm - 18cm ,视梁内主筋的直径和钢筋骨架的片数而定。
钢筋混凝土及预应力混凝土简支梁桥结构设计下载提示:该文档是本店铺精心编制而成的,希望大家下载后,能够帮助大家解决实际问题。
文档下载后可定制修改,请根据实际需要进行调整和使用,谢谢!本店铺为大家提供各种类型的实用资料,如教育随笔、日记赏析、句子摘抄、古诗大全、经典美文、话题作文、工作总结、词语解析、文案摘录、其他资料等等,想了解不同资料格式和写法,敬请关注!Download tips: This document is carefully compiled by this editor. I hope that after you download it, it can help you solve practical problems. The document can be customized and modified after downloading, please adjust and use it according to actual needs, thank you! In addition, this shop provides you with various types of practical materials, such as educational essays, diary appreciation, sentence excerpts, ancient poems, classic articles, topic composition, work summary, word parsing, copy excerpts, other materials and so on, want to know different data formats and writing methods, please pay attention!引言简支梁桥是钢筋混凝土和预应力混凝土桥梁中常用的桥梁结构形式之一。
30m预应力混凝土简支箱型梁桥设计1.1上部结构计算设计资料及构造布置1.1.1 设计资料1.桥梁跨径及桥宽标准跨径:30m;主梁全长:29.96m;计算跨径:28.66m;桥面净宽:净—9+2×1.5m。
2.设计荷载车道荷载:公路—I级;人群荷载:3kN/㎡;每侧人行道栏杆的作用力:1.52kN/㎡;每侧人行道重:3.75kN/㎡。
3.桥梁处河道防洪标准为20年一遇设计,50年一遇校核,桥下通过流量1000/s时,落差不超过0.1m。
4.桥下净空取50年一遇洪水位以上0.3m。
5.材料及工艺混凝土:主梁采用C50混凝土;钢绞线:预应力钢束采用Φ15.2钢绞线,每束6根,全梁配5束;钢筋:直径大于等于12mm的采用HRB335钢筋,直径小于12mm的采用R235钢筋。
采用后张法施工工艺制作主梁。
预制时,预留孔道采用内径70mm、外径77mm的预埋金属波纹管成型,钢绞线采用T双作用千斤顶两端同时张拉,锚具采用夹片式群锚。
主梁安装就位后现浇600mm宽的湿接缝,最后施工混凝土桥面铺装层。
6.基本计算数据基本计算数据见表5-1〖注〗本例考虑混凝土强度达到C45时开始张拉预应力钢束。
f'ck和f'tk分别表示钢束张拉时混凝土的抗压、抗拉标准强度,则:f'ck = 29.6MPa,f'tk = 2.51MPa。
1.1.2 方案拟定及桥型选择1.桥型选取的基本原则(1) 在符合线路基本走向的同时,力求接线顺畅、路线短捷、桥梁较短、尽量降低工程造价(2)在满足使用功能的前提下,力求桥型结构安全、适用、经济、美观。
同时要根据桥位区的地形、地貌、气象、水文、地质、地震等条件,结合当地施工条件,选用技术先进可靠、施工工艺成熟、便于后期养护的桥型方案。
(3)尽量降低主桥梁体高度,缩短桥长。
2.桥型方案比选根据桥位的通航要求,结合桥位处的地形地貌、地质等条件,我们对简支梁桥、悬臂梁桥、T型刚构桥三种方案进行比选(1)简支梁桥方案采用预应力混凝土箱形截面形式,此结构为静定结构,结构内力不受地基变形及温度变化等的影响,因此对基础的适应性好。
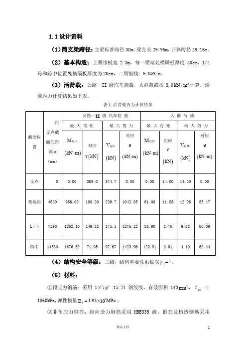
表1 活荷载内力计算结果1.1设计资料(1)简支梁跨径:主梁标准跨径30m ,梁全长29.96m ,计算跨径29.16m 。
(2)基本构造:上翼缘板宽2.3m ,每一梁端处横隔板厚度30cm ,1/4跨和跨中位置处横隔板厚度为20cm ,二期恒载:6.0kN/m 。
(3)活荷载:公路—II 级汽车荷载,人群荷载按3.02kN /m 计算。
活载内力计算结果如下表。
(4)结构安全等级:二级,结构重要性系数取01γ=。
(5)材料:①预应力钢筋:采用1×7s φ 15.24钢绞线,有效面积1402mm ,pkf =1860MPa,弹性模量51.9510p MPa E =⨯;②非预应力钢筋:纵向受力钢筋采用HRB335级,箍筋及构造钢筋采用HRB335,R235级;③混凝土:C50,43.4510c MPa E =⨯,抗压强度标准值32.4ck MPa f =,抗压强度设计值22.4cd MPa f =;抗拉强度标准值 2.65tk MPa f =,抗拉强度设计值1.83td MPa f =。
(6)施工方法:采用后张法两端同时张拉,预应力孔道采用塑料波纹管;(7)设计要求:按全预应力混凝土或部分预应力混凝土A 类构件设计。
1.2主梁尺寸主梁各部分尺寸如下图所示。
1.3主梁全截面几何特性1)主梁翼缘有效宽度'f b ,取下列三者中的最小值: (1)简支梁计算跨径的l/3,即l/3=29160/3=9720mm ; (2)相邻两梁的平均间距,对于中梁为2300mm ;(3)()'b 612b h f h ++,式中b 为梁腹板宽度,b h 为承托长度,这里b h =0,'h f 为受压区翼缘处板的厚度, 'h f 可取跨中截面议板厚度的平均值,即'h f ≈(1000×180+800×120/2)/1000=228mm 。
所以有()'b 612b h f h ++=200+6×0+12×228=2936mm 。
桥梁毕业设计预应力混凝土简支梁预应力混凝土简支梁是一种常见的桥梁结构,它通过预先施加高强度的钢缆或钢杆的预应力,能够有效地提高梁的承载能力、延长使用寿命。
本篇文章将针对桥梁毕业设计中预应力混凝土简支梁的相关内容展开详细的论述。
首先,预应力混凝土简支梁的设计要充分考虑弯曲变形、轴向拉力和剪切力的影响。
在预应力的施加过程中,可以利用悬臂法进行预应力的调整,以满足不同截面的受力需求。
同时,还需要根据梁的实际跨度、荷载和设计要求等因素进行综合考虑,确定梁的截面尺寸和预应力的大小。
在预应力混凝土简支梁的设计过程中,需要进行荷载分析和结构计算。
首先,进行静力分析,确定荷载的大小和作用位置,分析梁的受力情况。
然后,进行结构计算,包括弯矩计算、剪力计算、轴向拉力计算等。
根据计算结果,可以确定混凝土和预应力钢材的用量,并且评估结构的安全性。
对于预应力混凝土简支梁的施工过程也需要进行详细的论述。
首先,需要确定预应力杆的布置方案,确保预应力杆的布置符合设计要求。
然后,进行预应力的张拉和锚固,确保预应力杆能够正确地施加预应力到混凝土梁中。
同时,还需要对混凝土进行浇筑、养护等工艺操作,保证梁的质量和性能。
此外,还需要对预应力混凝土简支梁的结构性能进行评估和分析。
通过进行不同工况下的静力和动力分析,可以评估梁的结构性能,包括强度、刚度、变形等。
如果需要进一步提高梁的性能,可以通过优化设计和调整预应力的施加方式等。
最后,在完成设计和施工之后,还需要对预应力混凝土简支梁的使用寿命进行评估。
通过进行养护管理、监测和维修等工作,可以及时发现梁的损伤和变形,并采取相应的修复和加固措施,延长梁的使用寿命。
总之,预应力混凝土简支梁是一种重要的桥梁结构,其设计和施工需要综合考虑静力学、材料力学和结构力学等方面的内容。
通过科学合理的设计和施工,可以保证梁的安全性、经济性和持久性,为人们的出行提供便利和舒适。
全预应力混凝土简支梁设计算例一、设计资料1. 桥梁跨径及桥宽标准跨径:m L k 30=(墩中心距),主梁全长:L =29.96m ,计算跨径:f L =29.16m ,桥面净宽:净9+2×1m 。
2. 设计荷载公路—Ⅱ级车辆荷载,人群荷载3.5KN/m 2,结构重要性系数1.10=γ。
3. 材料性能参数 (1)混凝土强度等级为C40,主要强度指标为: 强度标准值 MPa f MPa f tk ck 4.2,8.26== 强度设计值 MPa f MPa f td cd 65.1,4.18== 弹性模量 MPa E c 41025.3⨯=⑵ 预应力钢筋采用1×7标准型_15.2_1860_II_GB/T 5224——1995钢绞线, 其强度 指标为:抗拉强度标准值 MPa f pk 1860= 抗拉强度设计值 MPa f pd 1260= 弹性模量 MPa E p 51095.1⨯= 相对界限受压区高度 4.0=b ξ⑶普通钢筋采用HRB335钢筋,其强度指标为: 抗拉强度标准值 MPa f sk 335= 抗拉强度设计值 MPa f sd 280= 弹性模量 MPa E s 5100.2⨯= 4.主梁纵横截面布置 各部分截面尺寸跨中截面毛截面几何性质为:截面面积c A =0.7018×106mm 2;截面重心至构件上缘的距离cs y =475.4mm ; 截面重心至构件下缘的距离cx y =824.6 mm ; 截面惯性矩c J =0.1548×1012 mm 4。
5.内力计算主梁内力计算的方法将在《桥梁工程》中进一步学习,在此仅列出内力计算的结果。
(1)恒载内力按预应力混凝土分阶段受力的实际情况,恒载内力按下列三种情况分别计算: ①预制主梁(包括横隔梁) m KN g /66.1635.13.151=+= ②现浇混凝土板自重 m KN g /25.22=③后期恒载(包括桥面铺装、人行道及栏杆等) m KN g /51.624.027.63=+= 恒载内力计算结果如表1所示。
《钢筋混凝土结构设计》——预应力钢筋混凝土T 形简支梁设计一、设计目的通过本课程的课程设计,要达到以下目的:1)熟悉预应力混凝土简支梁桥主梁设计计算的一般步骤,独立完成预应力混凝土简支梁桥主梁的设计;2)了解预应力混凝土桥梁的一般构造及钢筋构造,并能根据计算结果配置主梁中的钢筋,正确绘制施工图。
二、设计资料(1)桥梁跨径与桥宽标准跨径:40m (墩中心距离) 主梁全长:39.96m计算跨径:39.00m桥面宽度:净—14m+2×1.75m=17.5m 。
(2)设计荷载:公路—II 级,人群荷载详见附表1,每侧行人栏杆、防撞栏的重力分别为1.52KN/m和4.99KN/m ,结构重要性系数0.10=γ,单号按全预应力混凝土构件设计,双号按部分预应力A 类混凝土构件设计。
(3)材料性能参数及工艺混凝土:主梁采用C50,栏杆及桥面铺装用C30。
预应力钢束采用2.15S φ钢绞线,每束6根钢绞线,OVM 型锚具。
采用内径70mm 、外径77mm 的波纹预埋管形成预应力钢束孔道。
普通钢筋直径大于和等于10mm (纵向受力钢筋),采用HRB335钢筋;直径小于10mm(箍筋和构造钢筋)的均用HPB300钢筋。
T 型梁采用后张法预应力工艺张拉预应力,预应力筋张拉控制应力ptk con f 75.0=σ。
(4)设计计算基本数据1)混凝土C50主要强度指标为:强度标准值32.4, 2.65ck tk f Mpa f Mpa == 强度设计值22.4, 1.83cd td f Mpa f Mpa==强度模量43.4510c E MPa =⨯ 考虑混凝土强度达到C45时开始张拉预应力钢束,张拉预应力钢束时混凝土抗压、抗拉强度标准值,MPa f MPa f tk ck51.26.29''==2)预应力钢筋其强度指标为: 抗拉强度标准值 1860pk f MPa = 抗拉强度设计值1260pd f Mpa=弹性模量51.9510c E MPa =⨯ 3)普通钢筋纵向抗拉普通钢筋采用HRB335钢筋,其强度指标为 抗拉强度标准值 335sk f MPa = 抗拉强度设计值280sd f MPa=弹性模量52.010s E MPa =⨯ 箍筋及构造钢筋采用HPB300钢筋,其强度指标为 抗拉强度标准值 MPa f sk 300= 抗拉强度设计值 MPa f sd 195= 弹性模量 MPa E s 5101.2⨯=二、结构横截面布置(1)主梁间距与主梁根数主梁间距通常随着梁高于跨径的增大而加宽较为经济,同时加宽翼板对提高主梁截面有效指标也有效。
目录【桥梁工程】课程设计任务书---------------------------------------------2桥梁设计说明------------------------------------------------------------------3计算书---------------------------------------------------------------------------4参考文献------------------------------------------------------------------------24桥梁总体布置图---------------------------------------------------------------25主梁纵、横截面布置图-----------------------------------------------------26桥面构造横截面图-----------------------------------------------------------27【桥梁工程】课程设计任务书一、课程设计题目 (10人以下为一组)1、钢筋混凝土简支梁桥上部结构设计〔标准跨径为25米,计算跨径为24.5米,预制梁长为24.96米,桥面净空:净—8.5+2×1.00米〕二、设计根本资料1、设计荷载:公路—Ⅱ级,人群3.0KN/m2,每侧栏杆及人行道的重量按4.5 KN/m计2、河床地面线为〔从左到右〕:0/0,-3/5,-4/12,-3/17,-2/22,-2/27,0/35〔分子为高程,分母为离第一点的距离,单位为米〕;地质假定为微风化花岗岩。
3、材料容重:水泥砼23 KN/m3,钢筋砼25 KN/m3,沥青砼21 KN/m34、桥梁纵坡为0.3%,桥梁中心处桥面设计高程为2.00米三、设计内容1、主梁的设计计算2、行车道板的设计计算3、横隔梁设计计算4、桥面铺装设计5、桥台设计四、要求完成的设计图及计算书1、桥梁总体布置图,主梁纵、横截面布置图〔CAD出图〕2、桥面构造横截面图〔CAD出图〕3、荷载横向分布系数计算书4、主梁内力计算书5、行车道板内力计算书6、横隔梁内力计算书五、参考文献1、【桥梁工程】,姚玲森,2005,人民交通出版社.2、【梁桥】〔公路设计手册〕,2005,人民交通出版社.3、【桥梁计算例如集】〔砼简支梁〔板〕桥〕,2002,人民交通出版社.4、中华人民共和国行业标准.公路工程技术标准〔JTG B01-2003〕.北京:人民交通出版社,20045、中华人民共和国行业标准.公路桥涵设计通用标准(JTG D60-2004)含条文说明.北京:人民交通出版社,20046、中华人民共和国行业标准.公路钢筋混凝土及预应力混凝土桥涵设计标准(JTG D62-2004)含条文说明六、课程设计学时2周桥梁设计说明桥梁设计包括纵.横断面设计和平面布置。
预应力混凝土简支梁设计在现代建筑和桥梁工程中,预应力混凝土简支梁因其出色的性能和经济性得到了广泛的应用。
预应力混凝土简支梁的设计是一项复杂而关键的工作,需要综合考虑多种因素,以确保其结构的安全性、适用性和耐久性。
预应力混凝土简支梁的设计首先要明确其使用功能和荷载条件。
使用功能决定了梁的跨度、截面尺寸和外形等基本参数,而荷载条件则包括恒载(如梁自身的重量)、活载(如人员、车辆等的重量)以及可能存在的风载、地震作用等。
在确定荷载时,需要根据相关的规范和标准进行准确的计算和取值,以保证设计的可靠性。
材料的选择也是设计中的重要环节。
混凝土的强度等级应根据工程的要求和环境条件来确定,一般常用的强度等级有 C30、C40 等。
对于预应力钢筋,通常采用高强度的钢丝、钢绞线或螺纹钢筋,其性能应符合国家标准和设计要求。
同时,还需要考虑普通钢筋的配置,以增强梁的抗裂性和承载能力。
梁的截面设计是预应力混凝土简支梁设计的核心内容之一。
截面的形状和尺寸直接影响梁的受力性能和经济性。
常见的截面形状有矩形、T 形和箱形等。
在设计截面时,需要根据梁的跨度、荷载大小以及施工条件等因素进行综合考虑。
一般来说,为了提高梁的抗弯能力,截面的高度应尽可能大,但同时也要考虑建筑净空和美观等要求。
预应力的施加是预应力混凝土简支梁的重要特点。
预应力的大小和分布应根据梁的受力情况进行合理设计。
通过在混凝土梁中预先施加压应力,可以有效地抵消在使用阶段可能产生的拉应力,从而提高梁的抗裂性能和承载能力。
预应力的施加方式有先张法和后张法两种。
先张法是在混凝土浇筑前将预应力钢筋张拉并锚固在台座上,然后浇筑混凝土,待混凝土达到一定强度后放张预应力钢筋,使其对混凝土产生预压应力。
后张法则是在混凝土浇筑并养护达到一定强度后,在预留的孔道中穿入预应力钢筋,然后进行张拉和锚固。
在设计过程中,还需要对梁的正截面和斜截面承载力进行计算和验算。
正截面承载力计算主要是确定梁在受弯状态下的承载能力,确保其能够承受设计荷载而不发生破坏。
30米预应力混凝土T型简支梁桥课程设计1. 引言本文档旨在介绍一个关于设计30米预应力混凝土T型简支梁桥的课程设计。
设计的主要目标是满足承载能力、稳定性和耐久性要求,同时考虑施工可行性和经济性。
2. 桥梁参数•梁长:30米•梁宽:3米•梁高:1.5米•荷载要求:根据设计要求和规范确定3. 结构设计3.1 梁截面设计根据桥梁的跨度和荷载要求,选择适当的梁截面形式。
本设计选择T型梁截面,可以提供足够的强度和刚度,同时便于施工。
T型梁的下翼缘和上翼缘由3层混凝土构成,钢筋混凝土梁板和纵向预应力钢筋共同工作。
采用预应力设计可以提高梁的承载能力和延性,确保桥梁的安全性。
3.2 荷载分析根据设计要求和规范,确定桥梁的荷载特性和组合荷载。
荷载分析是桥梁设计的重要部分,需要考虑静力和动力荷载以及其组合。
静力荷载包括自重、活荷载和永久荷载等。
动力荷载包括风荷载和地震荷载等。
组合荷载需按照规范要求进行合理组合。
3.3 预应力设计预应力设计是为了提高桥梁的承载能力和延性,减小变形和裂缝。
预应力可以通过施加预应力钢筋或预应力束来实现。
预应力设计需要确定预应力钢筋的数量、强度和布置方式。
预应力筋的预应力张拉和锚固需要注意施工的可行性和安全性。
4. 施工可行性和经济性考虑在桥梁设计中,施工可行性和经济性也是需要考虑的重要因素。
设计应该遵循合理、规范的施工要求,确保桥梁的安全性和质量。
施工可行性考虑方面包括施工工艺、材料选用、施工方法和设备等。
经济性考虑方面包括成本控制、材料节约和工期等。
5. 结论本文档详细介绍了30米预应力混凝土T型简支梁桥的课程设计。
设计中考虑了梁截面设计、荷载分析、预应力设计以及施工可行性和经济性的要求。
通过合理的设计和施工,可以确保桥梁的安全性和可靠性。
装配式预应力混凝土简支梁桥的构造与设计首先,桥梁的布置和形式要符合设计要求。
装配式预应力混凝土简支梁桥通常采用直线形式,但也可以根据实际情况采用弧线或斜线形式。
桥梁节点的设置要合理,确保板梁、桩基和墩上设备等各构件的连接和传力良好。
其次,梁型和预应力布置要符合受力要求。
梁型通常选择I形或T形,根据跨度和荷载大小确定断面尺寸,保证受力性能。
预应力布置应符合桥梁的内力状况,在主梁和副梁上设置预应力筋,两者之间通过横向连接筋进行连接。
第三,考虑桥梁的荷载引入与传递。
根据实际情况,确定桥梁的边跨和中跨数量,边跨通常设置独立锥块,中跨通过预应力筋引入荷载。
在设计荷载影响线时,需要考虑活载和恒载对桥梁产生的作用,并确定合适的引入点和转移点。
第四,选择适当的装配式预应力构件。
装配式预应力混凝土简支梁桥通常采用预应力桥面板、预应力拉杆和钢筋混凝土墩柱等构件。
在选择时,需要考虑构件的强度和刚度,满足桥梁的受力要求。
同时,还要确定合适的连接方式,确保构件之间的连接牢固。
最后,进行结构计算和施工方案设计。
根据预应力设计原理和国家相关规范,进行梁桥的结构计算,计算各构件的强度和刚度。
在施工方案设计中,需要考虑预制构件的制作和安装工艺,确定合适的施工顺序和施工方法,确保施工的安全和质量。
装配式预应力混凝土简支梁桥的构造与设计需要综合考虑各种因素,确保梁桥具有足够的强度和刚度,满足使用要求,并确保施工安全和质量。
随着装配式预应力混凝土技术的不断发展和应用,越来越多的装配式预应力混凝土简支梁桥将被建设,为交通运输事业的发展做出贡献。