高考最新电化学二轮复习专题练习
- 格式:docx
- 大小:861.69 KB
- 文档页数:16
热点提速练11 新型化学电源命题角度1新型燃料电池及分析1.(2024·河北沧州二模)微生物燃料电池是指在微生物的作用下将化学能转化为电能的装置,其工作原理如图所示。
下列有关微生物电池的说法错误的是( )A.a极为负极,可选择导电性高、易于附着微生物的石墨B.微生物的存在有利于电子的转移C.在b极涂覆的催化剂有利于氧气的还原D.该电池在任何温度下均可发电2.(2024·北京西城区二模)近期,科学家研发了“全氧电池”,其工作原理示意图如下。
下列说法不正确的是( )A.电极a是负极B.电极b的反应:O2+4e-+2H2O4OH-C.该装置可将酸和碱的化学能转化为电能D.酸性条件下,O2的氧化性强于碱性条件下O2的氧化性命题角度2锂(或锂离子)电池及分析3.(2024·广东湛江二模)如图是我国独创的超大容量锂硫电池。
下列说法不正确的是( )A.放电时该电池中电子通过外电路,Li+通过内电路均移向正极B.正极的电极反应为S8+16e-+16Li+8Li2SC.该电池的电解质为非水体系,通过传递Li+形成电流D.充电时,金属锂片上发生氧化反应4.(2024·湖北武汉4月调研)我国某科研团队借助氧化还原介质RM,将Li-CO2电池的放电电压提高至3 V以上,该电池的工作原理如图。
下列说法正确的是( )A.LiFePO4电极的电势比多孔碳电极的高B.负极反应:LiFePO4-x e-Li1-x FePO4+x Li+C.RM和RM'-C均为该电池反应的催化剂D.LiFePO4电极每减重7 g,就有22 g CO2被固定命题角度3钠离子电池及分析5.(2024·陕西铜川二模)我国科研人员研制出以钠箔和多壁碳纳米管为电极的可充电“Na-CO2”电池,工作过程中,Na2CO3与C均沉积在多壁碳纳米管电极。
其工作原理如图所示。
下列叙述错误的是( )A.充电时,多壁碳纳米管为阳极,Na+向钠箔电极方向移动B.放电时,电路中转移0.1 mol e-,多壁碳纳米管电极增重1.1 gC.采纳多壁碳纳米管作电极可以增加吸附CO2的实力D.充电时,阳极反应为2Na2CO3+C-4e-3CO2+4Na+6.(2024·河北张家口二模)我国新能源汽车上有望推广钠离子电池,一种钠离子电池工作示意图如下,充电时Na+经电解液嵌入石墨(C6),下列说法错误的是( )A.放电时,电势:电极a>电极bB.放电时,电子从电极b经外电路流向电极a,再经电解液流回电极bC.放电过程中,导线上每通过1 mol e-,负极质量削减23 gD.充电时,电极a上发生反应的电极反应为NaFePO4-x e-Na1-x FePO4+x Na+命题角度4二次锌电池及分析7.(2024·山西运城二模)我国科研人员利用双极膜技术构造出一类具有能量密度高、循环性能优异的新型水系电池,模拟装置如图所示。
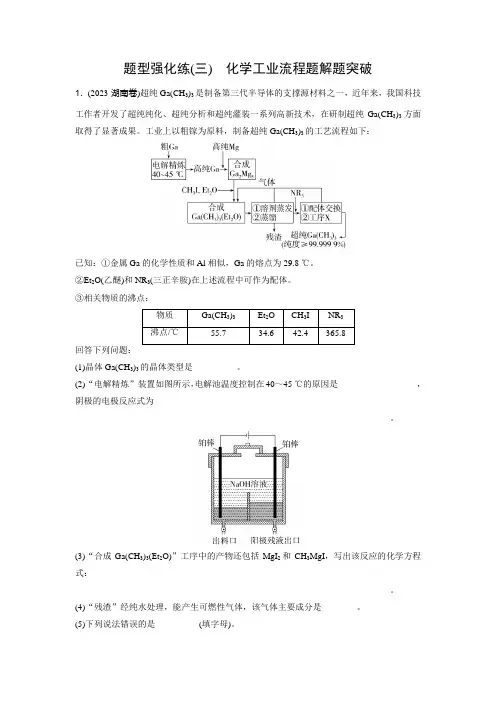
题型强化练(三)化学工业流程题解题突破1.(2023·湖南卷)超纯Ga(CH3)3是制备第三代半导体的支撑源材料之一,近年来,我国科技工作者开发了超纯纯化、超纯分析和超纯灌装一系列高新技术,在研制超纯Ga(CH3)3方面取得了显著成果。
工业上以粗镓为原料,制备超纯Ga(CH3)3的工艺流程如下:已知:①金属Ga的化学性质和Al相似,Ga的熔点为29.8 ℃。
②Et2O(乙醚)和NR3(三正辛胺)在上述流程中可作为配体。
③相关物质的沸点:回答下列问题:(1)晶体Ga(CH3)3的晶体类型是__________。
(2)“电解精炼”装置如图所示,电解池温度控制在40~45 ℃的原因是__________________,阴极的电极反应式为_____________________________________________________________________________________________________________________________。
(3)“合成Ga(CH3)3(Et2O)”工序中的产物还包括MgI2和CH3MgI,写出该反应的化学方程式:________________________________________________________________________________________________________________________________________________。
(4)“残渣”经纯水处理,能产生可燃性气体,该气体主要成分是________。
(5)下列说法错误的是__________(填字母)。
A.流程中Et2O得到了循环利用B.流程中,“合成Ga2Mg3”至“工序X”需在无水无氧的条件下进行C.“工序X”的作用是解配Ga(CH3)3(NR3),并蒸出Ga(CH3)3D.用核磁共振氢谱不能区分Ga(CH3)3和CH3I(6)直接分解Ga(CH3)3(Et2O)不能制备超纯Ga(CH3)3,而本流程采用“配体交换”工艺制备超纯Ga(CH3)3的理由是______________________________________________________________________________________________________________________________。
2024届高考二轮复习化学试题(新高考新教材)大题突破练(一)化学工艺流程题1.(2023·辽宁锦州一模)锌是一种应用广泛的金属,目前工业上主要采用“湿法”工艺冶炼锌,以某硫化锌精矿(主要成分是ZnS ,还含有少量FeS 等其他成分)为原料冶炼锌的工艺流程如图所示:回答下列问题:(1)在该流程中可循环使用的物质是Zn 和H 2SO 4,基态S 原子占据最高能级的原子轨道的形状为,S O 42-的空间结构为。
(2)“焙烧”过程在氧气气氛的沸腾炉中进行,“焙砂”中铁元素主要以Fe 3O 4形式存在,写出“焙烧”过程中FeS 发生主要反应的化学方程式:;“含尘烟气”中的SO 2可用氨水吸收,经循环利用后制取硫酸,用氨水吸收SO 2至溶液的pH=5时,所得溶液中的c (SO 32-)c (HSO 3-)=。
[已知:K a 1(H 2SO 3)=1.4×10-2;Ka 2(H 2SO 3)=6.0×10-8](3)浸出液“净化”过程中加入的主要物质为锌粉(过量),所得“滤渣”的成分为(填化学式),分离“滤液”与“滤渣”的操作名称为。
(4)改进的锌冶炼工艺,采用了“氧压酸(稀硫酸)浸”的全湿法流程,既省略了易导致空气污染的焙烧过程,又可获得一种有工业价值的非金属单质。
①下列设想的加快浸取反应速率的措施中不合理的是(填字母)。
A.将稀硫酸更换为98%的浓硫酸 B.将硫化锌精矿粉碎 C.适当升高温度②硫化锌精矿的主要成分ZnS 遇到硫酸铜溶液可慢慢地转化为铜蓝(CuS):ZnS(s)+Cu 2+(aq)CuS(s)+Zn 2+(aq),该反应的平衡常数K =。
[已知:K sp (ZnS)=1.6×10-24,K sp (CuS)=6.4×10-36] 2.(2023·河北名校联盟联考)某软锰矿含锰50%,是重要的锰矿石。
其主要成分如表:软锰矿主要成分杂质MnO2MgO、FeO、Fe2O3、Al2O3、SiO2等杂质某科研团队设计制备高纯度MnCO3。
题型能力提升训练(二)1. (2023·河北邯郸二模)Be被主要用于原子能反应堆材料、宇航工程材料等,有“超级金属、尖端金属、空间金属”之称。
硫酸法是现代工业用绿柱石(主要成分为3BeO·Al2O3·6SiO2,还含有铁等杂质)生产氧化铍的方法之一,其简化的工艺流程如下:已知几种金属阳离子的氢氧化物沉淀时的pH如下表:金属阳离子Fe3+Al3+Fe2+Be2+开始沉淀时pH 1.5 3.3 6.5 5.2沉淀完全时pH 3.7 5.0 9.7 —_适当增加硫酸的浓度、搅拌、适当升高温度等__(除粉碎外,任写一点)。
(2)滤渣1成分的化学式为_H2SiO3__。
(3)步骤③中加入H2O2的目的是_将Fe2+氧化为Fe3+__。
(4)步骤④不宜使用NaOH溶液来沉淀Be2+,原因是 Be(OH)2能与强碱发生反应:Be(OH)2+2OH-===BeO2-2+2H2O,难以控制强碱的用量使Be2+恰好完全沉淀(用必要的文字和离子方程式说明);已知K sp[Be(OH)2]=1.6×10-22,则Be2+沉淀完全时,溶液中c(OH-)=_4×10-9__mol·L-1(通常认为溶液中离子浓度小于1.0×10-5mol·L-1时为沉淀完全)。
【解析】绿柱石经石灰石熔炼后再粉碎、硫酸酸浸,得到滤渣H2SiO3和滤液(含有Be22+被氧化为Fe3+,用氨水调节pH,Fe3+、Al3+生成+、Fe2+、Al3+、H+、SO2-4),加入H2O2后Fe沉淀,Be2+留在滤液,继续加氨水调节pH可使Be2+生成Be(OH)2沉淀,灼烧后生成BeO。
(1)步骤②中还可以采取适当增加硫酸的浓度、搅拌、适当升高温度等措施提高反应速率。
(2)滤渣1成分的化学式为H2SiO3。
(3)步骤③中加入H2O2的目的是将Fe2+氧化为Fe3+。
(4)Be(OH)2能与强碱发生反应:Be(OH)2+2OH-===BeO2-2+2H2O,难以控制强碱的用量使Be2+恰好完全沉淀,故不宜使用NaOH溶液来沉淀Be2+。
专项07 电化学该专题分为两个板块【1】知识清单一、新型化学电源1.图解原电池的工作原理2.化学电源中电极反应式的书写3.可逆电池电极反应式的书写二、电解原理的应用1. 图解电解池工作原理2. 电解时电极反应式的书写3. 电解计算的三种方法三、电化学中离子交换膜的分析与应用1. 常见的离子交换膜2. 离子交换膜的作用3. 示例分析四、金属的腐蚀与防护1. 金属电化学保护的两种方法2. 金属腐蚀的快慢比较【2】专项练习【1】知识清单一、新型化学电源1.图解原电池的工作原理2.化学电源中电极反应式的书写(1)书写步骤(2)不同介质在电极反应式中的“去留”(3)实例①甲醇、O2不同介质燃料电池电极反应式的书写微生物燃料电池的一种重要应用就是废水处理中实现碳氮联合转化为CO2和N2,如下图所示,1、2为厌氧微生物电极,3为阳离子交换膜,4为好氧微生物反应器。
电极判断反应式其他信息解读根据H+移动方向,说明电极1为负极、电极2为正极,电解质为酸性介质负极:正极:NH4+在好氧微生物反应器中转化为NO3-:3.可逆电池电极反应式的书写(1)可逆电池充、放电关系图示(2)思维模型以xMg+Mo3S4放电充电Mg x Mo3S4为例说明(3)实例①Fe(OH)2+2Ni(OH)2充电放电Fe+Ni2O3+3H2O放电时负极电极反应式:;充电时阳极电极反应式:。
②Li1-x MnO2+Li x C n 放电充电nC+LiMnO2放电时负极电极反应式:;充电时阳极电极反应式:。
二、电解原理的应用1.图解电解池工作原理2.电解时电极反应式的书写(1)书写步骤(2)常考三种金属作阳极时电极反应式的书写①铁作阳极铁作阳极时,其氧化产物可能是Fe2+、Fe(OH)2或FeO42-,如Fe作阳极电解含Cr2O72-的酸性废水去除铬时,阳极反应式为:;用铁电极电解KOH溶液制备K2FeO4的阳极反应式为:。
②铝作阳极铝作阳极时其氧化产物可能是Al2O3、Al(OH)3、AlO2-或Al3+,如用铝作阳极,H2SO4-H2C2O4混合液作电解质溶液,在铝制品表面形成致密氧化膜的阳极反应式为:;用铝作阳极电解NaOH溶液的阳极反应式为:。
高考电子化学二轮复习题目高考电子化学二轮复习题目随着科技的不断发展,电子化学已经成为高考化学科目中的重要内容。
电子化学是研究电子在化学反应中的作用和应用的学科,对于理解化学反应机制和探索新的化学反应具有重要意义。
在高考中,电子化学的题目通常涉及电化学,电解质溶液和电池等方面的知识。
下面,我们将通过一些例题来复习和巩固这些知识。
一、电化学1. 下列物质中,能导电的是:A. 纯净水B. 纯净冰C. 纯净无机盐溶液D. 纯净有机溶液答案:C解析:只有含有离子的溶液才能导电,纯净水和纯净冰中没有离子,所以不能导电。
纯净无机盐溶液中含有离子,因此能导电。
纯净有机溶液中通常没有离子,所以不能导电。
2. 电解质溶液中的电解质是指:A. 可以导电的物质B. 可以发生化学反应的物质C. 可以发生电解的物质D. 可以发生光谱吸收的物质答案:C解析:电解质是指在溶液中可以发生电解的物质。
电解是指通过外加电压使电解质溶液中的离子发生氧化还原反应的过程。
二、电解质溶液1. 下列物质中,属于强电解质的是:A. 醋酸B. 碳酸氢钠C. 甲醇D. 葡萄糖答案:B解析:强电解质是指在水中完全离解的电解质。
碳酸氢钠是一种强电解质,可以完全离解为Na+和HCO3-离子。
醋酸是一种弱电解质,只有一小部分分子会离解为H+和CH3COO-离子。
甲醇和葡萄糖都是非电解质,不会离解产生离子。
2. 以下哪种方法可以制备氯气?A. 电解食盐水B. 电解纯净水C. 电解醋酸溶液D. 电解葡萄糖溶液答案:A解析:氯气可以通过电解食盐水制备。
在电解食盐水的过程中,氯离子(Cl-)在阳极上发生氧化反应,生成氯气(Cl2)。
三、电池1. 下列电池中,属于原电池的是:A. 锂离子电池B. 镍氢电池C. 铅酸电池D. 锌银电池答案:C解析:原电池是指利用化学反应能直接产生电能的电池。
铅酸电池是一种常见的原电池,它通过铅和二氧化铅之间的氧化还原反应产生电能。
2. 下列电池中,属于可充电电池的是:A. 锂离子电池B. 锌银电池C. 碱性电池D. 镍铁电池答案:A解析:可充电电池是指可以通过外部电源反向充电的电池。
高考化学二轮专题复习试题09(电化学)1.人工光合作用能够借助太阳能,用CO 2和H 2O 制备化学原料。
下图是通过人工光合作用制备HCOOH 的原理示意图,下列说法不正确...的是A .该过程是将太阳能转化为化学能的过程B .催化剂a 表面发生氧化反应,有O 2产生C .催化剂a 附近酸性减弱,催化剂b 附近酸性增强D .催化剂b 表面的反应是CO 2 +2H ++2e 一=HCOOH2.某小组为研究电化学原理,设计如图2装置。
下列叙述不正确的是A .a 和b 不连接时,铁片上会有金属铜析出B .a 和b 用导线连接时,铜片上发生的反应为:Cu 2++2e -=CuC .无论a 和b 是否连接,铁片均会溶解,溶液从蓝色逐渐变成浅绿色D .a 和b 分别连接直流电源正、负极,电压足够大时,Cu 2+向铜电极移动 3.一种充电电池放电时的电极反应为H 2+2OH -−2e -=2H 2O ; NiO(OH)+H 2O +e -=Ni(OH)2+OH -当为电池充电时,与外电源正极连接的电极上发生的反应是A .H 2O 的还原B .NiO(OH)的还原C .H 2的氧化D .Ni(OH)2的氧化4.铜锌原电池(如图9)工作时,下列叙述正确的是(双选)A 正极反应为:Zn -2e -=Zn 2+B 电池反应为:Zn +Cu 2+=Zn 2++Cu C 在外电路中,电子从负极流向正极 D 盐桥中的K +移向ZnSO 4溶液5.根据下图,下列判断中正确的是(双选)NaCl 溶液G盐桥ZnFe O 2N 2abe -A.烧杯a中的溶液pH升高B.烧杯b中发生氧化反应C.烧杯a中发生的反应为2H++2e-=H2 D.烧杯b中发生的反应为2Cl-−2e-=Cl26.出土的锡青铜(铜锡合金)文物常有Cu2(OH)3Cl覆盖在其表面。
下列说法正确的是(双选)A.锡青铜的熔点比纯铜高B.在自然环境中,锡青铜中的锡对铜起保护作用C.锡青铜文物在潮湿环境中的腐蚀比干燥环境中快D.生成Cu2(OH)3Cl覆盖物是电化学腐蚀过程,但不是化学反应过程7.可用于电动汽车的铝—空气燃料电池,通常以NaCl溶液或NaOH溶液为电解液,铝合金为负极,空气电极为正极。
高三化学第二轮复习专题强化训练7电化学一、选择题1.将氢气、甲烷、乙醇等物质在氧气中燃烧时的化学能直接转化为电能的装置叫燃料电池。
燃料电池的基本组成为电极、电解质、燃料和氧化剂。
此种电池能量利用率可高达80%(一般柴油发电机只有40%左右),产物污染也少。
下列有关燃料电池的说法错误的是A .上述燃料电池工作时氢气、甲烷、乙醇等物质发生的反应均为氧化反应B .氢氧燃料电池常用于航天飞行器,原因之一是该电池的产物为水,经过处理之后可供宇航员使用C .乙醇燃料电池的电解质常用KOH ,则电池工作时的负极反应为C 2H 5OH -12e -=2CO 2↑+3H 2OD .甲烷燃料电池的电解质若用H 2SO 4,则电池工作时H +向充入O 2的一极移动2.(06无锡)下图是一种正在投入生产的大型蓄电系统。
左右两侧为电解质储罐,中央为电池,电解质通过泵不断在储罐和电池间循环;电池中的左右两侧为电极,中间为离子选择性膜,在电池放电和充电时该膜可允许钠离子通过;放电前,被膜隔开的电解质为Na 2S 2(右罐)和NaBr 3(左罐),放电后,分别变为Na 2S 4和NaBr 。
下列说法正确的是A .电池充电时,阳极电极反应式为:3Br -2e -=Br 3-B .电池放电时,负极电极反应式为:2S 22-+2e -==S 42-C .电池放电时,电池的总反应方程式为:Na 2S 4+3NaBr =2Na 2S 2+NaBr 3D .在充电过程中Na +通过膜的流向为从左到右3.(06宿迁)为研究金属腐蚀的条件和速率,某课外小组学生用金属丝将三根大小相同的铁钉分别固定在图示的三个装置中,再放置于玻璃钟罩里保存一星期后,下列对实验结束时现电极电极电解质电解质电源负载泵泵电解质电解质电解质电解质电解质 储罐电解质 储罐离子选择性膜象描述不正确的是A.装置Ⅰ左侧的液面一定会上升B.左侧液面装置Ⅰ比装置Ⅱ的低C.装置Ⅱ中的铁钉腐蚀最严重D.装置Ⅲ中的铁钉几乎没被腐蚀4.出现于20世纪50年代的镍(Ni)镉(Cd)电池是一种可充电碱性电池,至今仍占有很大的市场份额,但由于镉是致癌物质,故镍镉电池有逐渐被其它可充电电池取代的趋势。
微专题2 原电池新型化学电源命题角度1 新型化学电源1. (2022·湖南选考)海水电池在海洋能源领域备受关注,一种锂—海水电池构造示意图如下。
下列说法错误的是( B )A.海水起电解质溶液作用B.N极仅发生的电极反应:2H2O+2e-===2OH-+H2↑C.玻璃陶瓷具有传导离子和防水的功能D.该锂—海水电池属于一次电池【解析】锂—海水电池的总反应为2Li+2H2O===2LiOH+H2↑, M极上Li失去电子发生氧化反应,则M电极为负极,电极反应为Li-e-===Li+,N极为正极,电极反应为2H2O +2e-===2OH-+H2↑,同时氧气也可以在N极得电子,电极反应为O2+4e-+2H2O===4OH-。
海水中含有丰富的电解质,如氯化钠、氯化镁等,可作为电解质溶液,故A正确;由上述分析可知,N为正极,电极反应为2H2O+2e-===2OH-+H2↑,和反应O2+4e-+2H2O===4OH-,故B错误;Li为活泼金属,易与水反应,玻璃陶瓷的作用是防止水和Li反应,并能传导离子,故C正确;该电池不可充电,属于一次电池,故D正确;故选B。
2. (2021·重庆选考)CO2电化学传感器是将环境中CO2浓度转变为电信号的装置,工作原理如图所示,其中YSZ是固体电解质。
当传感器在一定温度下工作时,在熔融Li2CO3和YSZ之间的界面X会生成固体Li2O。
下列说法错误的是( B )A.CO2-3迁移方向为界面X→电极bB.电极a上消耗的O2和电极b上产生的CO2的物质的量之比为1∶1C.电极b为负极,发生的电极反应为2CO2-3-4e-===O2↑+2CO2↑D.电池总反应为Li2CO3===Li2O+CO2↑【解析】本题考查原电池的工作原理。
原电池中,阴离子向负极移动,则CO2-3由界面X向电极b移动,A项正确;由思路分析可知,转移4 mol电子时,电极a消耗1 mol O2,电极b生成2 mol CO2,物质的量之比为1∶2,B项错误;由思路分析可知,C、D两项正确;故选B。
高三化学二轮复习《电化学》专题训练一、选择题(每小题3分,共54分)1、用惰性电极电解NaCl溶液,下列叙述正确的是( )A.电解时在阳极得到氯气,在阴极得到金属钠B.若在阳极附近的溶液中滴入KI溶液,溶液呈褐色C.若在阴极附近的溶液中滴入酚酞溶液,溶液呈无色D.电解一段时间后,将全部电解质溶液转移到烧杯中,充分搅拌后溶液呈中性2、(2019年北京顺义)Li-Al/FeS电池是一种正在开发的车载电池,该电池中正极的电极反应式为2Li++FeS+2e-===Li2S+Fe。
有关该电池的下列说法中,正确的是( )A.Li-Al在电池中作为负极材料,该材料中Li的化合价为+1价B.该电池的总反应式为2Li+FeS===Li2S+FeC.负极的电极反应式为Al-3e-===Al3+D.充电时,阴极发生的电极反应式为Li2S+Fe-2e-===2Li++FeS3、(2019年北京海淀).MFC(Microbial Fuel Cell)是一种利用微生物将有机物中的化学能直接转化成电能的装置,其在废水处理和新能源开发领域具有广阔的应用前景。
如图为污水(主要溶质为葡萄糖)处理的实验装置,下列有关该装置的说法正确的是( )A.为加快处理速度,装置需在高温环境中工作B.负极的电极反应式为C6H12O6+6H2O-24e-===6CO2+24H+C.放电过程中,H+由正极向负极移动D.装置工作过程中,溶液的酸性逐渐增强4、(2019年北京西城)下图是一种新型的光化学电源,当光照射光电极时,通入O2和H2S即产生稳定的电流(H2AQ和AQ是两种有机物)。
下列说法不正确...的是A.负极的电极反应为2I-− 2e-== I2B.总反应为 H2S + O2 ==== H2O2 + SC.H+通过阳离子交换膜从正极区进入负极区D.电源工作时发生了光能、化学能、电能间的转化5、Cu2O是一种半导体材料,基于绿色化学理论设计的制取Cu2O的电解池示意图如图,电解总反应为2Cu+H2O=====电解Cu2O+H2↑。
证对市爱幕阳光实验学校专题77 原电池1、碱性电池具有容量大、放电电流大的特点,因此得到广泛用。
锌锰电池以氢氧化钾溶液为电解质溶液,电池总反式为;Zn+MnO2+2H2O=2MnOOH+Zn〔OH〕2以下说法错误的选项是〔〕A. 电池工作时,锌失去电子B. 电池负极反为Zn+2OH--2e-=Zn〔OH〕2C. 电池工作时,电流由负极通过外电路流向正极D. 外电路中每通过0.2mol电子,锌的质量理论上减少6.5g【答案】D2、质量的三份铁a、b、c,分别参加足量的量稀H2SO4中,a中同时参加适量CuSO4溶液,c中参加适量CH3COOK。
以下各图中表示产生氢气总体积(V)与时间(t)的关系,其中可能正确的选项是( )【答案】A3、如下图装置中,观察到电流计指针偏转;M棒变粗;N棒变细,由此判断表中所列M、N、P物质,其中与现象相符的是〔〕M N PA Zn Cu NaOH溶液B Cu Fe 稀盐酸C Ag Zn AgNO3溶液D Al Fe CuSO4溶液【答案】C4、对于锌、铜和稀硫酸组成的原电池〔如右图〕,以下有关说法正确的选项是〔〕①Zn是负极②Cu是正极③负极上发生氧化反④正极上发生复原反A.①② B.②③ C.②③④ D.①②③④ 【答案】D5、以下说法中正确的选项是A、原电池中电子流出的极为负极,发生氧化反B、原电池是将电能转化为化学能的装置C、原电池中阴离子向正极移动D、原电池正极上发生氧化反【答案】A6、对于锌、铜和稀硫酸组成的原电池〔如以下图〕,以下有关说法正确的选项是〔〕①Zn是负极②电子由Zn经外电路流向Cu③Zn -2e-=Zn2+④Cu2+在溶液中由Cu棒向Zn棒迁移A. ①②B. ①②③C. ②③④D. ①②③④【答案】B7、铜锌原电池〔如以下图〕工作时,以下表达错误的选项是〔〕A. 盐桥中的K+移向ZnSO4溶液B. 电池总反为:Zn+Cu2+==Zn2++CuC. 在外电路中,电子从负极流向正极D. 负极反为:Zn-2e-==Zn2+Zn Cu稀H2SO4【答案】A【解析】试题分析:A项:在溶液中,阳离子往正极移动,K+移向CuSO4溶液,故A错误。
2024届高考二轮复习化学试题(新高考新教材)热点提速练命题角度1化学与STSE1.(2023·湖北荆州5月冲刺模拟)化学与生产、生活和科技密切相关。
下列说法错误的是()A.醋酸钠结晶析出放热,可制作市场“热袋”B.头发主要由角蛋白构成,频繁烫发会对头发造成一定伤害C.味精是一种常用的增味剂,现在主要以淀粉为原料通过发酵法生产D.三星堆青铜大立人属于合金,其深埋于地下生锈是发生了析氢腐蚀2.(2023·北京朝阳区二模)中国“天宫”空间站使用了很多高新技术材料。
下列对涉及材料的说法不正确的是()A.核心舱的离子推进器使用氙气作为推进剂,氙位于元素周期表0族B.被誉为“百变金刚”的太空机械臂主要成分为铝合金,其强度大于纯铝C.“问天”实验舱使用砷化镓(GaAs)太阳能电池,砷和镓位于元素周期表第四周期D.太阳能电池翼基板采用碳纤维框架和玻璃纤维网,两者均属于有机高分子材料3.(2023·广东大湾区二模)近年来我国科技研究取得重大突破,科技创新离不开化学。
下列相关叙述错误的是()A.天问一号探测器使用新型SiC增强铝基复合材料,SiC的硬度大、熔点低B.战斗机的隐形涂层含石墨烯(石墨的单层结构),12g石墨烯中含有1.5molσ键C.潜水器抗压材料含新型钛合金,基态钛原子的核外电子排布式为[Ar]3d24s2D.用二氧化碳合成葡萄糖,为人工合成“粮食”提供了新路径,葡萄糖是多羟基醛4.(2023·天津河西区二模)近年我国在科技领域不断取得新成就。
对相关成就所涉及的化学知识理解正确的是()A.我国科学家实现了从二氧化碳到淀粉的人工合成,淀粉是一种多糖B.中国“深海一号”平台成功实现从深海中开采石油等,石油是纯净物C.我国实现了高性能纤维离子电池的制备,离子电池放电时将电能转化为化学能D.以硅树脂为基体的自供电软机器人成功挑战马里亚纳海沟,硅树脂是一种合金材料5.(2023·山西运城二模)化学与生产、生活密切相关。
微专题3 电解池金属的腐蚀与防护命题角度1 电解原理及应用1. (2023·浙江省1月选考)在熔融盐体系中,通过电解TiO2和SiO2获得电池材料(TiSi),电解装置如图,下列说法正确的是( C )A.石墨电极为阴极,发生氧化反应B.电极A的电极反应:8H++TiO2+SiO2+8e-===TiSi+4H2OC.该体系中,石墨优先于Cl-参与反应D.电解时,阳离子向石墨电极移动【解析】由图可知,在外加电源下石墨电极上C转化为CO,失电子发生氧化反应,为阳极,与电源正极相连,则电极A做阴极,TiO2和SiO2获得电子产生电池材料(TiSi),电极反应为TiO2+SiO2+8e-===TiSi+4O2-。
在外加电源下石墨电极上C转化为CO,失电子发生氧化反应,为阳极,A错误;电极A的电极反应为TiO2+SiO2+8e-===TiSi+4O2-,B错误;根据图中信息可知,该体系中,石墨优先于Cl-参与反应,C正确;电解池中石墨电极为阳极,阳离子向阴极电极A移动,D错误;故选C。
2. (2022·浙江6月)通过电解废旧锂电池中的LiMn2O4可获得难溶性的Li2CO3和MnO2,电解示意图如下(其中滤布的作用是阻挡固体颗粒,但离子可自由通过。
电解过程中溶液的体积变化忽略不计)。
下列说法不正确的是( C )A.电极A为阴极,发生还原反应B.电极B的电极反应:2H2O+Mn2+-2e-===MnO2+4H+C.电解一段时间后溶液中Mn2+浓度保持不变D.电解结束,可通过调节pH除去Mn2+,再加入Na2CO3溶液以获得Li2CO3【解析】由电解示意图可知,电极B上Mn2+转化为MnO2,锰元素化合价升高,失电子,则电极B为阳极,电极A为阴极,得电子,发生还原反应,A正确;由电解示意图可知,电极B上Mn2+失电子转化为MnO2,电极反应式为2H2O+Mn2+-2e-===MnO2+4H+,B正确;电极A为阴极, LiMn2O4得电子,电极反应式为2LiMn2O4+6e-+16H+===2Li++4Mn2++8H2O,依据得失电子守恒,电解池总反应为2LiMn2O4+4H+===2Li++Mn2++3MnO2+2H2O,反应生成了Mn2+,Mn2+浓度增大,C错误;电解结束后,可通过调节溶液pH将锰离子转化为沉淀除去,然后再加入碳酸钠溶液,从而获得碳酸锂,D正确;故选C。
1.某太阳能电池的工作原理如图所示。
下列说法正确的是( )A. 硅太阳能电池供电原理与该电池相同B. 光照时, H+由a极区经质子交换膜向b极区迁移C. 光照时,b极的电极反应式为 VO2+-e-+H2O=VO2++2H+D. 夜间无光照时,a极的电极反应式为V3++e-=V2+【答案】C【解析】A、硅太阳能电池是用半导体原理将光能转化为电能,是物理变化,而该电池是化学能转化为电能,两者原理不同,选项A错误;B、光照时,b极VO2+−e−+H2OVO2++2H+,产生氢离子,而氢离子由b极室透过质子膜进入a极室,选项B错误;C、光照时,b极发生失去电子的氧化反应,电极反应式为VO2+−e−+H2O VO2++2H+,选项C 正确;D、夜间无光照时,相当于蓄电池放电,a极的电极反应式为:V2+−e−V3+,发生氧化反应,是负极,选项D错误;答案选C。
点晴:本题考查原电池知识。
侧重于原电池的工作原理的考查,注意把握电极反应的判断,把握电极方程式的书写,为解答该类题目的关键。
原电池中较活泼的金属是负极,失去电子,发生氧化反应。
电子经导线传递到正极,所以溶液中的阳离子向正极移动,正极得到电子,发生还原反应,答题时注意灵活应用。
2.某锂离子电池工作原理如下图所示,电池反应为:Li1-x CoO2+Li x C LiCoO2+C。
下列说法不正确...的是A. 放电时,电子从b极经用电器流向a极B. 放电时,若转移1mol e-,碳材料将增重7 gC. 充电时,锂离子通过隔膜进入右室D. 充电时,a极反应:LiCoO2-xe-= Li1-x CoO2+xLi+【答案】B【解析】电池反应为:Li1-x CoO2+Li x C LiCoO2+C。
放电时,a极反应: Li1-x CoO2+xLi++xe-= LiCoO2,故为原电池的正极,b极为负极,电极反应:Li x C-xe-= xLi++C,A. 放电时,电子从负极b极经用电器流向正极a极,选项A正确;B. 根据电极反应:Li x C-xe-= xLi++C,放电时,若转移1mol e-,碳材料将增重12xg,选项B不正确;C.充电时,锂离子通过隔膜向阴极室进入右室,选项C正确;D. 充电时,a极为阳极,电极反应:LiCoO2-xe-= Li1-x CoO2+xLi+,选项D正确。
答案选B。
点睛:本题考查了二次电池,侧重于对原电池原理和电解池原理的考查,题目难度中等,注意根据电池总反应判断正负极材料及电极反应。
给电池充电时,负极与外接电源的负极相连,正极与外接电源的正极相连。
电池反应为:Li1-x CoO2+Li x C LiCoO2+C。
放电时,a极反应: Li1-x CoO2+xLi++xe-= LiCoO2,故为原电池的正极,b极为负极,电极反应:Li x C-xe-= xLi++C,据此分析解答。
3.新型液态金属Li-Sb电池具有优良的动力传输特性,工作原理如图所示,该电池的两极及电解液被分成3层(熔融Li和Sb可互溶)。
下列说法正确的是A. 电池放电时Li为正极B. 将Li换成Na会提高该电池的比能量C. 该电池充电时阳极金属的总质量不变D. 在Sb电极中常掺入Pb,目的是降低该电池工作温度【答案】D【解析】电池放电时Li为负极,A项错误;比能量是指参与电极反应的单位质量的电极材料放出电能的大小,将Li换成Na会降低该电池的比能量,B项错误;当电池放电时,上层的锂金属失去电子,成为锂离子,移到中层的盐层,而盐层中的锂离子,则会吸收电子,渐渐跑到铅锑混合物所在的最下层,若开始充电,最底层的锂金属会往上熔回盐层的过程中,熔融Li和Sb可互溶,故该电池充电时阳极金属的总质量发生改变,C项错误;将正极金属Sb和低熔点金属进行合金化来降低熔点,从而降低电池的工作温度,D项正确。
4.微生物燃料电池在净化废水(主要去除Cr2O72-)的同时能获得能源或得到有价值的化学产品。
如图为其工作原理,如图为废水中Cr2O72-离子浓度与去除率的关系。
下列说法正确的是A. M为电池正极,CH3COOH被还原B. 外电路转移4mol电子时,M极产生22.4LCO2(忽略CO2溶解)C. 反应一段时间后,N极附近pH下降D. Cr2O72-离子浓度较大时,可能会造成还原菌失活【答案】D【解析】A.由图中信息可知,电子由M极流向N极,则M为电池负极,CH3COOH被氧化,选项A错误观点;B. 根据负极电极反应式CH3COOH-8e-+2H2O=2CO2↑+8H+可知,外电路转移4mol电子时,标准状况下M极产生22.4LCO2(忽略CO2溶解),但题干中没有说明标准状况,选项B错误;C.根据图中信息可知,N极消耗氢离子,反应一段时间后,氢离子浓度降低,N极附近pH增大,选项C错误;D. 强氧化剂能使蛋白质变性,故Cr2O72-离子浓度较大时,可能会造成还原菌失活,选项D错误。
答案选D。
点睛:本题考查原电池知识,侧重学生的分析能力的考查,答题时注意把握题给信息,结合氢离子的定向移动判断原电池的正负极,注意有机物中C元素化合价的判断,由电解池装置图可知H+向右移动,则b电极为正极,发生还原反应,Cr2O72-得电子生成Cr3+,a极发生氧化反应,CH3COOH被氧化生成CO2,为原电池的负极,以此解答该题。
5.利用如下实验探究铁钉在不同溶液中的吸氧腐蚀。
下列说法不正确的是A. 上述正极反应均为O2+4e-+2H2O=4OH-B. 在不同溶液中,Cl是影响吸氧腐蚀速率的主要因素C. 向实验④中加入少量(NH4)2SO4固体,吸氧腐蚀速率加快D. 在300 min内,铁钉的平均吸氧腐蚀速率酸性溶液大于中性溶液【答案】B【解析】A.铁钉发生电化学吸氧腐蚀的正极反应为O2+4e-+2H2O=4OH-,故A正确;B.通过右侧图像中曲线对比可以看出,NH4+的存在是影响吸氧腐蚀速率的主要因素,氯离子对吸氧腐蚀速率影响不大,故B错误;C. 根据图像,NH4+存在会加快吸氧腐蚀速率,所以向实验④中加入少量(NH4)2SO4固体,吸氧腐蚀速率加快,故C正确;D. NH4+水解溶液显酸性,结合图像可知酸性溶液中铁钉的平均吸氧腐蚀速率大于中性溶液,故D正确。
点睛:本题考查了金属的吸氧腐蚀,对图像的解读非常重要,从图像中不同溶液氧气浓度的变化可以得出吸氧腐蚀的速率,氧气消耗越快速率越快,反映了学生解读信息的能力。
6.SO2是主要大气污染物之一,工业上可用如下装置吸收转化SO2(A、B为惰性电极)。
下列说法正确的是A. 电子流动方向为:B→b→a→AB. a、A极上均发生氧化反应C. 离子交换膜为阳离子交换膜D. B极上的电极反应式为:SO2+2eˉ+2H2O=SO42-+4H+【答案】C【解析】根据图示可知,SO2→H2SO4,硫元素化合价升高,发生氧化反应,所以B为电解池的阳极,A为电解池的阴极,a为电源的负极;电子由负极流向正极,因此电子流动方向为a→A→B→b,A错误;a为电源的负极,发生氧化反应,A为电解池的阴极,发生还原反应,B错误;该电解池中阴极发生还原反应:2SO32-+2e-+ 4H+ =S2O42-+ 2H2O,阳极发生氧化反应:SO2-2e-+2H2O ===4H++SO42-,反应需要氢离子,因此离子交换膜为阳离子交换膜,C正确;B为电解池的阳极,失电子:SO2-2e-+2H2O ===4H++SO42-,D错误;正确选项C。
7.最近科学家利用下图装置成功地实现了CO2和H2O合成CH4,下列叙述错误的是A. 电池工作时,实现了将太阳能转化为电能B. 铜电极为正极,电极反应式为CO2+8eˉ+8H+=CH4+2H2OC. 电池内H+透过质子交换膜从右向左移动D. 为提高该人工光合系统的工作效率,可向装置中加入少量稀硫酸【答案】C【解析】A、由电池装置图可知电池工作时,实现了将太阳能转化为电能,故A正确;B、电子流入的极是正极,所以Cu是正极,Cu上二氧化碳得电子生成甲烷,即CO2+8e-+8H+=CH4+2H2O,故B正确;C、电池内 H+透过质子交换膜向正极移动,电子流入的极是正极,所以Cu是正极,即电池内 H+透过质子交换膜从左向右移动,故C错误;D、向装置中加入少量强电解质溶液稀硫酸可以增强导电能力,提高该人工光合系统的工作效率,故D正确;故选C。
点睛:本题考查了原电池原理的应用,注意知识的迁移应用是关键。
本题的易错点为B,要注意观察图示,从中找到解题的信息。
8.重铬酸钾(K2Cr2O7)具有强氧化性,是一种重要的化工原料,广泛应用于制革、印染、电镀等工业。
以铬酸钾(K2CrO4)和氢氧化钾为原料,用电化学法制备重铬酸钾的实验装置如图所示。
已知水溶液中存在平衡:2CrO42-+2H+Cr2O72-+H2O。
下列说法中正确的是A. 气体甲和乙分别为O2和H2B. 该装置中阴极区的pH减小C. Fe电极反应式4OH--4e-=O2↑+2H2OD. 当铬酸钾的转化率达到80%时,右池中=【答案】D【解析】根据原理和装置图可知,图中右池中产生H+,所以推断出C电极为阳极,阳极电极反应式为;电极为阴极,阴极电极反应式为。
A项,气体甲和乙应分别为H2和O2,故A项错误;B 项,阴极区产生,则增大,故B项错误;C项,电极反应式为:,故C项错误。
D项,设开始时K2CrO4的物质的量是amol,有,则阳极区钾元素物质的量:,铬元素物质的量:,故D项正确;答案为D。
点睛:C为易错项,Fe为阴极不参与反应,而是发生。
9.铁铬氧化还原液流电池是一种低成本的储能电池,电池结构如图一所示,工作原理为Fe3++Cr2+Fe2++Cr3+。
图二为利用H2S废气资源回收能量并得到单质硫的质子膜燃料电池。
下列说法一定正确的是A. 图一电池放电时,C1-从负极穿过选择性透过膜移向正极B. 图一电池放电时,电路中每通过0.1mol电子,Fe3+浓度降低0.1mol/LC. 用图二电池给图一装置充电时,图二中电极a接图一的正极D. 用图二电池给图一装置充电时,每生成1molS2(s),图一装置中就有4molCr3+被还原【答案】D【解析】A、根据原电池工作原理,内电路中的阴离子向负极移动,所以A错误;B、电池放电时,电路中每通过0.1mol电子,Fe3+的物质的量减小0.1mol,但其浓度降低多少由体积决定,所以B错误;C、图二中在电极a上,H2S失去电子生成S2,所以电极a为负极,因此应连接图一的负极上,故C错误;D、在图二中每生成1molS2(s)转移电子4mol,则图一中就有4molCr3+被Fe2+还原为Cr2+,所以D正确。
本题正确答案为D。
10.工业上常用隔膜电解法将乙醛转化为乙醇和乙酸来处理高浓度乙醛废水。