保护装置试验报告
- 格式:docx
- 大小:12.46 KB
- 文档页数:5
10kV2#电源进线柜保护试验报告试验人员: 保越高试验负责人:保越高试验日期: 2015- 06-19 型号: BJ-100 生产厂家:云南航宇输配电设备有限公司试验装置:博电保护试验仪(PW31A)一、装置外部检查二、保护屏压板检查三、回路绝缘检查(用1000V兆欧表)绝缘电阻检测(用1000V兆欧表)五、开入、开出检查:正确六、微机保护拉合直流试验线路开关及微机投入运行,拉合盘上交流220V电源,微机保护应无误动及异常行为。
检查结果:正确七、数据采集系统检查(1)、电压线性度及零漂检查:八、定值检查(1)过流保护定值:I1:8 A T1:0S I2:4。
5A T2:0.2S I3:3。
5A T3:0。
5S Ijs:4.5A Tjs:0。
1S(2) 零序过流保护(3)过电压保护定值:110V T:1。
0S外加110V电压延时1.01秒可靠动作.(4)欠电压保护定值:60V T:1.0S外加100V电压,电压降至60V延时0.99秒可靠动作。
(5)重合闸时间测试(定值:2S)重合闸检无压、检同期不检,线路可靠重合。
测试结果: 2S九、断路器传动试验十、断路器防跳回路检查十一、本装置检验结果及意见:合格。
10kV2#馈线柜保护试验报告试验人员:保越高试验负责人:保越高试验日期: 2015- 06-19 型号: BJ—100 生产厂家:云南航宇输配电设备有限公司试验装置:博电保护试验仪(PW31A)一、装置外部检查二、保护屏压板检查三、回路绝缘检查(用1000V兆欧表)绝缘电阻检测(用1000V兆欧表)五、开入、开出检查:正确六、微机保护拉合直流试验线路开关及微机投入运行,拉合盘上交流220V电源,微机保护应无误动及异常行为。
检查结果:正确七、数据采集系统检查(1)、电压线性度及零漂检查:八、定值检查(1)过流保护定值:I1:7.5 A T1:0S I2:4.0A T2:0。
2S I3:3.5A T3:0.5S Ijs:4.0ATjs:0.1S(2) 零序过流保护(3)过电压保护定值:110V T:1.0S外加110V电压延时1。
PSL 641U线路保护装置试验报告(厂)局:变电站:设备名称:检验类别:检验时间:试验人员:校核:审核:试验单位:外部检查1.1 铭牌参数序号项目主要技术参数1 型号PSL 641U2 直流工作电压220V3 额定电流5A4 额定电压~57.7V5 额定频率50Hz6 制造厂家国电南自7 出厂编号53920007662 二次回路及外观检查序号项目检查结果1 交流电流、电压二次回路1.1 检查电流、电压互感器二次绕组所有二次接线的正确性,并与设计图纸相符及端子排引线螺钉压接的可靠性(√)1.2 检查二次电缆标识以及电缆芯的标示正确性,并与设计图纸相符(√)1.3CT二次回路一点接地核查,CT一点接地点位置在开关柜内(√)2 新安装二次回路2.1 对回路的所有部件进行观察、清扫与必要的检修及调整。
所述部件:与装置有关的操作把手、按钮、插头、灯座、位置指示继电器、中央信号装置及这些部件中端子排、电缆、熔断器等(√)2.2 利用导通法依次经过所有中间接线端子,检查保护屏、操作屏、自动装置屏以及断路器、隔离开关、CT、PT等户外端子箱的二次接线正确性,并检查电缆回路、电缆标牌及电缆芯的标示与设计图纸相符(√)2.3 检查保护屏中的设备及端子排上内部、外部连线的接线应正确,接触应牢靠,标号应完整准确,并应与设计图纸、运行规程相符(√)2.4 所有二次电缆的连接与图纸相符,施工工艺良好,端子排引线螺钉压接可靠,导线绝缘无裸露现象;装置后板配线连接紧固良好,插件螺丝紧固良好(√)2.5 核查保护装置接地线以及保护屏柜接地铜排,应接地网连接可靠正确(√)2.6 二次回路检查维护,包括外观检查、清灰紧螺丝、检查插件以及继电器接触可靠、锈蚀端子更换、模糊端子套牌更换工作(√)3保护装置外部检查3.1 切换开关、按钮、键盘等应操作灵活、手感良好(√)3.2 所有单元、端子排、导线接头、电缆及其接头、信号指示等应有明确的标示,标示的字迹清晰无误(√)3.3 保护屏上的连片(压板)应有双重标示应与设计图纸、运行规程相符,连片安装符合反措要求(√)3.4 插件印刷电路板是否有损伤或变形,连线是否良好(√)3.5 各插件上变换器、继电器应固定良好,没有松动(√)3 绝缘试验3.1二次回路绝缘检查序号项目绝缘电阻(MΩ)1 交流电流回路对地2572 直流控制回路对地2733 直流保护回路对地2624 直流信号回路对地2485 交流电流回路与直流各回路之间2536 直流各回路之间2667 跳、合闸回路各接点之间2868 结论合格要求①各回路(除信号回路)对地绝缘电阻应大于10MΩ;②信号回路对地绝缘电阻应大于1MΩ;③所有回路对地绝缘电阻应大于1MΩ;④采用1000V兆欧表3.2装置二次回路绝缘检查序号项目绝缘电阻(MΩ)1 交流电流回路端子对地2882 直流电源回路端子对地2693 跳、合闸回路端子对地2674 开关量输入回路端子对地2425 信号回路端子对地2846 结论合格要求①各回路对地绝缘电阻应大于20MΩ;②采用500V兆欧表条件仅在新安装检验时进行装置绝缘试验;按照装置说明书的要求拔出相关插件;断开与其他保护的弱电联系回路;将打印机与装置连接断开;装置内所有互感器的屏蔽层应可靠接地4 装置上电检查4.1 保护装置通电自检序号项目检查结果1 保护装置通电后,装置运行灯亮,液晶显示清晰正常、文字清楚(√)2 打印机与保护装置的联机试验,能正常打印各类报告和定值(√)4.2 软件版本和程序校验码核查序号版本号CRC校验码程序形成时间1 V1.21 FJ 010B --------------4.3 时钟整定及对时功能检查序号项目检查结果1 时钟时间能进行正常修改和设定(√)2 时钟整定好后,通过断、合逆变电源的方法,检验在直流失电一段时间的情况下,走时仍准确(√)备注断、合逆变电源至少有5min时间的间隔(√)4.4 定值整定及其失电保护功能检查序号项目检查结果1 保护定值能进行正常修改和整定(√)2 定值整定好后,通过断、合逆变电源的方法,检验在直流失电一段时间的情况下,整定值不发生变化(√)备注断、合逆变电源至少有5min时间的间隔(√)4.5 逆变电源的自启动性能校验(负载载状态下)序号项目检查结果1 直流电源缓慢升至80%Ue 装置自启动正常,保护无异常信号(√)2 80%Ue拉合直流电源保护装置无异常信号(√)结论合格5 交流通道检验5.1 零漂检查项目Ia(A) Ib(A) Ic(A) 3I0(A) Ua(V) Ub(V) Uc(V) 液晶显示值 0.00 0.00 0.02 0.00 0.00 0.02 0.00结论 合格 零漂允许范围-0.01In<I<0.01In -0.05V<U<0.05V5.2 模拟量输入的幅值特性检验试验电压/试验电流 1V/0.1In 5V/0.2In 30V/In 60V/5In 70V液晶显示(A/V ) 液晶显示(A/V ) 液晶显示(A/V ) 液晶显示(A/V )液晶显示(V )CPUUa 1.005 4.998 30.010 60.009 70.018 Ub 0.996 4.992 29.991 59.992 70.018 Uc 1.008 4.994 30.015 59.992 69.991Ia 0.508 1.015 5.008 6.011 ----- Ib 0.501 1.002 4.995 5.999 ----- Ic 0.499 1.008 4.995 6.011 ----- 结论 合格 允许误差 液晶显示值与外部表计值的误差应小于±5%。
KV线路保护装置试验报告一、试验目的本次试验旨在测试KV线路保护装置的性能和稳定性,确保其能够在实际工作中可靠地保护电力系统的正常运行。
二、试验对象本次试验的对象电力系统中的KV线路保护装置,该装置是关系到电网安全和稳定性的重要部件,需要经过严格的测试和验证。
三、试验仪器1.多功能测试仪:用于对KV线路保护装置的各项参数进行测量和校准。
2.电流、电压发生器:用于模拟实际电网中的电流和电压信号。
3.计算机:用于对试验数据的记录和分析。
四、试验内容1.装置功能测试:对KV线路保护装置的各项保护功能进行测试,包括过流保护、短路保护、接地保护等。
2.动作时间测试:测试KV线路保护装置的动作时间是否符合设计要求。
3.灵敏度测试:测试KV线路保护装置对故障信号的检测灵敏度。
4.稳定性测试:测试KV线路保护装置在长时间运行时的稳定性和可靠性。
五、试验步骤1.对KV线路保护装置进行预热,确保其处于正常运行状态。
2.使用电流、电压发生器生成各种电流和电压信号,对KV线路保护装置的各项保护功能进行测试。
3.记录并分析试验数据,对KV线路保护装置的性能和稳定性进行评估。
4.综合评估试验结果,给出合格或不合格的结论。
六、试验结果1.装置功能测试:通过对KV线路保护装置的各项保护功能测试,发现其能够准确、快速地对电网中的故障进行保护,具有良好的功能性。
2.动作时间测试:KV线路保护装置的动作时间均符合设计要求,在规定的时间内完成对故障信号的检测和处理。
3.灵敏度测试:KV线路保护装置对故障信号的检测灵敏度较高,能够准确地识别电网中的故障。
4.稳定性测试:在长时间运行的测试中,KV线路保护装置表现稳定,未出现异常情况。
七、结论根据本次试验的结果评估,KV线路保护装置经过严格的测试和验证,性能稳定可靠,能够保护电力系统的正常运行。
建议在实际工作中加强对装置的监测和维护,确保其长期稳定运行。
#2发变组保护大修试验报告总工程师:专责审核:部门审核:班组审核:负责人:PSL-608短引线保护装置试验报告装置型号: PSL-608装置编号开关短引线保护额定电压: 57.75V额定电流: 1A直流电压: 220V调试日期:调试人员:依据《继电保护及自动装置校验规程》一、要求定值第一部分静态检查通电前检查保护通电前核对图纸和接线的正确性,紧固端子排、背板和压板接线。
1)经检查,本装置所有互感器的屏蔽层的接地线均已可靠接地,装置外壳已可靠接地。
(√)2)检查装置面板型号标示、灯光标示、背板端子贴图、端子号标示、装置铭牌标注完整正确。
(√)3)各插件拔、插灵活,插件和插座之间定位良好,插入深度合适。
大电流端子的短接片在插件插入时应能顶开。
(√)1. 保护上电后打印保护版本校验码、零漂。
2、开入量检查给上装置电源,依次投入和退出屏上相应压板及相应开入接点,查看液晶显示中“开入量状态”是否正确(装置端子号和屏柜端子号以厂家图纸和设计院图纸为准)。
3、开出检查4.查看装置工况中开入、开出插件24V电压值经测量检查良好。
5、定值安全固化参照调试方法将当前定值区设置为0区。
当前定值区为0区。
第二部分模拟量检查一、模拟量通道检查1、零漂调整结果将保护装置电流回路断开、电压回路短接。
检查指标要求:在一段时间内(5min)零漂值稳定在0.01I N或0.2V以内。
(√)调整零漂时,应断开装置与测试仪或标准源的电气连接,确保装置交流端子上无任何输入。
2、精度及线性度检查将所有电流通道相应的电流端子顺极性串联加稳定交流电流,将所有电压通道相应的电压端子同极性并联加稳定交流电压。
检验0.1倍、1倍、5倍的额定电流和0.1倍、0.5倍、1倍、1.2倍的额定电压下的测量精度,通道采样值误差不大于5%。
在额定电压和额定电流时,相角误差不大于3°。
表113、极性检查1)三相电流及电压角度检查正确。
( √ )2)3I0极性检查正确。
线路保护试验1.本线路保护装置设备表:名称型号RCS-941高压线路成套保护装置额定值DC V AC V A制造厂家南瑞继保电气有限公司出厂日期出厂编号2.保护装置程序版本:装置型号版本号校验码程序时间管理序号3.保护输入接点检查:名称检查结果名称检查结果距离保护合闸位置1零序保护Ⅰ段合闸位置2零序保护Ⅱ段收相邻线零序保护Ⅲ段投距离保护S零序保护Ⅳ段投零序保护Ⅰ段S低周保护投零序保护Ⅱ段S不对称相继速动投零序保护Ⅲ段S双回线相继速动投零序保护Ⅳ段S闭锁重合闸投不对称相继速动S双回线通道试验投双回线相继速动S合后位置投闭锁重合闸S跳闸压力投低周保护S合闸压力对时开入Ⅰ母电压打印开入Ⅱ母电压检修状态跳闸位置信号复归4.保护交流采样检查:4.1零漂检查:4.1.1 DSP零漂检查:Ua(V) Ub(V) Uc(V) Ux(V) Ia(A) Ib(A) Ic(A) Io(A)4.1.2 CPU零漂检查:Ua(V) Ub(V) Uc(V) Ia(A) Ib(A) Ic(A) Io(A)4.2交流电压回路检查:4.2.1 CPU交流电压回路检查:输入电压10.0 20.0 30.0 40.0 50.0 60.0 70.0 Ua(V)Ub(V)Uc(V)4.2.2 DSP交流电压回路检查:输入电压10.0 20.0 30.0 40.0 50.0 60.0 70.0 Ua(V)Ub(V)Uc(V)Ux(V)4.3交流电流回路检查:4.3.1 CPU交流电流回路检查:输入电流0.5 1.0 2.5 4.0 5.0 6.0 10.0 Ia(A)Ib(A)Ic(A)Io(A)4.3.2 DSP交流电流回路检查:输入电流0.5 1.0 2.5 4.0 5.0 6.0 10.0 Ia(A)Ib(A)Ic(A)Io(A)5.保护装置定值清单:定值名称试验定值定值名称试验定值电流变化量起动值 A 零序过流Ⅲ段定值 A零序起动电流 A 零序过流Ⅲ段时间S负序起动电流 A 零序过流Ⅳ段定值 A零序补偿系数零序过流Ⅳ段时间S振荡闭锁过流元件 A 零序过流加速段 A接地距离Ⅰ段定值Ω相电流过负荷定值 A距离Ⅰ段时间S 相电流过负荷时间S接地距离Ⅱ段定值Ω低周滑差闭锁定值 /S接地距离Ⅱ段时间 S 低周低压闭锁定值V接地距离Ⅲ段定值Ω低周保护低频定值Hz接地Ⅲ段四边形Ω低周保护时间定值S接地距离Ⅲ段时间S TV断线相过流I段定值 A相间距离Ⅰ段定值ΩTV断线相过流I段时间S相间距离Ⅱ段定值ΩTV断线相过流II段定值 A相间距离Ⅱ段时间S TV断线相过流II段时间S相间距离Ⅲ段定值Ω固定角度差定值相间Ⅲ段四边形Ω重合闸时间 S相间距离Ⅲ段时间S 同期合闸角正序灵敏角线路正序电抗Ω零序灵敏角线路正序电阻Ω接地距离偏移角线路零序电抗Ω相间距离偏移角线路零序电阻Ω零序过流I段定值 A 线路总长度KM零序过流I段时间线路编号941零序过流Ⅱ段定值 A / /零序过流Ⅱ段时间 S / /6.保护试验:6.1距离保护:采用微机继保仪距离保护模块试验。
开关保护装置试验报告
一、外观及接线检查:
1、检查装置可靠接地:()
2、检查装置是否有损伤或螺丝松动:()
3、开关控制箱内接线是否有松脱现象:()
二、继电保护装置及开关整组传动试验:
1、装置采样校验:
在保护端子排的电流输入端子加入三相相电流,显示采样值与实际加入量相等,误差小于±5%,并校验三相相序正确。
三、结论:
开关继电保护装置正常,开关整组传动试验动作正确,可以投入运行。
主管:审核:试验:
开关电流互感器
本体及外部回路检查报告
因CT置于开关内部,不能记录CT铭牌信息。
以下为开关铭牌。
2、保护CT伏安特性试验:单位:(A / V)
检查结果:合格
三、结论:
1、开关电流互感器本体试验结果正确;
2、电流互感器、外部二次回路接线正确。
四、附加说明:
1、开关送配电系统交接试验结果正确,设备可以交付验收,投入运行。
2、遗留问题:无。
3、其它:无。
主管:审核:试验:。
变压器保护装置调试报告范文GSP-823型微机6KV变压器保护装置调试报告装置型号GSP-823型装置名称微机10(6)KV变压器保护装置安装位置低厂变保护柜试验日期2006.7.27外观状况良好环境温度28℃被保护设备名称#1工作变页次1/2检验项目1、装置的外部检查。
检查回路是否符合装置设计要求,检查外部接线是否正确。
检查结论:正确2、通电检查推上直流保险,通电后装置开始进行自检,检查装置自检结果是否正确,检查装置显示是否正确。
检查结果:正确3、定值整定按保护定值通知单整定各保护定值,并查看定值是否正确。
检查结果:正确4、保护精度校验分别在各通道加入5A电流,校验装置显示精度。
保护PIA=5.01APIC=5.00A测量MIA=5.01AMIC=5.00A零序PI0=5.00A5、保护功能校验5.1过流一段保护整定过流一段保护定值,软硬压板投入,低压闭锁元件投入。
按说明书进行整定,测量保护动作值及动作时间。
整定值:Izdj=5Atzd=0实测值:A相Idz=4.99Atdz=0.024C相Idz=5.00Atdz=0.0235.2高压侧过流二段保护整定过流二段保护压板投入,低压闭锁元件退出,按说明书进行整定,测量保护动作值及动作时间。
整定值:Izdj=5Atzdj=0.3实测值:A相Idz=5.00Atdz=0.301C相Idz=5.01Atdz=0.3005.3高压侧过负荷保护整定过负荷保护压板投入,过负荷保护投告警.按说明书进行整定,测量保护动作值及动作时间。
干式变压器调试报告1/20调试工地GSP-823型微机6KV变压器保护装置调试报告被保护设备名称#1工作变页次整定值:Izdj=5Atzdj=1实测值:A相Idz=5.01Atdz=1.01C相Idz=5.01Atdz=1.005.4低压侧零序过流保护整定零序过流保护压板投入。
测量保护动作电流及动作时间。
整定值:Izdj=1.3Atzdj=0.3实测值:Idz=1.31Atdz=0.3015.5开入量保护测试分别短接开入量接点,查看开入量保护动作是否正确。
外观及接线检查回路绝缘检查 其他项目检査(正确打“V”,错误打“X”)模数变换系统检验逆变电源检查 装置上电检查开关量输入检查输出接点及信号检查保护名称端子排接线紧固检查 整组试验 保 护 调 试保护调试定值 _________ I(U)(F) T 95 % 定值作情况105%定值|动作时间 10A OS 不动作 可靠动作 0.01SII 段 4A 0.3S 不动作 可靠动作 0.31S流 III 段 2.5A 1S 不动作 可靠动作 1.02S过流加速段 5A 0.1S 不动作 可靠动作 0.11S 滑差闭锁 5HZ/S 正确 低压闭锁 75V低周定值48Hz 0.2S时间合 重合方式 不检正确间 充放电试验保护 状 态 测 试测试项目测量值 测试项目 测量值UX 1C 备注:IA 2S时间合 重合方式 不检 正确间 充放电试验保护 状 态 测 试测试项目测量值 测试项目 测量值UX外观及接线检查回路绝缘检查 其他项目检査(正确打“V”,错误打“X”)模数变换系统检验逆变电源检查 装置上电检查开关量输入检查输出接点及信号检查保护名称端子排接线紧固检查 整组试验 保 护 调 试保护调试定值 _________ I(U)(F) T 95 % 定值作情况105%定值|动作时间 10A OS 不动作 可靠动作 0.01SII 段 4A 0.3S 不动作 可靠动作 0.31S流 III 段 2.5A 1S 不动作 可靠动作 1.02S过流加速段 5A 0.1S 不动作 可靠动作 0.11S 滑差闭锁 5HZ/S 正确 低压闭锁 75V低周定值48Hz 0.2S 2SIA1C 备注:端子排接线紧固检查 装置上电检查 开关量输入检查 保护 调 试输出接点及信号检查试验項外观及接线检查回路绝缘检查其他项目检査(正确打“V”,错误打“X”)模拟量输入检査 模数变换系统检验逆变电源检查整组试验保护状态测试备注:端子排接线紧固检查 装置上电检查 开关量输入检查 保护 调 试输出接点及信号检查保护 状 态 测 试 试验項外观及接线检查 回路绝缘检查其他项目检査(正确打“V”,错误打“X”)模拟量输入检査 模数变换系统检验逆变电源检查整组试验备注:端子排接线紧固检查 装置上电检查 开关量输入检查 保护 调 试输出接点及信号检查保护 状 态 测 试 试验項外观及接线检查 回路绝缘检查其他项目检査(正确打“V”,错误打“X”)模拟量输入检査 模数变换系统检验逆变电源检查整组试验备注:10kV酒都剧场1#进线柜试验日期2010.12.23_试验中发现设备的缺陷无已处理缺陷待处理缺陷无无。
10kV保护测控装置调试报告线路名称: 10kV 7#出线柜保护对象:10kV 7#出线装置型号:PCS-9611D校验码:50490FC0 软件版本: 2.31整定编号:调试调试日期:2020.05.06一.1)外观及连线检查:符合要求,连接正确.2)电源检查:拉合直流电源正常3)通电初步检查:装置自检、键盘检查、失电功能检查等,检查结果正确4) 装置额定参数检查:符合设计要求5)装置零漂检查:正常二.交流模拟量校验进入被测装置的“实时信息”菜单,将菜单中“电流、电压”逐一用变送器校验仪输出的读数对比,应能满足保护用电流、电压的误差在2%以内。
三.二次负载试验:四.开入量输入试验:逐一模拟输入开入量,看对应开入量有无相应的变位:(开入时应由“0”→“1”放开时应由“1”→“0”)五.保护定值测试:六.80%额定直流电压下整组试验:投入相关保护及控制字及压板,模拟相关故障进行开关整组试验:检验结果:保护跳闸/及重合闸出口正确、信号指示及传送正确八.使用表计九.结论合格审核:试验:10kV保护测控装置调试报告线路名称: 10kV 5#出线柜保护对象:10kV 5#出线装置型号:PCS-9611D校验码:50490FC0 软件版本: 2.31整定编号:调试调试日期:2020.05.06一.1)外观及连线检查:符合要求,连接正确.2)电源检查:拉合直流电源正常3)通电初步检查:装置自检、键盘检查、失电功能检查等,检查结果正确4) 装置额定参数检查:符合设计要求5)装置零漂检查:正常二.交流模拟量校验进入被测装置的“实时信息”菜单,将菜单中“电流、电压”逐一用变送器校验仪输出的读数对比,应能满足保护用电流、电压的误差在2%以内。
三.二次负载试验:四.开入量输入试验:逐一模拟输入开入量,看对应开入量有无相应的变位:(开入时应由“0”→“1”放开时应由“1”→“0”)五.保护定值测试:六.80%额定直流电压下整组试验:投入相关保护及控制字及压板,模拟相关故障进行开关整组试验:检验结果:保护跳闸/及重合闸出口正确、信号指示及传送正确七.其它项目检查:八.使用表计九.结论合格审核:试验:10kV保护测控装置调试报告线路名称: 10kV 3#出线柜保护对象:10kV 3#出线装置型号:PCS-9611D校验码:50490FC0 软件版本: 2.31整定编号:调试调试日期:2020.05.06一.1)外观及连线检查:符合要求,连接正确.2)电源检查:拉合直流电源正常3)通电初步检查:装置自检、键盘检查、失电功能检查等,检查结果正确4) 装置额定参数检查:符合设计要求5)装置零漂检查:正常二.交流模拟量校验进入被测装置的“实时信息”菜单,将菜单中“电流、电压”逐一用变送器校验仪输出的读数对比,应能满足保护用电流、电压的误差在2%以内。
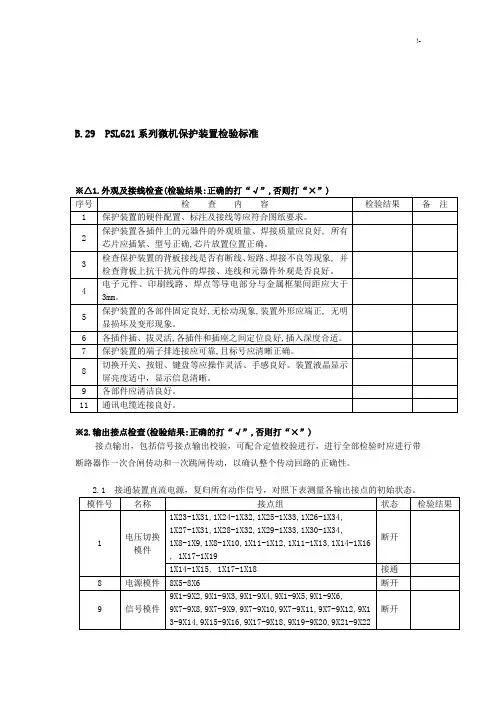
B.29 PSL621系列微机保护装置检验标准※△1.外观及接线检查(检验结果:正确的打“√”,否则打“×”)※2.输出接点检查(检验结果:正确的打“√”,否则打“×”)接点输出,包括信号接点输出校验,可配合定值校验进行,进行全部检验时应进行带断路器作一次合闸传动和一次跳闸传动,以确认整个传动回路的正确性。
2.1 接通装置直流电源,复归所有动作信号,对照下表测量各输出接点的初始状态。
2.2切除装置直流电源,测量以下三组接点是否闭合8X5和8X6,9X1-9X4,9X7-9X10检验结果:。
3.绝缘电阻及耐压试验(检验结果:正确的打“√”,否则打“×”)各插件各端子并联 7 号通信模件的 X14 X15 端子为 CAN 网通信端子,可不作绝缘试验.由于电源模件24V 220V 出入口带滤波器对地有电容,摇绝缘时可将电源插座取下。
3.1试验前的准备工作:(1)将保护装置的CPU插件拔出机箱,断开面板的连接电缆,其余插件全部插入。
(2)将通讯线与保护装置断开。
(3)保护测控屏上各压板置“投入”位置。
(4)断开保护装置与其他装置的有关连线。
(5)在保护测控屏端子排内侧分别短接交流电压回路端子、交流电流回路端子、直流电源回路端子、跳闸合闸回路端子、开关量输入回路端子及信号回路端子。
3.2保护测控屏内绝缘电阻的测试:在进行本项试验时,需在保护测控屏端子排处将所有外引线全部断开, 仅对保护屏内进行绝缘电阻测试。
按下表用1000V摇表测量装置各部分之间的绝缘电阻,绝缘电阻应≥10MΩ。
(1)8号模件X12与机壳应电气连通,2号模件X10与机壳应电气连通。
检验结果:(2)绝缘检验若上述试验中任一项不满足要求时要查找原因进行处理,直至合格后方可进行下一项试验。
3.3整个二次回路的绝缘电阻测试:在保护测控屏端子排处将所有电流、电压及直流回路的端子连接在一起,并将电流回路的接地点拆开,用1000V摇表测量整个回路对地的绝缘电阻,其绝缘电阻应大于1MΩ。
35kV母线保护装置调试报告
安装位置:主控室用途:35kV母差
一.装置电源上电检查:
1.加上直流电源,合装置电源开关,装置直流电源消失时保护不应动作,并应有输出接点以起动告警信号。
直流电源恢复时,装置应能自起动。
2.延时几秒钟,装置"运行"绿灯亮,“信号”绿灯灭,“跳闸”红灯保持出厂前状态(如亮可复归)。
液晶屏幕显示主接线状态。
3.低电压自启动测试:启动值120V.
二.程序版本信息:
三.交流采样检查:
2
:
四.开入量检查:
五.开出量检查:
1.信号接点检查:
2.跳闸输出接点检查:
六.保护功能试验
1.比率制动差动保护:
1.2.3.
2.复合电压闭锁z
七.绝缘检查:
用2500V摇表测量交直流囚路对地绝缘电阻,均大于20MQ。
八. NSR-3T1微机母线保护装置母线保护装贵与后台综合自动化系统通讯正常。
九.继电保护检验结论:
1.装置各元器件己按照出厂技术要求检验,符合技术要求。
2.保护特性己作调试,符合装置技术要求。
3.保护装置屏内绝缘良好,符合技术要求。
试验负责人:
试验人员:。
(资料性附录)报告样式继电保护及自动装置试验报告书厂站名:试验性质:设备名称:批准人审核人工作负责人工作班成员检修日期年月日至年月日CSC-103B线路保护校验报告B.1 外观检查B.1.1 保护屏后接线、插件外观检查及压板检查B.1.2 保护屏上压板检查B.1.3 屏蔽接地检查B.1.4 空气开关校验报告空开校验:电压空气小开关、各种直流空气小开关跳闸电流及时间测试,应在(6-8)注:根据现场实际用到的空开,试验并记录。
(新设备投运时)B.2 绝缘测试(应将保护的CPU板、电源板、VFC板及OPT板拔出)正常及80%Un电压下拉合直流电源,检查逆变电源自启动功能。
a)直流电源缓慢上升,逆变电源自启动电压;b)正常电压下拉合直流电源;c)80%电压下拉合直流电源。
B.4 通电初步检查B.4.1 基本信息B.4.2装置时钟检查B.4.3定值核对检查定值区切换功能检查:B.5 零漂及采样精度检查于3°)输入正序电压、电流为10V、0.1A,相角为0 º输入正序电压、电流为30.0V、0.5A,相角为80 º(电压超前电流80 º)B.6 保护开入量检查B.7 保护定值校验B.7.1差动保护B.7.2 距离保护距离保护反方向试验,结论:B.7.3 零序保护零序保护反方向试验,结论:B.7.4 TV断线零序过流B.7.5 TV断线相间过流B.8 与其他装置配合试验B.8.1与重合闸装置配合B.8.2与其他装置配合B.8.3 开关联动试验B.9.1 机械部分检查B.9.2绝缘耐压试验将装置端子分组短接后,用1000V摇表测量组对地的绝缘电阻,要求绝缘电阻不小于应先确定断路器线圈实际操作电流(必要时应当场测定)与本装置额定电流的关系符合下表:电阻)B.10整组传动试验B.10.2 整组传动试验B.11 通道联调 (新设备投运时)B.11.1 光功率检查测量保护装置光端机收发送功率,检验是否在正常范围内。
110kV线路保护装置检测报告
保护装置型号:
制造厂家:
试验日期:年月日温度:℃湿度: % 检验装置:
2、绝缘检查
3、电源检查
3.2空载状态下检测
3.3正常工作状态下检测
6、输入接点测试
7、输出接点测试
7.3、关掉装置直流电源,装置发报警闭锁信号
8、模数变换系统检验
8.1、零漂检查
8.2线性度检查
8.3、模数变换系统相位检查
9、保护功能校验
9.3、零序保护整组模拟试验
9.5、电流差动保护整组模拟试验(试验时用尾纤短接通道,通道自环控制字设为 1)
9.8、相电流过负荷
整定值:I= A t= s
9.9、TA/TV断线试验是否正确:正确
13、结论:该保护装置经检验合格。
线路测控单元
测试项目:
1、电流遥测量检查:二次加电流5A(CT: /5)。
Q/BDJA.CX.12-B116 ISA-351G系列保护
校验记录
变电站名:110Kv达西变电站
设备名称:10Kv出线(1012)
工作电压:___ DC220V
交流电压:___ 100V ________
交流电流:_____ 5A ________
校验类型:全检
调试日期:2014年5月15日
1. 校验条件及工况:
室内,检验工况良好
2. 绝缘试验及耐压试验:
(1)绝缘试验:用1000V摇表,绝缘电阻》20M Q
(2)耐压试验:按下表要求进行试验,耐压时间1分钟A组:交流电压回路B组:交流电流回路
C组:直流电源回路
D组:开出接点
E组:开入接点
3. 装置外观检查:
(1)装置外观检查及清扫正常
(2)清扫插件、端子排,紧固背板及端子排接线、检查装置压板、标示、接地紧固,接线正确
4. 装置上电检查:
(1)逆变电源检查(包括110%及80% U N)
(6)
检查压板插头接触可靠,无松动脱落迹象。
无松动
(7) 交流回路检查
(2) 键盘及面板液晶检查 (3) 时钟整定: (4) 软件版本:
正常 正确
(5)
检查定值输入,固化及打印,软压板设置与面板压板灯相符。
正常
(8)
(9)整组试验
重合闸:重合闸方式:保护启动
(10)低周减载频率测试
1
2频率时间测试
3滑差定值测试
4
5. 回路检查:
(1)跳、合闸回路(手跳、合,保护跳、合,遥控跳、合),按相检查, 带开关传动保护(检查遥信信号)
检查结果:__________ 正确___________________________________
(2)信号回路
检查结果:__________ 正常___________________________________ 6. 核对CT
7. 核对定值及压板:
定值单号:一定值区:_压板:_
8. 试验结论及说明:
保护动作情况正确、信号正常。
保护带开关传动试验正确
9. 实验仪器、仪表使用仪器仪表:
昂立6108G
10. 试验人员:
工作负责人:
工作班成员:。