建筑公司岗位职责说明书
- 格式:docx
- 大小:67.85 KB
- 文档页数:36
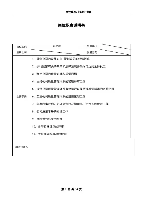
部门名称:建筑公司部门编号:001 职位编号:JSLD-001岗位名称总经理定编 1 薪酬等级级所属下级经营副总、生产副总、总工程师、项目经理、行政助理、财务部经理工作目标受集团委托,行使对公司经营管理工作的全面指挥、指导、协调、监督、管理的权力,承担执行集团公司规章及工作指令义务,对所承担工作全面负责。
工作联系直接上级总裁关联上级董事长内联对象集团各部门负责人外联对象建委、业主、监理单位等工作职责编号工作职责1 执行集团决议,主持公司全面工作,确保完成集团下达的各项经济指标2 负责组织制定公司各项管理制度,经集团总裁会议批准后组织实施3 负责组织制订公司的发展规划、编制公司年度经营计划,经集团总裁会议批准后组织实施4 确定公司组织机构与人事编制,建立健全公司管理体系5 在集团授权下,负责审批公司人员招聘和人事安排,决定各部门人员的任免、薪酬、奖罚6 负责组织实施集团批准的公司季度、年度计划、财务计划、利润分配使用方案7 负责审核建司资金使用、费用开支、财务预算方案、物资采购计划8 负责组织项目竟标,并审核投标方案9 负责定期组织召开总经理办公会议,检查督促、评价考核各部门工作业绩,协调各部门工作,定期向总裁汇报公司经营计划执行情况10 负责组织和贯彻实施公司质量管理体系11 负责组织建司员工培训及考核,提高员工业务素质12 负责处理公司重大突发事件13 负责做好公司对外关系的协调主要权限任职资格学历要求本科以上性别要求不限专业要求工商企业管理、工民建等相关专业年龄要求35岁以上资格要求/ 微机操作熟练掌握办公自动化熟悉网络知识经验要求5年以上建筑行业项目管理工作经验知识技能要求具备相应的管理知识、经济学知识、建筑专业知识、市场策划学知识、财务知识其他要求具有一定的领导能力、判断与决策能力、协调能力、人际沟通能力、影响力、计划与执行能力部门名称:建筑公司部门编号:001 职位编号:JSLD-002岗位名称经营副总定编 1 薪酬等级级所属下级经营处处长工作目标行使对公司经营工作的指挥、指导、协调、监督、管理的权力,组织制定经营管理制度,承担执行公司规章及工作指令义务,对其所分管工作负全面责任。
建筑施工企业工作岗位说明书1. 职位概述建筑施工企业是一个多岗位组成的机构,为了提高工作效率和协调不同工种之间的工作,需要对各个岗位进行明确的说明和职责分工。
本文档将详细介绍建筑施工企业中的各个工作岗位的职责和技能要求,以便员工和管理层能够更好地理解和履行各自的职责和义务。
2. 施工项目经理职责•负责项目的整体规划和管理,包括项目进度、质量和成本的控制。
•协调各个专业工种之间的配合,确保施工进程的顺利进行。
•管理施工现场的安全和环境保护工作。
•指导和管理下属工作人员,对他们的工作进行监督和评估。
技能要求•具备优秀的项目管理能力。
•对建筑工程和相关法规有深入的了解和认识。
•出色的沟通能力和团队合作精神。
3. 工程师职责•负责项目的施工技术方案的制定和实施。
•对施工过程中遇到的技术问题进行解决和指导。
•审查工程方案和图纸,确保其符合相关法规和标准要求。
•协助施工项目经理对施工进度和质量进行监控和控制。
技能要求•具备相关工程专业的知识和技能。
•熟悉施工工艺和材料的使用。
•出色的解决问题的能力。
4. 班组长职责•组织和分配施工人员的工作任务。
•监督和指导施工人员的操作和工作质量。
•确保施工现场的安全和秩序。
•上报施工进度和工作情况。
技能要求•具备相关工种的技能和经验。
•有良好的领导能力和团队协作精神。
•熟悉施工的各项安全规定和操作规程。
5. 施工工人职责•根据工程图纸和要求进行施工操作。
•配合班组长完成各项施工任务。
•遵守施工安全规定和操作规程。
•维护施工现场的秩序和清洁。
技能要求•具备相关工种的技能和经验。
•了解施工安全规定和操作规程。
•能够吃苦耐劳、勤奋工作。
6. 质量检验员职责•对施工过程中的质量进行检查和评估。
•编制和更新质量检查报告。
•提出改进建议和指导措施。
•与工程师和施工人员进行协调和沟通。
技能要求•具备相关质检工作经验和知识。
•熟悉质量检验的方法和工具。
•准确细致、责任心强。
以上是建筑施工企业中的一些主要工作岗位的说明和要求。
八大员岗位说明书一、岗位概述八大员是指在建筑工程项目中,承担技术、质量、安全、进度、成本、环境保护、职业卫生等专业工作的管理人员。
他们具备专业知识和技能,负责协调各项工作,保证项目的顺利实施。
本说明书旨在详细介绍八大员岗位职责和要求,确保岗位工作的高效性和规范性。
下面将依次介绍八大员的各个岗位职责。
二、工程造价员工程造价员主要负责项目造价管理工作。
他们需要对施工过程中的各项费用进行预算和控制,确保项目在合理的成本范围内进行。
具体职责如下:1.编制工程项目预算和招标文件;2.进行项目投资估算和费用控制;3.监督施工进度和材料使用情况,进行考核;4.解决工程成本问题,提供合理的建议。
工程造价员需要具备较高的数学和统计知识,熟悉项目管理流程和相关法规,具备良好的沟通能力和团队合作精神。
三、质量员质量员主要负责项目的质量管理和检查,确保工程施工符合相关的质量标准和规定。
具体职责如下:1.制定和执行项目的质量管理计划;2.检查和审核施工过程中的材料和工艺;3.组织并参与施工过程的质量检查和验收;4.记录和汇报施工质量问题。
质量员需要熟悉质量管理体系和相关的标准,具备分析和解决问题的能力,具备一定的工程技术知识和经验。
四、安全员安全员主要负责项目的安全管理和事故预防。
他们需要制定安全管理制度和操作规程,加强安全教育和培训,确保施工过程中的安全问题得到有效的预防和处理。
具体职责如下:1.编制和完善项目的安全管理制度和规章制度;2.组织和参与安全培训和教育工作;3.开展现场安全检查和事故调查;4.及时处理和报告施工中的安全问题。
安全员需要具备扎实的安全知识和技能,熟悉相关的法律法规和标准,能够有效的组织和协调各方力量,确保施工的安全性。
五、进度员进度员主要负责项目的进度管理和控制。
他们需要根据工程计划,合理安排施工进度,追踪和监督施工过程中的进度情况,及时发现和解决进度延误问题。
具体职责如下:1.制定项目施工进度计划和工期目标;2.协调和监督施工过程中的进度安排和变更;3.收集、整理和汇报施工进度数据;4.通过合理的措施解决施工进度延误问题。
一、职位基本信息(Job Identification)职位名称:部门经理职位编码:所属部门:市场部职位编制:1职位等级:薪酬标准:二、工作概要(Job Summary)负责完成公司营销目标和营销体系建设,联络、指导项目经理部的市场开拓工作。
三、工作职责(Responsibilities , Duties and Authority)1、根据公司制定的营销战略和具体目标,收集、筛选工程信息。
2、负责组织、协调已确定工程的跟踪、报名、资审、投标、合约谈判工作。
3、负责指导项目经理部的市场开拓工作。
4、负责华东片区地方建管部门的注册、备案、年审工作。
5、负责本部门人员的分工、考核、培训和工作指导。
6、完成领导交办的其他工作。
四、工作关系(Work Relationships)1、所受督导:总经理2、所施督导:部门副经理、投标报价师、投标方案师、营销师、合约工程师、内业资料员五、任职资格(Job Specification)1、学识要求1.1 具有建筑类专业、市场营销或经济管理类专业大专及以上学历1.2 中级及以上职称1.3 熟练掌握市场营销的技巧和招投标法规1.4 熟悉建筑施工行业的基本常识、特点和施工流程2、工作经验2.1 从事建筑业市场营销工作5年及以上2.2 从事相关管理工作7年及以上3、工作能力3.1 核心能力:具有较强的领导、组织、协调能力;善于沟通人际关系和进行商务谈判、对市场信息具有高度的敏感度和判断力3.2 辅助能力:具有较强的语言文字能力,熟练操作计算机4、其它素质要求敏捷善思、性格开朗,市场意识强。
本岗任职人确认签字:一、职位基本信息(Job Identification)职位名称:部门副经理(管控)所属部门:市场部职位等级:职位编码:职位编制:1 薪酬标准:二、工作概要(Job Summary)负责工程信息的筛选、跟踪、投标工作;地方建管部门的注册、备案、年审工作;联络、指导项目经理部的市场开拓工作。
建筑施工企业工作岗位说明书一、岗位概述建筑施工企业是指专门从事建筑工程施工的企业,该企业涉及的工作岗位众多,包括但不限于项目经理、工程师、施工员、质量验收员等。
本文档主要对建筑施工企业常见的工作岗位进行详细说明,以便于对各岗位有更加清晰的了解。
二、工作岗位说明1. 项目经理项目经理是建筑施工企业中的核心岗位之一,主要负责项目的策划、组织、指导和控制工作。
项目经理需具备扎实的建筑工程理论基础和丰富的管理经验,能够熟练运用项目管理工具,协调各个部门和岗位之间的合作,确保项目按时、按质、按量完成。
2. 工程师工程师是建筑施工企业中的专业技术人员,主要负责进行技术研究和工程设计。
工程师需具备较高的专业水平,能够熟练操作计算机辅助设计软件,编制详细的工程设计方案和施工图纸,并对施工现场进行技术指导。
3. 施工员施工员是建筑施工企业中的重要岗位,主要负责施工现场的组织和协调工作。
施工员需具备一定的技术基础,能够熟练掌握施工工艺和施工流程,了解各类建筑材料的使用方法,能够根据设计要求组织施工人员进行作业,并及时解决施工中的问题。
4. 质量验收员质量验收员是建筑施工企业中的质量管理岗位,主要负责对施工过程和成果进行质量检查和验收。
质量验收员需具备扎实的质量管理知识,熟悉国家有关建筑施工质量标准和验收规范,能够进行施工质量检验和编制验收报告。
5. 安全监督员安全监督员是建筑施工企业中的安全管理岗位,主要负责施工现场的安全监督和管理工作。
安全监督员需具备扎实的安全管理知识,了解施工现场的各类安全风险和预防措施,能够组织安全培训和演练,及时发现和解决安全问题。
6. 材料管理员材料管理员是建筑施工企业中的物资管理岗位,主要负责施工现场的材料采购、入库和出库管理。
材料管理员需具备良好的沟通协调能力,能够根据施工计划和材料需求进行采购,做好材料的入库记录和库存管理,及时调配材料,确保施工进度。
三、岗位要求不同工作岗位对人员的要求各有不同,以下是建筑施工企业常见岗位的基本要求:1. 项目经理:具备本科及以上学历,建筑工程相关专业优先。
建筑职务职责说明书怎么写建筑职务职责说明书是对建筑职务的职责和要求进行详细的描述和规定,为员工明确工作职责,提高工作效率和工作质量。
下面是一个约700字的建筑职务职责说明书的示例:建筑工程师职务职责说明书一、岗位概述:建筑工程师是负责建筑工程项目的设计、施工和管理的专业人员,担当着协调、监督与管理各个环节的重要任务。
二、岗位职责:1.负责参与建筑工程项目的规划、设计和施工方案的制定,确保项目的顺利进行;2.负责进行工程量核算和成本控制,根据预算要求进行合理的资源配置;3.参与施工现场管理工作,负责工程进度的监督与协调,确保施工工期;4.负责组织编制施工图纸和施工技术方案,确保施工质量和安全;5.协调与沟通业主、设计师、承包商等各方面的工作,保证项目的顺利推进;6.监督施工过程中的质量检查和验收工作,确保工程符合设计和规范要求;7.负责项目结算、竣工验收和资料归档工作,确保项目的成功交付;8.参与工程技术改进和创新,提出合理化建议,提高工程质量和效益。
三、任职要求:1.具备本科及以上学历,建筑工程或相关专业背景;2.具备相关工程项目管理经验,熟悉施工流程和管理规范;3.熟练掌握CAD、Revit等设计软件,了解BIM技术;4.具备较好的组织协调能力和沟通能力,能够有效推动项目进展;5.具备较强的问题解决能力和风险防控能力;6.具备一定的团队合作精神和工作责任心;7.具备良好的英语听说读写能力,能够进行专业沟通。
四、绩效评估:1.按时完成各项工作任务,并保质保量地完成项目;2.工程质量符合设计和规范要求,不存在施工质量问题;3.及时解决施工现场的问题和纠纷,保持良好的工作秩序和施工环境;4.与各方及时沟通协调,保证工程进度和工期;5.提出合理化的建议和改进措施,提高工程效率和质量。
这是一个简要的建筑工程师职务职责说明书,可以根据实际情况进行适当的调整和修改。
建筑职务职责说明书的目的是为员工提供明确的工作要求和职责,并为公司和员工之间建立起明确的工作合同和责任关系。
建筑公司岗位职责说明书大全1. 建筑项目经理职责描述•负责建筑项目的全面管理和协调工作,确保工程按照计划、质量和预算要求进行。
•制定项目计划,并监督项目执行的进展,并及时汇报项目进展情况。
•负责与客户、设计师和施工团队协调,确保建筑设计符合规范和要求。
•负责监督施工现场的安全操作,并确保所有施工人员遵守相关安全规定。
•解决项目执行过程中的问题,确保项目能够按时、高质量完成。
任职要求•具备建筑工程或相关专业的本科或以上学历。
•有丰富的建筑项目管理经验,能够熟练运用项目管理工具和方法。
•具有较强的沟通和协调能力,能够有效地与各方沟通和协商解决问题。
•具备一定的领导能力和团队管理经验,能够有效地组织和指导团队工作。
2. 建筑设计师职责描述•负责建筑项目的设计工作,包括方案设计、施工图设计等。
•根据项目需求和规范要求,进行建筑设计的方案制定,并进行设计审查和修改。
•负责与其他设计师和工程师合作,确保设计方案符合施工和安全要求。
•参与项目的现场勘测和测量工作,并根据实际情况进行设计调整和修改。
任职要求•具备建筑学或相关专业的本科或以上学历。
•具有一定的建筑设计经验,熟悉建筑设计软件和技术。
•熟悉相关建筑设计规范和标准,能够按照规范要求进行设计工作。
•具备较强的创造力和空间感知能力,能够提供符合客户需求的设计方案。
3. 建筑工程师职责描述•负责建筑施工工程的技术指导和管理,确保施工过程按照设计要求进行。
•参与项目的施工准备工作,协助制定施工方案和计划。
•监督施工现场的施工进度和质量,检查施工材料的符合要求。
•解决施工过程中的技术问题和纠纷,并与设计师和施工队协调解决。
任职要求•具备建筑工程或相关专业的本科或以上学历。
•具有一定的建筑工程管理经验,熟悉施工工艺和施工技术。
•熟悉相关建筑工程法规和标准,能够进行工程质量控制和验收。
•具备较强的沟通和协调能力,能够有效地解决施工过程中的问题。
4. 建筑监理工程师职责描述•负责对建筑施工过程进行监督和检查,确保施工按照设计和施工方案进行。
建筑公司岗位说明书一、岗位描述建筑公司是一个以设计和建造房屋和其他结构为主要业务的企业。
在这个岗位上,您将负责监督和协调由公司雇员执行的工程项目。
您将与其他部门以及承包商和供应商合作,以确保项目按时完成,预算得到控制,并符合质量标准。
二、主要职责1. 管理:您将负责指导和管理公司内部的建筑团队,在项目的各个阶段跟进各项工作。
2. 协助设计:您将协助公司的设计师,确保设计方案满足客户要求,并符合建筑法规和标准。
3. 预算管理:您将协助制定和监控预算,确保项目在预算范围内完成,并制定控制成本的方案。
4. 安全管理:您将负责安排并执行企业安全管理计划,包括保护环境和保障员工的安全。
5. 与其他部门协作:您需要与其他部门一起制定项目计划,并确保他们在项目中的角色得到与之相应的履行。
三、任职要求1. 学历:建筑、土木工程等相关专业本科及以上学历,具备2年及以上相关工作经验;2. 技能要求:有计画、组织、指导和监督团队工作的经验。
能够有效地协调和管理各种相关人员。
能够控制预算和解决紧急问题。
3. 能力要求:良好的沟通能力和较强的人际关系技能、好的可视能力与图纸阅读能力;4. 语言能力:精通普通话,具备英语听说读写能力者优先。
5. 其他特殊要求:熟练使用相关计算机软件,如Office、AutoCAD等。
四、福利待遇1. 具有竞争力的薪资待遇;2. 全面的福利体系;3. 在工作中学习和培训的机会。
五、公司介绍本公司是一家专业从事建筑设计、建筑施工、建筑施工监理、招标代理等一体化服务的公司。
公司拥有一支实力雄厚的团队,以创新、主动、实效为服务理念,以“客户满意度是我们的成功源泉”为企业愿景,致力于将最好的服务和工程质量带给客户。
六、结束语我们欢迎对工程项目管理方面有经验和热情的优秀人才加入我们的团队,与我们一起为打造更好的城市生活和工作环境而不断努力奋斗!。
建筑公司岗位说明书一、岗位概述建筑公司拥有各种各样的职位,以确保项目的顺利进行和高质量交付。
在这份岗位说明书中,我们将介绍建筑公司常见的岗位,并对每个岗位的职责和要求进行详细说明。
二、项目经理1. 职责:- 负责项目的计划、组织、实施和控制,确保项目按时完成、在预算范围内,并满足质量标准和客户需求。
- 领导项目团队,分配任务和资源,协调各个部门之间的合作。
- 监督施工进展,解决项目中的问题和风险。
2. 要求:- 具备建筑工程管理或相关专业的学士学位。
- 在建筑项目管理方面具有丰富的经验。
- 出色的沟通和领导能力,能够有效地与各个利益相关者合作。
三、工程师1. 职责:- 进行项目前期调研和需求分析,制定合适的工程方案。
- 编制施工图纸和技术规范,监督施工过程中的技术实施。
- 负责工程质量控制,解决施工中的技术问题。
2. 要求:- 拥有建筑工程或相关专业的学士学位。
- 有工程设计和施工管理经验。
- 熟悉建筑相关的设计软件和标准。
四、设计师1. 职责:- 根据客户需求和项目要求,完成建筑设计方案。
- 绘制平面图、立面图和施工图纸。
- 与项目团队合作,确保设计的实施性和质量。
2. 要求:- 拥有建筑设计或相关专业的学士学位。
- 熟悉建筑设计软件和绘图工具。
- 有建筑设计经验,熟悉相关设计规范和标准。
五、市场营销专员1. 职责:- 开展市场调研,了解客户需求和竞争对手情况。
- 制定市场营销策略,推广公司的产品和服务。
- 协助销售团队与潜在客户进行对接,并完成销售目标。
2. 要求:- 具备市场营销或相关专业的学士学位。
- 具有销售和市场推广经验,熟悉建筑行业市场。
- 具备良好的沟通和谈判能力。
六、施工人员1. 职责:- 负责建筑施工过程中的具体工作任务。
- 执行施工计划,并按照图纸和技术规范进行操作。
- 确保施工质量和安全。
2. 要求:- 具备建筑施工或相关专业的学历或技术证书。
- 有施工工作经验,熟悉施工工艺和安全要求。
建筑公司岗位说明书1. 岗位概述建筑公司是一个专业从事建筑设计、施工和管理的机构。
本岗位说明书旨在介绍不同岗位在建筑公司中所承担的角色和职责,以便求职者了解并选择与自己背景和兴趣相匹配的岗位。
2. 设计师岗位职责:- 负责从客户需求出发,参与建筑方案的设计和规划。
- 熟悉并运用建筑设计软件,绘制平面图、立面图和施工图。
- 与工程师、项目经理等团队成员合作,确保设计方案的完整性和可行性。
- 参与项目的现场勘测和实地考察,提供专业的设计意见。
- 持续关注建筑设计领域的最新发展趋势,提升自身设计能力。
任职要求:- 具备相关的建筑设计专业背景和工作经验。
- 熟练掌握建筑设计软件,如AutoCAD、SketchUp等。
- 拥有创造力和审美眼光,能够将客户需求转化为设计方案。
- 准确理解并运用建筑设计规范和标准。
3. 施工经理岗位职责:- 负责项目的施工策划和组织,确保施工进度和质量。
- 编制施工方案和施工图纸,指导施工团队的工作。
- 协调与监督不同工种的施工,包括土建、水电、装饰等。
- 解决施工中的各种问题和难题,确保施工安全和效率。
- 与监理、设计师、供应商等相关人员进行沟通和协调。
任职要求:- 有较强的施工管理经验,熟悉建筑施工流程。
- 具备优秀的沟通和协调能力,能够与不同团队成员有效合作。
- 具备良好的问题解决能力和抗压能力。
4. 质量检验员岗位职责:- 执行建筑质量管理方案,进行巡检和验收工作。
- 审查施工过程中的材料、工艺和施工质量。
- 梳理和记录施工中的质量问题,并提出改进方案。
- 与相关部门协作,确保工程质量符合建筑标准和规范。
任职要求:- 具备一定的建筑材料和质量管理知识。
- 熟悉建筑施工质量验收标准和程序。
- 具备严谨细致的工作态度,能够准确判断质量问题。
5. 项目经理岗位职责:- 负责整个建筑项目的组织和管理,确保项目进度和预算的控制。
- 策划项目的详细计划和工期安排,协调不同团队的工作。
建筑安全员岗位说明书一、岗位概述建筑安全员是建筑工地现场负责安全管理和监督的重要岗位。
他们的工作旨在确保施工过程中的人员安全、设备安全以及环境安全,预防和减少事故的发生,保障工程项目的顺利进行。
二、岗位职责1、安全制度与计划制定(1)根据国家法律法规、行业标准以及项目的特点,制定和完善施工现场的安全管理制度、流程和标准。
(2)结合项目实际情况,编制详细的安全施工计划,包括安全目标、措施、应急预案等。
2、安全教育与培训(1)组织对新入场的工人进行三级安全教育,使其了解施工现场的安全风险、规章制度和安全操作方法。
(2)定期对全体施工人员进行安全培训,提高他们的安全意识和自我保护能力。
(3)对特种作业人员进行专门的培训和考核,确保其具备相应的资质和技能。
3、安全检查与监督(1)每天进行施工现场的安全巡查,检查安全设施、设备的运行状况,以及施工人员的作业行为是否符合安全要求。
(2)对重点部位、关键工序进行旁站监督,及时发现和纠正不安全行为和隐患。
(3)定期组织全面的安全检查,对发现的安全问题下达整改通知书,跟踪整改情况,确保隐患得到及时消除。
4、安全资料管理(1)收集、整理和归档各类安全管理资料,包括安全制度、培训记录、检查记录、整改通知等。
(2)按时填写安全日志,如实记录施工现场的安全状况和问题处理情况。
(3)负责安全报表的编制和报送,向上级主管部门汇报项目的安全工作进展。
5、事故预防与处理(1)分析施工现场的安全风险,制定相应的预防措施,降低事故发生的概率。
(2)在事故发生时,及时采取应急措施,组织救援工作,减少人员伤亡和财产损失。
(3)参与事故的调查处理,分析事故原因,总结经验教训,提出改进措施,防止类似事故的再次发生。
6、安全协调与沟通(1)与项目经理、技术负责人、施工班组等密切配合,协调解决安全与施工进度、质量之间的矛盾。
(2)与建设单位、监理单位保持良好的沟通,及时汇报安全工作情况,接受他们的监督和指导。
建筑公司岗位说明书一、概述建筑公司作为建筑行业的重要组成部分,承担着设计、施工、管理等各个环节的任务。
为了确保工作的顺利进行,建筑公司需要各类专业人员协同合作,共同完成工程项目。
本篇文章将就建筑公司常见的几类岗位进行详细说明,包括建筑师、工程师、施工人员以及项目经理。
二、建筑师建筑师是建筑公司中至关重要的岗位之一。
作为设计的核心人员,建筑师需要具备创意、审美和技术的综合能力。
他们的主要职责包括:1. 制定建筑设计方案:根据客户需求和项目要求,制定合理的建筑设计方案,并进行建筑设计图的绘制。
2. 参与项目报批:协助项目经理完成项目相关的报批工作,确保项目合规。
3. 沟通与协调:与团队成员、客户以及监管机构进行沟通和协调,确保设计的顺利进行。
三、工程师工程师是建筑公司的技术骨干,承担着建筑工程的技术实施和管理工作。
他们的主要职责包括:1. 施工图设计:根据建筑设计方案,绘制出详细的施工图纸,包括结构、电气、给排水等各个方面的图纸。
2. 施工现场管理:负责施工现场的监管和管理,确保施工进度和质量符合要求。
3. 资材和设备采购:根据工程需要,负责相关资材和设备的采购工作,确保施工所需的材料和设备的供应。
四、施工人员施工人员是建筑公司中直接参与实施建筑施工工作的人员,他们包括了各类工种,例如砌筑工、水电工、木工等。
他们的主要职责包括:1. 施工:按照施工图纸和工艺要求,进行各项施工作业,包括砌墙、铺管、装修等。
2. 质量检查:负责施工过程中的质量检查工作,确保施工符合相应的标准和规范。
3. 安全管理:负责施工现场的安全管理,并确保工人遵守相关的安全操作要求。
五、项目经理项目经理是建筑公司中的管理者,承担着项目运营和管理的责任。
他们的主要职责包括:1. 项目计划:制定项目实施计划,合理安排资源和人员,确保项目按时完成。
2. 成本控制:负责项目的成本控制工作,包括人员费用、材料费用和设备费用等。
3. 团队管理:协调和管理项目团队,确保各个部门的协同合作,达到项目目标。
八大员岗位说明书一、岗位简介八大员,是指在建筑工地上的重要管理职位。
八大员分别是总工、总控、总经、总规、总监、总价、总设、总材。
每个职位都具备独特的职责和权限,协同工作,确保工地顺利运营和管理。
本文将详细介绍每个岗位的职责和要求。
二、总工总工是建筑工地的技术负责人,主要职责包括工程设计的指导、施工技术支持以及质量控制等。
具体职责如下:1. 负责工程施工图纸的核对和审核,确保施工图纸符合设计要求;2. 监督工程进度,及时调整施工计划和资源分配,确保施工按时完成;3. 负责施工工艺、材料选择的技术指导,保证工程质量;4. 协助处理工程设计变更和技术问题。
三、总控总控是建筑工地的进度管理人员,负责施工进度的控制和协调。
具体职责如下:1. 制定施工进度计划,确保施工按照计划进行;2. 收集施工现场数据,及时更新施工进度报告,向总经汇报;3. 协调各个施工分部门,解决施工冲突和延误问题;4. 监督施工现场设备的使用和维护,确保施工顺利进行。
四、总经总经是建筑工地的经济管理人员,主要负责工地的经济决策和成本控制。
具体职责如下:1. 拟定工程造价预算,控制工程成本,并根据实际情况进行调整;2. 协调财务部门,妥善处理工地的财务事务;3. 监督和管理工地的采购和物资管理;4. 与各分包商和供应商进行谈判,确保工程顺利进行。
五、总规总规是建筑工地的设计管理人员,主要负责建筑设计和施工流程管理。
具体职责如下:1. 按照法律法规和项目要求,编制施工设计方案;2. 组织工地现场的施工图纸评审,并协调各方利益关系;3. 监督施工过程中的设计变更,确保工程质量和安全;4. 总结工地施工经验,提出改进建议。
六、总监总监是建筑工地的安全管理人员,负责工地的安全控制和风险防范。
具体职责如下:1. 制定工地安全管理制度和流程,确保施工安全;2. 监督施工现场的安全环境,防止事故发生;3. 组织安全培训和教育,提高工人的安全意识;4. 处理工地发生的安全事故,及时采取应急措施。
建筑工地业岗位职责
(1)了解咨询项目所需资料和准备工作情况,制定项目咨询工作计划;
(2)确定咨询工作重点,提出项目组内分工,负责项目咨询工作计划的实施和咨询报告的总成;
(3)独立编写部门安排的项目咨询报告及相关工作报告;承担工程投资咨询(可研报告、申请报告)、规划咨询(产业规划、专项规划)、项目评估咨询、项目后评价、项目节能评估(评审)等报告编制工作;
(4)完成部门领导交办的其他工作。
建筑工地业岗位职责(二)
1、熟悉国家验收规范,监督承包商按合同约定,工程规范以及有关法规严格施工。
2、深入施工现场、了解工程进度,及时发现问题并及时解决,组织参与解决施工中出现的各类问题。
3、审阅有关工程项目的图纸资料,参与施工组织设计和施工技术方案的校队、审核、设计交底、图纸会审工作。
4、负责审查给排水、供热供燃气、通风及空调项目工程的施工组织设计和施工作业方案。
5、参与解决施工中遇到的技术难题、对工程施工中出现质量问题,配合有关专业、有关部门协调解决。
建筑工地业岗位职责(三)
1、带领组织本部门人员完成建筑、装修、市政等各类施工图(变更图纸、竣工图)绘制。
2、负责编制各类施工图(竣工图)绘制相关标准、注意事项,并贯切本部门认真履行。
3、涉及总平、装修、市政部分施工图需要同设计师(绘制前期、施工中期、施工完成三阶段)熟悉现场、结合现场实际绘制。
4、监督审阅:概算初步设计图、预算施工图、结算竣工图图纸范围、规格尺寸、工艺性能应标注准确清晰等。
建筑工程有限公司
岗位职责说明书
(汇编)
2016年3月
目录
副总经理——————————————————————3 总工程师——————————————————————4 总经理助理——————————————————————5 财务总监——————————————————————6人力主管——————————————————————7 行政主管——————————————————————8 行政文员——————————————————————9 驾驶员——————————————————————10 财务会计——————————————————————11 财务出纳——————————————————————12 招投标合约部经理————————————————————13
成本造价部经理————————————————————14
釆购管部经理————————————————————15工程管理部经理————————————————————16
材料设备部经理————————————————————17
项目部经理—————————————————————18 施工员———————————————————————19 技术员———————————————————————20 资料员———————————————————————21 安全员———————————————————————22 库管员———————————————————————23 门卫员———————————————————————24
施工班组长———————————————————————25
副总经理—岗位说明书
总工程师—岗位说明书
总经理助理—岗位说明书
财务总监—岗位说明书
人力资源主管—岗位说明书
行政后勤主管—岗位说明书
行政文员—岗位说明书
驾驶员—岗位说明书务
财务会计—岗位说明书
财务出纳—岗位说明书
招投标合约部经理—岗位说明书
成本造价部经理—岗位说明书
采购管理部经理—岗位说明书
工程管理部经理—岗位说明书
材料设备部经理—岗位说明书
项目部经理—岗位说明书
项目部施工员—岗位说明书
项目部技术员—岗位说明书
项目部资料员—岗位说明书
项目部安全员—岗位说明书
材料设备库管员—岗位说明书
项目部门卫员——岗位说明书
施工作业班(组)长—岗位说明书。