井下作业工竞赛规则
- 格式:doc
- 大小:1.70 MB
- 文档页数:33
钻井劳动竞赛实施方案钻井劳动竞赛实施方案一、背景介绍钻井是石油勘探开发中的重要环节,对于确保石油勘探开发的顺利进行具有重要意义。
为了提高钻井队员的工作技能和培养良好的钻井工作作风,提高钻井效率和质量,特举办钻井劳动竞赛。
二、竞赛目标1. 提高钻井队员的工作技能,提高钻井作业效率和质量。
2. 培养团队合作精神,提高钻井队员的协作能力。
3. 推广先进的钻井技术和设备。
三、竞赛形式1. 参赛队伍:由各工区组成由队长、技术员和作业员组成的钻井队。
2. 比赛项目:根据实际情况,确定参赛队伍需要完成的具体钻井作业项目。
3. 比赛规则:(1) 比赛采用计时和评分相结合的方式。
(2) 完成作业项目所用的时间作为计时成绩;(3) 评委根据作业项目的完成情况进行评分。
(4) 各支队从计时成绩和评分中综合得出综合成绩。
4. 裁判和评委:设立由石油公司相关专家和技术人员组成的专家评委团和比赛裁判团。
1. 钻井速度项目:以规定深度完成钻井作业所用的时间为成绩依据,包括钻井井深、钻井速率等指标。
2. 钻井质量项目:评估钻井队伍按规定质量要求完成的钻井作业的合格率、钻井井筒垂直度、井筒清洁度等指标。
3. 设备操作项目:评估队员对钻井设备操作的熟练程度和操作规范性,包括钻探机操作、井下仪器操作等指标。
4. 安全生产项目:评估队员在钻井作业过程中对安全生产规章制度的遵守程度,包括安全防护、事故应急处置等指标。
五、奖项设立根据钻井劳动竞赛的成绩情况,设立一、二、三等奖和优胜奖等奖项,并颁发相应的奖品。
特别优秀的个人和团队,还可以获得石油公司给予的嘉奖和奖金。
六、竞赛流程1. 报名阶段:参赛队伍按要求进行报名,提交相关材料。
2. 培训阶段:为参赛队伍提供相应的培训课程和培训材料,包括钻井技术和设备操作等内容。
3. 筹备阶段:准备比赛所需的设备、场地和评委团队,制定详细的竞赛规则和项目要求。
4. 比赛阶段:(1) 公布参赛队伍名单和比赛项目要求。
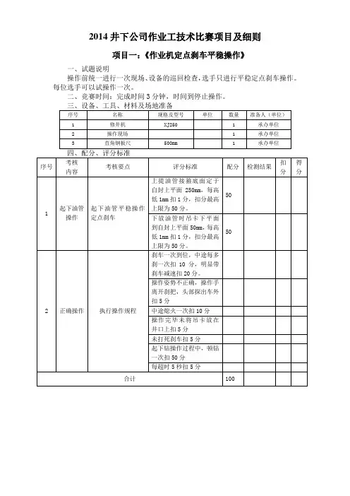
2014井下公司作业工技术比赛项目及细则项目一:《作业机定点刹车平稳操作》一、试题说明操作前统一进行一次现场、设备的巡回检查,选手只进行平稳定点刹车操作。
每位选手可以试操作一次。
二、竞赛时间:完成时间3分钟,时间到停止操作。
项目二:《检查并配戴呼吸器》一、试题说明1、检查、准备时间为2min,到时裁判提示终止。
2、正式操作时间为35s(从裁判员发出开始口令至选手示意完成为止,检查、准备及卸呼吸器不计入操作时间),以规定时间为准,每提前1秒完成加1分,每超过1秒完成扣1分(不足1s按1s计),提前完成加分最高不超过10分。
3、操作过程中若因操作不当将器材损坏的,立即停止操作,已得分数即为选手总得分。
若有操作程序颠倒的,在有效分内扣除5分。
4、操作过程中选手示意完成后,不得再有任何操作,如有任何动作的扣除5分。
项目三:《识别井下工具》一、试题说明(1)参考万仁浦、罗英俊主编《采油技术手册》(修订本,石油工业出版社2005版)第五分册修井工具与技术,准备20种适用于φ139.7mm套管的井下修井工具,由裁判组从工具清单中选择3件用于竞赛。
(2)考试采用集中识别。
(3)识别后统一入考场进行笔试。
(4)笔试要求完成内容:每件工具的名称、用途、结构、工作原理、技术规范、操作方法和使用注意事项。
(5)笔试时间:30分钟。
(6)考生自带钢笔或圆珠笔。
二、工具准备公锥、母锥、滑块卡瓦打捞矛、油管接箍捞矛、可退式打捞矛、可退式篮式卡瓦打捞筒、可退式螺旋卡瓦打捞筒、短鱼顶打捞筒、磁力打捞器、开窗打捞筒、一把抓、倒扣捞筒、倒扣打捞矛、平底磨鞋、梨形磨鞋、梨形胀管器、锯齿型安全接头、沉砂筒、机械式内割刀、死钩形内钩共20件。
项目四:试油:《检查更换放喷油嘴操作》一、操作程序的规定及说明1、准备工作。
2、关闭生产闸门,放压,取出油嘴。
3、检查油嘴尺寸。
4、装上油嘴,装上丝堵,打开闸门恢复生产。
5、准备时间1分钟,操作时间8分钟。
附件2中国石油天然气集团公司井下作业井控技能竞赛岗位操作评分细则二OO九年十月工况一:起下管柱工况下溢流关井操作集团公司井下作业井控技能竞赛施工设计一、技术员2009年中油集团井下作业井控技能竞赛评分表操作工序:巡回检查操作工序:班前会操作工序:开工准备、安装防喷器操作工序:起油管作业操作工序:关井操作操作工序:下油管作业操作工序:恢复工况、卸防喷器操作工序:班后会二、班长操作工序:巡回检查操作工序:班前会操作工序:开工准备、安装防喷器操作工序:起油管作业操作工序:关井操作操作工序:下油管作业操作工序:恢复工况、卸防喷器操作工序:班后会三、一岗位操作工序:巡回检查操作工序:班前会操作工序:开工准备、安装防喷器操作工序:起油管作业操作工序:关井操作操作工序:下油管作业操作工序:恢复工况、卸防喷器操作工序:班后会操作工序:巡回检查操作工序:班前会操作工序:开工准备、安装防喷器操作工序:下油管作业操作工序:恢复工况、卸防喷器操作工序:班后会五、三岗位操作工序:巡回检查操作工序:班前会操作工序:开工准备、安装防喷器操作工序:起油管作业操作工序:关井操作操作工序:下油管作业操作工序:恢复工况、卸防喷器操作工序:班后会六、操作手操作工序:巡回检查操作工序:班前会操作工序:开工准备、安装防喷器操作工序:起油管操作工序:关井操作操作工序:下油管操作工序:卸防喷器、恢复工况操作工序:班后会工况二:起下组合管柱工况下溢流关井操作一、技术员操作工序:巡回检查操作工序:班前会操作工序:开工准备、安装防喷器操作工序:起油管作业操作工序:关井操作操作工序:下油管作业操作工序:恢复工况、卸防喷器操作工序:班后会二、班长操作工序:巡回检查操作工序:班前会操作工序:开工准备、安装防喷器操作工序:起油管作业操作工序:关井操作操作工序:下油管作业操作工序:恢复工况、卸防喷器操作工序:班后会三、一岗位操作工序:巡回检查操作工序:班前会操作工序:开工准备、安装防喷器操作工序:起油管作业操作工序:关井操作操作工序:下油管作业操作工序:恢复工况、卸防喷器操作工序:班后会操作工序:巡回检查操作工序:班前会操作工序:开工准备、安装防喷器操作工序:下油管作业。
中石化钻井劳动竞赛方案中石化钻井劳动竞赛方案一、竞赛目的与意义钻井工作是石油勘探开发的重要环节,对保障石油产能、提高油气供给水平具有重要意义。
为了促进钻井工作的科学化、规范化和高效化,提高钻井作业效率和质量,中石化决定举办一场钻井劳动竞赛。
本次竞赛旨在激发钻井工人的潜能,调动钻井工人的积极性和创造力,加强技术交流与学习,提高作业技能和质量安全管理水平,通过比拼,推广优秀作业经验和先进工作方法,促进钻井技术进步,提高企业钻井作业效益,推动中石化钻井事业的发展。
二、竞赛内容与形式1. 竞赛内容(1)钻井工人作业能力竞赛:包括钻机操作、井眼质量控制、井下作业(测井、固井、完井等)等各项作业能力评比。
(2)钻井作业效率竞赛:评价钻井作业的施工进度、生产效率等指标。
(3)钻井安全环保竞赛:评估钻井作业过程中的安全管理水平和环境保护措施执行情况。
2. 竞赛形式(1)选拔赛:各参赛队伍在企业内部进行初步选拔,选拔出最优秀的队伍参加正式竞赛。
(2)正式竞赛:选出的参赛队伍在指定的钻井工区进行实际作业竞赛,根据竞赛内容进行评分。
三、参赛规则与要求1. 参赛资格(1)参赛队伍须为中石化旗下的钻井服务公司或中石化直属单位的钻井队。
(2)参赛队伍须具备石油钻井从业资质,队员须经过专业培训并持有相应证书。
2. 竞赛流程(1)选拔赛:各参赛队伍提交参赛申请表,经企业相关部门审核后,确定参赛名额。
选手将参加选拔赛,选拔赛内容包括理论知识测试和实际技能操作。
(2)正式竞赛:根据选拔赛的成绩,选出优胜队伍参加正式竞赛。
竞赛采用小组赛制,每组两支队伍对决,根据评分规则和竞赛内容进行比拼。
3. 评分规则(1)钻井工人作业能力竞赛:根据钻机操作精准度、作业技巧、井眼质量控制的评分。
(2)钻井作业效率竞赛:根据施工进度、生产效率的评分。
(3)钻井安全环保竞赛:根据安全管理水平、环境保护措施执行情况的评分。
评分方式:每个竞赛环节有专业评委进行评分,按照标准化评分表进行打分,最终得分将作为综合评价标准。
2012年中国石油天然气集团公司井下作业工与井控班组职业技能竞赛规则(草稿)第一部分理论考试部分(30%)第二部分技能操作考试(70%)第三部分井控班组操作(只记团体总分,不计入个人总分)第一部分理论考试部分(30%)一、试题内容(1)石油工业出版社2008年7月出版的由中国石油天然气集团公司职业技能鉴定指导中心编写的石油石化职业技能鉴定试题集《井下作业工》(高级工内容占60%,技师和高级技师内容占40%),占理论考试内容的45%。
(2)石油工业出版社2008年12月出版的由中国石油天然气集团公司井下作业井控编写组编写的中国石油员工培训系列教材《石油天然气井下作业井控》,占理论考试内容的35%。
(3)集团公司井下作业及井控相关文件、规定和行业标准等,占理论考试内容的20%。
井下作业及井控相关文件、规定和行业标准范围:集团公司《关于汲取英国石油公司井喷事故教训进一步加强井控管理工作的通知》中油工程(2010)17号;集团公司《石油与天然气井下作业井控规定》中油工程(2006)247号;集团公司《关于加强油气田企业安全环保工作的意见》中油工程(2006)273号;集团公司《关于进一步加强井控工作的实施意见》中油工程(2006)274号;集团公司《井控装备判废管理办法》中油工程(2006)408号;集团公司《井控培训管理办法》中油工程(2007)437号;集团公司《关于进一步加强井控管理工作的通知》中油工程(2007)472号;集团公司《井喷失控事故应急预案》中油办(2006)208号;安监总局《关于加强高压油气田井控管理和防硫化氢中毒工作的意见》安监总管(2006)103号;SY/T6137-2005《含硫化氢的油气生产和天然气处理装置作业的推荐作法》SY/T6610-2005《含硫化氢油气井井下作业推荐作法》SY/T6277-2005《含硫化氢油气田硫化氢监测与人身安全防护规程》SY/T 6690-2008《井下作业井控技术规程》SY 5727—2007《井下作业安全规程》SY/T 6160-2008 防喷器的检查和维修Q/CNPC41-2001防喷器判废技术条件Q/CNPC36-2002旋转防喷器SY/5623-2009地层压力预测方法SY/T5323-2004节流和压力系统SY/T6203-2007油气井井喷着火抢险作法Q/SY1218-2009油水井带压修井作业更换井口安全操作规程Q/SY 1124.3-2007《石油企业现场安全检查规范》Q/SY 136-2007《生产作业现场应急物品配备规范》SY/T 5791-2007《液压修井机立放井架作业规程》SY/T 6117-2003《石油修井机使用与维护》SY/T 6408-2004《钻井和修井井架、底座的检查、维护、修理与使用》二、考试规则(1)考试形式为闭卷考试,共两套试卷:第一套试卷为井下作业工题库及相关标准,试卷题型为选择题(题库80道,集团公司井下作业相关规定、行业标准40道)和判断题(题库20道,集团公司井下作业相关规定、行业标准10道)。
钻井队三比劳动竞赛方案钻井队三比劳动竞赛方案一、比赛目的钻井队三比劳动竞赛旨在通过竞赛的形式,激发钻井队员的工作热情和责任感,提高工作效率和质量,促进团队协作和沟通能力发展,为优化钻井作业提供有效的实践平台。
二、比赛内容1. 钻机组织和操作比赛:比赛内容包括钻机组织和操作的效率和准确度。
参赛队伍需要在规定时间内,完成一套完整的钻机组织和操作,并根据设定的目标完成时间、速度和钻孔质量等方面进行评分。
2. 井口管理和维护比赛:比赛内容包括井口管理和维护的规范性和细致度。
参赛队伍需要按照规定的要求,对井口区域进行清理和维护工作,并在规定时间内完成相关任务,根据评委的评分或量化指标进行评分。
3. 安全操作和应急处理比赛:比赛内容主要考察参赛队伍的安全意识和应急处理能力。
参赛队伍需要在设定的时间内,完成一系列安全操作和应急处理演习,根据现场观察和评委评分进行评分。
三、比赛规则1. 比赛组织:比赛组委会由钻井队的相关负责人和工会代表组成,负责比赛的具体规划和组织工作,确保比赛的公平性和公正性。
2. 参赛队伍:每个钻井队派出一支参赛队伍,队伍人数不少于5人。
3. 比赛时间:比赛时间由组委会根据实际情况确定,通常为工作日或工作日之后的休息日。
4. 比赛评分:比赛评分由评委根据比赛阶段设定的评分标准进行评分。
评分标准包括但不限于效率、准确度、规范性、细致度、安全意识、应急处理能力等方面。
5. 比赛成绩通报:比赛成绩及排名将在比赛结束后通过内部通报的方式公布,以激励优胜队伍,同时提醒其他队伍加强学习和改进。
四、比赛奖励1. 优胜队伍奖励:(1)奖金:根据比赛成绩和排名,给予优胜队伍一定金额的奖金,以鼓励优秀表现。
(2)荣誉证书:为优胜队伍颁发荣誉证书,以表彰他们的卓越表现和专业能力。
2. 个人表彰奖励:(1)优秀队员奖:根据比赛成绩和个人表现,评选出若干名优秀队员,并给予他们相应的奖励和证书,以激励队员个人的积极进取和发展。
辩识井下作业工具并画草图竞赛规则(井下作业专业技术人员)一、考试内容准确辨识实物井下作业工具,补齐给定图纸要素。
二、考试方式及时间考试方式:裁判长从30个井下作业工具中抽出2个,然后室内笔试。
考试时间60分钟。
三、基本要求1、参考资料以罗英俊编《采油技术手册》第五分册和有关行业标准为准。
2、在规定的时间内正确辩识井下作业工具,写出工具的名称、型号、用途、结构、工作原理、操作方法和注意事项。
3、根据给定图纸,按照要求补齐视图等要素。
四、工具准备序号名称规格单位数量备注1 井下作业工具个30 承办方准备2 工件个80 承办方准备3 内外卡钳套1 选手自备4 钢板尺300mm 个1 选手自备5 游标卡尺0~240mm 个1 选手自备6 卷尺3m 个1 选手自备7 钢笔或签字笔个1 选手自备8 棉纱若干承办方准备9 图纸A4标准图纸张1 承办方准备10 草稿纸A4 张1 承办方准备11 绘图工具套1 选手自备12 三角板长度不小于130mm 套1 选手自备13 铅笔2B、HB、2H 支若干选手自备14 卷笔刀或削笔刀个1 选手自备15 绘图橡皮块1 选手自备五、井下作业工具的范围(1)滑块卡瓦打捞矛;(2)一把抓;(3)接箍捞矛;(4)可退式打捞矛;(5)蓝式可退式打捞筒;(6)公锥;(7)螺旋可退式打捞筒;(8)母锥;(9螺旋式外钩;(10)局部反循环打捞蓝;(11)机械式内割刀;(12)螺杆钻具;(13)梨形胀管器;(14)倒扣捞筒;(15)倒扣捞矛;(16)三刮刀钻头;(17)三牙轮钻头;(18)平底磨鞋;(19)领眼磨鞋;(20)Y341封隔器;(21)Y211封隔器;(22)K344封隔器;(23)安全接头;(24)水力锚;(25)水力喷砂器;(26)鱼顶修整器;(27)磁力打捞器;(28)三球打捞器;(29)铅模;(30)偏心式配水器。
辩识井下作业工具并画草图评分标准序号考核内容评分标准配分扣分得分1辨识工具工具名称回答错误该工具项目不得分 52 工具型号回答错误扣5分 53 用途缺一项或错一项扣1分 54 结构缺一项或错一项扣1分105 工作原理叙述错误扣20分;不完整扣5分;条理不清扣5分206 操作方法缺一项或错一项扣1分207 注意事项缺一项或错一项扣1分108画草图尺寸标注按图标注尺寸,少一处扣2分,错一处扣1分109 补线少补一条线扣2分1010 标题栏标题栏少填一项内容扣1分 5合计100 注:两个工具单独打分,取平均分作为选手该项最终得分。
井下作业劳动竞赛方案井下作业劳动竞赛方案一、背景和目的井下作业是矿山生产中的重要环节,同时也是较为危险和困难的工作。
为了提高矿工的作业技能、安全意识和团队合作能力,推动矿山生产的高效率和安全发展,举办井下作业劳动竞赛具有重要意义。
本方案旨在设计一种具有实用性、挑战性和公平性的井下作业竞赛方案,为参赛队伍提供一个展示技能和交流经验的平台。
二、竞赛内容和形式1. 竞赛内容本次井下作业劳动竞赛主要分为实操项目和理论项目两个部分。
(1)实操项目实操项目包括井下采矿、机械作业、通风设备维护等不同类型的作业。
参赛队伍需要在规定时间内完成指定任务,包括操作设备、维修设备、安装管道等。
评分将根据完成任务的速度、准确性和安全性进行。
(2)理论项目理论项目包括作业技能知识测试、矿山安全知识测试等,要求参赛队伍熟悉井下作业的相关规定和操作要求,具备一定的安全意识和技能。
2. 竞赛形式(1)赛前培训为了提高参赛队伍的技能水平和安全意识,竞赛前将建议各参赛队伍组织训练,包括实操技能的培训和理论知识的学习。
(2)预赛初赛将在预定的矿山场地内进行,要求参赛队伍完成指定的任务,并通过理论测试。
参赛队伍将被评选出决赛名额。
(3)决赛决赛将设立多个分项项目,根据初赛成绩进行分组。
各分组将进行不同类型的作业竞赛,包括井下采矿、机械作业等。
最终,根据各个项目的评分,评选出总冠军、亚军和季军,向优胜队伍颁发奖金和荣誉证书。
三、竞赛规则和评分标准1. 竞赛规则(1)参赛队伍每支队伍由5-10人组成,队员必须具备相关的作业技能和安全意识。
(2)比赛时间初赛和决赛的具体时间将根据实际情况确定,一般会安排在休息日或非生产时间。
(3)竞赛设备和器材竞赛设备和器材均由组委会统一提供,确保公平性和安全性。
2. 评分标准(1)实操项目实操项目的评分主要根据完成任务的速度、准确性和安全性进行评分。
(2)理论项目理论项目的评分主要根据答题情况进行评分,包括正确率和时间。
钻井专业竞赛规则一、总体规定按照岗位技术规范和能力水平规定,全面考察参赛选手的专业知识和技能水平。
二、竞赛范围钻井工程理论、设计、行业技术标准和钻井现场操作为主,具体涉及钻井地质、钻井工艺(井眼轨迹控制、井下复杂故障判断与解决、钻井参数、钻井液性能、完井技术、井控技术等)、钻井设备、仪器、工具、HSE管理、钻井专业英语、计算机等理论知识和操作技能。
三、竞赛形式分理论知识竞赛和技能操作竞赛两部分。
理论知识竞赛成绩占总成绩的60%,采用笔试方式进行。
技能操作竞赛成绩占总成绩的40%,采用实际操作方式进行。
四、计分方法竞赛各项成绩均采用百分制。
计分方法如下:总成绩= 理论知识竞赛成绩×60%+技能操作竞赛成绩×40%五、理论知识竞赛(一)题型涉及填空题、判断题、选择题、计算题、简答题、论述题6种。
题量及其分值分派如下:(二)竞赛时间120分钟。
六、技能操作竞赛准备项目设立Φ215.9mm三牙轮钻头磨损分析、钻柱接头选配、零部件测绘、LT型可退式螺旋卡瓦打捞筒选配、钻头喷嘴选装、钻井液流变性能测定、FKQ6406防喷器远程控制装置故障排除、IADC报表纠错(英文)、测井有关曲线( GR、CCL、CBL )解释等9个项目,均按100分设立。
届时选择其中3-5个项目为决赛项目,取平均分作为技能操作竞赛成绩。
项目一:Φ215.9mm三牙轮钻头磨损分析(一)考核目的。
通过测量、计算Φ215.9mm三牙轮钻头切削齿和钻头直径磨损情况,考核选手判断分析钻头使用限度的能力。
(二)考核内容及规定1.准备20只Φ215.9mm三牙轮钻头(铣齿、镶齿钻头各10只),选手抽签选择出其中的2只钻头(铣齿、镶齿钻头各1只)进行判断分析,并将分析结果填在表1内。
表1 Φ215.9mm三牙轮钻头磨损分析2.钻头的磨损按行业标准SY/T 5415-2023 《钻头使用基本规则和磨损评估方法》执行。
3.考核时间为20分钟。
【关键字】细则第一篇采煤机司机操作技能比赛规则一、参赛选手必须按时到达指定比赛现场,迟到15分钟以上者取消其比赛资格。
2、比赛项目所需的服装、鞋、灯、帽等防护用品和仪表、工具等统一配备,参赛选手亦可自带个人用的仪表、工具。
三、参赛选手需按井下工作要求着装和佩带安全防护用品,遵守井下安全规程。
四、比赛次序、地点等由抽签决定,抽签后参赛选手不能要求变更。
五、现场实际操作比赛时,参赛选手必须佩带参赛选手证和安全操作(工作)资格证,并随身携带本人身份证。
六、操作前参赛选手需了解考核的要求,检查和准备使用的仪表、工具及配件等,如有问题应向裁判长声明,申请解释或解决。
七、参赛选手完成准备工作后,向裁判长声明,由裁判长下令开始操作并开始计时。
八、比赛开始后,参赛选手不得离开比赛现场,非参赛人员和工作人员不得进入比赛现场。
九、参赛选手必须按《煤矿安全规程》(2010年版)进行操作,并执行《煤矿工人技术操作规程》(2002年版)。
十、当比赛现场发现有危及人身和设备的不安全因素时,裁判长有权决定终止比赛进行。
十一、参赛选手认为本人已全部完成比赛内容时,需到裁判席向裁判长报告,比赛结束时间一律以报告时的时间为准。
十2、宣布比赛结束后,参赛选手不准再做任何修改,并必须离开比赛现场。
否则,取消其比武成绩。
十三、赛前参赛选手一律不准饮酒,否则取消其比赛资格。
十四、选手必须服从裁判,如对裁判有异议时,提请裁判长解决,重大问题由仲裁委员会裁决。
十五、考评人员要严格按评分标准评判,未经裁判长同意,不准随意变更评分标准。
文档来源为:从网络收集整理.word版本可编辑.欢迎下载支持.评分细则3文档来源为:从网络收集整理.word版本可编辑.违章处理。
4文档来源为:从网络收集整理.word版本可编辑.第二篇液压支架工操作技能比赛规则一、参赛选手必须按时到达指定比赛现场,迟到15分钟以上者取消其比赛资格。
2、现场实际操作比赛时,参赛选手必须佩带参赛选手证和安全操作(工作)资格证,并随身携带本人身份证。
井下维修电工技术比武实施方案一、比赛时间:2014年3月6日下午3点二、比赛地点:机电队加工车间三、参赛工种:电钳四、参赛人员:待定五、比赛规则比赛方式:分为理论考试与操作实践两部分进行。
1.理论考试有关规定如下:(1)考试范围:从电钳工复习题库中出,总分100分(2)考试人员限定在参加实践比武的人员范围内。
考试时带个人有效身份证件及上岗证入场。
(3)考试时间为60分钟,可提前交卷,提前交卷不加分。
但不得延长考试时间。
(4)闭卷考试。
除必备的钢笔(圆珠笔)、作图工具外,不得携带任何参考资料。
(5)实践比武时一人独立操作,理论考试独立完成考题。
(6)理论考试成绩占比武总成绩的40%。
2.操作实践有关规定如下:(1)操作实践比武满分100分实际得分按60%计入总成绩。
(2)考核内容:①模拟井下连接作业,对真空磁力启动器接线腔内进线进行接线操作。
接线质量要符合《煤矿矿井机电设备完好标准》,要求按正确的接线程序进行(为节省操作时间,接线腔上盖螺栓按标准对角紧固两条即为合格)。
远控按钮的接线,要求接线正确,接线完毕后,要求启动器实现远控。
②故障处理:故障由现场裁判设定,每组开关故障点要求一致,考试人员不得随意损坏设备。
③评分办法:实际操作总分100分,根据评分标准对不符合要求项目进行扣分,各单项总分扣完为止。
所有操作人员要严格按照机电设备检修质量标准和安全规定进行操作,考核小组人员有权制止违章作业行为,对严重违章操作人员立即停止作业,取消其比赛资格。
实际操作规定时间为40分钟,每提前5分钟加1分,每推后5分钟减1分,最长时间不超过60分钟。
按评分标准评出实际操作分。
(3)考核时按正常工作要求着装和使用劳动保护。
自备必需的检修工具。
(4)参赛队员出场顺序现场抽签决定,由现场工作人员引导按顺序依次进入比赛位置。
六、现场准备1.准备好各类裁判用具:秒表、评分表、记录夹、笔等。
2.机修厂提前准备好比武场地、需用的设备(6台启动器、MY3×35mm2电缆6根,电源、摇表6台、万用表6部、密封圈、凡士林等)。
劳动竞赛活动方案井下生产劳动竞赛活动方案——井下生产一、活动目的:通过劳动竞赛活动,激发井下生产人员的工作积极性,鼓励团队合作,提高生产效率和质量。
二、活动时间:活动时间为一个月,从每月1号开始,到月底结束。
三、活动对象:井下生产人员,包括矿工、采煤工、运输工和机修工等。
四、活动流程:1. 组建竞赛队伍:根据井下生产人员的工作特点和现状,将生产人员划分为若干个竞赛队伍,每个队伍人数不超过十人。
队伍成员根据工作能力和经验合理分配,确保每个队伍具备一定的平均工作水平。
2. 确定竞赛指标:根据井下生产工作的要求,确定竞赛指标。
指标可以包括矿石采收率、设备利用率、安全生产指标等。
竞赛指标应简明直观,易于操作和计算。
3. 制定竞赛规则:制定竞赛规则,明确竞赛活动的要求、时间和奖惩措施等。
规则应公平公正,鼓励竞争和团队合作,同时要求遵守安全生产规定。
4. 激励措施:为了激发竞赛队伍的积极性和动力,采取一系列激励措施。
包括:(1)物质激励:设立个人和团队奖励,如工资和奖金的提高、奖品的发放等。
(2)荣誉激励:设立个人和团队荣誉和表彰,如优秀员工、最佳团队等的评选和发布。
(3)培训和学习机会:提供参加培训和学习的机会,提升竞赛队伍的技能和知识水平。
5. 监控和评估:设立专人监控竞赛活动的进展和评估竞赛队伍的成绩。
可以通过现场观察、数据统计和问卷调查等方式进行监控和评估,及时发现问题并进行调整。
6. 活动总结:活动结束后,进行总结和评估。
总结活动的优点和不足,提出改进意见和建议,为下一次竞赛活动提供参考。
五、安全保障:井下生产是一个危险和复杂的环境,要确保活动的安全进行。
采取以下措施:1. 提供必要的个人防护装备和安全培训,确保参与竞赛的人员具备基本的安全知识和技能。
2. 设置安全监测系统,定期检查设备的安全状况,确保安全生产。
3. 强化安全宣传教育,提高井下生产人员的安全意识和自我保护能力。
4. 配备专业的安全人员,负责现场安全管理和紧急处理。
黑龙江省第一届职业技能竞赛石油分赛区井下作业工竞赛规则第一部分理论知识考试(30%)一、考试范围《职业技能鉴定试题集(井下作业工)》(石油工业出版社2008版)中的高级工、技师、高级技师部分,其中高级工占70%,技师、高级技师占20%(包括井控技术(中国石油天然气集团公司《石油与天然气井下作业井控规定》、《大庆油田井下作业井控技术管理实施细则》、《石油天然气井下作业井控》(石油工业出版社2008版))),新技术、新工艺占10% 。
二、考试时间考试时间为90min三、题型题量及配分理论知识考试题型分为单项选择题与判断题两种。
题量为选择题160道,判断题40道,每题0.5分,共计100分。
四、考试形式闭卷,答题方式为填涂标准答题卡,计算机阅卷。
第二部分技能操作考试(70%)一、竞赛内容设计说明按照职业技能竞赛试题可操作性、代表性、先进性的设计原则,结合油田井下作业职业活动内容,以及应具备的能力与水平,井下作业工主要工作可以概括为作业机起下管柱、辨识井下工具、修井施工设计编制以及油水井管柱组配等工作。
与之相关联的技能要求有作业机定点刹车技能、辨识井下作业工具、施工设计编制及管柱组配等方面。
在试题设计上以实现技能要求为目标,以结果型评判为原则,兼顾井下作业工竞赛与竞赛组织进行试题设计。
其中《作业机定点刹车操作》试题,权重30%;《辨识井下作业工具》试题,权重25%;《修井施工设计的编制》试题,权重20%;《组配水井生产管柱》试题,权重15%;《识读零件图》试题,权重10%;,共设计了5种竞赛项目。
二、竞赛试题设计说明项目一:作业机定点刹车操作(权重30%)(一)竞赛技能说明该项目主要考察选手安全巡回检查意识、检测选手平稳起下操作技能、定点刹车的能力。
(二)竞赛组织方法1、由承办单位提供TJ10A-2作业机、皮尺、量杯、铁碗等。
2、按抽签顺序对参赛选手分5组进行,每10人一组轮流操作。
3、正规操作之前对各安全点进行巡回检查,2分钟内完成。
4、正规操作之前试车一次不计时间,正规操作二次规定时间2分钟30秒完成,倒档、溜车由选手自选。
5、井内悬挂62mm油管20根,两次操作每次发现失误,从单项总分中连续扣除。
6、安全巡回检查点:(1)绷绳绳卡子(2)地锚绳(3)绷绳滑篮螺丝(4)拉力表保险绳(5)井架死绳卡子(6)吊卡销子、挂吊环销子(7)大绳(8)井架基础销子(9)刹车带、滚筒变速箱油、滚筒死绳头(10)作业机机油、水、仪表盘、死刹车、各档位空挡。
(三)竞赛用具准备1、材料准备(单工位)(四)竞赛结果评定要点参赛选手完成此项目操作后,由裁判员根据选手操作平稳程度、上提高度及下放距四通高度、安全巡回检查点是否符合要求进行评定。
(五)评分记录表黑龙江省第一届职业技能竞赛石油分赛区井下作业工竞赛操作技能考核评分记录表现场号工位号裁判员:核分员年月日项目二:辨识井下作业工具(权重25%)(一)竞赛技能说明该项目主要检验参赛选手准确辨识实物井下作业工具的能力。
主要考察参赛选手对工具各种性能的掌握能力。
(二)竞赛组织方法1、由大会组委会提供20件备选工具,以及20件工具标准答案。
2、从20件备选工具中选出3件,另选1件备选以外的常用工具共4件进行室内笔试。
3、考核时间:30min。
(三)竞赛准备20个井下作业工具的范围(1)滑块卡瓦打捞矛(HLM-D73)(2)接箍捞矛(JKLM107);(3)可退式打捞矛(LM-T73);(4)蓝式可退式打捞筒(LT-TA);(5)螺旋可退式打捞筒(LT-TB);(6)公锥(GZ105);(7)母锥(MZ105);(8)局部反循环打捞蓝(DL03);(9)机械式内割刀(JNGD89);(10)梨形胀管器(ZQ-140);(11)倒扣捞筒(DLT-T73);(12)倒扣捞矛(DLM-73);(13)平底磨鞋(PMB140);(14)领眼磨鞋(LYMX140);(15)外钩(WG-01);(16)锯齿形安全接头(AJ2 7/8);(17)鱼顶修整器(YDSZ-73);(18)磁力打捞器(CLA100);(19)三球打捞器(SQ114);(20)铅模(QM118);备选以外井下工具一件。
(四)竞赛结果评定要点1、参考资料以罗英俊编《采油技术手册》第五分册和有关行业标准为准。
2、在规定的时间内正确辩识井下作业工具。
3、辩识工具内容包括写出名称、型号、用途、结构、工作原理、操作方法和注意事项。
(五)评分记录表黑龙江省第一届职业技能竞赛石油分赛区井下作业工工竞赛操作技能考核评分记录表现场号工位号试题名称:辨识井下作业工具时间:30min裁判员:核分员年月日公锥用途从有孔落物内孔进行造扣打捞的工具。
结构长锥形整体结构,分为接头、打捞丝扣两部分。
工作原理工具进入落物内孔之后,加适当的钻压,并转动钻具,迫使打捞螺纹挤压吃入落鱼内壁造螺纹。
当所造之螺纹能承受一定拉力、扭矩,可采取上提或倒扣的办法将落物全部或部分捞出。
操作方法下至鱼顶1~2m时,开泵冲洗,并下放至鱼顶,观察泵压变化。
泵压上升,悬重下降,入鱼,进行造扣。
悬重下降,泵压无变化,公锥插入鱼腔外壁的套管环形空间,上提,转动,重新入鱼,直至悬重与泵压均有变化,加压造扣打捞。
注意事项打捞鱼腔畅通时,应加扶正找中接头或采用引鞋结构。
不允许猛顿鱼顶。
切忌在落鱼外壁与套管内壁间的环形空间造扣。
图1—1 公锥母锥名称母锥型号MZ105 结构示意图用途是一种专门从管状落物外壁进行造扣打捞的工具。
结构长筒形整体结构,由接头与本体两部分构成。
工作原理工具引入落物后,加适当的钻压,并转动钻具,迫使打捞螺纹挤压吃入落鱼外壁造螺纹。
当所造之螺纹能承受一定拉力、扭矩,可采取上提或倒扣的办法将落物全部或部分捞出。
操作方法当工具下至鱼顶上部1~2m时,开泵冲洗,并下放工具至鱼顶。
如泵压突然上升,悬重下降,说明落鱼进入母锥,可以进行造扣打捞。
如不成功可重新引落鱼进入母锥进行造扣打捞。
注意事项打捞操作时,不允许猛顿鱼顶,以防止将鱼顶或打捞螺纹顿坏。
母锥从落物外壁打捞,尺寸较大,与套管的间隙较小,存在卡钻的危险。
母锥滑块卡瓦打捞矛名称滑块卡瓦打捞矛型号HLM-D73 结构示意图用途打捞具有内孔的落物,可对遇卡落物进行倒扣作业或配合其他工具使用。
结构上接头、矛杆、卡瓦、锁块及螺钉。
工作原理当矛杆与卡瓦进入鱼腔之后,卡瓦依靠自重向下滑动,卡瓦与斜面产了生相对位移,卡瓦齿面与矛杆中心线距离增加,使其打捞尺寸逐渐加大,直至与鱼腔内壁接触为止。
上提矛杆时,斜面向上运动所产生的径向分力,迫使卡瓦咬人落物内壁,抓住了落物。
双滑块卡瓦打捞矛1一上接头;2一矛杆;3一卡瓦; 4一锁块;5一螺钉单滑牙块打捞矛1一上接头;2一矛杆;3一卡瓦4一锁块;5一螺钉;11223344566—引鞋接箍捞矛名称接箍捞矛型号JKLM107 结构示意图用途捞取鱼顶为接箍的工具。
结构上接头、锁紧螺母、导向螺钉、芯轴、卡瓦、冲砂管等。
工作原理接箍捞矛实质上是内外螺纹的对扣打捞。
当剖分式卡瓦依其弹性变形进入接箍母螺纹中。
又靠芯轴和卡瓦内外锥面贴合后的径向胀力,保持对扣后的连接性能,从而抓住落鱼。
操作方法(1)根据井内鱼顶的接箍规格,选用捞矛及卡瓦。
(2)将工具拧紧在打捞管柱最下端,下入井中。
下至距鱼顶1~2m处,开泵循环冲洗鱼顶并人鱼。
(3)悬重回降停止下放,慢慢上提,若悬重增加说明打捞成功。
(4)起钻。
注意事项(1)被捞接箍必须是完好的。
(2)出井后反转卡瓦即可退出工具。
油管接箍捞矛1—上接头;2—锁紧螺母;3—导向螺钉;4—卡瓦; 5—芯轴;6—冲砂管123456可退式打捞矛名称可退式打捞矛型号LM-T73 结构示意图用途从鱼腔内孔打捞的工具。
可与安全接头、震击器等配合使用。
结构芯轴,圆卡瓦,释放环,引鞋。
工作原理1.打捞:当自由状态圆卡瓦进入鱼腔时,圆卡瓦被压缩,产生外胀力,使卡瓦贴紧落物内壁。
随芯轴上行和提拉力的逐渐增加,芯轴、卡瓦上的锯齿形螺纹互相吻合,卡瓦产生径向力,咬住落鱼实现打捞。
2.退出:给芯轴一定的下击力,使圆卡瓦与芯轴的内外锯齿形螺纹脱开,正转钻具2~3圈,圆卡瓦沿芯轴锯齿形螺纹向下运动,直至与释放环上端面接触为止,上提钻具退出落鱼。
操作方法(1)选用与落鱼相适应的可退式打捞矛。
(2)检查工具处于自由状态。
(3)接好钻具下钻至鱼顶以上2m,开泵循环慢探鱼顶;(4)探准鱼顶后,试提记录悬重。
(5)正式打捞。
捞矛入鱼,悬重下降时,反转钻具1~2圈,芯轴上行,卡瓦卡住落鱼。
(6)上提钻具,悬重增加捞获,可起钻;悬重不增加,重复操作直至捞获。
(7)退鱼时下击芯轴,正转钻具2~3圈上提即可退出工具。
可退式打捞矛1—芯轴;2—圆卡瓦;3—释放圆环;4—引鞋1234蓝式可退式打捞筒、螺旋可退式打捞筒名称蓝式可退式打捞筒螺旋可退式打捞筒型号LT-TALT-TB结构示意图用途从管子外部进行打捞的工具,可与震击类工具配合使用。
结构1.蓝式可退式捞筒由上接头、壳体总成、蓝式卡瓦、铣控环、内密封圈、“O”型圈、引鞋等件组成。
2.螺旋可退式捞筒由上接头、壳体总成、密封圈、螺旋卡瓦控制环和引鞋组成。
工作原理当可退式卡瓦打捞筒捞获落鱼后,上提钻具,卡瓦外螺旋锯齿形锥面与筒体内相应的齿面有相对位移。
而将落鱼卡紧捞出。
1-上接头;2-简体总成;3-篮式卡瓦;4-铣控环;5-内密封圈;6-“o”型圈篮式卡瓦捞筒1234561-上接头;2-壳体总成;3-密封圈;4-螺旋卡瓦;5-控制环;6-引鞋螺旋卡瓦捞筒操作方法(1)选择好工具尺寸,部件灵活.键槽合格。
(2)工具下至鱼顶以上2~3m,开泵洗井,观察泵压及悬重。
(3)慢放正转钻具引入鱼顶,观察方入、悬重及泵压变化。
(4)缓慢上提,悬重增加已捞获。
如上提时悬重一直上升至工具允许最大载荷时,说明遇卡严重应退鱼。
退鱼方法是:1)如打捞筒上部带有下击器,按下击器操作方法操作,无下击器可加压下击或溜钻下击。
2)边正转,边上提即可退出。
注意事项(1)(蓝式卡瓦捞筒)磨铣修整鱼顶时,加压不应过大。
(2)捞筒内有密封圈,捞获落鱼洗井时,应注意泵压变化,防止憋泵。
(3)工具外径较大,井内必须清洁,防止沉砂卡钻。
(4)如被捞管柱未卡,可直接打捞;遇卡时可配震击类工具使用。
磁力打捞器名称磁力打捞器型号CLA100 结构示意图用途用来打捞小件铁磁性落物。
结构上接头、压盖、壳体、磁钢、芯铁、隔磁套、引鞋等组成.51234678三球打捞器名称三球打捞器型号SQ114 结构示意图用途在套管内打捞抽油杆接箍或抽油杆加厚台肩部位的打捞工具。
结构筒体、钢球、引鞋。
工作原理带接箍台肩的抽油杆进入引鞋后,接箍或台肩推动钢球沿斜孔上升,三个球形成的内切圆增大。
待接箍通过三个球后,三个球依其自重沿斜孔回落,停靠在抽油杆本体上。