最新100T双梁桥式起重机设计说明书
- 格式:doc
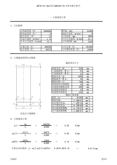
- 大小:2.54 MB
- 文档页数:59
QD100/20t-28m吊钩桥式起重机设计计算书基本参数:根据用户的实际使用要求,确定QD100/20t-28m为双主梁箱型门式起重机。
其主要参数如下:起重量m Q=100/20t,跨度L=28m,小车轨道P43,小车质量m x=32363㎏,工作级别A5,最大起升高度:H=22m;梁高极限位置c1=2.57m小车轨距K=4.4m,轮距b=3.4m;冲击、动载系数分别取为ψ1=1.05;ψ2=1.2;ψ4=1.0;运行速度:大车为57.m/min;小车为33.89m/min;起升速度:主起升:3.53 m/min;副起升:7.10 m/min材料:Q235-B;许用应力:[σ]=175Mpa,[τ]=100Mpa;许用挠度,跨中[YL]=L/700。
一、金属结构的设计计算(一)计算载荷:①内力计算:移动载荷:组合IIa:Pa=Ψ1Px+Ψ2PG=1.05×32363×9.8+1.2×100000×1.05×9.8=1567815.27N组合IIb:Pb=Ψ4×(Px+PG)=1.15×(100000× 1.05+32363)×9.8=1548081.01N式中Px——小车自重引起的重力;PG——起升载荷引起的重力;Ψ1、Ψ2、Ψ4——分别为起升冲击系数和起升载荷动载系数及运行冲击系数Ψ1=1.05;Ψ2=1.2;Ψ4=1.15Pa>Pb,所以按载荷组合IIa计算.具体轮压分布情况及大小详见图(2)根据小车轨距和基距及其吊钩的作用点和杠杆平衡原理算出移动载荷(即轮压)F1和F2,.在垂直平面内受力如图3所示具体计算过程略.水平惯性载荷(作用与轨顶):2PH =μ(mx+mQ)gn/n=47115.25N;PH=23557.625N根据经验取主梁自重m=18000㎏则Fq=mg÷28=6300N/m水平均布载荷:FH =μFvn/n=240N/m跨中最大弯矩M V max≈Ψ4FqL2÷8+∑Pa÷4×(L-3.4)=5561911.74N.m主梁跨端剪力Fmax=(ψ1mxg+ψ2mQg)÷2×(1- c1/L)+Ψ4FqL÷2=238911N②截面选择W=M V max÷[σ]=35060705.4㎜3主梁高度选择:设腹板厚度为δ1=δ2=8㎜腹板高度h=√1.2W÷(δ1+δ2)=1621㎜或h=(1/15~1/17)L=1647~1866㎜或h=K√W÷(δ1+δ2)=2131㎜或设σ=120Mpa,[YL]=L/1000=28㎜h=σL2÷6E[YL]=2718㎜综合考虑取h=2000㎜腹板厚度的选择:δ≥1.5Fmax÷(2h[τ])=0.899㎜根据经验公式:δ≥(1/160~1/200)h=(10~12.5)㎜δ=7+3h=13综合考虑取δ=8㎜腹板间距选择:b≥L÷3=667㎜或b≥L÷60=467㎜综合考虑取b=620㎜翼缘板宽:B=b+2δ+164=800㎜翼缘板厚:δ≥b÷60=10.33㎜,考虑到上翼缘板还有局部弯曲应力作用,实际取δ=22㎜端梁高度hd=(0.5~0.6)h=1000~1200㎜,取hd=1000㎜.端梁宽度由大车车轮组支承构造尺寸确定。
桥式起重机设计说明书姓名:学院:材料科学与工程学院专业班级:指导教师:日期:2011年1月前言桥式起重机是横架于车间、仓库和料场上空进行物料吊运的起重设备。
由于它的两端坐落在高大的水泥柱或者金属支架上,形状似桥。
桥式起重机的桥架沿铺设在两侧高架上的轨道纵向运行,可以充分利用桥架下面的空间吊运物料,不受地面设备的阻碍。
在室内外工矿企业、钢铁化工、铁路交通、港口码头以及物流周转等部门和场所均得到广泛的运用,是使用范围最广、数量最多的一种起重机械。
本书主要介绍了跨度28m,起重量50t的通用桥式起重机箱型梁的设计生产过程,同时对车间的布置情况作了较为粗略的参考设计。
设计过程较为详细地考虑了实际生产与工作中的情况。
本书编写过程中得到XXX副教授、XXX副教授等老师和同学的指导和帮助,在此一并表示衷心的感谢。
由于作者实际经验不足,理论知识有限,书中错误在所难免,敬请读者多多指正!作者2010年1月于XX大学目录第一章箱型梁式桥架结构的构造及尺寸 (1)一、桥架的总体构造 (1)二、主梁的几何尺寸 (2)1、梁的截面选择和验算 (2)2、箱形主梁截面的主要几何尺寸 (3)三、主梁的受力分析 (4)1、载荷计算 (4)2、强度验算 (5)3、主梁刚度的验算 (8)4、焊缝的设计和验算 (10)第二章主梁的制造工艺过程 (12)一、备料 (12)二、下料 (13)三、焊接 (13)四、检验与修整 (18)第三章主梁焊接车间设计 (21)一、焊接生产的过程及特点 (21)二、焊接生产组成部分的确定 (22)三、车间平面布置 (23)第四章焊接工艺卡 (25)结束语 (37)参考文献 (38)第一章 箱型梁式桥架结构的构造及尺寸一、桥架的总体构造箱型梁式桥架结构主要是两根主梁和两根端梁组成。
主梁 主梁是桥式起重机桥架中主要受力元件,由左右两块腹板,上下两块盖板以及若干大、小隔板及加强筋板组成。
主要技术要求有:主梁上拱度:当受载后,可抵消按主梁刚度条件产生的下挠变形,避免承载小车爬坡。
5—100/20吨电动吊钩桥式起重机安装架设交工验收与使用维护说明书SHIYONGWEIHUSHUOMINGSHU山东青云起重机械有限公司起重机械厂SHANDONGQINGYUNQIZHONGJIXIEYOUXIANGONGSI目录一、概述 (1)㈠结构形式㈡保证使用期限二、安装与与调整 (3)㈠注意事项㈡起重机安装1、小车2、起重机金属结构3、大车运行机构三、电气控制原理和安装 (7)㈠电气控制原理㈡电气设备的安装与调整一、架设 (24)㈠注意事项㈡架设示例二、起重机使用须知 (27)㈠安全技术规则㈡司机职责三、维护与故障处理 (30)㈠桥架及其主要构件㈡大、小车运行机构㈢起升机构㈣电气设备1、电气检修制度2、故障处理四、机构的润滑 (39)㈠起重设备各润滑点的分布㈡润滑条件与润滑材料五、运转试 (41)㈠试车前的准备和检查㈡无负荷试车㈢负荷试车1、负荷试车的检验内容2、静负荷试车3、动负荷试车4、电气部件试验规定与检查项目六、起重机的交工验收 (43)七、附录 (44)㈠大车跨度测量法㈡主梁上拱度测量法一、概述5-100/20吨电动吊钩桥式起重机适用于工矿业内部或露天场地。
在固定跨间内装卸、运搬物料和物品。
起重机采用380伏50赫兹,主要性能参数可参阅起重机的附加图中总图所载有关数据。
本说明书用于起重机的安装、架设、交工、验收、使用和维修。
(一)结构形式5-100/20吨电动桥式起重机(请参阅起重机附加图)主要由桥架、大车运行机构和装有起升、运行机构的小车组成。
主梁上铺设了小车运行的钢轨。
两主梁的外侧装有走台。
一侧为安装及检修大车运行机构而设。
另一侧为安装小车导电装置而设。
在主梁下面悬挂着全视野的操纵室,操纵室内装有联动控制台或单个控制器,操纵室与走台装有斜梯,主梁连接在中间带有接头的两端梁上。
大车运行机构采用分别驱动形式(图1-1)。
起重机大车车轮为四个,50吨以上至100吨车轮为八个,有滚动轴承的角形轴承箱组装以后安装在端梁的两端。
桥式起重机设计手册第一章:引言桥式起重机是一种常用的重型起重设备,广泛应用于工程建设、港口、船厂和制造业等领域。
本设计手册将介绍桥式起重机的基本原理、设计要点和运行注意事项,旨在帮助工程师和技术人员更好地理解和应用桥式起重机。
第二章:桥式起重机的基本原理1. 结构组成:介绍桥式起重机的主要结构组成,包括主梁、支撑梁、起升机构、运行机构等,以及它们的功能和相互作用。
2. 工作原理:详细阐述桥式起重机的工作原理,包括起重机构的工作过程、传动原理和控制系统等。
第三章:桥式起重机的设计要点1. 荷载计算:介绍桥式起重机的荷载计算方法,包括静载荷、动载荷、风载荷等,以及相关的安全系数和设计标准。
2. 结构设计:详细说明桥式起重机各个部件的结构设计要点,包括轮压计算、主梁设计、支撑梁设计等。
3. 电气设计:介绍桥式起重机的电气设计要点,包括起重机的供电方式、控制系统设计、安全保护装置等。
第四章:桥式起重机的安装与调试1. 安装要点:指导桥式起重机的安装顺序、安装方法和注意事项,确保安装质量和安全性。
2. 调试方法:介绍桥式起重机的调试流程,包括机械调试、电气调试和整机调试等,确保起重机运行正常。
第五章:桥式起重机的运行与维护1. 运行注意事项:详细介绍桥式起重机的操作规程、运行注意事项和安全操作规范,确保起重机操作安全。
2. 维护保养:指导桥式起重机的日常维护保养工作,包括润滑保养、检查维修和故障排除等。
第六章:桥式起重机的应用和发展趋势1. 应用领域:介绍桥式起重机的应用领域和典型工程案例,包括桥梁施工、船舶制造、汽车装配等。
2. 发展趋势:展望桥式起重机的发展趋势,介绍新技术、新材料和智能化发展方向。
结语桥式起重机作为一种重要的起重设备,在工程建设和制造业领域发挥着重要作用。
希望通过本设计手册的介绍,能够让读者更好地掌握桥式起重机的设计、安装和运行技术,为相关工程的顺利进行提供参考和指导。
5—100/20吨电动吊钩桥式起重机安装架设交工验收与使用维护说明书SHIYONGWEIHUSHUOMINGSHU山东青云起重机械有限公司起重机械厂SHANDONGQINGYUNQIZHONGJIXIEYOUXIANGONGSI目录一、概述 (1)㈠结构形式㈡保证使用期限二、安装与与调整 (3)㈠注意事项㈡起重机安装1、小车2、起重机金属结构3、大车运行机构三、电气控制原理和安装 (7)㈠电气控制原理㈡电气设备的安装与调整一、架设 (24)㈠注意事项㈡架设示例二、起重机使用须知 (27)㈠安全技术规则㈡司机职责三、维护与故障处理 (30)㈠桥架及其主要构件㈡大、小车运行机构㈢起升机构㈣电气设备1、电气检修制度2、故障处理四、机构的润滑 (39)㈠起重设备各润滑点的分布㈡润滑条件与润滑材料五、运转试 (41)㈠试车前的准备和检查㈡无负荷试车㈢负荷试车1、负荷试车的检验内容2、静负荷试车3、动负荷试车4、电气部件试验规定与检查项目六、起重机的交工验收 (43)七、附录 (44)㈠大车跨度测量法㈡主梁上拱度测量法一、概述5-100/20吨电动吊钩桥式起重机适用于工矿业内部或露天场地。
在固定跨间内装卸、运搬物料和物品。
起重机采用380伏50赫兹,主要性能参数可参阅起重机的附加图中总图所载有关数据。
本说明书用于起重机的安装、架设、交工、验收、使用和维修。
(一)结构形式5-100/20吨电动桥式起重机(请参阅起重机附加图)主要由桥架、大车运行机构和装有起升、运行机构的小车组成。
主梁上铺设了小车运行的钢轨。
两主梁的外侧装有走台。
一侧为安装及检修大车运行机构而设。
另一侧为安装小车导电装置而设。
在主梁下面悬挂着全视野的操纵室,操纵室内装有联动控制台或单个控制器,操纵室与走台装有斜梯,主梁连接在中间带有接头的两端梁上。
大车运行机构采用分别驱动形式(图1-1)。
起重机大车车轮为四个,50吨以上至100吨车轮为八个,有滚动轴承的角形轴承箱组装以后安装在端梁的两端。
桥式起重机使用说明书(完整版)(一)引言概述桥式起重机是一种常用的起重设备,广泛应用于工业生产、建筑工地和港口等场合。
本使用说明书将为用户详细介绍桥式起重机的组成结构、操作方法、注意事项等内容,以帮助用户正确、有效地使用桥式起重机。
正文一、桥式起重机的组成结构1. 主要组成部分- 主梁:桥式起重机的主要承重部分,用于支撑和传递货物的重量。
- 两侧支柱:支撑主梁,保证其稳定性和安全性。
- 起重机运行机构:包括电动机、减速机、制动器等,用于驱动起重机的运行。
- 电气控制系统:用于控制起重机的各项运动和操作。
2. 辅助组件- 钢丝绳:用于悬挂、牵引货物的承载工具。
- 钩块:用于悬挂和搬运货物,具有一定的承载能力。
- 操纵室:提供操作员进行起重机操控的空间。
- 安全防护装置:如限位器、重载保护器等,保障起重机的安全运行。
二、桥式起重机的操作方法1. 操纵室操作- 开关启动:通过控制面板上的开关按钮启动起重机的运行。
- 运动控制:通过操作手柄控制起重机的上下、前后、左右等运动。
- 钩块操作:通过操纵起重机的操作杆控制钩块的升降、伸缩等动作。
2. 注意事项- 操作前检查:在使用桥式起重机之前,需要对各项设备进行检查,确保其正常运行。
- 负载控制:根据起重机的额定承载能力及货物重量,合理控制负载,避免超载运行。
- 安全操作:操作人员需要经过专业培训,并遵守相关的安全操作规范。
三、桥式起重机的维护保养1. 日常保养- 定期检查:对起重机的各项部件进行定期检查,包括电气设备、润滑系统等。
- 清洁维护:保持起重机的清洁并及时清除积尘,防止其影响起重机的正常运行。
2. 定期保养- 润滑维护:对起重机的润滑部位进行定期加油、润滑,确保其正常运转。
- 零部件更换:对磨损严重或老化的零部件进行及时更换,以保证起重机的使用寿命。
四、桥式起重机的安全注意事项1. 操作安全- 操作前培训:确保操作人员经过专业培训,熟知起重机的使用方法和安全标准。
第一章绪论1.1 选题意义起重机械用来对物料作起重、运输、装卸和安装等作业的机械设备,它可以完成靠人力无法完成的物料搬运工作,减轻人们的体力劳动,提高劳动生产率,在工厂、矿山、车站、港口、建筑工地、仓库、水电站等多个领域部门中得到了广泛的使用,随着生产规模的日益扩大,特别是现代化、专业化的要求,各种专门用途的起重机相继产生,在许多重要的部门中,它不仅是生产过程中的辅助机械,而且已成为生产流水作业线上不可缺少的重要机械设备,它的发展对国民经济建设起着积极的促进作用。
起重机械是起升,搬运物料及产品的机械工具。
起重机械对于提高工程机械各生产部门的机械化,缩短生产周期和降低生产成本,起着非常重要的作用在高层建筑、冶金、华工及电站等的建设施工中,需要吊装和搬运的工程量日益增多,其中不少组合件的吊装和搬运重量达几百吨。
因此必须选用一些大型起重机进行吊装工作。
通常采用的大型起重机有龙门起重机、门座式起重机、塔式起重机、履带起重机、轮式起重机以及在厂房内装置的桥式起重机等。
在道路,桥梁和水利电力等建设施工中,起重机的使用范围更是极为广泛。
无论是装卸设备器材,吊装厂房构件,安装电站设备,吊运浇注混凝土、模板,开挖废渣及其他建筑材料等,均须使用起重机械。
尤其是水电工程施工,不但工程规模浩大,而且地理条件特殊,施工季节性强、工程本身又很复杂,需要吊装搬运的设备、建筑材料量大品种多,所需要的起重机数量和种类就更多。
在电站厂房及水工建筑物上也安装各种类型的起重机,供检修机组、起闭杂们及起吊拦污栅之用。
在这些起重机中,桥式起重机是生产批量最大,材料消耗最多的一种。
由于这种起重机行驶在高空,作业范围能扫过整个厂房的建筑面积,因而受到用户的欢迎,得到很大的发展。
图1-1是典型的双梁桥式起重机。
图1-1 双梁桥式起重机1.2 本课题的研究目的(1)熟悉桥式起重机的结构和工作原理(2)掌握桥式起重机的设计方法(3)将所学的理论知识应用到实际的生产设计中去,培养实际动手能力(4)了解制造业的发展,为以后工作做准备1.3 桥式起重机的研究现状目前,在工程起重机械领域,欧洲、美国和日本处于领先地位。
设计题目12.5/3.2T双梁桥式起重机设计计算主要设计参数:小车主钩副钩起重量50t 10t起升高度12m 16m起升速度9m/min 16m/min起升机构工作级别M5小车自重15.5t~18.5t运行机构工作级别M5小车运行速度40-45m/min轨距2500mm轮距3400mm大车跨度31.5m运行速度80m/min运行机构工作级别M5桥式起重机概述桥式起重机是桥架在高架轨道上运行的一种桥架型起重机,又称天车。
桥式起重机的桥架沿铺设在两侧高架上的轨道纵向运行,起重小车沿铺设在桥架上的轨道横向运行,构成一矩形的工作范围,就可以充分利用桥架下面的空间吊运物料,不受地面设备的阻碍。
桥式起重机广泛地应用在室内外仓库、厂房、码头和露天贮料场等处。
桥式起重机可分为普通桥式起重机、简易粱桥式起重机和冶金专用桥式起重机三种。
普通桥式起重机一般由起重小车、桥架运行机构、桥架金属结构组成。
起重小车又由起升机构、小车运行机构和小车架三部分组成。
起升机构包括电动机、制动器、减速器、卷筒和滑轮组。
电动机通过减速器,带动卷筒转动,使钢丝绳绕上卷筒或从卷筒放下,以升降重物。
小车架是支托和安装起升机构和小车运行机构等部件的机架,通常为焊接结构。
起重机运行机构的驱动方式可分为两大类:一类为集中驱动,即用一台电动机带动长传动轴驱动两边的主动车轮;另一类为分别驱动、即两边的主动车轮各用一台电动机驱动。
中、小型桥式起重机较多采用制动器、减速器和电动机组合成一体的“三合一”驱动方式,大起重量的普通桥式起重机为便于安装和调整,驱动装置常采用万向联轴器。
起重机运行机构一般只用四个主动和从动车轮,如果起重量很大,常用增加车轮的办法来降低轮压。
当车轮超过四个时,必须采用铰接均衡车架装置,使起重机的载荷均匀地分布在各车轮上。
桥架的金属结构由主粱和端粱组成,分为单主粱桥架和双粱桥架两类。
单主粱桥架由单根主粱和位于跨度两边的端粱组成,双粱桥架由两根主粱和端粱组成。
摘要起重机的出现大大提高了人们的劳动效率,以前需要许多人花长时间才能搬动的大型物件现在用起重机就能轻易达到效果,尤其是在小范围的搬动过程中起重机的作用是相当明显的。
在工厂的厂房内搬运大型零件或重型装置桥式起重是不可获缺的。
桥式起重机小车主要包括起升机构、小车架、小车运行机构、吊具等部分。
其中的小车运行机构主要由减速器、主动轮组、从动轮组、传动轴和一些连接件组成。
此次设计的桥式起重机是水电站桥式起重机,安装于丰满水电站扩建工程厂房内,用于水轮发电机组及其附属设备的安装和检修工作。
水电站内设备一般都是大中型设备,对桥式起重机的载荷要求较高,所以对减速器性能要求较高。
关键词:桥式起重机;小车运行机构;减速器Design of the bridge type hoist crane Car movementorganizationABSTRACTThe invention of crane has greatly increased people’s work efficiency .People can use crane to handle with huge articles ,which used to be taken a long time todo,especially in a small area .The bridge type hoist crane is required to handle with huge accessory or huge device.The bridge type hoist crane car consists of promoted organization,the car frame,the car movement organization,hoisting mechanisms and so on.Its operation structure is composed of reducer,the driving wheel group,the driven wheel group,the transmission shaft and some connect fitting.The core of this structure is the design of the reducer.This bridge type hoist crane is be used to the hydroelectric power station.It is installed in the expanded workshop of Fengman water and electricity station.It is used to installing,examining and repairing the water-turbine generator set and its accessorial equipments.the equipments in the water and electricity station are large ormedium-size.These equipments have a high request on the load of bridge type hoist crane,so they also have a high request on the capability of the reducer.Key words: bridge type hoist ,the reducer摘要 (I)ABSTRACT (II)1 起重机小车设计 (1)1.1 小车主起升机构计算 (1)1.1.1 确定起升机构传动方案,选择滑轮组和吊钩组 (1)1.1.2 选择钢丝绳 (1)1.1.3 确定滑轮主要尺寸 (2)1.1.4 确定卷筒尺寸,并验算强度 (2)1.1.5 选电动机 (4)1.1.6 验算电动机发热条件 (5)1.1.7 选择减速器 (5)1.1.8 验算起升速度和实际所需功率 (5)1.1.9 校核减速器输出轴强度 (6)1.1.10 选择制动器 (7)1.1.11 选择联轴器 (7)1.1.12 验算启动时间 (8)1.1.13 验算制动时间 (8)1.1.14 高速浮动轴 (9)1.2.1 确定起升机构传动方案,选择滑轮组和吊钩组 (11)1.2.2 选择钢丝绳 (11)1.2.4 确定卷筒尺寸,并验算强度 (12)1.2.5 选电动机 (14)1.2.6 验算电动机发热条件 (14)1.2.7 选择减速器 (14)1.2.8 校核减速器输出轴强度 (15)1.2.9 选择制动器 (16)1.2.10 选择联轴器 (16)1.2.11 验算起动时间 (17)1.2.12 验算制动时间 (17)1.2.13 高速浮动轴 (17)1.3.1 确定小车传动方案 (20)1.3.2 选择车轮及轨道并验算其强度 (20)1.3.3 运行阻力的计算 (21)1.3.4 选电动机 (22)1.3.5 验算电动机发热条件 (22)1.3.6 选择减速器 (23)1.3.7 验算运行速度和实际所需功率 (23)1.3.8 验算起动时间 (23)1.3.9 按起动工况校核减速器功率 (24)1.3.10 验算起动不打滑条件 (24)1.3.11 选择制动器 (25)1.3.12 选择高速轴联轴器及制动轮 (26)1.3.13 选择低速轴联轴器 (27)1.3.14 验算低速浮动轴强度 (27)2 起重机大车设计 (29)2.1 起重机打车运行机构计算 (29)2.1.1 确定传动机构方案 (29)2.1.2 选择车轮与轨道,并验算其强度 (29)2.1.3 运行阻力的计算 (31)2.1.4 选择电动机 (31)2.1.5 验算电动机发热条件 (32)2.1.6 选择减速器 (32)2.1.7 验算运行速度 (32)2.1.8 验算启动时间 (33)2.1.9 按起动工况校核减速器功率 (33)2.1.10 验算起动不打滑条件 (34)2.1.12 选择联轴器 (35)2.1.13 验算低速浮动轴强度 (36)3 起重机结构设计 (36)3.1 基本参数和已知条件 (38)3.2 材料选择及许用应力 (38)3.3 总体尺寸设计 (38)3.3.1 桥架尺寸的确定 (38)3.3.2 端梁尺寸 (39)3.3.3 主、端梁的连接 (39)3.4 主梁截面性质计算 (40)3.5 端梁截面性质计算 (42)3.6 载荷 (43)3.7 主梁计算 (46)3.8 主梁疲劳强度校核 (53)3.9 刚度校核 (56)3.10 稳定性校核 (58)参考文献 (61)1 起重机小车设计1.1 小车主起升机构计算1.1.1 确定起升机构传动方案,选择滑轮组和吊钩组按照布置宜紧凑的原则,决定采用如下图1-1的方案。
1.概述1.1产品说明QD型四梁结构新型电动双梁桥式起重机采用国外先进设计理念,以模块化设计理论为指导,以现代计算机技术为手段,引入优化设计及可靠的设计计算方法,采用最新工艺制作完成的具有高度标准化、系列化、通用化和高技术含量的新型桥式起重机。
该类型起重机整机主要由桥架部分、大车运行机构、小车总成以及电控系统组成。
该新型起重机与旧系列QD型起重机相比,自重减少约5%~20%,最大轮压可减少约10%~50%,可节约厂房建筑的投资,并被用户广泛采用。
该类型起重机主要技术参数如下:1、额定起重量分为:3.2t、5t、10t、16/3.2t、20/5t、25/5t 、32/5t、40/10t、50/10t、75/20t、100/20t;2、整机工作级别分为:A3~A7;3、起重机跨度分为:7.5m~31.5m;4、起升高度、起升速度、运行速度依据签订合同要求;5、操纵形式分为:操纵室操纵、地面操纵或地遥两用操纵,操纵室结构采用开式或闭式形式,操纵形式用户任意选用。
以上起重机技术参数也可根据用户的要求,设计制造非标准技术参数的该类型产品。
该类型起重机的工作环境条件下如下:(1)起重机的电源为三相交流,频率为50Hz或60Hz,电压为380V或440 V。
电动机和电器控制设备上允许电压波动的上下限为±10%。
(2)起重机运行的轨道安装应符合GB/T10183-2005中大车轨道构造公差的2级公差要求。
(3)起重机安装使用地点的海拔高度不超过1000m(超过1000m时应按GB 755的规定对电动机容量进行校核)。
(4)起重机在室内工作时的气候条件:a)环境温度不超过+40℃,在24h内的平均温度不超过+35℃;b)环境温度不低于-5℃;c)在+40℃的温度下相对湿度不超过50%。
(5)起重机在室外工作时的气候条件:a)环境温度不超过+40℃,在24h内的平均温度不超过35℃,环境温度不低于-10℃或-25℃,低温值需在合同中注明;b)环境温度不超过+25℃时的相对湿度允许暂时高达100%;c)工作风压不大于:内陆150Pa(相当于6级风),沿海250Pa(相当于7级风) ;d)非工作状态的最大风压为800Pa(相当于11级风)。
双梁起重机产品手册一、双梁起重机是什么双梁起重机啊,就是那种在好多大工厂或者大仓库里能看到的超酷的大机器。
它有两根大钢梁,就像巨人的手臂一样,稳稳地撑着整个起重的装置呢。
它可以把那些超级重的东西轻松地吊起来,然后运到别的地方去。
你想啊,在那些大型的建筑工地上,各种大型的建筑材料,像巨大的钢梁啊、成吨的水泥块啊,要是靠人力去搬,那简直是不可能完成的任务。
但是双梁起重机就可以轻松搞定,就像一个大力士一样。
二、双梁起重机的构造1. 钢梁钢梁可是双梁起重机的关键部分呢。
这钢梁的材质可都是经过精心挑选的,得足够结实又有韧性。
一般来说,都是那种高强度的钢材,这样才能承受住巨大的重量。
钢梁的形状和设计也很有讲究,要保证在承受重物的时候不会变形,而且还要考虑到整个起重机的平衡问题。
2. 起升机构这个起升机构就像是起重机的肌肉一样。
它包括电机、减速器、制动器、卷筒这些部件。
电机就像心脏一样,提供动力,让卷筒转动起来。
减速器呢,就像是一个聪明的小助手,把电机的高速转动转化为合适的速度,让起升过程既平稳又安全。
制动器就像是一个可靠的卫士,在需要的时候能马上让卷筒停止转动,防止重物突然掉落。
卷筒就像一个大卷轴,上面缠绕着钢丝绳,通过钢丝绳来吊起重物。
3. 运行机构运行机构负责让双梁起重机在轨道上跑来跑去。
它有车轮、轨道、驱动装置这些部分。
车轮要和轨道完美匹配,就像汽车的轮胎和马路一样。
驱动装置能让车轮转动起来,这样起重机就可以在轨道上自由地移动到需要吊运重物的地方啦。
三、双梁起重机的工作原理双梁起重机的工作原理其实也不难理解啦。
当我们要吊起一个重物的时候,首先起升机构开始工作。
电机带动卷筒转动,卷筒上的钢丝绳就开始缠绕或者放开,这样就可以把重物慢慢吊起来或者放下去。
然后运行机构根据需要,让起重机沿着轨道移动到指定的位置。
整个过程就像是一场精心编排的舞蹈一样,各个部件都配合得非常默契。
四、双梁起重机的优点1. 承载能力强双梁起重机的承载能力那可是相当厉害的。
100/20t-19M铸造起重机技术协议一、概述概述100/20t铸造起重机一台,用于转炉兑铁水。
环境温度高、粉尘大。
卖方提供的起重机,设备先进,性能可靠,操作方便,完全满足使用要求。
1.1设计、制造的先进性及特点100/20t铸造起重机由桥架、小车、大车运行机构、电气设备等四部分组成,其使用性能和整机造型均符合现代钢铁企业对起重设备的要求,并突出先进性、安全性、可靠性的特点。
先进性主要体现在采用硬齿面减速器,焊接卷筒,45 剖分车轮组,整体加工小车架等国内外起重机行业较先进的技术,采用计算机进行优化设计,并采用先进的制造设备、检测设备和制造工艺方法。
安全性主要体现在采用成熟的、有运行经验的、可靠的技术进行设计。
应用了各种安全保护装置。
起重机的设计、制造、检验、验收严格遵循GB3811起重机设计规范和GB6067起重机安全规程的要求。
可靠性主要体现在实行ISO9000全过程控制的完备的质量保证体系,使设备性能稳定优越,使用寿命长,维修维护方便。
1.2设计、制造的质量保证体系1.3.1 设计原则起重机设计严格按ISO9001规定的设计程序进行。
设计与计算按照GB3811-83设计规范,GB6067-85起重机安全规程及有关设计标准进行。
起重机满足以下设计、制造、安装标准和规范:GB3811-83 《起重机设计规范》GB6067-85 《起重机械安全规程》GB/T14405-93 《通用桥式起重机》GB12602-90 《起重机械超载保护装置安全技术规范》GB5972-86 《起重机械用钢丝绳检验和报废实用规范》GB7592-87 《通用桥式起重机界限尺寸》GB10183-88 《桥式和门式起重机制造及轨道公差》GB5905-86 《起重机械试验规范和程序》GB8918-88 《优质钢丝绳》GB8923 《涂装前钢材表面锈蚀等级和除锈等级》GBJ232-86 《电气装置安装工程施工及验收规范》JB/T4315-97 《起重机电控设备GB699、GB700 《碳素结构钢》》TJ231 《机械设备安装工程施工及验收规范》GB9286 《色漆和清漆漆膜的规划试验》GB1497-85 《低压电器基本标准》GB50278-98 《起重设备安装工程施工及验收规范》JB/ZQ8001-89 《通用桥式起重机产品质量分等》JB3229-83 《冶金及起重用绕线转子三相异步电动机》JB/DQ4658-91 《起重机成套电阻器》JB/DQ6146-86 《起重机控制台》JB/ZQ2007-90 《起重机电气制图》Q/DQ109-92 《起重机电气设备技术条件》JB/T7688.1-95 《冶金起重机技术条件通用要求》JB/T7688.15-99 《冶金起重机技术条件铸造起重机》JB/T7688.5-95 《冶金起重机技术条件夹钳起重机》1.3.2质量控制和管理卖方在生产制造过程中对产品实物质量的控制管理,通过管理评审、合同评审、设计评审和不合格品评审以及设计控制、文件和资料控制、采购控制、顾客提供产品的控制、过程控制、检验和试验及检测设备控制、不合格品控制和质量记录控制来实现的。
双梁桥式起重机使用说明书莱州市永兴设备有限公司目录一、概述1、起重机的主要用途 (2)2、环境条件 (4)3. 起重机的基本性能参数构造及载荷图 (6)二、起重机的安装与架设1、安装准备及注意事项 (7)2、起重机的安装…………………………………………………………7~93、大车运行机构 (10)4、电气设备的安装………………………………………………………11~125、起重机的架设…………………………………………………………12~13三、起重机的安全注意事项1、安全技术规则 (14)2、司机职责………………………………………………………………15~163、注意触电的安全事项 (17)四、起重机的维护保养与润滑1、起重机的维护保养……………………………………………………18~242、起重机的润滑…………………………………………………………24~26五、起重机部件的维修……………………………………………………27~31六、起重机常见故障及处理………………………………………………32~41七、起重机使用须知………………………………………………………41~49八、标志、包装、运输、储存 (50)一、概述本说明书适用于电动双梁桥式起重机(包括吊钩、抓斗、电磁、防爆、绝缘、冶金、铸造、两用、三用)的安装、维护、供安装、操作和维护人员使用。
1、起重机的主要用途电动桥式起重机用于工厂、电站、库房、料场等固定跨间内搬运物料,安装维修设备。
根据使用要求按取物装置可分为如下几种类型:a、吊钩桥式起重机适用于厂矿、企业的车间、仓库等在室内或室外的跨间作一般装卸及起重运输工作,一般分中级和重级两种工作级别。
中级适用于机械加工、金属结构、装配,重级适用于冶炼车间和参加连续生产的搬运工作。
当吊运危险物品或灼热溶液时,应配置双制动。
b、抓斗桥式起重机适用于冶金、化工、水泥及其它企业的仓库和车间,在室内或露天的固定跨间从事矿石、石灰石、煤、砂等散粒物料的搬运工作。
摘要本文首先介绍了起重机的概念和分类,以及在国内外的发展概况。
接着对桥式起重机的特点、分类以及构造进行了详细的叙述。
并且对所设计的起升机构进行了三维建模和有限元分析。
其中,本次设计的起重机为50t/20t双梁桥式起重机,主要用于各车间分段生产线和钢材堆场等处。
桥式起重机本身作横向移动,车架上的绞车作纵向移动,吊在绞车上的吊钩作垂向移动,三个方向的运动的合成才能使起重机起作用。
本课题主要对50t/20t双梁桥式起重机的主起升机构、副起升机构、主起升机构卷筒组及滑轮组、副起升机构卷筒组及滑轮组、卷筒、滑轮、轴等进行设计。
设计过程中查阅了大量的国内外的相关资料,所做的设计运用了大量的专业课程知识。
通过确定传动方案,选择滑轮组和吊钩组,选择合适的钢丝绳,计算滑轮的主要尺寸,确定卷筒尺寸并验算其强度,选择合适的电动机、减速器、制动器和连轴器,使得起重设备运行平稳,定位准确,安全可靠,性能稳定。
关键字:桥式起重机;减速器;制动器;联轴器;卷筒AbstractThis paper firstly introduces the concept and classification of the crane, as well as the developments at home and abroad. Then the crane’s characteristics, classification and structure are analyzed in detail. And the design of the hoisting mechanism has 3D modeling and finite element analysis. Among them, the design of the crane is the 50t / 20t double beam bridge crane, mainly used in the workshop section production line and steel yard. Bridge crane itself is used to do lateral movement; winch frame is used to do longitudinal movement, the hook which hanging in the winch is used to do vertical movement, the movement in three directions makes the crane function well.The main topic of the 50t / 20t double girder overhead traveling crane is the main lifting mechanism, auxiliary lifting mechanism, the main lifting mechanism for drum group and a pulley block, auxiliary lifting mechanism of reel group and pulley, pulley shaft, drum, and other design.The process of the design was accessed to a large number of domestic and international relevant information; the design used a large number of professional courses. Firstly, by determining the transmission scheme, selecting the pulley and hook group, choosing the right wire rope pulley, calculating the main dimensions, determining the reel size and checking its strength, choosing the appropriate motor, reducer, brake and shaft coupling. All used to achieve the lifting equipment running smoothly, locating accurately, safety and reliability, technical performance and stability.Key words:Crane; Reducer; Brakes; Coupling; Reel目录1 绪论 (1)1.1 选题意义 (1)1.1.1 起重机的概述 (1)1.1.2 起重机的国内外发展状况 (2)1.2 设计内容 (3)1.3 设计参数 (3)1.4 设计目的 (3)1.5 设计要求 (3)2 设计方法与实施方案 (5)2.1 起重机结构介绍 (5)2.2 起升结构 (5)2.3 运行机构 (5)2.4 传动方案的确定 (6)3 主起升机构设计 (8)3.1 滑轮组的选取 (8)3.2 钢丝绳的选取 (9)3.3 确定滑轮主要尺寸 (10)3.4 卷筒的选取 (11)3.5 电动机的选取 (12)3.6 算电动机的发热条件 (13)3.7 标准减速器的选取 (13)3.8 起升速度和实际所需功率的验算 (14)3.9 减速器输出轴强度校核 (14)3.10制动器的选取 (15)3.11联轴器的选取 (15)3.12高速浮动轴的计算 (16)4 副起升机构设计 (19)4.1 滑轮组的选取 (19)4.2 钢丝绳的选取 (20)4.3 确定滑轮主要尺寸 (21)4.4 卷筒的选取 (21)4.5 电动机的选取 (23)4.6 验算电动机发热条件 (24)4.7 标准减速器的选取 (24)4.8 起升速度和实际所需功率的验算 (25)4.9 减速器输出轴强度校核 (25)4.10 制动器的选取 (26)4.11 联轴器的选取 (26)4.12 高速浮动轴的计算 (27)5 起升机构三维建模及钢丝绳的维护 (30)5.1 起升机构三维建模 (30)5.2 钢丝绳的维护 (31)6 重要结构有限元分析 (33)6.1 有限元分析简介 (33)6.2 主起升机构浮动轴有限元分析 (33)6.3 副起升机构浮动轴有限元分析 (34)6.4 吊钩有限元分析 (36)致谢 (39)附录 (40)1 绪论1.1 选题意义1.1.1起重机的概述双梁桥式起重机是一种以提高劳动生产率为主的重要物品搬运设备,主要适应车间的物品搬运、设备的安装与检修等用途。
100t铸造桥式起重机安装使用维护说明书杭州起重机械有限公司产品开发部目录一、用途 (1)二、结构概述 (1)(一)金属结构 (5)(二)起重机运行机构 (5)(三)主起升机构 (8)(四)副起升机构 (14)(五)小车运行机构 (15)(六)其他设备 (16)三、电气系统 (17)(一)电气设备 (17)(二)操纵原理 (19)四、安装、调整和试运转 (19)(一)安装和调整 (19)(二)起重机的试运行 (26)(三)注意事项 (29)五、维护和保养 (31)(一)机械设备的维护和保养 (31)(二)金属结构的维护和保养 (37)(三)电气设备的维护和保养 (38)(四)安全操作注意事项 (38)一、用途本台铸造起重机是桥式起重机的一种,是冶金厂的专用起重设备,主要为炼钢厂转炉或电炉服务,适用于吊运赤热或熔态金属。
具有工作频繁,满负荷作业率高,工作环境温度为-10℃—60℃,工作条件恶劣等特点。
整机工作级别A7。
本产品依据下列标准和相关文件设计制造GB3811-2008《起重机设计规范》GB/T14405-93《通用桥式起重机》JB/T7688.1-2008《冶金起重机技术条件.通用要求》JB/T7688.15-1999《冶金起重机技术条件.铸造起重机》质检办特【2007】375号关于冶金起重机械整治工作有关意见的通知。
二、结构概述整台起重机主要是由桥架、小车、大车运行机构和电气设备四大部分组成(见附图一)起重机设置有主付两套独立的起升机构,副起升机构在它额定的负荷范围内可用来协同主起升机构进行倾倒或翻转之用。
但必须注意的是,不允许两套起升机构同时提升两个物件,每套起升机构在单独工作时均只能起吊重量不超过相应机构额定起重量的物件,当两套起升机构一起工作时,被起吊物件的总重量不许超过主起升机构的额定起重量。
另外不允许主起升吊具龙门板钩和单钩同时工作。
不允许两板钩单独工作,或者同时起吊不同物件。
设计题目双梁桥式起重机设计计算主要设计参数:小车主钩副钩起重量50t 10t起升高度12m 16m起升速度9m/min 16m/min 起升机构工作级别M5小车自重15.5t~18.5t运行机构工作级别M5小车运行速度40-45m/min轨距2500mm轮距3400mm大车跨度31.5m运行速度80m/min运行机构工作级别M5桥式起重机概述桥式起重机是桥架在高架轨道上运行的一种桥架型起重机,又称天车。
桥式起重机的桥架沿铺设在两侧高架上的轨道纵向运行,起重小车沿铺设在桥架上的轨道横向运行,构成一矩形的工作范围,就可以充分利用桥架下面的空间吊运物料,不受地面设备的阻碍。
桥式起重机广泛地应用在室内外仓库、厂房、码头和露天贮料场等处。
桥式起重机可分为普通桥式起重机、简易粱桥式起重机和冶金专用桥式起重机三种。
普通桥式起重机一般由起重小车、桥架运行机构、桥架金属结构组成。
起重小车又由起升机构、小车运行机构和小车架三部分组成。
起升机构包括电动机、制动器、减速器、卷筒和滑轮组。
电动机通过减速器,带动卷筒转动,使钢丝绳绕上卷筒或从卷筒放下,以升降重物。
小车架是支托和安装起升机构和小车运行机构等部件的机架,通常为焊接结构。
起重机运行机构的驱动方式可分为两大类:一类为集中驱动,即用一台电动机带动长传动轴驱动两边的主动车轮;另一类为分别驱动、即两边的主动车轮各用一台电动机驱动。
中、小型桥式起重机较多采用制动器、减速器和电动机组合成一体的“三合一”驱动方式,大起重量的普通桥式起重机为便于安装和调整,驱动装置常采用万向联轴器。
起重机运行机构一般只用四个主动和从动车轮,如果起重量很大,常用增加车轮的办法来降低轮压。
当车轮超过四个时,必须采用铰接均衡车架装置,使起重机的载荷均匀地分布在各车轮上。
桥架的金属结构由主粱和端粱组成,分为单主粱桥架和双粱桥架两类。
单主粱桥架由单根主粱和位于跨度两边的端粱组成,双粱桥架由两根主粱和端粱组成。
1 起重机小车设计1.1 小车主起升机构计算1.1.1 确定起升机构传动方案,选择滑轮组和吊钩组按照布臵宜紧凑的原则,决定采用如下图1-1的方案。
按Q=100t ,查表4-2(起重机设计手册)取滑轮组倍率i h =6,承载绳分支数:Z=2i h =12图1-1查表3-4-11(起重机设计手册)选双钩锻造式吊钩组,得其质量:G 。
=4000kg ,两端滑轮间距A=131mm 。
1.1.2 选择钢丝绳若滑轮组采用滚动轴承,当i h =6,查表2-1(起重机运输机械)得滑轮组效率ηh =0.96。
钢丝绳所受最大拉力: S max =ηh i G Q 20+=96.0*6*24000100000+=9027.8kg=90.28KN查表2-4(起重运输机械),重级工作类型(工作级别M 7)时,安全系数n=6。
钢丝绳计算破断拉力S b : S b =n ×S max =6×90.28=541.7KN查表3-1-6选用纤维芯钢丝绳6×19W+FC ,钢丝公称抗拉强度1850MP a ,光面钢丝,左右互捻,直径d=28mm ,钢丝绳最小破断拉力[S b ]=546KN ,标记如下:钢丝绳 28NAT6×19W+FC1850ZS233.6GB8918-88 1.1.3 确定滑轮主要尺寸滑轮的许用最小直径:D ≥()1-e d =()13028-=812mm式中系数e=30由表2-4(起重运输机械)查得。
由附表2选用滑轮直径D=900mm ,滑轮的绳槽部分尺寸可由[1]附表3查得。
由附表4选用钢丝绳d=28mm ,D=900mm ,滑轮轴直径D 5=150mm 的E 1型滑轮,其标记为:滑轮E 128×900-150 ZB J80 006.8-871.1.4 确定卷筒尺寸,并验算强度卷筒直径:D ≥()1-e d =28)130(-=812mm由附表13选用D=900mm ,卷筒绳槽尺寸由[3]附表14-3查得槽距,t=30mm ,槽底半径r=17mm卷筒尺寸:L=10042L t Z D i H h +⎪⎪⎭⎫ ⎝⎛++⨯π=131304292814.36101823+⎪⎪⎭⎫⎝⎛++⨯⨯⨯=2714mm 取L=3000mm式中 Z 0——附加安全系数,取Z 0=2;L 1——卷槽不切槽部分长度,取其等于吊钩组动滑轮的间距,即L 1=A=131mm ,实际长度在绳偏斜角允许范围内可以适当增减;D 0——卷筒计算直径D 0=D+d=900+28=928mm 卷筒壁厚:δ=D 02.0+(6~10)=0.02×900+(6~10)=24~28 取δ=26mm 卷筒壁压应力验算:max y σ=t S nax ⨯δ=03.0026.090280⨯=6105.112⨯N/m 2=112.5MPa 选用灰铸铁HT200,最小抗拉强度b σ=195MPamax y σ<[]Y σ 故抗压强度足够卷筒拉应力验算:由于卷筒长度L >3D ,尚应校验由弯矩产生的拉应力,卷筒弯矩图示与图1-2L 1l x2S maxS maxS max L图1-2 卷筒弯矩图卷筒最大弯矩发生在钢丝绳位于卷筒中间时:w M =l S max =⎪⎭⎫ ⎝⎛-21max L L S =⎪⎭⎫⎝⎛-⨯2131300090280=125834340N 〃mm卷筒断面系数:W =0.1⎪⎪⎭⎫ ⎝⎛-D D D i 44=0.1×90084890044-=154432713m m 式中D ——卷筒外径,D =900mm ;i D ——卷筒内径,i D =D -2δ=900-2×26=848 于是 l σ=W M w =15443271125834340=8.15Mpa 合成应力:'l σ=l σ+[][]maxy y l σσσ⋅=8.76+5.11213039⨯=35.51MPa式中许用拉应力:[]l σ=2n b σ=5195=39MPa ∴'l σ<[]l σ卷筒强度验算通过。
故选定卷筒直径D =900mm ,长度L=3000mm ;卷筒槽形的槽底半径r =17mm ,槽距t =30mm ;起升高度H =18m ,倍率h i =6 卷筒 A900×3000-17×30-18×3左ZB J80 007.2-87 1.1.5 选电动机计算静功率:j N =()η601020⨯+v G Q =()8.685.0601021050100000⨯⨯+=132.1KW式中η——机构总效率,一般η=0.8~0.9,取η=0.85 电动机计算功率:e N ≥j d N k =0.9⨯132.1=118.89KW式中系数d k 由表6-1(起重运输机械)查得,对于1M ~e M 级机构,d k =0.85~0.95,取d k =0.9查表28选用电动机YZR 315M ,其e N (15%)=125KW ,1n =750rpm ,[2GD ]d =34kg 〃2m ,电动机质量d G =1170kg 1.1.6 验算电动机发热条件按照等效功率法,求JC =40%时所需的等效功率:x N ≥25k 〃γ〃j N =1×0.85×132.1=112.3KW式中25k ——工作级别系数,查表(起重运输机械)6-4,对于重级,25k =1;γ——系数,根据机构平均起动时间与平均工作时间的比重(q t /g t )查得。
由[2]表6-3,一般起升机构q t /g t =0.1~0.2,取q t /g t=0.1,由图(起重运输机械)6-6查得γ=0.85。
由以上计算结果x N <e N ,故初选电动机能满足发热条件 1.1.7 选择减速器卷筒转速:j N =0D Vi h π=928.014.368.6⨯⨯=14r/min 减速器总传动比:0i =j n n 1=14750=53.57 查表(起重机设计手册)选QJS-D-630型减速器,当工作类型为重级(相当工作级别为M 7级)时,许用功率[N]=124KW ,0'i =50,质量g G =3600㎏,主轴直径1d =80mm ,轴端长1l =170mm (锥形) 1.1.8 验算起升速度和实际所需功率实际起升速度:'v =0'0i i v =6.857.5350=6.35m/min误差:ε=vvv -'×100%=8.635.68.6-×100%=6.6%<[ε]=15%实际所需等效功率:x N '=vv N x '=112.335.68.6=120.25KW <eN ()%40=125KW1.1.9 校核减速器输出轴强度由[起重运输机械]公式(6-16)得输出轴最大径向力max R =()j G aS +max 21≤[R ] 式中max aS =2×87720=175440N=175.44KN ——卷筒上卷绕钢丝所引起的载荷;j G =9.81KN ——卷筒及轴自重,参考表3-10-7(起重机设计手册)查得 [R]=150KN ——QJS630减速器输出轴端最大允许径向载荷。
∴max R =()81.944.17521+=92.63KN <[R ]=150KN 由[2]公式(6-17)得输出轴最大扭矩:max M =(0.7~0.8)[]M i M e ≤00'max ηψ式中e M =1%)25(9750n N e =9750750125=1625Nm ——电动机轴额定力矩; max ψ=3.4——当JC =40%时电动机最大力矩倍数;95.00=η——减速器传动效率;[]85000=M Nm ——减速器输出轴最大容许转矩,由( 起重机设计手册)表3-10-6查得。
∴max M =0.8×3.4×1625×50×0.95=67925Nm <[M ]=85000Nm 由以上计算,所选减速器能满足要求1.1.10 选择制动器所需静制动力矩:≥z M z K 〃j M '=z K 〃()η0'02i i D G Q h +=1.75×()85.05062928.010********⨯⨯⨯+=232.48㎏〃m=2324.8Nm式中z K =1.75——制动安全系数,由(起重运输机械)第六章查得。
由表3-7-17(起重机设计手册)选用YWZ 5-630/121制动器,其制动转矩ez M =1800~2800Nm ,制动轮直径z D =630mm ,制动器质量z G =185.8㎏1.1.11 选择联轴器高速联轴器计算转矩,由[2](6-26)式:5.438716258.15.18=⨯⨯==e c M n M ϕNm式中1625=e M ——电动机额定转矩(前节求出); n =1.5——联轴器安全系数;8ϕ=1.8——刚性动载系数,一般8ϕ=1.5~2.0由[1]附表29查得YZR-315M 电动机轴端为圆锥形mm d 95=,mm l 130=。
从表3-10-9(起重机设计手册)查得QJS-D-630减速器的高速轴为圆锥形mm l mm d 170,80==。
靠电动机轴端联轴器 由表3—12-7(起重机设计手册)选用CLZ4半联轴器,其图号为S180,最大容许转矩[Mt]=5600Nm >CM 值,飞轮力矩()22.02=lGD kg 〃m 2,质量l G =37.5kg浮动轴的两端为圆柱形mm l mm d 172,85==靠减速器轴端联轴器 由[1]附表45选用带mm 600φ制动轮的半齿联轴器,其图号为S198,最大容许转矩[Mt]=19000Nm, 飞轮力矩()352=lGD kg 〃m 2,质量218kg.为与制动器YWZ 5-630/121相适应,将S198联轴器所需mm 600φ制动轮,修改为mm 630φ应用1.1.12 验算启动时间起动时间:()()()⎥⎦⎤⎢⎣⎡++⨯-=η20201212.38i D G Q GD C M M n t j q q式中()()()2212GD GD GD d+=Z=35+0.22+34=69.22kg 〃m 2静阻力矩:()ηi D G Q M j 200+=()95.5185.017.403258.046720000=⨯⨯⨯+kg 〃m =1838.7Nm平均起动转矩:5.243716255.15.1=⨯==e q M M Nm∴()()()⎥⎦⎤⎢⎣⎡⨯⨯++⨯-=85.0506928.0400010000022.6915.17.18385.24372.3875022q t =2.65s 通用桥式起重机起升机构的sec 5~1][=q t ,此时q t >1s 1.1.13 验算制动时间制动时间:sec07.185.0)506(928.0)4000100000(22.6915.1)5.13282800(2.38750)()()(2.3822220012'21=⎥⎦⎤⎢⎣⎡⨯⨯⨯++⨯⨯-=⎥⎦⎤⎢⎣⎡++-=ηi D G Q GD C M M n t j e z式中mN i i D G Q M h j ⋅=⨯⨯⨯⨯+=+=5.132885.05062928.0)4000100000(2)('0'η查[1]表6-6查得许用减速度a ≤0.2,a=v '/z t ,sec 5.1][=z t ,因为][z t t <,故合适。