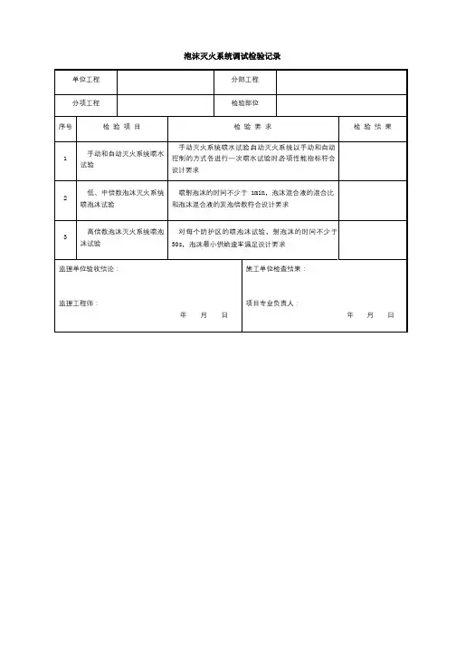
泡沫灭火系统调试报告(最新版)
- 格式:xlsx
- 大小:11.20 KB
- 文档页数:1
泡沫灭火系统调试记录首先,我们对泡沫灭火系统进行了全面的检查和维护。
包括检查所有阀门的开关是否灵活,检查压力表和液位表的准确性,并及时更换损坏的部件。
检查并清洗泡沫发生器和喷头,以确保其畅通无阻。
此外,还对泡沫液进行了检查,确保其质量符合标准。
接着,我们对泡沫灭火系统进行了漏水测试。
首先关闭所有阀门,并检查系统各部分的密封性能。
然后,通过给系统加压试验水,观察系统有无明显的漏水点,并及时进行修复。
此步骤非常重要,因为漏水会直接影响到泡沫灭火系统的工作效果。
随后,我们对泡沫灭火系统进行了压力测试。
通过打开系统的主开关,观察泡沫液的喷射情况和液体的压力是否稳定。
我们还使用压力表对系统进行了测量,确保压力在设定范围内。
如果发现压力不稳定或超出范围,需要及时检查和调整罐体压力和阀门开关。
接下来,我们对泡沫灭火系统进行了演练测试。
在实际使用场景中,泡沫灭火系统需要能够迅速启动和投放泡沫液,以有效灭火。
我们模拟了一种常见的火灾情景,观察系统启动时间和泡沫喷射效果。
通过模拟多种情况并进行多次测试,我们确认系统能够在不同条件下正常工作。
最后,我们对泡沫灭火系统进行了故障自诊。
通过断电、断电源和堵塞喷头等手段,观察系统是否可以及时报警并正确处理。
此步骤旨在保证系统具有故障自动排除的功能,以提高系统的可靠性和稳定性。
在整个调试过程中,我们认真记录了每一步的操作和测试结果。
并且,我们还对调试过程中遇到的问题和解决方案进行了总结。
通过这些记录,我们可以随时回顾和参考,以便在需要时能够快速定位和解决问题。
总结起来,泡沫灭火系统调试是一个非常重要的工作,需要对系统进行全面的检查和测试,确保其功能和性能都达到预期要求。
通过认真记录和总结,我们可以进一步完善系统的工作效果,并提高系统的可靠性和稳定性。
消防调试报告一、任务描述:根据消防设备安装完毕后的要求,进行消防系统的调试工作,确保其正常运行和有效性。
二、调试过程:1. 消防设备检查:在调试之前,首先对所有消防设备进行检查,包括火灾报警系统、自动喷水灭火系统、消防水泵、消防栓、消防水池等。
检查项目包括设备的完整性、连接是否正常、电源是否通电以及设备是否处于正常工作状态。
2. 火灾报警系统调试:2.1 火灾报警控制器:检查控制器的电源接入情况,确认控制器与各个火灾探测器、手动火警按钮的连接是否正确。
通过摹拟火灾信号,测试火灾报警控制器的报警功能是否正常。
2.2 火灾探测器:逐一测试各个火灾探测器的感应功能,确保能够准确地检测到烟雾、温度等火灾信号,并及时报警。
2.3 手动火警按钮:测试手动火警按钮的触发功能,确认按下按钮后能够及时触发火灾报警信号。
3. 自动喷水灭火系统调试:3.1 喷水泵:检查喷水泵的电源接入情况,确认泵的启停功能是否正常。
通过摹拟火灾信号,测试喷水泵的自动启动功能,确保在火灾发生时能够及时供水。
3.2 喷头和喷水管路:测试喷头和喷水管路的喷水功能,确保在火灾发生时能够喷洒足够的水量进行灭火。
4. 消防水泵调试:4.1 检查消防水泵的电源接入情况,确认泵的启停功能是否正常。
4.2 测试消防水泵的供水功能,确保在火灾发生时能够提供足够的水压和流量。
5. 消防栓调试:5.1 检查消防栓的连接情况,确保与消防水源管网连接正常。
5.2 测试消防栓的供水功能,确认消防栓的开启和关闭操作是否正常,并检查水压和流量是否满足要求。
6. 消防水池调试:6.1 检查消防水池的水位和水质,确保水池储水充足且水质符合要求。
6.2 测试消防水池的供水功能,确认水泵的启动和住手操作是否正常,检查水压和流量是否满足要求。
三、调试结果:经过以上调试工作,消防系统的各项设备均正常运行,满足了消防设备的要求和设计标准。
火灾报警系统能够及时、准确地检测到火灾信号,并发出报警信号。
气体灭火系统组件的安装与调试范文气体灭火系统是一种用于灭火的高效而又环保的方式,它可以在短时间内将火灾扑灭,并保护人员和财产的安全。
为了确保气体灭火系统的正常运行,系统的组件安装与调试是非常重要的环节。
在进行气体灭火系统组件的安装和调试之前,首先需要进行方案的设计和论证,确定系统的类型、灭火剂的选择以及各个组件的位置和布局。
然后,按照设计方案进行组件的安装。
安装前,需要对工程现场进行检查,确保施工的环境符合要求,并清理施工区域,确保无杂物影响组件的安装。
然后,按照设计方案,将各个组件逐步安装到位。
首先,安装灭火剂储存容器。
储存容器一般安装在安全隔离区域内,需要按照相关法规和标准进行固定和支撑。
在安装过程中,需要注意容器的密封性和稳固性。
接下来,安装气体放出装置。
这是灭火系统的核心组件,用于释放灭火剂。
在安装过程中,需要先确定放出装置的位置,并按照设计方案进行固定和连接。
同时,需要对放出装置进行检测和调试,确保其工作正常。
然后,安装气体管道系统和阀门。
气体管道系统用于将灭火剂输送到灭火区域,阀门用于控制气体的流量和方向。
在安装过程中,需要按照设计方案确定管道的路径和连接方式,并按照相关标准对管道进行固定和支撑。
同时,需要对阀门进行检测和调试,确保其操作灵活可靠。
最后,安装控制系统和报警装置。
控制系统用于监控和控制气体灭火系统的运行,报警装置用于发出警报并提醒人员采取相应的应对措施。
在安装过程中,需要按照设计方案连接各个组件,并进行相应的调试和测试,确保系统的可靠性和安全性。
组件安装完成后,需要进行系统的调试。
调试过程中,需要对每个组件进行检测和测试,确保其工作正常。
同时,还需要对整个系统进行综合测试,检查各个组件之间的连接和协调性。
在调试过程中,需要按照相关标准和规范进行操作,并记录相应的数据和结果。
如果发现问题,需要及时进行修复和调整,直到系统正常运行。
总之,气体灭火系统组件的安装与调试是确保系统正常运行的关键环节。
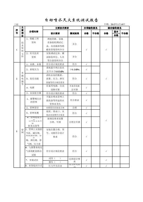
自动喷水灭火系统调试报告一、工程概述本次调试的自动喷水灭火系统位于_____(具体建筑名称及地址),该建筑为_____(建筑用途,如商业综合体、办公楼、住宅楼等),总建筑面积为_____平方米,建筑高度为_____米。
二、系统组成及设计参数1、系统组成喷头:采用_____型号的喷头,共计_____个,分布于各个防护区域。
报警阀组:共设置_____组报警阀,型号为_____。
供水设施:包括消防水池、消防水箱、消防水泵等。
消防水池有效容积为_____立方米,消防水箱有效容积为_____立方米,消防水泵型号为_____,共_____台(一用一备/两用一备等)。
管网:采用_____材质的管道,管径范围为_____。
2、设计参数喷水强度:_____L/min·m²。
作用面积:_____平方米。
持续喷水时间:_____小时。
三、调试依据1、《自动喷水灭火系统设计规范》(GB 50084 2017)2、《自动喷水灭火系统施工及验收规范》(GB 50261 2017)3、经审核通过的设计图纸及相关技术文件四、调试准备1、技术准备调试人员熟悉系统的设计图纸、技术资料及相关规范。
编制调试方案,明确调试的程序、方法、步骤及注意事项。
2、现场准备检查系统的安装情况,确保喷头、管道、阀门等设备安装牢固,无松动、变形等现象。
清理系统中的杂物,保证管网畅通。
检查消防水池、消防水箱的水位,确保水量充足。
检查消防水泵、稳压泵的电源及电气控制设备,确保其正常运行。
3、仪器设备准备调试所需的仪器设备包括试压泵、压力表、流量计、秒表等,均经校验合格,并在有效期内。
五、调试内容及方法1、水源测试检查消防水池的水位及补水设施,确保消防水池的水位符合设计要求,补水设施能够正常工作。
检查消防水箱的水位及稳压设施,确保消防水箱的水位符合设计要求,稳压设施能够正常工作。
2、消防水泵调试手动启动消防水泵,检查水泵的运行情况,包括电机的转向、声音、振动等,确保水泵正常运行。
消防调试报告一、项目概述本次调试是针对XX建造物的消防系统进行的。
该建造物位于XX市XX区,总建造面积为XXXX平方米,共分为X层。
消防系统包括火灾自动报警系统、自动喷水灭火系统、气体灭火系统、疏散指示系统等。
二、调试目的本次调试的目的是确保消防系统的正常运行,以保障建造物内人员的生命安全和财产安全。
三、调试内容1. 火灾自动报警系统调试1.1 验证火灾探测器的灵敏度和响应时间。
1.2 测试火灾报警控制器的正常运行和报警信号的传输。
1.3 检验火灾声光报警器的音量和亮度。
2. 自动喷水灭火系统调试2.1 测试喷头的喷水范围和喷水压力。
2.2 检查水泵的运行状态和水压。
2.3 验证喷水系统与火灾报警系统的联动功能。
3. 气体灭火系统调试3.1 验证气体灭火系统的释放时间和灭火效果。
3.2 检查气体灭火控制器的正常运行和报警功能。
4. 疏散指示系统调试4.1 检验应急照明灯的亮度和持续时间。
4.2 验证疏散指示标志的正确性和清晰度。
4.3 测试疏散指示系统与火灾报警系统的联动功能。
四、调试过程及结果1. 火灾自动报警系统调试1.1 使用烟雾测试仪对各个火灾探测器进行测试,所有探测器均能在规定时间内发出报警信号。
1.2 经过摹拟火灾报警信号传输测试,火灾报警控制器能够正常接收并传输报警信号。
1.3 火灾声光报警器的音量和亮度符合规定要求。
2. 自动喷水灭火系统调试2.1 使用标准喷头对喷水范围和喷水压力进行测试,结果符合设计要求。
2.2 检查水泵的运行状态和水压,水泵工作正常,水压稳定。
2.3 经过联动测试,喷水系统能够在火灾报警时自动启动。
3. 气体灭火系统调试3.1 根据设计要求,气体灭火系统在规定时间内释放灭火剂,且达到预期的灭火效果。
3.2 气体灭火控制器能够正常运行,并在火灾发生时发出报警信号。
4. 疏散指示系统调试4.1 应急照明灯的亮度和持续时间符合要求。
4.2 疏散指示标志清晰可见,指示方向正确。
消防调试报告引言概述:消防调试是确保消防设施正常运行的重要环节。
本报告旨在详细描述消防调试的过程和结果,以确保消防设施的有效性和安全性。
一、消防设备检查1.1 火灾报警系统在消防调试中,首先需要检查火灾报警系统的正常运行。
具体包括以下三个方面:1.1.1 火灾探测器:检查探测器的位置是否合理,是否受到遮挡,是否能够及时发现火灾迹象。
1.1.2 报警器:测试报警器的声音是否清晰响亮,是否能够有效地提醒人员。
1.1.3 控制面板:核对控制面板上的显示信息是否准确,确保系统能够准确识别火灾报警的位置和类型。
1.2 自动喷水灭火系统自动喷水灭火系统是消防设备中的重要组成部分,调试时需要特别关注以下几个方面:1.2.1 喷头:检查喷头的位置是否合理,是否能够覆盖到所有需要防火的区域。
1.2.2 水泵:测试水泵的工作状态,确保其能够提供足够的水压和流量。
1.2.3 阀门:检查阀门的开关是否灵活,确保在需要时能够及时切断或开启水源。
1.3 灭火器灭火器是消防设备中常用的灭火工具,调试时需要注意以下几个方面:1.3.1 类型和数量:核对灭火器的类型和数量是否符合要求,确保足够的灭火器分布在各个区域。
1.3.2 检查期限:检查灭火器的检查期限是否过期,及时更换或维修失效的灭火器。
1.3.3 操作方法:培训员工正确的灭火器使用方法,确保在火灾发生时能够快速有效地使用灭火器。
二、消防通道和逃生通道检查2.1 消防通道消防通道是确保人员疏散和消防车辆进出的重要通道,调试时需要注意以下几个方面:2.1.1 宽度和高度:检查通道的宽度和高度是否符合规定标准,确保能够容纳消防设备和人员的顺利通过。
2.1.2 清晰标识:确保通道上的标识清晰可见,指示出逃生方向和紧急出口。
2.1.3 遮挡物:清除通道上的遮挡物,确保通道畅通无阻。
2.2 逃生通道逃生通道是保障人员在火灾发生时顺利撤离的重要通道,调试时需要注意以下几个方面:2.2.1 紧急出口:确保紧急出口的位置明确,通道畅通,能够快速撤离人员。
泡沫灭火系统调试泡沫灭火系统的调试在系统施工完毕,各项技术参数符合设计要求后进行,系统调试主要包括系统各组件的调试和系统功能调试。
(一)系统组件调试1泡沫比例混合器(装置)的调试(1)调试要求泡沫比例混合器(装置)的调试需要与系统喷泡沫试验同时进行,其混合比要符合设计要求。
(2)检测方法:用流量计测量;蛋白、氟蛋白等折射指数高的泡沫液可用手持折射仪测量,水成膜、抗溶水成膜等折射指数低的泡沫液可用手持导电度测量仪测量。
2.泡沫产生装置的调试(1)调试要求①低倍数(含高背压)泡沫产生器、中倍数泡沫产生器要进行喷水试验,其进口压力要符合设计要求。
②泡沫喷头要进行喷水试验,其防护区内任意四个相邻喷头组成的四边形保护面积内的平均供给强度要不小于设计值。
③固定式泡沫炮要进行喷水试验,其进口压力、射程、射高、仰俯角度、水平回转角度等指标要符合设计要求。
④沫枪要进行喷水试验,其进口压力和射程要符合设计要求。
⑤高倍数泡沫产生器要进行喷水试验,其进口压力的平均值不能小于设计值,每台高倍数泡沫产生器发泡网的喷水状态要正常。
(2)检测方法:第①项:用压力表检查。
当对储罐或不允许进行喷水试验的防护区,喷水口可设在靠近储罐或防护区的水平管道上。
关闭非试验储罐或防护区的阀门,调节压力使之符合设计要求。
第②项:选择最不利防护区的最不利点四个相邻喷头,用压力表测量后进行计算。
第③项:用手动或电动实际操作,并用压力表、尺量和观察检查。
第④项:用压力表、尺量检查。
第⑤项:关闭非试验防护区的阀门,用压力表测量后进行计算和观察检查。
3.泡沫消火栓的调试(1)调试要求泡沫消火栓要进行喷水试验,其出口压力要符合设计要求。
(2)检测方法:用压力表测量。
(-)系统功能测试1系统喷水试验(1)试验要求当为手动灭火系统时,要以手动控制的方式进行一次喷水试验;当为自动灭火系统时,要以手动和自动控制的方式各进行一次喷水试验,其各项性能指标均要达到设计要求。
气体灭火系统调试报告三篇篇一:气体灭火系统调试报告篇二:七氟丙烷气体灭火系统调试报告1、七氟丙烷气体灭火系统查看气瓶名牌是否贴好,压力是否正常,向管理人员说明表压力随环境温度变化出现小幅度偏移,属于正常现象。
绿色区域为工作压力,往后维护若出现低于或高于绿色范围,请咨询我们公司或请教专业人员。
电磁驱动装置顶部红色压帽的保险销是紧急情况下使用的(如没有电无法启动时,拔出此插销,按下压盖既可启动灭火装置),平时这个保险销万不可拔掉;底部的保险安装投入使用后需要拔掉(保险销吊牌有说明),若不拔保险销则战时无法启动灭火装置。
还有往后调试报警设备的话,一定要将电磁驱动装置与钢瓶分离,避免意外损失。
2、对报警设备逐个测试(烟温感探测器随机挑选测试),其余都要——测试,确保无误。
气体释放灯通过短接信号反馈装置进行测试。
声光和警铃的测试通过操作主机面板按键进行,主机则解锁,此时“键盘操作”指示灯亮。
此指示灯亮后各功能按键方有效,按下“声光启停”,该指示灯亮,门上声光随即闪光响起,再按该键,指示灯灭,声光停止。
警铃类似。
按下“手动/自动”键可以实现手动、自动转换;按下“本机消音”可以消除主机发出的声音;按下“复位”键,主机恢复此各项操作。
篇三:气体灭火系统调试条件及步骤1. 气体灭火系统调试应具备的条件1)气体灭火系统调试前应具备设计施工图(包括设备布置平面图、接线图、系统图);设计说明书;系统使用说明书等技术资料。
2)调试前应按照有关规范的规定检查系统组件和材料的型号、规格、数量,以及系统的安装质量,并应及时处理所发现的问题。
3)系统中采用的不能复验的产品,如安全膜片等,应具有生产厂家出具的同批产品检验报告与合格证。
4)检查施工时做好的施工记录,如遇隐蔽工程要检查隐检记录。
5)各控制器、动力控制箱通电后各项功能检查合格。
6)调试后应根据调试的内容及结果及时按要求提出调试报告。
2. 系统联动调试及模拟喷气试验应使火灾自动报警系统开机并处于工作状态,接好各有关信号线。
消防调试报告标题:消防调试报告引言概述:消防调试报告是对消防设施进行测试和调试后所做的一份详细记录,旨在确保消防设施的正常运行,保障人员生命财产安全。
本文将从消防设施的测试内容、调试过程、问题解决、调试结果和建议改进等方面进行详细介绍。
一、消防设施的测试内容1.1 火灾报警系统的测试:包括烟感、温感、手动报警按钮等各种探测器的测试,确保能够及时准确地发出报警信号。
1.2 喷淋系统的测试:测试各个喷头的喷水情况,确保覆盖面积和水压符合要求。
1.3 气体灭火系统的测试:测试气体灭火系统的灭火效果和喷射速度,确保能够在火灾发生时迅速灭火。
二、调试过程2.1 检查设施连接:检查消防设施的电气连接、管道连接等是否牢固可靠。
2.2 调试设施参数:根据设计要求,调整消防设施的参数,如灵敏度、喷水时间等。
2.3 进行模拟测试:模拟火灾情况,检验消防设施的反应速度和灭火效果。
三、问题解决3.1 发现问题:在调试过程中发现消防设施存在故障或不正常情况。
3.2 分析原因:对问题进行分析,确定故障原因是设备故障、安装问题还是操作不当。
3.3 解决方案:针对不同的问题,采取相应的解决方案,修复设备或重新调整参数。
四、调试结果4.1 消防设施正常运行:经过测试和调试后,消防设施能够正常运行,确保在火灾发生时能够及时有效地灭火。
4.2 参数符合要求:各项参数均符合设计要求,保证消防设施的灵敏度和稳定性。
4.3 测试记录完整:对每一项测试和调试过程进行详细记录,包括测试时间、结果、问题及解决方案等。
五、建议改进5.1 定期维护:建议对消防设施进行定期维护和检查,确保设施长期有效运行。
5.2 人员培训:对使用消防设施的人员进行培训,提高其应急处理能力。
5.3 更新技术:随着科技的不断发展,建议及时更新消防设施的技术,提高设施的性能和效率。
总结:消防调试报告是确保消防设施正常运行的重要文件,通过对消防设施的测试、调试、问题解决、调试结果和建议改进等方面的记录,可以及时发现和解决问题,保障人员生命财产安全。