高压变频器电动机保护配置
- 格式:pptx
- 大小:95.49 KB
- 文档页数:10
高压变频器正常使用条件前言:任何电气系统,都有它的使用条件,达不到正常的使用条件,则电气系统不能正常的运行,作为高压变频器也不例外;下面对变频器正常电气使用条件的国际标准进行引用分析,以及根据国标制定的企业标准、检验标准进行探讨及说明。
同时对部分电气参数的检验指标进行阐述,以使读者更全面的了解合康高压变频器的使用条件,一些保护功能和相关的量值,以及对输入电源自身保护装置的设置情况。
一,电气使用条件的国家标准PDS系统应当设计成能够在下列表中所规定的电气使用条件下运行。
(GB/T二,高压变频器的验收准则(性能准则)应使用验收准则来检验PDS抗外部骚扰的性能(GB/T 12668.3--2003/IEC 61800-3:1996 见5.1.1)按给定的骚扰的影响分A,B,C三种验收(性能)准则,其中每个准则都定义了一个特定的性能等级。
于子部件的性能能达到验收性能A的标准。
三,变频器检验调试的相关项目1。
频率变化及变化率因前级有隔离变压器,相应的频率变化及换相缺口对电力电子模块(变频器后级的功率单元)冲击影响有限,应视能达到验收A的标准。
合康高压变频器因采用的多个二次绕组变压器的电压源型多电平逆变器传动系统,因此电压谐波对变频的影响甚微,能达到验收A的标准。
变频器连机后,带空载电机输入高电压测试:将输入电压调到+10%(为6600V和11000V)检验变频器能正常的工作;测试记录变频器的输出电压,与额定输入电压时的变频器输出电压比较有≤+1%的正向偏差,能达性能验收的A级输入低电压测试:将输入电压调到-20%(为4800V和8000V)检验变频器能正常的工作;测试记录变频器的输出电压,与额定输入电压时的变频器输出电压比较有≤-10%的负向偏差,能达性能验收的A级参考文献:调速电气传动系统(第3部分:产品的电磁兼容性标准及其特定的试验方法(GB/T 12668.3--2003/IEC 61800-3:1996 )调速电气传动系统(第4部分:一般要求)交流电压1000V以上但不超过35KV的交流调速电气传动系统额定值的规定GB/T 12668.4---2006/IEC61800-4:2002合康高压变频器检验标准合康亿盛科技有限公司整机检验文件。
功率大于2000kW的高压电机差动保护方式的选择【摘要】介绍了功率大于2000kW的高压电机变频器起动及软起动器起动时差动保护的选择以及这两种起动方式在实际应用中的电气接线,纵联差动保护与磁平衡差动保护的共同点及不同点,优点及缺点。
差动保护时选用的电流互感器精度、容量及变比的选择。
【关键词】纵联差动保护;磁平衡差动保护【中图分类号】TU856【文献标识码】A【文章编号】1002-8544(2016)22-0168-02《电力装置的继电保护和自动装置设计规范》中明确规定2000kW及以上的电动机,或电流速断保护灵敏系数不符合要求的2MW以下电动机,应装设纵联差动保护。
功率大于2000kW的高压电机,一般来说常用的起动方式有两种(1)变频器起动。
(2)软起动器起动。
一般如此大功率的电机原则上来说不推荐选择直接启动的启动方式。
下面我们来具体论述一下以上两种起动方式时,高压电机差动保护的电气接线。
1.变频器起动时高压电机差动保护的选择有两种方式磁平衡差动保护和普通纵联差动保护。
1.1 磁平衡差动保护时,差动保护的电气接线。
4TA为磁平衡差动线圈,放置于高压电机内部(电机订货要求中一定要写到,并明确电流互感器变比及保护级别、容量等),在电机本体上带有磁平衡差动电流互感器,然后把电流互感器信号接至高压综自保护装置中。
注意电动机综自保护装置一定要求是磁平衡差动保护装置(有些综自保护厂家磁平衡保护和电机普通纵联差动保护装置为一个保护装置,装置内部可以设置)。
具体接线如图一所示。
磁平衡差动保护不受电机起动方式的选择,选择任何起动方式的高压电机均可采用磁平衡差动保护,但是必须在电机订货时要求电机厂家在电机内部磁平衡差动线圈。
1.2 变频器起动时,普通纵联差动保护的电气接线。
由于电机采用变频器起动方式,变频器上侧及下侧电流有变化不一样大,故不能做作为纵联差动保护的取样电流。
这时差动电流的取样点必须取自于变频器下侧出口4TA处及电机本体中性点处5TA,具体详见图二。
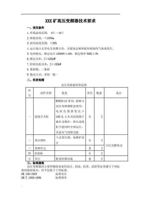
XXX矿高压变频器技术要求一、使用条件1.环境温度范围: 0℃~40℃2.海拔高度:≤1000m3.相对湿度范围:≤95%4.运行地点无导电及易爆尘埃,无腐蚀金属和破坏绝缘的气体或蒸汽。
5.电网情况:额定电压10000V±10%,额定频率50HZ±5%6.额定功率:2×630kW7.控制电机功率:2×450kW8.象限数:二象限9.拖动方式:采取一拖一二、供货范围高压变频器供货范围高压变频器的主要和辅助设备的设计、制造、检查、试验等必须遵守下列标准的最新版本,但不仅限于下列标准。
GB 156-2003 标准电压GB/T 1980-1996 标准频率GB/T 2423.10-1995 电工电子产品基本环境试验规程振动(正弦)试验导则GB 2681-81 电工成套装置之中的导线颜色GB 2682-81 电工成套装置之中的指示灯和按钮的颜色GB 3797-89 电控设备第二部分:装有电子器件的电控设备GB 3859.1-93 半导体电力变流器基本要求的规定GB 3859.2-93 半导体电力变流器应用导则GB 3859.3-93 半导体电力变流器变压器和电抗器GB 4208-93 外壳防护等级的分类GB 4588.1-1996 无金属化孔单、双面印制板技术条件GB 4588.2-1996 有金属化孔单、双面印制板技术条件GB 7678-87 半导体自换相变流器GB 9969.1-88 工业产品使用说明书总则GB 10233-88 电气传动控制设备基本试验方法GB 12668-90 交流电动机半导体变频调速装置总技术条件GB/T14436-93 工业产品保证文件总则GB/T15139-94 电工设备结构总技术条件GB/T13422-92 半导体电力变流器电气试验方法GB/T 14549-93 电能质量公用电网谐波IEEE std 519-1992 电力系统谐波控制推荐实施IEC1800-3 EMC传导及辐射干扰标准IEEE519 电气和电子工程师学会89/336EC CE标志GB 12326 电能质量电压允许波动和闪变GB/T 14549 电能质量公用电网谐波GB 1094.1~1094.5 电力变压器GB 6450 干式变压器GB/T 10228 干式电力变压器技术参数和要求GB17211 干式电力变压器负载导则GB311 .1 高压输变电设备的绝缘配合DL/T 620 交流电气装置的过电压保护和绝缘配合四、变频器主要技术要求1、变频器自带防谐波干扰电网装置,变频器输入侧对电网的谐波污染,在电机的整个调速范围内,必须满足GB/T14549-93《电能质量公用电网谐波》及IEEE519-1992国际标准的规定。
高压变频器对电动机继电保护的影响及解决措施摘要高压变频器是一种能够调节电动机转速和输出功率的节能设备,广泛应用于火力发电厂等领域。
然而,高压变频器的应用也给电动机的继电保护带来了新的挑战和问题,如差动保护、过流保护、过负荷保护等。
本文分析了高压变频器对电动机继电保护的影响原因,结合实际案例提出了相应的解决措施,包括保护配置、整定、测试等方面。
实践证明,这些措施能够有效地提高电动机的保护可靠性和安全性,为发电企业节能减排、安全稳定运行提供技术支持。
关键词高压变频器;电动机;继电保护;差动保护;过流保护正文1 引言随着社会经济的发展和能源需求的增长,火力发电厂作为主要的发电方式之一,面临着提高效率、降低成本、减少污染等多重压力。
为了实现这些目标,火力发电厂中的重要辅机,如锅炉引风机、送风机、汽轮机电动给水泵、凝结水泵等,需要进行流量调节以适应不同的工况需求。
传统的流量调节方法是通过调节风门或阀门的开度来改变流体阻力,但这种方法会造成大量的节流损失和耗能,影响系统的经济性和效率。
为了解决这个问题,高压变频器作为一种能够根据负载需求改变电动机转速和输出功率的节能设备,被广泛应用于火力发电厂中。
高压变频器的基本原理是将工频为50Hz的交流电源整流成直流,再逆变成可调节频率和幅值的交流电源,供给电动机驱动。
通过改变交流电源的频率,可以改变电动机的转速,从而调节流体流量,消除风门或阀门的截流损耗,提高系统效率和节能效果。
然而,高压变频器的应用也给电动机的继电保护带来了新的挑战和问题。
由于高压变频器输出的交流电源与输入的交流电源在频率、相位、波形等方面没有必然联系,导致传统的继电保护方式无法适用或失效。
例如,在差动保护中,如果将变频器纳入差动范围,则会造成差动比值不匹配或差动相位不一致而误动作;在过流保护中,如果将变频器输出端作为过流测量点,则会造成过流定值不准确。
2影响相量差动保护原理基于基尔霍夫电流定律,被保护设备两侧电流频率一致是构成相量差动的基本条件。
高压电机变频改造后综合保护配置方案摘要:随着电力电子技术的发展,变频器在电厂得到了广泛应用。
目前的新建电厂,重要辅机如风机、水泵等,一般均要求考虑配置变频器拖动;越来越多的已建电厂正在进行或已完成高压电动机采用变频器的改造。
高压电动机采用采用变频器拖动后,电动机保护如何配置才能保证机组安全可靠的运行,成为电厂、设计院、保护厂家关注的问题。
关键字:大型电动机;变频;保护配置1变频方式下电动机保护面临的问题采用变频装置后,电动机实现了软启动,启动电流从零开始平滑上升,启动电流显著减小,只有额定电流的1.2~1.5倍(工频可达5倍左右),电动机可以在较小的电流下实现加速、减速,发热较小。
但是,同时启动时间却有所延长。
这对按照躲过启动电流整定的保护和按启动时间整定的保护会带来一定的影响。
据实验实测,移相变压器将会产生5-6倍励磁涌流。
变频器输出侧频率将根据现场运行情况不断调整和变化,输出侧电流的频率可在0.2~400Hz内变化,同时变频器输出侧电流存在一定谐波分量,尤其当电动机在低频段工作时,谐波分量更高。
由于谐波电流的影响,电动机的发热量较工频运行方式下有所增加。
高压电动机变频运行后,电流互感器更容易饱和。
根据电磁式互感器的工作原理,在电压一定的情况下,频率和磁通成反比关系。
频率越低,互感器通过的磁通越大。
因此,在低频情况下.传统的工频互感器极容易发生饱和。
对于变频调速系统,由于附加了变频器装置,变频器的输入电流和输出电流在频率和相位上没有必然的联系。
这是影响电动机继续使用相量差动保护的最大障碍;电动机相量差动保护的工作原理是基于比较电动机两端电流的大小与相位的。
然而变频器输入输出侧的电流在相位上不一致,在工频运行方式下的差动保护中,即使电动机在正常工作情况下也会有相当数量的差流出现。
但是,对于电动机的输入和输出电流,它们的频率和相位是一致的,因此可以考虑对电动机单独进行差动保护,差动保护所需电流取自电动机的输入侧和输出侧。
高压变频调速系统通用规范1.0 适用范围1.1 本规范覆盖所有有关将整个高压变频器系统投入运行所涉及的人工、材料、元器件和设备等。
本规范可以应用到任何类型的交流电动机应用场合。
1.2 每一套变频系统的所有组成部分必须符合本规范有关性能、保护、安全、试验及认证标准方面的规定。
这些组成部分包括进线谐波滤波器或功率因数补偿器、输入移相隔离整流变压器、顺变逆变单元和输出滤波器。
1.3 变频调速系统必须:1.3.1 从外表上看是一个整体。
1.3.2 包括所有与任何变频调速系统有关的材料和人工,即便他们是分批发运的。
1.4 如为了满足本规范要对标准产品进行任何改动,只能由变频器生产厂家实施。
1.5 如上面1.2条所述的变频调速系统必须是由变频器制造商在工厂内作为一个整体完成所有接线、装配和试验,保证是一个协调、完整的调速系统。
1.6 任何第三方的认证、安全或保护方面的要求必须将变频调速系统作为一个整体对待。
只对系统的部件或部分做出认证或保护是不可以接受的。
2.0 通则2.1 用户调查表买主必须填写和随合同提交附件A的用户调查表。
2.2 法规和标准2.2.1 提供的设备符合国际和国家最新的法律法规和技术标准:GBInstitute of Electrical and Electronics Engineers (IEEE) 国际电气与电子工程师协会International Electrotechnical Commission (IEC) 国际电子技术委员会Underwriters’ Laboratories (UL)2.2.2 如在用户调查表上注明,变频调速系统可以按UL、CSA或CE标准制造、组装、试验和发运。
2.3 质量标准变频调速系统应由制造商在其自己的工厂中制造,该工厂应建立符合ISO9001的质量保证体系。
3.0 设备性能3.1 运行条件变频调速器应满足下述转速与转矩要求:3.11 变频调速器应能产生交流电压和频率可变的输出,在正常系统上和30%至100%的转速范围内连续运行。
高压变频器对电动机继电保护的影响及解决措施摘要:变频器技术是节能降耗有效技术体系,尤其是在现代工业制造中,变频器技术的应用可以成为生产系统能效优化的基础。
目前,一些制造商使用高压电动机变频来调节电机系统的性能。
但是,结合实际情况,变频器增加后传统高压电动机装置的整体性能下降,因此无法进行全面保护。
变频技术越来越多的企业使其够革新,提高继电保护的质量,从而为公司高质量生产线的创新奠定良好的基础。
电机继电保护在高压变压器在中的应用主要采用差动法,该装置允许变压器和电机保护装置发挥作用。
这不仅使高压变压器能够保护电机继电器,而且还能显着节约成本,分析了继电保护影响及解决。
关键词:高压变频;继电保护;差动保护电力公司为了节约能源、降低能耗、提高电网的价格竞争力,通常采用变频调速。
如果变频调速安装在高压电动机中,则常规保护装置不能差动,后备保护装置只能通过变频器提供。
在电厂中,电动机高压变频调速在改变,使用程序进行电机保护配置和整定意义重要。
一、变频器的基本原理在目前的生产中,电力和化工企业大量的机电设备,这意味着泵、引、送风机消耗的能源较多。
变频调速系统基于节能环保,该系统的运行要求可以与流量控制和阀门的科学设置相结合,以便在需要时降低能耗。
例如,在火电厂发电动机当前调试中,可以将现代通信技术与电气和电子相结合,将输出频率50Hz设置为直流运行,然后斩波、还原。
降低的交流频率可与流体电流相结合,实现自动控制并控制电机转速,这提高了整个工厂的效率,节约了能源,减少了消耗。
二、变频器节能的基本原理大型电源设备,如水泵、锅炉引风机、一次二次风机等,负担很重。
这些风机与水泵系统通常需要不断调整流量以满足操作要求。
该组的输出功率和负载不得在电机频率下变化,因此必须在系统的入口挡板中进行调整,这可能会导致能量损失。
比如年负荷率低中高负荷分别是(50~60)、(80~90)%,这就需要更多的时间。
电机调节时,可以通过改变工作频率,调节电机转速来调节电流,减少电机故障,优化电机效率,使改造变频后消除了冲击电流、电机启动,电机、电缆、开关等原因。
XXX矿高压变频器技术要求一、使用条件1.环境温度围:0℃~40℃2.海拔高度:≤1000m3.相对湿度围:≤95%4.运行地点无导电及易爆尘埃,无腐蚀金属和破坏绝缘的气体或蒸汽。
5.电网情况:额定电压10000V±10%,额定频率50HZ±5%6.额定功率:2×630kW7.控制电机功率:2×450kW8.象限数:二象限9.拖动方式:采取一拖一二、供货围三、标准规高压变频器的主要和辅助设备的设计、制造、检查、试验等必须遵守下列标准的最新版本,但不仅限于下列标准。
GB 156-2003 标准电压GB/T 1980-1996 标准频率GB/T 2423.10-1995 电工电子产品基本环境试验规程振动(正弦)试验导则GB 2681-81 电工成套装置之中的导线颜色GB 2682-81 电工成套装置之中的指示灯和按钮的颜色GB 3797-89 电控设备第二部分:装有电子器件的电控设备GB 3859.1-93 半导体电力变流器基本要求的规定GB 3859.2-93 半导体电力变流器应用导则GB 3859.3-93 半导体电力变流器变压器和电抗器GB 4208-93 外壳防护等级的分类GB 4588.1-1996 无金属化孔单、双面印制板技术条件GB 4588.2-1996 有金属化孔单、双面印制板技术条件GB 7678-87 半导体自换相变流器GB 9969.1-88 工业产品使用说明书总则GB 10233-88 电气传动控制设备基本试验方法GB 12668-90 交流电动机半导体变频调速装置总技术条件GB/T14436-93 工业产品保证文件总则GB/T15139-94 电工设备结构总技术条件GB/T13422-92 半导体电力变流器电气试验方法GB/T 14549-93 电能质量公用电网谐波IEEE std 519-1992 电力系统谐波控制推荐实施IEC1800-3 EMC传导及辐射干扰标准IEEE519 电气和电子工程师学会89/336EC CE标志GB 12326 电能质量电压允许波动和闪变GB/T 14549 电能质量公用电网谐波GB 1094.1~1094.5 电力变压器GB 6450 干式变压器GB/T 10228 干式电力变压器技术参数和要求GB17211 干式电力变压器负载导则GB311 .1 高压输变电设备的绝缘配合DL/T 620 交流电气装置的过电压保护和绝缘配合四、变频器主要技术要求1、变频器自带防谐波干扰电网装置,变频器输入侧对电网的谐波污染,在电机的整个调速围,必须满足GB/T14549-93《电能质量公用电网谐波》及IEEE519-1992国际标准的规定。
高压变频器电动机保护的配置根据国家能源政策的要求,节能减排工作已全面展开,而在大型火力发电厂,厂用电率的降低势在必行。
对于占厂用电绝大部分的高压电动机来说,节能领域的重要技术措施就是高压变频技术的应用。
随着电力电子技术的发展,变频器在电厂得到了广泛应用。
目前的新建电厂,重要辅机如风机、水泵等,一般均要求考虑配置变频器拖动;越来越多的已建电厂正在进行或已完成高压电动机采用变频器的改造。
高压电动机采用采用变频器拖动后,电动机保护如何配置才能保证机组安全可靠的运行,成为电厂、设计院、保护厂家关注的问题。
1传统电动机保护配置异步电动机的故障有定子绕组相间短路故障、绕组的匝间短路故障和单相接地故障;不正常运行状态主要有过负荷、堵转、起动时间过长、三相供电不平衡或断相运行、电压异常等。
因此,对于高压电动机,根据规程以差动保护或电流速断为主保护,以过负荷保护、过流保护、负序保护、零序保护及低电压保护等作为后备保护。
2目前变频器电动机保护配置发电厂为保证系统的可靠性,高压电动机一般采用变频器带工频旁路,以便即使在变频器检修时也可通过工频旁路,保证电动机的正常运行。
图1为现场高压电动机变频器改造的示意图,其中K1、K2开关保证变频器检修时,与主回路无接触点,此时K3开关闭合,电动机通过旁路运行。
当电动机通过旁路运行,此时由厂用电中高压母线工频电压直接驱动电动机,进线开关QF处保护装置的保护对象是开关出线以及电动机本体。
因此,此时应该按照常规电动机保护的要求配置电动机保护,有差动保护要求的,需要配置电动机差动保护。
当旁路开关K3断开,电动机由变频器拖动时,进线开关QF处保护装置的保护对象是开关出线以及变频器。
由于目前发电厂使用的变频器一般由整流变压器、控制柜等部分构成,即进线开关QF处保护装置的保护对象是开关出线以及整流变压器。
此时电动机成为与厂用电母线隔离后高压变频器的负荷,因而电动机的保护应由高压变频系统的控制器实现。
变频器器参数设置大全1.基本参数设置-额定电压:根据电机的额定电压选择变频器器的输入电压。
-额定功率:根据电机的额定功率选择变频器器的容量。
-额定频率:根据电机的额定频率选择变频器器的输出频率。
-开启时间:设置变频器器启动的时间,要确保电机能够顺利启动。
2.频率控制参数设置-加速时间:设置电机从静止到额定速度所需的时间。
-减速时间:设置电机从额定速度到静止所需的时间。
-加速度:设置电机加速的速率。
-减速度:设置电机减速的速率。
-最大输出频率:设置变频器器的最大输出频率,一般为电机的额定频率。
3.电流控制参数设置-额定电流:根据电机的额定电流选择变频器器的容量。
-过负荷保护:设置变频器器在电机电流超过额定电流时的保护措施,可以选择直接切断输出或者进行报警。
-过载保护:设置变频器器在电机负载超过额定负载时的保护措施,可以选择直接切断输出或者进行报警。
4.PID控制参数设置-比例系数:根据需要调整PID控制中的比例系数。
-积分时间:根据需要调整PID控制中的积分时间。
-微分时间:根据需要调整PID控制中的微分时间。
5.转矩控制参数设置-转矩增益:根据需要调整转矩控制中的增益。
-转矩限制:设置变频器器在电机转矩超过额定转矩时的保护措施,可以选择直接切断输出或者进行报警。
6.过载保护参数设置-过载时间:设置变频器器在电机过载一定时间后的保护措施,可以选择直接切断输出或者进行报警。
-过载倍数:设置变频器器在电机负载超过额定负载一定倍数后的保护措施,可以选择直接切断输出或者进行报警。
7.故障保护参数设置-震动保护:设置变频器器在电机出现较大震动时的保护措施,可以选择直接切断输出或者进行报警。
-过热保护:设置变频器器在电机温度超过一定值时的保护措施,可以选择直接切断输出或者进行报警。
-短路保护:设置变频器器在电路短路时的保护措施,可以选择直接切断输出或者进行报警。
8.通信参数设置- 通信协议:根据需要选择变频器器的通信协议,如Modbus、Profibus等。
汇川技术高压变频器性能参数手册概述本文档是关于汇川技术高压变频器的性能参数手册。
此手册旨在向用户提供详细的高压变频器性能参数信息,帮助用户了解产品的技术规格和性能指标。
产品介绍汇川技术高压变频器是一种用于电动机控制的电子设备。
它可以根据用户的需求和控制要求,对电机进行精确的调速和控制。
高压变频器在工业和商业领域广泛应用,提高了电机的效率和系统的稳定性。
技术规格以下是汇川技术高压变频器的主要技术规格:1. 输入电压范围:AC 380V~690V,50/60Hz2. 输出功率范围:1kW~5600kW3. 额定输出电流范围:2A~1000A4. 控制方式:V/F控制、矢量控制、矢量控制+矢量编码器反馈5. 控制精度:电压±1.0%、电流±0.5%6. 可编程输入输出:数字输入11路/数字输出7路/模拟输入4路/模拟输出2路7. 通信接口:RS485、Modbus、Profibus、Profinet等8. 防护等级:IP20(标准),IP21、IP54和IP66(可选)性能指标以下是汇川技术高压变频器的主要性能指标:1. 效率:≥ 98%2. 超载能力:150%额定电流持续运行1分钟,180%额定电流瞬时运行10秒钟3. 加减速时间:根据负载情况可调,快至0.01秒4. 输出频率范围:0~120Hz5. 过载能力:150%额定电流运行60秒,180%额定电流运行10秒6. 过电流保护:电流达到额定电流的150%时自动保护,可设定保护等级安装和操作详细的安装和操作指南将提供给购买汇川技术高压变频器的用户。
用户需要确保在安装和操作过程中遵守相关安全规定和技术要求,以保障设备运行的安全和稳定性。
免责声明本手册提供的所有信息和数据仅供参考,不构成对产品性能的任何明示或暗示的保证。
由于技术升级和产品改进的原因,手册中的信息可能会有所变动。
请在购买和使用汇川技术高压变频器之前,与厂家取得最新的产品资料和确认。
高压变频器正常使用条件前言:任何电气系统,都有它的使用条件,达不到正常的使用条件,则电气系统不能正常的运行,作为高压变频器也不例外;下面对变频器正常电气使用条件的国际标准进行引用分析,以及根据国标制定的企业标准、检验标准进行探讨及说明。
同时对部分电气参数的检验指标进行阐述,以使读者更全面的了解合康高压变频器的使用条件,一些保护功能和相关的量值,以及对输入电源自身保护装置的设置情况。
一,电气使用条件的国家标准PDS系统应当设计成能够在下列表中所规定的电气使用条件下运行。
(GB/T二,高压变频器的验收准则(性能准则)应使用验收准则来检验PDS抗外部骚扰的性能(GB/T 12668.3--2003/IEC 61800-3:1996 见5.1.1)按给定的骚扰的影响分A,B,C三种验收(性能)准则,其中每个准则都定义了一个特定的性能等级。
于子部件的性能能达到验收性能A的标准。
三,变频器检验调试的相关项目1。
频率变化及变化率因前级有隔离变压器,相应的频率变化及换相缺口对电力电子模块(变频器后级的功率单元)冲击影响有限,应视能达到验收A的标准。
合康高压变频器因采用的多个二次绕组变压器的电压源型多电平逆变器传动系统,因此电压谐波对变频的影响甚微,能达到验收A的标准。
变频器连机后,带空载电机输入高电压测试:将输入电压调到+10%(为6600V和11000V)检验变频器能正常的工作;测试记录变频器的输出电压,与额定输入电压时的变频器输出电压比较有≤+1%的正向偏差,能达性能验收的A级输入低电压测试:将输入电压调到-20%(为4800V和8000V)检验变频器能正常的工作;测试记录变频器的输出电压,与额定输入电压时的变频器输出电压比较有≤-10%的负向偏差,能达性能验收的A级参考文献:调速电气传动系统(第3部分:产品的电磁兼容性标准及其特定的试验方法(GB/T 12668.3--2003/IEC 61800-3:1996 )调速电气传动系统(第4部分:一般要求)交流电压1000V以上但不超过35KV的交流调速电气传动系统额定值的规定GB/T 12668.4---2006/IEC61800-4:2002合康高压变频器检验标准合康亿盛科技有限公司整机检验文件。
高压柜继电保护定值
一、电动机保护
1、绕线式(带水电阻):
过流设定为额定电流的1.2倍,时间设定为35S(具体根据电机的启动时间定,躲过电机的启动时间);
速断设定为额定电流的5倍,时间设定为0S
2、鼠笼式:
过流设定为额定电流的1.2倍,时间设定为20S(具体根据电机的启动时间定,躲过电机的启动时间);
速断设定为额定电流的9倍,时间设定为0S
二、变压器保护
过流设定为额定电流的1.5倍,时间设定为1S
过负荷设定为额定电流的1.2倍,时间设定为15S
速断设定为额定电流的5倍,时间设定为0S
三、进线柜保护
1、本级:
过流设定:级下的变压器按负荷计算电流,电机计算正常运行电流,相加后并加最后一台电机的启动电流,以躲过最大电流定,时间设定为0.9S
速断设定为额定电流的4倍,时间设定为0S
2、上一级:
1
过流设定为下一级设定值的1.1倍,时间设定为1.5S
速断设定为额定电流的6倍,时间设定为0S
四、所有速断保护时间全部为0S
五、目前中压变频器高压柜的定值是按电动机整定,改为按中压变频变压器整定
六、目前低电压保护部分投入、部分未投入,电机、变压器全部投入低电压保护,整定值为70V
七、考虑到线路、变压器、电机等三相电流不平衡的影响,前期频繁出现零序误动作现象,零序不投入跳停,作为报警。
2。
WLdrive-MV系列高压变频器使用说明书卧龙电气集团杭州研究院有限公司2011年10月21日目录1. 前言 (1)2. 安全操作 (2)2.1 安全注意事项 (2)2.2 安全操作 (2)2.3 安全性规则与警告 (4)3. 产品介绍 (6)3.1 符合的相关标准 (6)3.2 型号与规格 (7)3.3 特点 (11)3.4 功能 (11)3.5 应用范围 (12)4. 原理 (13)4.1 主电路 (13)4.2 功率单元 (15)4.3控制系统 (16)5. 硬件组成及特点 (18)5.1 WLdrive-MV高压IGBT变频器硬件配置 (18)5.2 旁路柜 (18)5.3 变压器柜/控制柜 (19)5.4 功率柜 (19)5.5 功率单元 (20)6. 人机界面与操作 (21)6.1 操作与布局 (21)6.2 显示参数 (25)6.3 记录 (25)6.4 变频器画面 (26)6.5 电机画面选项 (28)6.6 保护设定 (29)6.7 自动控制画面 (30)6.8 用户设置 (32)6.9 高级设置 (32)7. 安装与接线 (33)7.1外形 (33)7.2 安装要求 (35)7.3安装过程 (37)7.4 接线 (41)8. 变频器调试 (44)8.1 简介 (44)8.2 上电前检查 (44)8.3 低压测试 (44)8.4 不带电机测试 (46)8.5 带电机空载测试 (46)8.6 带负载测试 (47)9. 故障和报警 (48)9.1 变频器故障与报警 (48)9.2 单元故障/报警 (55)10. 保养和维护 (58)10.1 变频器的日常维护 (58)10.2 保养和维护 (58)10.3 绝缘试验 (59)10.4 变频器贮存 (60)10.5 报废注意事项 (60)10.6 保修 (60)附录A(接线端子功能说明) (61)1. 前言尊敬的用户,感谢您选用WLdrive 高压变频器。
高压变频器对电动机继电保护的影响及解决措施摘要:以具体的工程案例作为切入点,结合高压变频器对电动机产生的影响进行分析。
定位高压变频器使用之后电动机出现差动保护的具体原因,并且结合变频改造的实际案例和变频工况,分析差动保护的具体优化方案,以此来进一步提升电动机保护的质量,确保可以为当生产企业的节能减排以及稳定安全运行提供技术基础。
关键词:高压变频器;电动机机;电保护优化变频技术是当前企业发展节能降耗的主要技术体系,尤其是在当前的工业生产领域,变频技术的使用,可以为生产体系的节能优化奠定基础。
当前,部分生产企业采取高压电动机变频调速技术来实现电动机系统的性能调控。
但是结合实际情况来看,在增加了变频器之后,原有的高压电动机常规保护装置,整体性能下降且无法提供全过程保护服务,因此越来越多的企业落实变频调速技术的创新,致力于增强电动机继电保护质量,确保可以为企业生产线的高质量创新奠定良好基础。
1.传统电动机保护配置电机故障主要有:定子绕组相间短路、绕组匝间短路、单相接地故障;超负荷、阻塞、启动时间过长、三相供电不均衡或断相运行、电压异常等。
所以,高压电机应按规定采用差动保护和电流快关保护,过负荷保护、过流保护、负序保护、零序保护和低压保护。
2.现行变频电机的保护结构为了确保电力系统的可靠,高压电机通常都是采用变频调速工频旁路,这样即使在变频器维修时,也可以进行工频旁路,从而确保其正常工作。
这种保护的结构形式有两个主要的问题:(1)需要在2000 kW或更大功率的马达中设置差动保护。
当变频调速电机被拖动时,电机的差动保护会被取消,从而影响了保护的可靠性。
(2)在任何时间,仅有一个变压器保护装置和电动机保护装置被启用,从而降低了装置的运行效率。
3.变频器节能的基本原理在化工行业中,存在着大量的耗能设备,例如:给水泵、锅炉引风机、一次风机、二次风机等。
为了达到操作的要求,风机、水泵等相应的设备往往要经常调整流量。