安全生产风险管控清单及填写说明
- 格式:docx
- 大小:22.43 KB
- 文档页数:6
XXXX新型建材厂安全风险辨识分级管控清单XXXX新型建材厂安全风险辨识分级管控告知卡风险点名称装载机风险等级低/D级易发生的事故类型车辆伤害编号QQJC-02主要防范措施1、挖掘机移动时,应注意前后环境状况,以防碰到电线或其它设施。
2、严禁在铲斗内载人、载物行驶。
3、严禁铲斗回转半径范围内有人员停留。
4、铲斗落地和升起操作不得过猛;平台的起动、回转、停止等5、操作应缓慢平稳;卸料时,铲斗不得经越或停留在运输车辆驾驶室的上方,铲斗不得与车辆的任何部位接触。
第一责任人XXX应急处置措施1、设备运转时,发生事故或出现故障及时停车。
2、立即疏散周边人群,对事故现场实施隔离和警戒。
3、对受伤人员进行及时抢救,必要时拨打120电话求救。
警示标志XXXX新型建材厂安全风险辨识分级管控告知卡风险点名称全自动切坯机风险等级低/D级易发生的事故类型机械伤害、触电编号QQJC-03主要防范措施1、非本机人员不得操作。
2、给员工配发相应劳保用品。
3、加强安全教育,张贴警示标志,提高安全意识。
4、更换钢线时必须停机,严禁开机挂钢线,以免碰手、挤手,同时脚应离开脚踏开关。
第一责任人XXX应急处置措施1、设备运转时,发生事故或出现故障及时停车。
2、对受伤人员进行及时抢救,必要时拨打120电话求救。
警示标志XXXX新型建材厂安全风险辨识分级管控告知卡风险点名称自动码坯机风险等级低/D级易发生的事故类型机械伤害、触电编号QQJC-05主要防范措施1、非本机人员不得操作。
2、给员工配发相应劳保用品。
3、加强安全教育,张贴警示标志,提高安全意识。
4、机器运行时,操作人员不得离开岗位,以免发生应急情况,遇到突发危险应按急停按钮。
5、码坯机断电顺序应遵循先按下停止按钮,再进行关机,再切断电源的原则。
第一责任人XXX应急处置措施1、设备运转时,发生事故或出现故障及时停车。
2、立即疏散周边人群,对事故现场实施隔离和警戒。
3、对受伤人员进行及时抢救,必要时拨打120电话求救。
生产经营单位安全生产风险管控清单前言随着现代社会的发展,各行各业的生产经营单位处于不同程度的风险之中。
在实践中,事故频频发生的原因之一,是对生产经营单位所面临的风险预估不足以及风险管控不彻底。
为了确保生产经营单位的生产经营活动安全可靠,减少各种生产安全事故的发生,为员工、企业以及公众的生命财产安全提供保障,对生产经营单位的安全生产风险管控清单进行了总结。
生产经营单位安全生产风险管控清单一、员工操作风险(一)作业前的风险评估在进行培训和考核后,生产经营单位应该为每一项任务编制操作规程,通过对策划、预估的风险进行分析、评估,确定应采取的控制措施,为员工的操作安全提供保障。
(二)风险控制方法在管理人员参照操作规程进行操作的情况下,进行风险控制。
个人应遵守工作有关规定,确保自己的行为不会影响他人的安全。
二、物理风险(一)设施安全规范设施安全标准的检查、规范化等工作,是确保生产经营单位安全生产的重要措施之一。
目的是检查设施是否存在安全隐患,为消除和控制设施安全隐患提供法律、技术、管理等方面的指导。
同时,制定设施安全管理制度,加强设施的运行维护,推进设施安全保障工作。
(二)技术设施完善生产经营单位应按照《复杂工艺条件下的综合安全管理规定》所规定的安全设施要求,配备必要的安全设施和完善的紧急措施。
建立控制面、如捕捉面等长度和剖面;长江下游、靠近工厂等水体区域、港口邻近区域、中间储油罐容易滑移等设计依据;地震和内蒙古草原的降雨标准等信息,为紧急措施的部署与执行提供科学依据。
三、环境污染风险(一)环境保护标准对于企业自己的污染物产生量进行内部监测,根据国家和地方的有关标准来确定企业的污染物排放限值。
企业在确定了环境保护标准之后,应对其进行严格的监控和管理,确保企业符合相关的法律规定和环境保护要求。
(二)污染物运输和处置生产经营单位在进行污染物运输和处置时,必须对危险性物质的规程有严格要求,并在运输和处置过程中建立起相应的控制措施。
精品文档文件编号:AQFJFXGK002 受控状态:受控xxxx安全风险管控清单隐患排查治理清单编制:审核:批准:2018年03月目录目录1.生产经营单位基本信息 (2)2.作业活动清单 (4)3.主要设备设施清单 (7)3.职业病危害风险清单 (11)4.安全检查表分析(SCL)评价记录 (13)5.工作危害分析(JHA)评价记录 (50)6.风险点登记台账 (91)7.设备设施风险分级管控清单 (92)8.作业活动风险分级管控清单 (108)9.风险点统计表(设备设施) (158)10.风险点统计表(作业活动) (162)11.危险源统计表(设备设施) (166)12.危险源统计表(作业活动类) (170)13.作业活动风险管控登记台账 (172)14.设备设施风险管控登记台账 (175)15.公司各级风险分级管控责任一览表 (179)16、xxxxx基础管理类隐患排查清单 (180)17、xxxxxx基础管理类隐患排查台账 (188)18、现场(作业活动)类隐患排查治理清单 (195)19.现场管理(设备设施类)隐患排查治理清单 (203)20、xxxxxx现场类隐患排查治理台帐 (212)21、2017年隐患排查计划 (240)22、2018年隐患排查计划 (241)23、现场(设备设施)类隐患排查表 (242)24、现场(作业活动)类隐患排查表 (254)25、隐患排查治理通报 (264)26、一般事故隐患排查治理登记表 (265)27、隐患整改台账 (267)28、安全隐患整改通知单 (269)29、一般隐患登记及整改销号审批表 (274)30、隐患排查治理公示牌 (279)31、重大事故隐患排查治理登记表 (280)32、安全生产风险点登记表 (282)32、安全生产隐患点登记表 (289)32、职业危害风险点登记表 (294)32、职业危害隐患点登记表 (298)33、安全风险分级管控告知牌 (300)1.生产经营单位基本信息2.作业活动清单xxxx有限公司主要作业活动清单..填表人:填表日期:年月日审核人:审核日期:年月日(活动频率:频繁进行、特定时间进行、定期进行。
生产经营单位安全生产风险管控清单安全生产是生产经营单位的首要任务,它关系到员工的生命安全和企业的可持续发展。
为了确保生产过程中的安全,企业需要建立起一套科学有效的风险管控清单,以全面识别、评估和控制潜在的安全风险。
本文将从四个方面进行阐述,分别是:风险识别、风险评估、风险控制和应急预案。
1. 风险识别风险识别是安全生产的第一步,它要求企业全面了解生产过程中可能存在的危险因素。
企业可以通过以下途径进行风险识别:1.定期组织安全检查,发现并记录现场存在的安全隐患;2.建立安全巡检制度,定期对生产设备、场所进行巡视,及时发现潜在风险;3.借鉴类似企业的安全事故案例,总结经验教训,提高自身的风险识别能力;4.听取员工的意见和建议,他们在生产过程中可能会发现一些潜在的安全隐患。
2. 风险评估风险评估是对已经识别的风险进行综合分析和评价,确定其危害程度和可能性。
针对不同的风险,企业可以采用以下方法进行评估:1.制定评估指标,包括危害程度、发生频率、暴露时间等;2.运用定量和定性方法,对不同风险进行定级,以确定优先处理的风险;3.借助专业的安全评估机构,进行全面的风险评估,得出科学可靠的评估结果;4.结合风险评估结果,制定相应的风险管理措施。
3. 风险控制风险控制是针对已经评估出来的风险制定相应的预防和控制措施,以最大程度地降低事故发生的可能性和危害程度。
在风险控制过程中,企业可以采取以下措施:1.优化工艺流程,减少危险因素的产生和扩散;2.加强设备维护和保养,确保其正常运行;3.定期进行员工安全培训,提高其安全意识和操作技能;4.设立安全管理岗位,建立安全责任制和安全奖惩机制;5.安装安全设施,如防爆设备、灭火器等,增强应急处置能力。
4. 应急预案应急预案是为了应对突发事故而制定的应急救援措施和应急处置方案。
企业应制定科学完善的应急预案,并进行常态化的演练和培训,以提高应急响应能力。
应急预案应包括以下要素:1.突发事件的分类和级别划分;2.应急响应机构的组织架构和职责分工;3.应急救援队伍的组建和培训;4.突发事件的应急处置流程和方法;5.与外部救援力量的协调和沟通机制。
精品文档文件编号:AQFJFXGK002 受控状态:受控xxxx安全风险管控清单隐患排查治理清单编制:审核:批准:2018年03月目录目录1.生产经营单位基本信息 (2)2.作业活动清单 (4)3.主要设备设施清单 (7)3.职业病危害风险清单 (11)4.安全检查表分析(SCL)评价记录 (13)5.工作危害分析(JHA)评价记录 (50)6.风险点登记台账 (91)7.设备设施风险分级管控清单 (92)8.作业活动风险分级管控清单 (108)9.风险点统计表(设备设施) (158)10.风险点统计表(作业活动) (162)11.危险源统计表(设备设施) (166)12.危险源统计表(作业活动类) (170)13.作业活动风险管控登记台账 (172)14.设备设施风险管控登记台账 (175)15.公司各级风险分级管控责任一览表 (179)16、xxxxx基础管理类隐患排查清单 (180)17、xxxxxx基础管理类隐患排查台账 (188)18、现场(作业活动)类隐患排查治理清单 (195)19.现场管理(设备设施类)隐患排查治理清单 (203)20、xxxxxx现场类隐患排查治理台帐 (212)21、2017年隐患排查计划 (240)22、2018年隐患排查计划 (241)23、现场(设备设施)类隐患排查表 (242)24、现场(作业活动)类隐患排查表 (254)25、隐患排查治理通报 (264)26、一般事故隐患排查治理登记表 (265)27、隐患整改台账 (267)28、安全隐患整改通知单 (269)29、一般隐患登记及整改销号审批表 (274)30、隐患排查治理公示牌 (279)31、重大事故隐患排查治理登记表 (280)32、安全生产风险点登记表 (282)32、安全生产隐患点登记表 (289)32、职业危害风险点登记表 (294)32、职业危害隐患点登记表 (298)33、安全风险分级管控告知牌 (300)1.生产经营单位基本信息2.作业活动清单xxxx有限公司主要作业活动清单..填表人:填表日期:年月日审核人:审核日期:年月日(活动频率:频繁进行、特定时间进行、定期进行。
安全生产风险管控清单安全生产风险管控清单一、风险管控的定义和目的安全生产风险管控是指通过对各类风险进行科学识别、评估和预防,采取相应的管理措施,控制和降低风险,保障员工的人身安全和财产安全。
风险管控的目的是为了减少事故发生的概率,及时发现隐患并采取有效的措施进行防范,确保生产过程中的安全。
二、安全生产风险管控的原则1. 预防为主:着重从源头上预防事故的发生,通过改善生产条件和生产方式,减少事故潜在隐患,提高生产安全性。
2. 综合管理:将风险管控纳入企业的整体管理体系,与生产经营相协调,实现安全生产与经济效益的统一。
3. 合理布局:根据风险等级和特点,合理布置安全设施和防护设备,确保其在各个环节发挥作用。
4. 完善制度:建立健全安全管理制度,明确各个岗位的责任和权限,加强安全培训和教育,提高员工的安全意识和操作技能。
三、风险管控的步骤1. 风险识别:确定风险的种类和来源,对可能存在的风险进行排查和分析。
可通过开展安全检查、隐患排查、事故调查等方式进行。
2. 风险评估:评估风险的可能性和严重程度,对风险进行定性和定量的评估分析,确定风险等级。
3. 风险控制:采取相应的控制措施,包括技术措施、管理措施和组织措施等,控制风险的发生和影响。
4. 风险监测:对已采取的风险控制措施进行监测和检验,及时发现和处理问题,确保措施的有效性和可行性。
5. 风险溯源:通过对事故的溯源分析,找出事故发生的原因和责任,采取相应的措施和改进措施,避免类似事故再次发生。
四、常见的安全生产风险和管控措施1. 机械设备风险:进行定期维护和保养,安装安全防护设备,制定作业规范,加强培训和操作指导。
2. 电气安全风险:加强对电气设备的巡检,合理布局电源和电线,定期进行电气设备检修和维护。
3. 物料储存风险:分类储存,合理堆放,对易燃、易爆物品做好防护措施,定期查看和检验。
4. 劳动环境风险:提供良好的工作环境,保证室内空气质量,合理调节温湿度,减少噪音和震动对员工的危害。
生产经营单位安全生产风险管控清单1. 设备设施清单列出所有设备设施,包括生产设备、机器工具、电气线路、管道阀门等,并详细记录设备的名称、型号、位置、使用年限、安全状况等信息。
对于存在安全隐患的设备设施,需及时进行维修更换。
2. 危险品管理列出所有涉及的危险品,包括化学品、易燃易爆物品、放射性物质等,并制定危险品管理制度,建立危险品台账,定期进行危险品检查,确保危险品存放和使用安全。
3. 人员培训记录建立员工培训档案,记录员工的安全培训内容和时间,确保员工接受必要的安全培训,提高员工的安全意识和技能水平。
4. 风险评估与控制定期进行风险评估,识别出存在的安全隐患和风险,并采取相应的措施进行控制和防范。
对于重大风险,需制定专项预案,确保风险得到有效管控。
5. 安全检查及隐患排查建立安全检查及隐患排查制度,定期对生产现场和设备设施进行检查,及时发现和排除存在的安全隐患。
对于发现的隐患,需及时进行整改,并记录整改情况。
6. 应急预案及演练制定应急预案,明确应急响应流程和责任人,确保在突发事件发生时能够迅速响应并采取有效措施进行处置。
同时,需定期组织应急演练,提高应急响应能力。
7. 安全制度及执行情况制定健全的安全管理制度和操作规程,明确各项安全管理要求和责任。
对于安全管理制度的执行情况,需定期进行检查和考核,确保各项安全管理制度得到有效落实。
8. 事故报告及处理情况对于发生的事故,需及时进行报告,并采取积极有效的措施进行处理,确保事故得到及时妥善的处置。
同时需对事故进行总结和调查分析,制定相应的预防措施。
9. 安全投入及费用台账建立安全投入及费用台账,详细记录安全投入的费用、用途和时间等信息,以及资金来源和使用情况等。
这些投入包括设备的更新和维护费用、员工的安全培训费用、危险品的检测和处理费用等,以及为了应对安全风险而引进先进的技术或设备的费用等。
通过这种台账式的记录和管理方式,可以更好地跟踪和掌握安全投入的情况,进一步提高安全管理的效率和效果。
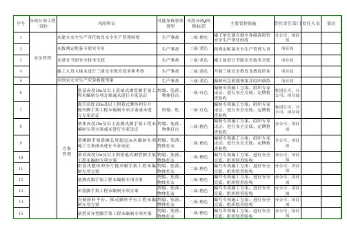
一、作业活动清单单位:销售车间岗位:发货、罐区岗位分析日期: 2022 年 1 月 4 日保存期限: 2 年1 2 3 4 5 6 JHA-2022-01JHA-2022-02JHA-2022-03JHA-2022-04JHA-2022-05JHA-2022-06PLC 系统装车导通产品输出线产品取样切断产品输出线废液处理DCS 系统输转作业提单录入设备连接启动装车设备断开开启罐区阀门开启现场阀门开启机泵润洗取样关闭罐区阀门关闭现场阀门关闭机泵安放废液桶打开管线开关关闭管线开关送至回收站确认信息开启阀门..记录信息二、工作危害分析记录表编号: JHA-2022-001 单位:销售车间分析日期: 2022 年 1 月 4 日 工作岗位:发货岗位保存期限: 2 年作业活动: PLC 系统装车序号1234工作步骤提单录入设备连接启动装车设备断开 危害或者潜在事件信息录入错误,信息 未录入,系统故障静电接地设备未连 接,溢油设备未连接, 鹤管未按指定标准放置未经确认开始装车各设备未按规定断开主要后果及现有安全控制措施 主要后果 管理措施 员工胜任程度班前做好PLC系统及各设信息错误人身伤害 产品泄漏人身伤害 信息错误人身伤害 设备损坏备的检查工 作,加强岗位 培训, 严格执 行操作规程 现场工作人 员指导司机 使用装车设备 现场工作人 员与主控室 工作人员做 好沟通工作 现场工作人 员指导司机 使用装车设备胜任胜任胜任胜任L2222 S2222R4444 建议改进措施 L S RⅡⅡⅡⅡJHA 分析小组人员:张广曌审 核 人:王聪.风险 等级 风险 等级.编号: JHA-2022-002 单位:销售车间 分析日期: 2022 年 1 月 4 日 工作岗位:发货岗位保存期限: 2 年作业活动: 导通产品输出线JHA 分析小组人员:张广曌审 核 人:王聪主要后果及现有安全控制措施 主要后果 管理措施 员工胜任程度佩戴劳保用品,加强岗位人身伤害 产品泄漏人身伤害 产品泄漏人身伤害培训, 严格执 行操作规程, 定期维护、 检查 佩戴劳保用 品,加强岗位 培训, 严格执 行操作规程, 定期维护、 检查 加强岗位培 训,严格执行 操作规程胜任胜任胜任建议改进措施 L S RⅡⅡⅡ序号 工作步骤1 开启罐区阀门2 开启现场阀门3 开启机泵危害或者潜在事件未按操作规程操作 未佩戴劳保用品阀门渗漏未按操作规程操作 未佩戴劳保用品阀门渗漏未按操作规程操作L222 R444 S222 风险 等级风险 等级.编号: JHA-2022-003 单位:销售车间 分析日期: 2022 年 1 月 5 日 工作岗位:发货岗位保存期限: 2 年作业活动: 产品取样JHA 分析小组人员:张广曌 审 核 人:王聪主要后果及现有安全控制措施主要后果产品污染人身伤害 产品泄漏管理措施 加强岗位培 训,严格执行 操作规程 佩戴劳保用 品,严格执行 操作规程员工胜任程度胜任胜任危害或者潜在事件残液随意倾倒未按操作规程操作 未带劳保用品工作步骤润洗取样风险 等级IⅡ序号12建议改进措施风险 等级L12 R24 S22 L S R编号: JHA-2022-004 单位:销售车间 分析日期: 2022 年 1 月 5 日 工作岗位:发货岗位保存期限: 2 年作业活动: 切断产品输出线序号 工作步骤1 关闭罐区阀门2 关闭现场阀门3 关闭机泵危害或者潜在事件未按操作规程操作阀门渗漏未按操作规程操作阀门渗漏未按操作规程操作 主要后果及现有安全控制措施主要后果人身伤害产品泄漏人身伤害 产品泄漏人身伤害管理措施 加强岗位培 训,严格执行操作规程, 定 期维护、 检查 加强岗位培 训,严格执行操作规程, 定 期维护、 检查 加强岗位培 训,严格执行 操作规程员工胜任程度胜任胜任胜任L222 S222R444 建议改进措施 L S RⅡⅡⅡJHA 分析小组人员:张广曌审 核 人:王聪.风险 等级 风险 等级.编号: JHA-2022-005 单位:销售车间 分析日期: 2022 年 1 月 5 日 工作岗位:发货岗位保存期限: 2 年作业活动: 废液处理JHA 分析小组人员:张广曌 审 核 人:王聪主要后果及现有安全控制措施主要后果产品泄漏人身伤害 产品泄漏人身伤害 产品泄漏人身伤害 产品泄漏 管理措施 加强岗位培 训,严格执行操作规程 加强岗位培训,严格执行 操作规程, 定 期维护、 检查 加强岗位培训,严格执行 操作规程, 定 期维护、 检查 由工作人员集中采集废液,统一运至回收站处理员工胜任程度胜任胜任胜任胜任建议改进措施 L S RⅡⅡⅡⅡ序号 工作步骤1 安放废液桶2 打开管线开关3 关闭管线开关4 送至回收站危害或者潜在事件未按操作规程操作未按操作规程操作阀门渗漏未按操作规程操作阀门渗漏运输过程中产品溅出 随意倾倒 L2222 R4444 S2223 风险 等级风险 等级.编号: JHA-2022-006 单位:销售车间分析日期: 2022 年 1 月 5 日 工作岗位:发货岗位保存期限: 2 年作业活动: DCS 系统输转作业序号1234工作步骤确认信息开启阀门关闭阀门记录信息 危害或者潜在事件未与化验室进行信息 确认,转前系统数据记录不清未按操作规程操作阀门渗漏未按操作规程操作阀门渗漏转后数据记录不清 主要后果及现有安全控制措施主要后果信息错误 污染产品人身伤害 产品泄漏人身伤害 产品泄漏信息错误管理措施 加强岗位培 训,严格执行 操作规程, 做 好与化验室 的沟通工作 加强岗位培 训,严格执行操作规程, 定 期维护、 检查 加强岗位培 训,严格执行 操作规程定期维护、 检查 加强岗位培 训,严格执行 操作规程员工胜任程度胜任胜任胜任胜任L2222 S2332R4664 建议改进措施 L S RⅡⅡⅡⅡJHA 分析小组人员:张广曌 审 核 人:王聪风险 等级 风险 等级编号: JHA-2022-007 单位:销售车间分析日期: 2022 年 1 月 5 日工作岗位:发货岗位保存期限: 2 年作业活动:辛醇外输作业序号1 2 3 4 5 6 工作步骤记录信息开启阀门开启机泵关闭机泵关闭阀门记录信息危害或者潜在事件未按操作规程操作转前信息记录不清未按操作规程操作阀门渗漏未按操作规程操作未按操作规程操作未按操作规程操作阀门渗漏未按操作规程操作转后信息记录不清主要后果及现有安全控制措施主要后果信息错误人身伤害产品泄漏人身伤害人身伤害人身伤害产品泄漏信息错误管理措施加强岗位培训,严格执行操作规程加强岗位培训,严格执行操作规程,定期维护、检查未按操作规程操作加强岗位培训,严格执行操作规程加强岗位培训,严格执行操作规程,定期维护、检查加强岗位培训,严格执行操作规程员工胜任程度胜任胜任胜任胜任胜任胜任L222222S222222R444444建议改进措施 L S RⅡⅡⅡⅡⅡⅡJHA 分析小组人员:张广曌审核人:王聪. 风险等级风险等级.三、设备设施清单序号设备名称岗位1 发货鹤位成品发货2 成品储罐成品罐区3 地磅电子衡4 电器设备销售车间四、安全检查分析表(SCL)单位:多维销售车间设备名称:发货鹤位编号: 001序号1 2 3 4 5 6 7检查项目基础机泵机电路线遮阳罩粗过滤器二级分离过滤检查标准1 鹤位基础固定完好2 鹤位基础无破损、开裂现象3 鹤位相关设备无过大震动1 机泵无异响、发热2 机泵润滑良好1 机电无异响、发热2 机电散热良好1 电源线无破损漏电2 接线板无发热3 接线柱、引线锈蚀、断裂1 遮阳罩无破损且安装位置正确2 遮阳罩锈蚀情况轻微1 法兰无渗漏2 过滤网无阻塞3 密封圈完好1 法兰无渗漏未达标的主要后果1 设备损坏、系统影响2 设备损坏、系统影响3 设备损坏、系统影响1 设备损坏、系统影响2 设备损坏、系统影响1 设备损坏、系统影响2 设备损坏、系统影响1 人员伤害、设备伤害2 设备损坏、系统影响3 设备损坏、系统影响1 缩短鹤位寿命2 缩短鹤位寿命1 产品渗漏2 降低过滤效率3 产品渗漏1 产品渗漏现有控制措施1 巡查检查2 巡查检查3 巡查检查1 巡查检查2 定期注油1 巡查检查2 巡查检查1 巡查检查2 大修检查3 大修检查1 巡查检查2 巡查检查1 巡查检查2 观测装车流量3 巡查检查1 巡查检查建议更正L控制措施1122211122221111S3333222433222222R3366422466442222风险等级IIⅡⅡⅡIIⅡⅡⅡⅡⅡIIII..2 过滤材质完好3 密封圈完好4 放气阀完好5 放空阀完好 1 法兰无渗漏 2 填料充足 1 法兰无渗漏 2 表头读数正常 1 法兰无渗漏 2 仪表空气无渗漏 3 信号传输良好 1 信号传输良好 2 设备完好 1 转动良好 2 固定良好 1 接地线连接正常 2 接地信号传输正常 1 信号传输正常 2 报警正常分析人员: 张广曌 分析时间: 2022-1-42 降低过滤效率3 产品渗漏4 无法排除内部气体5 无法排除内部积水 1 产品渗漏 2 产品渗漏 1 产品渗漏 2 记录不许确 1 产品渗漏 2 影响气阀开关 3 影响气阀开关 1 影响装车信号传送 2 设备损坏 1 影响装车效率 2 影响装车效率 1 影响信号传输 2 静电起火 1 影响信号传输 2 造成产品溢出2 观测装车流量3 巡查检查4 巡查检查5 巡查检查 1 巡查检查 2 巡查检查 1 巡查检查 2 巡查检查 1 巡查检查 2 巡查检查 3 巡查检查 1 巡查检查 2 巡查检查 1 巡查检查 2 观测装车流量 1 巡查检查 2 巡查检查 1 巡查检查 2 巡查检查启动键鹤臂接地线溢油探头I I I I I I I I I I I I I Ⅱ Ⅱ I Ⅱ I Ⅱ闸阀质量流量计2 2 2 2 2 2 2 2 2 2 2 2 2 6 6 2 4 2 42 2 2 2 2 2 2 2 2 2 2 2 2 2 2 2 2 2 21 1 1 1 1 1 1 1 1 1 1 1 1 3 3 12 1 21 01 1 12 13 1 4气动阀器 89.单位:多维销售车间设备名称:成品储罐编号: 002序号1 2 3 4 5 6 7检查项目基础楼梯护栏安全警示标志、告知牌路面可燃气体探测器消防器材检查标准1 储罐基础固定完好2 储罐基础无破损、开裂现象3 储罐相关设备无过大震动1 完好、无破损1 完好、无破损1 充足、明显、规范1 平整、无坑洼1 及时报警2 按规定安装1 完好、数量充足2 压力正常未达标的主要后果1 设备损坏、系统影响2 设备损坏、系统影响3 设备损坏、系统影响1 设备损坏、坠落人身伤害1 设备损坏、坠落人身伤害1 人员对危害认识不足1 人员摔伤1 不能及时发现事故2 无法正常报警1 发生火灾时延误救援时间2 无法正常使用现有控制措施1 巡查检查2 巡查检查3 巡查检查1 巡查检查1 巡查检查1 巡查检查1 巡查检查1 巡查检查2 安装说明书1 巡查检查2 巡查检查建议更正L控制措施11233121222S33332422222R33696442444风险等级IIⅡⅡⅡⅡⅡIⅡⅡⅡ...1 产品渗漏2 产品渗漏 1 设备损坏 1 产品渗漏 2 影响气阀开关3 影响气阀开关 1 影响产品输转 2 造成产品泄漏、火灾 Ⅱ 0 1 影响观测储罐温度 2 影响观测储罐温度 1 影响观测储罐液位 2 影响观测储罐液位 1 影响火灾救援工作 2 无法有效产生消防泡沫 1 影响火灾救援工作 1 氮气压力不正常 1 无法平衡罐内压力 1 防止储罐内外火源串燃分析人员: 张广曌 分析时间: 2022-1-41 法兰无渗漏2 填料充足 1 完好 1 法兰无渗漏 2 仪表空气无渗漏3 信号传输良好 1 连接完好2 无泄漏1 读数正常2 数据反馈及时 1 读数正常 2 数据反馈及时 1 管线无渗漏 2 正常产生泡沫 1 管线无渗漏 1 工作正常1 工作正常 1 正常阻火功能1 巡查检查2 巡查检查 1 巡查检查 1 巡查检查 2 巡查检查3 巡查检查 1 巡查检查 2 巡查检查1 巡查检查 2DCS 系统观测 1 巡查检查 2DCS 系统观测 1 巡查检查2 巡查检查 1 巡查检查 1 巡查检查 1 巡查检查 1 巡查检查温度计液位计泡沫发生器消防水管线 自力式调节阀 呼吸阀 阻火器闸阀避雷针气动阀2 2 2 2 2 2 352 2 2 2 2 2 2 2 2 21 1 3 1 1 1 121 1 123 2 1 1 2 1 I I I Ⅱ Ⅱ Ⅱ I I Ⅱ I2 2 2 4 6 4 2 2 4 21415 16 17 18I I Ⅱ I I I I 2 2 6 2 2 2 3 1 进出管道 89 1013 1112.单位:多维销售车间设备名称:电子衡编号: 003.检查标准1 地磅基础固定完好2 地磅基础无破损、开裂现象3 地磅相关设备无过大震动1 完好、无破损1 完好、无破损1 充足、明显、规范1 平整、无坑洼未达标的主要后果1 设备损坏、系统影响2 设备损坏、系统影响3 设备损坏、系统影响1 设备损坏、坠落人身伤害1 设备损坏、坠落人身伤害1 人员对危害认识不足1 人员摔伤现有控制措施1 巡查检查2 巡查检查3 巡查检查1 巡查检查1 巡查检查1 巡查检查1 巡查检查建议更正L控制措施1122213检查项目基础楼梯护栏安全警示标志、告知牌路面风险等级IIⅡⅡⅡⅡⅡ序号1 2 3 4 5R3366446 S33332421 表面清洁、无油污、无积雪2 表面平整 1 数据传输正常 2 传感器无锈蚀 1 稳定器长度适当 1 设备完好、读数正常 1 完好、无锈蚀分析时间: 2022-1-4设备名称:电器设备建议更正 控制措施1 开关机正常、使用正常2 系统软件正常3 运行稳定1 设备完好、正常使用2 信号传输及时3 打印质量高.1 车辆在磅上发生侧滑2 过磅数据不许确 1 过磅数据不许确 2 影响数据准确度 1 磅体稳定过慢1 设备损坏、读数不许确 1 设备损坏、影响过磅未达标的主要后果1 设备损坏、系统影响2 影响装车或者转罐作业3 影响装车或者转罐作业1 设备损坏、影响使用 1 无法正常开具单据现有控制措施1 巡查检查2 定期更新系统3 日常维护 1 日常维护 2 日常维护 3 日常维护1 及时清理2 定期调教 1 定期调教 2 巡查检查 1 巡查检查 1 巡查检查 1 巡查检查磅体传感器稳定器 电子过磅仪 挡杆风险等级Ⅱ Ⅱ Ⅱ Ⅱ Ⅱ I序检查项目号分析人员: 张广曌 R4 6 4 4 4 2单位:多维销售车间I Ⅱ I Ⅱ Ⅱ I IS2 2 2 2 2 1 78 9 10L2 3 2 2 2 22 4 2 4 43 22 打印机2 2 2 2 23 21 2 1 2 2 1 1 1 电脑编号: 004检查标准6.1 发生火灾时延误救援时 间2 无法正常使用 1 影响日常工作交流 1 影响日常使用 1 影响日常使用分析人员: 张广曌 分析时间: 2022-1-41 完好、数量充足2 压力正常1 设备完好、正常使用 1 正常使用、不漏电 1 设备完好、正常使用1 巡查检查2 巡查检查 1 日常维护 1 日常维护 1 日常维护电话 饮水机 空调ⅡⅡ I I Ⅱ44 12 422 12 2 22 1 1 2 消防器材 4 5 63五、分级管控措施I、Ⅱ级风险管控层级为岗位Ⅲ级风险管控层级为班组Ⅳ级风险管控层级为车间Ⅴ级风险管控层级为公司1、开具提货单当神剑公司需要进行辛醇采购时,需派专人在多维供销部开票室开具发货通知单,并通知多维销售车间成品罐区值班人员(以下简称成品罐区)。
安全生产风险管控清单安全生产风险管控清单一、建立完善的安全生产管理制度1. 编制和修订公司安全生产管理制度,规范各项安全操作流程。
2. 设立安全生产管理部门,明确责任分工,建立健全安全生产管理制度。
3. 开展安全教育培训,确保员工具备必要的安全知识和技能。
二、加强对安全设施的维护和检修1. 定期检查维护生产设备和安全设施的功能性和完整性。
2. 制定紧急事故应急预案,教育员工掌握应急处置措施和设备操作方法。
3. 安装和维护消防设施,实施火灾防控措施,确保紧急疏散通道畅通。
三、加强对现场作业操作的监督和管理1. 制定详细的作业操作规程,明确各类作业的操作流程和安全措施。
2. 加强对高风险作业的监督,确保操作人员具备相关技能和经验。
3. 加强对特殊作业人员的资质认证,确保其具备相应的操作能力。
四、加强安全风险评估和控制1. 定期开展安全生产风险评估,识别和评估可能存在的安全风险。
2. 制定相应的安全风险控制方案,采取有效的控制措施控制安全风险。
3. 加强对危险化学品和有害物质的管理,确保其储存和使用符合相关规定。
五、加强对员工的健康管理1. 严格遵守劳动保护法律法规,确保员工的劳动安全和身体健康。
2. 加强职业病防治工作,定期对员工进行体检和职业病危害评估。
3. 健全员工健康档案,记录员工的健康状况,及时发现和解决健康问题。
六、加强安全生产监督和整改1. 定期组织安全生产检查,发现并整改存在的安全隐患。
2. 加强对外部承包单位的监督管理,确保其安全生产达到要求。
3. 建立和完善安全事故报告和调查制度,对发生的安全事故进行调查和处理。
七、加强安全生产宣传教育1. 制定安全生产宣传计划,组织各类安全培训和宣传活动。
2. 制作和发放安全宣传资料,提高员工安全意识和责任心。
3. 建立安全生产宣传教育档案,及时更新宣传教育内容。
以上是安全生产风险管控的清单,通过落实以上要点,可以有效预防和控制生产过程中的各类安全风险,确保员工的生命安全和身体健康。
安全生产风险点清单
日期:编制: 审核: 批准:
填表说明:1.风险点名称应涵盖公司所有设备设施、场所、区域、生产经营全过程所有常规和非常规状态的作业活动等;
2 .可能导致的事故类型应结合工贸行业特点依据GB6441填写,包括物体打击、车辆伤害、机械伤害、起重伤害、触电、淹溺、灼烫、
火灾、高处坠落、坍塌、锅炉爆炸、容器爆炸、其它爆炸、中毒和窒息,以及其它伤害等;
3 .区域位置按设备设施、作业活动所在区域划分;
4 .管控层级是指根据企业机构设置情况确定的管控层级,一般分为公司级、车间级、班组和岗位级。
安全生产风险管控清单安全生产风险管控清单主要包括以下内容:1. 安全生产责任制度:明确各级管理人员、职工和各生产部门的安全生产责任,建立健全相关制度和流程。
2. 安全规章制度:制定和完善各类安全操作规程、作业指导书、应急预案等,确保员工遵守操作规范。
3. 安全生产培训:组织员工进行安全生产培训,包括安全操作技能培训、应急处理培训等。
4. 安全设备维护:定期检查和维护各类安全设备,确保设备正常运行。
5. 安全隐患排查:定期开展安全隐患排查,做到发现一起、整改一起。
6. 安全生产检查:建立定期巡查制度,检查现场作业环境,发现问题及时处理。
7. 事故隐患整改:对发现的事故隐患,及时采取措施整改,并报告上级主管部门。
8. 应急救援演练:定期组织应急救援演练,提高员工的应急处理能力和应变能力。
9. 安全生产宣传:加强安全生产宣传,增强员工的安全意识,提高安全生产意识。
10. 员工参与管理:鼓励员工参与安全生产管理,发挥员工的主观能动性。
11. 安全生产奖惩制度:建立健全安全生产奖惩机制,对安全工作突出的个人或单位给予表彰和奖励。
12. 高风险作业管理:对高风险作业进行专门的管理和监督,确保高风险作业的安全进行。
13. 外部协作单位管理:与外部协作单位建立安全生产合作协议,确保外部协作单位的安全生产。
14. 违规行为处理:对违规行为进行严肃处理,起到震慑作用,防止违规行为的发生。
15. 安全生产控制措施:根据风险评估结果,制定相应的安全生产控制措施,确保生产过程中的安全。
以上是安全生产风险管控清单的主要内容,企业可以根据实际情况适当进行调整和补充,确保安全生产工作的有效开展。
道路危货运输企业作业活动清单填表人:填表日期:年月日审核人:审核日期:年月日注:填表说明:活动频率:频繁进行、特定时间进行、定期进行,当选用风险矩阵分析法(LS)时可不填写活动频率。
道路危货运输企业设备设施清单No:填表人:填表日期:年月日审核人:审核日期:年月日注1:设备类别:运输设备、特种设备、施工设备、电气设备、检测设备、消防、环保与应急设备、其他设施设备类。
注2:参照设备设施台帐,按照类别归类,型号相同的设备设施可合并,在备注内写明数量。
注3:厂房、仓库、场站、办公楼等可以放在表的最后列出。
(记录受控号)单位:岗位:驾驶员风险点(作业活动)名称:车辆驾驶作业№: 0115(记录受控号)单位:岗位:驾驶员风险点(作业活动)名称:车辆驾驶作业№: 0116(记录受控号)单位:岗位:驾驶员风险点(作业活动)名称:车辆驾驶作业№: 0117(记录受控号)单位:岗位:驾驶员风险点(作业活动)名称:车辆驾驶作业№: 0118(记录受控号)单位:岗位:驾驶员风险点(作业活动)名称:车辆驾驶作业№: 0119(记录受控号)单位:岗位:驾驶员风险点(作业活动)名称:车辆驾驶作业№: 0120(记录受控号)单位:岗位:驾驶员风险点(作业活动)名称:车辆驾驶作业№: 0121(记录受控号)单位:岗位:驾驶员风险点(作业活动)名称:车辆驾驶作业№: 0122道路危货运输企业工作危害分析(JHA+LEC)评价记录(记录受控号)单位:岗位:驾驶员风险点(作业活动)名称:车辆驾驶作业№: 01道路危货运输企业工作危害分析(JHA+LEC)评价记录(记录受控号)单位:岗位:驾驶员风险点(作业活动)名称:车辆驾驶作业№: 01道路危货运输企业工作危害分析(JHA+LEC)评价记录(记录受控号)单位:岗位:驾驶员风险点(作业活动)名称:车辆驾驶作业№: 01分析人:日期:审核人:日期:审定人:日期:道路危货运输企业安全检查表分析(SCL+LS)评价记录(记录受控号)单位:岗位:风险点(区域/装置/设备/设施):柴油(汽油)车辆№:01道路危货运输企业安全检查表分析(SCL+LS)评价记录(记录受控号)单位:岗位:风险点(区域/装置/设备/设施):柴油(汽油)车辆№:01道路危货运输企业安全检查表分析(SCL+LS)评价记录(记录受控号)单位:岗位:风险点(区域/装置/设备/设施):柴油(汽油)车辆№:01道路危货运输企业安全检查表分析(SCL+LS)评价记录(记录受控号)单位:岗位:风险点(区域/装置/设备/设施):柴油(汽油)车辆№:01道路危货运输企业安全检查表分析(SCL+LS)评价记录(记录受控号)单位:岗位:风险点(区域/装置/设备/设施):柴油(汽油)车辆№:01分析人:日期:审核人:日期:审定人:日期:道路危货运输企业作业活动风险分级控制清单单位:道路危货运输企业作业活动风险分级控制清单单位:道路危货运输企业作业活动风险分级控制清单单位:道路危货运输企业作业活动风险分级控制清单单位:道路危货运输企业作业活动风险分级控制清单单位:道路危货运输企业作业活动风险分级控制清单单位:道路危货运输企业作业活动风险分级控制清单单位:道路危货运输企业作业活动风险分级控制清单单位:道路危货运输企业作业活动风险分级控制清单单位:道路危货运输企业作业活动风险分级控制清单单位:道路危货运输企业作业活动风险分级控制清单单位:道路危货运输企业作业活动风险分级控制清单单位:道路危货运输企业作业活动风险分级控制清单单位:道路危货运输企业作业活动风险分级控制清单单位:道路危货运输企业作业活动风险分级控制清单单位:道路旅客运输企业作业活动风险分级控制清单单位:道路旅客运输企业设备设施风险分级控制清单单位:道路旅客运输企业设备设施风险分级控制清单单位:道路旅客运输企业设备设施风险分级控制清单单位:道路旅客运输企业设备设施风险分级控制清单单位:道路旅客运输企业设备设施风险分级控制清单单位:道路旅客运输企业设备设施风险分级控制清单单位:道路旅客运输企业设备设施风险分级控制清单单位:重大风险统计表危险源统计表汽车客运站作业活动清单填表人:填表日期:年月日审核人:审核日期:年月日注1:活动频率:频繁进行、特定时间进行、定期进行,当选用风险矩阵分析法(LS)时可不填写活动频率。
生产安全风险管控清单生产安全风险管控清单一、前期准备工作1.评估现有生产设备和工艺流程的安全性,及时发现和修复潜在的安全隐患。
2.建立生产安全风险管控团队,明确各成员的职责分工,确保管控工作的顺利进行。
3.开展员工的安全教育培训,提高员工的安全意识和安全技能。
二、现场安全管理1.制定并贯彻各项安全制度和操作规程,确保作业人员遵守操作规程。
2.设立安全警示标志和安全警示牌,提醒作业人员注意安全事项。
3.配置必要的个人防护装备,如安全帽、防护眼镜、防护手套等,确保作业人员的人身安全。
4.规范作业人员的作业行为,禁止超负荷运输、超速驾驶等行为。
5.加强对各种危险品的管理和处置,确保危险品不会造成生产安全事故。
6.确保现场清洁整齐,防止因杂物堆放导致的摔倒、滑倒等事故。
三、设备安全管理1.定期检查和维护生产设备的安全性能,确保设备的正常运转。
2.制定设备的安全操作规程,禁止未经培训的人员擅自操作设备。
3.保养设备,定期更换老化的零部件,确保设备的安全性能。
4.对设备进行定期检测,及时发现并排除设备的隐患。
5.设备使用过程中发现问题要及时报修,避免因故障设备而引发的安全事故。
四、应急预案管理1.制定详细的应急预案,明确各岗位员工的应急任务和责任。
2.开展应急演练,提高员工应对突发事件的能力。
3.配备必要的应急救援装备,如灭火器、应急包等。
4.定期检查应急救援设备的完好性,确保设备在紧急情况下可靠使用。
5.建立应急事件的报告和处理机制,及时将应急事件报告上级部门并采取有效措施。
五、安全隐患排查整改1.定期开展安全隐患排查,发现并记录现场的安全隐患。
2.对发现的安全隐患进行评估,确定隐患的紧急程度和整改方案。
3.制定整改计划,明确整改责任人和整改期限。
4.对已整改和未整改的隐患进行跟踪检查,确保整改措施的有效性。
5.建立安全隐患汇报制度,及时向上级部门报告隐患情况。
六、安全风险监测与评估1.建立安全风险监测系统,及时获取生产过程中的安全信息。
填报单位(盖章):安全生产风险管控清单及填写说明
安全生产风险点危险源排查管控清单
填报日期:年月曰
安全生产风险点危险源排查管控清单》填表说明
1.【序号】请按照“一源一号”方式,顺序填写。
2.【上报单位】请填写行业主管单位名称。
3.【分类名称】详见附件1。
4.【具体名称】请填写具体风险点、危险源名称,如:“** 渣土受纳场” ,请注意名称的唯一性。
5.【潜在风险】请填写:(1)风险点、危险源的具体参数。
(2)发生事故时可能的影响范围、影响人员数量、可能的财产损失、环境影响、社会影响等关键数据。
6.【单位名称】:请填写风险点、危险源的主体责任单位营业执照名称或法定名称。
7.【负责人】:法定代表人或企业实际控制人。
8.【联系电话】:法定代表人或企业实际控制人的联系电话。
9.【风险等级】:详见附件2,表2-3 。
附件1
风险点、危险源分类参考目录
1.单位类:包括各类生产经营单位。
2.建设项目类:建筑工程、城市交通设施、水利工程、电力工程、市政工程、地下空间等大型建设项目;
3.设施设备类:轨道交通、电力设施、隧道桥梁(含高架桥)、管线管廊(燃气、石油、天然气、水、电等)、通信、建筑用升降机、电梯及游乐设施、煤气瓶、玻璃幕墙、户
外广告牌、城市旧挡土墙等重点设备设施;商船、游船、渡船、渔业船舶、客运班车、旅游包车、重型货车和汽车列车、建设施工单位散装物料车等重点交通运输设备设施。
4.其他类:上述分类中未能涉及但确实存在风险隐患的其他风险点和危险源。
附件2
风险分析、风险评级结果的表达
表2-1事故发生的可能性分析
表2-2事故发生的后果严重性分析
表2-3 风险评级(风险矩阵)
图例:■极高风险(红)■高风险(橙)■中风险(黄)■低风险(蓝)注:评级结果为无颜色区域的风险点、危险源不列入清单管理。