土方开挖原地面高程测量确认单
- 格式:docx
- 大小:29.29 KB
- 文档页数:1
一、主要施工办法土地平整1、测量放样根据设计单位提供的坐标控制点及水准测量点,用测量仪器进行放线定位,并用木桩做好标志,定出挖填区域及挖填深度。
根据测量结果和设计图纸进行土方平衡计算,制定合理的土方作业计划和就近调度方案,在一个区段范围内尽量做到挖填平衡,土方场地运输控制在推土机的经济推距内30米以内。
如存在较大差错时,邀请建设单位及设计单位进行协调,研究解决方案,如有较大变更设计,按规定的变更程序进行变更。
高程复核完后,则对该田块底层基础进行检查,看田块耕作层底下是否为砂漏地或淤泥,如是进行处理,以保证施工机械及人员的安全和耕作侧防渗能力。
2、表土剥离认真控制剥离厚度,剥离的表土中不得含有石块和杂物,剥离表土必须集中堆放,不得与弃土混堆。
必要时用塑料布遮盖,避免暴雨淋刷而使土壤流失。
3、地块平整(人工平土)表土剥离后,应及时填写相应的隐蔽工程验收报告,经监理单位验收签证合格后,才可进行地块平整。
平整应根据不同地形坡度,因地制宜整治成不同规格耕作田块。
在平整过程中应采取就近原则,尽量做到挖填平衡,对于填土地块要用推土机或其它设备进行推平、压实,使其形成具有较好防渗、防漏性能的隔离层,整个基础垫层应有1%~2%的平整度坡度。
4、表土回复控制把原来收集的表土摊铺到地块上,土层厚度满足设计或规范要求,切实保证表土质量,一般厚度大于30cm,回填时要分阶段进行。
做到先填生土,后填熟土,同时,铺完后地面高程与设计高程误差不应超过3cm。
回填的表土中不得有石块(卵石)、砂砾石、草根等杂物,若有必须彻底清除干净。
5、土石方工程对填方区域采用振动辗反复辗压,对原土石作自然含水量及标准容重试验。
挖方段表土清除后,再用挖掘机配合自卸汽车进行挖运作业。
所有挖出的土方,除预留部分可用于填方的土料就近堆放以外,其余均运至河道、沟渠等填方位置堆放。
回填土方区应设专人严格掌握卸土位置和土壤分类,采用竹杆标出分层厚度和配合推土机平场,确保填土厚度以及表面平整和横向坡度。
日常测绘作业指导书日常测绘作业指导书测绘研究的内容测绘学研究测定和推算地面点的几何位置、地球形状及地球重力场,据此测量地球表面自然形状和人工设施的几何分布,并结合某些社会信息和自然信息的地理分布,编制全球和局部地区各种比例尺的地图和专题地图的理论和技术学科。
又称测量学。
它包括测量和制图两项主要内容。
测绘学在经济建设中有广泛的应用。
在城乡建设规划、国土资源利用、环境保护等工作中,必须进行土地测量和测绘各种地图,供规划和管理使用。
在地质勘探、矿产开发、水利、交通等建设中,必须进行控制测量、矿山测量、路线测量和绘制地形图,供地质普查和各种建筑物设计施工用。
在军事上需要军用地图,供行军、作战用,还要有精确的地心坐标和地球重力场数据,以确保远程武器精确命中目标。
日常测绘作业指导书测绘字面理解为测量和绘图,是以计算机技术、光电技术、网络通讯技术、空间科学、信息科学为基础,以全球导航卫星定位系统、遥感、地理信息系统为技术核心。
下面小编收集了日常测绘作业指导书,供大家参考!日常测绘作业指导书11、任务接收1.1项目负责人在接受任务后,应对所递交资料进行签收、存档;1.2明确任务的主要工作内容和作业工期。
2、作业准备2.1.收集和熟悉资料。
掌握项目的基本情况,对缺失的资料及时与建设单位联系(发工作联系函);2.2.项目负责人应提前要求建设单位提供有效的控制点,控制点应提供3个以上,以便测量工作顺利开展;2.3.编制技术方案和工期计划。
针对项目难易程度及工程量大小,编制技术方案和时间计划表;2.4.根据设计图纸将测区范围坐标标注清楚,导入测量仪器和奥维地图中,有利于掌握测区情况,节约外业工作时间;2.5.项目负责人安排专人准备外业工具,其中包括:测量仪器、脚架、钢尺、红漆、无人机、对讲机、电池充电器等。
要保证测量仪器作业处于完好状态,能够正常工作。
若当天仪器电池不能满足测量要求时,应将已用完的电池及时充电,保证当天能够连续作业;2.6.项目负责人在熟悉完资料后,向部门经理汇报和递交技术方案,以便部门经理及时掌握项目进度安排并提出合理化建议。
土方开挖原地面高度测量确认单
该确认单用于记录土方开挖工程中原地面高度的测量情况。
以下是本次测量的详细信息:
项目信息
- 项目名称:
- 工程编号:
- 施工单位:
- 监理单位:
- 测量日期:
测量点位
在开挖区域选择几个代表性的点位进行测量,保证测量结果的准确性。
测量方法
使用以下测量方法之一进行原地面高度的测量:
1. 使用GPS定位仪器进行测量。
2. 使用激光测距仪进行测量。
3. 使用经纬仪进行测量。
测量结果
根据以上测量方法,得出以下原地面高度的测量结果:
结论
根据本次测量结果,确认土方开挖前的原地面高度如下:
确认人:_____________
日期:_____________。
公路工程控制点确认表施工中质量控制关键点:一、土方路基工程施工中常见质量控制关键点:1、施工放样与断面测量。
时常关注原始基准点、基准线、基准高程及加密点是否移动或破坏。
路基中线放样时,要注意路线中线与结构物中心、相邻施工段中心线闭合,发现问题应及时查明原因,进行处理。
2、路基原地面处理,按施工技术合同或规范规定要求处理,并认真压实。
原地面坑、洞、穴等,应在清除沉积物后,用合格的填料分层回填压实。
地基为耕地、松散土、软土、高液限土等时,应按设计要求进行处理。
陡坡地段、土石混合地基、填挖界面、高填方地基应按设计要求进行处理。
3、使用适宜材料,必须采用设计和规范规定的适用材料,保证原材料合格,正确确定土的最大干密度和最佳含水量。
含草皮、生活垃圾、树根、腐殖土的土严禁作为路基填料。
遇土质有疑问时,及时通知实验室做实验确定是否可做填料。
4、每层的松铺厚度、横坡。
5、分层压实。
控制填土的含水量,确保压实度达到设计要求(如设计要求每三层用三边压路机补强压实等)。
6、路基填筑进入96区后,要经常关注土质情况,严禁填筑不合格材料。
二、桥梁基础工程施工中常见质量控制点(一)扩大基础1、基底地基承载力的确认,满足设计要求,如不符合要求时,要采取换填、夯实等有效措施;2、基底表面松散层的清理。
采用机械开挖时,应避免超挖,宜在挖至基底前预留一定厚度,再由人工开挖至设计高程;如超挖,则应将松动部分清除,并应对基底进行处理。
3、及时浇筑垫层混凝土,减少基底暴露时间。
若出现长时间暴露、被水浸泡或被扰动,应及时检验其尺寸、高程和基底承载力,检验合格后应立即进行基础工程的施工。
4、大体积混凝土施工裂缝控制,要控制入模温度在5-28度之间。
(二)钻孔桩1、桩位坐标控制和垂直度的控制,采取有效的栓桩,最大限度的降低桩位的平面偏差;2、桩孔过程中,应随时对孔内泥浆性能指标进行控制,使其满足施工要求;3、孔径的控制,防止缩径;4、清孔时要保持孔内水头,防止塌孔;5、钢筋笼接头质量检查。
土方地形河道工程质量验收证明单工程名称:土方地形河道工程工程编号:建设单位:设计单位:施工单位:监理单位:验收单位:参与人员:一、工程概况本次土方地形河道工程的主要目标是进行土地整治,改善地形环境,提高环境质量。
该工程位于XX省XX市XX区,总计施工面积XXX平方米,总投资XXX万元。
二、工程验收内容1.工程任务达成验收指标根据工程合同和施工方案的规定,本次土方地形河道工程的主要任务包括填方、挖方、边坡护坡等工程,达到以下验收指标:(1)填方工程:填筑土方的填土高度、坡度、边坡斜率等符合设计要求,填土面积平整,没有凝结块、冻结带等现象。
(2)挖方工程:挖土方的深度、坡度、边坡斜率符合设计要求,挖方面积平坦,没有松散带、漏挖等现象。
(3)边坡护坡工程:边坡和护坡的构造牢固,无塌方、塌坡、开裂、沉陷等现象。
2.施工质量验收指标(1)现场施工管理:施工单位严格按照工程合同和施工方案要求进行施工管理,合理组织施工人员、机械设备和材料,确保施工进度和质量。
(2)材料质量:施工单位按照设计要求采购的各类土石材料,经检测合格,并符合相关标准。
(3)施工质量:施工单位按照设计要求进行填方、挖方和边坡护坡等工程,施工技术满足要求,施工过程严格按照规范操作,确保施工质量。
三、工程验收过程1.验收依据(1)工程设计文件:包括工程设计图纸、施工图纸和技术规范等。
(2)工程合同:包括工程范围、验收标准、工期、费用等。
(3)施工方案:包括施工组织、施工工艺、施工措施等。
(4)监理报告:包括监理工程师在施工过程中的检查记录、工程验收意见等。
(5)工程质量检测报告:包括对土方地形河道工程施工材料、施工工艺、施工质量等的检测结果。
2.验收内容(1)勘察设计验收:对工程设计文件进行审查,确认设计与实际施工情况的符合程度。
(2)施工图纸验收:对施工图纸进行审查,确认施工图纸与设计文件的一致性,是否合理、完整。
(3)工程材料验收:对施工使用的各类土石材料进行抽样检测,检测合格的材料才能使用于工程。
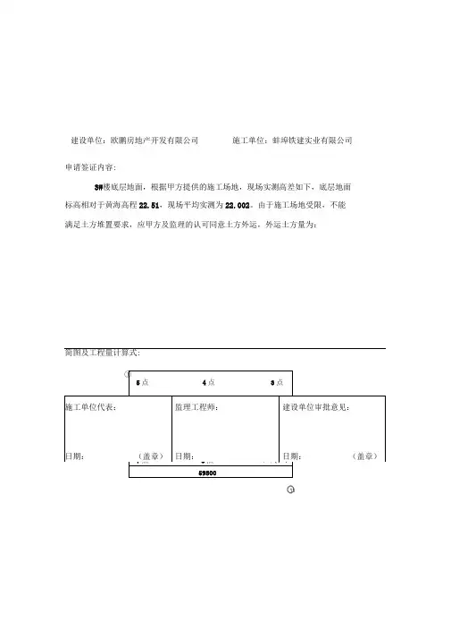
建设单位:欧鹏房地产开发有限公司施工单位:蚌埠铁建实业有限公司申请签证内容:3#楼底层地面,根据甲方提供的施工场地,现场实测高差如下,底层地面标高相对于黄海高程22.51,现场平均实测为22.002。
由于施工场地受限,不能 满足土方堆置要求,应甲方及监理的认可同意土方外运,外运土方量为:简图及工程量计算式:5点4点3点现场平均实测高差为 0.508m6点9点2占 J 八、、 7点 8点1占>八、、5980017800施工单位代表:监理工程师:建设单位审批意见:日期:(盖章) 日期: 日期: (盖章)①建设单位:漳州信地房地产有限公司 申请签证内容:施工单位:福建大舟建筑工程有限公司5点4点3点现场平均实测高差为 0.586点9点2占J 八、、 7点8点 1占 >八、、6880020幢厂房底层地面,根据甲方提供的施工场地,现场实测高差较大,底 层地面标高相对于黄海高程22.27,现场平均实测为21.69,所以须人工土方回填、 平整打夯。
(其中原设计地面碎石垫层为60mm 厚,砼垫层90mm 厚,实际回填土 方厚度为0.43m )施工单位代表:监理工程师: 建设单位审批意见:时间: (盖章) 时间: 时间: (盖章)注明:1、所有签证均应使用本工程签证单标准格式。
2、 签证单原则上只应签证工程量,涉及造价金额由建设单位预算科依据预算规定确3、 施工单位应在签证工作发生后三日内办理签证手续,否则视为放弃,补办签证结 算时不予确认。
4、 签证单应按顺序进行编号。
5、 单项经济签证单金额超过五千元的签证项目需由建设单位盖章生效。
5点4点3点现场平均实测高差为 0.313m6点9点2占 J 八、、 7点8点 1占 >八、、68800建设单位:漳州信地房地产有限公司 施工单位:福建大舟建筑工程有限公司申请签证内容:19幢厂房底层地面,根据甲方提供的施工场地,现场实测高差较大,底层 地面标高相对于黄海高程22.61,现场平均实测为22.297,所以须人工土方回填、 平整打夯。
原地面复测报告原地面横断面高程复测报告1、工程概况:大理海东新城中心片区百花雪路新建道路工程设计起点桩号为k0+000,终点桩号为k1+318.155,红线宽24m,全长1318.155m,为城市支路,设计车速为20km/h。
工程始于天镜路,终了于天秀路。
2、复测目的及要求:横断面测量就是所指对旋转轴道路中线方向的地面多寡所展开的测量工作,横断面图就是确认道路纵向施工范围、排序土石方数量的必须资料。
横断面上地形点密度,平均值间距为20m,最小点距严禁大于30m。
地形变化处减少测点,提升横断面的精度。
3、复测方案:根据设计提供更多的道路断面图中断面里程桩号及中桩座标用gps施测到中桩边线(浇筑),同时用gps分别施测到左右任一变化点的高程,具体内容测量点数量根据地形及征地宽度确认。
4、土方量计算方法土方计算方法采用断面法。
该法计算步骤分为两步,首先计算断面挖方和填方面积,然后再根据填挖土方面积计算土方量。
断面法土方量计算,采用由两端横断面的平均面积乘以两横断面间的距离所得,也称作平均值断面法公式。
qt=(s1+s2)/2*l即为表明:qt:相连两断面之间的填方量(或挖方量);s1、s2:相连第一断面、第二断面的填方(或挖方)面积;l:相连两断面的距离。
5、本项目部相关人员及监理人员2021年8月5号于现场进行原地面高程复测,所得的数据见附属文件。
由上述的计算方法算的本工程道路的填方方量为1419470m³;挖方工程量为79137m³。
(该方量不包含桩号k1+100~k1+300为验工程量),挖方方量为573259.65m³。
备注:相关的每个横断面图及计算数据见后面的附件土方工程量对照表中其中填方段k0+440-k0+460、k0+520-k0+640、k0+840-k0+880段有明显的工程量增加,增加约50000方。
旁站记录表(市政工程)旁站记录工程名称:施工单位:施工部位基面标高:旁站的关键部位、关键工序名称:土方开挖(开挖深度大于或等于3.0m)编号:旁站开始时间:年月日时分旁站结束时间:年月日时分1.开挖方式:□人工□机械施工单位的质检员、施工员等管理人员已到岗。
2.岗情况,特殊工种人员持证上岗情况,现场作业人员人数,操作人员的各工种数量已记录。
3.开挖及运输机械设备(型号、规格、数量等)及其工作情况已记录。
4.土方开挖(含基坑支护、降水排水及监测监控等)施工方案已经监理审批确认。
5.建设单位已提供场地内的地下管线、沟涵洞等相关地质勘探资料。
6.施工场地内的地下管线保护,现场障碍物清除,临时道路修筑已完成。
7.基坑(槽)支护,基坑内桩基保护,基坑及周边变形监测措施已落实。
8.基坑边坡出现异常时的抢险材料及设备准备情况已准备。
9.开挖前的地面高程、开挖位置复核情况已复核无误。
10.基坑(槽)周边荷载、堆载情况已记录。
11.开挖顺序方向、间隔分段、分层厚度、尺寸位置情况已记录。
12.降水排水设备设施及其运行情况已记录。
13.基底土质预留与人工修整情况已记录。
14.基底土质情况已记录。
注:本表一式一份,项目监理机构留存。
旁站记录旁站的关键部位、关键工序名称名称:土方回填(按检验批为单位)编号:工程名称:施工部位:施工单位:起止标高:旁站开始时间:年月日时分旁站结束时间:年月日时分1.回填方法已记录。
2.施工单位的质检员、施工员等管理人员已到岗,特殊工种人员持证上岗情况已记录,操作人员的各工种数量已记录。
3.压实设备(名称、规格、数量)已记录。
4.填土施工方案已经监理审批确认。
5.基坑、基槽、填土、取土或填土前地面的高程复核已记录。
6.施工用水、地面雨水、抽排情况已记录。
7.基坑、基槽或填土前原地面的腐植物、树根、草皮是否清理并压实已记录。
8.回填土来源、土壤类别(土的名称)已记录。
9.填土后遇雨已将雨淋土、泡水土挖除,再填新土已记录。
工程施工确认单范本工程名称:_______ 施工单位:_______工程地址:_______ 负责人:_______联系电话:_______ 施工日期:_______一、工程基本情况确认1. 工程名称及地址确认工程名称及地址与实际情况相符。
2. 工程内容和范围确认工程的内容、范围包括但不限于:建筑结构、电气布线、给排水管道、通风管道等,与相关设计文件一致。
3. 施工单位资质确认施工单位具备相应资质和证书,能够保证按照法律法规和相关标准要求进行施工。
4. 施工人员及设备确认施工现场人员及设备符合国家相关规定,并具备足够的施工经验和技术能力。
5. 施工进度计划确认施工单位已经制定了合理的施工进度计划,并能够按照计划保质保量完成工程。
二、安全生产确认1. 安全生产措施确认施工单位已经制定了安全生产方案,并严格执行安全规定,确保施工过程中安全生产。
2. 安全生产培训确认施工人员已经接受了相关安全生产培训,并了解安全规定和应急处理措施。
3. 安全检查确认施工单位定期进行安全检查,发现问题及时整改,保障施工现场安全生产。
三、质量保证确认1. 质量管理制度确认施工单位已经建立了严格的质量管理制度,能够保证工程质量达到设计要求。
2. 材料供应确认施工单位采购的材料符合相关标准要求,并具有相应的合格证明。
3. 现场质量检查确认施工单位对施工过程中的关键节点和质量问题进行现场检查,确保质量合格。
四、环境保护确认1. 环境保护措施确认施工单位已经制定了环境保护措施方案,能够减少施工过程中对环境的污染。
2. 废弃物处理确认施工单位已经制定了废弃物处理方案,严格按照规定对废弃物进行分类处理。
3. 环境监测确认施工单位会定期对环境进行监测,确保施工过程中环境不受到污染。
五、其他事项确认1. 工程款项支付确认双方已经就工程款项支付方式达成一致,并签订了相关协议。
2. 紧急联系方式确认施工单位和施工现场负责人的紧急联系方式,以便在需要时能够及时联系到相关人员。
目录一、测量施工准备 (1)1、仪器准备 (1)2、人员准备 (2)3、制定测量方案 (2)4、图纸校核及定位依据校测 (2)二、控制点复测 (3)三、控制点加密 (3)四、导线测量 (3)五、水准导线测量 (4)六、水准控制方法 (4)七、平面控制方法 (5)八、施工测量 (5)1、平面定位 (5)2、高程引测 (5)3、校对及增设水准基点 (5)4、桥梁平面图及纵横断面、竖向布置图核对 (6)5、桥桩的放样: (6)6、桩基础测量放线、桩孔定位 (6)7、墩柱施工 (6)8、支座安装 (6)9、预制板吊装 (6)10、地下管线测量 (7)九、测量质量保证措施 (7)施工测量方案一、测量施工准备工程开工前应与招标人办理交接桩手续,办好交接桩手续后及时做施工测量复测及桩位保护工作,在工程施工前详细检查、核对纵、横断面图,发现问题应进行复测,确认无误后根据设计图纸和有关规定进行放样。
本工程主要测量工作集中在道路施工,道路施工各个路段分布较散,点多线多,标准要求高。
而且测量控制工作有其特别的系统严密性、连续性,来不得半点差错。
在操作过程中,我们成立由技术负责人、技术员和多名专业测量人员组成专业测量组,并配备先进的测量仪器,采用科学的测量方法,采用计算机进行计算、绘图,保证测量工作高精度、高效率的完成。
认真钻研图纸,从每个点、每条线开始,扎实控制好局部的标准精度,再进而组织好全局的施测工作,提高施测精度和施测效率。
测点放样前,认真作好内业准备工作,校正仪器设备,拟定施测方案。
现场精心操作,对不符合精度测量成果必须复测,决不马虎了事。
做好施工期间的中线桩、水平桩、边桩的测设、保护和复测是整体达到标准的重要环节。
主要做法是:开工前一定要全面贯通测量一次。
按设计提供的水准点全面复测原地面水平桩。
根据计算的填高放边桩。
包括路基用地桩和路堤坡脚、路堑堑顶、边沟等的具体位置桩。
定出路基清表边界线,将该范围内的树木、灌木丛、果树等砍伐或移植,清除路基范围内的垃圾、有机物残渣及原地面以下100~300mm内的草皮、农作物根系和表土,运至弃土场或监理工程师指定的地方。
工程施工测量方法一、测量基准1、本工程施工测量在发出开工通知前28天,监理工程师提供测量基准点、基准线和水准点及其基本资料和数据(书面),作为建立施工测量控制网的起始已知点。
其中,平面和高程控制点至少各有2个以上(包含2个),以保证施工测量控制网联测及校核的需要。
2、在收到上述资料和数据后,我公司将立即组织施工测量技术人员认真进行复测核对,并与监理共同校测其基准点(线)的测量精度,复核其资料和数据的准确性。
3、经复核验算无误后,方可作为建立施工测量控制网的已知点使用,并利用其在施工区域布设施工测量控制网。
二、平面控制测量1、根据本工程导流明渠开挖工程的规模和建筑物的等级,施工测量首级平面加密控制网采用三等网布设。
平面控制网根据现场的地形条件和放样需要采用梯级布设。
首级平面控制网点埋设具有强制归心装置的混凝土观测墩,其它则根据情况埋设地面标或半永久标志。
平面控制网点选在使用方便、通视良好,基础稳定且保存时间较长的地方,各控制点间视线离障碍物不小于2米。
2、平面控制网点通过实地踏勘、选点后,进行控制网的技术设计。
其内容包括:控制网的选型(测角网、测边网、边角混合网、导线混合网等)、观测仪器的精度等级、施测方案的确定、控制网的精度估算、控制网的可靠性、灵敏度的计算等等。
技术设计书上报监理,经监理工程师审批后严格按照测量规范要求进行施测。
3、外业观测开始前,根据观测精度要求,正确选择观测仪器和配套的设备,并送国家或地方计量授权的检定机构检定合格后投入使用。
4、外业观测过程中,严格按照国家或行业制定的规程、规范要求实施,各项观测限差符合规定要求。
5、外业观测结束后,原始观测资料由两人独立进行百分之百的检查,并验算各项限差,如果有超限,则按规范要求进行补测。
外业成果合格后,采用经验论证可靠的平差软件对平面控制网进行平差计算。
根据平差结果,分析单位权测角中误差,各边边长中误差和方向中误差,各待定点点位中误差等是否满足要求,如果超限,进行分析,根据具体情况进行部分补测或全部重测。
土方地形工程质量验收证明单
项目编号:_________
承建方:_________
验收单位:_________
验收时间:_________
工程概况:
本项目为土方地形工程,施工单位对工程进行了系统的布置、合理的
施工方案,并按照合同要求精确测量、精心施工、周密管理,工程已经完成。
经过验收单位的评估和检测,确认土方地形工程符合相关的技术标准,并具备使用条件。
检测依据和过程:
1.相关技术标准:根据国家土方工程相关技术标准,对土方地形工程
进行验收。
2.检测流程:验收单位按照工程规划和设计要求,对项目进行现场检
查和测量,对工程施工过程中的重点环节、难点工序进行了详细的检测。
检测结果:
1.填土质量:验收单位对填土质量进行了抽样检测,检测结果表明填
土材料符合合同要求,具有较好的稳定性和承载力。
2.坡度控制:验收单位对工程的坡度进行抽样检测,检测结果表明工
程的坡度控制在规定范围内,满足技术要求。
3.排水情况:验收单位对工程的排水情况进行了抽查,检测结果表明
工程的排水系统正常运行,水流畅通,无积水现象。
4.路面饰面层:验收单位对饰面层的施工工艺和材料进行了抽样检测,检测结果表明饰面层材料质量合格,施工工艺符合要求,具备美观、平整、耐久的特点。
结论:
以上为土方地形工程质量验收证明单。
编制人:_________。
道路工程施工方案1、清理与掘除1)开工前会同监理对占地范围内的原地面进行测量,以得到本合同段的原地面高程,并填写确认单,报监理、业主确认。
2)除按图纸所示或监理工程师批示要保留的植被和保留物外,在占地范围内所有房渣土、构筑物、杂草、灌木、垃圾等应按规范要求的深度和范围清除,并运至指定的地点废弃。
3)施工前对路基范围内的各种现况管线及其它建筑物进行调查,并积极主动协助有关部门进行拆迁、改造或采取有效的保护措施。
对路基范围内的文物古迹要妥善保护。
2、路基挖方1)路基挖方采用挖掘机、推土机配合施工。
按设计纵横高程整修路床,按路宽测量放线施工。
2)挖方路基段采用挖掘机按照设计横断面整幅开挖,用推土机推出路床,槽底预留碾压沉降量。
路床在成型之前对挖方路基路床以下土质进行土层性质及天然密实度等进行判断和试验,在得到试验数据后,约请监理工程师进行验证,如发现土层与原地质资料有较大出入时,及时约请设计单位进行联合验收,以保证挖方路基满足设计要求。
3)对于局部存有地下构筑物及不适宜土,要按监理工程师的要求进行挖除,按照监理工程师批准的回填材料和回填方法进行回填和压实。
4)路床顶面下30cm范围进行挖松,在土质验收合格后进行路基压实,压实度采用重型击实标准,压实度控制为≥95%。
3、路基填方1)回填土土源选择含水量适宜的土场,确保土源能满足填方用量。
2)路堤的填土和压实⑴填方路堤的基底严格进行处理,清理深度根据设计图纸及种植土的厚度确定,清除的种植土运到管理部门指定地点处理,对原地面进行碾压,达到设计要求的压实度,同时要达到该种土最佳密度的93%。
路基填土高度小于80cm时,压实度按路床的压实度要求。
当原地基松软,压实度不能满足设计要求时,按设计要求对路基进行处理。
⑵在斜坡地形上填筑时,挖出台阶(台阶长高比2:1)进行处理,并严格分层压实。
⑶严格按设计边坡填筑,填筑宽度比设计每侧宽出30cm,使压路机能碾压到路肩边缘,以保证修整路基边坡后的路基边缘有足够的压实度,施工完成后再削去30cm。