特种作业人员 报审表
- 格式:docx
- 大小:10.31 KB
- 文档页数:5
特殊作业人员报审表一、个人信息
姓名:[姓名]
性别:[性别]
年龄:[年龄]
联系[联系电话]
二、特殊作业信息
特殊作业类型:[特殊作业类型]
作业地点:[作业地点]
作业时间:[作业时间]
三、特殊作业背景
请简要描述特殊作业的背景和目的。
四、特殊作业风险评估
请进行特殊作业风险评估并填写下表:
五、特殊作业操作方案
请详细描述特殊作业的操作方案,包括所需的设备、步骤和预防措施。
六、特殊作业人员及证书信息
特殊作业人员姓名:[特殊作业人员姓名]
特殊作业证书名称:[特殊作业证书名称]
特殊作业证书编号:[特殊作业证书编号]
七、特殊作业安全负责人意见
特殊作业安全负责人意见:[特殊作业安全负责人意见] 特殊作业安全负责人签名:[特殊作业安全负责人签名] 八、特殊作业批准
特殊作业批准人:[特殊作业批准人]
特殊作业批准日期:[特殊作业批准日期]
特殊作业批准意见:[特殊作业批准意见]
九、备注
[备注内容]
以上为特殊作业人员报审表,特此提交。
---
注意:依据相关法律法规,特殊作业人员需进行报审,并得到特殊作业安全负责人与特殊作业批准人的审批和批准。
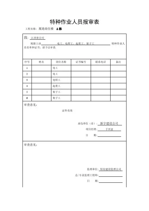
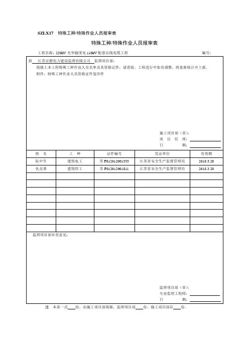
B5-3 特种作业人员资质报审表
工程名称:中国石化承德石油分公司千松坝北站编号:
致:中国石化销售有限公司河北承德石油分公司(建设单位)
致:河北省炫炜烨工程项目管理有限责任公司(监理单位)
我单位承担的中国石化承德石油分公司千松坝北站工程所需人员焊工、电工。
他们都具有相应的资格(详见证件),请予审查批准。
施工单位(章):
项目经理:
日期:年月日
序号姓名岗位职务职称证件编号工作单位
1 朱林焊接与热切割
作业
T130637************ 河北冶金建设集团有限公司
2 张泉建筑电工冀D012016000148 河北冶金建设集团有限公司
3 于鹏龙电工作业T130133************ 河北冶金建设集团有限公司
4 卜京安焊接与热切割
作业
T130133************ 河北冶金建设集团有限公司
5
6
7
8
9
审查意见:
监理单位(章):
专业监理工程师:
日期:年月日
审查意见:
建设单位(章):
项目负责人:
日期:年月日注:本表由施工单位填写,一式三份,送监理单位审查,建设。
监理、施工单位各一份。