高中物理3-1综合复习_电学实验综合训练
- 格式:doc
- 大小:1.36 MB
- 文档页数:7
电学实验练习一、实验题1. 要测绘一个标有“3V0.6W”小灯泡的伏安特性曲线,灯泡两端的电压需要由零逐渐增加到3V,并便于操作。
已选用的器材有:电池组(电动势为4.5V,内阻约1Ω)电流表(量程为0~250mA,内阻约5Ω)电压表(量程为0~3V,内阻约3kΩ)电键一个、导线若干(1)实验中所用的滑动变阻器应选下列中的________。
A.滑动变阻器(最大阻值1750Ω,额定电流0.3A)B.滑动变阻器(最大阻值20Ω,额定电流1A)(2)请在下列方框中将实验的电路图补充完整。
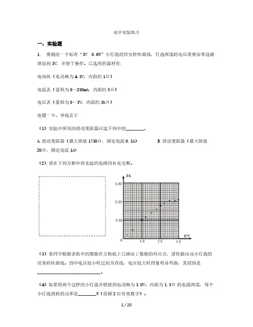
(3)某同学根据表格中的数据在方格纸上已画出了数据的对应点,请你做出该小灯泡的伏案特性曲线。
图中电压较小时近似为直线,电压较大时图象明显弯曲,其原因是____________________________。
(4)如果将两个这样的小灯泡并联接到电动势为3.0V、内阻为1.5Ω的电源两端,每个小灯泡消耗的功率是________W(保留2位有效数字)。
2. 某同学做“描绘小灯泡的伏安特性曲线”的实验。
已选用的器材有:电池组E(电动势3.0V)、小灯泡L(额定功率1W,额定电流0.5A)、电流表(0~0.6A)、开关和导线若干。
(1)实验中电压表应选用_______;滑动变阻器应选用________。
(选填相应器材前的字母)A、电压表(0-3V)B、电压表(0-15V)C、滑动变阻器(0-5Ω)D、滑动变阻器(0-50Ω)(2)该同学设计了如图1所示的实验电路。
图2是实验器材实物图,图中已连接了部分导线。
请根据图1所示的实验电路,补充完成图2中实物间的连线。
(3)实验得到小灯泡L的伏安特性曲线如图3所示。
现将小灯泡L接入如图4所示的电路。
已知电源电动势E=3.0V、内阻r=1.0Ω、R0=5.0Ω,闭合开关S,小灯泡消耗的功率P=________W(结果保留两位有效数字)。
3. 甲、乙两位同学在测量电阻的实验中:(1)甲用图1所示电路来测量定值电阻R x阻值,提供的器材如下:R x阻值约10Ω,滑动变阻器R p1(0~10Ω),滑动变阻器R p2(0~200Ω),电流表(0~0.6A、0~3A),电压表(0~3V、0~15V),电源E(电动势为3V),开关S,导线若干。
选修3-1 第一章静电场章末复习与巩固【学习目标】1.了解静电现象及其在生活中的应用;能用原子结构和电荷守恒的知识分析静电现象。
2.知道点电荷,知道两个点电荷间的相互作用规律。
3.了解静电场,初步了解场是物质存在的形式之一。
理解电场强度。
会用电场线描述电场。
4.知道电势能、电势,理解电势差。
了解电势差与电场强度的关系。
5.了解电容器的电容。
【知识网络】【要点梳理】要点一、与电场有关的平衡问题1.同种电荷相互排斥,异种电荷相互吸引.库仑力实质上就是电场力,与重力、弹力一样,它也是一种基本力.注意力学规律的应用及受力分析.2.明确带电粒子在电场中的平衡问题,实际上属于力学平衡问题,其中仅多了一个电场力而已.3.求解这类问题时,需应用有关力的平衡知识,在正确的受力分析的基础上,运用平行四边形定则、三角形定则或建立平面直角坐标系,应用共点力作用下物体的平衡条件、灵活方法(如合成分解法,矢量图示法、相似三角形法、整体法等)去解决.要点诠释:(1)受力分析时只分析性质力,不分析效果力;只分析外力,不分析内力.(2)平衡条件的灵活应用.要点二、与电场有关的力和运动问题带电的物体在电场中受到电场力作用,还可能受到其他力的作用,如重力、弹力、摩擦力等,在诸多力的作用下物体可能处于平衡状态(合力为零),即静止或匀速直线运动状态;物体也可能所受合力不为零,做匀变速运动或变加速运动.处理这类问题,就像处理力学问题一样,首先对物体进行受力分析(包括电场力),再根据合力确定其运动状态,然后应用牛顿运动定律和匀变速运动的规律列等式求解.要点三、与电场有关的功和能问题带电的物体在电场中具有一定的电势能,同时还可能具有动能和重力势能等.因此涉及与电场有关的功和能的问题可用以下两种功和能的方法来快速简捷的处理,因为功与能的关系法既适用于匀强电场,又适用于非匀强电场,且使同时不须考虑中间过程;而力与运动的关系法不仅只适用于匀强电场,而且还须分析其中间过程的受力情况运动特点等.1.用动能定理处理,应注意:(1)明确研究对象、研究过程.(2)分析物体在所研究过程中的受力情况,弄清哪些力做功,做正功还是负功.(3)弄清所研究过程的初、末状态.2.应用能量守恒定律时,应注意:(1)明确研究对象和研究过程及有哪几种形式的能参与了转化.(2)弄清所研究过程的初、末状态.(3)应用守恒或转化列式求解.要点诠释:(1)电场力做功的特点是只与初末位置有关。
9.一太阳能电池板,测得它的开路电压为800mV,短路电流为400mA,若将该电池板与一阻值为20Ω的电阻器连成一闭合电路,则它的路端电压约为()A.0.10V B.0.20V C、0.30V D.0.70V二、填空题10.如图A-3所示,一只黑箱有A、B、C三个接线柱,规定每两个接线柱间最多只能接一个电器元件.并且已知黑箱内的电器元件是一只电阻和一只二极管.某同学利用多用电表的欧姆挡,用正确的操作方法依次进行了6次测量,将每次红、黑表笔的位置和测得的阻值都填入了下表.红表笔接 A A B B C C黑表笔接 B C A C A B测得阻值100 10k 100 10.1k 90 190(Ω)由表中的数据可以判定:(1)电阻接在______________两点间,阻值为________________Ω_.(2)二极管接在_________________两点间,其中正极接在_________________点.二极管的正向阻值为____________Ω,反向阻值为_____________Ω_.11.使用中值电阻为25Ω(×1档)的多用电表测量两个定值电阻1R和2R,(已知1R和R的阻值分别约为20Ω和30KΩ,在下列各项操作中选出尽可能准确地测量各阻值、并符2合多用电表使用规则的操作:A.转动选择开关使其尖端对准“×1k”档B.转动选择开关使其尖端对准“×100”档C.转动选择开关使其尖端对准“×10”档D.转动选择开关使其尖端对准“×1”档E.转动选择开关使其尖端对准“OFF”档F.将两表笔分别接触R1两端,读出R1的阻值后,随即断开H.将两表笔短接,调整欧姆调零旋钮,使指针指到O欧姆位置。
所选操作的合理顺序为:。
参考答案一、选择题1.C2.B.测电压时表笔的(+)接线柱端与被测电路流入电流的那端相接。
多用电表的(+)插孔与表头内部的电源(-)极相接。
专题三电学实验综合(建议用时:90分钟)1.某照明电路出现故障,其电路如图甲所示,该电路用标称值12 V的蓄电池为电源,导线及其接触完好.维修人员使用已调好的多用表直流50 V挡检测故障.他将黑表笔接在c点,用红表笔分别探测电路的a、b点.甲乙(1)断开开关,红表笔接a点时多用表指示如图乙所示,读数为________V,说明________正常(选填:蓄电池、保险丝、开关、小灯).(2)红表笔接b点,断开开关时,表针不偏转,闭合开关后,多用表指示仍然和图乙相同,可判定发生故障的器件是________(选填:蓄电池、保险丝、开关、小灯).2.将一铜片和一锌片分别插入一个苹果内,就构成了简单的“水果电池”,其电动势约为1.5 V.可是这种电池并不能点亮额定电压为1.5 V、额定电流为0.3 A的手电筒上的小灯泡,原因是流过小灯泡的电流太小了,经实验测得还不足3 mA.为了较精确地测定该水果电池的电动势和内阻,提供的实验器材有:A.电流表A1(量程0~3 mA,内阻约为0.5 Ω)B.电流表A2(量程0~0.6 A,内阻约为0.1 Ω)C.电压表V(量程0~1.5 V,内阻约为3 kΩ)D.滑动变阻器R1(阻值0~10 Ω,额定电流为1 A)E.滑动变阻器R2(阻值0~3 kΩ,额定电流为1 A)F.电键,导线若干G.水果电池(1)实验中电流表应选用________,滑动变阻器应选用________(均用序号字母表示).(2)请在虚线框内画出实验电路图.(3)根据实验记录的数据,经描点、连线得到水果电池的路端电压随电流变化的U-I图象如图所示,由图可知:水果电池的电动势E=________V,内阻r=________ Ω.3.某同学用量程为1 mA、内阻为120 Ω的表头按图甲所示电路改装成量程分别为1 V 和1 A的多用电表.图中R1和R2为定值电阻,S为开关.回答下列问题:(1)根据图甲所示的电路,在图乙所示的实物图上连线.(2)开关S闭合时,多用电表用于测量________(填“电流”、“电压”或“电阻”);开关S断开时,多用电表用于测量________(填“电流”、“电压”或“电阻”).(3)表笔A应为________色(填“红”或“黑”).(4)定值电阻的阻值R1=________Ω,R2=________Ω.(结果取三位有效数字)4.某同学为了研究“3 V,0.3 W”的小灯泡L从较低温度到正常发光过程中的电阻情况.设置了如下器材:电流表A1(量程400 mA,内阻r1=5 Ω);电流表A2(量程600 mA,内阻r2约为1 Ω);电压表V(量程15 V,内阻约为3 kΩ);定值电阻R0(5 Ω);滑动变阻器R1(0~10 Ω,额定电流为1 A);滑动变阻器R2(0~250 Ω,额定电流为0.3 A);电源E(电动势3 V,内阻较小);开关一个,导线若干.(1)从以上给定的器材中选择恰当的器材.在虚线框内画出实验电路原理图,并在图中标出所用仪器的代号.(2)根据设计的方案,将下图中的器材连成符合要求的电路(有个别仪器可能不用).(3)闭合开关S,移动滑片P,使________时,可知灯泡正常发光,此时灯泡的电阻为________(用测量的物理量表示).5.如图甲是利用两个电流表A1和A2测量干电池电动势E和内阻r的电路原理图.图中S为开关,R为滑动变阻器,固定电阻R1和A1内阻之和为10 000 Ω(比r和滑动变阻器的总电阻大得多),A2为理想电流表.(1)按电路原理图在图乙虚线框内各实物图之间画出连线.(2)在闭合开关S前,将滑动变阻器的滑动端c移动至________(选填“a端”、“中央”或“b端”).(3)闭合开关S,移动滑动变阻器的滑动端c至某一位置,读出电流表A1和A2的示数I1和I2.多次改变滑动端c的位置,得到的数据为I1/mA0.1200.1250.1300.1350.1400.145I2/mA48040032023214068在如图丙所示的坐标纸上以I1为纵坐标、I2为横坐标画出所对应的I1-I2曲线.(4)利用所得曲线求得电源的电动势E=________ V,内阻r=________ Ω.(保留两位小数)(5)该电路中电源输出的短路电流I m=________ A.6.为了测定一节干电池的电动势和内电阻,现准备了下列器材:①待测干电池E(电动势约为1.5 V,内阻约为1.0 Ω)②电流表G(满偏电流3.0 mA,内阻为10 Ω)③电流表A(量程0~0.60 A,内阻约为0.10 Ω)④滑动变阻器R1(0~20 Ω,2 A)⑤滑动变阻器R2(0~1 000 Ω,1 A)⑥定值电阻R3=990 Ω⑦开关和导线若干(1)为了能尽量准确地进行测量,也为了操作方便,实验中应选用的滑动变阻器是_____(填仪器字母代号);(2)请在图甲所示的方框中画出实验电路原理图,并注明器材的字母代号;(3)图乙所示为某同学根据正确的电路图作出的I1-I2图线(I1为电流表G的示数,I2为电流表A的示数),由该图线可求出被测干电池的电动势E=________V(保留3位有效数字),内电阻r=________Ω(保留2位有效数字).7.为了测定电阻R x(电阻值约为1 000 Ω)的电阻值以及一节干电池的电动势和内阻(内阻约为2 Ω),手边还有如下器材:A.电流表A:量程为3 A、内阻约为0.5 ΩB.电压表V:量程为2 V、内阻很大C.电阻箱R1:总阻值为9 999.9 ΩD.滑动变阻器R2:0~10 ΩE.单刀单掷开关、导线若干(1)为了较准确测量,电表应选用________.(填器材前的编号)(2)请在虚线框内画出一个实验电路,测定R x的电阻值、电池的电动势和内阻.要求:标清楚所需器材的符号(A、V、R1、R x、R2).(3)通过改变电路的总电阻,记录外电路的电阻值R和对应情况下的电压表示数U,画出1U随1R的变化图线为直线,如图所示,直线与纵轴的交点坐标为b、斜率为k,则电源电动势为________,内阻为________.8.现用伏安法研究某电子器件R1(6 V 2.5 W)的伏安特性曲线,要求特性曲线尽可能完整(直接测量的变化范围尽可能大一些),备有下列器材:A.直流电源(6 V,内阻不计);B.电流表G(满偏电流I g=3 mA,内阻R g=10 Ω);C.电流表A(0~0.6 A,内阻未知);D.滑动变阻器(0~20 Ω,5 A);E.滑动变阻器(0~200 Ω,1 A);F.定值电阻R0(阻值1 990 Ω);G.开关与导线若干.(1)根据题目提供的实验器材,请你在方框中设计出测量电子器件R1伏安特性曲线的电路原理图.(2)在实验中,为了操作方便且能够准确地进行测量,滑动变阻器应选用________(填写器材序号).(3)将上述电子器件R1和另一电子器件R2接入如图甲所示的电路中,它们的伏安特性曲线分别如图乙中Ob、Oa所示.电源的电动势E=6.0 V,内阻忽略不计.调节滑动变阻器R3,使电阻R1和R2消耗的电功率恰好相等,则此时R3接入电路的阻值为________Ω.9.某研究性学习小组欲测定一块电池的电动势E.(1)先直接用多用电表测定该电池电动势.在操作无误的情况下,多用电表表盘示数如图,其示数为____________V.(2)然后,用电压表V、电阻箱R、定值电阻R0、开关S、若干导线和该电池组成电路,测定该电池电动势.①根据电路图,用笔画线代替导线,将实物图连接成完整电路.②闭合开关S,调整电阻箱阻值R,读出电压表V相应示数U.该学习小组测出大量数据,分析筛选出下表所示的R、U数据,并计算出相应的1/R和1/U的值.请用表中数据在坐标纸上描点,并作出1/U-1/R图线.R(Ω)166.771.450.033.325.020.0U(V)8.3 5.9 4.8 4.2 3.2 2.9 1/R(×10-2Ω-1)0.60 1.40 2.00 3.00 4.00 5.001/U(V-1)0.120.170.210.240.310.34③从图线中可求得E=____________V.10.某中学的物理“小制作”小组装配了一台“5 V0.5 A”的小直流电动机,线圈内阻小于1 Ω.现要进一步研究这个小直流电动机在允许的输入电压范围内,输出功率与输入电压的关系,学校实验室提供的器材有:①直流电源E,电压6 V,内阻不计;②小直流电动机M;③电压表V1,量程0~0.6 V,内阻约3 kΩ;④电压表V2,量程0~6 V,内阻约15 kΩ;⑤电流表A1,量程0~0.6 A,内阻约1 kΩ;⑥电流表A2,量程0~3 A,内阻约0.5 Ω;⑦滑动变阻器R,0~10 Ω,2 A;⑧开关一只,导线若干.(1)首先要比较精确测量电动机的内阻r.根据合理的电路进行测量时,要控制电动机不转动,通过调节滑动变阻器,使电压表和电流表有合适的示数,电压表应该选______.若电压表的示数为0.1 V,电流表的示数为0.2 A,则内阻r=______ Ω,这个结果比真实值偏______(填“大”或“小”).(2)在方框中画出研究电动机的输出功率与输入电压的关系的实验电路图.(标明所选器材的符号)(3)当电压表的示数为4.5 V时,电流表示数如图所示,此时电动机的输出功率是____W.参考答案与解析1.[139]【解析】(1)因用直流50 V挡检测,故满偏时电压为50 V,刻度均匀,在题图乙所示位置时,读数为11.5(11.2~11.8之间的值均可)V,说明蓄电池正常.(2)红表笔接b点,断开开关,指针不偏转,闭合开关后多用表读数与原来相同,说明保险丝、开关均正常,发生故障的器件只能为小灯.【答案】(1)11.5(11.2~11.8之间的值均可)蓄电池(2)小灯2.[140]【解析】由图象知电源内阻较大,因此电流表应外接,误差较小;同时滑动变阻器应选R2,电流表才会有明显的示数变化.【答案】(1)A E(2)如图所示(3)1.354503.[141]【解析】(1)表头跟R2串联,R1跟开关串联,两个支路并联,连线图如图所示.(2)开关闭合时,电表的内阻较小,为等效电流表;开关断开时,电表的内阻较大,为等效电压表.(3)电流由红表笔流入,由题图甲可看出表头右端为“+”,故表笔A为黑表笔.(4)设表头的内阻为r,满偏电流为I g,由欧姆定律可知I g(R2+r)=1 V,I g(R2+r)=(1 A -I g)R1,解得R1=1.00 Ω,R2=880 Ω.【答案】(1)见解析图(2)电流电压(3)黑(4)1.008804.[142]【解析】测电阻的基本方法是伏安法,但由于小灯泡的额定电压为3 V,比电压表的量程小得多,故无法用电压表测电压.可设计让定值电阻R0与A1串联,改装成一个适当量程的电压表,然后用A2测量小灯泡和改装电表并联后的总电流,这样通过两表的示数就可以知道通过小灯泡的电流为I2-I1,小灯泡两端的电压为I1(R0+r1),故小灯泡的电阻为R L=I1(r1+R0)I2-I1.实验要求测量小灯泡L从较低温度到正常发光过程中的电阻情况,即要求电压从0开始调节,故滑动变阻器应选用分压式接法.由于滑动变阻器R2阻值太大,所以滑动变阻器选R1;小灯泡正常发光时电压为3 V,对应电流表读数为I1=UR0+r1=0.3 A=300 mA.则电路原理图如图甲所示,实物连接图如图乙所示使A 1的示数为300 mA 时,灯泡正常发光,此时R L =I 1(r 1+R 0)I 2-I 1,式中I 2为A 1表示数为300 mA 时,电流表A 2的读数,故I 1=300 mA.【答案】(1)、(2)见解析图 (3)A 1的示数为300 mAI 1(r 1+R 0)I 2-I 1 5.[143] 【解析】(1)由电路图连线如图(2)闭合开关S 前,为保护电路,应使连入电路的滑动变阻器阻值最大,故滑动端c 置于b 端.(3)连线如图(4)电路中,A 1与R 1串联等效于电压表,纵轴截距为0.149 mA ,对应电压值U =0.149×10-3×104 V =1.49 V ,故电动势E =1.49 V ,内阻r =⎪⎪⎪⎪ΔU ΔI =0.60 Ω.(5)短路电流I m =E r =1.490.60A =2.5 A. 【答案】(1)见解析图 (2)b 端 (3)见解析图 (4)1.49 0.60 (5)2.56.[144] 【解析】(1)题中给出两个电流表,其中G 内阻已知,和定值电阻串联后两端电压最大为3 V ,改装用作电压表;滑动变阻器若用R 1,方便调节和读数,易得多组数据,而R 2的电阻值太大,不方便调节,不易测得多组数据.(3)根据闭合电路欧姆定律可知E =I 1(R 3+R G )+(I 1+I 2)r ,变形为I 1=-r R 3+R G +r I 2+E R 3+R G +r ,图线的纵截距为E R 3+R G +r =1.45×10-3A ,斜率为-r R 3+R G +r=-0.450.5×10-3,解得E =1.45 V ,r =0.90 Ω.【答案】(1)R 1 (2)如图所示 (3)1.45(1.44~1.46) 0.90(0.88~0.92)7.[145] 【解析】(1)电流表量程太大、不可用,一节干电池的电动势约为1.5 V .(2)滑动变阻器总电阻值太小且在滑动过程中不能读出接入电路的电阻值,所以改变电路中的电阻采用电阻箱,电路图如答案图所示.(3)应用闭合电路欧姆定律有U +U R r =E ,则1U =1E +r E ·1R ,由此可知E =1b 、r =k b. 【答案】(1)B (2)如图所示 (3)1b k b8.[146] 【解析】(1)电子器件R 1允许通过的最大电流I m =2.56A ,电流表采用A ;电子器件R 1两端所加电压最大值为6 V ,则需把电流表G 改装成电压表,G 和定值电阻R 0串联后两端电压最大值为3 mA ×(10+1 990)Ω=6 V ,正合适;电子器件R 1电阻较小,改装后的电压表内阻远大于其电阻,而电流表A 内阻未知,则电流表A 外接.(2)要求特性曲线尽可能完整,直接测量的变化范围尽可能大一些,滑动变阻器采用分压式,滑动变阻器选总阻值小的D.(3)R 1、R 2和R 3串联,则通过它们的电流相同,又R 1和R 2消耗的电功率恰好相等,则Oa 、Ob 两曲线的交点为满足上述条件的点,通过它们的电流为0.25 A ,R 1和R 2两端电压均为2.5 V ,根据串联电路特点可知R 3两端电压为1 V ,根据欧姆定律可知R 3接入电路的阻值为10.25Ω=4 Ω. 【答案】(1)如图所示 (2)D (3)4119.[147] 【解析】(1)读出示数为:9.4 V.(2)①连线如图所示.②作图线如图所示③由闭合电路欧姆定律得E =U +U R (r +R 0),变形得1U =1E +r +R 0E ·1R ,从上式看出在1U-1R 图象中,纵轴的截距即为1E,由图象得出截距为0.10,所以E =10.0 V(9.5 V ~11.1 V 内均正确).10.[148] 【解析】(1)由于小电动机线圈电阻很小,电流也小,因此应选小量程电流表、电压表.r =U I=0.5 Ω.由(2)问图可知电压表分流,故测量值比真实值小. (2)电压表应选V 2,电流表A 1采用外接法,变阻器采用分压式电路.(3)P 出=4.5×0.4 W -0.42×0.5 W =1.72 W.【答案】(1)V 1 0.5 小(2)如图所示(3)1.72。
高中物理学习材料(灿若寒星**整理制作)新课标人教版物理选修3-1综合训练1、下列说法不符合...物理史实的是:( ) A. 赫兹首先发现电流能够产生磁场,证实了电和磁存在着相互联系 B. 安培提出的分子电流假说,揭示了磁现象的电本质C. 法拉第在前人的启发下,经过十年不懈的努力,终于发现电磁感应现象 D. 19世纪60年代,麦克斯韦建立了完整的电磁场理论,并预言了电磁波的存在2、图中带箭头的直线是某电场中的一条电场线,在这条直线上有a 、b 两点,若用Ea 、Eb 表示a 、b 两点的场强大小,则:( )A. 电场线是从a指向b,所以有Ea >EbB. a 、b 两点的场强方向相同C. 若一负电荷从b 点逆电场线方向移到a点,则电场力对该电荷做负功 D. 若此电场是由一负点电荷所产生的,则有Ea>Eb3、在如图所示的电路中,电池的电动势为ε,内电阻为r ,R 1、R 2为两个阻值固定的电阻,当可变电阻R 的滑片向下移动时,安培表的示数I 和伏特表的示数U 将:( )A. I 变大,U 变大B. I 变大,U 变小C. I 变小,U 变大D. I 变小,U 变小4、如图所示,两板间距为d 的平行板电容器与电源连接,电键k 闭合。
电容器两板间有一质量为m ,带电量为q 的微粒静止不动。
下列各叙述中正确的是:( )A .微粒带的是正电 B.电源电动势大小为mgd/qC.断开电键k ,微粒将向下做加速运动D.保持电键k 闭合,把电容器两板距离增大,微粒将向下做加速运动a bmkR 1VAR 2R5、如图所示,在第一象限内有垂直纸面向里的匀强磁场,一对正、负电子分别以相同速度沿与x 轴成300角从原点射入磁场,则正、负电子在磁场中运动时间之比为( )A. 1:2B. 2:1C. 1:3D. 1:16、在磁感应强度为B 的匀强磁场中做匀速圆周运动的带电粒子,当磁感应强度突然增大为2B 时,这个带电粒子:( )A. 速率加倍,周期减半B. 速率不变,轨道半径减半C. 速率不变,周期加倍D. 速率减半,轨道半径不变。
高中物理学习材料(鼎尚**整理制作)高三电学实验专题1.在用电压表和电流表测电阻的实验中,由于电表内阻对测量的影响,使得测量的结果会出现误差。
若采用右图所示的电路进行测量,则测量值R X与实际值R0比较()A. R X<R0B.R x>R0C.R X=R0D.因不知两表的内阻具体大小,故无法比较R X与R0的大小关系2.图示是某导体的I-U图线,图中α=45°,下列说法正确的是A.通过电阻的电流与其两端的电压成正比B.此导体的电阻R=2ΩC.I-U图线的斜率表示电阻的倒数,所以电阻R=cot45°=1.0ΩD.在R两端加6.0V电压时,每秒通过电阻截面的电量是6.0C3.(6分)一个未知电阻R x,阻值大约为10kΩ﹣20kΩ,为了较为准确地测定其电阻值,实验室中有如下器材:电压表V1(量程3V、内阻约为3kΩ)电压表V2(量程15V、内阻约为15kΩ)电流表A1(量程200μA、内阻约为100Ω)电流表A2(量程0.6A、内阻约为1Ω)电源E(电动势为3V)滑动变阻器R(最大阻值为200Ω)开关S(1)在实验中电压表选,电流表选.(填V1、V2,A1、A2)(2)为了尽可能减小误差,请你在虚线框中画出本实验的电路图.鼎尚V的内电阻,提供的实验4.(10分)为了测量一个量程0~3V、内阻约3 kΩ的电压表1器材有:A.待测电压表V1;B.电流表A1(0~0.6A,内阻约0.2Ω);C.电压表V2(量程0~10 V,内电阻约10kΩ);D.滑动变阻器R1(0~50Ω,额定电流0.5A);E.定值电阻R=5 kΩ;F.电源E(电动势8V,内阻较小);G.开关一个、导线若干。
⑴.在虚线框内画出正确的实验电路图。
(要求测量值尽可能精确、测量值的变化范围尽可能大一些,所用器材用对应的符号标出)⑵.实验时需要测得的物理量有。
(用符号表示并说明其物理意义)R= 。
〔用⑵.中符号表示〕⑶.待测电压表内电阻表达式为V15.某物理兴趣小组要精确测量一只电流表G (量程为1mA、内阻约为100Ω) 的内阻。
高中物理学习材料(灿若寒星**整理制作)淮北实验高中高三一轮复习电学实验(电阻测量)专题训练一、安培表内外接法、滑动变阻器分压限流接法及仪表的选择例题1.用伏安法测待测电阻Rx的阻值,备有以下器材:(a)待测电阻Rx (约为5Ω)(b)电流表A(0.3A ,内阻约为2Ω)(c)电压表V(3V ,内阻约为1.5kΩ)(d)滑动变阻器R(10Ω)(e)电源(E=6V ,内阻不计)(f)电键,导线若干请根据器材的规格和实验要求,请画出实验电路图考查:限流式、分压式接法的选择,内外接法的选择例题2.如图所示为用伏安法测量一个定值电阻阻值的实验所需的器材实物图,器材规格如下:(a)待测电阻Rx(约400Ω)(b)直流毫安表(量程0~10 mA,内阻50Ω)(c)直流电压表(量程0V~3V,内阻5kΩ)(d)直流电源(输出电压3V,内阻不计)(e)滑动变阻器(阻值范围0Ω~15Ω)(f)电键一个,导线若干条请根据器材的规格和实验要求,请设计出实验电路,并完成实物连线:考查:限流式、分压式接法的应用,内外接法的选择例题3.在描绘小灯泡伏安特性曲线的实验中,提供以下器材:(a)小灯泡(3.8V ,0.3A)(b)电流表A1(100mA ,内阻约为2Ω)(c)电流表A2(0.6A ,内阻约为0.3Ω)(d)电压表V1(5V ,内阻约为5kΩ)(e)电压表V2(15V ,内阻约为15kΩ)(f)滑动变阻器R1(10Ω)(g)滑动变阻器R2(2kΩ)(h)电源E2(电动势4V ,内阻约为0.4Ω)请画出实验电路图考查:限流式、分压式接法的应用,电表的选择例题4.用伏安法测量某一电阻Rx阻值,已知Rx阻值约10Ω,现有实验器材如下:(a)电流表A1(量程0~0.2A,内阻0.2Ω)(b)电流表A2(量程0~60mA,内阻3Ω)(c)电压表V1(量程0~3V,内阻3kΩ)(d)电压表V2(量程0~15V,内阻15kΩ)(e)滑动变阻器R1(0~20 Ω,额定电流1A )(f)蓄电池(电动势为6 V)、开关、导线.(1)为了较准确测量Rx阻值,电压表、电流表分别应选_______ 、_________(2)画出实验电路图:考查:限流式、分压式接法的应用,电表的选择二、在伏安法测电阻的基础上进行变换,充分考查学生对伏安法的理解思考:在用伏安法测电阻时,当题目中给定的电压表或电流表量程不符合要求怎么办?(方法一):已知电流的定值电阻可当电压表用、已知电压的定值电阻可当电流表用(方法二):用已知内阻的电流表当作电压表用,或用已知内阻的电压表当作电流表用,注意有时需要进一步的改装例题5.现用伏安法测R x的阻值,备有以下器材:A:待测电阻R x(约为500Ω)B:电流表A1(量程0~6mA,内阻约为5Ω)C:电流表A2(量程0~3mA,内阻约为10Ω)D:电压表V(量程0~15V,内阻约为4kΩ)E:定值电阻R0(阻值为500Ω)F:滑动变阻器R(阻值为20Ω)J:电源E(电动势为2V,内阻不计)K:电键、导线若干(1)此实验中不需要的实验器材有:_______;(2)请画出设计的电路图:考查:已知电流的定值电阻可当作电压表用例题6.现要测量电压表V1的内阻R V,其量程为2V,内阻约为2kΩ。
物理选修3-1 电学实验专题1、课外活动小组的同学设计了一个实验方案,用来测算缠绕螺线管的金属丝长度。
已知缠绕螺线管的金属丝电阻较小,经查阅资料得知该金属丝的电阻率为ρ。
(1)、实验中用螺旋测微器测得金属丝直径,如图甲所示,可知金属丝的直径为d=________mm (2)、利用多用表测得缠绕螺线管的金属丝的电阻,将选择开关旋转到“Ω”档的“×1”位置时,多用表指针指示位置如图乙所示,可知金属丝的电阻为R= Ω。
(3)、若测得的金属丝直径用d表示,电阻用R表示,则金属丝的长度L= 。
2、在“测定金属的电阻率”的实验中,待测金属导线的电阻Rx约为3Ω.实验室备有电池E(电动势3V,内阻约为1Ω),开关,导线若干外还有下列实验器材:A.电压表V1(量程3V,内阻约为15kΩ) B.电压表V2 (量程15V,内阻约为75kΩ)C.电流表A1(量程3A,内阻约为0.2Ω) D.电流表A2(量程600mA,内阻约为1Ω)E.变阻器R1(0~10Ω,0.6A) F.变阻器R2(0~200Ω,0.1A)①为提高实验精确度,减小实验误差,应选用的实验器材有______________。
(填选项代码)②在上面框内画出实验电路图。
此电路图测量值______真实值(填“>、“<”或“=”)。
3、在测电阻的实验中,(1)、先用多用电表对其粗测。
测量的某些操作步骤如下:①调节____________(选填“机械调零”、“欧姆调零”)旋钮,使电表指针停在____________位置;(选填“电流0刻度”、“欧姆0刻度”)②调节档位,选用“×100”欧姆档。
③将红、黑表笔相互接触,调节____________(选填“机械调零”、“欧姆调零”)旋钮,使电表指针停在__ _______位置。
(选填“电流0刻度”、“欧姆0刻度”)④用该多用电表测量电阻,其阻值如图甲中指针所示,为了减小多用电表的读数误差,多用电表的选择开关应换用____________欧姆挡(选填“×10”、“×1k”),并重复步骤________后进行测量。
专题三电学实验综合(建议用时:90分钟)1.某照明电路出现故障,其电路如图甲所示,该电路用标称值12 V的蓄电池为电源,导线及其接触完好.维修人员使用已调好的多用表直流50 V挡检测故障.他将黑表笔接在c点,用红表笔分别探测电路的a、b点.甲乙(1)断开开关,红表笔接a点时多用表指示如图乙所示,读数为________V,说明________正常(选填:蓄电池、保险丝、开关、小灯).(2)红表笔接b点,断开开关时,表针不偏转,闭合开关后,多用表指示仍然和图乙相同,可判定发生故障的器件是________(选填:蓄电池、保险丝、开关、小灯).2.将一铜片和一锌片分别插入一个苹果内,就构成了简单的“水果电池”,其电动势约为1.5 V.可是这种电池并不能点亮额定电压为1.5 V、额定电流为0.3 A的手电筒上的小灯泡,原因是流过小灯泡的电流太小了,经实验测得还不足3 mA.为了较精确地测定该水果电池的电动势和内阻,提供的实验器材有:A.电流表A1(量程0~3 mA,内阻约为0.5 Ω)B.电流表A2(量程0~0.6 A,内阻约为0.1 Ω)C.电压表V(量程0~1.5 V,内阻约为3 kΩ)D.滑动变阻器R1(阻值0~10 Ω,额定电流为1 A)E.滑动变阻器R2(阻值0~3 kΩ,额定电流为1 A)F.电键,导线若干G.水果电池(1)实验中电流表应选用________,滑动变阻器应选用________(均用序号字母表示).(2)请在虚线框内画出实验电路图.(3)根据实验记录的数据,经描点、连线得到水果电池的路端电压随电流变化的U-I图象如图所示,由图可知:水果电池的电动势E=________V,内阻r=________ Ω.3.某同学用量程为1 mA、内阻为120 Ω的表头按图甲所示电路改装成量程分别为1 V 和1 A的多用电表.图中R1和R2为定值电阻,S为开关.回答下列问题:(1)根据图甲所示的电路,在图乙所示的实物图上连线.(2)开关S闭合时,多用电表用于测量________(填“电流”、“电压”或“电阻”);开关S断开时,多用电表用于测量________(填“电流”、“电压”或“电阻”).(3)表笔A应为________色(填“红”或“黑”).(4)定值电阻的阻值R1=________Ω,R2=________Ω.(结果取三位有效数字)4.某同学为了研究“3 V,0.3 W”的小灯泡L从较低温度到正常发光过程中的电阻情况.设置了如下器材:电流表A1(量程400 mA,内阻r1=5 Ω);电流表A2(量程600 mA,内阻r2约为1 Ω);电压表V(量程15 V,内阻约为3 kΩ);定值电阻R0(5 Ω);滑动变阻器R1(0~10 Ω,额定电流为1 A);滑动变阻器R2(0~250 Ω,额定电流为0.3 A);电源E(电动势3 V,内阻较小);开关一个,导线若干.(1)从以上给定的器材中选择恰当的器材.在虚线框内画出实验电路原理图,并在图中标出所用仪器的代号.(2)根据设计的方案,将下图中的器材连成符合要求的电路(有个别仪器可能不用).(3)闭合开关S,移动滑片P,使________时,可知灯泡正常发光,此时灯泡的电阻为________(用测量的物理量表示).5.如图甲是利用两个电流表A1和A2测量干电池电动势E和内阻r的电路原理图.图中S为开关,R为滑动变阻器,固定电阻R1和A1内阻之和为10 000 Ω(比r和滑动变阻器的总电阻大得多),A2为理想电流表.(1)按电路原理图在图乙虚线框内各实物图之间画出连线.(2)在闭合开关S前,将滑动变阻器的滑动端c移动至________(选填“a端”、“中央”或“b端”).(3)闭合开关S,移动滑动变阻器的滑动端c至某一位置,读出电流表A1和A2的示数I1和I2.多次改变滑动端c的位置,得到的数据为I1/mA0.1200.1250.1300.1350.1400.145I2/mA48040032023214068在如图丙所示的坐标纸上以I1为纵坐标、I2为横坐标画出所对应的I1-I2曲线.(4)利用所得曲线求得电源的电动势E=________ V,内阻r=________ Ω.(保留两位小数)(5)该电路中电源输出的短路电流I m=________ A.6.为了测定一节干电池的电动势和内电阻,现准备了下列器材:①待测干电池E(电动势约为1.5 V,内阻约为1.0 Ω)②电流表G(满偏电流3.0 mA,内阻为10 Ω)③电流表A(量程0~0.60 A,内阻约为0.10 Ω)④滑动变阻器R1(0~20 Ω,2 A)⑤滑动变阻器R2(0~1 000 Ω,1 A)⑥定值电阻R3=990 Ω⑦开关和导线若干(1)为了能尽量准确地进行测量,也为了操作方便,实验中应选用的滑动变阻器是_____(填仪器字母代号);(2)请在图甲所示的方框中画出实验电路原理图,并注明器材的字母代号;(3)图乙所示为某同学根据正确的电路图作出的I1-I2图线(I1为电流表G的示数,I2为电流表A的示数),由该图线可求出被测干电池的电动势E=________V(保留3位有效数字),内电阻r=________Ω(保留2位有效数字).7.为了测定电阻R x(电阻值约为1 000 Ω)的电阻值以及一节干电池的电动势和内阻(内阻约为2 Ω),手边还有如下器材:A.电流表A:量程为3 A、内阻约为0.5 ΩB.电压表V:量程为2 V、内阻很大C.电阻箱R1:总阻值为9 999.9 ΩD.滑动变阻器R2:0~10 ΩE.单刀单掷开关、导线若干(1)为了较准确测量,电表应选用________.(填器材前的编号)(2)请在虚线框内画出一个实验电路,测定R x的电阻值、电池的电动势和内阻.要求:标清楚所需器材的符号(A、V、R1、R x、R2).(3)通过改变电路的总电阻,记录外电路的电阻值R和对应情况下的电压表示数U,画出1U随1R的变化图线为直线,如图所示,直线与纵轴的交点坐标为b、斜率为k,则电源电动势为________,内阻为________.8.现用伏安法研究某电子器件R1(6 V 2.5 W)的伏安特性曲线,要求特性曲线尽可能完整(直接测量的变化范围尽可能大一些),备有下列器材:A.直流电源(6 V,内阻不计);B.电流表G(满偏电流I g=3 mA,内阻R g=10 Ω);C.电流表A(0~0.6 A,内阻未知);D.滑动变阻器(0~20 Ω,5 A);E.滑动变阻器(0~200 Ω,1 A);F.定值电阻R0(阻值1 990 Ω);G.开关与导线若干.(1)根据题目提供的实验器材,请你在方框中设计出测量电子器件R1伏安特性曲线的电路原理图.(2)在实验中,为了操作方便且能够准确地进行测量,滑动变阻器应选用________(填写器材序号).(3)将上述电子器件R1和另一电子器件R2接入如图甲所示的电路中,它们的伏安特性曲线分别如图乙中Ob、Oa所示.电源的电动势E=6.0 V,内阻忽略不计.调节滑动变阻器R3,使电阻R1和R2消耗的电功率恰好相等,则此时R3接入电路的阻值为________Ω.9.某研究性学习小组欲测定一块电池的电动势E.(1)先直接用多用电表测定该电池电动势.在操作无误的情况下,多用电表表盘示数如图,其示数为____________V.(2)然后,用电压表V、电阻箱R、定值电阻R0、开关S、若干导线和该电池组成电路,测定该电池电动势.①根据电路图,用笔画线代替导线,将实物图连接成完整电路.②闭合开关S,调整电阻箱阻值R,读出电压表V相应示数U.该学习小组测出大量数据,分析筛选出下表所示的R、U数据,并计算出相应的1/R和1/U的值.请用表中数据在坐标纸上描点,并作出1/U-1/R图线.R(Ω)166.771.450.033.325.020.0U(V)8.3 5.9 4.8 4.2 3.2 2.9 1/R(×10-2Ω-1)0.60 1.40 2.00 3.00 4.00 5.001/U(V-1)0.120.170.210.240.310.34③从图线中可求得E=____________V.10.某中学的物理“小制作”小组装配了一台“5 V0.5 A”的小直流电动机,线圈内阻小于1 Ω.现要进一步研究这个小直流电动机在允许的输入电压范围内,输出功率与输入电压的关系,学校实验室提供的器材有:①直流电源E,电压6 V,内阻不计;②小直流电动机M;③电压表V1,量程0~0.6 V,内阻约3 kΩ;④电压表V2,量程0~6 V,内阻约15 kΩ;⑤电流表A1,量程0~0.6 A,内阻约1 kΩ;⑥电流表A2,量程0~3 A,内阻约0.5 Ω;⑦滑动变阻器R,0~10 Ω,2 A;⑧开关一只,导线若干.(1)首先要比较精确测量电动机的内阻r.根据合理的电路进行测量时,要控制电动机不转动,通过调节滑动变阻器,使电压表和电流表有合适的示数,电压表应该选______.若电压表的示数为0.1 V,电流表的示数为0.2 A,则内阻r=______ Ω,这个结果比真实值偏______(填“大”或“小”).(2)在方框中画出研究电动机的输出功率与输入电压的关系的实验电路图.(标明所选器材的符号)(3)当电压表的示数为4.5 V时,电流表示数如图所示,此时电动机的输出功率是____W.参考答案与解析1.[139]【解析】(1)因用直流50 V挡检测,故满偏时电压为50 V,刻度均匀,在题图乙所示位置时,读数为11.5(11.2~11.8之间的值均可)V,说明蓄电池正常.(2)红表笔接b点,断开开关,指针不偏转,闭合开关后多用表读数与原来相同,说明保险丝、开关均正常,发生故障的器件只能为小灯.【答案】(1)11.5(11.2~11.8之间的值均可)蓄电池(2)小灯2.[140]【解析】由图象知电源内阻较大,因此电流表应外接,误差较小;同时滑动变阻器应选R2,电流表才会有明显的示数变化.【答案】(1)A E(2)如图所示(3)1.354503.[141]【解析】(1)表头跟R2串联,R1跟开关串联,两个支路并联,连线图如图所示.(2)开关闭合时,电表的内阻较小,为等效电流表;开关断开时,电表的内阻较大,为等效电压表.(3)电流由红表笔流入,由题图甲可看出表头右端为“+”,故表笔A为黑表笔.(4)设表头的内阻为r,满偏电流为I g,由欧姆定律可知I g(R2+r)=1 V,I g(R2+r)=(1 A -I g)R1,解得R1=1.00 Ω,R2=880 Ω.【答案】(1)见解析图(2)电流电压(3)黑(4)1.008804.[142]【解析】测电阻的基本方法是伏安法,但由于小灯泡的额定电压为3 V,比电压表的量程小得多,故无法用电压表测电压.可设计让定值电阻R0与A1串联,改装成一个适当量程的电压表,然后用A2测量小灯泡和改装电表并联后的总电流,这样通过两表的示数就可以知道通过小灯泡的电流为I2-I1,小灯泡两端的电压为I1(R0+r1),故小灯泡的电阻为R L=I1(r1+R0)I2-I1.实验要求测量小灯泡L从较低温度到正常发光过程中的电阻情况,即要求电压从0开始调节,故滑动变阻器应选用分压式接法.由于滑动变阻器R2阻值太大,所以滑动变阻器选R1;小灯泡正常发光时电压为3 V,对应电流表读数为I1=UR0+r1=0.3 A=300 mA.则电路原理图如图甲所示,实物连接图如图乙所示使A 1的示数为300 mA 时,灯泡正常发光,此时R L =I 1(r 1+R 0)I 2-I 1,式中I 2为A 1表示数为300 mA 时,电流表A 2的读数,故I 1=300 mA.【答案】(1)、(2)见解析图 (3)A 1的示数为300 mAI 1(r 1+R 0)I 2-I 1 5.[143] 【解析】(1)由电路图连线如图(2)闭合开关S 前,为保护电路,应使连入电路的滑动变阻器阻值最大,故滑动端c 置于b 端.(3)连线如图(4)电路中,A 1与R 1串联等效于电压表,纵轴截距为0.149 mA ,对应电压值U =0.149×10-3×104 V =1.49 V ,故电动势E =1.49 V ,内阻r =⎪⎪⎪⎪ΔU ΔI =0.60 Ω.(5)短路电流I m =E r =1.490.60A =2.5 A. 【答案】(1)见解析图 (2)b 端 (3)见解析图 (4)1.49 0.60 (5)2.56.[144] 【解析】(1)题中给出两个电流表,其中G 内阻已知,和定值电阻串联后两端电压最大为3 V ,改装用作电压表;滑动变阻器若用R 1,方便调节和读数,易得多组数据,而R 2的电阻值太大,不方便调节,不易测得多组数据.(3)根据闭合电路欧姆定律可知E =I 1(R 3+R G )+(I 1+I 2)r ,变形为I 1=-r R 3+R G +r I 2+E R 3+R G +r ,图线的纵截距为E R 3+R G +r =1.45×10-3A ,斜率为-r R 3+R G +r=-0.450.5×10-3,解得E =1.45 V ,r =0.90 Ω.【答案】(1)R 1 (2)如图所示 (3)1.45(1.44~1.46) 0.90(0.88~0.92)7.[145] 【解析】(1)电流表量程太大、不可用,一节干电池的电动势约为1.5 V .(2)滑动变阻器总电阻值太小且在滑动过程中不能读出接入电路的电阻值,所以改变电路中的电阻采用电阻箱,电路图如答案图所示.(3)应用闭合电路欧姆定律有U +U R r =E ,则1U =1E +r E ·1R ,由此可知E =1b 、r =k b. 【答案】(1)B (2)如图所示 (3)1b k b8.[146] 【解析】(1)电子器件R 1允许通过的最大电流I m =2.56A ,电流表采用A ;电子器件R 1两端所加电压最大值为6 V ,则需把电流表G 改装成电压表,G 和定值电阻R 0串联后两端电压最大值为3 mA ×(10+1 990)Ω=6 V ,正合适;电子器件R 1电阻较小,改装后的电压表内阻远大于其电阻,而电流表A 内阻未知,则电流表A 外接.(2)要求特性曲线尽可能完整,直接测量的变化范围尽可能大一些,滑动变阻器采用分压式,滑动变阻器选总阻值小的D.(3)R 1、R 2和R 3串联,则通过它们的电流相同,又R 1和R 2消耗的电功率恰好相等,则Oa 、Ob 两曲线的交点为满足上述条件的点,通过它们的电流为0.25 A ,R 1和R 2两端电压均为2.5 V ,根据串联电路特点可知R 3两端电压为1 V ,根据欧姆定律可知R 3接入电路的阻值为10.25Ω=4 Ω. 【答案】(1)如图所示 (2)D (3)4119.[147] 【解析】(1)读出示数为:9.4 V.(2)①连线如图所示.②作图线如图所示③由闭合电路欧姆定律得E =U +U R (r +R 0),变形得1U =1E +r +R 0E ·1R ,从上式看出在1U-1R 图象中,纵轴的截距即为1E,由图象得出截距为0.10,所以E =10.0 V(9.5 V ~11.1 V 内均正确).10.[148] 【解析】(1)由于小电动机线圈电阻很小,电流也小,因此应选小量程电流表、电压表.r =U I=0.5 Ω.由(2)问图可知电压表分流,故测量值比真实值小. (2)电压表应选V 2,电流表A 1采用外接法,变阻器采用分压式电路.(3)P 出=4.5×0.4 W -0.42×0.5 W =1.72 W.【答案】(1)V 1 0.5 小(2)如图所示(3)1.72。
第二章恒定电流(电学实验)本章主要学习内容:1、恒定电流——电流电动势闭合电路的欧姆定律电功率2、电学实验常用仪器介绍3、实验一测定金属的电阻率4、实验二描述小电珠的伏安特性曲线5、实验三测定电源的电动势和内阻6、实验四练习使用多用电表7、实验五电表内阻的测量8、实验六传感器的简单使用一、恒定电流1.电源1)、电源的作用:提供持续的电压2)、形成电流的条件:(1)存在自由电荷(2)导体两端存在电压3)、恒定电流:大小、方向都不随时间变化的电流。
2.电流强度:qIt=单位时间内通过导体横截面积的电荷量{I:电流强度(A),q:在时间t内通过导体横载面的电量(C),t:时间(s)}(1)电荷的定向移动形成电流。
(2)电流有方向,但它是标量。
规定:导体内正电荷定向移动的方向为电流方向。
(3)金属导体中电流的计算式:I=nqSvn为单位体积内的自由电荷的个数,S为导线的横截面积,v为自由电荷的定向移动速率。
3.电动势和内阻4.闭合电路欧姆定律: EI r R=或 E =Ir+ IR (纯电阻电路);E =U 内 +U 外 ; E =U 外 + I r ;(普通适用){I:电路中的总电流(A),E:电源电动势(V),R:外电路电阻(Ω),r:电源内阻(Ω)} 5.部分电路欧姆定律:UI R= {I:导体电流强度(A),U:导体两端电压(V),R:导体阻值(Ω)} 3.电阻定律:L R ρS= {ρ:电阻率(Ω•m),L:导体的长度(m),S:导体横截面积(m 2)}5.电功与电功率:W =UIt ,P =UI {W:电功(J),U:电压(V),I:电流(A),t:时间(s),P:电功率(W)}6.焦耳定律:Q =I 2Rt {Q:电热(J),I:通过导体的电流(A),R:导体的电阻值(Ω),t:通电时间(s)} 7.纯电阻电路和非纯电阻电路8.电源总动率P总=IE;电源输出功率P出=IU;电源效率η=P出/P总{I:电路总电流(A),E:电源电动势(V),U:路端电压(V),η:电源效率}9.电路的串/并联:串联电路(P、U与R成正比) 并联电路(P、I与R成反比)10.伏安法测电阻1)、电压表和电流表的接法2)、滑动变阻器的两种接法:注:(1)单位换算:1A=103mA=106μA;1kV=103V=106mV;1MΩ=103kΩ=106Ω(2)各种材料的电阻率都随温度的变化而变化,金属电阻率随温度升高而增大;半导体和绝缘体的电阻率随温度升高而减小。
高中物理学习材料桑水制作广东广雅阳江分校2015-2016学年第一学期高二物理期末复习提升练习电学实验1.在探究磁场产生电流的条件时,做了下面实验(下右图):由线圈,电流表构成的闭合回路。
条形磁铁提供磁场。
请填写观察到现象:由这个实验可以得出磁场产生电流的条件是: 。
2.(I )为了探究“感应电流产生的条件”,甲同学将电池组、滑线变阻器、带铁芯的线圈A 、线圈B 、电流计及开关如图连接. 经乙同学检查后发现甲同学接线有错误,应该导线是 _________(用导线两端的字母符号表示)。
如果在闭合电键时发现灵敏电流计的指针向右偏了一下,那么合上电键后可能出现的情况有:将原线圈迅速插入副线圈时,灵敏电流计指针将________。
(填“向右偏”、“向左偏”或“不偏转”)原线圈插入副线圈后,将滑动变阻器触头迅速向左拉时,灵敏电流计指针___________。
(填“向右偏”、“向左偏”或“不偏转”)3.如图所示是研究电磁感应现象实验所需的器材,用实线将带有铁芯的线圈A 、电源、滑动变阻器和开关连接成原线圈回路,将小量程电流表和线圈B 连接成副线圈回路。
并列举出在实验中改变副线圈回路磁通量,使副线圈回路产生感应电流的三种方式:(1)___________________________;(2)___________________________;(3)___________________________。
4.在“描绘小灯泡的伏安特性曲线”的实验中,现除了有一个标有“5 V,2.5 W ”的小灯泡、导线和开关外,还有:A .直流电源(电动势约为5 V ,内阻可不计)B .直流电流表(量程0~3 A ,内阻约为0.1 Ω)C .直流电流表(量程0~600 mA ,内阻约为5 Ω)D .直流电压表(量程0~15 V ,内阻约为15 k Ω)实验过程电流表的指针(填偏转或不偏转) 条形磁铁插入线圈过程条形磁铁静止在线圈中条形磁铁从线圈中抽出过程条形 磁铁E.直流电压表(量程0~5 V,内阻约为10 kΩ)F.滑动变阻器(最大阻值10 Ω,允许通过的最大电流为2 A)G.滑动变阻器(最大阻值1 kΩ,允许通过的最大电流为0.5 A)实验要求小灯泡两端的电压从零开始变化并能测多组数据.(1)实验中电流表应选用________,电压表应选用________,滑动变阻器应选用________(均用序号字母表示).(2)请按要求将图中所示的器材连成实验电路.(3)某同学通过实验正确作出的小灯泡的伏安特性曲线如图所示.现把实验中使用的小灯泡接到如图所示的电路中,其中电源电动势E=6 V,内阻r=1 Ω,定值电阻R=9 Ω,此时灯泡的实际功率为________W(结果保留两位有效数字)5.(共18分)小灯泡灯丝的电阻随温度的升高而变大,某同学利用实验探究这一现象。
高中物理选修3-1测试-----电场(A )一、单项选择题1、关于点电荷的说法正确的是:( )A .点电荷的带电量一定是1.60×10-19C B .实际存在的电荷都是点电荷 C .点电荷是理想化的物理模型D .大的带电体不能看成是点电荷2、两个相同的金属小球(可视为点电荷),所带电量之比为1:7,在真空中相距r ,把它们接触后再放回原处,则它们间的静电力可能为原来的:A .4/7;B .3/7;C .9/7D .16/7 3、如右图1B-1是点电荷电场中的一条电场线,下面说法正确的是A .A 点场强一定大于B 点场强 B .在B 点静止释放一个电子,将一定向A 点运动C .这点电荷一定带正电D .正电荷运动中通过A 点时,其运动方向一定沿AB 方向4、如图1A-2,当正电荷从A 到C 移动过程中,正确的是 ( ) A .从A 经B 到C 电场力对电荷做功最多 B .从A 经M 到C 电场力对电荷做功最多 C .从A 经N 到C 电场力对电荷做功最多D .不管从哪条路径使电荷从A 到C ,电场力做功都相等,且都是正功。
5、要使平行板电容器的电容增大:( )A 、增大电容器的带电量B 、增大电容器两级间的电压C 、增大电容器两级板的正对面积D 、增大电容器两级板的距离二、多项选择题1、如图1A-3所示,a 、b 、c 是一条电场线上的三点,电场线的方向由a 到c ,a 、b 间的距离等于b 、c 间的距离,用c b a ϕϕϕ、、和c b a E E E 、、分别表示a 、b 、c 三点的电势和电场强度,以下判定错误的是 ( )A .a ϕ>b ϕ>c ϕB .a E >b E >c EC .c b b a ϕϕϕϕ-=-D .aE =b E =c E2、原来静止的点电荷在只受电场力作用时 ( )A .一定从场强大的地方向场强小的地方运动;B .一定从电势高的地方向电势低的地方运动;C .一定从电势能大的地方向电势能小的地方运动;D .电场力一定做正功。
物理选修3-1第4-5章《电学实验》专题练习一、电表的使用及读数方法1.如图7-3-1甲是学生实验用的有两个量程的电流表刻度盘,当用“+”和“-0.6”两接线柱时,能测量的最大电流是________A,对应刻度盘上每一小格代表________A,图中表针示数为________A;当使用电流表的“+”和“-3”两接线柱时,对应刻度盘上每一小格代表________A,图中表针示数为________A.图乙为学生实验用的两个量程的电压表刻度盘,当使用较小量程时,测量电压最大值不得超过________V,每小格表示________V,图中指针示数________V;若使用的是较大量程时,则表盘刻度每小格表示________V,图中指针示数________V.二、伏安法测电阻,等效替代的方法来测电阻,电表内阻的测量2.用伏安法测电阻,可采用7-3-2所示的甲、乙两种接法.如所用电压表内阻为5 000 Ω,电流表内阻为0.5 Ω.(1)当测量100 Ω左右的电阻时,宜采用________电路.(2)现采用乙电路测量某电阻的阻值时,两电表的读数分别为10 V、0.5 A,则此电阻的测量值为______Ω,真实值为________Ω.3、要测量一个未知电阻Rx的阻值(阻值约为4 Ω),现有如下器材:读数不准的电流表A(满偏电流约为0.6 A),滑动变阻器R(最大阻值20 Ω),电阻箱R1(最大阻值 99.9 Ω),电源E1(电动势为2 V,内阻不计),单刀单掷开关S1,单刀双掷开关S2,导线若干.现要求尽量精确地测量Rx的阻值.(1)画出实验电路图; (2)写出主要实验步骤.4、某电压表的内阻在20 kΩ~50 kΩ之间,现要测量其内阻,实验室提供下列可供选用的器材:待测电压表V(量程3 V)、电流表A1(量程200 μA)、电流表A2(量程5 mA)、电流表A3(量程0.6A)、滑动变阻器R(最大值1 kΩ)、电源E(电动势4 V),开关S.(1)所提供的电流表中,应选用________.(2)为了减小误差,要求测量多组数据,试画出符合要求的电路图.三、测定金属的电阻率5.一位电工师傅为测量某电线厂生产的铜芯电线的电阻率,他截取了一段用米尺测出长度为L的电线,用螺旋测微器测量电线直径为D,它的刻度位置如图7-4-3所示,用多用电表测其电阻发现阻值小于1 Ω.为提高测量的精度,他用图7-4-2器材中的元件,设计了一个电路,重新测量这段导线(下图中用R x表示)的电阻图7-4-2A.电源E:电动势为3.0 V,内阻不计:量程为0~3.0 V,内阻约为2 kΩB.电压表V1:量程为0~15.0 V,内阻约为6 kΩC.电压表V2D.电流表A:量程为0~0.6 A,内阻约为1 Ω1:量程为0~3.0 A,内阻约为0.1 ΩE.电流表A2F.滑动变阻器R1:最大阻值5 Ω,额定电流2.0 AG.滑动变阻器R2:最大阻值1 kΩ,额定电流1.0 AH.开关S一个,导线若干(1) 从图7-4-3中读出螺旋测微器测得电线的直径D的读数如图7-4-3,则读数为________ mm.(2)实验时电压表选________;电流表选________;滑动变阻器选_____ __(填元件符号).(3)请设计合理的测量电路,把电路图画在作图框中,在图中表明元件符号.(4)在实物图7-4-2中用笔画线替代导线连接元件.(5)某次测量时,电压表示数为U,电流表示数为I,则该铜芯电线材料的电阻率的表达式为ρ=____ ____.四、描绘小灯泡的伏安特性曲线6.在“描绘小灯泡的伏安特性曲线”的实验中,可供选择的实验仪器如下:小灯泡L,“3.8 V、0.3 A”电压表V,量程0~5 V,内阻5 kΩ,量程0~100 mA,内阻4 Ω电流表A1电流表A,量程0~500 mA,内阻0.4 Ω2滑动变阻器R1,最大阻值10 Ω,额定电流1.0 A滑动变阻器R 2,最大阻值5 Ω,额定电流0.5 A 直流电源E ,电动势约为6 V ,内阻约为0.5 Ω(1)在上述器材中,滑动变阻器应选 ;电流表应选 . (2)在虚线框内画出实验的电路图,并在图中注明各元件的符号。
2020年河南省信阳高中物理电学实验综合训练1.有一额定电压为2.8 V,额定功率0.56 W的小灯泡,现要用伏安法描绘这个小灯泡的伏安特性曲线,有下列器材可供选用:A.电压表(量程0~3 V内阻约6 kΩ)B.电压表(量程0~6 V,内阻约20 kΩ)C.电流表(量程0~0.6 A,内阻约0.5 Ω)D.电流表(量程0~200 mA,内阻约20 Ω)E.滑动变阻器(最大电阻10 Ω,允许最大电流2 A)F.滑动变阻器(最大电阻200 Ω,允许最大电流150 mA)G.三节干电池(电动势约为4.5 V)H.电键、导线若干(1)为提高实验的精确程度,电压表应选用____;电流表应选用___;滑动变阻器应选用____;(以上均填器材前的序号)(2)请在虚线框内画出描绘小灯泡伏安特性曲线的电路图____;(3)通过实验描绘出小灯泡的伏安特性曲线如图所示,某同学将一电源(电动势E=2 V,内阻r=5 Ω)与此小灯泡直接连接时,小灯泡的实际功率是____W(保留两位有效数字)。
2.温度传感器的核心部分是一个热敏电阻。
某课外活动小组的同学在学习了伏安法测电阻之后,利用所学知识来测量由某种金属制成的热敏电阻的阻值。
可供选择的实验器材如下:A.直流电源,电动势E=6V,内阻不计;B.毫安表A1,量程为600mA,内阻约为0.5;C.毫安表A2,量程为10mA,内阻R A=100;D.定值电阻R0=400;E.滑动变阻器R=5;F.被测热敏电阻R t,开关、导线若干。
(1)实验要求能够在0~5V范围内,比较准确地对热敏电阻的阻值R t进行测量,请在图甲的方框中设计实验电路______。
(2)某次测量中,闭合开关S,记下毫安表A1的示数I1和毫安表A2的示数I2,则计算热敏电阻阻值的表达式为R t=______(用题给的物理量符号表示)。
(3)该小组的同学利用图甲电路,按照正确的实验操作步骤,作出的I2-I1图象如图乙所示,由图可知,该热敏电阻的阻值随毫安表A2的示数的增大而____(填“增大”“减小”或“不变”)。
枣庄三中2013——2014学年度高二物理学案使用日期:2014年_月__日学号_______ 姓名___________23.《电学实验》能力提升训练1.某同学用量程为1 mA、内阻为120 Ω的表头按图(a)所示电路改装成量程分别为1 V和1 A的多用电表。
图中R1和R2为定值电阻,S为开关。
回答下列问题:(1)根据图(a)所示的电路,在图(b)所示的实物图上连线。
(2)开关S闭合时,多用电表用于测量_________(填“电流”、“电压”或“电阻”);开关S断开时,多用电表用于测量_________(填“电流”、“电压”或“电阻”)。
(3)表笔A应为________色(填“红”或“黑”)。
(4)定值电阻的阻值R1=_______Ω,R2=_______Ω。
(结果取3位有效数字)2.要测绘一个标有“3 V0.6 W”小灯泡的伏安特性曲线,灯泡两端的电压需要由零逐渐增加到3 V,并便于操作。
已选用的器材有:电池组(电动势为4.5 V,内阻约1 Ω);电流表(量程为0~250 mA,内阻约5 Ω);电压表(量程为0~3 V,内阻约3 kΩ);电键一个、导线若干。
①实验中所用的滑动变阻器应选下列中的_____(填字母代号)。
A.滑动变阻器(最大阻值20 Ω,额定电流1 A)B.滑动变阻器(最大阻值1 750 Ω,额定电流0.3 A)②实验的电路图应选用下列的图_____(填字母代号)。
③实验得到小灯泡的伏安特性曲线如图所示。
如果将这个小灯泡接到电动势为1.5 V,内阻为5 Ω的电源两端,小灯泡消耗的功率是________W。
3.某同学通过实验测定一个阻值约为5 Ω的电阻R X的阻值。
(1)现有电源(4 V,内阻可不计)、滑动变阻器(0~50 Ω,额定电流2 A)、开关和导线若干,以及下列电表:A.电流表(0~3 A,内阻约0.025 Ω)B.电流表(0~0.6 A,内阻约0.125 Ω)C.电压表(0~3 V,内阻约3 kΩ)D.电压表(0~15 V,内阻约15 kΩ)为减小测量误差,在实验中,电流表应选用_____,电压表应选用_____(选填器材前的字母);实验电路应采用图1中的_____(选填“甲”或“乙”)。
图1 图2(2)图2是测量R X的实验器材实物图,图中已连接了部分导线。
请根据在(1)问中所选的电路图,补充完成图2中实物间的连线。
(3)接通开关,改变滑动变阻器滑片P的位置,并记录对应的电流表示数I、电压表示数U。
某次电表示数如图3所示,可得该电阻的测量值R X=_____Ω(保留两位有效数字)。
第 1 页共4 页(4)若在(1)问中选用甲电路,产生误差的主要原因是_____;若在(1)问中选用乙电路,产生误差的主要原因是_____。
(选填选项前的字母)A.电流表测量值小于流经R X的电流值B.电流表测量值大于流经R X的电流值C.电压表测量值小于R X两端的电压值D.电压表测量值大于R X两端的电压值(5)在不损坏电表的前提下,将滑动变阻器滑片P从一端滑向另一端,随滑片P移动距离x的增加,被测电阻R X两端的电压U也随之增加,下列反映U-x关系的示意图中正确的是_____。
图3 图44.硅光电池在无光照时不产生电能,可视为一电子元件。
某实验小组设计如图甲电路,给硅光电池加反向电压(硅光电池负极接高电势点,正极接低电势点),探究其在无光照时的反向伏安特性。
图中电压表V1量程选用3 V,内阻为6.0 kΩ;电压表V2量程选用15 V,内阻约为30 kΩ;R0为保护电阻;直流电源电动势E约为12 V,内阻不计。
①根据图甲,用笔画线代替导线,将图乙连接成完整电路。
②用遮光罩罩住硅光电池,闭合开关S,调节变阻器R,读出电压表V1、V2的示数U1、U2。
(ⅰ)某次测量时,电压表V1示数如图丙,则U1=______V,可算出通过硅光电池的反向电流大小为________mA=_______A(保留两位小数)。
(ⅱ)该小组测出大量数据,筛选出下表所示的9组U1、U2数据,算出相应的硅光电池两端反向电压U x和通过的反向电流I x(表中“-”表示反向),并在坐标纸上建立I x-U x坐标系,标出了与表中前5组U x、I x数据对应的5个坐标点。
请你标出余下的4个坐标点,并绘出I x-U x图线。
1 2 3 4 5 6 7 8 9U1/V 0.00 0.00 0.06 0.12 0.24 0.42 0.72 1.14 1.74U2/V 0.0 1.0 2.1 3.1 4.2 5.4 6.7 8.1 9.7U x/V 0.0 -1.0 -2.0 -3.0 -4.0 -5.0 -6.0 -7.0 -8.0I x/mA 0.00 0.00 -0.01 -0.02 -0.04 -0.07 -0.12 -0.19 -0.29(ⅲ)由I x-U x图线可知,硅光电池无光照下加反向电压时,I x与U x成_________(填“线性”或“非线性”)关系。
第 2 页共4 页5.采用如图所示的电路“测定电池的电动势和内阻”。
(1)除了选用照片中的部分器材外,_____(填选项);A.还需要电压表B.还需要电流表C.还需要学生电源D.不再需要其他器材(2)测量所得数据如下:测量次数1 2 3 4 5 6物理量R/Ω 1.2 1.0 0.8 0.6 0.4 0.2I/A 0.60 0.70 0.80 0.89 1.00 1.20U/V 0.90 0.78 0.74 0.67 0.62 0.43 用作图法求得电池的内阻r=_____;(3)根据第5次所测得的实验数据,求得电流表内阻R A=_____。
6.在探究两电荷间相互作用力的大小与哪些因素有关的实验中,一同学猜想可能与两电荷的间距和带电量有关。
他选用带正电的小球A和B,A球放在可移动的绝缘座上,B球用绝缘丝线悬挂于玻璃棒C点,如图所示。
实验时,先保持两球电荷量不变,使A球从远处逐渐向B球靠近,观察到两球距离越小,B球悬线的偏角越大;再保持两球距离不变,改变小球所带的电荷量,观察到电荷量越大,B球悬线的偏角越大。
实验表明:两电荷之间的相互作用力,随其距离的_________而增大,随其所带电荷量的_________而增大。
此同学在探究中应用的科学方法是___________(选填:“累积法”、“等效替代法”、“控制变量法”或“演绎法”)。
7.为探究小灯泡的电功率P和电压U的关系,小明测量小灯泡的电压U和电流I,利用P=UI得到电功率。
实验所使用的小灯泡规格为“3.0 V 1.8 W”,电源为12 V的电池,滑动变阻器的最大阻值为10 Ω。
(1)准备使用的实物电路如图所示。
请将滑动变阻器接入电路的正确位置。
(用笔画线代替导线)(2)现有10 Ω、20 Ω和50 Ω的定值电阻,电路中的电阻R1应选_____Ω的定值电阻。
(3)测量结束后,应先断开开关,拆除_____两端的导线,再拆除其他导线,最后整理好器材。
(4)小明处理数据后将P、U2描点在坐标纸上,并作出了一条直线,如图所示。
请指出图象中不恰当的地方。
_____________________________________________第 3 页共4 页8.某同学对有故障的电热毯进行探究。
图1是电热毯的电路示意图,其中电热线和导线通过金属接线片连接。
图2为测试电路实物图,A、B为测试表笔,电压表内阻很大,可视为理想电表。
①请在虚线框内画出与题图2对应的电路图。
②断开K1,用上述测试电路在1和1'之间检测得知电热线无故障,然后测得电热线的U-I曲线如图3所示。
已知电热线材料的电阻率为2.8×10-7Ω·m,电热线的直径为0.200 mm,可求得此电热线的电阻为______kΩ,总长度为______m。
(结果均保留两位有效数字)图1 图2 图3③为了进一步检查故障,该同学闭合开关K1和K2,用表笔A和B分别对图1中所示的各点进行测试,部分测试结果如下表所示。
由此测试结果可判断出电路有断路,位置在____________之间(在“1和2”、“1'和2'”、“2和3”、“2'和3'”中选填一项)。
测试点 3 和3' 1和1' 1和3 1和2' 2'和3'电表指针有无偏转电压表有有无有无电流表无有有无有9.关于多用表的使用下列操作正确的是()A.多用表测电压时,要将红表棒接高电势点B.多用表测电压时,应将多用表串联接入电路C.多用表测电阻时,要调节倍率,使测量指示值尽可能大D.多用表测电阻时,如将红黑表棒接错将导致测量错误10.图中虚线框内存在一沿水平方向、且与纸面垂直的匀强磁场。
现通过测量通电导线在磁场中所受的安培力,来测量磁场的磁感应强度大小、并判定其方向。
所用部分器材已在图中给出,其中D为位于纸面内的U形金属框,其底边水平,两侧边竖直且等长;E为直流电源;R为电阻箱;○A为电流表;S为开关。
此外还有细沙、天平、米尺和若干轻质导线。
(1)在图中画线连接成实验电路图。
(2)完成下列主要实验步骤中的填空①按图接线。
②保持开关S断开,在托盘内加入适量细沙,使D处于平衡状态;然后用天平称出细沙质量m1。
③闭合开关S,调节R的值使电流大小适当,在托盘内重新加入适量细沙,使D________;然后读出___________________,并用天平称出____________。
④用米尺测量_______________。
(3)用测量的物理量和重力加速度g表示磁感应强度的大小,可以得出B=_________。
(4)判定磁感应强度方向的方法是:若____________,磁感应强度方向垂直纸面向外;反之,磁感应强度方向垂直纸面向里。
第 4 页共4 页1答案(1)连线如图所示(2分)(2)电流电压(2分。
每空1分)(3)黑(1分)(4)1.00880(2分。
每空1分)2答案①A②B③0.13答案(1)B C甲(2)如图所示(3)5.2(4)B D(5)A4答案①连线如图②(ⅰ)1.400.23(ⅱ)描点绘出I x-U x图线如图(ⅲ)非线性第 5 页共4 页第 6 页 共 4 页5答案 (1)A (2)见解析 (3)0.22 Ω解析 (1)由电路图可知为伏安法测电池电动势和内阻的实验,因此还需要电压表,应选A 。
(2)作图如下,由U=E-Ir 可知图线的斜率为内阻,即r=(0.75±0.10) Ω(3)由第5次所测数据R+R A == Ω=0.62 Ω得R A =(0.62-0.4) Ω=0.22 Ω6答案 减小 增大 控制变量法 7答案 (1)如图所示(2)10 (3)电池(4)图线不应画为直线;横坐标的标度不恰当。