项目建设管理流程图
- 格式:docx
- 大小:767.43 KB
- 文档页数:14
一、工程建设项目前期工作流程1.1 工程建设项目基本流程
1.2 工程建设项目建设项目投资决策(建议书、可研)流程1.3 工程建设项目建设项目设计阶段工作流程
1.4 工程建设项目准备阶段工作流程
二、工程建设项目管理流程2.1 工程建设项目管理基本流程
2.2 招投标基本流程
2.3 合同签订流程2.4 施工准备流程
三、项目风险管理与信息管理流程3.1 项目风险管理流程
3.2 项目信息管理流程
3.3 竣工验收流程
四、工程项目监理工作基本流程4.1 工程项目实施监理的总流程
4.2 施工准备阶段监理工作流程
4.3 施工阶段工程投资控制流程
4.4 施工阶段工程进度控制流程
4.5 施工阶段工程质量控制流程
4.6 施工阶段安全监理控制流程
4.7 合同管理控制流程
4.8 信息管理控制流程
4.9 组织协调控制流程
4.10 工程质量问题及工程质量事故处理流程
4.11 工程安全事故处理流程
4.12 工程洽商控制及签证工作流程
4.13 工程竣工验收控制流程
4.14 保修阶段监理工作流程。
工程建设项目前期工作流程·基本流程
·建设项目投资决策(建议书、可行性研究报告)流程
工程建设项目管理流程·项目管理基本流程
·招投标基本流程
·合同签订流程
·施工准备流程
·项目风险管理与信息管理流程
1、项目风险管理流程
2、项目信息管理流程
·竣工验收流程
·施工准备阶段监理工作流程
·施工阶段工程投资控制流程
·施工阶段工程进度控制流程
·施工阶段工程质量控制流程
·施工阶段安全监理控制流程
·合同管理控制流
·信息管理控制流程
·组织协调控制流程
·工程质量问题及工程质量事故处理流程
·工程安全事故处理流程
·工程洽商控制及签证工作流程
·工程竣工验收控制流程
·保修阶段监理工作流程
如有侵权请联系告知删除,感谢你们的配合!。
安监员
监督检查工程安全管理体的建立和运行项目安全管理工作总体流程
(一)
项目领导小组
'开始
建立安全管理
制度和安全管
理台账
监理项目部
参建单位
施工项目部
项目刖期及施工准备阶段督促、检查参
建单位编制安
全管理制度、
台账及危险点
预控措施
编制安全监
理工作方
案,建立安
全管理台账
编制安全文明
施工实施细则
方案及危险点
预控措施,建
立安全管理台
账
项目安全管理工作总体流程项
冃
施
工
及
竣
工
阶
段
上级主管部项目质量管理工作总体流程
(一)
项目领导小组参建单位
工
程
实
施
阶
段
加强设备采购
质量管理和监
造工作
B
项目造价管理工作总体流程斗
刖
期
阶
段
初
步
设
计
阶
段
•
施
工
图
设
计
阶
段
〉
施
工
阶
段
V。
建设项目管理内部控制流程图作、不公平竞争等问题,导致招标结果不公正,影响建设项目的质量和进度建立招投标管理制度1、明确招投标的程序和要求,规范招投标过程;2、建立公开透明的评标制度,严格执行评标标准;3、加强对招投标过程的监督,发现问题及时处理;4、对违规行为严肃处理,保证招投标公正、公平、透明。
竣工决算存在虚假资料、数据造假等问题,导致建设项目的投资和质量无法保证建立竣工决算审核制度1、严格执行竣工决算程序,对决算资料进行审核;2、对决算资料的真实性、合理性进行核查,发现问题及时处理;3、对虚假资料、数据造假等行为进行严肃处理,保证竣工决算真实、合法、合规。
建设项目管理内部控制流程图一、工作步骤示意图1.项目立项:了解建设项目业务的管理结构和主要环节,进行工程设计和概预算。
2.工程招标:梳理各业务环节的工作流程,查找风险点,制定控制设计制度。
3.建设项目变更:对变更进行审核,并履行审批程序。
4.竣工决算:进行审核,确保决算资料真实、合法、合规。
二、风险点及主要防控措施一览表一)项目管理流程关键环节风险点1.项目决策立项缺乏可行性研究或者可行性研究流于形式,决策不当、审核审批不严、盲目上马,导致建设项目难以实现预期目的,甚至导致项目失败。
主要防控措施:建设项目属于重大经济事项,决策应当由单位领导班子集体决定,适用集体研究、专家论证和技术咨询相结合的议事决策机制。
项目决策程序、相关责任、决策过程和各方面意见要形成书面文件,妥善保管,落实项目决策责任。
2.项目审核未经过有效审核,项目设计方案不合理,概预算脱离实际,技术方案不能落实等,导致建设项目质量存在隐患、投资失控的问题。
主要防控措施:岗位设置上,建设项目文档的编制与审核应当相互分离。
审核工作由具备相关技术和专业知识的专家参与或委托具有相应资质的中介机构进行审核,出具评审意见。
负责审核工作的机构或人员应当对出具的审核意见或评审意见承担责任。
3.建设项目招投标过程存在串通、暗箱操作、不公平竞争等问题,导致招标结果不公正,影响建设项目的质量和进度。
基建文件可按下列流程形成:虹警——形成 施工招投标文件.施工合同1 形成 施工 — 形成 工稈报竣 ---------------- 5 形成 监理单位组织竣工预验收 ---------------- 3 形成 1 1 工程档案预验收 ------ 形成 办理开工手续 北京市建设工程开工审査表 建设工程施工许可证 建设单位采购物资的质量证明 文件及报验文件 测量成果及验线 工程竣工报告(施工单位) 工程质量评估报告(监理单位) 工程质量检查报告(勘察单位) 工程质量检查报告(设计单位) 建设工程竣工档案预验收意见(城建档案 馆)立项决策文件包括:项忖建议书(代可行性研究报告)及其批复、有关立项的会议纪要及相关批示、项H评估研究资料及专家建议等。
根据项目大小、投资主体的不同,项目建议书的批复文件分别由国家、行业或北京市相关政府管理部门审批。
建设用地文件包括:征占用地的批准文件、国有土地使用证、国有土地使用权出让交易文件、规划意见书、建设用地规划许可证等。
建设用地文件分别由国有土地管理部门和规划部门审批形成。
勘查设计文件包括:工程地质勘察报告、土壤氨浓度检测报告、建筑用地钉桩通知单、验线合格文件、设讣审查意见、设计图纸及设计•计算书、施工图设计文件审查通知书等。
建筑用地钉桩通知单、验线合格文件、审定设计方案通知书由规划部门审批形成。
招投标及合同文件包括:工程建设招标文件、投标文件、中标通知书及相关合同文件。
开工文件包括:建设工程规划许可证、建设工程施工许可证等。
工程开工文件分别山规划部门和建设行政管理部门审批形成。
商务文件包括:工程投资估算、工程设计概算、施工图预算、施工预算、工程结算等。
其他文件包括:工程未开工前的原貌及竣工新貌照片、工程开工、施工、竣工的音像资料、工程竣工测量资料和建设工程概况表等。
(-)立项决策文件包括:项目建议书(代可行性研究报告)及其批复、有关立项的会议纪要及相关批示、项LI评估研究资料及专家建议等。
建设项目管理内部控制流程图背景建设项目管理是企业重要的运营活动之一,其对企业的发展和未来具有至关重要的作用。
而与此同时,建设项目管理也面临着一系列的风险,如招投标诈骗、工程质量问题、工程进度延误等等。
为了保证建设项目管理的有效性和规范性,需要建立一套严密的内部控制流程。
目的建立建设项目管理内部控制流程的主要目的是为了防范和控制风险,确保建设项目在质量、进度、安全等方面达到预期目标,提高项目管理效率,降低管理成本。
流程图建设项目管理内部控制流程图如下:graph TDA[规划阶段] --> B[设计阶段]B --> C[施工阶段]C --> D[验收阶段]D --> E[完工阶段]E --> F[投运阶段]上述流程图包括了建设项目的六个阶段,每个阶段都是建设项目管理中不可或缺的环节。
规划阶段在规划阶段,需要进行项目前期工作,包括勘查、测量、规划设计等,确定项目的可行性和建设方案。
同时,需要制定项目管理计划,包括组建项目团队、制定项目计划、制定预算、风险评估和应对计划等。
设计阶段在设计阶段,需要根据前期勘查和规划设计的结果制定详细的施工图纸和工程量清单,确定材料、设备和人员等资源需求,并明确施工标准和质量要求。
此外,还需要进行前期准备工作,如申请施工许可证、租赁场地、准备材料设备等。
施工阶段在施工阶段,需要按照设计图纸和工程量清单的要求进行施工,保证施工进度和质量标准的达成。
在此过程中,需要进行现场管理,包括对施工人员的管理、安全事故的预防和处理等等。
验收阶段在验收阶段,需要对已完成的施工工程进行检验评估,确保其符合相关规范和质量要求。
在通过验收后,可以进入下一阶段。
完工阶段在完工阶段,需要进行最后的检查、验收和清理工作,确保工程质量和安全标准得到保证。
同时,还需要完成所有的交接手续和文件的归档工作。
投运阶段在投运阶段,需要将已完成的项目正式投入使用,并对其进行后续的运营和维护。
1、工程项目管理总流程2、建设工程政府部门审批流程3、招标工作程序4、监理工作程序5、质量控制程序6、工期控制程序7、成本控制程序8、重要材料控制程序9、设计变更程序10、隐蔽工程验收程序11、竣工验收程序12、合同订立程序13、信息、资料管理程序◆工程项目管理总流程建设工程审批流程◆招标工作程序◆监理工作程序总 监 理 工 程 师建 立 项 目 监 理 部编 制 监理规划按 工 程 进 度 分 专 业编 制 监 理 实 施 细 则参加业主主持召开的第一次工地会议建立监理任务完成后 向业主提交工程监理档案资料质量控制程序质 量 控 制事先控制质量预控制组织图纸会审和设计交底审批施工 组织设计 审查质量体系 检 查 监 督组织机构工序管理质量自检上 岗 证施工设备测量定位工序质量跟踪控制 事中控制施工控制 检查原材料构审查设计变工程更改检查验收隐蔽签认分部分项工程质量签订装饰工程分析处理质量工期控制程序签订承包合同(业主与施工单位)编制施工进度计划(施工单位)基础工程主体工程安装工程装饰装修工程审查施工进度计划(项目管理部)编制年/季/月度实施计划(施工单位)审查施工计划(项目管理部)➢同意否NO YES同意否 NO YES动态管➢➢ ➢ ➢➢投资控制程序投资预控(事先)重要材料控制程序 竣工验收决算(事后)实现投资控制目标材料进场前提出材料使用计划、村质试验报告专业监理工程师审查报告监理工程师发现疑问 则承包单位重新检验批准报告、同意材料进场专业监理工程师再次审查申 报是再次 申➢➢隐蔽工程验收程序设计变更程序设 计 单 位 提 出 设 计 变 更监 理 工 程 师 从 质 量 、 进 度 、 投 资 控 制 角 度 审 查➢重 大 修 改 与 业 主 磋 商 并 取 得 业 主 的 认 可通 知 承 包 单 位 进 行 造 价 及 工 期 的 估 算根据合同条款核定承包单位的造价和工期的增减批准承包单位实施设计变更➢是否隐蔽工程验收程序业主抽查竣工验收程序 承包单位验收合格后报送验收资料监理工程师对承包单位报送的竣工资料进行审查有问题总监理工程师组织专业监理工程师对工程质量进行竣工预验收监理工程师就存在的问题要求承包单位及时整改➢否总监签暑工程竣工报验单合同订立程序信息、资料管理程序表示文件、档案资料的收集表示文件、档案资料的发送。
工程建设项目史上最完整的全流程图2019.5.27shuilibu一、工程建设项目前期工作流程1.1 工程建设项目基本流程1.2工程建设项目建设项目投资决策(建议书、可研)流程1.3 工程建设项目建设项目设计阶段工作流程1.4 工程建设项目准备阶段工作流程二、工程建设项目管理流程2.1 工程建设项目管理基本流程2.2 招投标基本流程2.3 合同签订流程2.4 施工准备流程三、项目风险管理与信息管理流程3.1 项目风险管理流程3.2 项目信息管理流程3.3 竣工验收流程四、工程项目监理工作基本流程4.1 工程项目实施监理的总流程4.2 施工准备阶段监理工作流程4.3 施工阶段工程投资控制流程4.4 施工阶段工程进度控制流程4.5 施工阶段工程质量控制流程4.6 施工阶段安全监理控制流程4.7 合同管理控制流程4.8 信息管理控制流程4.9 组织协调控制流程4.10 工程质量问题及工程质量事故处理流程4.11 工程安全事故处理流程4.12 工程洽商控制及签证工作流程4.13 工程竣工验收控制流程1.1 工程建设项目基本流程1.2工程建设项目建设项目投资决策(建议书、可研)流程1.3 工程建设项目建设项目设计阶段工作流程1.4 工程建设项目准备阶段工作流程2.1 工程建设项目管理基本流程2.2 招投标基本流程2.3 合同签订流程2.4 施工准备流程3.3 竣工验收流程4.1 工程项目实施监理的总流程4.7 合同管理控制流程4.10 工程质量问题及工程质量事故处理流程4.11 工程安全事故处理流程4.12 工程洽商控制及签证工作流程4.13 工程竣工验收控制流程4.14 保修阶段监理工作流程。
建设项目管理内部控制流程图
一、工作步骤示意图
二、风险点及主要防控措施一览表
(一)项目管理
1
2
(二)资金管理
流程关键环节风险点主要防控措施责任主体
资产项目资金管理建设项目资
金的支付
建设项目资金
管理不严格,价
款结算不及时,
项目资金使用
管理混乱,导致
工程建设进度
延迟或中断,资
金损失等风险
1、单位要按照审批下达的投资
计划和预算对建设项目资金实
行专款专用;
2、财会部门及时掌握工程进
度,根据工程进度支付工程款;
3、价款支付要取得监理机构的
相关人员的签字确认。
财会部门
建设项目资
金投资概算
变更
工程投资概算一般不允许调
整,确需调整,应当履行审核
和审批程序,报经批准后才能
调整投资概算。
建设项目归
口管理部
门,财会部
门
建设项目竣
工决算管理
虚列建设成本
隐匿结余资金,
未及时办理竣
工验收,导致竣
工决算失真和
帐外资产等风
险
1、建设项目管理部门和财会部
门及时编制竣工决算;
2、及时提请主管部门或审计部
门进行竣工决算审计;
3、及时提请有关部门进行竣工
验收;
5、办理建设项目资产移交工
作,财会部门及时将资产入账。
建设项目归
口管理部
门,财会部
门
3。
建设单位(业主方)工程项目管理工作流程图
图1-1 项目管理工作总体流程(一)
图1-2 项目管理工作总体流程(二)
图1-3 施工协调管理流程
图1-4 工程建设月报上报流程
图1-5 档案信息管理流程
图2-1 项目安全管理工作总体流程(一)
图2-2 项目安全管理工作总体流程(二)
图3-3 施工质量控制管理流程
图4-1项目造价管理工作总体流程(一)
图4-2项目造价管理工作总体流程(二)
图4-3 工程进度款管理工作流程
图4-4 工程变更管理工作流程
图4-5 成本控制管理工作流程
图5-1 项目进度管理工作总体流程
图5-2 项目设备、材料供应计划管理流程
图5-3 材料进货检验(设备开箱)流程
图6-1 项目技术管理工作总体流程。
建设规划申报建设工程规划许可证 消防设计审核意见 施工图设计文件审查通知书 施工图审查报告基建文件可按下列流程形成:形成立项决策文件包括:项目建议书(代可行性研究报告)及其批复、有关立项的会议纪要及相关批示、项目评估研究资料及专家建议等。
根据项目大小、投资主体的不同,项目建议书的批复文件分别由国家、行业或北京市相关政府管理部门审批。
建设用地文件包括:征占用地的批准文件、国有土地使用证、国有土地使用权出让交易文件、规划意见书、建设用地规划许可证等。
建设用地文件分别由国有土地管理部门和规划部门审批形成。
勘查设计文件包括:工程地质勘察报告、土壤氡浓度检测报告、建筑用地钉桩通知单、验线合格文件、设计审查意见、设计图纸及设计计算书、施工图设计文件审查通知书等。
建筑用地钉桩通知单、验线合格文件、审定设计方案通知书由规划部门审批形成。
招投标及合同文件包括:工程建设招标文件、投标文件、中标通知书及相关合同文件。
开工文件包括:建设工程规划许可证、建设工程施工许可证等。
工程开工文件分别由规划部门和建设行政管理部门审批形成。
商务文件包括:工程投资估算、工程设计概算、施工图预算、施工预算、工程结算等。
其他文件包括:工程未开工前的原貌及竣工新貌照片、工程开工、施工、竣工的音像资料、工程竣工测量资料和建设工程概况表等。
(一)立项决策文件包括:项目建议书(代可行性研究报告)及其批复、有关立项的会议纪要及相关批示、项目评估研究资料及专家建议等。
根据项目大小、投资主体的不同,项目建议书的批复文件分别由国家、行业或北京市相关政府管理部门审批。
(二)建设用地文件包括:征占用地的批准文件、国有土地使用证、国有土地使用权出让交易文件、规划意见书、建设用地规划许可证等。
建设用地文件分别由国有土地管理部门和规划部门审批形成。
(三)勘查设计文件包括:工程地质勘察报告、土壤氡浓度检测报告、建筑用地钉桩通知单、验线合格文件、设计审查意见、设计图纸及设计计算书、施工图设计文件审查通知书等。
建设项目管理内部控制流程图一、工作步骤示意图项目立项工程设计和概预算了解建设项目业务梳理各业建设项目的管理结查找风控制制度工程招标务环节的业务构和业务险点设计建设工作流程的主要环节项目变更竣工决算二、风险点及主要防控措施一览表(一)项目管理流程关键环节风险点主要防控措施责任主体项目决策立项缺乏可行1、建设项目属于重大经济事单位负责人性研究或者可项,决策应当由单位领导班子行性研究流于集体决定,适用集体研究、专形式,决策不家论证和技术咨询相结合的议当、审核审批不事决策机制;严、盲目上马,2、项目决策程序、相关责任、导致建设项目决策过程和各方面意见要形成难以实现预期书面文件,妥善保管,落实项目的,甚至导致目决策责任。
项目失败项目审核项目未经过有建立项目审核机制建设项目归效审核,项目设1、岗位设置上,建设项目文档口管理部计方案不合理,的编制与审核应当相互分离;门,项目审概预算脱离实2、审核工作由具备相关技术和核机构项目际,技术方案不专业知识的专家参与或委托具管理能落实等,导致有相应资质的中介机构进行审建设项目质量核,出具评审意见;存在隐患、投资3、负责审核工作的机构或人员失控的问题应当对出具的审核意见或评审意见承担责任。
招标管理招投标过程存1、建立建设项目招标管理制在串通、暗箱操度,明确招标范围和要求,规作或商业贿赂范招标程序,发布招标公告;等舞弊行为,可2、需要编制项目标底的,财会建设项目归能导致招标工部门要对标底计价内容、计价口管理部作违法违规,以依据进行审核;门,财会部及中标人实际3、对标底进行保密,落实保密门难以胜任等风责任;险4、开标要委托公证机构进行检查和公证;5、组成评标小组负责评标,评审小组成员对出具的评审意见承担个人责任;小组成员名单保密;6、及时向中标人发出中标公告,签订书面合同、明确权利和责任。
建设项目变建设项目变更1、项目确需进行变更的,建设建设项目归更审核不严格,工项目管理部门、项目监理机构口管理部程变更频繁,可要进行审核,并履行审批程序;门、财会部能导致预算超2、因设计变更造成价款支付方门、项目监支、投资失控、式及金额发生变动的,建设项理机构工期延误等风目归口管理部门要提供完整的险书面文件和其他资料;3、财会部门要加强对建设项目设计变更所涉及到价款支付的审核。
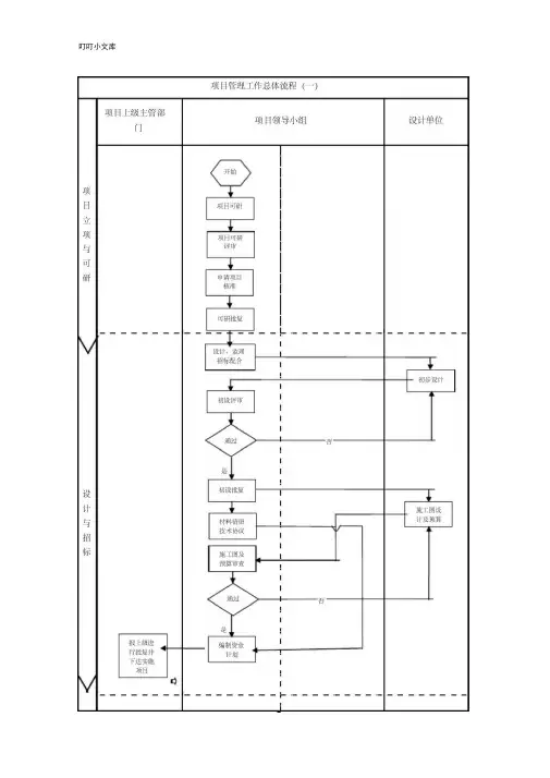
项目管理工作总体流程(一)
项目上级主管部
门
项目领导小组设计单位项
目\立项与可研项目可研
申请项目
核准项目可研
评审可研批复
设
计
与
招
标
报上级进
行批复并
下达实施
项目
初设批复
施工图及
预算审查
材料清册
技术协议
设计、监理
招标配合
初步设计
施工图设
计及预算
编制资金
计划
口
是
初设评审
项目管理工作总体流程(二)
项目上级王
项目领导小组监理单位施工单位管部门
批复并下
达项目建
设资金
建
设
施
工
合同管理
进度管理
安全管理
质量管理
土建(基础施工)
造价管理
技术管理
档案管理安装(杆塔组立)
调试(架线附件)
安监员项目领导小组参建单位
监督检查工程
安全管理体的
建立和运行
项
目
刖
期
及
施
工
准
备
阶
段
开始
监理项目部
否
否
I
+
I
编制安全监理
工作方案,建
立安全管理台
账
建立安全管理
制度和安全管
理台账
审批参建单位
的安全文明施
工策划
开工前,召开
第一次安全会
议
督促、检查参
建单位编制安
全管理制度、
台账及危险点
预控措施
符合
要求
达到安全
开工条件
条件
建立安全
管理网络
文明施工
施工项目部
编制安全文明
施工实施细则
方案及危险点
预控措施,建立
安全管理台账
修改完善
1 ‘
施工项目部监理项目部
开工前,落实安全
文明措施,落实安
全会议精神和风
险、应急、分包等
管理措施
■审核安措费使用情
况,对现场安全文明
施工条件及措施落
实情况进行把关
整改完善
安监员项目领导小组参建单位
检查指导项目
安全管理
定期召开安全
会议组织开展
安全管理活动
项
冃
施
工
及
竣
工
阶
段
总结并制定安
全管理改进计4 戈U 监督改进落实
情况并提出预
防措施
组织月度和随
机安全检查
监督指导项目
问题整改
定期开展危险
点预控管理分
包管理
评价,总结
上报
落实季度及专 f项安
全大检查
监理项目部
监督检查项目施工现场
安全文明状况,对重要工
序、危险点、特殊作业实
施旁站,协调交叉作业和
工序交接中安全文明施
工问题
施工项目部
每月开展安全教育,开展
安全检查活动,落实安全
会议决定和安评、危险点、
应急和分包管理制度和
措施,实行隐患整改闭环
管理,保持安全文明施工
环境
对检查和评价中存
> 在的隐患进行整改
闭环
否
----------- ►继续整顿
持续动态改进
保持良好按文
明施工环境
上级主管部
门
加强设备采购质量管理和监
造工作项目质量管理工作总体流程(一)
工程实施阶段
项目造价管理工作总体流程(一)
可编辑范本
上级主管部 项目领导小组 监理单位 参建单位 刖 期 阶 段 V 初 步 设 计 阶 段 组织可研 估算工作 组织初步 设计评审 批复初步 设计 设计单位编制 初步设计概算 设计单位配合 初步设计评审 -施工图设计阶段 组织施 及预算 参与施工图 及预算评审 芷编制 预算 编制底标,组织 施工单位招标 批复施工 图预算 审查批准支付
审批重大设 计变更预算。