锯齿波同步移相触发电路及单相半波可控整流
- 格式:docx
- 大小:3.29 MB
- 文档页数:6
实验三锯齿波同步移相触发电路及单相半波可控整流电路一.实验目的1.熟悉正弦波同步触发电路的工作原理及各元件的作用。
2.掌握正弦波同步触发电路的调试步骤和方法。
3.加深理解锯齿波同步移相触发电路的工作原理及各元件的作用。
4.掌握锯齿波同步触发电路的调试方法5.对单相半波可控整流电路在电阻负载及电阻电感负载时工作情况作全面分析。
6.了解续流二极管的作用二.实验内容1.锯齿波同步触发电路的调试。
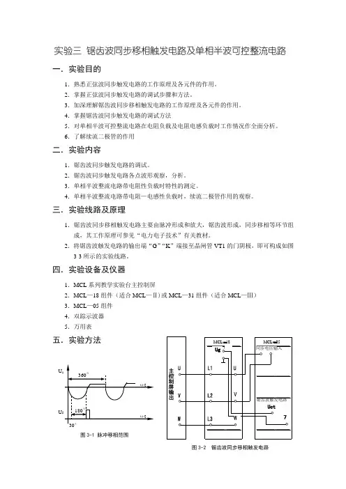
(一) 锯齿波同步移相触发电路实验1.将MCL-05面板上左上角的同步电压输入接MCL —18的U 、V 端,“触发电路选择”拨向“锯齿波”。
2.三相调压器逆时针调到底,合上主电路电源开关,调节主控制屏输出电压U uv =220v ,并打开MCL —05面板右下角的电源开关。
用示波器观察各观察孔的电压波形,示波器的地线接于“7”端。
注:如您选购的产品为MCL —Ⅲ、Ⅴ,无三相调压器,直接合上主电源。
以下均同同时观察“1”、“2”孔的波形,了解锯齿波宽度和“1”点波形的关系。
观察“3”~“5”孔波形及输出电压U G1K1的波形,调整电位器RP1,使“3”的锯齿波刚出现平顶,记下各波形的幅值与宽度,比较“3”孔电压U 3与U 5的对应关系。
3.调节脉冲移相范围将MCL —18的“G ”输出电压调至0V ,即将控制电压Uct 调至零,用示波器观察U 2电压(即“2”孔)及U5的波形,调节偏移电压Ub (即调RP ),使α=180O ,其波形如图4-4所示。
调节MCL —18的给定电位器RP1,增加Uct ,观察脉冲的移动情况,要求Uct=0时,α=180O ,Uct=Umax 时,α=30O ,以满足移相范围α=30O ~180O 的要求。
4.调节Uct ,使α=60O ,观察并记录U 1~U 5及输出脉冲电压U G1K1,U G2K2的波形,并标出其幅值与宽度。
用导线连接“K1”和“K3”端,用双踪示波器观察U G1K1和U G3K3的波形,调节电位器RP3,使U G1K15图3-3 锯齿波同步移相触发电路5.锯齿波触发电路各测试点波形co(二)单相半波可控整流电路1.带电阻性负载锯齿波触发电路“G ”、“K ”分别接至(MCL —33的)VT1晶闸管的控制极和阴极,注意不可接错。
实验一单相半波可控整流电路实验一、实验目的(1) 加深理解锯齿波同步移相触发电路的工作原理及各元件的作用。
(2) 掌握锯齿波同步移相触发电路的调试方法。
(2) 掌握单相半波可控整流电路在电阻负载及电阻电感性负载时的工作。
(3) 了解续流二极管的作用。
二、实验所需设备(1) DJDK-1型电力电子技术及电机控制实验装置。
其所需挂件如下:① DJK01 电源控制屏② DJK02 晶闸管主电路③ DJK03 晶闸管触发电路④ DJK06 给定及实验器件⑤ D42三相可调电阻(2) 双踪示波器三、实验内容(1) 锯齿波同步移相触发电路各点波形的观察和分析。
(2) 单相半波整流电路带电阻性负载时U d/U2=f(α)特性的测定。
(3) 单相半波整流电路带电阻电感性负载时U d/U2=f(α)特性的测定。
(4) 续流二极管作用的观察。
四、预习要求(1) 阅读本教材电力电子技术教材中有关锯齿波同步移相触发电路的内容,弄清锯齿波同步移相触发电路的工作原理。
(2) 复习单相半波可控整流电路的有关内容,掌握单相半波可控整流电路接电阻性负载和电阻电感性负载时的工作波形。
(3) 掌握单相半波可控整流电路接不同负载时U d、I d的计算方法。
五、思考题(1) 锯齿波同步移相触发电路有哪些特点?(2) 锯齿波同步移相触发电路的移相范围与哪些参数有关?(3) 单相半波可控整流电路接电感性负载时会出现什么现象?如何解决?六、实验方法1. 锯齿波同步移相触发电路调试〔1〕将DJK01上的钥匙式三相“电源总开关”置于“开”的位置,操作控制屏左上角切换开关观察输入的三相电网电压是否平衡。
(2) 将DJK01上的电源选择开关打到“直流调速”侧〔不能打到“交流调速”侧〕。
用两根导线将DJK01的A、B〔200V〕交流电压接到DJK03的“外接220V”端,按下“启动”按钮。
(3) 打开DJK03电源开关,用双踪示波器观察锯齿波同步触发电路各观察孔的电压波形。
单相桥式半控整流电路实验报告系别:电气工程系班级:电器121姓名:学号:实验一单相桥式半控整流电路实验一、实验目的:1、加深对单相桥式半控整流电路带电阻性、电阻电感性负载时各工作情况的理解。
2、了解续流二极管在单相桥式半控整流电路中的作用,学会对实验中出现的问题加以分析和解决。
二、实验主要仪器与设备:三、实验原理本实验线路如图1所示,两组锯齿波同步移相触发电路均在DJK03-1挂件上,它们由同一个同步变压器保持与输入的电压同步,触发信号加到共阴极的两个晶闸管,图中的R用D42三相可调电阻,将两个 900Ω接成并联形式,二极管VD1、VD2、VD3及开关S1均在DJK06挂件上,电感Ld在DJK02面板上,有100mH、200mH、700mH三档可供选择,本实验用700mH,直流电压表、电流表从DJK02挂件获得。
VD3图1 单相桥式半控整流电路实验线路图四、实验内容及步骤1、实验内容:(1)锯齿波同步触发电路的调试。
(2)单相桥式半控整流电路带电阻性负载。
(3)单相桥式半控整流电路带电阻电感性负载。
2、实验步骤:五、实验注意事项1、双踪示波器有两个探头,可同时观测两路信号,但这两探头的地线都与示波器的外壳相连,所以两个探头的地线不能同时接在同一电路的不同电位的两个点上,否则这两点会通过示波器外壳发生电气短路。
为此,为了保证测量的顺利进行,可将其中一根探头的地线取下或外包绝缘,只使用其中一路的地线,这样从根本上解决了这个问题。
当需要同时观察两个信号时,必须在被测电路上找到这两个信号的公共点,将探头的地线接于此处,探头各接至被测信号,只有这样才能在示波器上同时观察到两个信号,而不发生意外。
2、在本实验中,触发脉冲是从外部接入DJKO2面板上晶闸管的门极和阴极,此时,应将所用晶闸管对应的正桥触发脉冲或反桥触发脉冲的开关拨向“断”的位置,并将Ulf及Ulr 悬空,避免误触发。
六、实验心得。
东华大学信息学院电力电子技术实验指导书2014年4月目录实验一晶闸管触发电路研究实验二单相桥式半控整流电路实验三三相桥式整流电路实验四三相有源逆变电路附录一固纬GRS-6032A示波器使用简介附录二固纬GRS-6032A示波器面板图片《电力电子实验》一般注意事项:1.每次合、分主回路电源前要将各高、低压调压器(如:三相交流调压器、G给定Ug电位器)旋至最小位置,电阻器置最大值。
2.晶闸管控制极内部已连线至触发电路,面板上插孔禁止连接导线。
3. 使用双踪示波器时两个探头的接地线要共点,以免因电压差造成过流。
测量Ud时示波器探头的正极(红线)置晶闸管共阴极,负极(黑线)置晶闸管共阳极;UVT是晶闸管阳极对阴极的电压,测量时探头红线置阳极,黑线置阴极。
4. 交直流表要分清,选择量程要符合要求。
5.“主电源送电”的含义是:按下交流电源“闭合“的绿色按钮。
6. 数字表计的读数显示滞后于调节进程,因此相应的操作宜缓。
固纬GRS-6032A示波器的使用1.示波器调节的主要目标显示为:屏幕上方显示信息:“ smpl ”屏幕下方显示信息:“DC 2V(或5V) 2 mS (或5mS) LINEf AC”2.测量前扫描线居中校准:对“CH1”/ “CH2”通道选择“GND”方式后,调节“POSITION”使扫描线居中。
3. TIME/DIV一般选择5mS,正弦波一个周期在水平方向占4格(90°/格)4.测试过程LEVEL、POSITION、TIME/DIV、X1/MAG等功能键钮均不能随意操作,以免引起波形在水平、垂直方向的移动,影响测量结果。
实验一锯齿波同步移相触发电路实验一.实验目的1.锯齿波同步移相触发电路的工作原理。
2.掌握锯齿波同步触发电路的调试方法。
3.测试锯齿波同步触发电路各点波形及移相特性。
二.实验内容1.锯齿波同步触发电路的调试。
2.锯齿波同步触发电路各点波形观察,分析。
三.实验线路及原理锯齿波同步移相触发电路主要由同步电源、同步信号、锯齿波形成、脉冲移相、脉冲形成、脉冲放大、脉冲输出七个环节。
前言实验的基本要求《电力电子技术》是电气工程及其自动化、自动化等专业的三大电子技术基础课程之一,而《电力拖动自动控制系统》又是其这些专业的重要专业课程之一,内容包括电力、电子、控制、计算机技术等多个方面,而实验环节是这些课程的重要组成部分。
通过实验,可以加深对理论的理解,培养和提高学生独立动手能力和分析问题、解决问题的能力。
一实验的特点和要求电力电子技术和电力拖动控制系统实验的内容较多、较新,实验系统也比较复杂,系统性较强。
该实验是理论教学的重要的补充和继续,而理论教学则是实验教学的基础。
学生在实验中应学会运用所学的理论知识去分析和解决实际系统中出现的各种问题,提高动手能力;同时通过实验来验证理论,促使理论和实践相结合,使认识不断提高、深化。
具体地说,学生在完成指定的实验后,应具备以下能力:(1)掌握电力电子变流装置主电路、触发或驱动电路的构成及调试方法,能初步设计和应用这些电路。
(2)熟悉并掌握基本实验设备、测试仪器的性能及使用方法。
(3)掌握交、直流电机控制系统的组成和调试方法,系统参数的测量和整定方法。
(4)能设计交、直流电机控制系统的具体实验线路,列出实验步骤。
(5)能够运用理论知识对实验现象、结果进行分析和处理,解决实验中遇到的问题。
(6)能够综合实验数据,解释实验现象,编写实验报告。
二实验前的准备实验准备即为实验的预习阶段,是保证实验能否顺利进行的必要步骤。
每次实验前都应先进行预习,从而提高实验质量和效率,否则就有可能在实验时不知如何下手,浪费时间,完不成实验要求,甚至有可能损坏实验装置。
因此,实验前应做到:(1)复习教材中与实验有关的内容,熟悉与本次实验相关的理论知识。
(2)阅读本教材中的实验指导,了解本次实验的目的和内容;掌握本次实验系统的工作原理和方法;明确实验过程中应注意的问题。
(3)写出预习报告,其中应包括实验系统的详细接线图、实验步骤、数据记录表格等。
三实验实施在完成理论学习、实验预习等环节后,就可进入实验实施阶段。
项目1 认识和调试晶闸管单相半波整流控制的调光灯电路1.1.4 思考题与习题1.晶闸管的导通条件是什么?怎样使晶闸管由导通变为关断?解:导通条件:(1)晶闸管阳极和阴极之间加正向电压;(2)晶闸管门极和阴极间加正向电压。
最根本的方法就是必须将阳极电流减小到使之不能维持正反馈的程度,也就是将晶闸管的阳极电流减小到小于维持电流。
可采用的方法有:将阳极电压减小到零或将晶闸管的阳极和阴极间加反向电压。
2.晶闸管导通后,去掉门极电压,晶闸管是否还能继续导通?为什么?解:继续导通,导通之后,门极就失去了控制作用。
3.说明晶闸管型号规格KP200-7E代表的含义。
解:额定电流为200A,额定电压为800V,管压降为0.8V4.有些晶闸管触发导通后,触发脉冲结束时它又关断是什么原因?解:欲使晶闸管触发导通,必须使触发脉冲保持到阳极电流上升到擎住电流IL以上,否则会造成晶闸管重新恢复阻断状态,因此触发脉冲必须具有一定宽度。
5.晶闸管导通时,流过晶闸管的电流大小取决于什么?晶闸管阻断时,承受的电压大小取决于什么?解:取决于电路里负载电阻的大小;取决于电源电压的大小。
6.画出图1-19所示电路电阻R d上的电压波形。
图1-19习题6图解:7.如图1-20,型号为KP100-3,维持电流4mA的晶闸管,在以下电路中使用是否合理?为什么?(未考虑电压、电流安全余量)(a) (b) (c)图1-20习题7图解:(a)图的目的是巩固维持电流和擎住电流概念,擎住电流一般为维持电流的数倍。
本题给定晶闸管的维持电流I H=3mA,那么擎住电流必然是十几毫安,而图中数据表明,晶闸管即使被触发导通,阳极电流为100V/50KΩ=3 mA,远小于擎住电流,晶闸管不可能导通,故不合理。
(b)图主要是加强对晶闸管型号的含义及额定电压、额定电流的理解。
本图所给的晶闸管额定电压为300A、额定电流100A。
图中数据表明,晶闸管可能承受的最大电压为311V,大于管子的额定电压,故不合理。
实验一锯齿波同步移相触发电路实验一.实验目的1.加深理解锯齿波同步移相触发电路的工作原理及各元件的作用。
2.掌握锯齿波同步触发电路的调试方法。
二.实验内容1.锯齿波同步触发电路的调试。
2.三相调压器逆时针调到底,合上主电路电源开关,调节主控制屏输出电压U uv =220v ,并打开MCL —05面板右下角的电源开关。
用示波器观察各观察孔的电压波形,示波器的地线接于“7”端。
注:如您选购的产品为MCL —Ⅲ、Ⅴ,无三相调压器,直接合上主电源。
以下均同同时观察“1”、“2”孔的波形,了解锯齿波宽度和“1”点波形的关系。
观察“3”~“5”孔波形及输出电压U G1K1的波形,调整电位器RP1,使“3”的锯齿波刚出现平顶,记下各波形的幅值与宽度,比较“3”孔电压U 3与U 5的对应关系。
3.调节脉冲移相范围将MCL —18的“G ”输出电压调至0V ,即将控制电压Uct 调至零,用示波器观察U 2电压(即“2”孔)及U5的波形,调节偏移电压Ub (即调RP ),使α=180O ,其波形如图4-4所示。
调节MCL —18的给定电位器RP1,增加Uct ,观察脉冲的移动情况,要求Uct=0时,α=180O ,Uct=Umax 时,α=30O ,以满足移相范围α=30O ~180O 的要求。
4.调节Uct ,使α=60O ,观察并记录U 1~U 5及输出脉冲电压U G1K1,U G2K2的波形,并标出其幅值与宽度。
用导线连接“K1”和“K3”端,用双踪示波器观察U G1K1和U G3K3的波形,调节电位器RP3,使U G1K1和U G3K3间隔1800。
六.实验报告1.整理,描绘实验中记录的各点波形,并标出幅值与宽度。
2.总结锯齿波同步触发电路移相范围的调试方法,移相范围的大小与哪些参数有关?3.如果要求Uct=0时,α=90O ,应如何调整?4.讨论分析其它实验现象。
图4-4 脉冲移相范围七.注意事项U U1.双踪示波器有两个探头,可以同时测量两个信号,但这两个探头的地线都与示波器的外壳相连接,所以两个探头的地线不能同时接在某一电路的不同两点上,否则将使这两点通过示波器发生电气短路。
《电力电子技术》试题⑴一、填空(30分)1、双向晶闸管的图形符号是 ______ ,三个电极分别是_______, ____ 和______ ;双向晶闸管的的触发方式有、、、.O2、单相全波可控整流电路中,晶闸管承受的最大反向电压为 _________ °三相半波可控整流电路中,晶闸管承受的最大反向电压为_________ O (电源相电压为U2)3、要使三相全控桥式整流电路正常工作,对晶闸管触发方法有两种,一是用________________ 触发;二是用__________________ 触发。
4、在同步电压为锯齿波的触发电路中,锯齿波底宽可达 __________ 度;实际移相才能达________ 度。
5、异步电动机变频调速时,对定子频率的控制方式有 _________、________ 、 _________ 、 ___________ °6、软开关电路种类很多,大致可分成 _______ 电路、______ 电路两大类。
7、变流电路常用的换流方式有 _________ 、_______ 、_______、________ 四种。
8、逆变器环流指的是只流经 ________ 、_______ 而不流经_________ 的电流,环流可在电路中加________ 来限制。
9、提高变流置的功率因数的常用方法有 _____________ 、 ______________________ 、 ___________ °10、绝缘栅双极型晶体管是以 _________________ 作为栅极,以__________________ 作为发射极与集电极复合而成。
三、选择题(每题2分10分)1、a为___ 度时,三相桥式全控整流电路,带电阻性负载,输出电压波形处于连续和断续的临界状态。
A、0 度。
B、60 度。
C、30 度。
D、120 度。
2、晶闸管触发电路中,若使控制电压U C=0,改变_____ 的大小,使触发角a =90o,可使直流电机负载电压U d=0 O达到调整移相控制围,实现整流、逆变的控制要求。
实验一锯齿波同步移相触发电路实验一、实验目的(1)加深理解锯齿波同步移相触发电路的工作原理及各元件的作用。
(2)掌握锯齿波同步移相触发电路的调试方法。
三、实验线路及原理锯齿波同步移相触发电路的原理图如图1-11所示。
锯齿波同步移相触发电路由同步检测、锯齿波形成、移相控制、脉冲形成、脉冲放大等环节组成,其工作原理可参见1-3节和电力电子技术教材中的相关内容。
四、实验内容(1)锯齿波同步移相触发电路的调试。
(2)锯齿波同步移相触发电路各点波形的观察和分析。
五、预习要求(1)阅读本教材1-3节及电力电子技术教材中有关锯齿波同步移相触发电路的内容,弄清锯齿波同步移相触发电路的工作原理。
(2)掌握锯齿波同步移相触发电路脉冲初始相位的调整方法。
六、思考题(1)锯齿波同步移相触发电路有哪些特点?(2)锯齿波同步移相触发电路的移相范围与哪些参数有关?(3)为什么锯齿波同步移相触发电路的脉冲移相范围比正弦波同步移相触发电路的移相范围要大?七、实验方法(1)将DJK01电源控制屏的电源选择开关打到“直流调速”侧,使输出线电压为200V(不能打到“交流调速”侧工作,因为DJK03-1的正常工作电源电压为220V 10%,而“交流调速”侧输出的线电压为240V。
如果输入电压超出其标准工作范围,挂件的使用寿命将减少,甚至会导致挂件的损坏。
在“DZSZ-1型电机及自动控制实验装置”上使用时,通过操作控制屏左侧的自藕调压器,将输出的线电压调到220V左右,然后才能将电源接入挂件),用两根导线将200V交流电压接到DJK03-1的“外接220V”端,按下“启动”按钮,打开DJK03-1电源开关,这时挂件中所有的触发电路都开始工作,用双踪示波器观察锯齿波同步触发电路各观察孔的电压波形。
①同时观察同步电压和“1”点的电压波形,了解“1”点波形形成的原因。
②观察“1”、“2”点的电压波形,了解锯齿波宽度和“1”点电压波形的关系。
③调节电位器RP1,观测“2”点锯齿波斜率的变化。
1 锯齿波同步移相触发电路实验一、实验目的1、加深理解锯齿波同步移相触发电路的工作电路的原理及各元件的作用2、掌握锯齿波同步触发电路的调试方法二、实验内容1、锯齿波同步触发电路的调试2、锯齿波同步触发电路各点波形的观察、分析三、实验线路及原理主要由同步检测、锯齿波形成、移相控制、脉冲形成和脉冲放大等环节组成。
同步检测环节:VT1、VD1、VD2、C5组成,是利用同步电压UT来控制锯齿波产生的时刻和宽度;锯齿波形成环节:由VT1等元件组成的恒流源电路及VT2、VT3、C6等组成;移相控制环节:由控制电压Uct、偏移电压Ub及锯齿波电压Uj在VT4基极综合叠加,而构成;脉冲放大环节:VT5、VT6构成;脉冲变压器:输出触发脉冲。
VD5-15v图1 锯齿波同步移相触发电路说明:(1)元件RP1、RP2装在面板上,同步变压器副边在内部已连接好;(2)触发电路的正负15V电压由左下角开关控制;(3)上方的另一开关为选择开关,做锯齿波同步移相触发电路实验时拨向“触发电路”,做整流桥式电路实验时,拨向“单向桥式”。
四、实验设备及仪器1、主控制屏DK012、DK11挂箱3、双踪示波器4、万用表五、实验方法1、将DK11面板左上角的同步变压器原边绕组接230V交流电压;A、“选择开关”拨向“锯齿波”;B、面板左下角的正负15V开关拨向“开”;C、其上面的开关拨向“触发电路”;D、输出“G1”、“K1”接至某晶闸管的门极和阴极。
2、接通电源,用示波器观察各观察孔的电压波形。
(1)、同时观察1和2孔的波形,了解锯齿波宽度和1孔波形的关系;(2)、观察3—5孔波形及输出电压Ug的波形,记下各波形的幅值与宽度,比较它们的关系;图2 锯齿波同步移相触发电路各点电压波形3、调节脉冲的移相范围将控制电压Uct调至0(调电位器RP1),用示波器观察U1电压(即1孔)及U5的波形,调节偏移电压Ub(即调RP2),使a=180度,其波形下图所示。
专业:电气工程及其自动化姓名:学号:日期:地点:教二116实验报告课程名称:电力电子技术指导老师:成绩:__________________实验名称:锯齿波同步移相触发电路和单相桥式半控整流电路实验实验类型:操作同组学生姓名:一、实验目的和要求(必填)二、实验内容和原理(必填)三、主要仪器设备(必填)四、操作方法和实验步骤五、实验数据记录和处理六、实验结果与分析(必填)七、讨论、心得锯齿波同步移相触发电路一、实验目的(1)加深理解锯齿波同步移相触发电路的工作原理及各元件的作用。
(2)掌握锯齿波同步触发电路的调试方法。
二、实验线路及原理锯齿波同步移相触发电路主要由脉冲形成和放大,锯齿波形成,同步移相等环节组成,其工作原理可参见有关《电力电子技术》教材。
三、实验内容(1)锯齿波同步移相触发电路的调试。
(2)锯齿波同步移相触发电路各点波形观察和分析。
四、实验设备(1)MCL现代运动控制技术实验台主控屏。
(2)给定、零速封锁器、速度变换器、速度调节器、电流调节器组件挂箱。
(3)单结晶体管、正弦波、锯齿波触发电路组件挂箱。
(4)双踪记忆示波器。
(5)数字式万用表。
五、实验方法1、接线与开关设置将单结晶体管、正弦波、锯齿波触发电路面板上左上角的同步电压输入接主控制屏输出电压的U、V端,“触发电路选择”拨向“锯齿波”。
2、触发电路调试(1) 合上主电路电源开关,调节主控制屏输出电压U uv=220V,并打开单结晶体管、正弦波、锯齿波触发电路面板右下角的电源开关。
(2) 用示波器观察各观察孔的电压波形,示波器的地线接于7端。
同时观察2、3端的波形,了解锯齿波宽度和2点波形的关系。
(3) 观察3~5端波形及输出电压u g的波形,记下各波形的幅值与宽度,比较3端电压u3与u5的对应关系;3、脉冲移相范围调节将给定器的U ct输出电压调至0V,即控制电压U ct为零,用示波器观察u2电压(即2端)及u6的波形,调节偏移电压U b(即调RP2),使a=180O,其波形如图4-3所示。
电力电子技术实验报告
题目:锯齿波同步移相触发电路及
单相半波可控整流
班级:
姓名:
学号:
指导老师:
单结晶体管触发电路及单相半波可控整流电路实验报告1.1 实验内容
1.单结晶体管触发电路的调试。
2.单结晶体管触发电路各点波形的观察。
3.单相半波整流电路带电阻性负载时特性的测定。
4.单相半波整流电路带电阻—电感性负载时,续流二极管作用的观察。
1.2 实验设备及仪器
⑴MCL-III型教学实验台
⑵NMCL-33组件:触发电路和晶闸管主电路
⑶NMCL-05(E)组件:触发电路
⑷MEL03A组件:可调电阻
⑸双踪示波器
⑹万用表
1.3实验方法
1.3.1 单结晶体管触发电路调试及各点波形的观察
先不接主电路,NMCL-32的“三相交流电源”开关拨向“直流调速”侧。
将NMCL-05E面板左上角的同步电压输入端与NMCL—32的U、V端相连,单结晶体管触发电路中G、K接线端悬空,“2”端(地)与脉冲输出“K”端相连。
按下“闭合”按钮,用示波器观察触发电路单相半波整流输出(“1”),梯形电压(“3”、“4”),锯齿波电压(“5”)及单结晶体管输出电压(“6”)和脉冲输出(“GK”)等波形。
调节移相可调电位器RP,参照图1-1,观察输出脉冲的移相范围,之后使相
位角 =180°。
图1-1 单相半波整流相位角的观察
观察完毕,断开主电源。
注:由于在以上操作中,脉冲输出未接至晶闸管的控制极和阴极,所以在用示波器观察触发电路各点波形时,特别是观察脉冲的移相范围时,可用导线把触发电路的地端(“2”)和脉冲输出“K”端相连。
但一旦脉冲输出接至晶闸管,则不可把触发电路和脉冲输出相连,否则造成短路事故,烧毁触发电路。
1.3.2 单相半波可控整流电路带电阻性负载
断开触发电路中“2”端与“K”端的连接,按图1-2连好触发电路及主电路,其中主电路中负载为纯电阻(由MEL—03A的两个900Ω电阻并联,并调至阻值最大位置),电感和续流二极管暂不接。
触发电路的“G”、“K”分别接至NMCL-33中任一晶闸管VT的控制极和阴极。
合上主电源,调节触发电路中脉冲移相电位器RP,用示波器观察α=120°、
90°、60°、30°时负载两端电压U
d 以及晶闸管的阴极阳极两端的电压波形U
Vt。
测量U
d 及电源电压U
2
,完成实验表格1-1,验证公式:
2
cos
1
2
45
.0α
+
=U
U
d
图1-1 单结晶体管出发电路及半波整流电路
1.3.3 单相半波可控整流电路带电阻—电感性负载,无续流二极管
串入平波电抗器(700mH),不接续流二极管。
用示波器观察并记录较大电阻和较小电阻(对应不同的阻抗角)、α=90O时的电阻电感两端电压U
d
以及晶闸管Uvt的波形。
注意调节R
d 时,需要监视负载电流,防止电流超过R
d
允许的最大电流及晶闸
管允许的额定电流。
1.3.4 单相半波可控整流电路带电阻-电感性负载,有续流二极管
接入续流二极管,重复“3”的实验步骤。
1.4 实验报告
1.画出触发电路在α=90°时1,3,4,5,6各点以及GK 两端的波形。
1,3,4,5,6各点以及GK 两端的波形如下:
“1”为半波; “3,4”为梯形波 5锯齿波
“6” 单结晶体管两端电压 GK 脉冲(除去半波部分)
2.分别画出纯电阻负载、电阻电感负载下,α=90°时U d 和U v 波形。
纯电阻负载时:
U d
:
U v :
电阻电感负载:
U
d : U v :
3.画出在电阻电感性负载下,当电阻较大和较小时,U d 、U VT 的波形(α=90°),并对两者波形进行分析比较。
较大电阻时:
Ud : U
VT :
较小电阻时:
Ud : U VT :
分析:
负载有电感时,整流管前电压为负值的时候,电流不为零,继续导通。
接小电阻时,负载电压比整流管前电压更负。
4.画出纯电阻负载时U d /U 2=f (a )曲线,并与2cos 1245.0α
+=U U d 进行比较。
2
cos 1245.0α+=U U d
U d /U 2=f (a )
5.分析续流二极管的作用。
答:
线圈断电时,线圈里有磁场将产生反向电动势,很容易击穿其他电路元件。
这时由于续流二极管的接入正好和反向电动势方向一致,把反向电势通过续流二极管以电流的形式释放掉,从而保护了其他电路元器件。
1.5 思考
1.本实验中能否用双踪示波器同时观察触发电路与整流电路的波形?为什么?
答:不可以。
触发电路和整流电路之间没有公用地点
2.为何要观察触发电路第一个输出脉冲的位置?
答:给前一个(按导通顺序)可控硅再补发一个触发脉冲,使可控硅整流电路可靠的工作。
3.本实验电路中如何考虑触发电路与整流电路的同步问题?
答:采用宽脉冲触发。