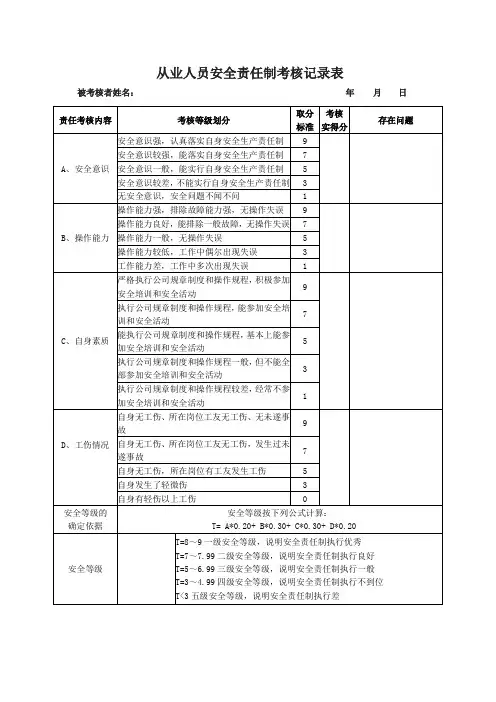
安全生产责任制考核记录表
- 格式:doc
- 大小:238.00 KB
- 文档页数:25
责任制考核记录表
安全办
2023年度
主要负责人的安全生产目标责任制考核表
安全管理人员安全生产目标责任制考核表
办公室人员安全生产目标责任制考核表
班组长安全生产目标责任制考核表
员工安全生产目标责任制考核表被考核人:职务:部
员工安全生产目标责任制考核表被考核人:职务:部
员工安全生产目标责任制考核表被考核人:职务:部
员工安全生产目标责任制考核表被考核人:职务:部
□奖励:口处罚: -1.考核结果分为:优秀、良好、合格、不合格四个等级。
说2.考核得分与等级关系为:优秀290分;75分W良好V90分;
明60分W合格V75分;不合格V60分。
3.该表每人一份,表格不够可另附页。
安全生产目标责任制考核记录
安全生产目标责任制考核记录。
安全生产责任制考核记录表单位名称: 考核日期:年月填表人:审核人:总经理安全生产责任制考核记录被考核人:所在部门:考核日期:年月日2.除注明“可倒扣分”的项外,其余每项分值均扣完即止。
3.总分≥80分为及格,≥85分为良好,≥95分为优秀.安全副总监兼(安环部部长)安全生产责任制考核记录被考核人: 所在部门:考核日期:年月日注:1.如有重复扣分事项,取最大分值项扣分,其余项不扣分。
2.除注明“可倒扣分"的项外,其余每项分值均扣完即止。
3.总分≥80分为及格,≥85分为良好,≥95分为优秀.总经理助理兼(生产部部长)安全生产责任制考核记录被考核人:所在部门:考核日期:年月日注:1.如有重复扣分事项,取最大分值项扣分,其余项不扣分。
2.除注明“可倒扣分”的项外,其余每项分值均扣完即止。
3.总分≥80分为及格,≥85分为良好,≥95分为优秀.生产副总兼(设备部部长)安全生产责任制考核记录被考核人: 所在部门:考核日期:年月日注:1.如有重复扣分事项,取最大分值项扣分,其余项不扣分。
2.除注明“可倒扣分"的项外,其余每项分值均扣完即止。
3.总分≥80分为及格,≥85分为良好,≥95分为优秀。
班、组长安全生产责任考核记录被考核人:所在部门: 考核日期:年月日注:1.如有重复扣分事项,取最大分值项扣分,其余项不扣分。
2.除注明“可倒扣分”的项外,其余每项分值均扣完即止。
3.总分≥80分为及格,≥85分为良好,≥95分为优秀。
车间主任安全生产责任考核记录被考核人: 所在部门: 考核日期: 年 月 日注:1.如有重复扣分事项,取最大分值项扣分,其余项不扣分。
2.除注明“可倒扣分”的项外,其余每项分值均扣完即止。
3.总分≥80分为及格,≥85分为良好,≥95分为优秀.安全员安全生产责任制考核记录被考核人:所在部门:考核日期: 年月日2.除注明“可倒扣分”的项外,其余每项分值均扣完即止。
3.总分≥80分为及格,≥85分为良好,≥95分为优秀。
安全生产责任制考核记录表单位名称:沾化瑜凯新材料科技有限公司考核日期:年月填表人:审核人:总经理安全生产责任制考核记录被考核人:所在部门:考核日期:年月日2.除注明“可倒扣分”的项外,其余每项分值均扣完即止。
3.总分≥80分为及格,≥85分为良好,≥95分为优秀。
安全副总监兼(安环部部长)安全生产责任制考核记录被考核人:所在部门:考核日期:年月日2.除注明“可倒扣分”的项外,其余每项分值均扣完即止。
3.总分≥80分为及格,≥85分为良好,≥95分为优秀。
总经理助理兼(生产部部长)安全生产责任制考核记录被考核人:所在部门:考核日期:年月日2.除注明“可倒扣分”的项外,其余每项分值均扣完即止。
3.总分≥80分为及格,≥85分为良好,≥95分为优秀。
生产副总兼(设备部部长)安全生产责任制考核记录被考核人:所在部门:考核日期:年月日2.除注明“可倒扣分”的项外,其余每项分值均扣完即止。
3.总分≥80分为及格,≥85分为良好,≥95分为优秀。
班、组长安全生产责任考核记录被考核人:所在部门:考核日期:年月日2.除注明“可倒扣分”的项外,其余每项分值均扣完即止。
3.总分≥80分为及格,≥85分为良好,≥95分为优秀。
车间主任安全生产责任考核记录被考核人:所在部门:考核日期:年月日2.除注明“可倒扣分”的项外,其余每项分值均扣完即止。
3.总分≥80分为及格,≥85分为良好,≥95分为优秀。
安全员安全生产责任制考核记录被考核人:所在部门:考核日期:年月日2.除注明“可倒扣分”的项外,其余每项分值均扣完即止。
3.总分≥80分为及格,≥85分为良好,≥95分为优秀。
安环部主任安全生产责任制考核记录单位名称:所在部门:考核日期:姓名:2.除注明“可倒扣分”的项外,其余每项分值均扣完即止。
3.总分≥75分为及格,≥85分为良好,≥95分为优秀。
行政副总兼(综合部部长)安全生产责任制考核记录被考核人:所在部门:考核日期:年月日2.除注明“可倒扣分”的项外,其余每项分值均扣完即止。
安全生产责任制考核记录表安全生产责任制考核记录表一、考核单位基本情况1.单位名称:2.考核周期:3.考核日期:4.考核人员:二、安全生产责任制目标1.安全生产责任制目标的设定:(详细描述单位在安全生产方面的目标,包括减少事故发生率、提高安全生产管理水平等)三、安全生产责任制组织机构1.安全生产责任制组织机构的建立和职责分工:(详细描述责任制组织机构的设置及各个职责的分工情况)四、安全生产责任制文件制度1.相关安全生产责任制文件的制定和修订情况:(列出相关文件的名称、制定日期和修订情况)五、安全生产责任制宣传教育1.安全生产责任制宣传教育活动的开展情况:(描述单位开展的安全生产责任制宣传教育活动的形式、内容、参与人数等)六、安全生产责任制的实施情况1.安全生产责任制的实施情况:(详细描述责任制在实际工作中的执行情况,包括工作流程、监督制度、事故预防措施等)七、安全生产责任制的考核与整改1.责任制的考核方式和频次:(描述考核的具体方式和考核周期)2.考核结果统计和分析:(描述考核结果的统计和分析情况)3.考核中发现的问题和不足:(列出考核过程中发现的问题和不足之处)4.整改措施和进展情况:(描述针对问题和不足所采取的整改措施及其进展情况)八、安全生产责任制的评价与改进1.责任制的评价:(对责任制的执行情况进行评价,包括达成的目标、改进的效果等)2.改进措施和建议:(提出对责任制改进的具体措施和建议)附件:1.相关文件:(列出本文档涉及的相关文件名称及附件编号)2.相关统计数据:(列出本文档涉及的相关统计数据及附件编号)法律名词及注释:1.安全生产法:(对安全生产法的基本含义进行解释)2.责任制:(对责任制的基本概念进行解释)。
安全生产责任制考核记录表
单位名称:XXX公司经办人:XXX 考核日期:XXXX 年X月X日
序号项目考核内容
考核结果备注
1 安全管理责任 1.是否设立并组织实施安全生产管理责任制
2.责任明确,各岗位责任设置合理
3.相关人员知晓安全生产责任,责任落实到位
2 安全培训教育 1.是否进行安全培训教育工作
2.培训教育覆盖面及效果
3.员工安全操作能力与安全意识情况
3 安全生产控制 1.设备是否完好,生产过程中能否及时控制安全风险
2.生产操作是否符合相关安全规范和标准
3.重大危险源管理是否到位
4 安全事故紧急处理 1.设施设备故障等突发情况的处理能力
2.事故现场的处理和隐患排除情况
3.应急演练的开展和有效性
5 安全生产资料管理 1.安全生产档案是否完善及存储情况
2.安全操作规程和标准的管理情况
3.各类安全信息、资料报送是否及时、完整
6 安全隐患排查治理 1.安全隐患排查工作的全面性和深入性
2.安全隐患排查报告及整改情况
3.安全隐患整改措施的有效性
7 安全生产责任追究 1.安全事故发生后责任追究的程序和结果
2.对安全生产责任不落实的人员的处罚措施
3.安全生产责任追究结果的公示情况
以上为安全生产责任制考核记录表,单位应根据实际情况进行具体内容填写,并结合考核结果制定相应的整改计划和措施,以提高安全生产工作的管理水平和安全意识。
安全生产责任制考核记录表安全生产责任制考核记录表一、考核背景为了落实安全生产责任制,加强对安全生产工作的管理和监督,制定本《安全生产责任制考核记录表》。
二、考核内容1. 安全生产责任制的建立与落实2. 安全生产责任人的履职情况3. 安全生产措施的落实情况4. 安全生产管理体系的建立与完善5. 安全培训和教育的开展情况6. 安全隐患排查和整改情况7. 事故应急预案和演练情况三、考核标准根据国家相关法律法规、行业标准和企业安全生产管理规定,制定相应的考核标准。
具体标准如下:1. 各级安全生产责任人明确落实相应职责,能有效地推动安全生产工作的开展。
2. 安全生产措施全面、到位,能有效地防范各类安全事故的发生。
3. 完善的安全生产管理体系,包括明确的制度政策、岗位职责和流程规范。
4. 定期组织安全培训和教育,提高全体员工的安全意识和应急能力。
5. 定期开展安全隐患排查和整改,确保安全隐患得到及时发现和处理。
6. 健全的事故应急预案和演练,能够有效应对各类安全事故和突发事件。
四、考核方法本考核采用定期检查、随机抽查和现场考察相结合的方式进行。
1. 定期检查:按照规定周期,对各级安全生产责任人的履职情况进行检查。
2. 随机抽查:根据实际情况,随机选取一部分岗位进行安全生产工作的检查。
3. 现场考察:组织专业人员对生产现场进行安全生产工作的考察和评估。
五、考核周期根据实际企业情况,制定考核周期。
一般情况下,可以按照季度、半年或年度进行考核。
六、考核结果1. 根据考核情况,分为优秀、良好、合格、不合格等级别。
2. 针对不同级别的考核结果,制定相应的奖惩措施。
3. 考核结果将作为企业安全生产职责的重要依据,对于责任人的晋升和晋级等方面起到重要影响。
七、考核记录序号考核主题考核内容考核方法考核结果1 安全生产责任制的建立与落实安全生产责任人的设立和履职情况<br>安全责任制度的建立和落实情况定期检查<br>现场考察<br>抽查优秀/良好/合格/不合格2 安全生产措施的落实情况安全生产措施的制定和宣传情况<br>安全设施的维护和管理情况定期检查<br>现场考察<br>抽查优秀/良好/合格/不合格3 安全培训和教育的开展情况安全培训计划和执行情况<br>安全教育材料和宣传活动的开展情况定期检查<br>现场考察<br>抽查优秀/良好/合格/不合格4 安全隐患排查和整改情况安全隐患排查的频次和结果<br>安全隐患整改的及时性和有效性定期检查<br>现场考察<br>抽查优秀/良好/合格/不合格5 事故应急预案和演练情况事故应急预案的建立和更新情况<br>应急演练的组织和实施情况定期检查<br>现场考察<br>抽查优秀/良好/合格/不合格八、考核总结根据各项考核结果,对企业的安全生产工作进行总结和分析,提出改进措施和建议,以进一步完善安全生产责任制。
安全生产责任制考核记录表范本日期:_____________单位:_____________考核对象:_____________序号考核项目考核内容考核标准考核结果备注1 生产管理生产计划制定与执行计划的合理性、执行情况、完成情况□通过□未通过 ______________________2 安全生产责任制安全生产责任制建立与落实责任制的建立、责任人的履行情况□通过□未通过 ______________________3 安全培训安全培训计划执行培训计划的合理性、执行情况□通过□未通过 ______________________4 安全生产检查安全生产检查及整改情况检查记录的完整性、整改情况□通过□未通过 ______________________5 应急管理应急预案制定与演练预案的建立、演练情况□通过□未通过 ______________________6 安全隐患排查及整改安全隐患的排查与整改隐患排查记录、整改情况□通过□未通过 ______________________7 职工安全管理职工安全教育和培训教育培训的覆盖率、效果评估□通过□未通过 ______________________8 安全设施维护与管理安全设施的维护和管理设施维护记录、设施完好率□通过□未通过 ______________________9 环境保护环境保护措施落实情况措施的落实情况、环境监测结果□通过□未通过 ______________________10 安全生产投入安全生产投入情况投入项目、金额、投入效果评估□通过□未通过 ______________________总结与评价:(对各项考核结果进行综合评价,如有问题请注明)考核人:_____________复核人:_____________注意事项:1.本考核记录表适用于安全生产责任制考核,每年至少进行2次考核。
2.考核结果栏中,通过的打“√”,未通过的请在备注栏中注明原因并提出整改意见。
安全生产责任制考核记录表安全生产责任制考核记录表一、考核概述为了加强企业安全生产管理,落实安全生产责任制,确保生产过程中的安全和可持续经营,特编制本考核记录表,用于对企业安全生产责任制的执行情况进行评估和总结。
二、考核指标及评分根据企业的实际情况,制定以下考核指标并给予相应评分:⒈安全生产责任明确性(评分范围:0-10分)●企业安全生产责任制度的建立和落实情况●安全生产责任的分工和工作职责的明确性⒉安全生产责任履行情况(评分范围:0-30分)●安全生产目标的达成情况●安全教育培训的组织和开展情况●安全风险管控和事故预防措施的执行情况●安全生产设施设备的维护和管理情况⒊安全生产事故应急管理(评分范围:0-20分)●事故应急预案的编制和演练情况●应急救援队伍的组建和培训情况●事故处置能力和应急设备的准备情况⒋安全生产隐患排查整改(评分范围:0-30分)●隐患排查工作的开展情况●排查发现的隐患整改情况●隐患整改工作的跟踪和验收情况⒌安全生产管理制度的完善(评分范围:0-10分)●管理制度的建立和完善情况●制度执行的情况和效果三、考核结果及改进措施根据考核指标评分情况和实际情况,对考核结果进行汇总和分析,找出存在的问题和不足之处,并提出相应的改进措施。
四、附件⒈企业安全生产责任制度⒉企业安全教育培训计划⒊安全事故应急预案⒋安全生产隐患排查整改记录表五、法律名词及注释⒈《安全生产法》:指中华人民共和国国家法律,对生产经营单位的安全生产工作进行规范和监督。
⒉《安全生产责任制条例》:指中华人民共和国国家法律,对企业安全生产责任制的实施进行规定和要求。
⒊《安全生产事故应急管理条例》:指中华人民共和国国家法律,对生产经营单位应急管理工作进行规范和指导。
安全生产责任制考核记录表单位名称:所在部门:考核日期:年月日序号姓名职务考核结果奖罚(元) 备注12345678910111213141516171819填表人:审核人:注:本表经理审核后交公司财务室。
总经理安全生产责任制考核记录单位名称:被考核人:所在部门:考核日期: 年月日序号考核项目1 安全生产制度规程、规定2 健全安全管理机构3 安全制度落实4 安全专业会议5 三级教育日常教育6 事故处理扣分标准应得分扣减分实得分上级有关的安全生产规程、规定、制度未传达扣 10 分 10未及时传达的扣 10 分未制定和执行安全生产管理制度扣 8 分未设立专门安全管理机构扣 10 分未设立专职安全员扣 8 分未及时下达安全整改意见扣 5 分定期未计划、布置安全生产工作扣 5 分定期未检查的扣 5 分定期未总结评比的扣 5 分无定期安全专业会议的扣 10 分对检查浮现的隐患未按“三定"原则解决的扣 8 分未及时解决安全生产中存在问题扣 10 分未严格执行“管生产必须同时安全”原则扣 10 分未进行职工三级教育的扣 15 分未进行日常教育的扣 5 分未进行职工思想教育的扣 5 分奖惩未兑现的 5 分发生工伤事故未及时上报的扣 10 分1010101515注: 1 .如有重复扣分事项,取最大分值项扣分,其余项不扣分。
2 .除注明“可倒扣分”的项外,其余每项分值均扣完即止。
3 .总分≥80 分为及格, 80-94 分为良好,≥95 分为优秀。
安全科长安全生产责任制考核记录所在部门:被考核人:应得分 扣减分 实得分1 安全生产制度规程、规定未制定和执行安全生产管理制度未做好项目经理要求的其它安全工作项目的安全技术措施未组织审查扣 5 分 10未呈批准的扣 4 分发生事故而未能保护好现场的扣 5 分未能提出改进措施的扣 10 分未对责任人提出处理意见的扣 10 分未能及时整改安监部门提出问题的扣 10 分安全生产不在受控状态的扣 10 分不支持安全员工作的扣 5 分未组织制定本项目的环保措施未落实公司环境保护措施安全资料未及整理归档的扣 10 分处理意见7 隐患整改8 环境保护9 安全资料考核项合计考核结果考核人员101010100上级有关的安全生产规程、规定、制度未传达扣 5 分 10未及时传达的扣 5 分2 项目安全技术审查与审批序号 考核项目扣 分 标 准 考核日期:单位名称:3 定期全制度落实4 定期安全专业会议5 三级教育日常教育6 工伤事故处理7 隐患整改8 环境保护9 安全资料未负责实施的扣 10 分定期未计划、布置安全生产工作扣 5 分定期未检查的扣 5 分定期未总结评比的扣 5 分定期无安全专业会议的扣 10 分对检查浮现的隐患未按“三定”原则解决的扣 8 分未及时解决安全生产中存在问题扣 15 分未严格执行“管生产必须同时安全"原则扣 15 分未进行职工三级教育的扣 15 分未进行日常教育的扣 5 分未进行职工思想教育的扣 5 分奖惩未兑现的 5 分发生工伤事故未及时上报的扣 10 分发生事故而未能保护好现场的扣 5 分未能提出改进措施的扣 10 分未对责任人提出处理意见的扣 10 分未能及时整改安监部门提出问题的扣 10 分安全生产不在受控状态的扣 10 分不支持安全员工作的扣 5 分未组织制定本项目的环保措施未落实公司环境保护措施安全资料未及整理归档的扣 10 分10151010151010注:1 .如有重复扣分事项,取最大分值项扣分,其余项不扣分。
安全生产责任制考核记录表模版单位名称:XX公司被考核部门:XX部门考核日期:XX年XX月XX日考核人员:XX人一、基本情况1. 本期考核周期:从XX年XX月XX日至XX年XX月XX日。
2. 考核内容:根据《安全生产责任制考核办法》要求,对被考核部门在本期考核周期内的安全生产工作进行综合评价。
3. 考核指标:根据被考核部门的安全生产责任制目标和要求,制定考核指标。
4. 考核依据:被考核部门的安全生产责任制文件、安全生产记录、安全生产检查、事故报告等相关资料。
二、考核内容及结果考核内容(请根据被考核部门的工作情况列出考核内容及相关指标)考核结果(请根据考核内容及指标,填写实际情况及得分)1. 安全生产目标- 考核指标1:- 考核指标2:2. 安全生产责任制文件的制定与落实- 考核指标1:- 考核指标2:3. 安全生产检查与隐患排查整改- 考核指标1:- 考核指标2:4. 安全培训与教育- 考核指标1:- 考核指标2:5. 事故调查与处理- 考核指标1:- 考核指标2:6. 安全奖惩措施- 考核指标1:- 考核指标2:三、考核总结及建议1. 考核总体评价:综合评价被考核部门在安全生产责任制的落实情况,给出相应的总体评价。
2. 考核优点:列举被考核部门在安全生产工作中表现出的优点和可借鉴之处。
3. 考核不足:列举被考核部门在安全生产工作中存在的问题和不足之处。
4. 改进措施及建议:针对考核不足,提出改进措施和建议,并明确责任人和完成时间。
四、考核意见及签字1. 考核意见:- 不合格:被考核部门在安全生产责任制落实上存在重大问题,需立即整改。
- 合格:被考核部门在安全生产责任制落实上存在一些问题,需重点整改。
- 良好:被考核部门在安全生产责任制落实上总体表现良好,但仍有一些细节需要改进。
- 优秀:被考核部门在安全生产责任制落实上表现出色,达到了预期目标。
2. 考核结果确认人:- 被考核部门负责人签字:- 考核人员签字:- 相关部门负责人签字:备注:考核结果及意见应当由相关部门负责人签字确认,并在安全生产责任制考核记录表上加盖单位公章。
工程部安全生产责任制考核记录表2 资产部安全生产责任制考核记录表3
综合管理部安全生产责任制考核记录表4
经理责任制考核表5
副经理责任制考核表6
工程部安全生产责任制考核记录表
注: 90以上为优秀;80-90为良好;80-75为及格;75以下为不及格。
打分方法为扣分制, 空项不扣分。
本考核一季度一次, 年底汇总。
资产部安全生产责任制考核记录表
注: 90以上为优秀;80-90为良好;80-75为及格;75以下为不及格。
打分方法为扣分制, 空项不扣分。
本考核一季度一次, 年底汇总。
安
综合管理部安全生产责任制考核记录表
注: 90以上为优秀;80-90为良好;80-75为及格;75以下为不及格。
打分方法为扣分制, 空项不扣分。
本考核一季度一次, 年底汇总。
全
经理安全生产责任制考核记录表
注: 90以上为优秀;80-90为良好;80-75为及格;75以下为不及格。
打分方法为扣分制, 空项不扣分。
本考核一季度一次, 年底汇总。
副总经理安全生产责任制考核记录表
注: 90以上为优秀;80-90为良好;80-75为及格;75以下为不及格。
打分方法为扣分制, 空项不扣分。
本考核一季度一次, 年底汇总。
安全生产责任制考核记录表安全生产责任制考核记录表一、考核单位信息1. 考核单位:________________________2. 责任单位:________________________3. 责任人:__________________________4. 考核时间:________________________二、责任制执行情况考核1. 安全生产责任制的建立是否符合国家法律法规的要求?- 是/否2. 责任制的组织架构是否明确,责任划分是否合理?- 是/否- 若否,请详细说明不合理或者不明确的地方:________________________3. 安全生产责任人是否履行了其职责和义务?- 是/否- 若否,请详细说明责任人未履行职责的具体情况:_____________________4. 是否定期召开安全生产会议,是否制定了会议记要并进行归档?- 是/否- 若否,请详细说明未召开会议或者未进行归档的原因:_____________________5. 是否制定了安全生产责任目标和计划?是否按照计划进行落实?- 是/否- 若否,请详细说明未制定目标和计划或者未按计划落实的原因:_______________6. 是否建立了安全生产责任制考核评估机制?是否进行了定期评估?- 是/否- 若否,请详细说明未建立评估机制或者未进行定期评估的原因:________________7. 是否制定了相关的安全生产责任制文件,并进行了宣传和培训?- 是/否- 若否,请详细说明未制定文件或者未进行宣传培训的原因:__________________8. 是否建立了健全的安全生产记录和档案系统,并进行了归档备查?- 是/否- 若否,请详细说明未建立记录和档案系统或者未进行归档备查的原因:____________三、现场安全生产情况考核1. 责任单位的现场安全管理制度是否完善,落实情况如何?- 完善与否:______- 落实情况描述:___________________________2. 安全生产措施是否得到了有效执行,是否存在违规现象?- 有效执行与否:______- 违规现象描述:___________________________3. 是否定期开展安全培训和演练活动,是否进行了记录?- 定期开展与否:______- 记录情况描述:___________________________4. 是否建立了现场安全巡查制度,巡查情况如何?- 建立与否:______- 巡查情况描述:___________________________5. 安全生产事故和隐患的处理措施是否有效,安全隐患数量是否存在下降趋势?- 有效处理与否:______- 安全隐患数量变化情况:___________________________四、考核结果及意见1. 综合考核结果:__________________________- 若符合要求,请在下方对考核单位予以肯定:______________________- 若存在问题,请在下方对考核单位提出整改意见:_____________________2. 考核人员签字:__________________________考核日期:_______________________________附件:1. 安全生产责任制建立方案2. 安全生产会议记要3. 安全生产责任目标和计划4. 安全生产责任制考核评估记录5. 安全生产责任制相关文件6. 安全生产现场记录和档案7. 安全生产培训和演练记录8. 现场安全巡查记录9. 安全生产事故和隐患处理记录法律名词及注释:- 安全生产责任制:根据《中华人民共和国安全生产法》等相关法律法规,企事业单位应建立安全生产责任制,明确安全生产责任人并划分各级责任,在实施和管理过程中落实属地管理责任、各级责任,并按照法律规定开展安全生产工作。
项目经理安全生产责任制考核记录考核日期:
项目技术负责人安全生产责任制考核记录考核日期:
考核日期:
考核日期:
专职安全员安全生产责任制考核记录考核日期:
质检员安全生产责任制考核记录考核日期:
考核日期:
考核日期:
考核日期:
考核日期:
考核日期:
考核日期:
库管员安全生产责任制考核记录考核日期:
机械管理员安全生产责任制考核记录考核日期:
试验员安全生产责任制考核记录考核日期:
资料员安全生产责任制考核记录考核日期:
电工安全生产责任制考核记录考核日期:。
安全生产责任制考核记录表
该考核记录表用于对安全生产责任制的履行情况进行评估和记录。
以下是该表格的具体内容:
一、基本信息
二、考核内容
1. 安全生产管理体系建设
2.
安全生产责任落实情况
3. 安全生产纪律执法情况
4. 安全生产绩效与考核
5. 安全应急管理情况
三、总结与评价
根据考核记录表中各项指标的得分,对被考核单位的安全生产责任制履行情况进行总结和评价。
四、改进措施
根据总结和评价结果,提出被考核单位在安全生产责任制落实方面需要改进的措施和建议。
五、考核人员意见
考核人员根据实地考察和数据统计,填写自己对被考核单位安全生产责任制履行情况的意见。
六、相关附件
将与安全生产责任制考核相关的文件附在此处,如安全生产责任制文件、事故应急预案等。
以上是《安全生产责任制考核记录表》的内容概述。
请根据需要填写具体的考核得分和评价。
安全生产责任制考核记录表单位名称: 考核日期:年月
填表人:审核人:
总经理安全生产责任制考核记录被考核人:所在部门:考核日期:年月日
2.除注明“可倒扣分”的项外,其余每项分值均扣完即止。
3.总分≥80分为及格,≥85分为良好,≥95分为优秀。
安全副总监兼(安环部部长)安全生产责任制考核记录
被考核人:所在部门:考核日期:年月日
注:1.如有重复扣分事项,取最大分值项扣分,其余项不扣分。
2.除注明“可倒扣分”的项外,其余每项分值均扣完即止。
3.总分≥80分为及格,≥85分为良好,≥95分为优秀。
总经理助理兼(生产部部长)安全生产责任制考核记录被考核人:所在部门:考核日期:年月日
注:1.如有重复扣分事项,取最大分值项扣分,其余项不扣分。
2.除注明“可倒扣分”的项外,其余每项分值均扣完即止。
3.总分≥80分为及格,≥85分为良好,≥95分为优秀。
生产副总兼(设备部部长)安全生产责任制考核记录被考核人:所在部门:考核日期:年月日
注:1.如有重复扣分事项,取最大分值项扣分,其余项不扣分。
2.除注明“可倒扣分”的项外,其余每项分值均扣完即止。
3.总分≥80分为及格,≥85分为良好,≥95分为优秀。
班、组长安全生产责任考核记录
被考核人:所在部门:考核日期:年月日
注:1.如有重复扣分事项,取最大分值项扣分,其余项不扣分。
2.除注明“可倒扣分”的项外,其余每项分值均扣完即止。
3.总分≥80分为及格,≥85分为良好,≥95分为优秀。
车间主任安全生产责任考核记录被考核人:所在部门:考核日期:年月日
注:1.如有重复扣分事项,取最大分值项扣分,其余项不扣分。
2.除注明“可倒扣分”的项外,其余每项分值均扣完即止。
3.总分≥80分为及格,≥85分为良好,≥95分为优秀。
安全员安全生产责任制考核记录
被考核人:所在部门:考核日期:年月日
2.除注明“可倒扣分”的项外,其余每项分值均扣完即止。
3.总分≥80分为及格,≥85分为良好,≥95分为优秀。
安环部主任安全生产责任制考核记录单位名称:所在部门:考核日期:
姓名:
2.除注明“可倒扣分”的项外,其余每项分值均扣完即止。
3.总分≥75分为及格,≥85分为良好,≥95分为优秀。
行政副总兼(综合部部长)安全生产责任制考核记录
被考核人:所在部门:考核日期:年月日
注:1.如有重复扣分事项,取最大分值项扣分,其余项不扣分。
2.除注明“可倒扣分”的项外,其余每项分值均扣完即止。
3.总分≥80分为及格,≥85分为良好,≥95分为优秀。
总经理助理兼经营部部长安全生产责任制考核记录
被考核人:所在部门:考核日期:年月日
注:1.如有重复扣分事项,取最大分值项扣分,其余项不扣分。
2.除注明“可倒扣分”的项外,其余每项分值均扣完即止。
3.总分≥80分为及格,≥85分为良好,≥95分为优秀。
物资部部长安全生产责任制考核记录
被考核人:所在部门:考核日期:年月日
注:1.如有重复扣分事项,取最大分值项扣分,其余项不扣分。
2.除注明“可倒扣分”的项外,其余每项分值均扣完即止。
3.总分≥80分为及格,≥85分为良好,≥95分为优秀。
财务副总兼(财务部部长)安全生产责任制考核记录
被考核人:所在部门:考核日期:年月日
注:1.如有重复扣分事项,取最大分值项扣分,其余项不扣分。
2.除注明“可倒扣分”的项外,其余每项分值均扣完即止。
3.总分≥80分为及格,≥85分为良好,≥95分为优秀。
综合部副部长安全生产责任制考核记录被考核人:所在部门:考核日期:年月日
注:1.如有重复扣分事项,取最大分值项扣分,其余项不扣分。
2.除注明“可倒扣分”的项外,其余每项分值均扣完即止。
3.总分≥80分为及格,≥85分为良好,≥95分为优秀。
财务部人员安全生产责任制考核记录
被考核人:所在部门:考核日期:年月日
注:1.如有重复扣分事项,取最大分值项扣分,其余项不扣分。
2.除注明“可倒扣分”的项外,其余每项分值均扣完即止。
3.总分≥80分为及格,≥85分为良好,≥95分为优秀。