混凝土强度与温度和龄期增长曲线图
- 格式:docx
- 大小:105.37 KB
- 文档页数:5
混凝土强度与温度和龄期增长曲线图我在论坛上看到一个混凝土强度估算方法,不过好像并无具体参考的东西!1、适用范围;本法适用于不掺外加剂在50℃以下正温养护和掺外加剂在30℃以下正温养护的混凝土,亦可用于掺防冻剂的负温混凝土。
本法适用于估算混凝土强度标准值60%以内的强度值。
2、前提条件使用本法估算混凝土强度,需要用实际工程使用的混凝土原材料和配合比,制作不少于5组混凝土立方体试件,在标准条件下养护的1、2、3、7、28d的强度值。
使用本法同时需取的现场养护混凝土的温度实测资料(温度、时间)。
3、用估算法估算混凝土强度的步骤:1)用标准养护试件1~7d龄期强度数据,经回归分析拟合成下列形式曲线方程:f=aeb/D (1)式中f——混凝土立方体抗压强度(N/mm2);D——混凝土养护龄期(d);a、b——参数。
2)根据现场实测混凝土养护温度资料,用下式计算已达到的等效龄期(相当于20℃标准养护的时间)。
t=ΣαT·tT(2)式中t——等效龄期(d);αT——温度为T℃时的等效系数,按下表使用;tT——温度为T℃的持续时间(h)。
3)以等效龄期t代替D带入公式(1)可算出强度。
等效系数αT温度等效温度系数αT温度等效温度系数αT温度等效温度系数αT 50 3.16 28 1.45 6 0.4349 3.07 27 1.39 5 0.4048 2.97 26 1.33 4 0.3747 2.88 25 1.27 3 0.3546 2.80 24 1.22 2 0.3245 2.71 23 1.16 1 0.3044 2.62 22 1.11 0 0.2743 2.54 21 1.05 1 0.2542 2.46 20 1.00 -2 0.2341 2.38 19 0.95 -3 0.2140 2.30 18 0.91 -4 0.2039 2.22 17 0.86 -5 0.1838 2.14 16 0.81 -6 0.1637 2.07 15 0.77 -7 0.1536 1.99 14 0.73 -8 0.1435 1.92 13 0.68 -9 0.1334 1.85 12 0.64 -10 0.1233 1.78 11 0.61 -11 0.1132 1.71 10 0.57 -12 0.1131 1.65 9 0.53 -13 0.1030 1.58 8 0.50 -14 0.1029 1.52 7 0.46 -15 0.09一、普通混凝土达到1.2N/mm2强度所需龄期参考对照表外界温度℃水泥品种及强度等级混凝土强度等级期限(h)外界温度℃水泥品种及强度等级混凝土强度等级期限(h)1-5℃普通42.5C15 4810-15℃普通42.5C15 24C20 44 C20 201-5℃矿渣32.5C15 6010-15℃矿渣32.5C15 32 C20 50 C20 245-10℃普通42.5 C15 3215℃以上普通42.5C15 20以下C20 28 C20 20以下5-10矿渣32.5C15 4015℃以上矿渣32.5C15 20 C20 32 C20 20注:水灰比:采用普通水泥为0.65-0.8;采用矿渣水泥为0.56-0.68。
混凝土强度与温度和龄期增长曲线图1、适用范围;本法适用于不掺外加剂在50℃以下正温养护和掺外加剂在30℃以下正温养护的混凝土,亦可用于掺防冻剂的负温混凝土。
本法适用于估算混凝土强度标准值60%以内的强度值。
2、前提条件使用本法估算混凝土强度,需要用实际工程使用的混凝土原材料和配合比,制作不少于5组混凝土立方体试件,在标准条件下养护的1、2、3、7、28d的强度值。
使用本法同时需取的现场养护混凝土的温度实测资料(温度、时间)。
3、用估算法估算混凝土强度的步骤:1)用标准养护试件1~7d龄期强度数据,经回归分析拟合成下列形式曲线方程:f=aeb/D (1)式中f——混凝土立方体抗压强度(N/mm2);D——混凝土养护龄期(d);a、b——参数。
2)根据现场实测混凝土养护温度资料,用下式计算已达到的等效龄期(相当于20℃标准养护的时间)。
t=ΣαT·tT(2)式中t——等效龄期(d);αT——温度为T℃时的等效系数,按下表使用;tT——温度为T℃的持续时间(h)。
3)以等效龄期t代替D带入公式(1)可算出强度。
等效系数αT温度等效温度系数αT温度等效温度系数αT温度等效温度系数αT50 3.16 28 1.45 6 0.4349 3.07 27 1.39 5 0.4048 2.97 26 1.33 4 0.3747 2.88 25 1.27 3 0.3546 2.80 24 1.22 2 0.3245 2.71 23 1.16 1 0.3044 2.62 22 1.11 0 0.2743 2.54 21 1.05 1 0.2542 2.46 20 1.00 -2 0.2341 2.38 19 0.95 -3 0.2140 2.30 18 0.91 -4 0.2039 2.22 17 0.86 -5 0.1838 2.14 16 0.81 -6 0.1637 2.07 15 0.77 -7 0.1536 1.99 14 0.73 -8 0.1435 1.92 13 0.68 -9 0.1334 1.85 12 0.64 -10 0.1233 1.78 11 0.61 -11 0.1132 1.71 10 0.57 -12 0.1131 1.65 9 0.53 -13 0.1030 1.58 8 0.50 -14 0.1029 1.52 7 0.46 -15 0.09 中国温度带的划分及依据高原气候区:主要是青藏高原热带季风区:分布范围小,主要是广东南部和云南南部亚热带季风性湿润气候:从南岭到秦岭淮河一线,以横断山为界温带季风气候:以大兴安岭,贺兰山为界的东部中国温度带中国采取积温来划分温度带,当日平均气温稳定升到10℃以上时,大多数农作物才能活跃生长,所以通常把日平均气温连续≥10℃的天数叫生长期。
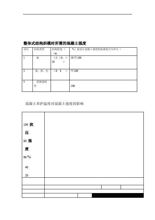
整体式结构拆模时所需的混凝土强度混凝土养护温度对混凝土强度的影响0 3 7 14 21 28龄期二、自然养护条件下不同温度与龄期的混凝土强度参考百分率(%)水泥品种和强度硬化龄期/d混凝土硬化时的平均温度/℃1 5 10 15 20 25 30 3532.5级普通水泥2 --19 25 30 35 40 453 14 20 25 32 37 43 48 52 5 24 30 36 44 50 57 63 66 7 32 40 46 54 62 68 73 76 10 42 50 58 66 74 78 82 86 15 52 63 71 80 88 ---28 68 78 86 94 100 ---32.5级矿渣水泥、火山灰质水泥2 ---15 18 24 30 353 --11 17 22 26 32 38 5 12 17 22 28 34 39 44 52 7 18 24 32 38 45 50 55 63 10 25 34 44 52 58 63 67 75 15 32 46 57 67 74 80 86 92 28 48 64 83 92 100 ---注:本表自然养护指在露天温度(+5℃以上)条件下,混凝土表面进行覆盖,浇水养护或在结构平面上使混凝土在潮湿条件下,强度正常发展的养护工艺。
钢筋下料长度计算钢筋因弯曲或弯钩会使其长度变化,在配料中不能直接根据图纸中尺寸下料;必须了解对混凝土保护层、钢筋弯曲、弯钩等规定,再根据图中尺寸计算其下料长度。
各种钢筋下料长度计算如下:直钢筋下料长度=构件长度-保护层厚度+弯钩增加长度弯起钢筋下料长度=直段长度+斜段长度-弯曲调整值+弯钩增加长度箍筋下料长度=箍筋周长+箍筋调整值上述钢筋需要搭接的话,还应增加钢筋搭接长度。
下料长度:是按钢筋弯曲后的中心线长度来计算的,因为弯曲后该长度不会发生变化。
外包标注:简图尽寸或设计图中注明的尺寸不包括端头弯钩长度,它是根据构件尺寸、钢筋形状及保护层的厚度等按外包尺寸进行标注的,他有几种不同的标注方法,具体见下图。
混泥土强度与温度的关系曲线22-5-4 混凝土强度估算1.在冬期施工中,需要及时了解混凝土强度的发展情况。
例如当采用蓄热养护工艺时,混凝土冷却至0℃前是否已达到抗冻临界强度;当采用人工加热养护时,在停止加热前混凝土是否已达到预定的强度;当采用综合养护时,混凝土的预养时间是否足够等。
在施工现场留置同条件养护试件做抗压强度试验,固然可以解决一部分问题,但所做试件很难与结构物保持相同的温度,因此代表性较差。
又由于模板未拆,也不能使用任何非破损方法进行测试。
因此,运用计算的方法对混凝土强度进行估计或预测是很有实用价值的。
2.用普通硅酸盐水泥和矿渣硅酸盐水泥拌制的混凝土,在各种养护温度下的强度增长率分别如图22-22和图22-23。
图22-22 用普通硅酸盐水泥拌制的混凝土图22-23 用矿渣硅酸盐水泥拌制的混凝土3.用普通硅酸盐水泥和矿渣硅酸盐水泥拌制并掺有早强减水剂的混凝土,在各种养护温度下的强度增长率分别如图22-24和图22-25。
图22-24 用普通水泥拌制并掺有早强减水剂的混凝土图22-25 用矿渣水泥拌制并掺有早强减水剂的混凝土4.采用负温混凝土工艺,用普通硅酸盐水泥和矿渣硅酸盐水泥拌制,并掺有适量防冻剂的混凝土,在负温条件下的强度增长率分别如图22-26和图22-27。
图22-26 用普通硅酸盐水泥拌制并掺有防冻剂的混凝土图22-27 用矿渣硅酸盐水泥拌制并掺有防冻剂的混凝土5.当混凝土的养护温度为一变量时,混凝土的强度可用成熟度的方法来估算。
其原理是:相同配合比的混凝土,在不同的温度、时间下养护,只在成熟度相等,其强度大致相同。
计算方法如下:(1)适用范围本法适用于不掺外加剂在50℃以下正温养护和掺外加剂在30℃以下正温养护的混凝土,亦可用于掺防冻剂的负温混凝土。
本法适用于估算混凝土强度标准值60%以内的强度值。
(2)前提条件使用本法估算混凝土强度,需要用实际工程使用的混凝土原材料和配合比,制作不少于5组混凝土立方体标准试件,在标准条件下养护,得出1、2、3、7、28d 的强度值。
混凝土强度与温度和龄期增长曲线图我在论坛上看到一个混凝土强度估算方法,不过好像并无具体参考的东西!1、适用范围;本法适用于不掺外加剂在50℃以下正温养护和掺外加剂在30℃以下正温养护的混凝土,亦可用于掺防冻剂的负温混凝土。
本法适用于估算混凝土强度标准值60%以内的强度值。
2、前提条件使用本法估算混凝土强度,需要用实际工程使用的混凝土原材料和配合比,制作不少于5组混凝土立方体试件,在标准条件下养护的1、2、3、7、28d的强度值。
使用本法同时需取的现场养护混凝土的温度实测资料(温度、时间)。
3、用估算法估算混凝土强度的步骤:1)用标准养护试件1~7d龄期强度数据,经回归分析拟合成下列形式曲线方程:f=aeb/D (1)式中f——混凝土立方体抗压强度(N/mm2);D——混凝土养护龄期(d);a、b——参数。
2)根据现场实测混凝土养护温度资料,用下式计算已达到的等效龄期(相当于20℃标准养护的时间)。
t=ΣαT·tT(2)式中t——等效龄期(d);αT——温度为T℃时的等效系数,按下表使用;tT——温度为T℃的持续时间(h)。
3)以等效龄期t代替D带入公式(1)可算出强度。
等效系数αT温度等效温度系数αT温度等效温度系数αT温度等效温度系数αT 50 3.16 28 1.45 6 0.4349 3.07 27 1.39 5 0.4048 2.97 26 1.33 4 0.3747 2.88 25 1.27 3 0.3546 2.80 24 1.22 2 0.3245 2.71 23 1.16 1 0.3044 2.62 22 1.11 0 0.2743 2.54 21 1.05 1 0.2542 2.46 20 1.00 -2 0.2341 2.38 19 0.95 -3 0.2140 2.30 18 0.91 -4 0.2039 2.22 17 0.86 -5 0.1838 2.14 16 0.81 -6 0.1637 2.07 15 0.77 -7 0.1536 1.99 14 0.73 -8 0.1435 1.92 13 0.68 -9 0.1334 1.85 12 0.64 -10 0.1233 1.78 11 0.61 -11 0.1132 1.71 10 0.57 -12 0.1131 1.65 9 0.53 -13 0.1030 1.58 8 0.50 -14 0.1029 1.52 7 0.46 -15 0.09一、普通混凝土达到1.2N/mm2强度所需龄期参考对照表注:水灰比:采用普通水泥为0.65-0.8;采用矿渣水泥为0.56-0.68。
混凝土强度与温度和龄期增长曲线图组混凝土立方体试件,在标准条件下养护的1、2、3、7、28d的强度值。
3、用估算法估算混凝土强度的步骤:1) 用标准养护试件1~7d龄期强度数据,经回归分析拟合成下列形式曲线方程:f=aeb/D 式中f—-混凝土立方体抗压强度(N/mm2);D—-混凝土养护龄期(d);a、b-—参数。
2)根据现场实测混凝土养护温度资料,用下式计算已达到的等效龄期(相当于20℃标准养护的时间)。
t=ΣαT·tT(2)式中t-- 等效龄期(d);αT—-温度为T℃时的等效系数,按下表使用;tT——温度为T℃的持续时间(h)。
3)以等效龄期t代替D带入公式(1)可算出强度。
等效系数αT温度等效温度系数αT温度等效温度系数αT温度等效温度系数αT50 3。
16 28 1。
45 6 0。
4349 3。
07 27 1。
39 5 0。
4048 2。
97 26 1。
33 4 0.3747 2。
88 25 1.27 3 0。
3546 2。
80 24 1。
22 2 0。
3245 2。
71 23 1。
16 1 0.3044 2.62 22 1。
11 0 0。
2743 2.54 21 1。
05 1 0。
2542 2。
46 20 1。
00 —2 0。
2341 2。
38 19 0。
95 -3 0。
2140 2.30 18 0。
91 -4 0。
2039 2。
22 17 0.86 —5 0.1838 2。
14 16 0。
81 —6 0.1637 2.07 15 0.77 —7 0。
1536 1。
99 14 0.73 —8 0。
1435 1.92 13 0。
68 -9 0.1334 1。
85 12 0。
64 -10 0。
1233 1。
78 11 0。
61 —11 0.1132 1。
71 10 0。
57 —12 0。
1131 1。
65 9 0。
53 —13 0.1030 1.58 8 0.50 —14 0.1029 1。
混凝土强度与温度和龄期增长曲线图我在论坛上看到一个混凝土强度估算方法,不过好像并无具体参考的东西!1、适用范围;本法适用于不掺外加剂在50℃以下正温养护和掺外加剂在30℃以下正温养护的混凝土,亦可用于掺防冻剂的负温混凝土。
本法适用于估算混凝土强度标准值60%以内的强度值。
2、前提条件使用本法估算混凝土强度,需要用实际工程使用的混凝土原材料和配合比,制作不少于5组混凝土立方体试件,在标准条件下养护的1、2、3、7、28d的强度值。
使用本法同时需取的现场养护混凝土的温度实测资料(温度、时间)。
一、普通混凝土达到1.2N/mm2强度所需龄期参考对照表注:水灰比:采用普通水泥为0.65-0.8;采用矿渣水泥为0.56-0.68。
二、自然养护条件下不同温度与龄期的混凝土强度参考百分率(%)水泥品种和强度硬化龄期/d混凝土硬化时的平均温度/℃1 5 10 15 20 25 30 3532.5级普通水泥2 --19 25 30 35 40 453 14 20 25 32 37 43 48 52 5 24 30 36 44 50 57 63 66 7 32 40 46 54 62 68 73 76 10 42 50 58 66 74 78 82 86 15 52 63 71 80 88 ---28 68 78 86 94 100 ---32.5级矿渣水泥、火山灰质水泥2 ---15 18 24 30 353 --11 17 22 26 32 38 5 12 17 22 28 34 39 44 52 7 18 24 32 38 45 50 55 63 10 25 34 44 52 58 63 67 75 15 32 46 57 67 74 80 86 92 28 48 64 83 92 100 ---注:本表自然养护指在露天温度(+5℃以上)条件下,混凝土表面进行覆盖,浇水养护或在结构平面上使混凝土在潮湿条件下,强度正常发展的养护工艺。
整体式结构拆模时所需的混凝土强度混凝土养护温度对混凝土强度的影响龄期0 3 7 14 2128.二、自然养护条件下不同温度与龄期的混凝土强度参考百分率(%)硬化水泥品种混凝土硬化时的平均温度/℃龄期和强度10 15 20 5 1 25 30 35/d45 35 25 19 30 32.5级 2 40 --普通水泥52 14 43 48 20 25 332 3766 50 44 63 24 5 36 30 5776 54 73 7 46 40 68 32 6286 58 50 74 42 78 10 66 82- 88 80 63 --15 71 52-- 78 100 -86 2868 9435 -18 - 2 级32.5 24 -30 15矿渣水泥、38 -17 3 32 -26 11 22 火山灰质水52 28 539 17 44 12 22 34泥63 724 38 50 32 18 45 5575 34 10 52 63 44 67 25 5892 46 80 15 57 67 32 74 86-83-28 -100924864注:本表自然养护指在露天温度(+5℃以上)条件下,混凝土表面进行覆盖,浇水养护或在结构平面上使混凝土在潮湿条件下,强度正常发展的养护工艺。
钢筋下料长度计算钢筋因弯曲或弯钩会使其长度变化,在配料中不能直接根据图纸中尺寸下料;必须了解对混凝土保护层、钢筋弯曲、弯钩等规定,再根据图中尺寸计算其下料长度。
各种钢筋下料长度计算如下:直钢筋下料长度=构件长度-保护层厚度+弯钩增加长度弯起钢筋下料长度=直段长度+斜段长度-弯曲调整值+弯钩增加长度箍筋下料长度=箍筋周长+箍筋调整值上述钢筋需要搭接的话,还应增加钢筋搭接长度。
下料长度:是按钢筋弯曲后的中心线长度来计算的,因为弯曲后该长度不会发生变化。
外包标注:简图尽寸或设计图中注明的尺寸不包括端头弯钩长度,它是根据构件尺寸、钢筋形状及保护层的厚度等按外包尺寸进行标注的,他有几种不同的标注方法,具体见下图。
混凝土强度与温度和龄期增长曲线图组混凝土立方体试件,在标准条件下养护的1、2、3、7、28d的强度值。
3、用估算法估算混凝土强度的步骤:1)用标准养护试件1~7d龄期强度数据,经回归分析拟合成下列形式曲线方程:f=aeb/D 式中f-—混凝土立方体抗压强度(N/mm2);D——混凝土养护龄期(d);a、b-—参数。
2)根据现场实测混凝土养护温度资料,用下式计算已达到的等效龄期(相当于20℃标准养护的时间)。
t=ΣαT·tT(2)式中t-—等效龄期(d);αT——温度为T℃时的等效系数,按下表使用;tT——温度为T℃的持续时间(h)。
3)以等效龄期t代替D带入公式(1)可算出强度。
等效系数αT温度等效温度系数αT温度等效温度系数αT温度等效温度系数αT50 3.16 28 1.45 6 0。
4349 3。
07 27 1。
39 5 0。
4048 2。
97 26 1。
33 4 0。
3747 2。
88 25 1。
27 3 0.3546 2.80 24 1。
22 2 0。
3245 2.71 23 1.16 1 0。
3044 2。
62 22 1。
11 0 0。
2743 2.54 21 1。
05 1 0.2542 2。
46 20 1。
00 —2 0。
2341 2.38 19 0.95 —3 0.2140 2.30 18 0。
91 —4 0.2039 2.22 17 0.86 -5 0.1838 2.14 16 0。
81 —6 0。
1637 2。
07 15 0。
77 -7 0。
1536 1。
99 14 0。
73 —8 0。
1435 1。
92 13 0.68 -9 0。
1334 1。
85 12 0。
64 -10 0.1233 1。
78 11 0。
61 -11 0.1132 1.71 10 0。
57 —12 0.1131 1。
65 9 0.53 —13 0.1030 1。
58 8 0。
50 —14 0.1029 1。
混凝土强度与温龄期增长曲线图————————————————————————————————作者:————————————————————————————————日期:混凝土强度与温度和龄期增长曲线图我在论坛上看到一个混凝土强度估算方法,不过好像并无具体参考的东西!1、适用范围;本法适用于不掺外加剂在50℃以下正温养护和掺外加剂在30℃以下正温养护的混凝土,亦可用于掺防冻剂的负温混凝土。
本法适用于估算混凝土强度标准值60%以内的强度值。
2、前提条件使用本法估算混凝土强度,需要用实际工程使用的混凝土原材料和配合比,制作不少于5组混凝土立方体试件,在标准条件下养护的1、2、3、7、28d的强度值。
使用本法同时需取的现场养护混凝土的温度实测资料(温度、时间)。
一、普通混凝土达到1.2N/mm2强度所需龄期参考对照表外界温度℃水泥品种及强度等级混凝土强度等级期限(h)外界温度℃水泥品种及强度等级混凝土强度等级期限(h)1-5℃普通42.5C15 4810-15℃普通42.5C15 24C20 44 C20 201-5℃矿渣32.5C15 6010-15℃矿渣32.5C15 32 C20 50 C20 245-10℃普通42.5 C15 3215℃以上普通42.5C15 20以下C20 28 C20 20以下5-10矿渣32.5C15 4015℃以上矿渣32.5C15 20 C20 32 C20 20注:水灰比:采用普通水泥为0.65-0.8;采用矿渣水泥为0.56-0.68。
二、自然养护条件下不同温度与龄期的混凝土强度参考百分率(%)水泥品种和强度硬化龄期/d混凝土硬化时的平均温度/℃1 5 10 15 20 25 30 3532.5级普通水泥2 --19 25 30 35 40 453 14 20 25 32 37 43 48 52 5 24 30 36 44 50 57 63 66 7 32 40 46 54 62 68 73 76 10 42 50 58 66 74 78 82 86 15 52 63 71 80 88 ---28 68 78 86 94 100 ---32.5级矿渣水泥、火山灰质水泥2 ---15 18 24 30 353 --11 17 22 26 32 38 5 12 17 22 28 34 39 44 52 7 18 24 32 38 45 50 55 63 10 25 34 44 52 58 63 67 75 15 32 46 57 67 74 80 86 92 28 48 64 83 92 100 ---注:本表自然养护指在露天温度(+5℃以上)条件下,混凝土表面进行覆盖,浇水养护或在结构平面上使混凝土在潮湿条件下,强度正常发展的养护工艺。
混凝土强度与温度和龄期增长曲线图组混凝土立方体试件,在标准条件下养护的1、2、3、7、28d的强度值。
3、用估算法估算混凝土强度的步骤:1)用标准养护试件1~7d龄期强度数据,经回归分析拟合成下列形式曲线方程:f=aeb/D 式中f——混凝土立方体抗压强度(N/mm2);D——混凝土养护龄期(d);a、b——参数。
2)根据现场实测混凝土养护温度资料,用下式计算已达到的等效龄期(相当于20℃标准养护的时间)。
t=ΣαT·tT(2)式中t——等效龄期(d);αT——温度为T℃时的等效系数,按下表使用;tT——温度为T℃的持续时间(h)。
3)以等效龄期t代替D带入公式(1)可算出强度。
等效系数αT温度等效温度系数αT温度等效温度系数αT温度等效温度系数αT50 3.16 28 1.45 6 0.4349 3.07 27 1.39 5 0.4048 2.97 26 1.33 4 0.3747 2.88 25 1.27 3 0.3546 2.80 24 1.22 2 0.3245 2.71 23 1.16 1 0.3044 2.62 22 1.11 0 0.2743 2.54 21 1.05 1 0.2542 2.46 20 1.00 -2 0.2341 2.38 19 0.95 -3 0.2140 2.30 18 0.91 -4 0.2039 2.22 17 0.86 -5 0.1838 2.14 16 0.81 -6 0.1637 2.07 15 0.77 -7 0.1536 1.99 14 0.73 -8 0.1435 1.92 13 0.68 -9 0.1334 1.85 12 0.64 -10 0.1233 1.78 11 0.61 -11 0.1132 1.71 10 0.57 -12 0.1131 1.65 9 0.53 -13 0.1030 1.58 8 0.50 -14 0.1029 1.52 7 0.46 -15 0.09一、普通混凝土达到1.2N/mm2强度所需龄期参考对照表注:水灰比:采用普通水泥为0.65-0.8;采用矿渣水泥为0.56-0.68。
混凝土强度与温度和龄期增长曲线图我在论坛上看到一个混凝土强度估算方法,不过好像并无具体参考的东西!1、适用范围;本法适用于不掺外加剂在50℃以下正温养护和掺外加剂在30℃以下正温养护的混凝土,亦可用于掺防冻剂的负温混凝土。
本法适用于估算混凝土强度标准值60%以内的强度值。
2、前提条件使用本法估算混凝土强度,需要用实际工程使用的混凝土原材料和配合比,制作不少于5组混凝土立方体试件,在标准条件下养护的1、2、3、7、28d的强度值。
使用本法同时需取的现场养护混凝土的温度实测资料(温度、时间)。
3、用估算法估算混凝土强度的步骤:1)用标准养护试件1~7d龄期强度数据,经回归分析拟合成下列形式曲线方程:f=aeb/D (1)式中f——混凝土立方体抗压强度(N/mm2);D——混凝土养护龄期(d);a、b——参数。
2)根据现场实测混凝土养护温度资料,用下式计算已达到的等效龄期(相当于20℃标准养护的时间)。
t=ΣαT·tT(2)式中t——等效龄期(d);αT——温度为T℃时的等效系数,按下表使用;tT——温度为T℃的持续时间(h)。
3)以等效龄期t代替D带入公式(1)可算出强度。
等效系数αT温度等效温度系数αT温度等效温度系数αT温度等效温度系数αT 50 3.16 28 1.45 6 0.4349 3.07 27 1.39 5 0.4048 2.97 26 1.33 4 0.3747 2.88 25 1.27 3 0.3546 2.80 24 1.22 2 0.3245 2.71 23 1.16 1 0.3044 2.62 22 1.11 0 0.2743 2.54 21 1.05 1 0.2542 2.46 20 1.00 -2 0.2341 2.38 19 0.95 -3 0.2140 2.30 18 0.91 -4 0.2039 2.22 17 0.86 -5 0.1838 2.14 16 0.81 -6 0.1637 2.07 15 0.77 -7 0.1536 1.99 14 0.73 -8 0.1435 1.92 13 0.68 -9 0.1334 1.85 12 0.64 -10 0.1233 1.78 11 0.61 -11 0.1132 1.71 10 0.57 -12 0.1131 1.65 9 0.53 -13 0.1030 1.58 8 0.50 -14 0.1029 1.52 7 0.46 -15 0.09一、普通混凝土达到1.2N/mm2强度所需龄期参考对照表注:水灰比:采用普通水泥为0.65-0.8;采用矿渣水泥为0.56-0.68。
混凝土强度与温度和龄期增长曲线图组混凝土立方体试件,在标准条件下养护的1、2、3、7、28d的强度值。
3、用估算法估算混凝土强度的步骤:1)用标准养护试件1~7d龄期强度数据,经回归分析拟合成下列形式曲线方程:f=aeb/D 式中f——混凝土立方体抗压强度(N/mm2);D——混凝土养护龄期(d);a、b——参数。
2)根据现场实测混凝土养护温度资料,用下式计算已达到的等效龄期(相当于20℃标准养护的时间)。
t=ΣαT·tT(2)式中t——等效龄期(d);αT——温度为T℃时的等效系数,按下表使用;tT——温度为T℃的持续时间(h)。
3)以等效龄期t代替D带入公式(1)可算出强度。
等效系数αT温度等效温度系数αT温度等效温度系数αT温度等效温度系数αT50 3.16 28 1.45 6 0.4349 3.07 27 1.39 5 0.4048 2.97 26 1.33 4 0.3747 2.88 25 1.27 3 0.3546 2.80 24 1.22 2 0.3245 2.71 23 1.16 1 0.3044 2.62 22 1.11 0 0.2743 2.54 21 1.05 1 0.2542 2.46 20 1.00 -2 0.2341 2.38 19 0.95 -3 0.2140 2.30 18 0.91 -4 0.2039 2.22 17 0.86 -5 0.1838 2.14 16 0.81 -6 0.1637 2.07 15 0.77 -7 0.1536 1.99 14 0.73 -8 0.1435 1.92 13 0.68 -9 0.1334 1.85 12 0.64 -10 0.1233 1.78 11 0.61 -11 0.1132 1.71 10 0.57 -12 0.1131 1.65 9 0.53 -13 0.1030 1.58 8 0.50 -14 0.1029 1.52 7 0.46 -15 0.09一、普通混凝土达到1.2N/mm2强度所需龄期参考对照表注:水灰比:采用普通水泥为0.65-0.8;采用矿渣水泥为0.56-0.68。
混凝土强度与温度和龄期增长曲线图我在论坛上看到一个混凝土强度估算方法,不过好像并无具体参考的东西!1、适用范围;本法适用于不掺外加剂在50℃以下正温养护和掺外加剂在30℃以下正温养护的混凝土,亦可用于掺防冻剂的负温混凝土。
本法适用于估算混凝土强度标准值60%以内的强度值。
2、前提条件使用本法估算混凝土强度,需要用实际工程使用的混凝土原材料和配合比,制作不少于5组混凝土立方体试件,在标准条件下养护的1、2、3、7、28d的强度值。
使用本法同时需取的现场养护混凝土的温度实测资料(温度、时间)。
3、用估算法估算混凝土强度的步骤:1)用标准养护试件1~7d龄期强度数据,经回归分析拟合成下列形式曲线方程:f=aeb/D (1)式中f——混凝土立方体抗压强度(N/mm2);D——混凝土养护龄期(d);a、b——参数。
2)根据现场实测混凝土养护温度资料,用下式计算已达到的等效龄期(相当于20℃标准养护的时间)。
t=ΣαT·tT(2)式中t——等效龄期(d);αT——温度为T℃时的等效系数,按下表使用;tT——温度为T℃的持续时间(h)。
3)以等效龄期t代替D带入公式(1)可算出强度。
等效系数αT温度等效温度系数αT温度等效温度系数αT温度等效温度系数αT 50 3.16 28 1.45 6 0.4349 3.07 27 1.39 5 0.4048 2.97 26 1.33 4 0.3747 2.88 25 1.27 3 0.3546 2.80 24 1.22 2 0.3245 2.71 23 1.16 1 0.3044 2.62 22 1.11 0 0.2743 2.54 21 1.05 1 0.2542 2.46 20 1.00 -2 0.2341 2.38 19 0.95 -3 0.2140 2.30 18 0.91 -4 0.2039 2.22 17 0.86 -5 0.1838 2.14 16 0.81 -6 0.1637 2.07 15 0.77 -7 0.1536 1.99 14 0.73 -8 0.1435 1.92 13 0.68 -9 0.1334 1.85 12 0.64 -10 0.1233 1.78 11 0.61 -11 0.1132 1.71 10 0.57 -12 0.1131 1.65 9 0.53 -13 0.1030 1.58 8 0.50 -14 0.1029 1.52 7 0.46 -15 0.09一、普通混凝土达到1.2N/mm2强度所需龄期参考对照表注:水灰比:采用普通水泥为0.65-0.8;采用矿渣水泥为0.56-0.68。
混凝土强度与温度和龄期增长曲线图
组混凝土立方体试件,在标准条件下养护的1、 2、 3、 7、28d 的强度值。
3、用估算法估算混凝土强度的步骤:
f=aeb/D 1)用标准养护试件1~7d 龄期强度数据,经回归分析拟合成下列形式曲线方程:
式中 f——混凝土立方体抗压强度(N/mm2 );
D——混凝土养护龄期(d);
a、b——参数。
2)根据现场实测混凝土养护温度资料,用下式计算已达到的等效龄期(相当于20℃标准养护的时间)。
t=Σα T·(tT2)
式中 t——等效龄期( d);
α T——温度为 T℃时的等效系数,按下表使用;
tT ——温度为 T ℃的持续时间( h)。
3)以等效龄期t 代替 D 带入公式( 1)可算出强度。
等效系数αT
温度等效温度系数αT温度等效温度系数αT温度等效温度系数αT
50 3.1628 1.4560.43
49 3.0727 1.3950.40
48 2.9726 1.3340.37
47 2.8825 1.2730.35
46 2.8024 1.2220.32
45 2.7123 1.1610.30
44 2.6222 1.1100.27
43 2.5421 1.0510.25
42 2.4620 1.00-20.23
41 2.38190.95-30.21
40 2.30180.91-40.20
39 2.22170.86-50.18
38 2.14160.81-60.16
37 2.07150.77-70.15
36 1.99140.73-80.14
35 1.92130.68-90.13
34 1.85120.64-100.12
33 1.78110.61-110.11
32 1.71100.57-120.11
31 1.6590.53-130.10
30 1.5880.50-140.10
29 1.5270.46-150.09
一、普通混凝土达到 1.2N/mm2强度所需龄期参考对照表
外界水泥品种混凝土期限外界水泥品种及混凝土期限温度℃及强度等强度等(h)温度℃强度等级强度等(h)级级级
C1548C1524 1-5 ℃普通42.5
10-15 ℃普通 42.5
C2044C2020
C1560C1532 1-5 ℃矿渣32.510-15 ℃矿渣 32.5
C2050C2024
C1532C1520 以下5-10 ℃普通 42.515℃普通42.5
以上
C2028C2020 以下
C1540C1520 5-1015℃
矿渣 32.5以上矿渣 32.5
C2032C2020注:水灰比 :采用普通水泥为0.65-0.8 ;采用矿渣水泥为 0.56-0.68 。
二、自然养护条件下不同温度与龄期的混凝土强度参考百分率
(%)
水泥品种硬化混凝土硬化时的平均温度/ ℃
和强度龄期 1 5101520253035
/d
32.5 级2--192530354045普通水泥31420253237434852 52430364450576366
73240465462687376
104250586674788286
155263718088---
2868788694100---32.5 级2---1518243035矿渣水泥、3--111722263238火山灰质水 51217222834394452泥71824323845505563 102534445258636775
153246576774808692
2848648392100---注:本表自然养护指在露天温度(+5℃以上)条件下,混凝土表面进行覆盖,
浇水养护或在结构平面上使混凝土在潮湿条件下,强度正常发展的养护工艺。
三、温度、龄期对混凝土强度影响参考曲线图
温度、龄期与混凝土强度关系综合参考图
(a)32. 5 级水泥混凝土早期强度龄期参考曲
线
(b)32.5 级水泥混凝土早期强度龄期参考曲线。