混凝土试块标准养护室记录
- 格式:doc
- 大小:29.50 KB
- 文档页数:1
标准养护试块
标准养护试块是指按照相关标准要求制备的混凝土试块,用于评定混凝土的养
护质量和强度。
养护试块的制备和养护对于混凝土的质量和工程安全具有重要意义。
本文将就标准养护试块的制备、养护和质量控制进行详细介绍。
首先,标准养护试块的制备需要严格按照相关标准操作。
在制备试块的过程中,应选用符合要求的模具,并在模具内部进行充分润湿,以防止混凝土粘附在模具上。
在混凝土的搅拌、浇筑和压实过程中,应保证混凝土的均匀性和密实性,避免出现空隙和孔洞。
制备完成后,应在规定的时间内将试块标记清晰,并进行养护。
其次,养护试块的养护环境对试块的强度和质量具有重要影响。
在试块制备后,应立即将其放置在养护室内或其他养护设施中,保持试块表面湿润。
养护环境的温度和湿度应符合相关标准要求,避免温度过高或过低以及干燥情况的出现。
在养护过程中,应定期检查试块的养护情况,及时补充水分并保持试块表面的湿润。
最后,对于养护试块的质量控制需要严格执行。
在试块制备和养护过程中,应
进行记录和监测,包括试块的标记、制备时间、养护时间、环境温湿度等信息。
同时,应定期对试块进行抽检,进行强度试验和质量评定。
对于不合格的试块,应及时进行记录并进行原因分析,以便进行改进和措施调整。
综上所述,标准养护试块的制备、养护和质量控制是保证混凝土质量和工程安
全的重要环节。
只有严格按照相关标准要求进行操作,并进行有效的质量控制,才能保证养护试块的质量和可靠性。
希望本文能对相关人员在实际工作中有所帮助,提高对标准养护试块制备和养护的重视和认识。
混凝土试块怎么养护?
一、标准养护试块
试块拆模编号后,随即将试块放在标准养护室内(室温2 0 + 3 ,相对湿度:9 0 %以下)养护至试压龄期(一般为2 8 天或按设计要求). 标准养护室试块宜放在铁架或木架上养护,彼此之间的距离至少为3 - 5 c m.另外,蒸汽养护的混凝土结构构件的试块应随同结构构件养护后,再转入标准条件下养护。
二、同条件试块
现场施工作为检验拆模强度或吊装强度等的试块,应在与构件养护条件相同的环境下养护。
同条件养护试件拆模后,放置在靠近相应结构构件适当位置,采取与构件相同的养护方法。
1。
混凝土试块标准养护温度一、温度范围混凝土试块的养护温度应控制在20℃±2℃的范围内。
这个温度范围是为了保证混凝土试块正常硬化和强度增长。
二、湿度范围混凝土试块的养护湿度应保持在95%以上。
湿度的保持对于混凝土试块的硬化和强度增长至关重要,湿度过低会使试块产生干裂。
三、养护时间混凝土试块的养护时间根据不同试验需求而定,但一般不少于28天。
在标准养护条件下,混凝土试块应达到设计强度后方可进行试验。
四、测定频率在养护期间,应定期对养护室的温度和湿度进行检查和记录。
建议每天早晚各记录一次温度和湿度值,以确保养护条件的稳定。
五、温度记录在混凝土试块养护期间,应对每个试块的温度进行实时记录。
温度记录可以帮助我们了解试块的硬化过程和强度增长情况。
六、温度分布在标准养护室中,应确保温度分布均匀,以避免试块之间的温度差异过大。
温度差异可能导致试块硬化不均匀,影响试验结果的准确性。
七、温度波动养护室的温度应保持相对稳定,避免大幅度波动。
温度波动会影响试块的硬化和强度增长,因此在操作过程中应尽量避免。
八、湿度保持在标准养护室中,湿度的保持同样重要。
湿度过低会使试块产生干裂,影响试验结果。
因此,应定期检查和记录湿度值,以确保其保持在95%以上。
九、设备要求为了实现稳定的温度和湿度条件,需要使用专业的标准养护设备。
这些设备应具备自动控制和调节功能,能够保持恒定的温度和湿度,并且具有良好的密封性能。
十、试块放置混凝土试块应在标准养护设备的试块架上整齐放置,确保每个试块都有足够的空间进行硬化和强度增长。
同时,应避免试块之间相互接触,以免影响温度和湿度的均匀分布。
按照国标或者地方资料软件表格要求,当施工大体积混凝土或冬季施工时必须进行测温.温度控制指标及测温频率:温度监控指标如下:内外温差:小于25℃;降温速度:小于1~℃/d;揭开保温层时的温差:小于15℃.监测周期与频率如下:混凝土浇筑初凝前:每测一次;混凝土浇筑结束后12h:每2h 测一次;混凝土浇筑结束后24h:每4h 测一次;混凝土浇筑结束后72h:每8h 测一次;混凝土浇筑结束后15d:每24h 测一次;当内外温差小于15℃时 ,停止测温.如果同条件的混凝土测温不到600c°是很正常的,在60天送检就可以了同条件养护试块不必作混凝土测温,在现场上如果对大体积混凝土作测温也不是用同条件试块的.进入养护室的就不是同条件养护了.所以,同条件养护试块只记录混凝土构件附近的气象温度,而不记录混凝土试块本身的温度.PART 1:测温记录C2—6—12冬季施工时,应进行搅拌测温包括现场搅拌、并记录.混凝土冬施搅拌测温记录包括大气温度、温度、出罐温度、人模温度等.测温的具体要求应有书面技术交底,执行人必须按照规定操作.签字完毕后交归档.“现场搅拌或商品混凝土”字样填人“备注”栏.表格中各温度值需标注.13.测温记录表C2—6—131混凝土的冬期施工应符合国家现行标准建筑工程冬期施工规程 JGJl04和方案的规定.2测温起止时间指室外连续5d低于5~C时起,至室外日平均气温连续5d高于5~C冬施结束;掺加的混凝土未达到临界强度4MPa之前每隔2h测量一次,达到抗冻临界强度4MPa且温度变化正常,测温间隔时间可由2h调整为6h.3混凝土冬施养护测温应先绘制测温点标明具体,包括测温点的部位、深度等.测温记录应包括大气温度、各测温孔的实测温度、同一时间测得的各测温孔的平均温度和间隔时间等.此外还应进行计算本次、累计.表格中各温度值需标注正负号.4测温的项目、测温次数和测温孔设置按要求执行现行有关标准规定. 14.养护测温记录大体积混凝土施工应对人模时大气温度、各测温孔温度、内外和裂缝进行检查和记录.大体积混凝土养护测温应附测温点布置图,包括测温点的布置部位、深度等.表格中各温度值需标注正负号.PART2:5、冬期施工混凝土的测温工作混凝土冬期施工测温在离建筑物10m以外,距地面高度,通风条件较好的地方安装规格不小于300300400的白色百叶箱.测温孔位置的选择,选择在温度变化大、容易散失热量的部位、易于遭受冻结的部位,西北部或前阴的地方应多设置,测温孔的口不迎风设置,且临时封闭.结构测孔的设置1 梁包括简支撑与连接梁:梁上测温孔应垂直的,孔深为梁高的1/3至1/2处.2 现浇:每根构造柱下端设一个测温孔.3 底板:底板测温孔布置按纵横方向不大于5m间距布置,每间房间面积不大于20m2对可设一个测温孔, 测温孔垂直于,孔深为板厚的1/3至1/2.4 :墙厚为20cm及20cm以内时,单面设置测温孔,孔深为墙厚的1/2;当墙厚大于20cm时,双面设置测温孔,孔深为墙厚的1/3,并不小于10cm测温孔与板面成30度倾斜角.大面积墙面测温孔按纵横方向均不大于5m 的间距布置;每块墙面的面积小于20m2时,每面可设一个测温孔.砼拌合物测温:对于已搅拌好的砼,要经常检查砼出罐和入模温度每班不少于4次要求砼或砂浆出罐温度不低于10℃,入模温度不低于5℃. 新浇砼结构和构件的测温:预埋测温管:砼浇筑完在未覆盖前,要预埋测温管,具体预埋的位置和数量,要事先绘出测温点布置图,每个测温点要做好编号.测温次数控制:砼浇筑完及时测一次温度做为第一次测温,以后每2小时测一次,连测三天,三天后改为每4小时测一次早8:00、晚8:00、夜2:00至砼温度0℃为终结.混凝土搅拌、养护测温记录冬季混凝土施工时,应进行搅拌和养护测记录;混凝土冬施搅拌测温记录应包括大气温度、原材料温度、出罐温度、入模温度等;混凝土冬施养护测温应先绘画制测温点布置图,包括测温点的部位、深度等.测温记录应包括大气温度、各测温实测温度、同一时间测得的各测温孔的平均温度和间隔时间等.大体积混凝土养护测温记录大体积混凝土施工应对入模时大气温度、各测温孔温度、内外温差和裂缝进行检查和记录.大体积混凝土养护测温应附测温点布图,包括测温点的布置、深度等. 测温要求1 在测时,按测孔编号顺序进行,插入测温孔后,堵塞住孔口,留置在孔内3-5分钟后进行读数;2 混凝土出罐、浇注及入模温度每一工作班不应少于4次;3 当采用蓄热法养护时,其间每6小时测量一次;4 掺用防冻剂混凝土,在强度未达到以前,每2小时测1次,以后每6小时测一次;5 冬期施工有室外大气测;6 采用成熟度法预估混凝土强度.。
现场砼标准养护室设置方案1 编制目的为加强对施工质量的全面管理,强化结构工程质量控制,根据《混凝土结构工程施工质量验收规范》以及新版标养室管理制度要求,特制定本方案。
2 标准养护室技术要求2。
1 标准养护室的温度控制范围为20℃±2℃,相对湿度控制在95%以上。
2.2 养护室应配备温湿度计,每天专人记录2次。
2.3 室内设有试块放置架,试块放在架子上的间隔为10—20mm。
2.4 养护水必须雾化,不能用水直接冲淋试件。
2。
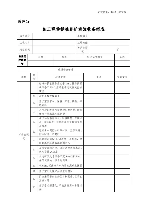
5 现场养护室面积不小于15㎡.现场设置的标养室,应经施工单位技术负责人和项目总监理工程师检查验收,确认符合相关规定,填写《建设工程施工现场混凝土试件标养室验收备案表》(见附件)后方可使用。
3 养护室具体设置方案3。
1 现场养护室结构、尺寸混凝土标准养护室整体分为养护室、设备工具间和室外操作棚。
(1)养护室:边长3000×3000,用于放置试块放置架、空调机和雾化器等.(2)设备工具间:边长1500×3000,放置恒温恒湿自动控制仪、办公桌及试块操作工具。
(3)室外操作间:为了便于混凝土的运入及残余混凝土的清扫,本操作间采用开放式设置,四周设钢柱,顶棚为彩钢板。
可布置工作台、振动台等。
工作台为120砖砌筑,上铺100厚钢筋砼盖板,抹水泥砂浆面层一道.现场养护室平面布置图如下所示,各工地根据现场情况可作调整:3.2 养护室内部布置养护室三面沿墙布置(除去了有门的墙)试块放置架,中间设置1个,两个相邻放置架之间为不少于600宽走道。
水雾化设备可置于试块放置架顶部,空调机挂置于墙上。
在养护室两对角线方向分别设置一个温度计和湿度计试块放置架加工:每段养护架尺寸长度沿墙长,长约2—3m,高1.7m,宽0.55m.架体四角立柱与每层边框均采用50×50角钢或Φ25钢筋焊接,每层中间横向铺设Φ10@100与边框焊接,刷防锈漆2道.试块放置架(养护架)加工图如下所示: 4 养护室设备配置及试验工具配置5 养护室注意事项(1)养护室应有明显的用电安全警示标识。
混凝土标准养护室一、混凝土标准养护室概述:1、混凝土标准养护室是一种具备特定温度和湿度,用于存放混凝土试块、水泥试块、砂浆、保温材料、涂料、结构胶等一切建筑材料的房间。
2、为与国际接轨,国家建设部和国家质量监督检验检疫总局联合发布了“中华人民共和国国家标准GB/T50081—2002《普通混凝土力学性能试验方法标准》”,新标准对原标准中标准养护室的温度和湿度提出了更高的要求,由原来的温度20±3℃,湿度为90%以上的标准养护室,修订为与ISO试验方法一致的温度20±2℃,湿度为95%以上的标准养护室。
二、混凝土标准养护室规范要求1、根据采用标准养护的试块,应在温度为20±5℃的环境中静置一昼夜至二昼夜,然后编号、拆模。
拆模后应立即放入温度为20±2℃,相对湿度95%以上的标准养护室中养护。
2、混凝土标准养护室内的试件应放在支架上,试件间距至少保持10~20mm,试件表面应保持潮湿,并不得被水直接冲淋。
标准养护期龄为28d。
3、每个试件都必须标有样本编号标签,如发现温度、湿度出现异常,应立即采取措施,并上报负责人及作好记录,实验人员在标准养护室的停留时间不宜过长,特别是与外界温差较大时。
三、混凝土标准养护室技术要求1、混凝土标准养护室的温度标准为20±2℃,相对湿度标准为95%以上,室内温湿度均匀性应满足上述要求;2、室内应该设有试件放置架,试件放在架子上彼此间距至少保持10~20mm,3、无论采用哪种加湿装置,必须保证喷出的水是雾化状态,不能将水直接浇淋在试件上。
四、计量用标准器具1、温湿度频谱仪2、温湿度巡检表五、计量检验方法1、用直接观测检查应符合:试件放在架子上且彼此间距至少保持在10~20mm,必须保证喷出的水是雾化状态,不能将水直接浇淋在试件上2、用通风干湿球温度计测量标养室各点温湿度,每隔2小时测量一次,共测8次;3、测点布置如下:在实际使用范围之内,至少应布置五个测点,即按室内上下两条对角线设置测点,室内一个转角处设一点,两个对角线交点设一个测点。
结构构件混凝土试块同条件养护留置方案2020年5月20日一、工程概况根据施工现场总布置,标样室设置在施工现场东南角,距A12#楼工程约9米左右,便于结构施工时,对现场进场的混凝土及时进行坍落度测试和试块制作,方便了将试块送入养护室进行养护,养护室采用自动温湿控制仪控制,保证养护室内标准温湿度。
其留置的同条件试块,转入建筑物内同一留置部位放置。
同条件试块的铁笼制作式样如右图所示:二、结构构件砼强度等级各单栋工程现浇钢筋混凝土构件砼强度等级设计要求:1)、基础结构序号部位结构参数混凝土强度等级备注1 基础独立承台、基础梁、底板250mm C30 S6抗渗2 垫层厚度:150mm C153 外墙厚度:250mm、300mm、350 mm C30 S6抗渗4 内柱400×400、450×450、500×500等C30抗渗5 梁板框架梁:250×400、200×400等板厚:130mm、120mm、100㎜C30抗渗、一层面2)、主体结构3)、附属结构构造柱、过梁、楼层挡水坎等的混凝土强度等级为C20;本各单栋工程的混凝土全部采用商品砼。
三、管理同条件养护试块的责任人员1、同条件养护试块的取样、制作、养护和标识由王繁负责。
2、同条件养护试块的技术资料、送检及每天的测温记录由周敏负责。
四、同条件养护试块的留置部位依照上下交通和养护方便,不影响施工生产和同条件养护砼试块不被破坏前提下,各单栋楼层同条件养护砼试块放在以下部位:一、基础底板、承台、梁:A12#、A11#楼 C轴上:6~8轴区域;A10#、A9#楼 D轴上:10~12轴区域。
二、±0.000以上:A12#、A11#楼G轴上:5~7轴区域;A10#、A9#楼H轴上:6~8轴区域;C1#楼2轴上:E~F轴区域。
五、构件各混凝土强度等级同条件养护试块的制作要求一、各单栋工程每次浇混凝土前王繁全面负责,邀请监理、甲方代表依照配合比通知单(开盘)的要求,检查是否相符,并对进场混凝土进行坍落度测试。
现场标养室管理制度1、根据国家规范规定砂浆试块、混凝土试块应在标准条件下进行28天的养护,才能测定强度。
2、标准养护室安装自动控温控湿设备,保持温度20±2℃,相对湿度95%以上。
3、标养室内加湿装置必须保证喷出的水是雾化状态,不能用水直接淋刷试件。
每周一次清理蓄水池,保证喷淋水的清洁。
4、标养室每天由专人负责进行温度和湿度的记录,当发现温度、湿度超差时,应及时进行调整,以确保满足标养条件的要求。
5、标养试块注明试件编号、强度等级、制作日期,制作不规范或编号不符合要求的试件不能收入标养室。
6、标养室的试件必须按制模日期放置放在架子上,100×100×100mm 砼试件间距为10-20mm,150×150×150mm砼试件间距为30-50mm。
7、进入标养室的人员应注意安全,出入关好养护室的门,以保持标养室的温湿度。
8、要经常检查标准养护室的仪表、设备、温湿度计、喷淋管、排水设施及电路等,以确保安全和正常使用。
9、遇停电、节假日应有专人值班负责记录。
混凝土振动台操作规程1.在运转前应检查机器是否正常,如有故障应立即断开电源查找原因。
2.振动台在振实过程中,混凝土试件必须紧固在振动台上。
按规定将试模内砼震平至翻浆为止3.所需振实试件应相对称地放置在台面上,使负荷平衡。
4.在每次用毕后,及时断开电源,随即将振动台上(台面及架台)的残留水泥清除干净。
5.振动台轴承应经常检查,并定期拆洗,更换润滑油,使轴承保持良好的润滑,延长振动台的使用寿命。
6.振动台应有可靠的接地线,确保安全。
7.在搬移振动台时必须断开电源,切勿摔砸。
Welcome !!! 欢迎您的下载,资料仅供参考!。
精心整理
混凝土标准养护室
一、混凝土标准养护室概述:
1、混凝土标准养护室是一种具备特定温度和湿度,用于存放混凝土试块、水泥试块、砂浆、保温材料、涂料、结构胶等一切建筑材
2
室,
二、混凝土标准养护室规范要求
1、根据采用标准养护的试块,应在温度为20±5℃的环境中静置一昼夜至二昼夜,然后编号、拆模。
拆模后应立即放入温度为20±2℃,相对湿度95%以上的标准养护室中
3、无论采用哪种加湿装置,必须保证喷出的水是雾化状态,不能将水直接浇淋在试件上。
四、计量用标准器具
1、温湿度频谱仪
2、温湿度巡检表
五、计量检验方法
1、用直接观测检查应符合:试件放在架子上且彼此间距至少保持在10~20mm,必须保证喷出的水是雾化状态,
八、混凝土标准养护室新技术新设备:
1、随着技术的发展,砼养护室设备已经实现了系统化,智能化,自动化:混凝土养护室恒温恒湿智能控制仪设备专用于混凝土试件、水泥试体的标准养护,在公路交通、铁路、桥梁、公民建筑、水利、水电、科研单位有着广泛的用途和较大的推广价值。
2、混凝土养护室恒温恒湿智能控制仪符合国家GB/T50081-2002《普通混凝土力学性能试验方法标准》:确保养护室温度恒定在20℃±2℃、相对湿度95%RH以上。
(2.1)该设备最突出的优点是采用本公司的专利技术:环行管道微孔送风和“F”
6、送风与回风系统
十、混凝土标准养护室新设备技术参数:
室外主机
雾化过程中雾化效果。
混凝土试块的保存和加速养护标准一、前言混凝土试块的保存和加速养护对于保证混凝土工程质量具有至关重要的作用。
本文旨在提供一个全面的、具体的、详细的标准,以帮助保证混凝土试块的保存和加速养护质量。
二、混凝土试块的保存标准1.保存时间混凝土试块应在模具内露天养护24小时,然后立即拆模,试块养护期应按以下规定执行:(1)常规养护试块:养护期为7天、14天、28天;(2)加速养护试块:养护期为3天、5天、7天。
2.保存环境混凝土试块应在室内环境下保存,保证试块的温度和湿度稳定。
保存室内的温度应控制在20℃±2℃,相对湿度应控制在60%~80%之间。
3.保存方法(1)混凝土试块应放置在平整、干燥的试块架上,试块架应与地面保持一定距离,以避免试块受潮;(2)试块架应保持清洁干燥,不得有灰尘和杂物;(3)试块应按养护期顺序摆放,试块上不得叠放其他试块或其他物品;(4)试块应有标识,标识应包括试块编号、试块尺寸、试块养护期等信息。
三、混凝土试块的加速养护标准1.加速养护试块的制备(1)试块模具的选用:应选用密封性好、结构牢固、尺寸准确的试块模具;(2)试块配料:应按照设计配合比、掺合料种类和掺量、水泥品种等要求配制混凝土;(3)试块制备:试块应在振捣机上振捣,振捣次数应按规定执行;试块制备后应在模具内露天养护24小时,然后立即拆模。
2.加速养护试块的养护方法(1)试块养护室的选用:应选用密闭、结构牢固、保温性好的试块养护室;(2)养护试块的温度和湿度控制:试块养护室的温度应控制在50℃±2℃,相对湿度应控制在95%以上;(3)试块养护期的控制:加速养护试块应在试块养护室中养护,养护期为3天、5天、7天;(4)试块养护室的维护:试块养护室应保持清洁干燥,不得有灰尘和杂物,养护室的温度和湿度应稳定。
四、混凝土试块的质量检验1.试块外观检查(1)试块表面应平整、光滑,在试块表面出现裂缝、空鼓、麻面等缺陷时,应视为不合格试块;(2)试块边角应整齐,无毛刺、碎边,试块边角的长度误差应在±2mm 以内。
标准养护
标准养护系指试块在温度为20±3℃、相对湿度在90%以上的环境中养护。
当无标准养护室时,混凝土试件可在温度为20±3℃的不流动水中养护。
水的PH值不应小于7。
在标准条件下养护28天的强度,作为混凝土强度验收评定的依据。
同条件养护系指试块和构件在同样温度、湿度环境下进行养护,作为构件的拆模、出池、出厂、吊装、张拉、放张、临时负荷和继续施工及结构验收的依据。
同条件养护试件应在达到等效养护龄期时进行强度试验,等效养护龄期可取按日平均温度逐日累计达到600℃.d时所对应的龄期,0℃及以下温度不计入;等效养护龄期不应小于14天,也不宜大于60天。