三元地理水法
- 格式:doc
- 大小:96.00 KB
- 文档页数:7
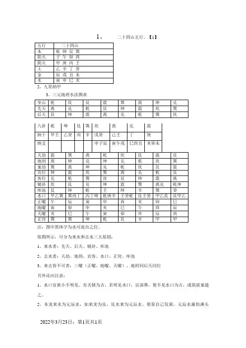
三元地理水法(总6页)--本页仅作为文档封面,使用时请直接删除即可----内页可以根据需求调整合适字体及大小--龙门八局诀窍与克应(有称三元地理水法)如坐离卦宅,曜煞为离猪(亥山)震山猴(申山)乾馬(午山),则逢太岁年为乙亥、壬申、庚午等等发凶,年月配曜煞成三合,如亥卯未、申子辰、寅午戌者。
●先天水、後天水、中天水乃地理水法之根本大法,切莫等闲视之。
●乾坤震巽四卦山,宜收左边水朝堂,而後归右边窍位流去大吉。
●坎离艮兑四卦山,宜收右边水朝堂,而後归左边窍位流去大吉。
●消亡败绝之水,风水之大忌1、「消」先天破後天也,共有八局。
旺人丁而破财,为穷秀才之格。
2、「亡」後天破先天也,共有八局。
丁绝败旺女口,招赘领养。
*五、龙门八局水法吉凶断补遗一、犯劫杀~是指该宫出现山石巉岩,恶石嶙峋,破碎斜等况。
主血光之灾、重者死亡,或令人生奇难杂症。
曜杀损、见天地病。
二、收先天水,长来者主出丁、兴旺、多贤;收後天水,长来者主大发财。
来长去远皆润泽者,谓之财丁贵全备之水。
正水口出,且於案前堂面曲流而出,主应出贵。
流破先天水,损男丁、不易得男、难养多病。
商店人气涣、生意欠佳。
流破後天水,居者破财、不平安。
易损财而烦恼、劳心劳力。
三、天劫称药碗水,又名曜母。
该方有电线杆、庙宇、屋角、大树、烟囱、水塔、路冲、桥箭来射或天劫水過堂(收天劫水),家有長期病人、家宅不安或損人口、頭痛、血光、癆疾、出狂人。
天运吊冲必应验於年某月。
水流向天劫方而出,称为出煞,是吉象。
四、地刑称为补药汤,又名为曜子。
该方有电线杆、庙宇、屋角、大树、烟囱、水塔、路冲、桥箭来射或地刑方有水来去时,家有病妇、易犯官司、诉讼。
钱多花在看病补身。
五、案劫称为明堂,朱雀位即向也。
明堂宜清不宜杂乱,否则家中会不和睦、不平安。
明堂有栏杆、屋角、大树、井、石磨、墙角、屋宇,流年逢之,必应验病痛、血光、损丁、官讼;明堂有水路反弓,必出逆子,家人也较无情。
堂前有巷道或小空地,叫朱雀开口,家人较会闹意见,吵架。
三合地理水法地理五诀》之二十四向---向向發微壬山丙向子山午向:一、壬山丙向子山午向,右水倒左,從向上“丙”字出,不犯“午”字,且百步轉欄,合水局胎向胎方去水,謂之出煞,不作沖胎論。
主大富大貴,人丁興旺但內中間有壽短者,出幼婦寡居,若非龍真穴的,葬後不敗即絕,不可輕遷。
若是左水倒右出“丙午”方,即為生來破旺,有丁無財,貧如範丹。
二、壬山丙向子山午向,左水倒右出“丁未”方,為木局自旺向,名“惟有衰方可去來”,發福發貴,壽高丁旺。
三、壬山丙向子山午向,左水倒右“坤申”方,犯短命寡宿水,男人壽短,必出寡居五六人,敗產乏嗣,犯泌尿系統及下焦腹部疾病。
四、壬山丙向子山午向,左水倒右出“庚酉”方,犯短命寡宿水,男人壽短,必出寡居三四人,敗產乏嗣。
初年間亦有稍利者,先傷三門,有丁無財,得功名即失血夭亡,福祿壽不能齊全,患大腸、口唇、腎髒疾病。
五、壬山丙向子山午向,左水倒右出“辛戌”方,為火局正旺向,名“三合联珠貴無價”,合楊公救貧進神水法,玉帶纏腰金城水法,大富大貴,人丁大旺忠孝賢良,男女壽高,房房皆發無異,發福綿遠,若得旺山肥滿,旺水朝聚,富比石崇。
六、壬山丙向子山午向,左水倒右出“乾亥”方,名“過宮水”,為情過而亢太公八十過文王,即此水法,初年有丁壽而無財,水不歸庫故也。
七、壬山丙向子山午向,左水倒右出“壬子”方,衝破胎神,主墜胎傷人,初年丁財稍利,久則敗絕,此亦名“過宮水”,有壽而無財,水不歸库故也。
八、壬山丙向子山午向,右水倒左出“癸丑”方,衝破向上養位,主傷小兒,敗財乏嗣,犯退神沐浴不立向。
九、壬山丙向子山午向,右水倒左出“艮寅”方,為旺去沖生,雖有財而何為小兒難養,十有九絕。
先敗長房,次及別門。
十、壬山丙向子山午向,右水倒左從“甲”字沐浴方出,名“祿存流盡佩金魚”富貴雙全,人丁兴旺,犯“寅卯”二字,非淫即絕。
謹用。
十一、壬山丙向子山午向,右水倒左從“乙辰”方出,流破向上冠帶,主傷年幼聰明之子,並閨中幼婦少女,退敗產業,久則絕嗣。
上中下三元水法解(1)上元:甲子甲戌二十年:一白为统帅星,六白催官,九紫生旺。
此二十年内,一白方来水,六白九紫上出水,乃合正旺之局。
若一白上出水,为冲破令星,一白运内必伤丁致败。
甲申甲午二十年:二黑为主令星,七赤催官,八白为生旺。
凡水口出七赤八白上大发财禄。
水口出二黑为冲破令星,二黑运中主损丁退败。
甲辰甲寅二十年:三碧为主令星,七赤上出水为生旺水,八白上出水为催官水,均主大发。
三碧上出水,冲破令星必主家败。
(2)中元:甲子甲戌二十年:四绿为主令星,六白方出水为生旺,九紫上出水为催官,四绿上出水主大败。
甲申甲午二十年:五黄为主令星。
甲申十年归四绿管,甲午十年归六白管。
五黄方在四绿运也不能出水,只能让五黄方来水。
甲午十年以六白为主令星,六上来水吉,六五方出水亦主衰败。
甲辰甲寅二十年:六白为主令星,六白上来水吉,四一上出水富贵之家。
(3)下元:甲子甲戌二十年:七赤星值令,七上来水好,七上出水大败。
二黑方出水为催官,三碧位出水为生旺。
甲申甲午二十年:八白星当令,三碧上出水催官,二黑上出水催财。
忌八白上出水,八白方来水绕堂出二三上乃吉。
甲辰甲寅二十年:九紫当令,四一为催旺水,宜为出水口,九紫方宜来水绕堂。
忌九紫出水,如冲破令星则丧丁。
水口挨星与运的关系重视出水口挨星与运的关系,是大玄空独特的思维方法。
玄空根基中河图之“共宗、同道”及洛书“合十”的关系,指的就是水口挨星与运的联系。
如二宅出水口挨星是二黑(零神)时,从1984年开始到2003年二十年间主名气,即二黑星与七运构成了“二七共道”关系。
水口挨星是三碧,在1984年至2003年间,三碧星与七运构成了“三七合十”关系,在七运中就主财旺。
当然也应配合峦头形势分析,向上有秀峰或有蛾眉、眼弓案山者,断升官或有名气之事,或出大学生就更验。
当出水口之玄屈曲而去或水口关拦有情,堂前不倾跌太低,水归一处而出,断七运财很佳也非常准确。
在七运中,去水口虽不是催官(二黑)及催财(三碧)零神,但只要是零神,财运都不会很差。
三元地理立向与收水法则一、三元地理立向与收水法则:(一)单向:1、父亲与母亲交媾法则:子午卯酉向收乾坤艮巽来水。
乾坤艮巽向收子午卯酉来水。
2、儿子与媳妇相交法则:乙辛丁癸向收寅申巳亥来水。
寅申巳亥向收乙辛丁癸来水。
3、女儿与女婿交口法则:甲庚壬丙向收辰戌丑未来水。
辰戌丑未向收甲庚壬丙来水。
(二)兼卦原则:1、子午卯酉兼乙辛丁癸向可收乾坤艮巽兼寅申巳亥来水。
(父兼子立局,父与母、子与媳阴阳交媾,即:天元龙与人元龙交媾)2、乙辛丁癸兼子午卯酉向可收寅申巳亥兼乾坤艮巽来水。
(子兼父立局,子与媳、父与母阴阳交媾,即:人元龙与天元龙交媾)3、辰戌丑未兼乾坤艮巽向可收甲庚丙壬兼子午卯酉来水。
(女兼母立局,女与婿、母与父阴阳交媾,即:地元龙与天元龙交媾)法则:立向收水切忌冲与破。
冲阴损婆,冲阳损伤公。
伤一字少丁、伤两字祸全。
水神流破犯阴阳之损,要慎之又慎!二、论四神:四神者,生成之谓也。
即:阳以相阴,阴以合阳之秘旨!1、八卦之大四神:四正顺起,四维逆起;2、二十四山小四神:四正找四维,四维找四正。
二十四山配六亲阴阳:四正卦为阳坎卦三山:子父癸子壬女婿,离卦三山:午父丁子丙女婿,震卦三山:卯父乙子甲女婿,兑卦三山:酉父辛子庚女婿;四维卦为阴:坤卦三山:坤母未女申媳妇,乾卦三山:乾母戌女亥媳妇,艮卦三山:艮母丑女寅媳妇,巽卦三山:巽母辰女巳媳妇注:如能大运临四正子午卯酉之阳,坐山用四隅之阴,水挨于四正之阳,向立四隅之阴。
例如:上元一运甲子:子1龙来(四正),立乾6山(四隅),巽4向(四隅),午9水来(四正)。
龙与山一六同宗四位阴阳合配,向与来水四九为友经四位阴阳合配。
经曰:“山上两神,水上两神,共路两神为夫妇”:龙与山,向与水,必须尽合生成之数,才能获全福,如向与水合生成数,而龙与山不是合生成之数,可催财而不旺丁,反之,龙与山合生成之数,而向与水不合生成之数,只能催丁不旺财。
此为来水主财禄,山主人丁之秘旨!例如:酉7龙来,立乾6山巽4向,午9来水,则龙7与山6反阴阳交媾,也能小旺人丁,向4与来水合生成,催财!点击添加图片描述(最多60个字)三、合五、合十、合十五经曰:“前头走过五里山,遇着宾主相交接。
龍門八局訣竅與剋應(有稱三元地理水法)如坐離卦宅,曜煞為離豬(亥山)震山猴(申山)乾馬(午山),則逢太歲年為乙亥、壬申、庚午等等發凶,年月配曜煞成三合,如亥卯未、申子辰、寅午戌者。
正竅不适用時權用。
●最佳出煞位。
考慮兄弟房分的補救。
代竅放水,只發財丁,不應貴秀。
此時貴秀要察合「24山九星或三元水法」應用。
凡出水口沖樹頭竹頭,主目疾。
內堂竅位水口必無遮障,以利出煞,否則傷目。
●乾坤震巽四卦山,宜收左邊水朝堂,而後歸右邊竅位流去大吉。
●坎離艮兌四卦山,宜收右邊水朝堂,而後歸左邊竅位流去大吉。
●消亡敗絕之水,風水之大忌1、「消」先天破後天也,共有八局。
旺人丁而破財,為窮秀才之格。
2、「亡」後天破先天也,共有八局。
丁絕敗旺女口,招贅領養。
*五、龍門八局水法吉凶斷補遺一、犯劫殺~是指該宮出現山石巉巖,惡石嶙峋,破碎斜等況。
主血光之災、重者死亡,或令人生奇難雜症。
曜殺損、見天地病。
二、收先天水,長來者主出丁、興旺、多賢;收後天水,長來者主大發財。
來長去遠皆潤澤者,謂之財丁貴全備之水。
正水口出,且於案前堂面曲流而出,主應出貴。
流破先天水,損男丁、不易得男、難養多病。
商店人氣渙、生意欠佳。
流破後天水,居者破財、不平安。
易損財而煩惱、勞心勞力。
三、天劫稱藥碗水,又名曜母。
該方有電線桿、廟宇、屋角、大樹、煙囪、水塔、路沖、橋箭來射或天劫水過堂(收天劫水),家有長期病人、家宅不安或損人口、頭痛、血光、癆疾、出狂人。
天運吊沖必應驗於年某月。
水流向天劫方而出,稱為出煞,是吉象。
四、地刑稱為補藥湯,又名為曜子。
該方有電線桿、廟宇、屋角、大樹、煙囪、水塔、路沖、橋箭來射或地刑方有水來去時,家有病婦、易犯官司、訴訟。
錢多花在看病補身。
五、案劫稱為明堂,朱雀位即向也。
明堂宜清不宜雜亂,否則家中會不和睦、不平安。
明堂有欄杆、屋角、大樹、井、石磨、牆角、屋宇,流年逢之,必應驗病痛、血光、損丁、官訟;明堂有水路反弓,必出逆子,家人也較無情。
三元水法的学习与运用三元水法相信好多网友都想学习,不过又仿佛很高深,弄不懂。
现与大家一同分享。
1、天生位。
先看屋宅坐山属于后天何卦,该卦在天生八卦居何方向,此方向就是此屋的天生位。
如上表“三元地理水法表”中坐山“乾”位,属乾卦(戌乾亥),天生八卦地点乾卦在在南方,南方丙午丁(一卦管三山)来水为天生水。
依据三元地理水法表,看下边八卦图,了如指掌推出后边的天生来水。
天生水主人丁,假如有水从该方向流过堂前(如乾山巽向,巽前),该宅就旺男丁。
假如从堂前自天生位流出,则反断。
2、后天位先看屋宅坐山属于后天何卦,该卦位在天生八卦属于何卦,寻其在后天八卦之方向,此方向就是此屋的后天位。
例:坐山“乾”,后天属乾卦,后天八卦乾位是天生八卦艮,艮方(丑艮寅)来水为后天水。
如“坎”,后天坎卦属北方地点,坎卦北方地点在天生属坤,在后天坤方(未坤申)来水为后天水。
后天位来水仿佛有点别扭,不过多了一个转点。
依据此方法能够看八卦图推出后边的。
后天主妻财,假如有水从该方向流过堂前(如乾山巽向,巽前),该宅就旺妻、旺财,或许因妻致富。
假如从堂前自后天位流出,则反断。
3、宾位、客位朝向的天生之卦位,换成后天的方向就是此屋的宾位。
例:坐向乾,天生八卦与之相对应的是坤卦,后天坤卦位(未坤申)即宾位。
坐向坤,坤在天生八卦与之相对应的卦位是乾卦,后天乾卦位(戌乾亥)即宾位。
后天八卦向位所在的天生卦,换成后天方向为客位。
例:坐位乾,乾卦的向位是巽,巽位的天生卦是兑,兑卦的后天方向是西方(庚酉辛)即客位。
坐位坤,坤卦向位为艮,艮位的天生卦为震,震的后天方向为甲卯乙,即客位。
来宾水主应女口,外姓后代及驿客,租房之房客、养子,嫁出之女儿、女婿,或招赘之女婿等,非直系血统者,皆为来宾。
只合用于家中无男丁,主男丁退败,利女性利外姓不利本姓,主本姓凋落,切勿乱用。
4、天劫、地刑天劫位:坐山卦位的天生卦,天生卦的后天地点,后天地点的天生卦。
例:坐山乾,乾卦位的天生卦是艮,后天艮位的天生卦是震,震(甲卯乙)是天劫位。
杨公三元地理风水》真传(三)一六同宗坤艮水,二七同道巽坎火。
(指先天八卦与洛书)三八为朋离震木,四九为友兑乾金。
(指先天八卦与洛书)一六合配坎乾水,二七合配坤兑火。
(指后天八卦与洛书)三八合配震艮木,四九合配巽离金。
(指后天八卦与洛书)三元风水第一大理:论三元正夫妇交媾(正交主催贵、催官)壬戌癸亥子乾谋,申辛坤酉未庚求;丙辰巽午丁已媾,艮卯寅乙丑甲流;以龙交坐向交口,定为三元祖地有。
河图生成数:1 6 水、2 7 火、3 8 木、4 9 金、5 10 土属夫妇正交组合。
说明:“祖地”为发人丁,分大祖(几仟上万人)、中祖(几百上仟人)、小祖(几十人到上百人)。
如来龙:壬龙,立戌山辰向;癸龙,立亥山已向;子龙,立乾山巽向等。
例:亥 6 龙来,立癸 1 山丁向,同是人元龙,即:16 合正交。
卯 3 龙来,立艮 8 山坤向,同是天元龙,即:38 合正交。
三元反夫妇交媾(反交主催财,为宫位相邻组合)壬丑子艮癸寅良,甲辰卯巽乙巳芳。
丙未午坤丁申配,庚戌酉乾辛亥杨。
以龙交坐向口水,定为三元祖宅昌。
说明:壬 1 见丑 8,子 1 见艮 8,癸 1 见寅 8;甲 3 见辰 4,卯3 见巽 4,乙 3 见巳 4;丙 9 见未 2,庚 7 见戌 6 等。
例:某祖宅,丁山癸向兼未丑,艮丑来水,走壬口。
丁山(人元 9)癸(人元 1)向兼未(地元 2)丑,艮(天元 8)丑(地元 8)来水,走壬(地元1)口。
甲癸向中休见艮,艮为黄泉煞。
犯卦!三元先后天夫妇交媾(先后天组合)戌丑乾艮亥寅通,壬未子坤癸申逢。
丑甲艮卯寅乙配,甲丙卯午乙丁中。
辰庚巽酉巳辛交,丙戌午乾丁亥用。
未辰坤巽申巳媾,庚壬酉子辛癸宗。
师傅传与掌诀法,简妙运用变无穷。
三元多少成祖地,变化交媾大妙用!后天八卦:离、巽、震、艮、坤、兑、乾、坎。
戌亥壬甲卯先天八卦:乾、兑、离、震、巽、坎、艮、坤。
丑寅未丑艮三元混合夫妇交媾(用于奇龙怪穴)乙申乾午丙戌通,辛寅巽子甲未逢。
三元水法风水水口图解地理五诀水口什么意思地理五诀》之三合水法指明一、生、旺、墓、养四十八向这四类水相,共四十八局,属于比较理想的水相,又称进神水法吉向。
1、正旺向(生来会旺,正库消水):左水倒右坐丙午------向壬子------水出乙辰(水局)坐壬子------向丙午------水出辛戌(火局)坐庚酉------向甲卯------水出丁未(木局)坐甲卯------向庚酉------水出癸丑(金局)2、自旺向(化死为生,借库消水):左水倒右坐庚酉------向甲卯------水出乙辰(水局)坐甲卯------向庚酉------水出辛戌(火局)坐壬子------向丙午------水出丁未(木局)坐丙午------向壬子------水出癸丑(金局)3、正生向(旺去迎生,正库消水):右水倒左坐艮寅------向坤申------水出乙辰(水局)坐坤申------向艮寅------水出辛戌(火局)坐巽巳------向乾亥------水出丁未(木局)坐乾亥------向巽巳------水出癸丑(金局)4、自生向(绝处逢生,借库消水):右水倒左坐乾亥------向巽巳------水出乙辰(水局)坐巽巳------向乾亥------水出辛戌(火局)坐艮寅------向坤申------水出丁未(木局)坐坤申------向艮寅------水出癸丑(金局)5、正养向(贵人禄马上御街,绝位消水):右水倒左坐癸丑------向丁未------水出巽巳(水局)坐丁未------向癸丑------水出乾亥(火局)坐乙辰------向辛戌------水出坤申(木局)坐辛戌------向乙辰------水出艮寅(金局)6、正墓向(两水夹出正墓向,绝位消水):左水倒右坐辛戌------向乙辰------水出巽巳(水局)坐乙辰------向辛戌------水出乾亥(火局)坐癸丑------向丁未------水出坤申(木局)坐丁未------向癸丑------水出艮寅(金局)二、沐浴消水法二十四向沐浴消水法,名曰:“禄存流尽佩金鱼”即是此也。
三元地理风水要点三僚杨公三元地理真诀(风水文摘)玄空学三元大卦先后天阴阳交媾真法:(一卦管三山)先天艮,后天乾,乾即离,离即震,所以,乾震离三字交媾。
先天坤,后天坎,坎即兑,兑即巽,所以,坎兑巽三字交媾。
先天震,后天艮,艮即乾,乾即离,所以,艮乾离三字交媾。
先天离,后天震,震即艮,艮即乾,所以,震艮乾三字交媾。
先天兑,后天巽,巽即坤,坤即坎,所以,巽坤坎三字交媾。
先天乾,后天离,离即震,震即艮,所以,离震艮三字交媾。
先天巽,后天坤,坤即坎,坎即兑,所以,坤坎兑三字交媾。
先天坎,后天兑,兑即巽,巽即伸,所以,兑巽坤三字交媾。
玄空地学,三元大卦雌雄交媾,一夫一妻正配,最为紧密亲切,经曰:龙合向,向合水,水合三吉位。
(以龙定穴,以水立向.)先天为体,后天为用,所以有玄空诀云:先天来龙,后天立向,或后天来龙,先天立向。
此为玄空立局定向法则之真诀也。
三元大卦原理法则:子午卯酉乾坤艮巽為天元父母卦,乙辛丁癸寅申巳亥為人元順子卦,甲庚丙壬辰戌醜未為地元逆子爻。
三元卦氣為元空大卦之妙用,楊公以此收山出煞,惟有此三卦之用,妙而難言。
訣曰:甲庚丙壬俱是陽,陽從左旋是正宗;乙辛丁癸是屬陰,陰從右路轉相通;乾坤艮巽天然山,水來當面是真龍;寅申巳亥騎龍走,若言有逆則無凶;子午卯酉四位達,究竟橫局可隨從;辰戌醜未必順水,合襟頂龍亦相逢;乙辛丁癸既屬右,辰戌醜未不可兼;甲庚丙壬俱是左,寅申巳亥莫兼同;兼逆有逆始斷吉,兼順見順發無窮;癸丁不能兼子午,午子癸丁不兼用;兼出兼入誰認識,兼左兼右世顓蒙;乙辛丁癸加四墓,甲庚丙壬加四德;世人若知其妙訣,奧秘學問在掌中;若無明師來點撥,費盡心機總成空;橫局著然見逆水,結作之中亦有凶;龍水山向皆合十,合五數十亦當然;識得五十數十訣,妙法自然得相逢;小吉之中不在此,龍水相交結重重;總要立身分左右,分清界水分貪狼;左旋龍水倒右向,若有倒左殺來龍;大膽斷他山不吉,總無遇堂吉後凶;原起定止足四卦,乾午巽子造化宮;丙戌壬辰妙無窮,血脈何恐不在中;一六行龍四九去,三八入脈二七向;龍水既通尋坐向,即在坐向別雌雄;龍水不通論轉氣,轉氣交水吉也同;須要細心從體察,不可妄然斷吉凶;龍配坐山向配水,奇偶數目皆合十;先天後天均可用,其中取出理正通;風水山地天然合,天澤火雷八卦通;子午卯酉配四維,辰戌醜未四墓同;吾師講明三配合,天時地利人和妙;來去會向尋十道,對定天心取正中;陽中有陰陰換陽,俱可借用配雌雄;或有雙局排雙氣,內有左右要兼通;當針發福一當百,有處單針不可用;此訣若然世人識,寶貴榮華在囊中;《竹节赋》乾兑配震巽,长男长女定遭殃。
龙门八局诀窍与克应(有称三元地理水法)【仅供参考】注3:金半圆形︵木长条形∩水波浪形﹋火上尖形▲土扁宽形︹●先天水、後天水、中天水乃地理水法之根本大法,切莫等闲视之。
●乾坤震巽四卦山,宜收左边水朝堂,而後归右边窍位流去大吉。
●坎离艮兑四卦山,宜收右边水朝堂,而後归左边窍位流去大吉。
●消亡败绝之水,风水之大忌1、「消」先天破後天也,共有八局。
旺人丁而破财,为穷秀才之格。
2、「亡」後天破先天也,共有八局。
丁绝败旺女口,招赘领养。
该方有电线杆、庙宇、屋角、大树、烟囱、水塔、路冲、桥箭来射或地刑方有水来去时,家有病妇、易犯官司、诉讼。
钱多花在看病补身。
五、案劫称为明堂,朱雀位即向也。
明堂宜清不宜杂乱,否则家中会不和睦、不平安。
明堂有栏杆、屋角、大树、井、石磨、墙角、屋宇,流年逢之,必应验病痛、血光、损丁、官讼;明堂有水路反弓,必出逆子,家人也较无情。
堂前有巷道或小空地,叫朱雀开口,家人较会闹意见,吵架。
六、曜煞位不可有树木、大石、屋角、围墙、栏杆、水路直冲,若一曜有出病人,二曜有出半颠人,三曜齐必出狂颠人。
曜煞方是树竹属软劫,会生病。
是大石、围墙属硬劫,会受伤。
龙门八大局水法? ?八大局者:先天位水、后天位水、客位水、宾位水、天劫位水、??? 地刑位水、案劫位水、辅卦位水。
??? 先天位水:管人丁,此位来水旺人丁,去水则损丁。
?????????????????????????艮。
??? 坐艮向坤:先天位在干、后天位在震、宾位在坎、客位在巽、天劫位在离、地刑位在兑、案劫位在坤、辅卦位在兑。
??? 坐震向兑:先天位在艮、后天位在离、宾位在巽、客位在坎、天劫位在干、地刑位在坤、案劫位在兑、辅卦位在坤。
??? 坐巽向干:先天位在坤、后天位在兑、宾位在离、客位在艮、天劫位在坎、地刑位在兑、案劫位在干、辅卦位在震。
??? 坐离向坎:先天位在震、后天位在干、宾位在兑、客位在坤、天劫位在艮、地刑位在干、案劫位在坎、辅卦位在巽。
三元水法详解1,一卦统三山;罗盘24山,卦只有八个。
平均分配每卦统三个山。
其分法如下;乾卦山统;戌乾亥。
坎卦山;壬子癸。
艮卦山;丑艮寅。
震卦山;甲卯乙,坤卦山;未坤申。
兑卦山;庚酉辛,巽卦山;辰巽巳。
离卦山;丙午丁。
2,先后天八卦;学习三元水法,必须搞懂先后天八卦。
太极生成八卦未分,太极只是一个圆球,无上下左右之分。
八卦的产生才有了方位。
八卦有先天八卦和后天八卦,【要想了解八卦的产生,请看易经,在此不赘述】先天乾坤两卦居于天地之位,取其中爻互交,则先天乾卦变后天离卦,先天坤卦变后天坎卦。
取离卦之上爻与坎卦之下爻互交,则先天之坎卦变后后天之兑卦。
先天之离变后天之震卦。
取震兑两卦上下爻错交,则先天之兑变后天之巽,先天之震变后天之艮卦。
3.论先天水法;用座山收水,这是三元水法的一大特点,先天水是依座山所属何卦,再看本卦之先天卦属后天八卦之何卦位,则本卦为本座山卦之先天位。
其来水谓之先天水。
先天水主应人丁。
凡阴阳二宅,其先天位有水朝堂主旺男丁。
如水不是由先天来,而是去水,则谓流破先天,主损男丁。
如坎卦局【壬子癸】座坎向离。
坎卦的先位在兑卦的庚酉辛方。
此方来水朝堂及是先天来水。
乾卦局;座乾【戌乾亥】向巽。
则乾卦的先天位在离卦的丙午丁方。
此三方来水及是先天水,去水及是流破先天。
兑卦局;【庚酉辛】座兑向震,兑卦之先天位居后天八卦之巽卦位【辰巽巳】方。
此三方来水即是先天水。
4,论后天水;后天水是依座山之所属卦,再看本卦之后天卦居于先天八卦之何卦位。
则该卦为本座山之后天位。
后天水主应妻,财两项。
凡阴阳二宅,如后天水朝堂主应宅主财旺妻健。
有两点要注意,虽然后天有水,但未朝堂,则无效。
如它方来水流破后天,不但不能旺妻财,反而会使财产耗尽,妇女常患病,或有再婚现象。
各卦的后天位;坎卦未坤申。
乾卦丑艮寅,兑卦壬子癸。
离卦戌乾亥。
震卦丙午丁。
巽卦庚酉辛。
坤卦辰巽巳。
艮卦甲卯乙。
5.论地刑、天劫,案劫位;坎山案劫位在丙午丁。
三元⽔法想了解三元地⽔法,应先从⼀卦管三⼭基础学起,⼀卦管三⼭分别是乾卦戌乾亥、坎卦壬⼦癸、⾉卦丑⾉寅。
震卦甲卯⼄、坤卦未坤申、兑卦庚⾣⾟、巽卦⾠巽巳、离卦丙午丁想了解三元地⽔法,应先从⼀卦管三⼭基础学起,⼀卦管三⼭分别是乾卦戌乾亥、坎卦壬⼦癸、⾉卦丑⾉寅。
震卦甲卯⼄、坤卦未坤申、兑卦庚⾣⾟、巽卦⾠巽巳、离卦丙午丁。
之后要对先后天⼋卦进⾏了解与学习,先后天⼋卦很简单的,易友可以从很多风⽔基础学术书籍中查找得到,卦⽘是以乾坤两卦居于天地之位,之后取其中⽘变互动交,故有先天乾卦变后天离卦,先天坤卦变后天坎卦;⼜要取离卦之上⽘与坎卦之下⽘变动互交,则先天之坎卦变后后天之兑卦,先天之离变后天之震卦;再取震兑两卦上下⽘变动互交,则先天之兑变后天之巽,先天之震变后天之⾉卦;先天坎后天兑、后天坎先天坤、先天兑后天巽、后天兑先天坎、先天巽后天坤、后天巽先天兑、先天坤后天坎、后天坤先天巽、先天乾后天离、后天乾先天⾉、先天离后天震、后天离先天乾、先天震后天⾉、后天震先天离、先天⾉后天乾、后天⾉先天震。
这都是周易卦⽘变动互交的常识,众易友可以⼀下⼦记不起来可以在书本上把先天⼋卦⽅位与后天⼋卦⽅位图画出来,之后两图对⽐就清楚了,很容易的,不⼀定要去了解他动⽘的规律,如想深⼊了解,杨公风⽔救贫教材---阳宅⼀书中的基础也有对周易⼋卦先后天⽅位变⽘的详细提及,易友可以翻书阅读了解。
三元龙门⼋⼤局⽔法先后天详细例举如下:坐卦:坎--------离--------⾉--------坤--------震-------兑--------巽--------乾坐⼭:壬⼦癸、丙午丁、丑⾉寅、未坤申、甲卯⼄、庚⾣⾟、⾠巽巳、戌乾亥先天:庚⾣⾟、甲卯⼄、戌乾亥、壬⼦癸、丑⾉寅、⾠巽巳、未坤申、丙午丁后天:未坤申、戌乾亥、甲卯⼄、⾠巽巳、丙午丁、壬⼦癸、庚⾣⾟、丑⾉寅知道⽅位后,还要知道五⾏及⽣克关系,之后再详细到先天⽔法与后天⽔法的运⽤,三元⽔法是以坐⼭所属⼀卦三⼭来论的,⽐如戌⼭⾠向,坐⼭是戌,戌属于乾卦,所以就以乾卦来收⽔,⽽三元⽔法分先天和后天两种⽔法,先天⽔法是以坐⼭所属卦例来论,也就是⽤坐⼭所属卦例是先天卦属后天⼋卦的什么卦,本卦就为本坐⼭卦之先天位。
龍門八局訣竅與剋應(有稱三元地理水法)如坐離卦宅,曜煞為離豬(亥山)震山猴(申山)乾馬(午山),則逢太歲年為乙亥、壬申、庚午等等發凶,年月配曜煞成三合,如亥卯未、申子辰、寅午戌者。
此時貴秀要「24山九星或三元水法」應●乾坤震巽四卦山,宜收左邊水朝堂,而後歸右邊竅位流去大吉。
五、龍門八局水法吉凶斷補遺一、犯劫殺~是指該宮出現山石巉巖,惡石嶙峋,破碎斜等況。
主血光之災、重者死亡,或令人生奇難雜症。
曜殺損、見天地病。
二、收先天水,長來者主出丁、興旺、多賢;收後天水,長來者主大發財。
來長去遠皆潤澤者,謂之財丁貴全備之水。
正水口出,且於案前堂面曲流而出,主應出貴。
流破先天水,損男丁、不易得男、難養多病。
商店人氣渙、生意欠佳。
流破後天水,居者破財、不平安。
易損財而煩惱、勞心勞力。
三、天劫稱藥碗水,又名曜母。
該方有電線桿、廟宇、屋角、大樹、煙囪、水塔、路沖、橋箭來射或天劫水過堂(收天劫水),家有長期病人、家宅不安或損人口、頭痛、血光、癆疾、出狂人。
天運吊沖必應驗於年某月。
水流向天劫方而出,稱為出煞,是吉象。
四、地刑稱為補藥湯,又名為曜子。
該方有電線桿、廟宇、屋角、大樹、煙囪、水塔、路沖、橋箭來射或地刑方有水來去時,家有病婦、易犯官司、訴訟。
錢多花在看病補身。
五、案劫稱為明堂,朱雀位即向也。
明堂宜清不宜雜亂,否則家中會不和睦、不平安。
明堂有欄杆、屋角、大樹、井、石磨、牆角、屋宇,流年逢之,必應驗病痛、血光、損丁、官訟;明堂有水路反弓,必出逆子,家人也較無情。
堂前有巷道或小空地,叫朱雀開口,家人較會鬧意見,吵架。
六、曜煞位不可有樹木、大石、屋角、圍牆、欄杆、水路直沖,若一曜有出病人,二曜有出半顛人,三曜齊必出狂顛人。
曜煞方是樹竹屬軟劫,會生病。
是大石、圍牆屬硬劫,會受傷。
三元水法详解1,一卦统三山;罗盘24山,卦只有八个。
平均分配每卦统三个山。
其分法如下;乾卦山统;戌乾亥。
坎卦山;壬子癸。
艮卦山;丑艮寅。
震卦山;甲卯乙,坤卦山;未坤申。
兑卦山;庚酉辛,巽卦山;辰巽巳。
离卦山;丙午丁。
2,先后天八卦;学习三元水法,必须搞懂先后天八卦。
太极生成八卦未分,太极只是一个圆球,无上下左右之分。
八卦的产生才有了方位。
八卦有先天八卦和后天八卦,【要想了解八卦的产生,请看易经,在此不赘述】先天乾坤两卦居于天地之位,取其中爻互交,则先天乾卦变后天离卦,先天坤卦变后天坎卦。
取离卦之上爻与坎卦之下爻互交,则先天之坎卦变后后天之兑卦。
先天之离变后天之震卦。
取震兑两卦上下爻错交,则先天之兑变后天之巽,先天之震变后天之艮卦。
3.论先天水法;用座山收水,这是三元水法的一大特点,先天水是依座山所属何卦,再看本卦之先天卦属后天八卦之何卦位,则本卦为本座山卦之先天位。
其来水谓之先天水。
先天水主应人丁。
凡阴阳二宅,其先天位有水朝堂主旺男丁。
如水不是由先天来,而是去水,则谓流破先天,主损男丁。
如坎卦局【壬子癸】座坎向离。
坎卦的先位在兑卦的庚酉辛方。
此方来水朝堂及是先天来水。
乾卦局;座乾【戌乾亥】向巽。
则乾卦的先天位在离卦的丙午丁方。
此三方来水及是先天水,去水及是流破先天。
兑卦局;【庚酉辛】座兑向震,兑卦之先天位居后天八卦之巽卦位【辰巽巳】方。
此三方来水即是先天水。
4,论后天水;后天水是依座山之所属卦,再看本卦之后天卦居于先天八卦之何卦位。
则该卦为本座山之后天位。
后天水主应妻,财两项。
凡阴阳二宅,如后天水朝堂主应宅主财旺妻健。
有两点要注意,虽然后天有水,但未朝堂,则无效。
如它方来水流破后天,不但不能旺妻财,反而会使财产耗尽,妇女常患病,或有再婚现象。
各卦的后天位;坎卦未坤申。
乾卦丑艮寅,兑卦壬子癸。
离卦戌乾亥。
震卦丙午丁。
巽卦庚酉辛。
坤卦辰巽巳。
艮卦甲卯乙。
5.论地刑、天劫,案劫位;坎山案劫位在丙午丁。
三元三合水法乾坤国宝又名“龙门八局”、“先后天水法”,相传为唐朝国师邱延翰所著,是时下三元派最广为应用于阳宅的外局水的消纳,为重要的水法之一。
由于其运用简便,灵验度高,其根据又符合先天八卦及后天八卦之原理。
因此是正统的风水法诀。
一、从先天卦、后天卦来分析。
此种方法为原来的风水分析法,没有中天卦的介入,但是一种风水法的合理性与否,应该看他是否符合易经的原理,乾坤地理国宝是以先后两大理论为框架,一定是一种好风水。
下面的风水知识就是原来的理论,笔者的分析在“从先天卦、中天卦、后天卦来分析”的文字中阐述。
1、先天位。
先看屋宅坐山属于何卦(后天),该卦在先天八卦居何方位,此方位就是此屋的先天位。
先天主人丁,如果有水从该方位流过堂前,该宅就旺男丁。
如果从堂前自先天位流出,则反断。
2、后天位先看屋宅坐山属于何卦(后天),该卦在先天八卦居何方位属于何卦,寻其在后天八卦之方位,此方位就是此屋的先天位。
后天主妻财,如果有水从该方位流过堂前,该宅就旺妻、旺财,或者因妻致富。
如果从堂前自后天位流出,则反断。
3、宾位、客位先看屋宅向属于何卦(后天),该卦在先天八卦居何方位,此方位就是此屋的宾位。
先看屋宅向属于何卦(后天),该卦在先天八卦居何方位属于何卦,寻其在后天八卦之方位,此方位就是此屋的客位。
宾客水主应女口,阴外家姓子孙及驿客,租房之房客、养子,嫁出之女儿、女婿,或招赘之女婿等,非直系血统者,皆为宾客。
宾水主应客财,客水主应女口。
4、天劫、地刑天劫位:屋宅坐山后天位之后天位。
该位必定居于坐山之左前方或右前方,假使坐山之后天位之后天位,不是刚好位于坐山之左前方或右前方,则取坐山之左前或右前为先决条件。
地刑位:地刑位与天劫位分居前方对峙之卦位。
天劫位在左,地刑位在右;天劫位在右,地刑位在左。
俨如两个凶神恶煞居左右前方。
天劫水及地刑水均属恶水,故此两水均不喜入,犯者伤人丁,吐血劳伤,出癫狂无耻之心。
天劫位不是居于正窍位就是居于宾位或客位,及不被限制流出之卦位,因此可出不可入。
:三元水法三元水法是专门用来看水的,如住宅环境水体的布局。
宅星是用顺飞的,而水法则用逆飞,且以元运来看。
即与当今元运入中,按量天尺顺序逆布九宫,再看中宫与八方的生旺杀泄死,逢1、6、8为吉断。
流年星入中也以此推论,主管一年吉凶。
运与方位相同:旺方位五行生运:生方位五行克运:杀运生方位五行:泄运克方位五行:死如现在是下元八运,东南9紫飞临,为生方;东北、西南分别为5黄、2黑飞临,为旺方。
生旺方适合放置水体,布水局。
八运逆飞图:┌─┬─┬─┐│九│四│二│├─┼─┼─┤│一│八│六│├─┼─┼─┤│五│三│七│└─┴─┴─┘水法魁星:生方会到1白、6白、8白任何一星,则为魁星,大利科甲文昌、官职升迁。
1白年运:南方6白,为魁星水。
2黑年运:东北8白,为魁星水。
3碧年运:西方1白,为魁星水。
4绿年运:东北1白,为魁星水。
5黄年运:西南8白,为魁星水。
6白年运:东方8白,为魁星水。
7赤年运:东南8白,西北6白,为魁星水。
8白年运:无魁星。
9紫年运:无魁星。
水法财星:泄气方会到1白、6白、8白任何一星,则为财星,大利求财催利,此方为善曜,以求添丁和人口平安健康,也很有效。
1白年运:无财星水。
2黑年运:北方6白,为财星水。
3碧年运:无财星水。
4绿年运:无财星水。
5黄年运:东南6白,为财星水。
6白年运:北方1白,为财星水。
7赤年运:西南1白,为财星水。
8白年运:西方6白,为财星水。
9紫年运:无财星水。
龍門八局訣竅與剋應(有稱三元地理水法)
【僅供参考】
註3:金半圓形︵木長條形∩水波浪形﹋火上尖形▲土扁寬形︹
如坐離卦宅,曜煞為離豬(亥山)震山猴(申山)乾馬(午山),則逢太歲年為乙亥、壬申、庚午等等發凶,年月配曜煞成三合,如亥卯未、申子辰、寅午戌者。
此時貴秀要察合「24山九星或三元水法」應用。
凡出水口沖樹頭竹頭,主目疾。
內堂竅位水口必無遮障,以利出煞,否則傷目。
●先天水、後天水、中天水乃地理水法之根本大法,切莫等閒視之。
●乾坤震巽四卦山,宜收左邊水朝堂,而後歸右邊竅位流去大吉。
●坎離艮兌四卦山,宜收右邊水朝堂,而後歸左邊竅位流去大吉。
●消亡敗絕之水,風水之大忌
1、「消」先天破後天也,共有八局。
旺人丁而破財,為窮秀才之格。
2、「亡」後天破先天也,共有八局。
丁絕敗旺女口,招贅領養。
*
五、龍門八局水法吉凶斷補遺
一、犯劫殺~是指該宮出現山石巉巖,惡石嶙峋,破碎斜等況。
主血光之災、重者死亡,或令人生奇難雜症。
曜殺損、見天地病。
二、收先天水,長來者主出丁、興旺、多賢;收後天水,長來者主大發財。
來長去遠皆潤澤者,謂之財丁貴全備之水。
正水口出,且於案前堂面曲流而出,主應出貴。
流破先天水,損男丁、不易得男、難養多病。
商店人氣渙、生意欠佳。
流破後天水,居者破財、不平安。
易損財而煩惱、勞心勞力。
三、天劫稱藥碗水,又名曜母。
該方有電線桿、廟宇、屋角、大樹、煙囪、水塔、路沖、橋箭來射或天劫水過堂(收天劫水),家有長期病人、家宅不安或損人口、頭痛、血光、癆疾、出狂人。
天運吊沖必應驗於年某月。
水流向天劫方而出,稱為出煞,是吉象。
四、地刑稱為補藥湯,又名為曜子。
該方有電線桿、廟宇、屋角、大樹、煙囪、水塔、路沖、橋箭來射或地刑方有水來去時,家有病婦、易犯官司、訴訟。
錢多花在看病補身。
五、案劫稱為明堂,朱雀位即向也。
明堂宜清不宜雜亂,否則家中會不和睦、不平安。
明堂有欄杆、屋角、大樹、井、石磨、牆角、屋宇,流年逢之,必應驗病痛、血光、損丁、官訟;
明堂有水路反弓,必出逆子,家人也較無情。
堂前有巷道或小空地,叫朱雀開口,家人較會鬧意見,吵架。
六、曜煞位不可有樹木、大石、屋角、圍牆、欄杆、水路直沖,若一曜有出病人,
二曜有出半顛人,三曜齊必出狂顛人。
曜煞方是樹竹屬軟劫,會生病。
是大石、圍牆屬硬劫,會受傷。
龙门八大局水法
八大局者:先天位水、后天位水、客位水、宾位水、天劫位水、
地刑位水、案劫位水、辅卦位水。
先天位水:管人丁,此位来水旺人丁,去水则损丁。
后天位水:管财富,此位来水进钱财,去水则破财。
客位水:来水利阴不利阳,去水则无妨。
宾位水:与宾位同吉凶,来水荫外姓子孙。
天劫位水:吉凶之位,来水主大凶,去水得大利。
地刑位水:喜来水,去水称地刑水流破,妻财两空。
案劫位水:宜去水如织如锁,忌来水又冲射,损丁绝。
辅卦位水:来水可旺丁,去水有凶。
各山八局位
坐坎向离:先天位在兑、后天位在坤、宾位在震、客位在干、天劫位在巽、地刑位在坤、案劫位在离、辅卦位在艮。
坐艮向坤:先天位在干、后天位在震、宾位在坎、客位在巽、天劫位在离、地刑位在兑、案劫位在坤、辅卦位在兑。
坐震向兑:先天位在艮、后天位在离、宾位在巽、客位在坎、天劫位在干、地刑位在坤、案劫位在兑、辅卦位在坤。
坐巽向干:先天位在坤、后天位在兑、宾位在离、客位在艮、天劫位在坎、地刑位在兑、案劫位在干、辅卦位在震。
坐离向坎:先天位在震、后天位在干、宾位在兑、客位在坤、天劫位在艮、地刑位在干、案劫位在坎、辅卦位在巽。
坐坤向艮:先天位在坎、后天位在巽、宾位在干、客位在震、天劫位在震、地刑位在坎、案劫位在艮、辅卦位在离。
坐兑向震:先天位在巽、后天位在坎、宾位在艮、客位在离、天劫位在艮、地刑位在巽、案劫位在震、辅卦位在坤。
坐干向巽:先天位在离、后天位在艮、宾位在坤、客位在兑、天劫位在震、地刑位在离、案劫位在巽、辅卦位在坎。