华南理工大学环境科学与工程导论 考研真题2011
- 格式:pdf
- 大小:218.10 KB
- 文档页数:3
855华南理工大学2013年攻读硕士学位研究生入学考试试卷(试卷上做答无效,请在答题纸上做答,试后本卷必须与答题纸一同交回)科目名称:环境科学与工程导论适用专业:环境科学,环境工程,环境工程(专硕)共3页一、不定项选择题(共15小题,每小题2分,共30分)1.采用重铬酸钾法测定污水中的化学需氧量(COD)时,污水中所含的下列哪些组分的存在可能对测定值有贡献。
()A.含碳有机物B.NO3--NC.NH4+-ND.还原性无机物2.“螳螂捕蝉,黄雀在后”所隐含的食物链中的消费者有()A.螳螂B.蝉C.黄雀D.植物3.在生态系统的碳循环中,无机环境与生物群落相联系的相关生理作用有()A.光合作用B.呼吸作用C.蒸腾作用D.化能合成作用4.信息传递是生态系统的重要功能,生态系统中的信息形式主要有()A.物理信息B.化学信息C.行为信息D.营养信息5.在污水的活性污泥工艺中起主要作用的微生物是()A.细菌B.真菌C.原生动物D.后生动物6.下列哪些水处理工艺过程对水中致病菌的去除有显著效果()A.混凝B.沉淀C.过滤D.消毒7.城市固体废物常见的资源化途径包括()A.循环再利用B.加工再利用C.转换再利用D.稳定再利用8.下列选项中对对流层的描述正确的是()A.对流层存在各种天气现象,如雨、雾、云等;B.对流层温度一般随高度的上升而下降;C.对流层集中了大气层中90%的水汽;D.对流层的热量来源主要是直接吸收太阳辐射的热量。
9.假设某地区的三种空气污染物的API指数分别为:SO2为21,NO2为80,PM10为105,那么该地区的空气质量可以判断为()A.优B.良C.轻度污染D.轻微污染10.关于影响城市热岛效应的因素,下列叙述错误的是()A.城市建筑物和铺砌水泥地面的道路多半导热性好,受热传热快;B.人口高度密集,工业集中,固定热源及流动热源大量释放城市废热;C.高耸入云的建筑物造成近地表风速小且通风不良;D.人类活动释放的废气排入大气,改变了城市上空的大气组成,使其吸收太阳辐射的能力及对地面长波辐射的吸收能力减弱。
2004 年试题名词解释:1 吸附与离子交换:A 吸附主要是指化学物质在气固或液固两相介质中,在固相中浓度升高的过程,包括一切使使溶质从气象或液相转入固相的反应。
B 离子交换,借助于固体离子交换剂中的离子与稀溶液中的离子进行交换,以达到提取或去除溶液中某些离子的目的,是一种属于传质分离过程的单元操作。
2 固体废物及固体废物的处理与处置:A 固体废物是指人类在生产建设,日常生活和其他活动中产生的,在一定时间和地点无法利用而被丢弃的污染环境的固体,半固体废弃物。
B 固体废物的处理与处置,是将固体废物焚烧或用其他改变固体废物物理化学生物特性的方法,达到减少已产生的固体废物的数量,缩小固体废物的体积,减少消除其他危害成分的活动,或将固体废物最终置于环境保护规定要求的场所或设施不再回取的活动。
3 温度层结与逆温:A 温度层结是指在地球表面上方大气温度随高度变化的情况,即在垂直方向上的气温垂直分布。
B 逆温,由于近地层大气的情况比较复杂,有时会出现气温随高度递增的情况,即逆温。
4 环境噪声与连续等效 A 声级:A 环境噪声,通常把干扰人们休息,学习和生活,即人们不需要听到或对人体健康有害的声音称为环境噪声。
B 等效 A 声级,将一定时间内不连续的噪声能量用总工作时间进行平均的方法来评价噪声对人的影响,即等效连续 A 声级,它是一个相同时间T 内与起伏噪声能量相等的连续稳态的 A 声级。
5 生态系统与生态平衡:A 生态系统就是在一定的空间中共同栖居的生物与其环境之间通过物质循环与能量流动过程而形成的统一整体。
B 生态平衡,生态平衡是生态系统的一种状态,在这种状态下系统的结构组成相对稳定,功能得到最大发挥,物质与能量的流入,流出协调一致,即系统保持高度有序的状态。
6 土壤背景值与环境容量:A 背景值,亦称自然本底值,是指在不受污染的情况下,组成环境的各要素中与环境污染有关的各元素的含量及其基本化学成分,它反映环境质量的原始状态。
华南理工大学2011年攻读硕士学位研究生入学考试试卷(请在答题纸上做答,试卷上做答无效,试后本卷必须与答题纸一同交回)科目名称:管理学适用专业:管理决策与系统理论,工业工程与管理工程,企业管理,教育经济与管理,工业工程(专业学位)一、名词解释(每小题4分,共24分)1、非正式组织2、目标管理3、决策4、部门化5、授权6、反馈控制二、简答题(每小题8分,共40分)1、简述明茨伯格的管理者角色理论。
2、组织文化的内涵及其基本特征是什么?3、组织中集权倾向产生的原因及过分集权的弊端是什么?4、弗鲁姆(V.Vroom)期望理论的主要观点是什么?该理论的基础和假设分别是什么?5、创新的来源有哪些?三论述题(每题15分,共45分)1、结合激励过程理论,论述国有企业员工激励机制的设计。
2、结合90后的员工特征,论述人的因素对组织设计带来哪些影响?3、试举一管理实例,论述控制标准的制定和执行与计划职能之间的关系。
四案例题案例1(20分)位于宾西法尼亚州拿撒勒市的马汀吉他公司自1833年就开始制造乐器。
马汀牌传奇般的吉他一直深受传奇中的音乐家的喜爱,它也是能用钱买到的最好的吉他之一。
公司CEO克里斯蒂安·弗雷德里克·马汀,以克里斯著称,仍然继续对吉他制造进行投资。
尽管公司2008年的销售额增长了8%(达到9300万美元),但它正面临着严重的问题。
马汀吉他公司是一个有趣的新老混合物。
尽管多年来设备和工具有所更新,但公司的员工仍然像以前那样坚持以制造一流品质的乐器为原则,公司的客户也希望拥有质量卓越的吉他。
而制造一把如此高标准的吉他需要在60多个作坊里面经过300多道工序才能完成。
音乐家埃克里·克莱普顿曾说:“如果(我)可以化身成为什么东西的话,那肯定是马汀吉他。
”难怪马汀吉他如此昂贵,部分用巴西玫瑰木制造的限量版吉他每把售价高达10万美元甚至更多,而那些普及型的吉他每把才只要2000~3000美元。
855华南理工大学2017年攻读硕士学位研究生入学考试试卷(试卷上做答无效,请在答题纸上做答,试后本卷必须与答题纸一同交回)科目名称:环境科学与工程导论适用专业:环境科学;环境工程;环境生态学;环境工程(专硕)491华南理工大学2006年攻读硕士学位研究生入学考试试卷(试卷上做答无效,请在答题纸上做答,试后本卷必须与答题纸一同交回)科目名称:环境科学与工程导论适用专业:环境科学环境工程共 4 页一、填空题(共50个空,每个空格1分)1、水污染的主要来源可分为______和面源污染两种形式。
2、我国地面水水质标准中,能作为饮用水水源的是______类以上的水体。
3、水圈包括一切淡水、______、______、地下水、冰、以及大气圈中的______和______。
4、经过稀释、加酸或者加碱后,__________________的溶液称为缓冲溶液。
______形成的缓冲体系,是水和废水处理系统中最重要的缓冲体系。
5、造成硬度的阳离子最主要的是______和______。
6、微生物生长的四个阶段是______、______、______和______。
7、150.0 mg/L质量浓度的硫酸的摩尔浓度为______。
8、快混池的搅拌器,当其转速降为原来的一半时,其所消耗功率降为原来的______。
9、在水处理过程中混合的程度由速度梯度来测量,速度梯度G与搅拌器输入功率P,混合池中水的体积V及粘度μ的关系式为______。
10、热污染会改变水生生物的群落,使原来的鱼类不适应高温而死亡。
它还能加速有机污染物的______,使水中溶解氧______。
11、可用铁盐或铝盐来沉淀脱除污水中的磷,在沉淀过程中,控制水的pH范围是______。
12、常用的可定量指出水体被微生物污染的检测方法是____________。
13、最常用的饮用水消毒杀菌剂是______。
14、根据理想沉淀池的推导,沉淀池的沉淀效率与沉淀池的深度______。
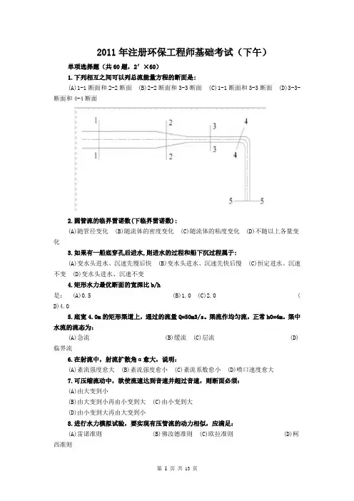
2011年注册环保工程师基础考试(下午)单项选择题(共60题,2′×60)1.下列相互之间可以列总流能量方程的断面是:(A)1-1断面和2-2断面(B)2-2断面和3-3断面(C)1-1断面和3-3断面(D)3-3-断面和4-4断面2.圆管流的临界雷诺数(下临界雷诺数):(A)随管径变化(B)随流体的密度变化(C)随流体的粘度变化(D)不随以上各量变化3.如果有一船底穿孔后进水,则进水的过程和船下沉过程属于:(A)变水头进水、沉速先慢后快(B)变水头进水、沉速先快后慢(C)恒定进水、沉速不变(D)变水头进水、沉速不变4.矩形水力最优断面的宽深比b/h是:(A)0.5 (B)1.0 (C)2.0 (D)4.05.底宽4.0m的矩形渠道上,通过的流量Q=50m3/s。
渠流作均匀流,正常h0=4m。
渠中水流的流态为:(A)急流(B)缓流(C)层流(D)临界流6.在射流中,射流扩散角α愈大,说明:(A)紊流强度愈大(B)紊流强度愈小(C)紊流系数愈小(D)喷口速度愈大7.可压缩流动中,欲使流速达到音速并超过音速,则断面必须:(A)由大变到小(B)由大变到小再由小变到大(C)由小变到大(D)由小变到大再由大变到小8.进行水力模拟试验,要实现有压管流的动力相似,应满足:(A)雷诺准则(B)佛汝德准则(C)欧拉准则(D)柯西准则9.同一台水泵,在输送不同密度的流体时,该水泵指标相同的是:(A)杨程(B)出口压强(C)轴功率(D)有效功率10.两水库用二根平行管道连接,管径分别为d、2d,二管长度相同,沿程阻力系数相同,如管径为d的管道流量Q=30L/s,则管径为2d的流量是:(A)120L/s (B)169.7L/s (C)60L/s(D)185.6L/s11.病毒所具有的核酸类型是:(A)DNA或RNA (B)DNA和RNA (C)DNA (D)RNA12.在半固体培养基中,我们可以观察细菌的:(A)个体形态(B)菌落特征(C)呼吸类型(D)细菌结构13.以光能作为能源,二氧化碳或者碳酸盐作为碳源,水或还原态无极物作为供氢体的微生物称为:(A)光能自养型微生物(B)光能异养型微生物(C)化能自养型微生物(D)化能异养型微生物14.当有机物排入河流后,污化系统依次可分为:(A)多污带、α-中污带、寡污带(B)多污带、α-中污带、β-中污带、寡污带(C)多污带、α-中污带、β-中污带、γ-中污带、寡污带(D)多污带、中污带、寡污带15.硝酸盐被细胞吸收后,被用作电子受体还原为氮气的生物过程,称为:(A)氨的同化(B)氨化作用(C)硝化作用(D)反硝化作用16.厌氧消化(甲烷发酵)的三个主要过程,依次分别是:(A)水解与发酵、生成乙酸和氢、生成甲烷(B)生成乙酸和氢、生成甲烷、水解与发酵(C)水解与发酵、生成甲烷、生成乙酸和氢(D)生成乙酸和氢、水解与发酵、生成甲烷17.某企业排放废水的水质和水量随时间变化幅度比较大,适合采集以下哪种类型的水样?(A)瞬时水样(B)平均水样(C)等时综合水样(D)流量比例混合水样18.实验室间质量控制的目的在于:(A)考核分析人员的操作水平(B)纠正各实验室间的系统误差(C)反映实验室分析质量的稳定性(D)对仪器设备进行定期标定19.在用重铬酸钾测定COD时,若加热回流过程中溶液颜色变成绿色,是何原因导致?(A)水样中的难氧化有机物含量过高(B)Fe3+转变Fe2+(C)水样中的可氧化有机物含量过高(D)没有加入硫酸银催化剂下述哪种废水在测定BOD5时,如不采取适当措施,测定结果可能比实际偏高?(A)初沉池进水(B)初沉池出水(C)硝化池进水(D)硝化池出水21.比色法测定氨氮所用到的纳氏试剂是指:(A)碘化汞和碘化钾的强酸溶液(B)碘化汞和碘化钾的强碱溶液(C)氯化汞和氯化钾的强酸溶液(D)氯化汞和氯化钾的强碱溶液22.用重量法测定大气中总悬浮颗粒物的浓度。
水污染控制工程一、名词解释:(每题5分,共30分)1、氧垂曲线:在河流受到大量有机物污染时,由于有机物这种氧化分解作用,水体溶解氧发生变化,随着污染源到河流下游一定距离内,溶解氧由高到低,再到原来溶解氧水平,可绘制成一条溶解氧下降曲线,称之为氧垂曲线2、发酵:(1)复杂的有机物在微生物作用下分解成简单的有机物或无机物。
(2)在无氧等外源氢受体的条件下,底物脱氢后所产生的还原力[H]未经呼吸链传递而直接交某一内源性中间代谢物接受,以实现底物水平磷酸化产能的一类生物氧化反应3、活性污泥:活性污泥是微生物群体及它们所依附的有机物质和无机物质的总称.微生物群体主要包括细菌,原生动物和藻类等4、污泥负荷:污泥负荷(Ns)是指单位质量的活性污泥在单位时间内所去除污染物的量。
污泥负荷在微生物代谢方面的含义就是F/M比值,单位kgCOD(BOD)/(kg污泥·d)5、絮凝:使水或液体中悬浮微粒集聚变大,或形成絮团,从而加快粒子的聚沉,达到固-液分离的目的,这一现象或操作称作絮凝。
6、湿式催化氧化:一种处理高浓度难降解有机废水颇有潜力的方法。
它是指在高温(200~280℃)、高压(2~8 MPa)下,以富氧气体或氧气为催化剂,利用催化剂的催化作用,加快废水中有机物与氧化剂间的呼吸反应,使废水中的有机物及含N、S等毒物氧化成CO2、N2、SO2、H2O,达到净化之目的。
对高化学含氧量或含生化法不能降解的化合物的各种工业有机废水,COD 及NH3-N去除率达到99% 以上,不再需要进行后处理,只经一次处理即可达排放标准。
二、填空题:(每空2分,共20分)1、按微生物生长速率,其生长过程可分为迟缓期,对数期,稳定期和衰亡期四个时期。
2、按池内水流方向不同,沉淀池可以分为平流式,竖流式和辐流式三种。
3、厌氧消化的三个阶段分别是水解产酸阶段,发酵产气阶段和产甲烷阶段。
三、简答题:(每题10分,共30分)1、双膜理论的基本论点是什么?针对气体吸收传质过程,双膜理论的基本论点如下:(1)、相互接触的气、液两相流体间存在着稳定的相界面,界面两侧各有一个很薄的停滞膜,相界面两侧的传质阻力全部集中于这两个停滞膜内,吸收质以分子扩散方式通过此二膜层由气相主体进入液相主体;(2)、在相界面处,气、液两相瞬间即可达到平衡,界面上没有传质阻力,溶质在界面上两相的的组成存在平衡关系,即所需的传质推动力为零或气、液两相达到平衡。
855华南理工大学2012年攻读硕士学位研究生入学考试试卷(请在答题纸上做答,试卷上做答无效,试后本卷必须与答题纸一同交回)科目名称:环境科学与工程导论适用专业:环境科学;环境工程;环境工程(专硕)本卷满分:150分共 3 页一、选择题 (共 16 小题,每小题 2分,共32分)1.生物脱氮体系中硝化细菌在生长代谢过程中多以以下哪些物质为碳源?。
A. 含碳有机物; B. 含碳有机物、二氧化碳;C. CO32-、HCO3-、CO2;D. 低分子含碳有机物、CO32-、HCO3-、CO2。
2. 延时曝气活性污泥法体系中微生物主要处于状态。
A. 延滞期;B. 对数生长期;C. 稳定期;D. 内源呼吸期。
3. 生态系统平衡的标志,以下说法不对的是。
A. 能量输入输出稳定;B. 适于人类居住;C. 结构稳定;D. 功能作用稳定。
4. 下列有关生态系统食物网特征描述不正确的是。
A. 食物链的环节数是无限的;B. 食物网上的生物之间不单单是捕食关系;C. 一种生物可能属于不同的营养级;D. 食物网越复杂生态系统越稳定。
5. 在生物群落中,判断一个物种是否为优势种的主要依据是。
A. 物种数量;B. 物种生物量;C. 物种的体积;D. 物种在群落中的作用。
6. 在选用静电除尘器来净化含尘废气时,首先必须考虑粉尘的。
A. 粒径;B. 密度;C. 粘附性;D. 荷电性。
7. 是衡量堆肥反应完成的信号,也是堆肥质量的指标。
A. 腐熟度;B. 温度;C. 有机物含量;D. 含水率。
8. 以下关于废水生物处理过程的表述不正确的是。
A.废水好氧生物处理以分子态O2作为有机物氧化的电子受体;B.废水生物处理中缺氧阶段的电子受体为NO3-、SO4-等含氧基团;C.废水厌氧生物处理在无游离O2的条件下以简单有机物或无机物作为电子受体;D.废水生物处理缺氧阶段主要以微含量的O2为电子受体。
9. 对于高温高湿污染气体不宜采用。
A. 湿式除尘器;B. 电除尘器;C. 机械式除尘器;D. 袋式除尘器。
455华南理工大学2007年攻读硕士学位硏究生入学考试试卷(试卷上做答无效,请在答题纸上做答,试后本卷必须与答题纸一同交冋)科目名称:环境科学与工程导论适用专业:坏境科学坏境工程共3页一、填空题(共50个空,每个空格1分)1.Dioxins的中文名称是________ -2.可持续发展的基本原则:________ , ______ , ________ o3.酸雨的化学特征雄:__________ 、__________ 84.土壞空气与近地面大气进行气体交换的生要方式是_______________________ -5•土壤胶体的重耍性质是,_________、___________ °6.城市区绫噪声标准(GB3096-93)中,____ 类杯准适用于匸业区。
7.土壤的活性酸度是指________________ ,潜在酸度是指__________________ -8.当前湖泊污染最立接屋常见的表现就是____________ 。
9.生态系统具有三大功能:____________ 、物质循环利_____________ 。
10.发生噪声污染必须有二个要索: _______ 、______ 、_______ sH.除去一利_____________ 的人气称为干洁空气。
12.除尘湍的分类是按照除尘器分离或浦集粉尘的机理,通常将除尘器分为________ 、________ 、 _________和_______ 四种类型.13.____________________________________________________________ 烟囱里推出的烟气常常会继续上升,因此,烟囱的有效高度等于烟肉的_____________ 与烟气的_______ Z和。
】4・气体吸收设备分为板式塔和______ 两大类。
15-在用多孔忤固体物质处理流体混合物时,流体中的某组分或某些组分可玻吸引到固体表面并浓集其上,此现象称为___________ 816•污染气体的吸附过程由三个步骤充成:(1)气膜扩散(外扩散〉: (2) 5 (3) o17.《中华人民共和囚固体废物泻染环境防治法》确立了固体废物污染防治的I.化” !原则,即固体废物污染防治的“__ 、_______ 、______ '源则。
华工环境设计真题答案解析第一部分:背景与概述华工环境设计是一门综合性课程,涉及建筑、景观等多个领域。
学生需要掌握建筑设计原理、景观规划等知识,以及相关软件的操作与应用。
本文将从真题出发,对其中一道题目进行解析,帮助考生了解如何回答这类问题。
第二部分:分析与解答题目描述:某城市拟要拆除一座老旧建筑,在选择合适的拆除方式时,需要充分考虑环境影响。
根据该建筑的具体情况,你作为一名环境设计师,请分析拆除过程中可能产生的环境问题,并提出解决方案。
解答思路:本题是一道应用题,要求考生结合环境设计的原则,对拆除老旧建筑可能带来的环境问题进行分析,并提出解决方案。
考生在回答时,应首先明确问题,然后系统化地进行分析与解决方案的提出。
问题分析:拆除老旧建筑可能带来的环境问题有很多方面,包括噪音、尘土、废弃物处理等。
噪音是不可避免的,拆除过程中可能会产生大量的噪音,给周围居民带来不便。
尘土也是一个问题,拆除过程中会产生大量的粉尘,可能污染空气质量。
此外,废弃物的处理也是需要考虑的,如果处理不当,可能对土壤和水源造成污染。
解决方案:对于噪音问题,可以采取减噪措施,如在拆除现场周围设置隔音屏障、采用低噪音设备等。
对于尘土问题,可以采取湿化降尘的方法,如在拆除现场进行适量的喷水降尘。
对于废弃物处理,可以进行分类收集与处理,采取合理的环保处理方法,如进行再利用、回收等。
第三部分:总结与思考通过对以上题目的分析与解答,我们可以看出,在环境设计的实践中,我们需要综合考虑各种因素,并提出合理的解决方案。
在回答问题时,要明确问题,分析问题,并提供理论支持和实际操作方法。
此外,还需要灵活运用所学知识,结合实际情况进行创新与拓展。
华工环境设计的真题解析中,我们可以看到考察的重点是学生对环境设计原则的理解与应用能力。
在备考时,学生应着重掌握环境设计的基本理论与原则,关注实践经验与案例分析,以提高自己的应用能力。
总之,华工环境设计是一门需要综合考虑各种环境因素的综合性课程。