机械加工工艺过程(精)
- 格式:ppt
- 大小:2.85 MB
- 文档页数:46
机械加工工艺流程描述机械加工是制造业中一种广泛的加工方法,通过机械设备对工件进行加工和加工过程中所需要的工艺方法的组合被称为机械加工工艺。
在机械加工工艺中,流程是至关重要的。
本文将通过描述机械加工的一般流程及其每个步骤的细节来介绍机械加工工艺的流程。
1.预处理在进行机械加工之前,预处理是必要的,主要是为了提高加工过程的可控性和效率。
预处理可以包括以下几个方面:1.1 铣床铣床加工是通过铣刀按一定轨迹在工件表面切削产生的加工方法。
在铣床操作中,要注意切削速度、进给量和刀具选择等因素,以保证加工质量。
1.2 加工负荷计算在进行机械加工之前,需要对加工过程中的负荷进行计算。
通过计算负荷,可以更准确地选择合适的加工方式和加工参数,以避免机床和刀具的损坏。
2.粗加工粗加工是指在工件的尺寸和形状还没有达到最终要求时进行的加工,其目的是为了减少剩余材料量并为最终加工奠定基础。
一般情况下,粗加工可以分为两种类型:铣削和车削。
2.1 铣削铣削是一种通过旋转刀具在工件表面上切削的加工方法。
刀具和工件之间的相对运动反映了加工过程。
铣削过程中,切削刃数、加工深度和进给速度等因素会影响铣削质量。
2.2 车削车削是指用刀具沿工件中心轴线旋转切削。
车削加工适用于制造轴类和圆筒类工件。
在车削加工过程中,要注意选择切削速度、进给速度和刀具的切削角度。
3.精加工精加工是在粗加工的基础上通过精加工过程,对工件进行加工,达到最终工件的形状和尺寸。
精加工过程包括铣削、钻孔和螺纹加工等。
3.1 精铣精铣是指针对精度要求较高的工件,通过合理的刀具选择和切削参数控制,通过铣床加工出高精度、高表面质量的工件。
在精铣中,切削精度和加工速度要求比较高。
3.2 钻孔钻孔是一种通过钻头对工件进行钻孔的加工方法。
在钻孔加工中,需要保证刀具尖端与工件相切,同时要考虑进给速度和切削速度等因素,以保证钻孔的质量。
3.3 螺纹加工螺纹加工是一种通过切削和塑性变形形成螺纹的加工方法。
典型零件机械加工工艺过程1轴类零件加工分析(1)轴类零件加工的工艺路线1)基本加工路线外圆加工的方法很多,基本加工路线可归纳为四条。
①粗车—半精车—精车对于一般常用材料,这是外圆表面加工采用的最主要的工艺路线。
②粗车—半精车—粗磨—精磨对于黑色金属材料,精度要求高和表面粗糙度值要求较小、零件需要淬硬时,其后续工序只能用磨削而采用的加工路线。
③粗车—半精车—精车—金刚石车对于有色金属,用磨削加工通常不易得到所要求的表面粗糙度,因为有色金属一般比较软,容易堵塞沙粒间的空隙,因此其最终工序多用精车和金刚石车。
④粗车—半精—粗磨—精磨—光整加工对于黑色金属材料的淬硬零件,精度要求高和表面粗糙度值要求很小,常用此加工路线。
2)典型加工工艺路线轴类零件的主要加工表面是外圆表面,也还有常见的特特形表面,因此针对各种精度等级和表面粗糙度要求,按经济精度选择加工方法。
对普通精度的轴类零件加工,其典型的工艺路线如下:毛坯及其热处理—预加工—车削外圆—铣键槽—(花键槽、沟槽)—热处理—磨削—终检。
(1)轴类零件的预加工轴类零件的预加工是指加工的准备工序,即车削外圆之前的工艺。
校直毛坯在制造、运输和保管过程中,常会发生弯曲变形,为保证加工余量的均匀及装夹可靠,一般冷态下在各种压力机或校值机上进行校值,(2)轴类零件加工的定位基准和装夹1)以工件的中心孔定位在轴的加工中,零件各外圆表面,锥孔、螺纹表面的同轴度,端面对旋转轴线的垂直度是其相互位置精度的主要项目,这些表面的设计基准一般都是轴的中心线,若用两中心孔定位,符合基准重合的原则。
中心孔不仅是车削时的定为基准,也是其它加工工序的定位基准和检验基准,又符合基准统一原则。
当采用两中心孔定位时,还能够最大限度地在一次装夹中加工出多个外圆和端面。
2)以外圆和中心孔作为定位基准(一夹一顶)用两中心孔定位虽然定心精度高,但刚性差,尤其是加工较重的工件时不够稳固,切削用量也不能太大。
机加工工艺流程机加工工艺流程是将原材料经过加工、制造、组装成为成品的过程,包括机械加工、热处理、表面处理、组装等环节。
下面将详细介绍机加工工艺流程的每个环节,并且展开详细描述。
一、材料准备机加工的第一步是材料准备。
在进行机械加工之前,需要准备好加工用的原材料。
在准备原材料时,需要注意以下几点:1.根据工艺要求选择原材料,一般要求材料质量好、结构均匀、无裂纹、气泡和锈蚀。
2.对于钢材等有特殊质量要求的材料,需要经过专门的抽样检验,以确保原材料质量符合工艺要求。
3.对于大型工件,应采用吊运机具进行起吊,遵循安全操作规程,防止工件在运输过程中受到损坏。
在材料准备这一环节中,需要在保证材料质量的前提下,快速高效地完成原材料的进货、检验等工作。
二、机械加工在完成材料准备之后,就需要进行机械加工了。
机械加工是指采用人工或机械工具对工件进行加工,以期使其达到所需的形状、尺寸和表面粗糙度等要求的一种加工方法。
机械加工主要包括车削、铣削、钻孔、磨削等工艺。
1.车削工艺车削可以用于粗加工和精加工,特别适用于孔和轴类零件的制造。
车床是进行车削的主要设备。
在进行车削时,需要注意以下几点:(1)在刀具和工件之间需要保持一定的切削速度。
(2)在车削过程中需要定期清理切屑和润滑液。
(3)在刀具磨损时需要及时更换,以保持加工精度。
2.铣削工艺铣削是指用铣刀将工件切削成所需的形状的加工方法。
铣床是进行铣削的主要设备。
在进行铣削时,需要注意以下几点:(1)在铣削过程中需要保持一定的进给速度。
(2)在铣削过程中需要清理切削部位和润滑液,以保证加工质量。
(3)在铣削相对较大的工件时需要采用工装夹持,以确保加工精度。
3.钻孔工艺钻孔是指用钻头将工件加工成孔的加工方法。
在进行钻孔时,需要注意以下几点:(1)在钻孔前需要确定钻孔位置和孔径。
(2)在进行钻孔时要保证切削液的流量和加工速度。
(3)在钻孔过程中需要适时清理切削部位和润滑液。
4.磨削工艺磨削是指采用砂轮或磨料将工件加工成所需的形状、尺寸和表面粗糙度的加工方法。
机械加工工艺流程机械加工工艺流程是指将原材料通过加工设备进行切削、整形、打磨等工艺,以制造出零部件、产品的过程。
下面是一个简单的机械加工工艺流程的示例。
1. 材料准备:选择适当的材料,并根据设计要求和工艺要求,将材料进行切割、切削或锻造等预处理工艺,以获得合适的工件。
2. 设计与制图:根据产品的要求和设计规定,进行工件的设计与制图工作。
在制图过程中,需要考虑工艺性、材料使用率、切削力等因素。
3. 切削工序:通过刀具的切削力,将工件材料按照设计要求进行切削、整形。
常见的切削工序包括车削、铣削、钻孔、镗削等。
4. 精加工工序:在完成切削工序后,对工件进行精加工,以提高其精度和表面质量。
常见的精加工工序包括磨削、镜面加工、抛光等。
5. 热处理:对工件进行热处理,以增加材料的硬度、强度或改变材料的组织结构。
常见的热处理方式包括淬火、回火、退火等。
6. 表面处理:对工件的表面进行镀铬、喷涂、氧化等处理,以增加工件的耐腐蚀性、装饰性或其他特性。
7. 装配与调试:根据产品的要求,对加工好的零部件进行组装,进行调试和测试,确保零部件与产品的质量和性能要求。
8. 检验与质量控制:对加工完成的零部件和产品进行检验,确保其质量和性能符合设计要求。
质量控制包括尺寸检验、外观检查、性能测试等。
9. 包装与入库:将加工好的零部件或产品进行包装,以防止损坏和污染。
然后按照规定的要求进行入库,以备后续使用或发货。
10. 运输与售后服务:将产品送往目的地,进行运输、安装和调试。
同时提供售后服务,包括技术支持、维修等。
以上是一个简单的机械加工工艺流程示例,不同的机械加工工艺流程可能会有所区别,具体的工艺流程会根据产品的特点、要求和加工设备的性能而有所不同。
机械加工工艺流程说明书一、引言机械加工工艺流程说明书旨在详细介绍机械加工的各个阶段和步骤,帮助操作人员更好地理解和掌握机械加工的工艺流程,确保生产过程的高效和质量的稳定。
本说明书将详细介绍机械加工的整体流程和各个环节的具体操作要点。
二、加工准备在进行机械加工之前,必须进行充分的加工准备,以确保后续加工操作的顺利进行。
加工准备的步骤包括:1. 材料检查:检查待加工的材料是否符合要求,包括尺寸、材质等方面的要求。
2. 设备检查:确保使用的机械设备处于正常工作状态,检查设备的各个部件是否完好,并进行必要的维护和保养。
3. 工装准备:根据具体的加工要求,选择合适的工装,并进行调试和校准,确保工装的准确性和稳定性。
三、机械加工过程1. 加工方案确定:根据待加工零件的设计要求和加工条件,确定合适的加工方案,包括加工顺序、切削参数等。
2. 工艺设计:根据加工方案,设计具体的工艺路线和工艺卡,并标明各个工序的加工内容和要求。
3. 材料切割:将待加工材料按照所需尺寸进行切割,确保材料的准确性和一致性。
4. 粗加工:根据工艺卡要求,进行粗加工,包括车削、铣削、钻削等操作,以实现零件初始形状的确定。
5. 精加工:在粗加工的基础上,进行精加工,包括磨削、镗削、螺丝攻牙等操作,以实现零件的精确尺寸和表面质量要求。
6. 组装与调试:进行零件的组装和调试工作,确保零件的各个部件正确、稳定地组合在一起,并满足装配尺寸的要求。
7. 接口处理:根据零件的功能和要求,进行接口处理,包括焊接、切割、组合等工艺操作,以满足零件的特定功能需求。
8. 表面处理:对于需要表面处理的零件,进行表面清洁、打磨、喷涂等操作,以提高零件的表面质量和耐腐蚀性。
四、质量控制为确保机械加工过程中的质量稳定和一致性,必须进行严格的质量控制。
质量控制的步骤包括:1. 尺寸检测:使用合适的检测设备和工具,对加工后的零件进行尺寸检测,确保尺寸符合设计要求。
2. 表面质量检查:使用目视检查和相关表面检测设备,对零件的表面质量进行检查,包括毛刺、划痕等。
第一章机械加工工艺规程设计机械加工工艺规程是规定产品或零部件机械加工工艺过程和操作方法等的工艺文件。
它体现了生产规模的大小、工艺水平的高低和解决各种工艺问题的方法和手段。
第一节基本概念一.机械产品生产过程及机械加工工艺过程(一)生产过程从原材料到机械产品出厂的全部劳动过程。
包括:1)毛坯的制造2)原材料的运输和保存3)生产准备和技术准备4)零件的机械加工及热处理5)产品的装配、检验、试车、油漆、包装等。
直接生产过程:被加工对象的尺寸、形状或性能、位置产生一定的变化。
如:零件的机械加工、热处理、装配等。
间接生产过程:不使加工对象产生直接变化。
如:工装夹具的制造、工件的运输、设备的维护等。
(二)机械加工工艺过程是生产过程的一部分,是对零件采用各种加工方法,直接用于改变毛坯的形状、尺寸、表面粗糙度以及力学物理性能,使之成为合格零件的全部劳动过程。
工艺:使各种原材料、半成品成为成品的方法和过程工艺过程:在生产过程中,凡是改变生产对象的形状、尺寸、相对位置和性质等,使其成为成品和半成品的过程。
二.机械加工工艺过程的组成1.工序一个或一组工人,在一台机床或一个工作地点对一个或同时对几个工件所连续完成的那一部分工艺过程。
划分工序的主要依据:工作地点是否改变和加工是否连续完成。
同一零件,同样的加工内容可以有不同的工序安排。
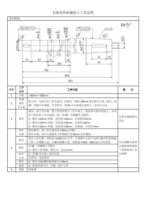
如图1-1所示的阶梯轴的加工:加工内容:1.加工小端面 2。
小端面钻中心孔图1-1 阶梯轴3.加工大端面 4。
大端面钻中心孔5.车大端外圆 6。
对大端倒角7.车小端外圆 8。
对小端倒角9.精车外圆10.铣键槽 11。
去毛刺工序方案1:工序1:加工内容1到9——车床工序2:加工内容10、11——铣床(手工去毛刺)工序方案2:工序1:加工内容1、2、7、8—加工小端工序2:加工内容3、4、5、6—加工大端工序3:加工内容9 工序4:加工内容10、11工序方案3:工序1:加工内容:1、2、3、4—铣两端面打中心孔工序2:加工内容:5、6、7、8—仿形车外圆、倒角工序3:加工内容:9—精车外圆工序4:加工内容:1—铣键槽工序5:加工内容:11—去毛刺2.安装如果在一个工序中要对工件进行几次装夹,则每次装夹下完成的那部分加工内容称为一个安装。
机械加工工艺流程
机械加工工艺流程是指将原材料通过机械加工设备进行加
工的一系列工艺步骤。
常见的机械加工工艺流程包括以下
几个步骤:
1. 确定工件图纸和工艺要求:根据零件的图纸和工艺要求,确定工件的几何形状、尺寸、精度等要求,并选择合适的
加工方法和工艺参数。
2. 准备原材料:根据要加工的零件尺寸和材料要求,选取
合适的原材料,如金属材料、塑料等,并进行切割、锯断
等预处理。
3. 粗加工:根据图纸要求,在机床上进行初步的加工操作,如铣削、车削、钻孔等,以将工件的形状加工到接近最终
尺寸。
4. 精加工:在机床上进行细致的加工操作,如切割、磨削、镗削等,以达到工件的精度要求和表面质量要求。
5. 钻孔:根据要求进行钻孔操作,如孔径、孔深、孔间距等。
6. 车削:利用车床进行车削加工,如外圆车削、内圆车削、车削平面等。
7. 铣削:利用铣床进行铣削加工,如平面铣削、立式铣削、倒角铣削等。
8. 磨削:利用磨床进行磨削加工,如外圆磨削、内圆磨削、平面磨削等。
9. 组装:将加工好的各零件进行组装,形成成品产品。
10. 检测和质量控制:对成品产品进行检测和测试,确保其符合要求的尺寸和质量标准。
11. 表面处理:对成品产品进行表面处理,如镀铬、镀锌、喷涂等,以提高其耐腐蚀性和外观质量。
12. 包装和出厂:对成品产品进行包装,确保产品在运输和储存过程中的安全,然后送交客户或出货。
机械加工工艺流程图机械加工工艺流程图是用来展示机械加工过程中各个环节的顺序和步骤的图示化工具。
下面是一个简化的机械加工工艺流程图示例,用来说明机械加工的基本流程和关键步骤。
1. 获得工程图纸:机械加工通常是按照工程图纸上的要求进行的,因此首先需要获得工程图纸。
2. 验证工程图纸:验证工程图纸的准确性和可行性,确保可以按照要求进行加工。
3. 准备原材料:根据工程图纸的要求,选择合适的原材料,如金属板材、铝合金、不锈钢等,并进行切割和排列。
4. 设计夹具:根据工件的形状和要求,设计并制作适当的夹具,以确保工件在加工过程中的稳定性和精度。
5. 加工预处理:对原材料进行必要的预处理,例如清洁、除锈、去毛刺等。
6. 初次加工:将工件放置在机床上,根据工程图纸的要求,采用适当的加工方法,例如铣削、车削、钻孔等,对工件进行初次加工。
7. 检测与修正:在初次加工完成后,使用测量工具(例如卡尺、百分表等)进行检测,并根据检测结果进行必要的修正和调整。
8. 精加工:在初次加工和检测修正之后,对工件进行精加工,以提高工件的表面光洁度和尺寸精度。
9. 热处理(可选):对一些特殊要求的工件,可以进行热处理,以改变工件的内部结构和性能。
10. 表面处理:根据工程图纸要求,对工件进行表面处理,例如磨光、喷漆、电镀等。
11. 检测与质量控制:对加工完成的工件进行全面的检测和质量控制,确保工件符合要求。
12. 包装与出货:将加工完成的工件进行适当的包装,以防止损坏,并安排出货。
以上是一个简化的机械加工工艺流程图示例,展示了机械加工的基本流程和关键步骤。
在实际的机械加工过程中,根据不同的工件和要求,可能还会涉及其他的加工步骤和操作。
机械加工工艺流程描述机械加工,又称为机器加工,是利用机床对工件进行切削、磨削、蚀刻等加工方法,将原始材料转化为所需形状和尺寸的工件。
机械加工包含了各种不同的工艺流程,下面将详细描述一种常见的机械加工工艺流程。
1.设计和准备:在进行机械加工之前,首先需要进行工件的设计和准备。
设计包括确定工件的形状、尺寸和材料等参数,并绘制相应的工程图纸。
准备工作包括选择合适的机床和切削工具,以及准备所需的辅助设备和材料等。
2.材料切割:首先,将原始材料裁剪成合适的尺寸,以便后续加工。
常见的材料切割方法包括手动裁剪、剪板机切割、激光切割等。
3.材料成型:在材料切割后,需要将工件进行进一步的成型。
常用的材料成型方法包括冲压、弯曲、压铸等。
通过这些方法,可以使工件具有所需的形状和结构。
4.机床加工:在完成材料成型后,需要使用机床对工件进行进一步的加工。
机床加工包括车削、钻削、铣削、磨削等方法。
通过在机床上的切削工具对工件进行精确的切削,可以达到工艺要求的尺寸和表面质量。
5.检测与修磨:在机床加工之后,需要对工件进行检测。
通过使用测量仪器和设备(如千分尺、百分表、量规等),可以检查工件的尺寸、表面粗糙度等指标是否符合要求。
如果有误差或瑕疵,还需要进行修磨和打磨等处理。
6.表面处理:在机械加工之后,需要对工件进行表面处理。
常见的表面处理方法包括喷涂、电镀、热处理等。
通过这些方法,可以提高工件的耐腐蚀性能、耐磨性能、表面光洁度等。
7.组装和调试:在完成表面处理之后,如果工件需要进行组装,还需要对工件进行组装和调试。
组装包括将不同部件组合在一起,并使用螺栓、焊接等方法进行连接。
调试包括对组装后的工件进行功能测试和性能检测。
8.检验和包装:在完成组装和调试后,需要对工件进行最终的检验和包装。
检验包括对工件的功能、性能、质量等进行全面检查。
包装包括将工件放入适当的包装材料中,以防止在运输过程中的损坏。
机械加工工艺流程的具体内容和步骤会因不同的工件和要求而有所不同,上述描述只是其中的一种常见的情况。
机械加工工艺流程机械加工是指通过机械设备对工件进行切削、磨削、焊接等加工过程,以达到工件形状、尺寸和表面质量要求的一种工艺。
机械加工工艺流程是指在加工过程中所采取的一系列操作步骤和技术要求。
本文将介绍机械加工工艺流程的基本内容,包括加工前的准备工作、加工过程中的操作步骤和注意事项。
一、加工前的准备工作在进行机械加工之前,需要进行一系列的准备工作,以确保加工过程的顺利进行。
主要包括以下几个方面:1. 工件的准备:首先需要对待加工的工件进行检查和清洁,确保其表面没有明显的缺陷和污垢。
同时,还需要对工件进行测量和标记,确定加工的位置和尺寸要求。
2. 工艺文件的准备:制定详细的工艺文件,包括加工顺序、切削参数、夹持方式等。
这些文件将成为操作过程中的重要依据。
3. 设备和刀具的准备:检查机床和刀具的状态,确保其正常运转和良好的切削性能。
必要时,需要更换刀具或进行刀具的磨削和校准。
二、加工过程中的操作步骤在进行机械加工时,需要按照一定的操作步骤进行,以确保加工的准确性和效率。
下面是一个通用的机械加工操作步骤示例:1. 夹持工件:根据工艺文件的要求,选择合适的夹具将工件固定在机床上。
夹具的选择应考虑到工件的形状、尺寸和加工要求。
2. 切削加工:根据工艺文件中的切削参数设置机床的速度、进给和切削深度。
通过刀具对工件进行切削,以达到所需的形状和尺寸。
3. 粗加工和精加工:根据工艺要求,先进行粗加工,将工件的尺寸逐渐接近目标尺寸。
然后进行精加工,通过更细的切削量和更小的切削深度,达到工件的最终尺寸和表面质量要求。
4. 检测和修正:在加工过程中,需要不断对工件进行检测和测量,以确保加工的准确性。
如果发现偏差或不合格,需要及时进行修正和调整。
5. 表面处理:根据工件的要求,进行表面处理,如磨削、抛光、喷涂等,以改善工件的表面质量和外观。
三、加工过程中的注意事项在进行机械加工时,需要注意以下几个方面,以确保加工的质量和安全:1. 安全操作:操作人员需要熟悉机床的使用方法和安全规范,正确佩戴个人防护装备,遵守操作规程,确保人身安全。