回填土建筑材料及试件现场见证取样记录
- 格式:xls
- 大小:42.00 KB
- 文档页数:2
见证取样送检制度根据建设部建建[2000]211号文《关于印发(房屋建筑工程和市政基础设施工程实行见证取样和送检的规定)的通知》的要求,按江苏省建设厅《建设工程质量检测规程》DGJ32/J21-2009规定,执行见证取样送检制度。
即在建设单位或监理单位人员见证下,由施工人员在现场取样,送至试验室进行试验。
见证人员必须通过工程质量监督站的培训、考核合格,获得《见证人员证书》后持证上岗。
见证取样的范围:建设工程使用的原材料、半成品材料(构配件)及现场制作的混凝土、砂浆试块、钢筋焊接(连接)试件等应取样检测,取样应在见证人员旁站下进行,取样数量及方法应按相关技术标准、规范、规程的规定抽取。
见证取样送样程序:每项工程的取样和送检见证人员,由该工程的建设单位书面授权,委派在本工程现场的建设或监理人员1~2名担任,并持有有效的《见证人员证书》。
建设单位应向工程质量监督站和工程质量检测单位递交《见证人员授权证书》。
授权证书应写明本受监工程现场委托的见证单位和见证人员姓名、持证号。
施工企业每项工程的取样人员不少于2名,须持证上岗。
施工企业取样人员在现场进行原材料取样和试块制作活动时,见证人员必须在旁见证。
见证人员应对试样进行监护,并和施工企业取样人员一起将试样送至检测单位。
检测单位在接受委托检测任务时,须由送检单位填写委托单,见证人员应出示见证人员证书,并在测委托单上签名、盖章。
检测单位均须实施密码管理制度。
建筑工程原材料、构配件检测取样要求、数量及方法一.钢筋混凝土、砂浆用材料1.1水泥1.1.1检测参数:标准稠度用水量、凝结时间、安定性、细度、比表面积、胶砂强度、胶砂流动度。
1.1.2水泥的交货与验收:(1)交货时水泥的质量验收可抽取实物试样以其检验结果为依据,也可以生产者同编号水泥的检验报告为依据。
(2)以抽取实物试样的检验结果为验收依据时,买卖双方应在发货前或交货地共同取样和签封。
取样方法按GB12573进行,取样数量为20kg,缩分为二等份。
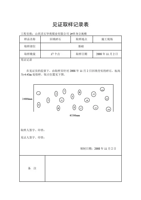
见证取样记录表工程名称:山西灵石华苑煤业有限公司1#单身公寓楼 样品名称 回填碎石取样地点 施工现场取样部位 基础 取样数量17个点 取样日期2008年11月2日见证记录在见证员的监督下,由取样员针对2008年11月2日回填夯实的碎石,标高为-4.45m 处取样。
取点位置见下图。
65500mm取样人签字、印章:___________________见证人签字、印章:___________________填制日期:2008年11月2日备 注24000mm 1234567891011121314151617见证取样记录表工程名称:山西灵石华苑煤业有限公司1#单身公寓楼样品名称 回填3:7灰土取样地点 施工现场取样部位 基础 取样数量17个点 取样日期2008年11月3日 见证记录在见证员的监督下,由取样员针对2008年11月3日回填夯实的3:7灰土,标高为-4.25m 处用环刀法取样,在现场做土壤干密度试验。
取点位置见下图。
65500mm取样人签字、印章:___________________见证人签字、印章:___________________填制日期:2008年11月3日备 注24300mm1 23456 7891011121314151617见证取样记录表工程名称:山西灵石华苑煤业有限公司1#单身公寓楼样品名称 回填3:7灰土取样地点 施工现场取样部位 基础 取样数量17个点 取样日期2008年11月3日 见证记录在见证员的监督下,由取样员针对2008年11月3日回填夯实的3:7灰土,标高为-4.05m 处用环刀法取样,在现场做土壤干密度试验。
取点位置见下图。
65500mm取样人签字、印章:___________________见证人签字、印章:___________________填制日期:2008年11月3日备 注24300mm1 23456 7891011121314151617见证取样记录表工程名称:山西灵石华苑煤业有限公司1#单身公寓楼样品名称 回填3:7灰土取样地点 施工现场取样部位 基础 取样数量17个点 取样日期2008年11月4日 见证记录在见证员的监督下,由取样员针对2008年11月4日回填夯实的3:7灰土,标高为-3.85m 处用环刀法取样,在现场做土壤干密度试验。
土方回填见证取样规范要求汇总标准化文件发布号:(9312-EUATWW-MWUB-WUNN-INNUL-DQQTY-基础土方回填材料见证取样要求和一般技术处理措施基础回填材料取样方法一、取样数量土样取样数量,应依据现行国家标准及所属行业或地区现行标准执行。
㈠、依据《建筑地基基础工程施工质量验收规范》(GB50202—2002)和《建筑地基基础设计规范》(GB50007—2002)取样在压实填土的过程中,应分层取样检验土的干密度和含水量。
每50~100M2面积内应有一个检验点,根据检验结果求得压实系数。
(环刀法)㈡、依据《建筑地基处理技术规范》(JCJ79—2002)取样当取土样检验垫层的质量时,对大基坑每50~100M2应不少于1个检验点;对基槽每10~20M2应不少于1个点;每个单独柱基应不少于1个点。
(环刀法)㈢、依据上海市标准《地基处理技术规范》(DBJ08—40—1994)取样1、整片垫层①、面积≤300M2时:环刀法为30~50M2布置一个,贯入法为10~15M2布置一个。
②、面积>300M2时:环刀法为50~100M2布置一个,贯入法为20~30M2布置一个。
2、条形基础下垫层①、参照整片垫层要求。
②、每个单独基础下垫层不少于两个测点。
㈣、依据《城市道路工程及施工验收规程》(DBJ08—225—1997)取样土路基、石灰土垫层检测频率:每层1000M2测一组,每组3点。
(环刀法)人行道路基、土路肩检测频率:每100m测2点。
(环刀法)砂、碎石垫层、三渣基层检测频率:每层1000M2测1点。
(灌沙法)二灰土底基层检测频率:每层1000M2测1点。
(环刀法)进出口斜坡土基检测频率:每个测1点。
(环刀法)㈤、依据《市政排水管道工程施工及验收规程》(DBJ08—220—1996)取样沟槽覆土、沟槽回填沙胸腔部分和管顶以上500mm内检测频率:两井之间每层测一组,每组3点。
(环刀法)㈥、依据《市政桥梁工程施工及验收规范》(DBJ08—228—1997)取样基坑填土的检测频率:每座墩、台或每仓驳岸、防汛墙,每层测一组,每组3点。
材料见证取样制度范本天水建筑设计院监理公司见证取样制度天水建筑设计院监理公司根据《施工质量验收规范》、《监理规范》、《监理合同》、《监理规划》、《监理细则》和设计文件,对见证取样指定以下制度。
一、根据工程特点,监督施工单位对检测、试验单位进行资质、人员、检测范围和试验条件进行考察,选择资质好、等级高、信誉好的检测试验单位,作为本工程试验单位,并审查报验的相应资料。
二、见证人。
建设或监理单位人员,须持证上岗,取(送)样人员应持证上岗。
三、工程开工前,施工单位根据工程特点、施工方案和有关技术标准,编制见证取样送检计划,填写见证取样送检计划表,征得建设或监理单位同意后,分别递交工程质检机械和接受委托的试验检测单位。
四、施工企业取样人员按取样送检计划在现场进行试样取留时,必须要有见证人在场见证并签认标识封志,见证记录单由见证人填记,一式两份,一份作为施工技术档案,一份随样送试验检测单位核存。
送样过程中,不得损毁标识、封志,没有标识或严重损毁标识封志的试样,试验检测单位应予拒收。
五、见证人应对试样进行有效的封存和监护,施工企业取(送)第1页样人员一起将所取试样送至甘肃省建设厅核发的具有《试验检测单位证书》的检测单位或试验室进行检测。
六、检测单位在接受委托检验任务时,须有送检单位填写委托书、见证人、送样人,应在委托书上签名,在检验报告栏中注明见证单位见证人和取送样人姓名见证号。
七、取(送)样人按照规范要求进行取样,并及时在见证人员监督下送至检测单位,有特殊要求的材料,需复试,在建设、监理、施工或其它有关单位监督下进行送检。
八、取送样应按照工程进度,将试块(件)进场材料,及时送至检测单位见证,取(送)样人员不得互相串通以次充好或取假试块、试件,发现类似问题,立即更换相应人员,及时补充持证人员。
九、对取(送)材料、构件、报告但及时报验监理单位,并做好见证取样记录。
十、见证取样范围1、用于承重结构的混凝土试块。
2、用于承重结构的钢材及连接头事件。
回填土压实度见证取样记录1. 引言嘿,朋友们,今天我们来聊聊一个听起来可能有点枯燥的话题——回填土的压实度见证取样记录。
别急,虽然听上去像是工地上的“硬核”话题,但其实这背后可是大有文章可做的。
想象一下,如果你家楼下的地基因为土不实而出现了问题,那可真是得不偿失!所以,让我们从这件事开始,看看如何通过一些简单的步骤,确保我们的土壤就像小山一样稳固,放心地承载着我们的美好生活。
2. 回填土的基本知识2.1 什么是回填土?首先,咱们得弄明白回填土是个啥。
这玩意儿其实就是在挖土的时候,挖出来的土壤在施工结束后再填回去,起到支撑和稳定的作用。
就好比给一个懒洋洋的沙发垫上几个靠垫,让它看起来不那么塌。
通常呢,咱们会用一些特殊的方法来压实这些土,以确保它不“反弹”,而是牢牢地待在那儿,不再“肆意妄为”。
2.2 为什么要检测压实度?那么,压实度又是个啥呢?简单来说,就是告诉你这土压得够不够实。
如果土壤像个松松垮垮的棉花糖,那可就危险了。
试想一下,要是再重的房子压在上面,底下的土都不够实,那后果可想而知。
为了避免这种悲剧,咱们需要进行压实度检测。
就像我们打游戏时总要过一关,检测就是我们的“安全检查”,确保一切都在掌控之中。
3. 取样和记录的步骤3.1 取样的准备接下来,让我们聊聊如何进行取样和记录。
首先,做好准备工作是关键。
你得先搞清楚哪儿是需要取样的地方。
这就好比你要在超市里找好吃的零食,得先知道哪个货架才是你的“目标”。
一般来说,取样点应该均匀分布,最好能覆盖到整个回填区域。
这样才能确保你记录的数据是可信的,不至于让自己后悔。
3.2 实际取样过程接下来,真正的取样就要开始了。
这时候,你就像个科学家,手里拿着取样器,走到预定地点,心里默默念着:“来吧,土,给我一个好样子!”然后,轻轻一插,样本就取好了。
别忘了,取样时要小心翼翼,别让旁边的土“反抗”,一不小心把土搞得一团糟,那可就没意思了。
拿到土样后,我们要测量它的湿度和密度。
为保证建设工程检测试样(件)能代表母体的质量状况和取样的真实,制止出具只对试件(来样)负责的检测报告,保证建筑工程质量检测工作的科学性、公正性和准确性,以确保工程质量。
根据建设部建监[1996]488号文件《建筑企业试验室管理规定》、吉林省建设厅吉建质字[1996]21号文件和[1999]2号文件《建设工程材料试化验实行见证取样送检制度的规定》的要求,结合我市具体情况,长春市从99年起全面实行建设工程检测见证取样送检制度。
一、见证取样送检范围目前应对结构用钢筋及焊接试件,混凝土试块,砌筑砂浆试块、水泥、红砖、防水材料等项目实行见证取样送检。
二、见证取样送检程序⑴、每项工程的取样送检见证人,由该工程的建设单位书面授权委派本工程现场的甲方代表或监理人员1-2名担任。
⑵建设单位应向工程受监的质量监督站和工程检测单位递交“见证单位和见证人员授权书”授权书应写明本工程现场委托的见证单位和见证人姓名及资质等简况,以便检查核对。
⑶施工企业取样人员在现场取样和制作试件时,见证人必须在旁见证。
⑷见证人应对试样进行监护,并和施工企业取样人员一起将试样送至检测单位或采取有效的封样措施送检。
⑸检测单位在接受委托检验时,须由送检单位填写委托单,见证人应检验委托单上签名。
⑹检测单位应在检验报告单备注栏中注明见证单位和见证人姓名。
⑺出现不合格项目,要及时通知工程受监质量监督站和见证单位。
影响结构安全的项目,应在24小时内报告。
三、见证员的基本要求:1、见证人必须具备资格⑴见证人应是工程建设单位负责技术质量负责人或监理单位技质人员。
⑵必须具备初级以上技术职称或相应的建筑施工专业知识。
⑶经过培训考核合格,取得“见证员证书”。
2、见证人必须有建设单位授权⑴施工现场见证人由建设单位书面授权。
⑵构件厂见证人员厂长书面授权。
授权书应报送当地建设工程质量监督站备案。
见证人员本人必须在授权书上签字备案。
四、见证人员的职责:1、取样现场见证取样时,见证人员必须在现场进行见证。
注:本表一式三份,检测、施工、见证单位各一份。
注:本表一式三份,检测、施工、见证单位各一份。
注:本表一式三份,检测、施工、见证单位各一份。
注:本表一式三份,检测、施工、见证单位各一份。
注:本表一式三份,检测、施工、见证单位各一份。
注:本表一式三份,检测、施工、见证单位各一份。
注:本表一式三份,检测、施工、见证单位各一份。
注:本表一式三份,检测、施工、见证单位各一份。
注:本表一式三份,检测、施工、见证单位各一份。
注:本表一式三份,检测、施工、见证单位各一份。
注:本表一式三份,检测、施工、见证单位各一份。
注:本表一式三份,检测、施工、见证单位各一份。
见证记录编号:2008- 012注:本表一式三份,检测、施工、见证单位各一份。
见证记录注:本表一式三份,检测、施工、见证单位各一份。
见证记录注:本表一式三份,检测、施工、见证单位各一份。
见证记录注:本表一式三份,检测、施工、见证单位各一份。
见证记录注:本表一式三份,检测、施工、见证单位各一份。
见证记录注:本表一式三份,检测、施工、见证单位各一份。
见证记录注:本表一式三份,检测、施工、见证单位各一份。
见证记录注:本表一式三份,检测、施工、见证单位各一份。
见证记录注:本表一式三份,检测、施工、见证单位各一份。
见证记录注:本表一式三份,检测、施工、见证单位各一份。
见证记录注:本表一式三份,检测、施工、见证单位各一份。
见证记录注:本表一式三份,检测、施工、见证单位各一份。
见证记录注:本表一式三份,检测、施工、见证单位各一份。
见证记录注:本表一式三份,检测、施工、见证单位各一份。
见证记录注:本表一式三份,检测、施工、见证单位各一份。
见证记录注:本表一式三份,检测、施工、见证单位各一份。
见证记录注:本表一式三份,检测、施工、见证单位各一份。
见证记录注:本表一式三份,检测、施工、见证单位各一份。
见证记录注:本表一式三份,检测、施工、见证单位各一份。
见证记录注:本表一式三份,检测、施工、见证单位各一份。
济南鼎秀家园房地产开发项目见证取样和送检制度实施细则济南市建设监理有限公司JINAN MUNICIP AL CONSTRUCTION SUPER VISION CO., L TD .济南鼎秀家园房地产开发项目见证取样和送检制度实施细则编制:编制日期:审批:审批日期:目录一、见证取样和送检制度——-——-——-—-——---—--————-————-1二、监理实施细则编制依据—-——-—--—----—————----———-—3三、各材料进场后现场监理应检查验收的事项——-————--—-3四、建筑工程节能保温材料取样规定——-—-—-——--——-—----7济南市建设监理有限公司济南鼎秀家园房地产开发项目见证取样和送检制度实施细则济南鼎秀家园房地产开发项目见证取样和送检制度一、见证取样和送检制度见证取样和送检制度,是指在承包单位按规定自检的基础上,在建设单位、监理单位的试验检测人员见证下,由施工人员在现场取样,送至指定单位进行试验。
见证试验范围1、用于承重结构的混凝土、砂浆试件;2、用于结构工程的主要受力钢筋及机械连接或焊接试件;3、用于工程的防水材料、保温材料;4、建筑门窗、幕墙、室内环境检测、地基承载力检测、桩基检测;5、水泥、砂、石、回填土等材料试验;5、监理工程师和建设单位认为必要的,以及现行规范规定的其它试验项目。
见证要求1、见证试验室必须通过省(或省以上)技术监督局对计量(CMA)和质量(CMC)认证,并且有省(或省以上)质监部门颁发的乙级(含乙级)以上试验检测资质证书的试验室。
2、见证人必须持有见证员证书,见证人对见证样品的代表性、真实性负责.3、试样或其包装上应作出标识、封签。
标识和封签应标明样品名称、样品数量、工程名称、取样部位、取样日期,并有取样人和见证人签字。
4、承担有见证试验的试验室,在检查确认试样上的见证标识、封签无误后方可进行试验,否则应拒绝试验。
根据济南市建设工程施工试验实施见证取样和送检制度的有关规定,就见证取样和送检制度的程序明确如下:1、见证取样和送检制度的定义:见证取样和送检制度是指在监理单位见证员见证下,对进入施工现场的有关建筑材料,由施工单位专职材料试验人员-取样员在现场取样或制作试件后,送至符合资质资格管理要求的试验室进行试验的一个程序.(1)见证取样涉及三方行为:施工方,见证方,试验方。
几乎每年都有不少工程项目出现质量事故,其中由建筑材料质量问题导致的占三分之一以上.建筑材料质量的好坏直接关系到整个建筑工程的质量,因此项目负责人必须全面掌握建筑工程抽样检查知识。
一、钢筋钢筋进场时的验收:钢筋进场时,应按照现行国家标准《钢筋砼用热轧带肋钢筋》GB1499等的规定抽取试件作力学性能检验,其质量必须符合有关标准规定。
验收方法:检查产品合格证、出厂检验报告和进场复验报告。
取样方法:按照同一批量、同一规格、同一炉号、同一出厂日期、同一交货状态的钢筋,每批重量不大于60t为一检验批,进行现场见证取样;当不足60t也为一个检验批,进行现场见证取样.试样分为抗拉试件2根,冷弯试件2根。
实验室进行检验时,每一检验批至少应检验一个拉伸试件,一个弯曲试件。
试件长度:冷拉试件长度一般≥500mm(500~650mm),冷弯试件长度一般≥250mm(250~350mm)。
(备注:取样时,从任一钢筋端头,截取500~1000mm的钢筋,再进行取样。
) 冷拉钢筋:应进行分批验收,每批重量不大于20t的同等级、同直径的冷拉钢筋为一个检验批。
取样数量:两个拉伸试件、两个弯曲试件。
二、钢筋焊接钢筋焊接在建筑施工中一般分为:闪光对焊、电阻点焊、电弧焊、电渣压力焊、预埋件T型接头埋弧压力焊、钢筋气压焊。
取样方法:1闪光对焊在同一工作班内,由同一焊工完成的300个同级别、同直径钢筋焊接接头应作为一检验批。
当同一台班内不足300个接头时也作为一个检验批。
其机械性能试验包括拉伸试验和弯曲试验,应从每批成品中切取6个试件,3个作拉伸试验,3个作弯曲试验。
拉伸试件长度一般≥500mm(500~650mm);冷弯试件长度一般≥250mm(250~350mm)。
验收方法(1)接头处不得有横向裂纹;(2)与电极接触处的钢筋表面,Ⅰ~Ⅲ级钢筋焊接时不得有明显烧伤;Ⅳ级钢筋焊接时不得有烧伤;负温闪光对焊时,对于Ⅱ~Ⅳ级钢筋,均不得有烧伤;(3)接头处的弯折角不得大于4度;(4)接头处的钢筋轴线偏移,不得大于0.1倍钢筋直径,同时不得大于2mm。
见证取样目录1、水泥 (8)1.1、(1)硅酸盐水泥(2)普通硅酸盐水泥(3)矿渣硅酸盐水泥(4)粉煤灰硅酸盐水泥(5)火山灰质硅酸盐水泥(6)复合硅酸盐水泥 (8)1.2、砌筑水泥 (8)1.3、高铝水泥 (8)1.4、快硬硅酸盐水泥 (9)2.掺合料 (9)2.1、粉煤灰 (9)2.2、天然沸石粉 (9)3、砂 (9)4、碎石或卵石 (10)5、混凝土拌合用水 (10)6.轻集料 (10)6.1、粗轻集料 (10)6.2、细轻集料 (11)7、石灰 (11)7.1、建筑生石灰 (11)7.2、建筑石灰粉 (11)7.3、建筑消石灰 (11)8、建筑石膏 (11)9、砌墙砖和砌块 (12)9.1、烧结普通砖: (12)9.2、烧结多孔砖 (12)9.3烧结空心砖空心砌块: (12)9.4、粉煤灰砖: (12)9.5、粉煤灰砌块: (12)9.6蒸压灰砂砖: (13)9.7蒸压灰砂空心砖: (13)9.8普通混凝土小型空心砌块: (13)9.9轻集料混凝土小型空心砌块: (13)9.10蒸压加气混凝土砌块: (13)9.11非烧结普通砖 (14)10、钢材 (14)10.1碳素结构钢 (14)10.2、钢筋混凝土用热轧带肋钢筋、钢筋混凝土用热轧光圆钢筋、钢筋混凝土用余热处理钢筋 (14)10.3、低碳钢热轧圆盘条 (14)10.4、冷轧带肋钢筋 (14)10.5冷轧扭钢筋 (15)10.6预应力混凝土用钢丝 (15)10.7中强度预应力混凝土用钢丝 (15)10.8预应力混凝土用钢绞线 (15)10.9预应力混凝土用低合金钢丝 (16)10.10一般用途低碳钢丝 (16)11、钢筋连接 (16)11.1钢筋电阻点焊 (16)11.2钢筋闪光对焊接头 (17)11.3钢筋电弧焊接头 (17)11.4钢筋电渣压力焊接头 (18)11.5钢筋气压焊接头 (18)11.6预埋件钢筋T形接头 (18)12、防水材料 (19)12.1(1)沥青防水卷材:①石油沥青纸胎油毡、油纸②石油沥青玻璃纤维胎油毡③石油沥青玻璃布胎油毡④铝箔面油毡 (19)12.2高聚物改性沥青防水卷材:①改性沥青聚乙烯胎防水卷材②沥青复合胎柔性防水卷材③自粘橡胶沥青防水卷材④弹性体改性沥青防水卷材⑤塑性体改性沥青防水卷材 (19)12.3合成高分子防水卷材(片材)①三元乙丙橡胶②聚氯乙烯防水卷材③氯化聚乙烯防水卷材④三元丁橡胶防水卷材 (19)12.3.⑤氯化聚乙烯-橡胶共混防水卷材 (20)12.4防水涂料 (20)①聚氨醋防水涂料 (20)②溶剂型橡胶沥青防水涂料 (20)③聚合物乳液建筑防水涂料 (20)④聚合物水泥防水涂料 (21)12.5密封材料 (21)①建筑石油沥青 (21)②聚氨酯建筑密封膏 (21)③聚硫建筑密封膏 (22)④丙烯酸酯建筑密封胶 (22)⑤聚氯乙烯建筑防水接缝材料 (22)⑥建筑防水沥青嵌缝油膏 (23)⑦建筑用硅酮结构密封胶 (23)⑧硅酮建筑密封胶 (23)12.6高分子防水卷材胶粘剂 (23)12.7高分子防水材料止水带 (24)12.8水泥基渗透结晶型防水材料 (24)13混凝土外加剂 (24)1)防水剂: (24)2)泵送剂 (24)3)防冻剂 (25)4)速凝剂: (25)5)膨胀剂 (25)6)每一个检验批取样数量 (25)14、普通混凝土 (25)15、抗渗混凝土 (25)16、高强混凝土 (26)17.轻骨料混凝土 (26)18、回弹法检测混凝土抗压强度 (27)19、砂浆 (27)20、砌体工程现场检测 (27)21.陶瓷砖 (28)21.1干压陶瓷砖(瓷质砖) (28)21.2干压陶瓷砖(炻瓷砖) (28)21.3干压陶瓷砖(细拓砖) (28)22.4彩色釉面陶瓷墙地砖 (29)21.5陶瓷锦砖 (29)22、玻璃马赛克 (29)23、陶瓷墙地砖胶粘剂 (29)24、外墙饰面粘结 (29)25、石材 (30)25.1天然花岗石建筑板材 (30)25.2天然大理石 (30)25.3天然花岗石荒料 (30)26、建筑水磨石 (31)27、铝塑复合板 (31)28、纸面石膏板 (31)29、矿棉装饰吸声板 (31)30、建筑用轻钢龙骨 (31)31、铝合金建筑型材 (32)32.建筑门窗 (32)32.1外门窗( (32)32.2建筑木门、窗(JG/T 122-2000) (32)32.3塑料门窗用密封条(GB 12002-89)(GB 50210-2001) (32)33、木材 (33)33.1装饰单面贴面人造板(GB/T 15104-94)(GB 50210-2001)(GB 50327-2001) (33)(GB 50325-2001) (33)33.2胶合板(GB 9846-88)(GB 50325-2001)(GB 50327-2001)(GB 50210-2001) (33)33.3细木工板(GB 5849-1999)(GB 50206-2001)(GB 50210-2001).. 33 33.4层板胶合木(GB 50210-2001)(GB 50206-2001)(GB/T 50-2001). 33 33.5实木地板(GB/T 15036.1.2-2001) (33)33.6竹地板(LY/T 1573-2000) (34)33.7中密度纤维板(GB/T 11718-1999)(GB/T 17657-1999) (35)34、建筑涂料 (35)34.1(1)合成树脂乳液内墙涂料( (35)34.2合成树脂乳液外墙涂料(GB/T 9755-2001)(GB 50210-2001)溶剂型外墙涂料(GB/T 9757-2001)—(GB 50210-2001) (35)34.3复层建筑涂料 (36)34.4饰面型防水涂料 (36)35.耐热材料 (37)35.1膨胀珍珠岩(JC 209-92) (37)35.2建筑物隔热用硬质聚氨酯泡沫塑料(QB/T 3806-99) (37)36耐酸砖(GB 8488-2001) (38)37耐火砖(标形)(GB 10325-2001)(GB/T 7321-87) (38)38、不发火集料及混凝土(GB 50209-2002) (38)39、聚氯乙烯卷材地板(GB 11982.1-89)(GB 50209-2002) (38)40、半硬质聚氯乙烯块状塑料地板(GB 4085--1983)(GB 50209-2002.. 3841、管材 (39)41.1建筑排水用硬聚氯乙烯管材(GB/T 5836.1-92)(GB 2828-87) (39)41.2建筑排水用硬聚氯乙烯管件(GB/T 5836.2-92) (39)41.3给水用硬聚氯乙烯(PVC-V)管材(GB/T 10002.1-1996) (39)41.4给水用聚乙烯(PE)管材(GB/T 13663-2000)(GB/T 17219) (40)42卫生陶瓷(GB/T 6952-1999) (40)43、幕墙(GB 50201-2001)(JGJ 133-2001)(JGJ/T 139-2001) (40)44、回填土(GB 50202-2002)(GB 50007-2002)(JGJ 79-91) (40)1、水泥1.1、(1)硅酸盐水泥(2)普通硅酸盐水泥(3)矿渣硅酸盐水泥(4)粉煤灰硅酸盐水泥(5)火山灰质硅酸盐水泥(6)复合硅酸盐水泥1)、水泥进场除全数检验合格证和出厂检验报告及外观检测。
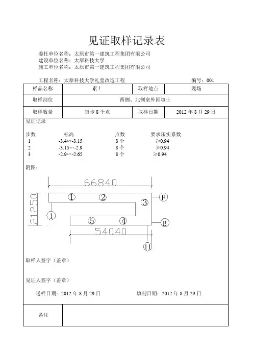
委托单位名称:太原市第一建筑工程集团有限公司
建设单位名称:太原科技大学
施工单位名称:太原市第一建筑工程集团有限公司取样人签字(盖章)
委托单位名称:太原市第一建筑工程集团有限公司
建设单位名称:太原科技大学
施工单位名称:太原市第一建筑工程集团有限公司取样人签字(盖章)
委托单位名称:太原市第一建筑工程集团有限公司
建设单位名称:太原科技大学
施工单位名称:太原市第一建筑工程集团有限公司取样人签字(盖章)
委托单位名称:太原市第一建筑工程集团有限公司
建设单位名称:太原科技大学
施工单位名称:太原市第一建筑工程集团有限公司取样人签字(盖章)
委托单位名称:太原市第一建筑工程集团有限公司
建设单位名称:太原科技大学
施工单位名称:太原市第一建筑工程集团有限公司取样人签字(盖章)。
基础土方回填材料见证取样要求和一般技术处理措施基础回填材料取样方法一、取样数量土样取样数量,应依据现行国家标准及所属行业或地区现行标准执行。
㈠、依据《建筑地基基础工程施工质量验收规》(GB50202—2002)和《建筑地基基础设计规》(GB50007—2002)取样在压实填土的过程中,应分层取样检验土的干密度和含水量。
每50~100M2面积应有一个检验点,根据检验结果求得压实系数。
(环刀法)㈡、依据《建筑地基处理技术规》(JCJ79—2002)取样当取土样检验垫层的质量时,对大基坑每50~100M2应不少于1个检验点;对基槽每10~20M2应不少于1个点;每个单独柱基应不少于1个点。
(环刀法)㈢、依据市标准《地基处理技术规》(DBJ08—40—1994)取样1、整片垫层①、面积≤300M2时:环刀法为30~50M2布置一个,贯入法为10~15M2布置一个。
②、面积>300M2时:环刀法为50~100M2布置一个,贯入法为20~30M2布置一个。
2、条形基础下垫层①、参照整片垫层要求。
②、每个单独基础下垫层不少于两个测点。
㈣、依据《城市道路工程及施工验收规程》(DBJ08—225—1997)取样土路基、石灰土垫层检测频率:每层1000M2测一组,每组3点。
(环刀法)人行道路基、土路肩检测频率:每100m测2点。
(环刀法)砂?、碎石垫层、三渣基层检测频率:每层1000M2测1点。
(灌沙法)二灰土底基层检测频率:每层1000M2测1点。
(环刀法)进出口斜坡土基检测频率:每个测1点。
(环刀法)㈤、依据《市政排水管道工程施工及验收规程》(DBJ08—220—1996)取样沟槽覆土、沟槽回填沙胸腔部分和管顶以上500mm检测频率:两井之间每层测一组,每组3点。
(环刀法)㈥、依据《市政桥梁工程施工及验收规》(DBJ08—228—1997)取样基坑填土的检测频率:每座墩、台或每仓驳岸、防汛墙,每层测一组,每组3点。
基础土方回填材料见证取样要求和一般技术处理措施基础回填材料取样方法一、取样数量土样取样数量,应依据现行国家标准及所属行业或地区现行标准执行。
㈠、依据《建筑地基基础工程施工质量验收规范》(GB50202—2002)和《建筑地基基础设计规范》(GB50007—2002)取样在压实填土的过程中,应分层取样检验土的干密度和含水量。
每50~100M2面积内应有一个检验点,根据检验结果求得压实系数。
(环刀法)㈡、依据《建筑地基处理技术规范》(JCJ79—2002)取样当取土样检验垫层的质量时,对大基坑每50~100M2应不少于1个检验点;对基槽每10~20M2应不少于1个点;每个单独柱基应不少于1个点。
(环刀法)㈢、依据上海市标准《地基处理技术规范》(DBJ08—40—1994)取样1、整片垫层①、面积≤300M2时:环刀法为30~50M2布置一个,贯入法为10~15M2布置一个。
②、面积>300M2时:环刀法为50~100M2布置一个,贯入法为20~30M2布置一个。
2、条形基础下垫层①、参照整片垫层要求。
②、每个单独基础下垫层不少于两个测点。
㈣、依据《城市道路工程及施工验收规程》(DBJ08—225—1997)取样土路基、石灰土垫层检测频率:每层1000M2测一组,每组3点。
(环刀法)人行道路基、土路肩检测频率:每100m测2点。
(环刀法)砂?、碎石垫层、三渣基层检测频率:每层1000M2测1点。
(灌沙法)二灰土底基层检测频率:每层1000M2测1点。
(环刀法)进出口斜坡土基检测频率:每个测1点。
(环刀法)㈤、依据《市政排水管道工程施工及验收规程》(DBJ08—220—1996)取样沟槽覆土、沟槽回填沙胸腔部分和管顶以上500mm内检测频率:两井之间每层测一组,每组3点。
(环刀法)㈥、依据《市政桥梁工程施工及验收规范》(DBJ08—228—1997)取样基坑填土的检测频率:每座墩、台或每仓驳岸、防汛墙,每层测一组,每组3点。
见证取样工作为了更好贯彻落实国家和住建部颁发的相关的规范和管理办法,确保工程使用的材料满足设计的要求。
在施工过程中,监理人员应按照有关技术标准和规范的规定,从进场材料中抽取试验样品,在试样或其包装上作出标识,标明工程名称、取样部位、取样日期、样品名称和样品数量,并将试样从现场移交给有检测资格的单位,现场监理见证人和施工单位取样人应在见证记录上签字。
监理人员必须见证建筑材料和各种试件取样的真实性以保证整体建筑工程质量必须符合国家现行相关合格标准,消除隐性的工程质量缺陷。
凡是国家现行检验规范和地方规程要求复试的建筑材料必须经专业监理外观检验确认合格后,由专门负责监理人员与承包单位抽样人员一起进行抽取样品,监理人员见证抽取过程,并与承包单位一起送样。
进场的工程材料、构配件及设备送检取样必须依据规范及施工图设计要求确定执行。
一、见证人员职责1、取样时见证人员必须在现场进行见证。
2、见证人员必须对试样进行监护。
3、见证人员必须和施工人员一起将试样送至检测单位。
4、有专用送样工具的工地,见证人员必须亲自封样。
(有条件时应要求施工单位制作送样工具)。
5、见证人员必须在实验委托单上签字,并出示“见证人员证书”(天津地区已经取消该制度,但一些地方保留此项制度)。
6、见证对试样的代表性和真实性负有法定责任。
7、见证人应与取样人按要求洽商试件制作数量,并对送检试样统一编号和记录,双方一致,以防错乱。
二、见证取样送检的范围(包括但不限于)建设工程中使用的原材料砂、石、水泥、多孔砖、结构用钢筋及焊接试件、螺纹套筒连接、砼试块、砌筑砂浆试块、防水材料、外墙保温材料等。
三、见证取样送样的程序1、要求施工单位制定见证取样和送检计划并确定具有相关试验资质的试验室承担见证取样试验的试验。
2、向质监站和检测单位递交“见证取样和送检见证人备案书”。
3、施工单位取样人员(需有试验资质的人员担任)在现场进行原材料取样和试块制作时现场监理必须在旁见证取样的全过程。
回填土见证取样托单
————————————————————————————————作者:————————————————————————————————日期:
回填土见证取样委托单
委托编号:Ⅳ-T-HHT-102
委托单位内蒙古全新建筑工程有限责任公司
工程名称中广核甘肃民勤红沙岗第一风电场400MW风电项目风机基础工程单位工程名称102#风力发电机组安装工程
回填部位风机基础及箱变基础周围
(标高-3m~±0.00)
回填面积共450 m2
土壤(砂)类别砂砾土回填层次、厚度
共10 层每层300㎜
辗压机械压路机设计压实系数0.94 密度试验方法 1.98 控制干密度 1.86g/cm3击实报告编号GYJ2014-YJS-02 最大干密度 1.98g/cm3
试样数量10 个样品状态正常()异常()
委托参数
委托参数
干密度湿密度含水率依据标准
备注取样标高及平面布置图:
直径23.533m,每层取1个点。
见证单位:宁夏兴电工程监理有限责任公司见证人:见证日期:年月日取样人:送样人:送样日期:年月日收样人:接收日期:年月日。