电缆材料企业标准
- 格式:doc
- 大小:160.00 KB
- 文档页数:16
ygc电缆执行标准
YGC 电缆是一种硅橡胶绝缘电线,其执行标准通常是企业标准或行业标准。
以下是YGC 电缆可能执行的一些标准:
1. GB/T 5013.3-2008《额定电压450/750V 及以下橡皮绝缘电缆第3 部分:固定布线用橡皮绝缘电缆》
2. JB/T 8735.2-2016《额定电压450/750V 及以下橡皮绝缘软线和软电缆第2 部分:通用橡套软电缆》
3. GB/T 12706.1-2020《额定电压1 kV(Um=1.2 kV)到35 kV (Um=40.5 kV)挤包绝缘电力电缆及附件第1 部分:额定电压1 kV (Um=1.2 kV)和3 kV(Um=3.6 kV)电缆》
这些标准规定了YGC 电缆的技术要求、试验方法、检验规则等内容,确保了电缆的质量和安全性能。
在选择YGC 电缆时,建议选择符合相关标准的产品,并在使用前仔细阅读产品说明书和安装手册,以确保正确使用和安装。
文章标题:深度剖析VDE0295 Class5标准:理解高品质电线电缆的关键一、引言VDE0295 Class5标准,作为电线电缆产品的重要认证标准,对于保障电气设备的安全可靠运行具有至关重要的作用。
在本文中,我们将从多个角度对VDE0295 Class5标准进行深度剖析,旨在帮助读者全面掌握这一关键标准的要点和内涵。
二、VDE0295 Class5标准的含义及意义1. VDE0295 Class5标准的基本概念VDE0295 Class5标准是德国电力工程师协会(VDE)颁布的一项重要标准,旨在规范电线电缆产品的制造和使用。
其涵盖了电线电缆的导体材料、绝缘材料、外护套材料等多个方面的要求,为保障电气设备的安全运行提供了重要保障。
2. VDE0295 Class5标准的意义VDE0295 Class5标准具有严格的要求和高水平的技术含量,其实施可以有效提高电线电缆产品的品质和安全性,保障电气设备在使用过程中免受漏电、短路等安全隐患的影响,维护了电力系统的稳定运行和用户的人身财产安全。
三、VDE0295 Class5标准的技术要点1. 导体材料要求VDE0295 Class5标准对导体的材料和规格做出了详细规定,包括导体的材质、截面形状、尺寸公差等方面的要求,以确保导体具有良好的传导性和机械性能。
2. 绝缘材料要求VDE0295 Class5标准对绝缘材料的选择和使用也有严格规定,要求绝缘材料具有良好的绝缘性能和耐热性能,能够有效阻止漏电和短路现象的发生。
3. 外护套材料要求外护套材料是电线电缆产品的保护壳,VDE0295 Class5标准对外护套材料的耐磨性、耐油性、耐候性等性能提出了严格要求,以确保电线电缆在不同环境条件下能够安全可靠地使用。
四、VDE0295 Class5标准的应用范围及发展趋势1. 应用范围VDE0295 Class5标准适用于各类家用电器、工业设备、电力系统等领域,其产品广泛应用于住宅、商业、工业等各种场所,具有广泛的市场需求和应用前景。
如有帮助,欢迎下载。
耐高温氟塑料电线电缆********电缆集团有限公司发布前言本标准由中国电器工业协会提出。
本标准由全国电线电缆标准化技术委员归口。
本标准负责起草单位:********电缆集团有限公司。
本标准主要起草人:本标准于2008年**月**日首次发布。
目录第一部分一般规定 (3)第二部分耐高温氟塑料防腐控制电缆 (11)第三部分耐高温氟塑料防腐电力电缆 (15)第四部分耐高温氟塑料安装线 (19)GB××××.1-2008耐高温氟塑料电线电缆第一部分一般规定1范围本标准规定了耐高温氟塑料电线电缆的产品分类、技术要求、试验方法、检验规则、标志、包装、运输及贮存。
本标准适用于氟塑料绝缘耐高温电缆。
2 引用标准下列标准所包含的条文,通过在本标准中引用而构成为本标准的条文:本标准出版时,所示版本均为有效,所有标准都会被修订,使用本标准的各方应探讨使用下列标准最新版本的可能性:GB/T2951 电线电缆机械物理性能试验GB/T3048 电线电缆电性能试验方法GB/T3956 电缆的导体JB/T8137 电线电缆交货盘GB9330 塑料绝缘控制电缆GB4909 裸电线试验方法GB8170 数值修约规则GB2952 电缆外护层GB/T12706 额定电压1KV(Um=1.2KV)到35KV(Um=40.5KV)挤包绝缘电力电缆及附件GB/T18380 电缆在火焰条件下的燃烧试验GB6995 电线电缆识别标志方法3分类与命名3.1代号3.1.1系列代号控制电缆 K安装线 A软结构 R3.1.2材料代号导体代号铜导体(T)省略镀银铜线导体 Y绝缘代号F46氟塑料绝缘 FF4氟塑料绝缘F4F47氟塑料绝缘F47屏蔽代号铜丝编织屏蔽P镀锡铜丝编织屏蔽 P0铠装代号双钢带铠装 22GB××××.1-2008细圆钢丝铠装 32外护套代号F46氟塑料护套 FF4氟塑料护套H9F47氟塑料护套H113.2表示方法3.2.1产品用型号、规格(额定电压、芯数、标称截面)及标准号表示:3.2.2举例a 铜芯F46氟塑料绝缘F46氟塑料护套控制电缆额定电压450/750V,24芯,标称截面1.5mm2,表示为:JHKFF 24*1.5 Q/AJTZD001.2-2005b铜芯F46氟塑料绝缘F46氟塑料护套镀锡铜丝编织屏蔽高温电力电缆额定电压0.6/1kV,3+1,标称截面50mm2,表示为:JHFFP0 3*50+1*25 Q/AJTZD001.3-20054导体4.1镀锡铜线导体线芯采用JB3135-82TRY型。
煤矿用电缆企业标准1. 引言本文档是针对煤矿用电缆企业制定的标准,目的是确保煤矿用电缆的安全运行和可靠性。
本标准适用于生产、使用和维护煤矿用电缆的企业。
2. 术语和定义•煤矿用电缆:指用于煤矿生产过程中输送电力、信号和数据的电缆。
•企业:指生产、使用或维护煤矿用电缆的组织或个人。
3. 产品要求3.1 电缆材质•煤矿用电缆应选用耐高温、抗拉、抗压、阻燃等特性的材料制造。
材料应符合国家相关标准。
3.2 电缆规格•电缆规格应根据实际使用需求确定。
需考虑电缆的负荷能力、电压等级、导体截面积等因素。
3.3 电缆标识•电缆应在外部有清晰可见的标识,标识内容应包括电缆型号、额定电压等重要信息。
4. 生产要求4.1 设备要求•生产煤矿用电缆的设备应符合国家相关标准,并定期进行维护和检修。
4.2 生产工艺•生产过程应严格按照工艺流程进行,确保电缆的质量。
生产过程中应有严格的材料检验、工艺控制和成品检验。
4.3 产品检验•生产的每批电缆都应进行必要的检验,包括外观检查、电线导通测试、电压耐压试验等。
5. 使用和维护要求5.1 电缆敷设•电缆在敷设过程中应保持适当的弧度和张力,避免过度拉伸或过度弯曲,以免损坏电缆结构。
5.2 电缆绝缘•电缆绝缘应定期进行绝缘电阻测试,确保电缆的绝缘性能可靠。
5.3 电缆接头和终端•电缆接头和终端应正确安装,防止电缆接触不良、温升过高等问题。
5.4 维护保养•定期对使用中的电缆进行检查和维护,及时更换老化或损坏的电缆。
6. 安全要求6.1 防火安全•煤矿用电缆应具备一定的阻燃性能,以减少火灾的发生和扩散。
6.2 防爆安全•部分地下煤矿矿井环境存在可燃性气体,煤矿用电缆应具备防爆特性,避免电缆成为引发爆炸的因素。
6.3 人身安全•在电缆使用和维护过程中,应确保人员严格按照相关安全操作规程进行,避免人员触电或其他安全事故发生。
7. 技术支持和售后服务•煤矿用电缆企业应提供完善的技术支持和售后服务,包括电缆使用咨询、故障排除、维修等。
我国《标准化法》规定,企业生产的产品没有国家标准和行业标准的,应当制定企业标准,作为组织生产的依据。
在市场经济条件下,电线电缆新产品开发速度很快,往往这些产品没有国家标准或行业标准,这就需要企业根据新产品开发和市场的需求,制定本企业的产品标准,作为组织生产和质量控制的依据。
怎样才能把电线电缆企业标准制定的更科学,更合理化呢?笔者根据多年从事电线电缆企业标准化工作的实践经验,将制定电线电缆企业标准时应注意的几个问题提出来,以引起电线电缆生产企业的重视。
一、标准的结构布局、层次划分要合理标准的结构,即标准的“骨架”,主要应考虑整体与局部之间的关系。
标准正文应包括几部分,各部分应规定什么内容,在制定标准前要事先筹划好,做到胸中有数。
否则制定的标准会杂乱无章,主次不分,“言之无序”,给以后标准的执行带来困难。
例如有的企业在制定“额定电压0.6/1 kV塑料绝缘控制电缆”企业标准时,把聚氯乙烯绝缘、聚乙烯绝缘、交联聚乙烯绝缘等几种控制电缆全部编写在一个标准中,在叙述各种不同绝缘技术要求和试验项目时杂乱无章,在执行标准的过程中非常不方便。
因此象这种情况应把系列标准分为几个部分。
在同一标准顺序下分若干独立部分。
例如:第1部分:一般规定;第2部分:额定电压0.6/1 kV聚氯乙烯绝缘控制电缆……等,这样标准的层次一目了然,各部分之间的关系也能有步骤地表述出来。
二、准确、合理地引用标准“引用标准”是指在编制标准时,某些内容在其他的现行标准中有规定,我们只要提及此现行标准的编号、名称,以代替其具体的规定,而不必重复抄写此项现行标准中的具体内容。
反之,若将此标准的具体内容抄写进企业标准,则不称为“引用标准,也不需要列入引用标准一览表中。
在编制企业标准时,应采用标注标准发布日期(年份号)的引用方式。
编写引用标准一览表时,引导语必须写出。
在引用系列标准时,应明确引用哪几部分。
例如:GB 12666.1—90 电线电缆燃烧试验方法第1部分总则;GB 12666.2—90 电线电缆燃烧试验方法第2部分单根电线电缆垂直燃烧试验方法。
IEC60332-1标准中文版主要从材料燃烧性能方面对电缆进行了分类和测试要求。
本文将以IEC60332-1标准中文版为主题,深入探讨该标准的相关内容,并对其进行全面评估和解析。
1. IEC60332-1标准中文版概述IEC60332-1标准中文版是国际电工委员会(IEC)发布的有关电缆燃烧性能的标准。
该标准主要针对电缆在火灾情况下的燃烧性能进行了规定和测试要求,以保障电缆在火灾发生时不会加剧火势,降低火灾事故对人员和财产的损害。
标准中详细规定了电缆的分类、试验方法以及试验结果的评定标准,是电缆行业中非常重要的标准之一。
2. IEC60332-1标准中文版的深度解读在IEC60332-1标准中文版中,电缆根据其燃烧性能被分为不同的类别,主要包括A、B、C三个级别。
不同级别的电缆需要满足不同的燃烧性能要求,如不产生火焰滴落、火焰蔓延距离等。
标准还规定了采用的试验方法,如垂直燃烧试验、水平燃烧试验等,以评定电缆的燃烧性能。
标准中还对试验结果的评定标准做出了详细说明,以便对电缆的燃烧性能进行客观准确的评定。
3. IEC60332-1标准中文版的价值与应用IEC60332-1标准中文版的发布对电缆行业具有重要的指导意义。
该标准有助于提高电缆产品的品质和安全性能。
通过对电缆燃烧性能的规定和要求,可以促使电缆生产企业不断提高产品质量,降低火灾风险。
该标准有助于促进国际贸易的发展。
IEC60332-1标准是国际上通用的标准,符合该标准的电缆产品可以更容易地进入国际市场,提升企业的竞争力。
4. 个人观点与理解在我看来,IEC60332-1标准中文版的出台对整个电缆行业和社会都具有积极的意义。
作为一项关乎人民生命财产安全的技术标准,IEC60332-1标准的实施能够有效降低火灾发生时电缆对人员和财产的危害程度,对社会的稳定与安全具有深远的影响。
该标准也激励了电缆行业对产品质量和安全性能进行不断提升,有助于建立更加健全的产品质量安全保障体系。
原材料标准电缆用阻燃玻璃布带1 范围本标准规定了电缆用阻燃玻璃布带的表示方法、技术要求、试验方法、检验规则和包装、标志、运输和贮存。
本标准适用于阻燃、耐火电缆绕包用阻燃玻璃布带.2产品表示方法产品规格用宽度和厚度来表示,例如:宽40mm、厚0。
2mm的阻燃玻璃布带的标记为: 40×0.2。
3技术要求3.1布带宽度、厚度及偏差3.1.1 宽度及偏差见表13。
1。
2 厚度及偏差见表23.2外观质量3.2.1厚度均匀,无破洞、毛边、破边。
3.2。
2 涂胶布为双面涂胶,胶层应涂敷均匀,没有漏涂和结疙瘩的地方。
3.2.3 阻燃混合胶浆应浸到布的经纬缝中去,形成均匀胶膜.3。
2。
4 阻燃玻璃布带内外必须卷紧,不得有松散现象,布卷的一端必须卷齐,不同宽度、厚度的布带不能卷在一起。
3。
2.5 阻燃玻璃布带层与层之间不允许粘合。
3。
2.6允许每100盘中有5%的接头,其接头处应用胶粘剂将整个幅面粘牢,搭接也必须对齐,接头处应做好标志。
3.3物理性能见表34.1厚度在试样不受张力的情况下,用精度为0.01mm的千分尺测量,在具有足够代表性的不同部位测5次,记录数值,4.2宽度在厚度合格的布带上用卡尺测量5次,取算术平均值,精确到1mm.4.3外观在自然光线下目测。
4.4物理机械性能4.4.1纵向断裂强力、断裂伸长率在厚度和宽度合格的材料上取180mm×50mm的纵向试样5块,分别放在拉力试验机上测试,将试样一端放在上夹钳中间,轻轻夹住,再将另一端放在下夹钳内,并将试样夹紧,开动机器,使下夹钳按110mm/min的速度向下牵引,到试样断裂时,记录断裂强度和断裂伸长率,取试样的算术平均值,断裂强度精确到2N,伸长率精确到1%。
4.4.2吸水速度从纵向切取5个15mm×100mm的试样,在试样的一端距端部30mm处绘上一条标志线,把该端垂直插入蒸馏水中,使标志线恰好处在水平位置,为便于识别,在蒸馏水中可滴入数滴墨水着色,经10min之后,取出试样,用精度为0。
低压电缆执行标准低压电缆是一种常见的电力传输线路,广泛用于工矿企业、居民区、城市建设及其他领域。
为了确保低压电缆的质量和安全性能,各国都制定了相应的执行标准。
以下是一些常见的低压电缆执行标准和相关参考内容。
1. 中国国家标准中国国家标准对低压电缆的执行要求主要包括以下几个方面:- 《GB/T 12706-2008 》:交联聚乙烯绝缘电力电缆及附件- 《GB/T 18380.3-2016 》:电线电缆燃烧性能第3部分: 试验和要求(IEC 60332-1-1:2004,MOD)- 《GB/T 19666-2005 》:塑料绝缘低烟无卤电缆- 《GB/T 5023-2008 》:聚氯乙烯绝缘电线电缆- 《GB/T 5023.3-2008 》:额定电压450/750V及以下聚氯乙烯绝缘电线电缆第3部分: 轴向燃烧试验2. 美国标准美国的低压电缆执行标准主要由美国国家标准协会(ANSI)和国家电气制造商协会(NEMA)制定。
其中一些重要的标准包括:- 《ANSI/NEMA WC 27500-2015 》:飞机用多核电缆和复合电缆- 《ANSI/ICEA P-54-440-2018 》:低压电缆的设计、比例和性能- 《ANSI/ICEA S-94-649-2010 》:与覆冰和非覆冰条件下低压架空电缆线路设计相关的线路参数和金具选择指南- 《ANSI/IEEE 400-2012 》:工厂相对于现场制造标准 - 电力、控制和仪表电缆和电线3. 欧洲标准欧洲标准的制定由欧洲电子和电气制造商协会(EAMA)和欧洲电气工程师协会(SEE)等机构共同参与。
以下是一些典型的欧洲标准:- 《EN 50525-2-11:2011 》:耐火电缆及光缆系统产品第2-11部分:绝缘聚氯乙烯电力电缆- 《EN 50525-3-41:2011 》:电线和电缆耐火性能的规范,第3-41部分:燃烧特性的试验和要求(IEC 60332-1、IEC 60332-3系列标准的替代标准)- 《IEC 60092-350:2014 》:船用电缆- 《EN 50288-7:2013 》:通信电缆第5部分:测试方法规范4. 国际标准国际电工委员会(IEC)是负责制定跨国标准的机构之一。
船用电缆企业标准1. 引言船用电缆是船舶电力系统的重要组成部分,负责输送电能以供给各种设备和系统使用。
为了确保船舶的正常运行和安全性,船用电缆的设计、制造和安装需要遵循相应的企业标准。
2. 标准适用范围本标准适用于设计、制造和安装船用电缆的企业,旨在规范船用电缆的技术要求、检验标准和质量保证体系。
3. 规范参考本标准参考以下规范进行制定: - 国际电工委员会(IEC)的相关标准 - 国际海事组织(IMO)的相关规定 - 国家相关行业标准和法规4. 术语和定义本标准中使用的术语和定义遵循以下原则: - 同行业标准、国际标准或法规中的术语和定义保持一致 - 需要额外定义的术语和定义在本标准中明确解释5. 技术要求5.1 电缆结构•电缆导体由高纯度铜材料制成,采用多股绞合结构,确保足够的电流承载能力和柔韧性。
•绝缘层采用阻燃材料制造,具有良好的耐热性能和耐腐蚀性能,防止电缆损坏和火灾发生。
•外护套采用耐候性材料制造,能够承受恶劣的海洋环境和紫外线辐射。
5.2 电气性能•电缆导体电阻应符合设计要求,确保电缆输送的电能不会损失过多。
•绝缘电阻应符合设计要求,确保在各种工作条件下都具有良好的绝缘性能。
•电缆的耐压能力应符合设计要求,能够承受额定电压和瞬时过电压。
5.3 机械性能•电缆应具有良好的耐张强度和抗弯性能,能够承受船舶运行时的振动和冲击。
•电缆应具有良好的耐压和耐穿刺性能,能够防止外部物体对电缆造成损坏。
•电缆应具有良好的耐磨性和耐水性,能够适应船舶各种困难的工作环境。
6. 检验标准6.1 外观检查•检查电缆表面是否有异物、划痕或压痕。
•检查电缆外护套是否完整、无裂缝或脱落。
6.2 电性能检测•检测电缆导体的电阻是否符合设计要求。
•检测电缆的绝缘电阻是否符合设计要求。
•检测电缆的耐压能力是否符合设计要求。
6.3 机械性能检测•进行拉伸试验,检测电缆的耐张强度。
•进行抗弯试验,检测电缆的抗弯性能。
•进行耐压试验,检测电缆的耐压性能。
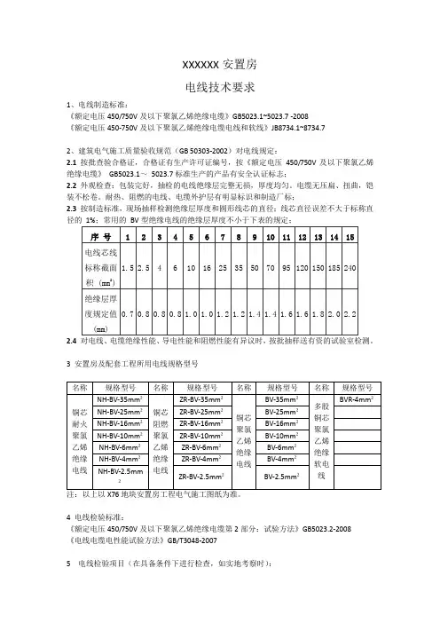
XXXXXX安置房电线技术要求1、电线制造标准:《额定电压450/750V及以下聚氯乙烯绝缘电缆》GB5023.1~5023.7 -2008《额定电压450-750V及以下聚氯乙烯绝缘电缆电线和软线》JB8734.1~8734.72、建筑电气施工质量验收规范(GB 50303-2002)对电线规定:2.1按批查验合格证,合格证有生产许可证编号,按《额定电压450/750V及以下聚氯乙烯绝缘电缆》GB5023.1~5023.7标准生产的产品有安全认证标志;2.2 外观检查:包装完好,抽检的电线绝缘层完整无损,厚度均匀。
电缆无压扁、扭曲,铠装不松卷。
耐热、阻燃的电线、电缆外护层有明显标识和制造厂标;2.3 按制造标准,现场抽样检测绝缘层厚度和圆形线芯的直径;线芯直径误差不大于标称直径的1%;常用的BV型绝缘电线的绝缘层厚度不小于下表的规定;2.43 安置房及配套工程所用电线规格型号4 电线检验标准:《额定电压450/750V及以下聚氯乙烯绝缘电缆第2部分:试验方法》GB5023.2-2008《电线电缆电性能试验方法》GB/T3048-20075 电线检验项目(在具备条件下进行检查,如实地考察时):5.1 外观检查5.1.1 标志电线绝缘层表面应标有制造厂名、产品型号、额定电压以及3C强制认证的连续标志。
其中制造厂名应与营业执照和CCC认证证书一致。
5.1.1.2 标志连续性一个完整标志的末端与下一个标志的始端之间的距离不应超过275mm。
5.1.1.3 耐擦性及清晰度标志可以用油墨印字在绝缘上,其标志应耐擦。
所有标志应字迹清楚。
5.1.2 产品标示方法产品应用型号、规格和标准号标示。
规格包括额定电压和导体标称截面积等5.2 绝缘层外观检查5.2.1 挤包在导体上的绝缘应是PVC/C型聚氯乙烯混合物,包装完整,不存在绝缘损坏现象。
5.2.2 绝缘层厚度根据《电缆和光缆绝缘和护套材料通用试验方法第11部分:通用试验方法——厚度和外形尺寸测量——机械性能试验》GB/T2951.11-2008检查。
铝合金电缆执行标准
铝合金电缆是一种应用广泛的电力线路材料,其执行标准是保障产品质量、确
保安全可靠使用的重要依据。
铝合金电缆执行标准主要包括国家标准、行业标准和企业标准三个层面,下面将分别进行介绍。
国家标准是对铝合金电缆产品性能、规格、质量控制等方面的统一规定。
目前,国内铝合金电缆的国家标准主要参照GB/T 12706.1-2008《额定电压
35kV(Um=40.5kV)以下铜芯、铝芯塑料绝缘电力电缆和耐火电缆》和GB/T 19666-2005《额定电压0.6/1kV~26/35kV交联聚乙烯绝缘电力电缆》等标准进行生产和检验。
行业标准是由行业协会或行业组织制定的,是在国家标准的基础上,根据行业
特点和需求进行的补充和细化。
行业标准对铝合金电缆的生产工艺、质量控制、使用环境等方面进行了更为具体的规定,如《铝合金电缆生产工艺标准》、《铝合金电缆使用与维护标准》等。
企业标准是指企业根据自身的生产实际情况和市场需求,制定的对产品质量和
性能的要求。
企业标准对铝合金电缆的产品规格、外观要求、包装标识等方面进行了详细规定,确保产品能够符合市场需求和用户要求。
总的来说,铝合金电缆执行标准是保障产品质量、确保安全可靠使用的重要依据,国家标准、行业标准和企业标准三者相互配合,共同构建了完善的标准体系。
只有严格执行标准要求,才能够生产出质量可靠、安全耐用的铝合金电缆产品,为电力系统的稳定运行提供有力保障。
8.2 挤出型护套8.2.1 厚度a. 标称厚度应在各后续标准中规定。
b. 光滑圆柱体表面上的护套厚度平均值应不小于标称值,其最薄处的厚度应不小于标称值的85%—0.1mm。
c. 不规则圆柱体表面上的护套(如:内壁渗入缆芯间隙的护套或铠装层上的护套),其最薄处的厚度应不小于标称值的85%—0.2mm。
8.2.2 性能要求符合表6规定。
护套应与绝缘的工作温度相匹配。
表 6护套类型适用的导体工作温度℃技术要求热固性混合物护套65* 符合GB 7594.5中XH-01A型85 符合GB 7594.9中XH-21A型85 符合GB 7594.10中XH-31A型热塑性混合物护套60* 符合本标准附录E中VH-10A型85 符合本标准附录F中VH-20A型注:*——表示对天然丁苯绝缘配套使用8.2.3 表观外套为黑色或灰色,色泽基本均匀,表面圆整光洁,断面密实。
8.3 纤维编织护层8.3.1 纤维编织护层由玻璃丝合成纤维或经防潮处理的麻、棉或石棉绳组成。
8.3.2 编织层的填充系数K应不小于0.6,按式(1)计算:K= (1)式中:n——每锭中纤维根数(或金属丝根数)d——纤维(或金属丝)直径,mmp——单位长度内的交叉锭数(计算时取mm上的值)a——电缆轴线与编织股数的倾斜角8.4 金属铠装外护层8.4.1结构组成如表7规定表7名称结构型式裸铠装外被铠装内衬层+铠装层内衬层+铠装层+外被层8.4.2 内衬层内衬层的结构组成及性能要求应符合表8规定。
表8铠装型式内衬层结构技术要求裸铠装挤出护套符合本标准第8.2条外被铠装a)内护套b) 纤维织带c) 纤维编织套符合本标准第8.3条厚度符合本标准附录B4.4规定,具有防潮性厚度符合本标准附录B4.4规定,具有防潮性8.4.3 铠装层8.4.3.1 编织铠装a. 编织层金属丝应符合表9规定。
表9铠装前计算直径d镀锌钢丝镀锡铜丝标称直径mm镀层要求标称直径mm镀层要求d≤10 10<d≤30 d>30 0.200.300.40按本标准附录G试验合格0.200.300.40铠装前试样,按GB 4909.9试验合格b. 编织覆盖率F按式(2)计算应符合下列规定长度不小于250mm成品电缆试样编织层的重量,应不小于具有相同内径和厚度等于金属丝标称直径的同一种金属管体重的90%。
铝合金电缆企业标准范本一、引言本文档旨在为铝合金电缆生产企业提供一个标准范本,以确保产品的质量和符合相关标准要求。
在生产过程中,严格遵循本标准范本,将有助于提高产品质量,确保使用者的安全和满意度。
本标准范本将涵盖铝合金电缆的规格、材料要求、生产工艺、检测方法等方面,以供企业参考和执行。
二、规格1.铝合金电缆应符合国家和行业有关标准的规定,例如《电线电缆产品质量认证规则》等。
2.铝合金电缆的规格应根据用户需求确定,并在制造过程中严格控制尺寸和规格的误差。
3.铝合金电缆的额定工作电压应符合国家标准,同时要保证产品的电气性能稳定。
三、材料要求1.铝合金电缆的导体应选用高纯度铝合金材料,并经过充分的热处理和冷拉工艺,以确保导体的导电性和机械性能。
2.绝缘层应选用符合国家和行业标准的绝缘材料,具有良好的绝缘性能和耐热性能。
四、生产工艺1.铝合金电缆的生产工艺应按照国家和行业标准要求进行,包括导体加工、绝缘层制作、护套制造等过程。
2.在生产过程中,应严格控制各个环节的质量,确保每一道工序的合格率达到100%。
3.生产过程中应注意环保要求,合理使用材料和资源,减少废弃物的产生。
五、检测方法1.铝合金电缆的检测方法应符合国家和行业标准,包括外观检查、尺寸测量、电气性能测试等。
2.检测设备和仪器应符合相关标准要求,并定期进行维护和校验,保证检测结果的准确性和可靠性。
3.检测数据和记录应妥善保存,以备查证。
六、质量控制1.铝合金电缆企业应建立完善的质量控制体系,包括质量管理制度、质量检测实验室等。
2.企业应定期对生产过程和产品进行质量检查,及时发现和解决存在的问题,并采取有效的纠正措施。
3.对不合格产品,应及时报废或进行修复,并追溯到生产环节,查找原因并采取相应的改进措施。
七、安全生产1.铝合金电缆企业应制定安全生产规定和操作规程,确保生产过程的安全性。
2.安全生产设施应得到有效维护和管理,避免事故和危险的发生。
3.员工应接受安全生产教育和培训,增强安全意识,确保自身和他人的安全。
Q/ZTHX额定电压 0.6/1 kV 铝合金导体交联聚乙烯绝缘电缆中特华星电缆股份有限公司发布目录前言 (1)1 范围 (1)2 规范性引用文件 (1)3 术语和定义 (3)4 电压标示和材料 (4)5 导体 (4)6 绝缘 (5)7 电缆的缆芯、内衬层和填充物 (5)8 铠装 (6)9 外护套 (7)10 试验条件 (9)11 例行试验 (9)12 抽样试验 (10)13 电气型式试验 (13)14 非电气型式试验 (14)15 安装后电气试验 (20)16 电缆产品的补充条款 (20)附录 A(规范性附录)确定护层尺寸的假设直径计算方法 (21)A.1 概述 (21)A.2 方法 (21)附录 B(规范性附录)电缆产品的补充条款 (24)B.1 电缆型号和产品表示方法 (24)B.2 多芯电缆中性线和保护线导体标称截面积 (25)B.3 产品验收规则、成品电缆标志及电缆包装、运输和贮存 (25)B.4 产品安装条件 (26)附录 C(规范性附录)铝合金带技术要求 (27)C.1 范围 (27)C.2 性能 (27)附录 D(规范性附录)数值修约 (28)D.1 假设计算法的数值修约 (28)D.2 用作其它目的的数值修约 (28)附录 E(规范性附录)铠装层的松紧度试验 (29)E.1 试验设备 (29)E.2 试样制备 (29)E.3 步骤 (29)E.4 检查 (29)I附录 F(规范性附录)铠装的张力和伸长试验 (30)F.1 试验设备 (30)F.2 试样制备 (30)F.3 步骤 (30)F.4 检验 (30)附录 G(规范性附录)室温下的挤压试验 (31)G.1 取样 (31)G.2 试验设备 (31)G.3 步骤 (31)G.4 平均挤压力 (31)附录 H(规范性附录)室温下的冲击试验 (31)H.1 试验设备 (31)H.2 步骤 (32)附录 I(资料性附录)压蠕变试验方法 (32)I.1 试样制备与预试验 (32)I.2 试验设备及仪器 (32)I.3 试验方法 (32)I.4 数据记录 (32)I.5 数据处理 (32)I.4 试验报告 (33)图 B.1 产品型号的组成和排列顺序 (25)图 E.1 松紧度试验示意图 (29)图 F.1 夹钳示意图 (30)表 1 电缆导体用铝合金的化学成分 (4)表 2 绝缘标称厚度 (5)表 3 无卤混合料要求 (5)表 4 电缆绝缘的机械性能和特殊性能要求 (6)表 5 挤包内衬层厚度 (6)表 6 铠装铝合金带标称厚度 (7)表 7 电缆护套的机械性能和特殊性能试验要求 (7)表 8 抽样试验样品数量 (10)表 9 体积电阻率和绝缘电阻常数值 (13)表 10 非电气型式试验项目(一) (14)表 11 非电气型式试验项目(二) (15)表 A.1 导体的假设直径 (21)表 A.2 线芯成缆系数 K (22)表 B.1 电缆型号 (24)表 B.2 多芯电缆中性线和保护线导体标称截面积 (25)表 B.3 电缆使用温度与安装环境温度 (26)表 C.1 铝合金带的标称厚度和公差 (27)表 F.1 试样的长度和条件 (30)I前言本标准按照GB/T 1.1-2009给出的规则起草。
ryjs电缆企业标准
截至我知識截止日期(2022年1月),关于“RYJS电缆”的具体企业标准可能需要查阅具体电缆制造企业的技术文档或规范。
一般来说,电缆的标准通常包括国家标准、行业标准和企业标准。
1.国家标准:
-首先,你可以查看中国国家标准中是否有与RYJS电缆相关的标准。
这可能包括《电线电缆一般规定》(GB/T5023)等相关标准。
国家标准一般由国家标准化管理委员会(SAC)发布。
2.行业标准:
-行业标准可能由电力、通信等相关行业协会或组织发布。
你可以查阅行业协会的网站或与行业内的专业组织联系,了解是否有RYJS电缆的相关标准。
3.企业标准:
-电缆制造企业通常会根据自身的技术和质量要求,制定一些企业内部的标准。
这些标准可能包含产品规格、生产工艺、测试方法等。
你可以联系制造RYJS电缆的具体企业,询问他们是否有内部标准或技术规范。
要获得最准确的信息,建议直接与电缆制造企业或相关行业组织联系,并向他们索取最新的技术文档和标准。
此外,由于标准和规范可能随时间而变化,你还应该查阅最新的发布物以确保获取准确和最新的信息。
JB/T 10491是我国关于电线和电缆的一个标准,主要针对的是交联聚烯烃电线和电缆的检验。
该标准分为两个部分:BYJ和RYJ型450/750V、BYJYJ、RYJYJB和RYJYJ型300/500V。
这个标准为企业的生产、选材提供了指引,对于保证电线电缆产品的质量和安全性具有重要意义。
JB/T 10491标准主要包括以下几个方面的内容:
1. 电气性能试验:包括导体电阻、成品电缆2500V电压试验、绝缘线芯2000V电压试验、绝缘长期耐直流电压试验等。
2. 结构尺寸检查:包括结构检查、绝缘厚度、护套厚度、外径、椭圆度等。
3. 绝缘机械性能:包括老化前拉力试验、老化后拉力试验等。
4. 护套机械性能:包括老化前拉力试验、老化后拉力试验、浸水试验等。
5. 热性能试验:包括绝缘热延伸试验、护套热收缩试验等。
6. 低温性能试验:包括绝缘低温弯曲试验、绝缘低温拉伸试验、护套低温弯曲试验、护套低温拉伸试验等。
7. 成品电缆机械强度试验:包括曲挠试验等。
原材料标准电缆用阻燃玻璃布带1 范围本标准规定了电缆用阻燃玻璃布带的表示方法、技术要求、试验方法、检验规则和包装、标志、运输和贮存。
本标准适用于阻燃、耐火电缆绕包用阻燃玻璃布带。
2产品表示方法产品规格用宽度和厚度来表示,例如:宽40mm、厚0.2mm的阻燃玻璃布带的标记为: 40×0.2。
3技术要求3.1 布带宽度、厚度及偏差3.1.1 宽度及偏差见表1表1 宽度及偏差3.1.2 厚度及偏差见表2表2 厚度及偏差3.2 外观质量3.2.1厚度均匀,无破洞、毛边、破边。
3.2.2 涂胶布为双面涂胶,胶层应涂敷均匀,没有漏涂和结疙瘩的地方。
3.2.3 阻燃混合胶浆应浸到布的经纬缝中去,形成均匀胶膜。
3.2.4 阻燃玻璃布带内外必须卷紧,不得有松散现象,布卷的一端必须卷齐,不同宽度、厚度的布带不能卷在一起。
3.2.5 阻燃玻璃布带层与层之间不允许粘合。
3.2.6允许每100盘中有5%的接头,其接头处应用胶粘剂将整个幅面粘牢,搭接也必须对齐,接头处应做好标志。
3.3 物理性能见表3表3 物理性能4.1厚度在试样不受张力的情况下,用精度为0.01mm的千分尺测量,在具有足够代表性的不同部位测5次,记录数值,精确到0.01,取算术平均值。
也可用卡尺测量布带重叠10层的总厚度值,再除以10。
4.2宽度在厚度合格的布带上用卡尺测量5次,取算术平均值,精确到1mm。
4.3外观在自然光线下目测。
4.4物理机械性能4.4.1 纵向断裂强力、断裂伸长率在厚度和宽度合格的材料上取180m m×50mm的纵向试样5块,分别放在拉力试验机上测试,将试样一端放在上夹钳中间,轻轻夹住,再将另一端放在下夹钳内,并将试样夹紧,开动机器,使下夹钳按110mm/min的速度向下牵引,到试样断裂时,记录断裂强度和断裂伸长率,取试样的算术平均值,断裂强度精确到2N,伸长率精确到1%。
4.4.2吸水速度从纵向切取5个15mm×100mm的试样,在试样的一端距端部30mm处绘上一条标志线,把该端垂直插入蒸馏水中,使标志线恰好处在水平位置,为便于识别,在蒸馏水中可滴入数滴墨水着色,经10min之后,取出试样,用精度为0.01mm的量具测量吸水高度,并计算吸水速度,取5个试样的算术平均值,计算结果精确到0.01mm/min。
4.2.3 定量用250mm×200mm的划样板截取纵向试样4块,放在天平称上称重,计算出每平方米的重量,以平方米重量(g/m2)表示,计算到小数点后一位。
计算公式:G=g×5G—每平方米重量g—试样重量5 检验规则5.1 检查和验收5.1.1 材料应由供方质量监督部门检查,并保证产品质量符合本标准要求。
5.1.2 需方对收到的材料应由其验收部门按《原材料验收规范》规定的项目进行复验,如复验结果与标准的规定不符,应在收到产品之日起三个月内向供方提出,由供需双方协商解决。
5.2 组批: 材料检验以同一时间、同一型号、同一规格的为一批,每批重量不超过3吨。
5.3 检验项目每批随机抽取三盘。
按本标准3.1、3.2和3.3条规定的项目进行检验。
5.4 试验结果有一项不合格,则从两倍数量的包装件中随机抽取带材,对不合格项目进行复检,如果仍不合格,则该批料不合格。
6 包装、标志、运输和贮存。
6.1产品外包装应标有生产单位、产品名称、规格、重量及生产日期等内容,并附有制造厂产品检查合格证。
6.2产品内包装用塑料袋,外包装用塑料编织带。
6.3每盘包带中央有一个硬塑料制成的管芯,管芯内孔直径为50±5mm,其厚度为10mm。
每盘阻燃玻璃布带外径不超过400mm。
成盘尺寸也可根据供需双方协商确定。
6.4材料运输过程中不应受到日晒、雨淋和浸水等不正常条件的损害。
6.5材料应贮存在清洁、干燥、通风的库房内,不能与化学品混放。
原材料标准电缆用阻燃填充绳1 范围本标准规定了阻燃、耐火类电缆用阻燃填充绳的产品表示方法、技术要求、试验方法、检验规则及包装、标志、运输和贮存。
本标准适用于本厂采购和验收电缆用阻燃填充绳。
3产品表示方法产品规格用阻燃填充绳直径来表示,例如:阻燃填充绳直径为10mm,应表示为Φ10。
4技术要求4.1 材料特性4.1.1非吸湿性。
4.1.2不燃性。
4.1.3耐高温性。
4.1.4具有一定的抗拉强度。
4.1.5对人体无危害。
4.2 尺寸及偏差阻燃填充绳直径范围:Φ2mm~Φ24mm;直径公差:直径≤10mm的为±0.5 mm;直径 >10mm的为±1mm。
4.3 捻度用5~8捻/200mm的捻度加捻。
4.4 外观质量4.4.1表面无水份、潮气及其它机械杂质。
4.4.2绳条不缺股,捻度均匀。
4.4.3每卷填充绳应为一整根,缠绕紧密整齐,不能有松散缺陷。
卷内断头必须接牢,允许有不大于原直径的牢固结子。
5试验方法5.1填充绳直径及偏差方法1:左、右手间距10mm~20mm握紧填充绳两端,各自向相反方向旋转180度,用卡尺测量填充绳中间部位直径;方法2:用透明胶带在填充绳上用力緾紧二至三圈后,用卡尺测量填充绳中间部位外径。
测量应在同一截面上相互垂直的两个方向进行,共测两处,取算术平均值。
5.2 捻度用解捻式捻度计进行,夹钳间距为200mm。
试验时,把填充绳从卷上拉出,并使不产生增捻或退捻。
然后平直地夹入捻度计的两夹钳内,记录捻度退尽时的读数,精确到0.5捻,每卷试样2个,以每批10个试样的捻度算术平均值作为该批填充绳的捻度值,计算至小数点后一位数字。
5.3 外观质量在自然光线下目测。
6 检验规则6.1 检查和验收6.1.1 填充绳应由供方质量监督部门检查,并保证产品质量符合本标准要求。
6.1.2 需方对收到的填充绳应由其验收部门按《原材料验收规范》规定的项目进行复验,如复验结果与标准的规定不符,应在收到产品之日起三个月内向供方提出,由供需双方协商解决。
6.2 检验项目每批填充绳应进行直径、捻度及外观质量的检验。
6.3 取样位置和取样数量6.3.1 供方以相同规格的50包(每包8卷)为一批,每批随机抽取5包,每包抽取1个试样进行检验。
6.3.2 在距离端部不小于100mm距离处进行测量。
7 包装、标志、运输和贮存7.1产品外包装应标有生产单位、产品名称、规格、重量及生产日期等内容,并附有制造厂产品检查合格证。
7.2产品应成包包装,每包8卷,每卷用塑料袋包装,再用土布成包包装,用打包带扎牢。
7.3每卷填充绳中央可以有一个硬塑料制成的管芯,管芯内孔直径为50±5mm,其厚度为10mm。
每卷外径不超过400mm;宽度不超过500mm;总重量不超过30kg。
成卷尺寸也可根据供需双方协商确定。
7.4材料运输过程中不应受到日晒、雨淋和浸水等不正常条件的损害。
7.5本产品应贮存在清洁、通风、干燥的仓库内。
原材料标准电缆用无纺布1 范围本标准规定了电缆用无纺布的表示方法、技术要求、试验方法、检验规则和包装、标志、运输和贮存。
本标准适用于本厂采购和验收电缆用无纺布。
5产品表示方法产品规格用宽度和厚度来表示,例如:宽60mm、厚0.2mm的无纺布的标记为: 60×0.2。
5技术要求3.1 布带宽度、厚度及偏差3.1.1 宽度及偏差见表1注:根据双方协议,可生产其他规格无纺布。
3.2 外观质量3.2.1厚度均匀,无破洞、毛边、破边。
3.2.2成品无分层、云斑、杂质、卷装应紧密整齐,管芯应圆整(其内径为50±5mm)。
3.2.3允许每100盘中有5%的接头,其接头处应用胶粘剂将整个幅面粘牢,接头处应作好标志。
3.3 物理性能见表3表3 物理性能6试验方法4.5厚度在试样不受张力的情况下,用精度为0.01mm的千分尺测量,在具有足够代表性的不同部位测5次,记录数值,精确到0.01,取算术平均值。
也可用卡尺测量布带重叠10层的总厚度值,再除以10。
4.6宽度在厚度合格的布带上用卡尺测量5次,取算术平均值,精确到1mm。
4.7外观在自然光线下目测。
Q/DJL.J.06.005-20024.8物理机械性能4.8.1 纵向断裂强力、断裂伸长率在厚度和宽度合格的材料上取180mm×50mm的纵向试样5块,分别放在拉力试验机上测试,将试样一端放在上夹钳中间,轻轻夹住,再将另一端放在下夹钳内,并将试样夹紧,开动机器,使下夹钳按110mm/min的速度向下牵引,到试样断裂时,记录断裂强度和断裂伸长率,取试样的算术平均值,断裂强度精确到2N,伸长率精确到1%。
4.8.2吸水速度从纵向切取5个15mm×100mm的试样,在试样的一端距端部30mm处绘上一条标志线,把该端垂直插入蒸馏水中,使标志线恰好处在水平位置,为便于识别,在蒸馏水中可滴入数滴墨水着色,经10min之后,取出试样,用精度为0.01mm的量具测量吸水高度,并计算吸水速度,取5个试样的算术平均值,计算结果精确到0.01mm/min。
4.2.3 定量用250mm×200mm的划样板截取纵向试样4块,放在天平称上称重,计算出每平方米的重量,以平方米重量(g/mm2)表示,计算到小数点后一位。
计算公式:G=g×5G—每平方米重量g—试样重量5 检验规则5.1 检查和验收5.1.1 材料应由供方质量监督部门检查,并保证产品质量符合本标准要求。
5.1.2 需方对收到的材料应由其验收部门按《原材料验收规范》规定的项目进行复验,如复验结果与标准的规定不符,应在收到产品之日起三个月内向供方提出,由供需双方协商解决。
5.2 组批: 材料检验以同一时间、同一型号、同一规格的为一批,每批重量不超过3吨。
5.3 检验项目每批随机抽取三盘。
按本标准3.1、3.2和3.3条规定的项目进行检验。
5.4 试验结果有一项不合格,则从两倍数量的包装件中随机抽取带材,对不合格项目进行复检,如果仍不合格,则该批料不合格。
6包装、标志、运输和贮存6.1产品外包装应标有生产单位、产品名称、规格、重量及生产日期等内容,并附有制造厂产品检查合格证。
6.3产品内包装用塑料袋,外包装用塑料编织带。
6.3每盘包带中央有一个硬塑料制成的管芯,管芯内孔直径为50±5mm,其厚度为10mm。
每盘外径不超过400mm。
成盘尺寸也可根据供需双方协商确定。
6.4材料运输过程中不应受到日晒、雨淋和浸水等不正常条件的损害。
6.5材料应贮存在清洁、干燥、通风的库房内,不能与化学品混放。
原材料标准电缆用聚丙烯填充绳1 范围本标准规定了电缆用聚丙烯填充绳的产品表示方法、技术要求、试验方法、检验规则及包装、标志、运输和贮存。
本标准适用于本厂采购电缆用聚丙烯填充绳。
2产品表示方法产品规格用填充绳直径来表示,例如:填充绳直径为16mm,应表示为Φ16。