1.2016年工业产品设计试题
- 格式:doc
- 大小:550.00 KB
- 文档页数:4
2016(工业产品CAD)练习题试题(四)闹钟2016年全国职业院校技能大赛中职组“计算机辅助设计(工业产品CAD)”赛项一、竞赛内容本赛项分为基础设计和设计创新两个模块。
两个模块均为现场比赛,合并计时4小时。
各模块的详细内容与要求如下。
竞赛模块内容要求时间形式一基础设计参赛选手需在比赛现场根据给出的设计图完成现有产品模型建立与设计表达。
需提交的文件包括产品的零件、部件、工程图及效果图等。
部件包括装配模型、表达视图模型;工程图包括产品的六视图、爆炸图、零件图。
240分钟现场操作二设计创新参赛选手需在比赛现场根据给定的设计要求,完成产品的设计创新、模型建立与设计表达。
设计要求包括产品的尺寸、功能要求,以及产品的制作要求等;设计表达包括产品的工程图(六视图、爆炸图等)及表达文件(效果图、动画、和说明文档)。
二、技术规范赛项涉及技术规范如下。
类别内容要求产品设计功能分析能根据用户信息分析得到产品应有的功能。
结构设计能分析得出满足产品功能要求的相应结构。
使用方便产品应满足用于便捷性要求。
使用安全产品应满足使用安全性要求。
结构合理产品结构合理,零部件之间连接关系恰当。
造型美观产品应运用合理的造型与色彩,具有一定的美感。
软件操作零件建模熟练掌握Inventor建模工具,包括拉伸、旋转、扫掠、放样、抽壳、加强筋、拔模、凸雕等基本工具;工作点、工作轴、工作面等辅助工具;嵌片、缝合、灌注、修剪等曲面工具;止口、凸柱、支撑台等塑料件工具。
理解和灵活运用“自下而上”及“自上而下”两种建模方法,熟练掌握“多实体”建模技术。
能为零件模型选择正确的材质与合理的色彩。
部件装配熟练掌握零部件装入与零部件约束操作,熟练应用零部件装入、约束、联接等工具。
工程图能根据国家标准与赛题要求设置工程图样式,熟练掌握工程图视图与标注工具,包括基础视图、投影视图、斜视图、剖视、局部视图、断裂画法、局部剖视图等视图工具;尺寸、连续尺寸、明细栏、引出序号等标注工具。
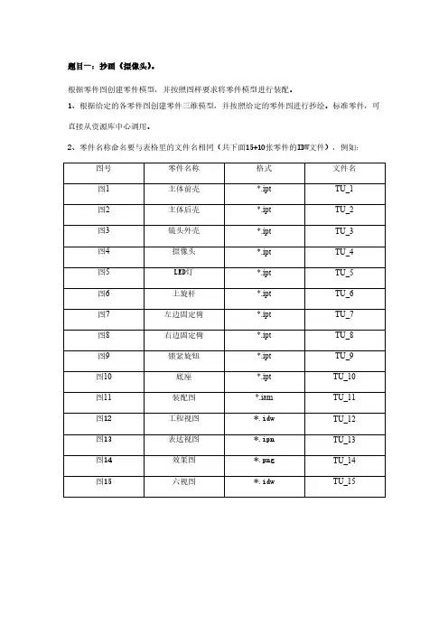
题目一:抄画《摄像头》。
根据零件图创建零件模型,并按照图样要求将零件模型进行装配。
1、根据给定的各零件图创建零件三维模型,并按照给定的零件图进行抄绘。
标准零件,可直接从资源库中心调用。
2、零件名称命名要与表格里的文件名相同(共下面15+10张零件的IDW文件),例如:参考效果图1装配题目二、基础改进要求在第一题的基础上改进,改进要求做麦克风发生孔;摄像头要能折叠;做一个可以独立连接的视频插槽,能够独立使用。
改进后的产品商标为 video。
要进行合理的装配,接触装配合理,产品表达要清楚。
完成产品装配六视图与爆炸图,设计说明,并渲染输出三张效果图。
(其它不用做)。
参考图:题目三:根据给定的外观视图进行三维建模,并输出效果图对电风扇外观造型,用 Inventor 软件重新创意、设计制作,重新生成主要外观零件的数字模型;并制作零件的六视图、产品装配图、产品外观六视图、爆炸图等工程图纸,标注主要尺寸;设计说明最好在 150 字左右;以 45 度的角度出两张效果图。
一.设计参数电风扇外形尺寸(长×宽×高)尺寸自定,符合一般家庭用二.设计要求:1.按照设计师的意图,完整详细的再现整个设计;2. 设计外观相关的零件和装配,内部电路板不用画出;三.具体设计内容1. 电风扇体设计:建模不走样,参考下图,色彩自定。
2. 支撑脚:要求有符合生活的高度,卡位可以使电风扇上下移动和转动。
3. 扇叶设计:可进行自行设计,如下图示。
4. 按钮柜:位置自定,可进行自行设计,如最后一图示。
5.栅格孔:如可以设计不同形状的孔进出风6.滑动卡扣、螺钉固定自定。
“工业产品设计”项目试题•考试时间240分钟,试卷共设两道大题。
•请按照题目规定的路径及名称保存文件。
•考试过程中,请考生及时保存文件,以便设备故障时迅速恢复。
题目1 咖啡壶(70分)1.任务概述(1)咖啡壶的六视图、爆炸图及明细栏如图 1.1(a)、(b)所示,请根据给出的图纸,完成咖啡壶数字模型的建立与设计表达。
图1.1(a)图1.1(b)(2)仅要求根据给出的图纸及要求,完成外观相关的零件和装配,咖啡壶的详细内部结构无需考虑。
(3)工程图参考现有图纸,按机械制图国家标准(GB/T4457-GB/T4459)制图。
(4)需提交的文件见表1.1。
2.详细要求(1)咖啡壶部件“玻璃壶”的设计咖啡壶部件“玻璃壶”的设计图纸如图1.2所示。
请根据该图创建玻璃壶的数字模型。
图1.2(2)咖啡壶部件“玻璃壶把、过滤杯”的设计咖啡壶部件“玻璃壶把、过滤杯”的设计图纸如图1.3、1.4所示。
请根据该图创建玻璃壶把、过滤杯数字模型。
图1.3图 1.4(3)咖啡壶部件“玻璃壶盖”的设计咖啡壶部件“玻璃壶盖”的设计图纸如图1.5所示。
请根据该图创建玻璃壶盖的数字模型。
图1.5(4)咖啡壶部件“玻璃壶金属圈”的设计咖啡壶部件“玻璃壶金属圈的设计图纸如图1.6所示。
请根据该图创建数字模型。
图1.6(5)咖啡壶的“过滤网”设计咖啡壶部件“过滤网”的设计图纸如图1.7所示。
请根据该图创建数字模型。
图1.7(6)咖啡壶的“壶盖”设计咖啡壶部件“壶盖”的设计图纸如图1.8所示。
请根据该图创建壶盖数字模型。
图1.8(7)咖啡壶的“开关”设计咖啡壶部件“开关”的设计图纸如图1.9所示。
请根据该图创建开关数字模型。
图1.9(8)咖啡壶的“前面板”设计咖啡壶部件“前面板”的设计图纸如图1.10所示。
请根据该图创建前面板的数字模型。
图1.10(9)咖啡壶的“上主体”设计咖啡壶部件“上主体”的设计图纸如图1.11所示。
请根据该图创建前上主体的数字模型。
2016年全国职业院校技能大赛中职组“计算机辅助设计(工业产品CAD)”赛项一、竞赛内容本赛项分为基础设计和设计创新两个模块。
两个模块均为现场比赛,合并计时4小时。
各模块的详细内容与要求如下。
二、技术规范赛项涉及技术规范如下。
二、成绩评定赛项各模块评分方法、细则及评分原则如下。
四、创意设计基本要求:•贴近实际,实用性强,能与图片所给基本吻合;•完成图片所示结构外观设计。
需提交的文件包括:1、所有零件的数字模型(“.ipt”文件);2、主要零件工程图(“.idw”文件,选取2个主要零件生成零件工程图即可);3、产品的装配模型(“.iam”文件);4、产品的表达视图(“.ipn”文件);5、由表达视图文件(“.ipn”文件)生成的爆炸图及明细表(“.idw”文件);6、3张不同角度的外观效果图(“.jpg”文件);7、说明文档(“.doc”文件);题目1、基础设计1、按如下所示图纸内容绘制闹钟的各部分三维数字建模图形(将其分别保存在考生文件夹下)。
(保存为.ipt、.prt或.dwg格式三维造型零件)零件1——闹钟外壳2、将闹钟外壳零件生成工程图,用充足的试图表达清楚其各部分造型,同时对该工程图进行尺寸标注。
(保存为.drw、.idw或.dwg格式图形文件)零件2——玻璃镜面零件3——塑料垫圈零件4——电机面板零件5——马达壳体零件6——机械结构壳体零件7——闹钟后盖零件8——调节旋钮零件9——支杆零件10——铃铛零件11——打击小锤零件12——把手零件13——支撑立柱3、按下图提示对闹钟进行装配,装配完成后要求选手在零件资源库中选取两个合适的沉头螺钉装在后盖上,两个带盖子的螺母装在把手上方。
(保存为.asm或.iam装配文件)4、要求选手对表盘、时针、分针、秒针进行设计,建立三个新的实体三维造型(时针、分针、秒针)并将其三者通过电子面板中间的孔进行装配,完成闹钟产品设计。
(保存为.ipt、.prt或.dwg格式三维造型文件)5、生成闹钟产品爆炸图,并在明细栏中指明各零部件材质型号等工艺内容。
工业产品设计(CAD )竞赛样题一、 工业产品设计比赛题目表: 比赛时间:240分钟1. 收音机根据“收音机.pdf” 工程图和已提供的配件,完成收音机产品设计。
[设计要求]1) 零件尺寸需与工程图一致。
2) 总装无干涉。
[交付数据]1) 三维模型:收音机所有零部件。
2) 二维工程图:收音机所有零部件工程图。
2. 计算器支架根据本题提供的“计算器.stp”模型,参考下图完成产品设计。
参考图:设计要求]1)如参考图3所示,支架夹角为75度。
2)产品整体比例协调,总装无干涉。
[交付数据]1)三维模型:计算器支架零件和总装配。
三、产品创新USB迷你风扇1. 概述USB迷你风扇是应用在台式电子计算机或是笔记本电脑的USB接口的微型电风扇。
新型的无刷直流电机风扇比起传统的马达风扇更安静、更省电、寿命更长。
2. 种类1)便携型USB风扇便携型USB风扇可以采用电池供电,并且可以折叠。
2)直连型USB风扇特点是没有底座和线缆,直接通过一根细长的波纹管连接USB口。
3)普及型USB风扇外形比较简单,功能也很简单,只有ON/OFF的电源开关,风扇的转速不能调节。
最大的优点是风量较大,噪音也较小。
4)可调速USB风扇电源开关采用旋钮型,最大的特点当然是可以调整风量的大小。
扇叶采用氨甲酸酯制成,软柔,风量不大,噪音也不大。
电机和底座部分用柔韧的管连接,能调整吹风的角度。
图1 图2 图3 45)创意USB风扇小风扇也有大个性,更好的空气型结构能使送风更彻底,同时加上设计创意的元素,让小风扇变的更有吸引力。
3. 设计说明1)根据本题提供的核心部件完成USB迷你风扇设计。
[设计要求]1)主要配件:底座、扇叶、电机(已提供)、USB接口等。
2)产品零部件数量不限,产品总高≤26cm,核心部件可多次使用。
3)产品结构合理,能正常使用。
4)除紧固件外其余零部件不能存在干涉。
[设计要求]1)三维模型:USB迷你风扇所有零部件(包含核心部件)。
“2016年全国职业院校技能大赛”高职组工业产品造型设计与快速成型赛项任务书(试题10)二〇一六年五月六日注意事项1、参赛选手在比赛过程中应该遵守相关的规章制度和安全守则,如有违反,则按照相关规定在考试的总成绩中扣除相应分值;2、参赛选手的比赛任务书用工位号标识,不得写有姓名或与身份有关的信息,否则视为作弊,成绩无效。
3、比赛任务书当场启封、当场有效。
比赛任务书按一队一份分发,竞赛结束后当场收回,不允许参赛选手带离赛场,也不允许参赛选手摘录有关内容,否则按违纪处理。
4、各参赛队注意合理分工,选手应相互配合,在规定的比赛时间内完成全部任务,比赛结束时,各选手必须停止操作计算机。
5、请在比赛过程中注意实时保存文件,由于参赛选手操作不当而造成计算机“死机”、“重新启动”、“关闭”等一切问题,责任自负。
6、在提交的电子文档和A3草图上不得出现与选手有关的任何信息或特别记号,否则将视为作弊。
7、若出现恶意破坏赛场比赛用具或影响他人比赛的情况,取消全队竞赛资格。
8、请参赛选手仔细阅读任务书内容和要求,竞赛过程中如有异议,可向现场裁判人员反映,不得扰乱赛场秩序。
9、遵守赛场纪律,尊重考评人员,服从安排。
10、各阶段电子文件保存在一个文件夹中,命名为详见试题要求,文件夹复制到赛场提供的U盘移动存储器中,装入信封封好,选手和裁判共同签字确认。
“产品创意及造型设计”阶段(总时间:5小时)一、任务名称无蒸汽电熨斗设计二、原产品概况1. 产品名称:蒸汽电熨斗;2. 产品用途:电熨斗是平整衣服和布料的工具,功率一般在300—1000W之间。
它的类型可分为:普通型、调温型、蒸汽喷雾型等。
普通型电熨斗结构简单,价格便宜,制造和维修方便。
调温型电熨斗能杂60—250℃范围内自动调节温度,能自动切断电源,可以根据不同的衣料采用适合的温度来熨烫,比普通型来得省电。
蒸汽喷雾型电熨斗既有调温功能,又能产生蒸汽,熨烫效果更好电熨斗的结构和外形如图所示,它是在普通电熨斗的基础上加装双金属温控器和指示装置,可对温度进行限制和调节。
“2016年全国职业院校技能大赛”高职组工业产品造型设计与快速成型赛项任务书(试题4)二〇一六年五月六日注意事项1、参赛选手在比赛过程中应该遵守相关的规章制度和安全守则,如有违反,则按照相关规定在考试的总成绩中扣除相应分值;2、参赛选手的比赛任务书用工位号标识,不得写有姓名或与身份有关的信息,否则视为作弊,成绩无效。
3、比赛任务书当场启封、当场有效。
比赛任务书按一队一份分发,竞赛结束后当场收回,不允许参赛选手带离赛场,也不允许参赛选手摘录有关内容,否则按违纪处理。
4、各参赛队注意合理分工,选手应相互配合,在规定的比赛时间内完成全部任务,比赛结束时,各选手必须停止操作计算机。
5、请在比赛过程中注意实时保存文件,由于参赛选手操作不当而造成计算机“死机”、“重新启动”、“关闭”等一切问题,责任自负。
6、在提交的电子文档和A3草图上不得出现与选手有关的任何信息或特别记号,否则将视为作弊。
7、若出现恶意破坏赛场比赛用具或影响他人比赛的情况,取消全队竞赛资格。
8、请参赛选手仔细阅读任务书内容和要求,竞赛过程中如有异议,可向现场裁判人员反映,不得扰乱赛场秩序。
9、遵守赛场纪律,尊重考评人员,服从安排。
10、各阶段电子文件保存在一个文件夹中,命名为详见试题要求,文件夹复制到赛场提供的U盘移动存储器中,装入信封封好,选手和裁判共同签字确认。
“产品创意及造型设计”阶段(总时间:5小时)一、任务名称计数跳绳设计二、原产品概况1、产品名称:普通跳绳;2、产品功能:如下图所示:图1:普通跳绳产品3、普通跳绳作为大家很熟悉的运动产品,拟设计的计数跳绳,增加趣味性,对于儿童而言,增加数字感念与提高记数能力;三、创新设计要求1、跳绳计数工作原理。
如图2所示:跳绳所用的为透明PVC材质,转动头上有二个孔,PVC绳子穿过2个孔,能靠摩擦力不会松开,转动头安装在机身上,与机身孔配合实现可转动,跳绳一次,PVC特性的绳子带动转动头转动一圈,转动头通过端面凸轮带动转轴旋转一圈,转轴上有凸条,压簧片为赏闭状态(与触点接触),当转轴的凸条旋转到一定位置顶起压簧片,从而迫使压簧片与触点分离,这就等到了计数一次的信号。
2016年全国职业院校技能大赛中职组
“计算机辅助设计(工业产品CAD)”赛项
一、竞赛内容
本赛项分为基础设计和设计创新两个模块。
两个模块均为现场比赛,合并计时4小时。
各模块的详细内容与要求如下。
二、技术规范
赛项涉及技术规范如下。
二、成绩评定
赛项各模块评分方法、细则及评分原则如下。
四、创意设计
基本要求:
•贴近实际,实用性强,能与图片所给基本吻合;
•完成图片所示结构外观设计。
需提交的文件包括:
1、所有零件的数字模型(“.ipt”文件);
2、主要零件工程图(“.idw”文件,选取2个主要零件生成零件工程图即可);
3、产品的装配模型(“.iam”文件);
4、产品的表达视图(“.ipn”文件);
5、由表达视图文件(“.ipn”文件)生成的爆炸图及明细表(“.idw”文件);
6、3张不同角度的外观效果图(“.jpg”文件);
7、说明文档(“.doc”文件);
题目1、基础设计
题目2、创新设计。
“2016年全国职业院校技能大赛”高职组工业产品造型设计与快速成型赛项任务书(试题7)二〇一六年五月六日“产品创意及造型设计”阶段(总时间:5小时)一、任务名称新型流量表设计二、原设计产品概况1、产品名称:流量表(如图1);图1 流量表2、产品外形最大尺寸(长×宽×高):120×100×50;3、产品外壳材料:聚碳酸酯(PC);4、用途与功能:适用于普通家庭地暖混水系统,根据温度设定,控制房间内地暖水管内冷水和热水的比例;5、显示方式:液晶屏显示设定温度或房间内实际温度;6、设定方式:通过按压模式、上升、下降三个按钮设定设定或显示房间温度。
7、内部电器元器件、线路板及与之连接的管道三维数字模型在比赛场地提供的U盘中。
三、创新设计要求在内部电器元器件、线路板及与之连接的管道不变的前提下,设计新型外壳,要求:1、原产品的外形偏大,造型不够美观,设计不够紧凑;现产品要求结构紧凑,减少产品的厚度,采用上下盖的结构设计。
2、外形美观,曲面饱满、光顺,线条清晰,色彩漂亮、协调。
3、原产品外表面光亮,新产品外表面为磨砂(亚光)质感;4、要求产品结构满足功能需求,布局合理;5、新产品具有较好的工艺性和经济性,且工作可靠、有足够的机械强度和抗跌落性;6、新产品结构具有良好的装配性;7、新产品具有良好的操作性,并且便于插拔,符合人机工学;8、为了增加产品的多功能性,在新产品上增加1个有实际作用的创新点。
四、产品创意及造型设计阶段任务、要求和提交物任务一:产品创意草图绘制(25分)参赛选手按照给定条件,使用马克笔、水笔或铅笔在A3纸上采用透视画法完成设计草图(横构图),概要表达产品的外观特征和各创意点。
提交A3手绘草图1张,在右下角指定位置填写“抽签工位号(含字母)”。
分值指标分配如下:指标手绘技能设计创意及表达产品形态图面整体布局分值7 8 4 6任务二:产品外观造型设计(22分)产品外观造型设计:参赛选手选用计算机预装软件,利用给定内部零件资料(u盘中的stp 文件),结合工业设计专业知识,按照手绘的创意表达,进行产品外观三维造型设计。
(二)创意产品设计
参赛选手根据所提供的考题文件,现场提供的软硬件环境,以所提供的的产品(USB HUB)线路板图纸尺寸为参考,对USB HUB外观造型,用Inventor软件重新创意、设计制作,重新生成主要外观零件的数字模型;并制作零件的六视图、产品装配图、产品外观六视图、爆炸图等工程图纸,标注主要尺寸;制作出产品立体渲染效果图(斜45°视角);选手用不超过一百字的文档对设计的产品进行创意解释,并保存成Word或Txt文档,存到指定文件夹。
要求:设计USB HUB必须包含线路板hub1,线路板hub2可以多次调用,以创建多口USB HUB,但最多不超过8口。
图17
图18。
“2016年全国职业院校技能大赛”高职组工业产品造型设计与快速成型赛项任务书(试题7)二〇一六年五月六日“产品创意及造型设计”阶段(总时间:5小时)一、任务名称新型流量表设计二、原设计产品概况1、产品名称:流量表(如图1);图1 流量表2、产品外形最大尺寸(长×宽×高):120×100×50;3、产品外壳材料:聚碳酸酯(PC);4、用途与功能:适用于普通家庭地暖混水系统,根据温度设定,控制房间内地暖水管内冷水和热水的比例;5、显示方式:液晶屏显示设定温度或房间内实际温度;6、设定方式:通过按压模式、上升、下降三个按钮设定设定或显示房间温度。
7、内部电器元器件、线路板及与之连接的管道三维数字模型在比赛场地提供的U盘中。
三、创新设计要求在内部电器元器件、线路板及与之连接的管道不变的前提下,设计新型外壳,要求:1、原产品的外形偏大,造型不够美观,设计不够紧凑;现产品要求结构紧凑,减少产品的厚度,采用上下盖的结构设计。
2、外形美观,曲面饱满、光顺,线条清晰,色彩漂亮、协调。
3、原产品外表面光亮,新产品外表面为磨砂(亚光)质感;4、要求产品结构满足功能需求,布局合理;5、新产品具有较好的工艺性和经济性,且工作可靠、有足够的机械强度和抗跌落性;6、新产品结构具有良好的装配性;7、新产品具有良好的操作性,并且便于插拔,符合人机工学;8、为了增加产品的多功能性,在新产品上增加1个有实际作用的创新点。
四、产品创意及造型设计阶段任务、要求和提交物任务一:产品创意草图绘制(25分)参赛选手按照给定条件,使用马克笔、水笔或铅笔在A3纸上采用透视画法完成设计草图(横构图),概要表达产品的外观特征和各创意点。
提交A3手绘草图1张,在右下角指定位置填写“抽签工位号(含字母)”。
分值指标分配如下:任务二:产品外观造型设计(22分)产品外观造型设计:参赛选手选用计算机预装软件,利用给定内部零件资料(u盘中的stp 文件),结合工业设计专业知识,按照手绘的创意表达,进行产品外观三维造型设计。
济南市历城区职业院校技能大赛
工业产品设计试题
1、根据图纸中所示的轴测图按1:1的比例绘制三视图,绘制好的图形以“支架.dwg”为文件名保存到桌面。
(40分)
要求:(1)三视图的绘制符合国家标准(20分)
(2)尺寸标注正确,符合标准。
尺寸每标错一处扣一分扣完为止。
(10分)
(3)图层、线型、线宽、尺寸样式等应用要得当(10分)
2、在AutoCAD 环境中绘制图形,绘制好的图形以“连杆.dwg”为文件名保存到桌面。
(60分)
要求:
(1)按图中所标注的尺寸采用1:1的比例抄画,视图的布局符合国家标准。
(30分)(2)尺寸标注(15分)。
尺寸每标错一处扣一分扣完为止。
(3)图层、线型、线宽、尺寸样式等应用要得当(15分)。
(注意:座号中只写座位号,否则试卷作废)年天津市中等职业学校“圣纳﹒有道杯”技能大赛计算机辅助设计(工业产品CAD)试题1.本试卷总分600分。
其中,题目一为100分,题目二为300分,题目三为200分。
2.本场比赛时间为180分钟,比赛过程中提前退场者视为主动终止比赛。
3.参赛选手在桌面以考场工位号建立文件夹,按题目要求将文件存到指定文件夹。
4.考试过程中,考生不得向监考教师提出关于操作的问题。
如遇设备故障,可举手示意监考教师。
5.选手在文件夹的命名或作品中不得透露本人信息;在考试过程中,不得使用U盘等移动存储介质传递文件。
如有违反,即刻取消参赛资格。
题目一:台灯一、产品名称和外形要求1.名称:台灯2.外形:如下图所示二、设计要求1.按照设计师的意图,根据给定图纸尺寸,完整详细的再现整个设计,建立所有零件三维数字模型。
2.按照图纸要求进行装配设计,创建表达式图和装配视频。
3.根据所建零件模型,创建完整图纸。
4.设计三种配色方案,创建渲染后的效果图三、输出要求1.要求考生在桌面上创建以工位号为文件名的考生文件夹。
2.在考生文件夹中建立“台灯”工程文件夹。
3.创建单用户项目,各零件与图纸一致以汉字名称命名,如:“灯罩.ipt”。
4.在该项目文件夹中,存放各零件模型、零件图、装配图、表达视图、六视图、渲染效果图和装配视频文件。
四、模型设计草图见附件题目二:照相机一、产品名称、外形和尺寸要求1.名称:照相机·2.外形:如下图所示3.尺寸要求外形尺寸(长×宽×高,mm)328×222×6二、设计要求1.按照设计师的意图,根据给定图纸尺寸,完整详细的再现整个设计,建立所有零件三维数字模型。
2.按照图纸要求进行装配设计,创建表达式图和装配视频。
3.根据所建零件模型,创建完整图纸。
4.设计三种配色方案,创建渲染后的效果图三、输出要求1.要求考生在桌面上创建以工位号为文件名的考生文件夹。
一、填空。
1、工业设计是一门以工业化大批量生产为前提条件的,涉及艺术与科学两大范畴的新兴边缘学科。
2、消费者的多元化需要向工业产品造型设计提出了更高的要求。
3、产品全球化的竞争迫使企业越来越重视工业产品造型设计。
4、节奏是韵律的条件,韵律是节奏的深化。
5、产品造型具有物质产品和艺术作品的双重特征。
6、舒适和有效是人机工程学的核心。
7、人工作、生活、休息的三种姿势:站、坐、卧。
8、韵律的种类有:连续韵律、渐变韵律、交错韵律、起伏韵律。
9、停止、警戒信号灯大多采用红色。
因为这种颜色有温暖的印象,双称为暖色。
10、绿色是使眼睛最能适应和最能获得休息的颜色,在自然界中,它是植物的颜色,也称为生命色。
11、商品标志是区别不同生产者生产的商品标记,经注册后,就取得了专利权,它通常由文字、图形组成。
12、视觉显示器按指示方式可以分为三类:指针式、数字式、图形式。
13、人机工程学研究的主要内容就是“人—机—环境”系统,简称人机系统。
14、直线能给人以严格、坚硬、明快、正直、力量的感觉。
15、现实形态根据形态生成的原因又可分为自然形态和人为形态两类。
16、产品造型考虑如何利用错视及防止、纠正错视。
二、选择。
1、工业产品造型设计不是简单的机器或用具的美化,是将技术、消费者心理与视觉艺术有机结合起来的一门边缘性学科。
2、对一个矩形区域,人的视觉中心往往高于实际中心。
3、下图中四个几何图形的面积相等,但看起来三角形的面积最大。
(圆、三角形、方形、菱形)4、在下图中两组图形的中心圆是一样大小。
但由于周围大小不同的圈对比错视结果,就感觉右边的圆大一点,而左边的圆小一点。
5、在下图中矩形的排列方式属于渐变韵律。
6、企业请名人作为形象代言人是为了建立企业的CI。
7、消费者的多元化需求向工业产品造型设计提出了更高的要求。
8、产品全球化竞争迫使企业越来越重视工业产品造型设计。
9、水平线具有安详、宁静、稳定、永久、松弛的感觉。
10、产品一旦失去物质功能,产品的精神功能也随之丧失。
2016年职业院校学生技能竞赛
时量:240分钟
抽签号:计分:装订线
一、竞赛规则
1、比赛正式开始前赛点把电子档试卷发送到参赛者计算机桌面上面并分发纸质试卷。
2、本比赛项目根据《2016年常德市职业院校学生技能竞赛计算机辅助设计(工业产品CAD)技术赛项规程》所提供的软件环境,不包含第三方插件等辅助软件,也不允许参赛者携带任何软件进入赛场。
3、不允许在完成的作品中以任何形式透露参赛选手的身份信息,否则不计成绩。
二、竞赛说明与要求
1、参赛选手首先在E:/XX以选手自己的“机位号”命名创建一个文件夹,参赛作品一定要放到该文件夹中,创建的子文件名以题目号命名,放在指定文件夹外的文件,不计成绩。
2、图中尺寸单位均为mm。
3、比赛结束前5分钟,参赛选手应进行作品的检查和存盘。
比
赛时间一到,不要关闭计算机,留下全部下发物品后立即离开赛场。
4、参赛作品要及时存盘,以免数据丢失影响比赛成绩。
三、竞赛题目
1、下图为手动气阀装配示意图模型。
(共40分)
1、气阀杆
2、密封圈
3、阀体
4、螺母
5、阀芯
6、手柄如图所示,手动气阀装配由气阀杆、密封圈、阀体、螺母、阀芯手柄组成。
请完成下列题目:
(1)根据“阀体”和“气阀门”的图纸,建立三维模型。
(10分)
(2)按照题目1中的工程图,创建“阀体”和“气阀体”的工程图文件。
(10分)
(3)利用题目1中建立的模型以及已经给出的其他模型(见“手动气阀”文件夹),完成手动气阀的装配。
(10分)
(4)创建部件手动气阀的爆炸图(表达视图)。
(5分)
(5)根据题目3完成的装配图,对其进行简单的效果渲染,制作效果图。
(5分)
答题要求:
竞赛题目答案(文件夹中要包含:1三维模型、2工程图、3爆炸图、4装配图、5效果图)
2、自主创意设计(60分)
参赛选手根据所提供的考题文件,现场提供的软硬件环境,对空调扇用Inventor软件创意、设计制作,生成主要外观零件的数字模型;并制作核心零件的工程图(1张整体装配图、4张核心零件工程图)、对产品进行装配、制作装配演示视频、爆炸图,编写产品设计说明书,制作出产品立体渲染效果图(5张以上)(斜45°视角)。
并且要求使用Inventor塑料零件设计功能中的栅格孔,凸柱,卡扣式连接,止口
等方法进行设计,设计样式可以参考如下图所示,也可以自行创新设计。
内部重要部件:
手提功能:
控制面板:
答题要求:
竞赛题目答案(文件夹中要包含: 1零件图、2工程图、3装配图及装配演示视频、4爆炸图、5效果图、6 产品设计说明书)均存储在桌面/xxx(选手座位号)文件夹第二题子文件夹内,并按“零件图、工程图、爆炸图、装配图及装配演示视频、效果图、产品设计说明书”建子文件夹,分别存储。