城镇道路工程(CJJ1-2008)检验批质量检验记录表格
- 格式:doc
- 大小:2.23 MB
- 文档页数:162
本文件内所有表格目录土方路基检验批质量检验记录市政质检·1·1第页,共页挖石方路基检验批质量检验记录市政质检·1·2第页,共页填石方路基检验批质量检验记录市政质检·1·3第页,共页路肩检验批质量检验记录市政质检·1·4第页,共页砂垫层软土路基检验批质量检验记录市政质检·1·5第页,共页反压护道路基检验批质量检验记录市政质检·1·6第页,共页土工材料处理软土路基检验批质量检验记录市政质检·1·7第页,共页袋装砂井检验批质量检验记录市政质检·1·8第页,共页塑料排水板检验批质量检验记录市政质检·1·9第页,共页砂桩处理软土路基检验批质量检验记录市政质检·1·10第页,共页碎石桩处理软土路基检验批质量检验记录市政质检·1·11第页,共页粉喷桩处理软土路基检验批质量检验记录市政质检·1·12第页,共页湿陷性黄土强夯路基检验批质量检验记录市政质检·1·13第页,共页石灰稳定土,石灰、粉煤灰稳定砂砾(碎石),粉煤灰稳定钢渣基层及底基层检验批质量检验记录市政质检·1·14第页,共页水泥稳定土类基层及底基层检验批质量检验记录市政质检·1·15第页,共页级配砂砾(级配砂石)基层及底基层检验批质量检验记录市政质检·1·16第页,共页级配碎石及级配碎砾石基层和底基层检验批质量检验记录市政质检·1·17第页,共页沥青混合料(沥青碎石)基层检验批质量检验记录市政质检·1·18第页,共页沥青贯入式基层检验批质量检验记录市政质检·1·19第页,共页热拌沥青混合料检验批质量检验记录市政质检·1·20第页,共页热拌沥青混合料面层检验批质量检验记录市政质检·1·21第页,共页。
土方路基检验批质量检验记录市政质检·1·1第页,共页挖石方路基检验批质量检验记录市政质检·1·2第页,共页填石方路基检验批质量检验记录市政质检·1·3第页,共页路肩检验批质量检验记录市政质检·1·4第页,共页砂垫层软土路基检验批质量检验记录市政质检·1·5第页,共页反压护道路基检验批质量检验记录市政质检·1·6第页,共页土工材料处理软土路基检验批质量检验记录市政质检·1·7第页,共页袋装砂井检验批质量检验记录市政质检·1·8第页,共页塑料排水板检验批质量检验记录市政质检·1·9第页,共页砂桩处理软土路基检验批质量检验记录市政质检·1·10第页,共页碎石桩处理软土路基检验批质量检验记录市政质检·1·11第页,共页粉喷桩处理软土路基检验批质量检验记录市政质检·1·12第页,共页湿陷性黄土强夯路基检验批质量检验记录市政质检·1·13第页,共页石灰稳定土,石灰、粉煤灰稳定砂砾(碎石),粉煤灰稳定钢渣基层及底基层检验批质量检验记录市政质检·1·14第页,共页水泥稳定土类基层及底基层检验批质量检验记录市政质检·1·15第页,共页级配砂砾(级配砂石)基层及底基层检验批质量检验记录市政质检·1·16第页,共页级配碎石及级配碎砾石基层和底基层检验批质量检验记录市政质检·1·17第页,共页沥青混合料(沥青碎石)基层检验批质量检验记录市政质检·1·18第页,共页沥青贯入式基层检验批质量检验记录市政质检·1·19第页,共页热拌沥青混合料检验批质量检验记录市政质检·1·20第页,共页热拌沥青混合料面层检验批质量检验记录市政质检·1·21第页,共页冷拌沥青混合料面层检验批质量检验记录市政质检·1·22第页,共页沥青混合料面层透层检验批质量检验记录市政质检·1·23第页,共页沥青混合料面层粘层检验批质量检验记录市政质检·1·24第页,共页沥青混合料面层封层检验批质量检验记录市政质检·1·25第页,共页沥青贯入式面层检验批质量检验记录市政质检·1·26第页,共页沥青表面处治施工检验批质量检验记录市政质检·1·27第页,共页水泥混凝土面层原材料检验批质量检验记录市政质检·1·28页,共页混凝土面层检验批质量检验记录市政质检·1·29第页,共 页铺砌式料石面层检验批质量检验记录市政质检·1·30第页,共页铺砌式预制混凝土砌块面层检验批质量检验记录市政质检·1·31第页,共页广场与停车场料石面层检验批质量检验记录市政质检·1·32第页,共页。
城镇道路工程(CJJ1-2008)检验批质量检验记录表格一、检验批基本情况项目名称检验批号施工单位检验日期道路基层001 XX公司2021年11月1日防水层002 XX公司2021年11月2日沥青混合料003 XX公司2021年11月3日路基土004 XX公司2021年11月4日二、检验人员姓名部门资格证书编号张三质检部门123456李四质检部门789012三、检验结果1. 道路基层1.1 材料验收材料名称规格型号合格数量/重量不合格数量/重量备注水泥P.O 42.5 100kg 0kg石子Φ5-20mm 1000kg 0kg1.2 施工工艺检查内容验收标准实测数值判定结果备注吊装倾角正常无变形符合合格脱模时间24h以上25h 不合格需延长时间2. 防水层2.1 材料验收材料名称规格型号合格数量/重量不合格数量/重量备注SBS防水卷材4mm*1m 10卷0卷防水涂料2kg/桶10桶1桶颜色偏差2.2 施工工艺检查内容验收标准实测数值判定结果备注涂刷厚度≥1.5mm 1.6mm 合格渗漏点无渗漏点发现1处不合格需修补3. 沥青混合料3.1 材料验收材料名称规格型号合格数量/重量不合格数量/重量备注沥青70# 5t 0t碎石料Φ5-20mm 5t 0t3.2 施工工艺检查内容验收标准实测数值判定结果备注拌合质量均匀无结块符合合格沥青含量5%-7% 6% 合格4. 路基土4.1 材料验收材料名称规格型号合格数量/重量不合格数量/重量备注黄土粘性指数11 100立方米0立方米4.2 施工工艺检查内容验收标准实测数值判定结果备注压实度最大干密度±0.5% 符合合格平整度极差≤10mm8mm 合格四、检验本次检验共检查4个检验批,如下表所示:检验批号合格数量不合格数量合格率001 1 0 100%002 1 1 50%003 1 0 100%004 1 0 100%,此次城镇道路工程(CJJ1-2008)检验批质量检验记录表格中各项检测都符合标准,合格率较高。
土方路基检验批质量检验记录市政质检·1·1路肩检验批质量检验记录市政质检·1·4砂垫层软土路基检验批质量检验记录市政质检·1·5第页,共页反压护道路基检验批质量检验记录市政质检·1·6土工材料处理软土路基检验批质量检验记录市政质检·1·7袋装砂井检验批质量检验记录市政质检·1·8塑料排水板检验批质量检验记录市政质检·1·9第页,共页砂桩处理软土路基检验批质量检验记录市政质检·1·10第页,共页碎石桩处理软土路基检验批质量检验记录市政质检·1·11粉喷桩处理软土路基检验批质量检验记录市政质检·1·12湿陷性黄土强夯路基检验批质量检验记录市政质检·1·13第页,共页石灰稳定土,石灰、粉煤灰稳定砂砾(碎石),粉煤灰稳定钢渣基层及底基层检验批质量检验记录市政质检·1·14水泥稳定土类基层及底基层检验批质量检验记录市政质检·1·15第页,共页级配砂砾(级配砂石)基层及底基层检验批质量检验记录市政质检·1·16级配碎石及级配碎砾石基层和底基层检验批质量检验记录市政质检·1·17第页,共页沥青混合料(沥青碎石)基层检验批质量检验记录市政质检·1·18第页,共页沥青贯入式基层检验批质量检验记录市政质检·1·19热拌沥青混合料检验批质量检验记录市政质检·1·20第页,共页热拌沥青混合料面层检验批质量检验记录市政质检·1·21第页,共页冷拌沥青混合料面层检验批质量检验记录市政质检·1·22第页,共页沥青混合料面层透层检验批质量检验记录市政质检·1·23沥青混合料面层粘层检验批质量检验记录市政质检·1·24沥青混合料面层封层检验批质量检验记录市政质检·1·25沥青贯入式面层检验批质量检验记录市政质检·1·26沥青表面处治施工检验批质量检验记录市政质检·1·27水泥混凝土面层原材料检验批质量检验记录市政质检·1·28页,共页混凝土面层检验批质量检验记录市政质检·1·29第页,共页铺砌式料石面层检验批质量检验记录市政质检·1·30铺砌式预制混凝土砌块面层检验批质量检验记录市政质检·1·31第页,共页广场与停车场料石面层检验批质量检验记录市政质检·1·32广场与停车场预制混凝土砌块面层检验批质量检验记录市政质检·1·33第页,共页广场与停车场沥青混合料面层检验批质量检验记录市政质检·1·34广场与停车场水泥混凝土面层检验批质量检验记录市政质检·1·35第页,共页料石铺砌人行道面层检验批质量检验记录市政质检·1·36混凝土预制铺砌人行道(含盲道)面层检验批质量检验记录市政质检·1·37第页,共页沥青混凝土铺筑人行道面层检验批质量检验记录市政质检·1·38人行地道结构地基检验批质量检验记录市政质检·1·39人行地道结构防水层检验批质量检验记录市政质检·1·40第页,共页人行地道结构基础模板安装检验批质量检验记录市政质检·1·41人行地道结构钢筋加工、成型与安装检验批质量检验记录市政质检·1·42人行地道结构混凝土基础检验批质量检验记录市政质检·1·43现浇钢筋混凝土人行地道结构墙与顶板模板安装检验批质量检验记录市政质检·1·44第页,共页现浇钢筋混凝土人行地道结构墙与顶板混凝土检验批质量检验记录市政质检·1·45第页,共页预制钢筋混凝土人行地道结构墙板检验批质量检验记录市政质检·1·46第页,共页预制钢筋混凝土人行地道结构顶板检验批质量检验记录市政质检·1·47第页,共页预制钢筋混凝土人行地道结构墙板、顶板安装检验批质量检验记录市政质检·1·48第页,共页砌筑墙体、钢筋混凝土顶板人行地道结构墙体砌筑检验批质量检验记录市政质检·1·49第页,共页挡土墙地基检验批质量检验记录市政质检·1·50挡土墙模板安装检验批质量检验记录市政质检·1·51。
本文件内所有表格目录土方路基检验批质量检验记录市政质检·1·1第页,共页挖石方路基检验批质量检验记录市政质检·1·2第页,共页填石方路基检验批质量检验记录市政质检·1·3第页,共页路肩检验批质量检验记录市政质检·1·4第页,共页砂垫层软土路基检验批质量检验记录市政质检·1·5第页,共页反压护道路基检验批质量检验记录市政质检·1·6第页,共页土工材料处理软土路基检验批质量检验记录市政质检·1·7第页,共页袋装砂井检验批质量检验记录市政质检·1·8第页,共页塑料排水板检验批质量检验记录市政质检·1·9第页,共页砂桩处理软土路基检验批质量检验记录市政质检·1·10第页,共页碎石桩处理软土路基检验批质量检验记录市政质检·1·11第页,共页粉喷桩处理软土路基检验批质量检验记录市政质检·1·12第页,共页湿陷性黄土强夯路基检验批质量检验记录市政质检·1·13第页,共页石灰稳定土,石灰、粉煤灰稳定砂砾(碎石),粉煤灰稳定钢渣基层及底基层检验批质量检验记录市政质检·1·14第页,共页水泥稳定土类基层及底基层检验批质量检验记录市政质检·1·15第页,共页级配砂砾(级配砂石)基层及底基层检验批质量检验记录市政质检·1·16第页,共页级配碎石及级配碎砾石基层和底基层检验批质量检验记录市政质检·1·17第页,共页沥青混合料(沥青碎石)基层检验批质量检验记录市政质检·1·18第页,共页沥青贯入式基层检验批质量检验记录市政质检·1·19第页,共页热拌沥青混合料检验批质量检验记录市政质检·1·20第页,共页热拌沥青混合料面层检验批质量检验记录市政质检·1·21第页,共页冷拌沥青混合料面层检验批质量检验记录市政质检·1·22第页,共页沥青混合料面层透层检验批质量检验记录市政质检·1·23第页,共页沥青混合料面层粘层检验批质量检验记录市政质检·1·24第页,共页沥青混合料面层封层检验批质量检验记录市政质检·1·25第页,共页沥青贯入式面层检验批质量检验记录市政质检·1·26第页,共页沥青表面处治施工检验批质量检验记录市政质检·1·27第页,共页水泥混凝土面层原材料检验批质量检验记录市政质检·1·28共页,共页。
土方路基检验批质量检验记录市政质检·1·1第1页,共21页挖石方路基检验批质量检验记录市政质检·1·2填石方路基检验批质量检验记录市政质检·1·3路肩检验批质量检验记录市政质检·1·4第页,共页砂垫层软土路基检验批质量检验记录市政质检·1·5反压护道路基检验批质量检验记录市政质检·1·6土工材料处理软土路基检验批质量检验记录市政质检·1·7袋装砂井检验批质量检验记录市政质检·1·8塑料排水板检验批质量检验记录市政质检·1·9砂桩处理软土路基检验批质量检验记录市政质检·1·10碎石桩处理软土路基检验批质量检验记录市政质检·1·11粉喷桩处理软土路基检验批质量检验记录市政质检·1·12湿陷性黄土强夯路基检验批质量检验记录市政质检·1·13石灰稳定土,石灰、粉煤灰稳定砂砾(碎石),粉煤灰稳定钢渣基层及底基层检验批质量检验记录市政质检·1·14水泥稳定土类基层及底基层检验批质量检验记录市政质检·1·15级配砂砾(级配砂石)基层及底基层检验批质量检验记录市政质检·1·16级配碎石及级配碎砾石基层和底基层检验批质量检验记录市政质检·1·17沥青混合料(沥青碎石)基层检验批质量检验记录市政质检·1·18沥青贯入式基层检验批质量检验记录市政质检·1·19第页,共页热拌沥青混合料检验批质量检验记录市政质检·1·20第页,共页热拌沥青混合料面层检验批质量检验记录市政质检·1·21冷拌沥青混合料面层检验批质量检验记录市政质检·1·22第页,共页沥青混合料面层透层检验批质量检验记录市政质检·1·23第页,共页沥青混合料面层粘层检验批质量检验记录市政质检·1·24沥青混合料面层封层检验批质量检验记录市政质检·1·25沥青贯入式面层检验批质量检验记录市政质检·1·26第页,共页沥青表面处治施工检验批质量检验记录市政质检·1·27第页,共页水泥混凝土面层原材料检验批质量检验记录市政质检·1·28页,共页混凝土面层检验批质量检验记录市政质检·1·29铺砌式料石面层检验批质量检验记录市政质检·1·30铺砌式预制混凝土砌块面层检验批质量检验记录市政质检·1·31广场与停车场料石面层检验批质量检验记录市政质检·1·32第页,共页广场与停车场预制混凝土砌块面层检验批质量检验记录市政质检·1·33第页,共页广场与停车场沥青混合料面层检验批质量检验记录市政质检·1·34广场与停车场水泥混凝土面层检验批质量检验记录市政质检·1·35第页,共页料石铺砌人行道面层检验批质量检验记录市政质检·1·36混凝土预制铺砌人行道(含盲道)面层检验批质量检验记录市政质检·1·37第页,共页沥青混凝土铺筑人行道面层检验批质量检验记录市政质检·1·38第页,共页人行地道结构地基检验批质量检验记录市政质检·1·39人行地道结构防水层检验批质量检验记录市政质检·1·40人行地道结构基础模板安装检验批质量检验记录市政质检·1·41人行地道结构钢筋加工、成型与安装检验批质量检验记录市政质检·1·42第页,共页人行地道结构混凝土基础检验批质量检验记录市政质检·1·43现浇钢筋混凝土人行地道结构墙与顶板模板安装检验批质量检验记录市政质检·1·44现浇钢筋混凝土人行地道结构墙与顶板混凝土检验批质量检验记录市政质检·1·45预制钢筋混凝土人行地道结构墙板检验批质量检验记录市政质检·1·46第页,共页预制钢筋混凝土人行地道结构顶板检验批质量检验记录市政质检·1·47第页,共页预制钢筋混凝土人行地道结构墙板、顶板安装检验批质量检验记录市政质检·1·48砌筑墙体、钢筋混凝土顶板人行地道结构墙体砌筑检验批质量检验记录市政质检·1·49挡土墙地基检验批质量检验记录市政质检·1·50。
城镇道路工程检验批表格目录一、路基填土方路基检验批质量验收记录表Ⅰ (3)填土方路基检验批质量验收记录表Ⅱ (4)填土方路基检验批质量验收记录表Ⅲ (5)挖石方路基检验批质量验收记录表 (6)挖土方路基检验批质量验收记录表 (7)填石方路基检验批质量验收记录表 (8)路肩检验批质量验收记录表 (9)砂垫层软土路基检验批质量验收记录表 (10)反压护道软土路基检验批质量验收记录表 (11)土工材料处理软土路基检验批质量验收记录表 (12)袋装砂井处理软土地基检验批质量验收记录表 (13)塑料排水板处理软土地基检验批质量验收记录表 (14)砂桩软土路基检验批质量验收记录表 (15)碎石桩处理软土路基检验批质量验收记录表 (16)粉喷桩软土路基检验批质量验收记录表 (17)湿陷性黄土路基检验批质量验收记录表Ⅰ (18)湿陷性黄土路基检验批质量验收记录表Ⅱ (19)湿陷性黄土路基检验批质量验收记录表Ⅲ (20)二、基层石灰稳定土基层及底基层检验批质量验收记录表 (21)水泥稳定土类基层及底基层检验批质量验收记录表 (22)级配砂砾(砾石)基层检验批质量验收记录表 (23)级配碎石(碎砾石)基层检验批质量验收记录表 (24)沥青混合料(沥青碎石)基层检验批质量验收记录表 (25)沥青贯入式基层检验批质量验收记录表 (26)石灰、粉煤灰稳定钢渣基层及底基层检验批质量验收记录表 (27)石灰、粉煤灰稳定砂砾(碎石)基层及底基层检验批质量验收记录表 (28)三、沥青混合料面层热拌沥青混合料检验批质量验收记录表 (29)热拌沥青混合料面层检验批质量验收记录表 (30)冷拌沥青混合料面层检验批质量验收记录表 (31)粘层、透层与封层检验批质量验收记录表 (32)四、沥青贯入式与沥青表面处治面层沥青贯入式面层检验批质量验收记录表 (33)沥青表面处治面层检验批质量验收记录表 (34)五、水泥混凝土面层水泥混凝土原材料检验批质量验收记录表 (35)水泥混凝土面层检验批质量验收记录表 (36)六、铺砌式面层料石面层检验批质量验收记录表 (37)预制混凝土砌块面层检验批质量验收记录表 (38)七、广场与停车场面层广场与停车场料石面层检验批质量验收记录表 (39)广场与停车场预制混凝土砌块面层检验批质量验收记录表 (40)广场与停车场水泥混凝土面层检验批质量验收记录表 (41)广场与停车场沥青混合料面层检验批质量验收记录表 (42)广场与停车场盲道铺砌检验批质量验收记录表 (43)八、人行道铺筑料石铺砌人行道面层检验批质量验收记录表 (44)混凝土预制砌块铺砌人行道面层(含盲道)检验批质量验收记录表 (45)沥青混合料铺筑人行道面层检验批质量验收记录表 (46)九、人行地道结构现浇钢筋混凝土人行地道结构检验批质量验收记录表 (47)预制安装钢筋混凝土人行地道结构地基检验批质量验收记录表 (48)预制安装钢筋混凝土人行地道结构墙板、顶板安装检验批质量验收记录表 (49)预制安装钢筋混凝土人行地道结构预制墙板、顶板检验批质量验收记录表 (50)砌筑、墙体钢筋混凝土顶板结构人行道顶板预制与安装检验批质量验收记录表 (51)砌筑墙体、钢筋混凝土顶板结构人行道墙体砌筑检验批质量验收记录表 (52)十、挡土墙现浇钢筋混凝土挡土墙钢筋加工与安装检验批质量验收记录表 (53)现浇钢筋混凝土挡土墙混凝土主体检验批质量验收记录表 (54)现浇钢筋混凝土挡土墙栏杆制作与安装检验批质量验收记录表 (55)装配式钢筋混凝土挡土墙基础检验批质量验收记录表 (56)装配式钢筋混凝土挡土墙栏杆制作与安装检验批质量验收记录表 (57)装配式钢筋混凝土挡土墙墙板预制与安装检验批质量验收记录表 (58)片石砌体挡土墙检验批质量验收记录表 (59)块石砌体挡土墙检验批质量验收记录表 (60)料石砌体挡土墙检验批质量验收记录表 (61)砌体挡土墙检验批(预制块)质量验收记录表 (62)加筋挡土墙板检验批质量验收记录表 (63)加筋挡土墙总体检验批质量验收记录表 (64)十一、附属构筑物路缘石安砌检验批质量验收记录表 (65)雨水支管与雨水口检验批质量验收记录表 (66)排(截)水沟检验批质量验收记录表 (67)倒虹管及涵洞检验批质量验收记录表 (68)护栏检验批质量验收记录表 (69)护坡检验批质量验收记录表 (70)隔离墩检验批质量验收记录表 (71)隔离栅检验批质量验收记录表 (72)声屏障检验批质量验收记录表 (73)防眩板检验批质量验收记录表 (74)(城市快速路、主干路)编号:(次干路)(支路及其他小路)编号:路肩检验批质量验收记录表砂垫层软土路基检验批质量验收记录表反压护道软土路基检验批质量验收记录表土工材料处理软土路基检验批质量验收记录表袋装砂井处理软土地基检验批质量验收记录表塑料排水板处理软土地基检验批质量验收记录表砂桩软土路基检验批质量验收记录表碎石桩处理软土路基检验批质量验收记录表粉喷桩软土路基检验批质量验收记录表(城市快速路、主干路)(次干路)(支路及其他小路)石灰稳定土基层及底基层检验批质量验收记录表水泥稳定土类基层及底基层检验批质量验收记录表级配砂砾(砾石)基层检验批质量验收记录表级配碎石(碎砾石)基层检验批质量验收记录表沥青混合料(沥青碎石)基层检验批质量验收记录表沥青贯入式基层检验批质量验收记录表石灰、粉煤灰稳定钢渣基层及底基层检验批质量验收记录表石灰、粉煤灰稳定砂砾(碎石)基层及底基层检验批质量验收记录表热拌沥青混合料检验批质量验收记录表热拌沥青混合料面层检验批质量验收记录表冷拌沥青混合料面层检验批质量验收记录表粘层、透层与封层检验批质量验收记录表沥青贯入式面层检验批质量验收记录表沥青表面处治面层检验批质量验收记录表水泥混凝土原材料检验批质量验收记录表水泥混凝土面层检验批质量验收记录表料石面层检验批质量验收记录表预制混凝土砌块面层检验批质量验收记录表广场与停车场料石面层检验批质量验收记录表广场与停车场预制混凝土砌块面层检验批质量验收记录表广场与停车场水泥混凝土面层检验批质量验收记录表广场与停车场沥青混合料面层检验批质量验收记录表广场与停车场盲道铺砌检验批质量验收记录表料石铺砌人行道面层检验批质量验收记录表混凝土预制砌块铺砌人行道面层(含盲道)检验批质量验收记录表沥青混合料铺筑人行道面层检验批质量验收记录表现浇钢筋混凝土人行地道结构检验批质量验收记录表预制安装钢筋混凝土人行地道结构地基检验批质量验收记录表预制安装钢筋混凝土人行地道结构墙板、顶板安装检验批质量验收记录表预制安装钢筋混凝土人行地道结构预制墙板、顶板检验批质量验收记录表。
土方路基检验批质量检验记录市政质检·1·1第页,共页挖石方路基检验批质量检验记录市政质检·1·2第页,共页填石方路基检验批质量检验记录市政质检·1·3第页,共页路肩检验批质量检验记录市政质检·1·4第页,共页砂垫层软土路基检验批质量检验记录市政质检·1·5第页,共页反压护道路基检验批质量检验记录市政质检·1·6第页,共页土工材料处理软土路基检验批质量检验记录市政质检·1·7第页,共页袋装砂井检验批质量检验记录市政质检·1·8第页,共页塑料排水板检验批质量检验记录市政质检·1·9第页,共页砂桩处理软土路基检验批质量检验记录市政质检·1·10第页,共页碎石桩处理软土路基检验批质量检验记录市政质检·1·11第页,共页粉喷桩处理软土路基检验批质量检验记录市政质检·1·12第页,共页湿陷性黄土强夯路基检验批质量检验记录市政质检·1·13第页,共页石灰稳定土,石灰、粉煤灰稳定砂砾(碎石),粉煤灰稳定钢渣基层及底基层检验批质量检验记录市政质检·1·14第页,共页水泥稳定土类基层及底基层检验批质量检验记录市政质检·1·15第页,共页级配砂砾(级配砂石)基层及底基层检验批质量检验记录市政质检·1·16第页,共页级配碎石及级配碎砾石基层和底基层检验批质量检验记录市政质检·1·17第页,共页沥青混合料(沥青碎石)基层检验批质量检验记录市政质检·1·18第页,共页沥青贯入式基层检验批质量检验记录市政质检·1·19第页,共页热拌沥青混合料检验批质量检验记录政质检·1·20页,共页热拌沥青混合料面层检验批质量检验记录市政质检·1·21第页,共页冷拌沥青混合料面层检验批质量检验记录市政质检·1·22第页,共页沥青混合料面层透层检验批质量检验记录市政质检·1·23第页,共页沥青混合料面层粘层检验批质量检验记录市政质检·1·24第页,共页沥青混合料面层封层检验批质量检验记录市政质检·1·25第页,共页沥青贯入式面层检验批质量检验记录市政质检·1·26第页,共页。
本文件内所有表格目录土方路基检验批质量检验记录市政质检·1·1第页,共页市政质检·1·3路肩检验批质量检验记录市政质检·1·4砂垫层软土路基检验批质量检验记录市政质检·1·5反压护道路基检验批质量检验记录市政质检·1·6土工材料处理软土路基检验批质量检验记录市政质检·1·7袋装砂井检验批质量检验记录市政质检·1·8塑料排水板检验批质量检验记录市政质检·1·9砂桩处理软土路基检验批质量检验记录市政质检·1·10市政质检·1·11市政质检·1·12湿陷性黄土强夯路基检验批质量检验记录市政质检·1·13石灰稳定土,石灰、粉煤灰稳定砂砾(碎石),粉煤灰稳定钢渣基层及底基层检验批质量检验记录市政质检·1·14水泥稳定土类基层及底基层检验批质量检验记录级配砂砾(级配砂石)基层及底基层检验批质量检验记录市政质检·1·16级配碎石及级配碎砾石基层和底基层检验批质量检验记录市政质检·1·17沥青混合料(沥青碎石)基层检验批质量检验记录市政质检·1·18沥青贯入式基层检验批质量检验记录市政质检·1·19热拌沥青混合料检验批质量检验记录市政质检·1·20市政质检·1·22市政质检·1·23市政质检·1·24市政质检·1·25沥青贯入式面层检验批质量检验记录市政质检·1·26沥青表面处治施工检验批质量检验记录市政质检·1·27水泥混凝土面层原材料检验批质量检验记录市政质检·1·28混凝土面层检验批质量检验记录市政质检·1·29铺砌式料石面层检验批质量检验记录市政质检·1·30铺砌式预制混凝土砌块面层检验批质量检验记录市政质检·1·31广场与停车场料石面层检验批质量检验记录市政质检·1·32广场与停车场预制混凝土砌块面层检验批质量检验记录市政质检·1·33市政质检·1·34市政质检·1·35料石铺砌人行道面层检验批质量检验记录市政质检·1·36混凝土预制铺砌人行道(含盲道)面层检验批质量检验记录市政质检·1·37沥青混凝土铺筑人行道面层检验批质量检验记录市政质检·1·38人行地道结构地基检验批质量检验记录市政质检·1·39人行地道结构防水层检验批质量检验记录市政质检·1·40人行地道结构基础模板安装检验批质量检验记录市政质检·1·41人行地道结构钢筋加工、成型与安装检验批质量检验记录市政质检·1·42人行地道结构混凝土基础检验批质量检验记录市政质检·1·43墙与顶板模板安装检验批质量检验记录市政质检·1·44墙与顶板混凝土检验批质量检验记录市政质检·1·45墙板检验批质量检验记录市政质检·1·46顶板检验批质量检验记录市政质检·1·47。
本文件内所有表格目录土方路基检验批质量检验记录市政质检・1 • 1第页,共页市政质检・1 • 3 第页,共页路肩检验批质量检验记录市政质检・1 • 4第页,共页页,共页页,共页土工材料处理软土路基检验批质量检验记录施工与质量验收规范的规定施工单位检查记录监理单位验收记录主控项目1土工材料的技术质量指标应符合设计要求。
第6.8.47-1 条2土工合成材料敷设、胶接、锚固和回卷长度应符合设计要求。
第6.8.47-2 条施工与质量验收规范的规定不合格点的实测偏差值或实测值应测点数合格点数合格率(%般项目1下承层面不得有突刺、尖角。
第6.8.4T--3 条23允许偏差下承面平整度(mm< 15下承面拱度(%)± 1%平均合格率(%)施工单位检查意见质检员签名:年月日监理单位验收结论监理工程师签名:年月日验收规范及图号CJJ1-2008工程名称单位工程名称施工单位项目经理分部工程名称验收部位市政质检・1 • 7 第页,共页分包单位分项工程名称主要工程数量技术负责人施工工长袋装砂井检验批质量检验记录市政质检・1 • 8第页,共页塑料排水板检验批质量检验记录市政质检・1 • 9 第页,共页砂桩处理软土路基检验批质量检验记录市政质检・1 • 10 第页,共页页,共页页,共页湿陷性黄土强夯路基检验批质量检验记录市政质检・1 • 13 第页,共页粉煤灰稳定钢渣基层及底基层检验批质量检验记录石灰稳定土,石灰、粉煤灰稳定砂砾(碎石) 工程名称分部工程名称施工与质量验收规范的规定施工单位检查记录监理单位 验收记录主 控 项 目1 土、石灰、粉煤灰、沙砾、 钢渣、水应符合规范第7.2.1 第 2、3、4款,第 7.3.1条、第7.4.1条第3款的规第 7.8.1-1 条2压实度人于等于规V E 规定。
第 7.8.1-2 条3无侧限抗压强度应符合设 计要求。
第 7.8.1-3 条施工与质量验收规范的规定不合格点的实测 偏差值或实测值应测 点数 合格 点数 合格 率(%般 项 目1 2 3 45 6 7 允 许 偏 差表面应平整、坚实、无明 显粗、细骨料集中现象, 无明显轮迹、推移、裂缝, 接茬平顺,无贴皮、散料。
土方路基检验批质量检验记录市政质检·1·1市政质检·1·2填石方路基检验批质量检验记录市政质检·1·3路肩检验批质量检验记录市政质检·1·4砂垫层软土路基检验批质量检验记录市政质检·1·5反压护道路基检验批质量检验记录市政质检·1·6土工材料处理软土路基检验批质量检验记录市政质检·1·7袋装砂井检验批质量检验记录市政质检·1·8第页,共页塑料排水板检验批质量检验记录市政质检·1·9砂桩处理软土路基检验批质量检验记录市政质检·1·10第页,共页碎石桩处理软土路基检验批质量检验记录市政质检·1·11粉喷桩处理软土路基检验批质量检验记录市政质检·1·12第页,共页湿陷性黄土强夯路基检验批质量检验记录市政质检·1·13第页,共页石灰稳定土,石灰、粉煤灰稳定砂砾(碎石),粉煤灰稳定钢渣基层及底基层检验批质量检验记录市政质检·1·14水泥稳定土类基层及底基层检验批质量检验记录市政质检·1·15级配砂砾(级配砂石)基层及底基层检验批质量检验记录市政质检·1·16第页,共页级配碎石及级配碎砾石基层和底基层检验批质量检验记录市政质检·1·17沥青混合料(沥青碎石)基层检验批质量检验记录市政质检·1·18沥青贯入式基层检验批质量检验记录市政质检·1·19热拌沥青混合料检验批质量检验记录市政质检·1·20热拌沥青混合料面层检验批质量检验记录市政质检·1·21第页,共页冷拌沥青混合料面层检验批质量检验记录市政质检·1·22第页,共页沥青混合料面层透层检验批质量检验记录市政质检·1·23沥青混合料面层粘层检验批质量检验记录市政质检·1·24沥青混合料面层封层检验批质量检验记录市政质检·1·25沥青贯入式面层检验批质量检验记录市政质检·1·26沥青表面处治施工检验批质量检验记录市政质检·1·27第页,共页水泥混凝土面层原材料检验批质量检验记录市政质检·1·28混凝土面层检验批质量检验记录市政质检·1·29铺砌式料石面层检验批质量检验记录市政质检·1·30铺砌式预制混凝土砌块面层检验批质量检验记录市政质检·1·31广场与停车场料石面层检验批质量检验记录市政质检·1·32第页,共页广场与停车场预制混凝土砌块面层检验批质量检验记录市政质检·1·33第页,共页广场与停车场沥青混合料面层检验批质量检验记录市政质检·1·34广场与停车场水泥混凝土面层检验批质量检验记录市政质检·1·35料石铺砌人行道面层检验批质量检验记录市政质检·1·36混凝土预制铺砌人行道(含盲道)面层检验批质量检验记录市政质检·1·37第页,共页沥青混凝土铺筑人行道面层检验批质量检验记录市政质检·1·38人行地道结构地基检验批质量检验记录市政质检·1·39第页,共页人行地道结构防水层检验批质量检验记录市政质检·1·40第页,共页人行地道结构基础模板安装检验批质量检验记录市政质检·1·41人行地道结构钢筋加工、成型与安装检验批质量检验记录市政质检·1·42人行地道结构混凝土基础检验批质量检验记录市政质检·1·43现浇钢筋混凝土人行地道结构墙与顶板模板安装检验批质量检验记录市政质检·1·44第页,共页现浇钢筋混凝土人行地道结构墙与顶板混凝土检验批质量检验记录市政质检·1·45第页,共页预制钢筋混凝土人行地道结构墙板检验批质量检验记录市政质检·1·46预制钢筋混凝土人行地道结构顶板检验批质量检验记录市政质检·1·47预制钢筋混凝土人行地道结构墙板、顶板安装检验批质量检验记录市政质检·1·48第页,共页砌筑墙体、钢筋混凝土顶板人行地道结构墙体砌筑检验批质量检验记录市政质检·1·49第页,共页挡土墙地基检验批质量检验记录市政质检·1·50挡土墙模板安装检验批质量检验记录市政质检·1·51第页,共页。
本文件所有表格目录土方路基检验批质量检验记录市政质检·1·1第页,共页第页,共页第页,共页路肩检验批质量检验记录市政质检·1·4第页,共页砂垫层软土路基检验批质量检验记录市政质检·1·5第页,共页反压护道路基检验批质量检验记录市政质检·1·6第页,共页土工材料处理软土路基检验批质量检验记录市政质检·1·7第页,共页袋装砂井检验批质量检验记录市政质检·1·8第页,共页塑料排水板检验批质量检验记录市政质检·1·9第页,共页砂桩处理软土路基检验批质量检验记录市政质检·1·10第页,共页第页,共页第页,共页湿陷性黄土强夯路基检验批质量检验记录市政质检·1·13第页,共页石灰稳定土,石灰、粉煤灰稳定砂砾(碎石),粉煤灰稳定钢渣基层及底基层检验批质量检验记录市政质检·1·14第页,共页水泥稳定土类基层及底基层检验批质量检验记录市政质检·1·15第页,共页级配砂砾(级配砂石)基层及底基层检验批质量检验记录市政质检·1·16第页,共页级配碎石及级配碎砾石基层和底基层检验批质量检验记录市政质检·1·17第页,共页沥青混合料(沥青碎石)基层检验批质量检验记录市政质检·1·18第页,共页沥青贯入式基层检验批质量检验记录市政质检·1·19第页,共页热拌沥青混合料检验批质量检验记录市政质检·1·20第页,共页第页,共页第页,共页第页,共页第页,共页第页,共页沥青贯入式面层检验批质量检验记录市政质检·1·26第页,共页沥青表面处治施工检验批质量检验记录市政质检·1·27第页,共页水泥混凝土面层原材料检验批质量检验记录市政质检·1·28共页,共页混凝土面层检验批质量检验记录市政质检·1·29第页,共页铺砌式料石面层检验批质量检验记录市政质检·1·30第页,共页铺砌式预制混凝土砌块面层检验批质量检验记录市政质检·1·31第页,共页广场与停车场料石面层检验批质量检验记录市政质检·1·32第页,共页广场与停车场预制混凝土砌块面层检验批质量检验记录市政质检·1·33第页,共页第页,共页第页,共页料石铺砌人行道面层检验批质量检验记录市政质检·1·36第页,共页混凝土预制铺砌人行道(含盲道)面层检验批质量检验记录市政质检·1·37第页,共页沥青混凝土铺筑人行道面层检验批质量检验记录市政质检·1·38第页,共页人行地道结构地基检验批质量检验记录市政质检·1·39第页,共页人行地道结构防水层检验批质量检验记录市政质检·1·40第页,共页人行地道结构基础模板安装检验批质量检验记录市政质检·1·41第页,共页人行地道结构钢筋加工、成型与安装检验批质量检验记录市政质检·1·42第页,共页人行地道结构混凝土基础检验批质量检验记录市政质检·1·43第页,共页墙与顶板模板安装检验批质量检验记录市政质检·1·44第页,共页墙与顶板混凝土检验批质量检验记录市政质检·1·45第页,共页市政质检·1·46 第页,共页市政质检·1·47 第页,共页。
目录土方路基检验批质量检验记录 (3)挖石方路基检验批质量检验记录 (4)填石方路基检验批质量检验记录 (5)路肩检验批质量检验记录 (6)砂垫层软土路基检验批质量检验记录 (7)反压护道路基检验批质量检验记录 (8)土工材料处理软土路基检验批质量检验记录 (9)袋装砂井检验批质量检验记录 (10)塑料排水板检验批质量检验记录 (11)砂桩处理软土路基检验批质量检验记录 (12)碎石桩处理软土路基检验批质量检验记录 (13)粉喷桩处理软土路基检验批质量检验记录 (14)湿陷性黄土强夯路基检验批质量检验记录 (15)石灰稳定土,石灰、粉煤灰稳定砂砾(碎石) (16)粉煤灰稳定钢渣基层及底基层检验批质量检验记录 (17)水泥稳定土类基层及底基层检验批质量检验记录 (18)级配砂砾(级配砂石)基层及底基层检验批质量检验记录 (19)级配碎石及级配碎砾石基层和底基层检验批质量检验记录 (20)沥青混合料(沥青碎石)基层检验批质量检验记录 (21)沥青贯入式基层检验批质量检验记录 (22)热拌沥青混合料检验批质量检验记录 (23)热拌沥青混合料面层检验批质量检验记录 (24)冷拌沥青混合料面层检验批质量检验记录 (25)沥青混合料面层透层检验批质量检验记录 (26)沥青混合料面层粘层检验批质量检验记录 (27)沥青混合料面层封层检验批质量检验记录 (28)沥青贯入式面层检验批质量检验记录 (29)沥青表面处治施工检验批质量检验记录 (30)水泥混凝土面层原材料检验批质量检验记录 (31)混凝土面层检验批质量检验记录 (32)铺砌式料石面层检验批质量检验记录 (33)铺砌式预制混凝土砌块面层检验批质量检验记录 (34)广场与停车场料石面层检验批质量检验记录 (35)广场与停车场预制混凝土砌块面层检验批质量检验记录 (36)广场与停车场沥青混合料面层检验批质量检验记录 (37)广场与停车场水泥混凝土面层检验批质量检验记录 (38)料石铺砌人行道面层检验批质量检验记录 (39)混凝土预制铺砌人行道(含盲道)面层检验批质量检验记录 (40)沥青混凝土铺筑人行道面层检验批质量检验记录 (41)人行地道结构地基检验批质量检验记录 (42)人行地道结构防水层检验批质量检验记录 (43)人行地道结构基础模板安装检验批质量检验记录 (44)人行地道结构钢筋加工、成型与安装检验批质量检验记录 (45)人行地道结构混凝土基础检验批质量检验记录 (46)墙与顶板模板安装检验批质量检验记录 (48)现浇钢筋混凝土人行地道结构 (49)墙与顶板混凝土检验批质量检验记录 (50)预制钢筋混凝土人行地道结构 (51)墙板检验批质量检验记录 (52)预制钢筋混凝土人行地道结构 (53)顶板检验批质量检验记录 (54)预制钢筋混凝土人行地道结构 (55)墙板、顶板安装检验批质量检验记录 (56)砌筑墙体、钢筋混凝土顶板人行地道结构 (57)墙体砌筑检验批质量检验记录 (58)挡土墙地基检验批质量检验记录 (59)挡土墙模板安装检验批质量检验记录 (60)挡土墙钢筋加工、成型与安装检验批质量检验记录 (61)挡土墙基础混凝土检验批质量检验记录 (62)现浇混凝土挡土墙检验批质量检验记录 (63)挡土墙滤层、泄水孔检验批质量检验记录 (64)挡土墙回填土检验批质量检验记录 (65)帽石检验批质量检验记录 (66)挡土墙混凝土栏杆预制与安装检验批质量检验记录 (67)装配式钢筋混凝土挡土墙 (68)墙板预制检验批质量检验记录 (69)装配式钢筋混凝土挡土墙检验批质量检验记录 (70)砌体挡土墙检验批质量检验记录 (71)加筋挡土墙板及筋带安装检验批质量检验记录 (72)加筋挡土墙检验批质量检验记录 (73)路缘石检验批质量检验记录 (74)雨水管与雨水口检验批质量检验记录 (75)排水沟或截水沟检验批质量检验记录 (76)倒虹管及涵洞检验批质量检验记录 (77)护坡检验批质量检验记录 (78)隔离墩检验批质量检验记录隔离栅检验批质量检验记录护栏检验批质量检验记录声屏障检验批质量检验记录防眩板检验批质量检验记录检验批质量检验记录分项工程质量检验记录分部(子分部)工程质量检验记录单位工程分部工程检验汇总表单位(子单位)工程质量竣工验收记录挖石方路基检验批质量检验记录填石方路基检验批质量检验记录市政质检·1·3路肩检验批质量检验记录市政质检·1·4软土路基检验批质量检验记录反压护道路基检验批质量检验记录市政质检·1·6土工材料处理软土路基检验批质量检验记录市政质检·1·7第 7 页,共 78 页袋装砂井检验批质量检验记录市政质检·1·8塑料排水板检验批质量检验记录市政质检·1·9砂桩处理软土路基检验批质量检验记录市政质检·1·10第 10 页,共 78 页碎石桩处理软土路基检验批质量检验记录市政质检·1·11粉喷桩处理软土路基检验批质量检验记录市政质检·1·12第 12 页,共 78 页湿陷性黄土强夯路基检验批质量检验记录市政质检·1·13石灰稳定土,石灰、粉煤灰稳定砂砾(碎石),粉煤灰稳定钢渣基层及底基层检验批质量检验记录市政质检·1·14水泥稳定土类基层及底基层检验批质量检验记录级配砂砾(级配砂石)基层及底基层检验批质量检验记录级配碎石及级配碎砾石基层和底基层检验批质量检验记录沥青混合料(沥青碎石)基层检验批质量检验记录市政质检·1·18第 18 页,共 78 页沥青贯入式基层检验批质量检验记录市政质检·1·19热拌沥青混合料检验批质量检验记录市政质检·1·20第 20 页,共 78 页热拌沥青混合料面层检验批质量检验记录市政质检·1·21冷拌沥青混合料面层检验批质量检验记录市政质检·1·22沥青混合料面层透层检验批质量检验记录市政质检·1·23第 23 页,共 78 页沥青混合料面层粘层检验批质量检验记录市政质检·1·24沥青混合料面层封层检验批质量检验记录市政质检·1·25第 25 页,共 78 页沥青贯入式面层检验批质量检验记录市政质检·1·26第 26页,共78 页沥青表面处治施工检验批质量检验记录市政质检·1·27水泥混凝土面层原材料检验批质量检验记录市政质检·1·28第 28 页,共 78 页混凝土面层检验批质量检验记录市政质检·1·29第 29 页,共 78 页铺砌式料石面层检验批质量检验记录市政质检·1·30铺砌式预制混凝土砌块面层检验批质量检验记录市政质检·1·31广场与停车场料石面层检验批质量检验记录市政质检·1·32广场与停车场预制混凝土砌块面层检验批质量检验记录市政质检·1·33第 33页,共 78 页广场与停车场沥青混合料面层检验批质量检验记录市政质检·1·34广场与停车场水泥混凝土面层检验批质量检验记录市政质检·1·35第 35 页,共 78页料石铺砌人行道面层检验批质量检验记录市政质检·1·36混凝土预制铺砌人行道(含盲道)面层检验批质量检验记录沥青混凝土铺筑人行道面层检验批质量检验记录市政质检·1·38第 38 页,共 78页人行地道结构地基检验批质量检验记录市政质检·1·39人行地道结构防水层检验批质量检验记录市政质检·1·40人行地道结构基础模板安装检验批质量检验记录市政质检·1·41第41页,共 78 页人行地道结构钢筋加工、成型与安装检验批质量检验记录市政质检·1·42人行地道结构混凝土基础检验批质量检验记录市政质检·1·43第 43页,共 78页现浇钢筋混凝土人行地道结构墙与顶板模板安装检验批质量检验记录市政质检·1·44现浇钢筋混凝土人行地道结构墙与顶板混凝土检验批质量检验记录市政质检·1·45第 45 页,共 78页预制钢筋混凝土人行地道结构墙板检验批质量检验记录市政质检·1·46第 46 页,共 78 页预制钢筋混凝土人行地道结构顶板检验批质量检验记录市政质检·1·47第 47 页,共 78 页预制钢筋混凝土人行地道结构墙板、顶板安装检验批质量检验记录市政质检·1·48砌筑墙体、钢筋混凝土顶板人行地道结构墙体砌筑检验批质量检验记录市政质检·1·49。
土方路基检验批质量检验记录市政质检·1·1第页,共页挖石方路基检验批质量检验记录市政质检·1·2第页,共页填石方路基检验批质量检验记录市政质检·1·3第页,共页路肩检验批质量检验记录市政质检·1·4第页,共页砂垫层软土路基检验批质量检验记录市政质检·1·5第页,共页反压护道路基检验批质量检验记录市政质检·1·6第页,共页土工材料处理软土路基检验批质量检验记录市政质检·1·7第页,共页袋装砂井检验批质量检验记录市政质检·1·8第页,共页塑料排水板检验批质量检验记录市政质检·1·9第页,共页砂桩处理软土路基检验批质量检验记录市政质检·1·10第页,共页碎石桩处理软土路基检验批质量检验记录市政质检·1·11第页,共页粉喷桩处理软土路基检验批质量检验记录市政质检·1·12第页,共页湿陷性黄土强夯路基检验批质量检验记录市政质检·1·13第页,共页石灰稳定土,石灰、粉煤灰稳定砂砾(碎石),粉煤灰稳定钢渣基层及底基层检验批质量检验记录市政质检·1·14第页,共页水泥稳定土类基层及底基层检验批质量检验记录市政质检·1·15第页,共页级配砂砾(级配砂石)基层及底基层检验批质量检验记录市政质检·1·16第页,共页级配碎石及级配碎砾石基层和底基层检验批质量检验记录市政质检·1·17第页,共页沥青混合料(沥青碎石)基层检验批质量检验记录市政质检·1·18第页,共页沥青贯入式基层检验批质量检验记录市政质检·1·19第页,共页热拌沥青混合料检验批质量检验记录市政质检·1·20第页,共页热拌沥青混合料面层检验批质量检验记录市政质检·1·21第页,共页冷拌沥青混合料面层检验批质量检验记录市政质检·1·22第页,共页沥青混合料面层透层检验批质量检验记录市政质检·1·23第页,共页沥青混合料面层粘层检验批质量检验记录市政质检·1·24第页,共页沥青混合料面层封层检验批质量检验记录市政质检·1·25第页,共页沥青贯入式面层检验批质量检验记录市政质检·1·26第页,共页沥青表面处治施工检验批质量检验记录市政质检·1·27第页,共页水泥混凝土面层原材料检验批质量检验记录市政质检·1·28页,共页混凝土面层检验批质量检验记录市政质检·1·29第页,共页铺砌式料石面层检验批质量检验记录市政质检·1·30第页,共页铺砌式预制混凝土砌块面层检验批质量检验记录市政质检·1·31第页,共页广场与停车场料石面层检验批质量检验记录市政质检·1·32第页,共页广场与停车场预制混凝土砌块面层检验批质量检验记录市政质检·1·33第页,共页广场与停车场沥青混合料面层检验批质量检验记录市政质检·1·34第页,共页广场与停车场水泥混凝土面层检验批质量检验记录市政质检·1·35第页,共页。
本文件内所有表格目录土方路基检验批质量检验记录市政质检·1·1第页,共页挖石方路基检验批质量检验记录市政质检·1·2第页,共页填石方路基检验批质量检验记录市政质检·1·3第页,共页路肩检验批质量检验记录市政质检·1·4第页,共页砂垫层软土路基检验批质量检验记录市政质检·1·5第页,共页反压护道路基检验批质量检验记录市政质检·1·6第页,共页土工材料处理软土路基检验批质量检验记录市政质检·1·7第页,共页袋装砂井检验批质量检验记录市政质检·1·8第页,共页塑料排水板检验批质量检验记录市政质检·1·9第页,共页砂桩处理软土路基检验批质量检验记录市政质检·1·10第页,共页碎石桩处理软土路基检验批质量检验记录市政质检·1·11第页,共页粉喷桩处理软土路基检验批质量检验记录市政质检·1·12第页,共页湿陷性黄土强夯路基检验批质量检验记录市政质检·1·13第页,共页石灰稳定土,石灰、粉煤灰稳定砂砾(碎石),粉煤灰稳定钢渣基层及底基层检验批质量检验记录市政质检·1·14第页,共页水泥稳定土类基层及底基层检验批质量检验记录市政质检·1·15第页,共页级配砂砾(级配砂石)基层及底基层检验批质量检验记录市政质检·1·16第页,共页级配碎石及级配碎砾石基层和底基层检验批质量检验记录市政质检·1·17第页,共页沥青混合料(沥青碎石)基层检验批质量检验记录市政质检·1·18第页,共页沥青贯入式基层检验批质量检验记录市政质检·1·19第页,共页热拌沥青混合料检验批质量检验记录市政质检·1·20第页,共页热拌沥青混合料面层检验批质量检验记录市政质检·1·21第页,共页冷拌沥青混合料面层检验批质量检验记录市政质检·1·22第页,共页。
土方路基检验批质量检验记录市政质检·1·1第页,共页挖石方路基检验批质量检验记录市政质检·1·2第页,共页填石方路基检验批质量检验记录市政质检·1·3第页,共页路肩检验批质量检验记录市政质检·1·4砂垫层软土路基检验批质量检验记录市政质检·1·5反压护道路基检验批质量检验记录市政质检·1·6第页,共页土工材料处理软土路基检验批质量检验记录市政质检·1·7袋装砂井检验批质量检验记录市政质检·1·8塑料排水板检验批质量检验记录市政质检·1·9砂桩处理软土路基检验批质量检验记录市政质检·1·10第页,共页碎石桩处理软土路基检验批质量检验记录市政质检·1·11粉喷桩处理软土路基检验批质量检验记录市政质检·1·12第页,共页湿陷性黄土强夯路基检验批质量检验记录市政质检·1·13石灰稳定土,石灰、粉煤灰稳定砂砾(碎石),粉煤灰稳定钢渣基层及底基层检验批质量检验记录市政质检·1·14第页,共页水泥稳定土类基层及底基层检验批质量检验记录市政质检·1·15级配砂砾(级配砂石)基层及底基层检验批质量检验记录市政质检·1·16级配碎石及级配碎砾石基层和底基层检验批质量检验记录市政质检·1·17第页,共页沥青混合料(沥青碎石)基层检验批质量检验记录市政质检·1·18沥青贯入式基层检验批质量检验记录市政质检·1·19第页,共页热拌沥青混合料检验批质量检验记录市政质检·1·20第页,共页热拌沥青混合料面层检验批质量检验记录市政质检·1·21冷拌沥青混合料面层检验批质量检验记录市政质检·1·22第页,共页沥青混合料面层透层检验批质量检验记录市政质检·1·23第页,共页沥青混合料面层粘层检验批质量检验记录市政质检·1·24第页,共页沥青混合料面层封层检验批质量检验记录市政质检·1·25沥青贯入式面层检验批质量检验记录市政质检·1·26沥青表面处治施工检验批质量检验记录市政质检·1·27第页,共页水泥混凝土面层原材料检验批质量检验记录市政质检·1·28页,共页混凝土面层检验批质量检验记录市政质检·1·29铺砌式料石面层检验批质量检验记录市政质检·1·30铺砌式预制混凝土砌块面层检验批质量检验记录市政质检·1·31广场与停车场料石面层检验批质量检验记录市政质检·1·32第页,共页广场与停车场预制混凝土砌块面层检验批质量检验记录市政质检·1·33第页,共页广场与停车场沥青混合料面层检验批质量检验记录市政质检·1·34广场与停车场水泥混凝土面层检验批质量检验记录市政质检·1·35料石铺砌人行道面层检验批质量检验记录市政质检·1·36混凝土预制铺砌人行道(含盲道)面层检验批质量检验记录市政质检·1·37第页,共页沥青混凝土铺筑人行道面层检验批质量检验记录市政质检·1·38第页,共页人行地道结构地基检验批质量检验记录市政质检·1·39第页,共页人行地道结构防水层检验批质量检验记录市政质检·1·40人行地道结构基础模板安装检验批质量检验记录市政质检·1·41人行地道结构钢筋加工、成型与安装检验批质量检验记录市政质检·1·42人行地道结构混凝土基础检验批质量检验记录市政质检·1·43第页,共页现浇钢筋混凝土人行地道结构墙与顶板模板安装检验批质量检验记录市政质检·1·44第页,共页现浇钢筋混凝土人行地道结构墙与顶板混凝土检验批质量检验记录市政质检·1·45预制钢筋混凝土人行地道结构墙板检验批质量检验记录市政质检·1·46预制钢筋混凝土人行地道结构顶板检验批质量检验记录市政质检·1·47。
土方路基检验批质量检验记录市政质检·1·1挖石方路基检验批质量检验记录市政质检·1·2填石方路基检验批质量检验记录市政质检·1·3第页,共页路肩检验批质量检验记录市政质检·1·4第页,共页砂垫层软土路基检验批质量检验记录市政质检·1·5第页,共页反压护道路基检验批质量检验记录市政质检·1·6土工材料处理软土路基检验批质量检验记录市政质检·1·7第页,共页袋装砂井检验批质量检验记录市政质检·1·8塑料排水板检验批质量检验记录市政质检·1·9砂桩处理软土路基检验批质量检验记录市政质检·1·10碎石桩处理软土路基检验批质量检验记录市政质检·1·11粉喷桩处理软土路基检验批质量检验记录市政质检·1·12湿陷性黄土强夯路基检验批质量检验记录市政质检·1·13石灰稳定土,石灰、粉煤灰稳定砂砾(碎石),粉煤灰稳定钢渣基层及底基层检验批质量检验记录市政质检·1·14水泥稳定土类基层及底基层检验批质量检验记录市政质检·1·15第页,共页级配砂砾(级配砂石)基层及底基层检验批质量检验记录市政质检·1·16第页,共页级配碎石及级配碎砾石基层和底基层检验批质量检验记录市政质检·1·17第页,共页沥青混合料(沥青碎石)基层检验批质量检验记录市政质检·1·18第页,共页沥青贯入式基层检验批质量检验记录市政质检·1·19第页,共页热拌沥青混合料检验批质量检验记录市政质检·1·20热拌沥青混合料面层检验批质量检验记录市政质检·1·21第页,共页冷拌沥青混合料面层检验批质量检验记录市政质检·1·22沥青混合料面层透层检验批质量检验记录市政质检·1·23第页,共页沥青混合料面层粘层检验批质量检验记录市政质检·1·24第页,共页沥青混合料面层封层检验批质量检验记录市政质检·1·25沥青贯入式面层检验批质量检验记录市政质检·1·26沥青表面处治施工检验批质量检验记录市政质检·1·27第页,共页水泥混凝土面层原材料检验批质量检验记录市政质检·1·28混凝土面层检验批质量检验记录市政质检·1·29铺砌式料石面层检验批质量检验记录市政质检·1·30第页,共页铺砌式预制混凝土砌块面层检验批质量检验记录市政质检·1·31第页,共页广场与停车场料石面层检验批质量检验记录市政质检·1·32广场与停车场预制混凝土砌块面层检验批质量检验记录市政质检·1·33广场与停车场沥青混合料面层检验批质量检验记录市政质检·1·34广场与停车场水泥混凝土面层检验批质量检验记录市政质检·1·35第页,共页料石铺砌人行道面层检验批质量检验记录市政质检·1·36第页,共页混凝土预制铺砌人行道(含盲道)面层检验批质量检验记录市政质检·1·37沥青混凝土铺筑人行道面层检验批质量检验记录市政质检·1·38第页,共页人行地道结构地基检验批质量检验记录市政质检·1·39第页,共页人行地道结构防水层检验批质量检验记录市政质检·1·40人行地道结构基础模板安装检验批质量检验记录市政质检·1·41第页,共页人行地道结构钢筋加工、成型与安装检验批质量检验记录市政质检·1·42人行地道结构混凝土基础检验批质量检验记录市政质检·1·43现浇钢筋混凝土人行地道结构墙与顶板模板安装检验批质量检验记录市政质检·1·44第页,共页。
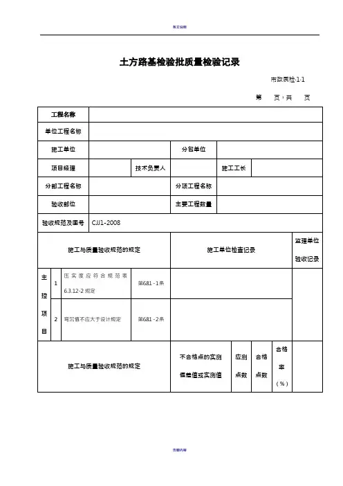
本文件内所有表格目录序号表格名称备注1 土方路基检验批质量检验记录2 挖石方路基检验批质量检验记录3 填石方路基检验批质量检验记录4 路肩检验批质量检验记录5 砂垫层软土路基检验批质量检验记录6 反压护道路基检验批质量检验记录7 土工材料处理软土路基检验批质量检验记录8 袋装砂井检验批质量检验记录9 塑料排水板检验批质量检验记录10 砂桩处理软土路基检验批质量检验记录11 碎石桩处理软土路基检验批质量检验记录12 粉喷桩处理软土路基检验批质量检验记录13 湿陷性黄土强夯路基检验批质量检验记录14 石灰稳定土,石灰、粉煤灰稳定砂砾(碎石),粉煤灰稳定钢渣基层及底基层检验批质量检验记录15 水泥稳定土类基层及底基层检验批质量检验记录16 级配砂砾(级配砂石)基层及底基层检验批质量检验记录17 级配碎石及级配碎砾石基层和底基层检验批质量检验记录18 沥青混合料(沥青碎石)基层检验批质量检验记录19 沥青贯入式基层检验批质量检验记录20 热拌沥青混合料检验批质量检验记录21 热拌沥青混合料面层检验批质量检验记录22 冷拌沥青混合料面层检验批质量检验记录23 沥青混合料面层透层检验批质量检验记录24 沥青混合料面层粘层检验批质量检验记录25 沥青混合料面层封层检验批质量检验记录26 沥青贯入式面层检验批质量检验记录27 沥青表面处治施工检验批质量检验记录28 水泥混凝土面层原材料检验批质量检验记录29 混凝土面层检验批质量检验记录30 铺砌式料石面层检验批质量检验记录31 铺砌式预制混凝土砌块面层检验批质量检验记录32 广场与停车场料石面层检验批质量检验记录33 广场与停车场预制混凝土砌块面层检验批质量检验记录34 广场与停车场沥青混合料面层检验批质量检验记录35 广场与停车场水泥混凝土面层检验批质量检验记录36 料石铺砌人行道面层检验批质量检验记录37 混凝土预制铺砌人行道(含盲道)面层检验批质量检验记录38 沥青混凝土铺筑人行道面层检验批质量检验记录39 人行地道结构地基检验批质量检验记录序号表格名称备注40 人行地道结构防水层检验批质量检验记录41 人行地道结构基础模板安装检验批质量检验记录42 人行地道结构钢筋加工、成型与安装检验批质量检验记录43 人行地道结构混凝土基础检验批质量检验记录44 现浇钢筋混凝土人行地道结构墙与顶板模板安装检验批质量检验记录45 现浇钢筋混凝土人行地道结构墙与顶板混凝土检验批质量检验记录46 预制钢筋混凝土人行地道结构墙板检验批质量检验记录47 预制钢筋混凝土人行地道结构顶板检验批质量检验记录48 预制钢筋混凝土人行地道结构墙板、顶板安装检验批质量检验记录49 砌筑墙体、钢筋混凝土顶板人行地道结构墙体砌筑检验批质量检验记录50 挡土墙地基检验批质量检验记录51 挡土墙模板安装检验批质量检验记录52 挡土墙钢筋加工、成型与安装检验批质量检验记录53 挡土墙基础混凝土检验批质量检验记录54 现浇混凝土挡土墙检验批质量检验记录55 挡土墙滤层、泄水孔检验批质量检验记录56 挡土墙回填土检验批质量检验记录57 帽石检验批质量检验记录58 挡土墙混凝土栏杆预制与安装检验批质量检验记录59 装配式钢筋混凝土挡土墙墙板预制检验批质量检验记录60 装配式钢筋混凝土挡土墙检验批质量检验记录61 砌体挡土墙检验批质量检验记录62 加筋挡土墙板及筋带安装检验批质量检验记录63 加筋挡土墙检验批质量检验记录64 路缘石检验批质量检验记录65 雨水管与雨水口检验批质量检验记录66 排水沟或截水沟检验批质量检验记录67 倒虹管及涵洞检验批质量检验记录68 护坡检验批质量检验记录69 隔离墩检验批质量检验记录70 隔离栅检验批质量检验记录71 护栏检验批质量检验记录72 声屏障检验批质量检验记录73 防眩板检验批质量检验记录Szj.0.1 检验批质量检验记录Szj.0.2 分项工程质量检验记录Szj.0.3 分部(子分部)工程质量检验记录Szj.0.4 单位工程分部工程检验汇总表Szj.0.5 单位(子单位)工程质量竣工验收记录89土方路基检验批质量检验记录市政质检·1·1 工程名称单位工程名称施工单位分包单位项目经理技术负责人施工工长分部工程名称分项工程名称验收部位主要工程数量验收规范及图号CJJ1-2008施工与质量验收规范的规定施工单位检查记录监理单位验收记录主控项目1压实度应符合规范表6.3.12-2规定第6.8.1-1条2弯沉值不应大于设计规定第6.8.1-2条施工与质量验收规范的规定不合格点的实测偏差值或实测值应测点数合格点数合格率(%)一般项目1路床应平整、坚实,无显著轮迹、翻浆、波浪、起皮等现象,路堤边坡应密实、稳定、平顺。
第6.8.1-4条2允许偏差路床纵断高程(mm) -20,+103 路床中线偏位(mm)≤304 路床平整度(mm)≤155 路床宽度(mm)不小于设计值+B6 路床横坡(%)±0.3%且不反坡7 边坡不陡于设计值平均合格率(%)施工单位检查意见质检员签名:年月日监理单位验收结论监理工程师签名:年月日挖石方路基检验批质量检验记录市政质检·1·2工程名称单位工程名称施工单位分包单位项目经理技术负责人施工工长分部工程名称分项工程名称验收部位主要工程数量验收规范及图号CJJ1-2008施工与质量验收规范的规定施工单位检查记录监理单位验收记录主控项目1上边坡必须稳定,严禁有松石、险石。
第6.8.2-1条施工与质量验收规范的规定不合格点的实测偏差值或实测值应测点数合格点数合格率(%)一般项目1允许偏差路床纵断高程(mm) +50;-1002 路床中线偏位(mm)≤303 路床宽(mm)不小于设计规定+B4 边坡不陡于设计规定平均合格率(%)施工单位检查意见质检员签名:年月日监理单位验收结论监理工程师签名:年月日填石方路基检验批质量检验记录市政质检·1·3工程名称单位工程名称施工单位分包单位项目经理技术负责人施工工长分部工程名称分项工程名称验收部位主要工程数量验收规范及图号CJJ1-2008施工与质量验收规范的规定施工单位检查记录监理单位验收记录主控项目1压实密度应符合试验路段确定的施工工艺。
第6.8.2-2条2沉降差不应大于试验路段确定的沉降差。
第6.8.2-2条施工与质量验收规范的规定不合格点的实测偏差值或实测值应测点数合格点数合格率(%)一般项目1路床顶面应嵌缝牢固,表面均匀、平整、稳定,无推移、浮石。
第6.8.2-2条2 边坡应稳定、平顺,无松石。
第6.8.2-2条3允许偏差路床纵断高程(mm) -20,+104 路床中线偏位(mm)≤305 路床平整度(mm)≤206 路床宽度(mm)不小于设计值+B7 路床横坡(%)±0.3%且不反坡边坡不陡于设计值平均合格率(%)施工单位检查意见质检员签名:年月日监理单位验收结论监理工程师签名:年月日路肩检验批质量检验记录市政质检·1·4工程名称单位工程名称施工单位分包单位项目经理技术负责人施工工长分部工程名称分项工程名称验收部位主要工程数量验收规范及图号CJJ1-2008施工与质量验收规范的规定施工单位检查记录监理单位验收记录主控项目施工与质量验收规范的规定不合格点的实测偏差值或实测值应测点数合格点数合格率(%)一般项目1肩线应顺畅、表面平整,不积水、阻水。
第6.8.3-1条2允许偏差压实度≥90%3 宽度(mm)不小于设计规定4 横坡(%)±1%且不反坡平均合格率(%)施工单位检查意见质检员签名:年月日监理单位验收结论监理工程师签名:年月日砂垫层软土路基检验批质量检验记录市政质检·1·5工程名称单位工程名称施工单位分包单位项目经理技术负责人施工工长分部工程名称分项工程名称验收部位主要工程数量验收规范及图号CJJ1-2008施工与质量验收规范的规定施工单位检查记录监理单位验收记录主控项目1砂垫层的材料质量应符合设计要求。
第6.8.4--2条2压实度应大于等于90%。
第6.8.4-2条施工与质量验收规范的规定不合格点的实测偏差值或实测值应测点数合格点数合格率(%)一般项目1允许偏差宽度不小于设计规定+B2 厚度不少于设计规定平均合格率(%)施工单位检查意见质检员签名:年月日监理单位验收结论监理工程师签名:年月日反压护道路基检验批质量检验记录市政质检·1·6工程名称单位工程名称施工单位分包单位项目经理技术负责人施工工长分部工程名称分项工程名称验收部位主要工程数量验收规范及图号CJJ1-2008施工与质量验收规范的规定施工单位检查记录监理单位验收记录主控项目1压实度不应小于90%。
第6.8.4—3-1条施工与质量验收规范的规定不合格点的实测偏差值或实测值应测点数合格点数合格率(%)一般项目1允许偏差宽度应符合设计要求。
第6.8.4—3-2条2 高度应符合设计要求。
第6.8.4—3-2条平均合格率(%)施工单位检查意见质检员签名:年月日监理单位验收结论监理工程师签名:年月日土工材料处理软土路基检验批质量检验记录市政质检·1·7工程名称单位工程名称施工单位分包单位项目经理技术负责人施工工长分部工程名称分项工程名称验收部位主要工程数量验收规范及图号CJJ1-2008施工与质量验收规范的规定施工单位检查记录监理单位验收记录主控项目1土工材料的技术质量指标应符合设计要求。
第6.8.4-4-1条2土工合成材料敷设、胶接、锚固和回卷长度应符合设计要求。
第6.8.4-4-2条施工与质量验收规范的规定不合格点的实测偏差值或实测值应测点数合格点数合格率(%)一般项目1下承层面不得有突刺、尖角。
第6.8.4-4--3条2允许偏差下承面平整度(mm)≤153 下承面拱度(%)±1%平均合格率(%)施工单位检查意见质检员签名:年月日监理单位验收结论监理工程师签名:年月日袋装砂井检验批质量检验记录市政质检·1·8工程名称单位工程名称施工单位分包单位项目经理技术负责人施工工长分部工程名称分项工程名称验收部位主要工程数量验收规范及图号CJJ1-2008施工与质量验收规范的规定施工单位检查记录监理单位验收记录主控项目1砂的规格和质量、砂袋织物质量必须符合设计要求。
第6.8.4-5-1条2砂袋下沉时不得出现扭结、断裂等现象。
第6.8.4-5-2条3井深不小于设计要求,砂袋在井口外应伸入砂垫层30cm以上。
第6.8.4-5-3条施工与质量验收规范的规定不合格点的实测偏差值或实测值应测点数合格点数合格率(%)一般项目1允许偏差井间距(mm)±1502 砂井直径(mm)+10,03 井竖直度≤1.5%H4 砂井灌砂量-5%G平均合格率(%)施工单位检查意见质检员签名:年月日监理单位验收结论监理工程师签名:年月日塑料排水板检验批质量检验记录市政质检·1·9工程名称单位工程名称施工单位分包单位项目经理技术负责人施工工长分部工程名称分项工程名称验收部位主要工程数量验收规范及图号CJJ1-2008施工与质量验收规范的规定施工单位检查记录监理单位验收记录主控项目1塑料排水板质量必须符合设计要求。