金蝶软件公式
- 格式:doc
- 大小:232.08 KB
- 文档页数:13
资产负债表:货币资金年初数=ACCT("1001:1012","","NC","",0,1,1)货币资金期末数=ACCT("1001:1012","","Y","",0,0,0)交易性金融资产年初数=ACCT("1101","","NC","",0,1,1)交易性金融资产期末数=ACCT("1101","","Y","",0,0,0)应收账款年初数=ACCT("1122","","JC","",0,1,1)-ACCT("1231","","NC","",0,1,1)+ACCT("220 3","","JC","",0,1,1)应收账款期末数=ACCT("1122","","JY","",0,0,0)-ACCT("1231","","Y","",0,0,0)+ACCT("2203 ","","JY","",0,0,0)预付款项年初数=ACCT("1123","","JC","",0,1,1)+ACCT("2202","","JC","",0,1,1)预付款项期末数=ACCT("1123","","JY","",0,0,0)+ACCT("2202","","JY","",0,0,0)持有至到期投资年初数=ACCT("1501","","NC","",0,1,1)-ACCT("1502","","NC","",0,1,1)持有至到期投资期末数=ACCT("1501","","Y","",0,0,0)-ACCT("1502","","Y","",0,0,0)长期应收款年初数=ACCT("1531","","NC","",0,1,1)-ACCT("1532","","NC","",0,1,1)长期应收款期末数=ACCT("1531","","Y","",0,0,0)-ACCT("1532","","Y","",0,0,0)长期股权投资年初数=ACCT("1511","","NC","",0,1,1)-ACCT("1512","","NC","",0,1,1)长期股权投资期末数==ACCT("1511","","Y","",0,0,0)-ACCT("1512","","Y","",0,0,0)固定资产年初据=ACCT("1601","","NC","",0,1,1)-ACCT("1602","","NC","",0,1,1)-ACCT("16 03","","NC","",0,1,1)固定资产期末据=ACCT("1601","","Y","",0,0,0)-ACCT("1602","","Y","",0,0,0)-ACCT("1603", "","Y","",0,0,0)无形资产年初数=ACCT("1701","","NC","",0,1,1)-ACCT("1702","","NC","",0,1,1)-ACCT("17 03","","NC","",0,1,1)无形资产期末数=ACCT("1701","","Y","",0,0,0)-ACCT("1702","","Y","",0,0,0)-ACCT("1703", "","Y","",0,0,0)应付账款年初数=ACCT("2202","","DC","",0,1,1)+ACCT("1123","","DC","",0,1,1)应付账款期末数=ACCT("2202","","DY","",0,0,0)+ACCT("1123","","DY","",0,0,0)预收款项年初=ACCT("2203","","DC","",0,1,1)+ACCT("1122","","DC","",0,1,1)预收款项期末=ACCT("2203","","DY","",0,0,0)+ACCT("1122","","DY","",0,0,0)长期应付款年初数=ACCT("2701","","NC","",0,1,1)-ACCT("2702","","NC","",0,1,1)长期应付款期末数=ACCT("2701","","Y","",0,0,0)-ACCT("2702","","Y","",0,0,0)所有者权益年初数=SUM(I30:I31)-I32+I33+I34所有者权益期末数=SUM(H30:H31)-H32+H33+H34未分配利润=ACCT("4104","","NC","",0,1,1)+ACCT("4103","","NC","",0,1,1)未分配利润期末数=ACCT("4104","","y","",0,0,0)+ACCT("4103","","y","",0,0,0)+ACCT("6001" ,"","y","",0,0,0)+ACCT("6051","","y","",0,0,0)-ACCT("6401","","y","",0,0,0 )-ACCT("6402","","y","",0,0,0)-ACCT("6403","","y","",0,0,0)-ACCT("6601", "","y","",0,0,0)-ACCT("6602","","y","",0,0,0)-ACCT("6603","","y","",0,0,0) -ACCT("6701","","y","",0,0,0)+ACCT("6101","","y","",0,0,0)+ACCT("6111" ,"","y","",0,0,0)+ACCT("6301","","y","",0,0,0)-ACCT("6711","","y","",0,0,0 )-ACCT("6801","","y","",0,0,0)存货年初数=ACCT("1401:1406","","NC","",0,1,1)-ACCT("1471","","NC","",0,1,1)+ACC T("5001","","NC","",0,1,1)+ACCT("1408","","NC","",0,1,1)+ACCT("1411"," ","NC","",0,1,1)-ACCT("1407","","NC","",0,1,1)存货期末数==ACCT("1401:1406","","Y","",0,0,0)-ACCT("1471","","Y","",0,0,0)+ACCT(" 5001","","Y","",0,0,0)+ACCT("1408","","Y","",0,0,0)+ACCT("1411","","Y"," ",0,0,0)-ACCT("1407","","Y","",0,0,0)利润表营业收入上期数==ACCT("6001","","SL","",-1、0,0,0)+ACCT("6051","","SL","",-1、0,0,0)营业收入本期数=ACCT("6001","","SL","",0,0,0)+ACCT("6051","","SL","",0,0,0)营业成本上期数=ACCT("6401","","SL","",-1、0,0,0)+ACCT("6402","","SL","",-1、0,0,0)营业成本本期数=ACCT("6401","","SL","",0,0,0)+ACCT("6402","","SL","",0,0,0)营业税金及附加上期数=ACCT("6403","","SL","",-1、0,0,0)营业税金及附加本期数= =ACCT("6403","","SL","",0,0,0)销售费用上期=ACCT("6601","","SL","",-1、0,0,0)销售费用本期=ACCT("6601","","SL","",0,0,0)管理费用上期数=ACCT("6602","","SL","",-1、0,0,0)管理费用本期数=ACCT("6602","","SL","",0,0,0)财务费用上期=ACCT("6603","","SL","",-1、0,0,0)财务费用本期=ACCT("6603","","SL","",0,0,0)资产减值损失=ACCT("6701","","SL","",-1、0,0,0)资产减值损失==ACCT("6701","","SL","",0,0,0)公允价值变动收益=ACCT("6101","","SL","",-1、0,0,0) 公允价值变动收益=ACCT("6101","","SL","",0,0,0)投资收益=ACCT("6111","","SL","",-1、0,0,0)投资收益=ACCT("6111","","SL","",0,0,0)营业利润=E4-E5-E6-E7-E8-E9-E10+E11+E12营业利润=D4-D5-D6-D7-D8-D9-D10+D11+D12营业外收入=ACCT("6301","","SL","",-1、0,0,0)营业外收入=ACCT("6301","","SL","",0,0,0)营业外支出=ACCT("6711","","SL","",-1、0,0,0)营业外支出=ACCT("6711","","SL","",0,0,0)利润总额=E14+E15-E16利润总额=D14+D15-D16所得税费用=ACCT("6801","","SL","",-1、0,0,0)所得税费用=ACCT("6801","","SL","",0,0,0)。
金蝶软件报表公式设置引言:随着企业规模的扩大和业务复杂度的提高,金蝶软件成为了众多企业首选的管理软件之一。
在财务报表的生成过程中,设置正确的公式是确保数据准确性和报表可靠性的关键。
本文将介绍金蝶软件中报表公式的设置方法和技巧,帮助您更好地应用金蝶软件进行财务数据分析和报表生成。
一、公式的基本概念在金蝶软件中,报表公式是由特定的函数和操作符组成的,用于在报表中计算和展示数据。
这些公式可以基于其他报表数据、计算结果或固定值进行运算,并生成最终的报表结果。
公式可以用于计算财务指标、比率、增长率等各种重要的指标,帮助企业管理者更好地理解业务情况和进行决策。
二、公式的设置步骤1. 打开金蝶软件并选择相应的报表模板。
在报表设计界面中,可以看到各种报表元素和布局。
2. 在需要设置公式的单元格中双击,并选中“设置公式”选项。
在公式编辑器中,可以输入公式表达式和相关参数。
3. 根据具体的报表需求和计算逻辑,选择合适的函数和操作符,并填写相应的参数。
金蝶软件提供了丰富的函数库,包括数学函数、逻辑函数、文本函数等,可以满足不同的计算需求。
4. 在公式编辑器中,可以通过点击工具栏上的按钮来插入字段、运算符和函数。
也可以直接手动输入相应的表达式和参数。
5. 添加公式后,可以使用预览功能来验证公式的正确性。
点击“预览”按钮,系统将根据当前的数据和报表设计,计算出公式的结果,并在预览窗口中展示。
6. 如果公式设置正确,可以点击“确认”按钮保存设置。
系统将根据公式的定义,自动计算并更新报表数据。
三、公式设置的技巧1. 使用合适的函数:金蝶软件提供了丰富的函数库,可以满足不同的计算需求。
在设置公式时,应根据具体的计算逻辑选择合适的函数,以确保计算结果准确。
2. 引用正确的单元格:在设置公式时,应确保引用的单元格和数据区域是正确的。
错误的单元格引用可能导致计算错误或显示不准确的报表结果。
3. 使用绝对引用和相对引用:金蝶软件支持绝对引用和相对引用两种引用方式。
金蝶软件公式Revised on November 25, 2020金蝶报表函数取数公式取数公式类型说明(1) ACCT取数公式定义选择〖插入〗—>〖函数〗,系统将所有的报表取数公式列出,选择“金蝶报表函数”中的ACCT取数公式,双击鼠标左键,系统将弹出定义公式的界面,如下图所示:在进行ACCT取数公式中需要设置以下的一些参数:1、科目:首次使用可采用向导自动生成科目与核算项目参数,在科目录入框内单击F7显示如下:生成的公式描述如下:科目公式=“科目代码1:科目代码2|项目类别|项目代码1:项目代码2|项目类别|项目代码1:项目代码2”下面针对公式中“”内的内容进行说明:“”中的内容用于存放用户所选择的科目和核算项目代码。
公式中的科目代码,项目类别和项目代码,在字符“|”和“:”的分隔下可以进行20种组合,其中:“a”,“a1”,“a2”表示科目代码“b”表示核算项目类别名称“C”,“C1”,“C2”表示核算项目代码“a:”表示代码大于或等于科目a的所有科目“:a”表示代码小于或等于a的所有科目“a1:a2”表示代码大于或等于a1并且小于或等于a2的所有科目“C:”表示代码大于或等于C的所有核算项目“:C”表示代码小于或等于C的所有核算项目“C1:C2”表示代码大于或等于C1并且小于或等于C2的核算项目当核算项目类别b和代码C,C1,C2都缺省时,表示指定科目下设所有的核算项目类别。
当核算项目类别b不省略,而核算项目代码缺省时,表示指定核算项目类别b中所有核算项目。
举例:取数公式表达式:ACCT(“:123|客户|003:”,“C”)表示科目代码小于或等于123,下设科目核算项目:客户,客户代码大于或等于003的本位币的期初余额。
取数公式表达式:ACCT(“214|职员|0001:0012”,“Y”)表示科目代码为214,下设科目核算项目:职员,职员代码在0001到0012之间的本位币期末余额。
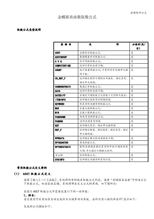
金蝶报表函数取数公式取数公式类型说明数据项说明必填项(是/否)ACCT总账科目取数公式.是ACCTGROUP集团账套科目取数公式.是A V G求平均数取数公式。
是COMPUTERTIME返回计算机当前日期。
是是COUNT统计数量取数公式,计算所有非空格单元格的个数。
CS_REF_F返回指定制作日期的合并报表,指定表页、是指定单元的值。
CURRENCYRATE集团汇率取数公式。
是DATE返回计算机当前日期。
是DATEDIFF求指定日期参数2与参数1之间的天数差。
是ITEMINFO返回指定核算项目的属性值.是KEYWORD取表页的关键字的取数公式.是MAX求最大值取数公式。
是MIN求最小值取数公式。
是PAGENAME取表页名称取数公式。
是PAGENO返回当前表页的值.是REF返回指定表页、指定单元格的值.是是REF_F 返回指定账套、指定报表、指定表页、指定单元格的值。
RPRDATA 返回指定格式的当前报表日期。
是RPTQUARTER季度取数公式.是是RPTSHEETDATE获取当前报表指定表页的开始日期或结束日期,并以指定日期格式返回。
SUM求和取数公式。
是SYSINFO返回指定关键字的系统信息.是常用取数公式定义举例(1)ACCT取数公式定义选择〖插入〗—>〖函数〗,系统将所有的报表取数公式列出,选择“金蝶报表函数"中的ACCT取数公式,双击鼠标左键,系统将弹出定义公式的界面,如下图所示:在进行ACCT取数公式中需要设置以下的一些参数:1、科目:首次使用可采用向导自动生成科目与核算项目参数,在科目录入框内单击F7显示如下:生成的公式描述如下:科目公式=“科目代码1:科目代码2|项目类别|项目代码1:项目代码2|项目类别|项目代码1:项目代码2”下面针对公式中“”内的内容进行说明:“"中的内容用于存放用户所选择的科目和核算项目代码。
公式中的科目代码,项目类别和项目代码,在字符“|”和“:”的分隔下可以进行20种组合,得到不同范围的科目和核算项目.组合情况如下:A a::a a1:a2A|b a:|b:a|b a1:a2|bA|b|c a:|b|c:a|b|c a1:a2|b|ca|b|c:a:|b|:c:a|b|c:a1:a2|b.c:a|b|c1:c2a:|b|c1:c2:a|b|c1:c2a1:a2|b|c1:c2其中:“a”,“a1”,“a2”表示科目代码“b"表示核算项目类别名称“C”,“C1",“C2”表示核算项目代码“a:"表示代码大于或等于科目a的所有科目“:a”表示代码小于或等于a的所有科目“a1:a2”表示代码大于或等于a1并且小于或等于a2的所有科目“C:"表示代码大于或等于C的所有核算项目“:C”表示代码小于或等于C的所有核算项目“C1:C2”表示代码大于或等于C1并且小于或等于C2的核算项目当核算项目类别b和代码C,C1,C2都缺省时,表示指定科目下设所有的核算项目类别。
精心整理金蝶报表函数取数公式取数公式类型说明数据项说?????????明必填项(是/否)ACCT总账科目取数公式。
是ACCTGROUP集团账套科目取数公式。
是AVG求平均数取数公式。
是COMPUTERTIME返回计算机当前日期。
是COUNT统计数量取数公式,计算所有非空格单元格的个是数。
CS_REF_F返回指定制作日期的合并报表,指定表页、指定是单元的值。
CURRENCYRATE集团汇率取数公式。
是DATE返回计算机当前日期。
是DATEDIFF求指定日期参数2与参数1之间的天数差。
是ITEMINFO返回指定核算项目的属性值。
是KEYWORD取表页的关键字的取数公式。
是MAX求最大值取数公式。
是MIN求最小值取数公式。
是PAGENAME取表页名称取数公式。
是PAGENO返回当前表页的值。
是REF返回指定表页、指定单元格的值。
是REF_F返回指定账套、指定报表、指定表页、指定单元是格的值。
RPRDATA返回指定格式的当前报表日期。
是RPTQUARTER季度取数公式。
是RPTSHEETDATE获取当前报表指定表页的开始日期或结束日期,是并以指定日期格式返回。
SUM求和取数公式。
是SYSINFO返回指定关键字的系统信息。
是常用取数公式定义举例(1)ACCT取数公式定义选择〖插入〗—>〖函数〗,系统将所有的报表取数公式列出,选择“金蝶报表函数”中的ACCT取数公式,双击鼠标左键,系统将弹出定义公式的界面,如下图所示:在进行ACCT取数公式中需要设置以下的一些参数:1、科目:首次使用可采用向导自动生成科目与核算项目参数,在科目录入框内单击F7显示如下:生成的公式描述如下:科目公式=“科目代码1:科目代码2|项目类别|项目代码1:项目代码2|项目类别|项目代码1:项目代码2”下面针对公式中“”内的内容进行说明:“”中的内容用于存放用户所选择的科目和核算项目代码。
公式中的科目代码,项目类别和项目代码,在字符“|”和“:”的分隔下可以进行20种组合,得到不同范围的科目和核算项目。
金蝶软件资产负债表计算公式(二)金蝶软件资产负债表计算公式在金蝶软件财务报表中,资产负债表是企业财务状况的重要指标之一。
以下是金蝶软件资产负债表中的一些常用计算公式:1. 总资产计算公式总资产 = 货币资金 + 交易性金融资产 + 应收票据 + 应收账款+ 预付账款 + 其他应收款 + 存货 + 待摊费用 + 一年内到期的非流动资产 + 其他流动资产 + 可供出售金融资产 + 持有至到期投资 +长期应收款 + 长期股权投资 + 投资性房地产 + 固定资产 + 在建工程 + 工程物资 + 固定资产清理 + 生产性生物资产 + 油气资产 + 无形资产 + 开发支出 + 商誉 + 长期待摊费用 + 递延所得税资产 + 其他非流动资产举例说明:假设某企业的资产负债表中,货币资金为500,000元,应收账款为300,000元,存货为200,000元,固定资产为600,000元,其他流动资产为100,000元,递延所得税资产为50,000元。
那么,该企业的总资产计算如下:总资产 = 500,000 + 300,000 + 200,000 + 600,000 + 100,000 + 50,000 = 1,750,000元2. 总负债计算公式总负债 = 短期借款 + 应付票据 + 应付账款 + 预收账款 + 其他应付款 + 实收资本(或股本) + 资本公积 + 盈余公积 + 未分配利润 + 长期借款 + 一年内到期的非流动负债 + 其他流动负债 + 长期应付款 + 长期应付职工薪酬 + 专项应付款 + 预计负债 + 递延所得税负债 + 其他非流动负债举例说明:假设某企业的资产负债表中,短期借款为200,000元,应付账款为100,000元,预收账款为50,000元,未分配利润为300,000元,长期借款为500,000元。
那么,该企业的总负债计算如下:总负债 = 200,000 + 100,000 + 50,000 + 300,000 + 500,000 = 1,150,000元3. 净资产计算公式净资产 = 总资产 - 总负债举例说明:继续以上例子,该企业的净资产计算如下:净资产 = 1,750,000 - 1,150,000 = 600,000元4. 负债率计算公式负债率 = (总负债 / 总资产) * 100举例说明:继续以上例子,该企业的负债率计算如下:负债率 = (1,150,000 / 1,750,000)* 100 ≈ %5. 资产负债表期末的总额应等于资产负债表期初的总额资产负债表期末总额 = 资产负债表期初总额举例说明:若某企业在年初的资产负债表总额为1,500,000元,那么在年末的资产负债表总额也应为1,500,000元。
资产负债表: 货币资金年初数二ACCT("1001:1012","","NC","",0,1,1)货币资金期末数二ACCT("1001:1012","","Y","",0,0,0)交易性金融资产年初数二ACCT("1101","","NC","",0,1,1)交易性金融资产期末数二ACCT("1101","","Y","",0,0,0)应收账款年初数二ACCT("1122","","JC","",0,1,1)-ACCT("1231","","NC","",0,1,1)+ACCT("220 3","","JC","",0,1,1)应收账款期末数=ACCT("1122","","J Y","",0,0,0)-ACCT("1231",""," Y","",0,0,0)+ACCT("2203 ,"JY ",”",0,0,0)预付款项年初数=ACCT("1123","","JC","",0,1,1)+ACCT("2202","","JC","",0,1,1)预付款项期末数=ACCT("1123","","J Y","",0,0,0)+ACCT("2202","","J Y","",0,0,0)持有至到期投资年初数=ACCT("1501","","NC","",0,1,1)-ACCT("1502","","NC","",0,1,1)持有至到期投资期末数=ACCT("1501",""," Y","",0,0,0)-ACCT("1502",""," Y","",0,0,0)长期应收款年初数长期应收款期末数长期股权投资年初数二ACCT("1511","","NC","",0,1,1)-ACCT("1512","","NC","",0,1,1)长期股权投资期末数==ACCT("1511",""," Y","",0,0,0)-ACCT("1512",""," Y","",0,0,0)固定资产年初据二ACCT("1601","","NC","",0,1,1)-ACCT("1602","","NC","",0,1,1)-ACCT("16 03","","NC","",0,1,1)固定资产期末据=ACCT("1601",""," Y","",0,0,0)-ACCT("1602",""," Y","",0,0,0)-ACCT("1603", ""," Y","",0,0,0)无形资产年初数二ACCT("1701","","NC","",0,1,1)-ACCT("1702","","NC","",0,1,1)-ACCT("1703","","NC","",0,1,1)无形资产期末数=ACCT("1701",""," Y","",0,0,0)-ACCT("1702",""," Y","",0,0,0)-ACCT("1703", ""," Y","",0,0,0)应付账款年初数二ACCT("2202","","DC","",0,1,1)+ACCT("1123","","DC","",0,1,1)应付账款期末数预收款项年初预收款项期末=ACCT("2203","","D Y","",0,0,0)+ACCT("1122","","D Y","",0,0,0)长期应付款年初数二ACCT("2701","","NC","",0,1,1)-ACCT("2702","","NC","",0,1,1)长期应付款期末数=ACCT("2701",""," Y","",0,0,0)-ACCT("2702",""," Y","",0,0,0)所有者权益年初数二SUM(I3O:I31)-I32+I33+I34所有者权益期末数二SUM(H30:H31)-H32+H33+H34未分配利润二ACCT("4104","","NC","",0,1,1)+ACCT("4103","","NC","",0,1,1)未分配利润期末数二ACCT("4104","","y","",0,0,0)+ACCT("4103","","y","",0,0,0)+ACCT("6001","","y","",0,0,0)+ACCT("6051","","y","",0,0,0)-ACCT("6401","","y","",0,0 ,0)-ACCT("6402","","y","",0,0,0)-ACCT("6403","","y","",0,0,0)-ACCT("6601","”,"y","",0,0,0)-ACCT("6602","","y","",0,0,0)-ACCT("6603","","y","",0,0 ,0)-ACCT("6701","","y","",0,0,0)+ACCT("6101","","y","",0,0,0)+ACCT("6111","","y","",0,0,0)+ACCT("6301","","y","",0,0,0)-ACCT("6711","","y","",0,0 ,0)-ACCT("6801","","y","",0,0,0)存货年初数二ACCT("1401:1406","","NC","",0,1,1)-ACCT("1471","","NC","",0,1,1)+ACC",”NC","",0,1,1)-ACCT("1407","","NC","",0,1,1)存货期末数=二ACCT("1401:1406",""," Y","",0,0,0)-ACCT("1471","","Y","",O,O,O)+ACCT(”5001",""," Y","",0,0,0)+ACCT("1408",""," Y","",0,0,0)+ACCT("1411","","Y ",”",0,0,0)-ACCT("1407","","Y ","",0,0,0)利润表营业收入上期数=二ACCT("6001","","SL","",-1.0,0,0)+ACCT("6051","","SL","",-1.0,0,0)营业收入本期数=ACCT("6001","","SL","",0,0,0)+ACCT("6051","","SL","",0,0,0)营业成本上期数=ACCT("6401","","SL","",-1.0,0,0)+ACCT("6402","","SL","",-1.0,0,0)营业成本本期数=ACCT("6401","","SL","",0,0,0)+ACCT("6402","","SL","",0,0,0)营业税金及附加上期数二ACCT("6403","","SL","",-1.0,0,0)营业税金及附加本期数二=ACCT("6403","","SL","",0,0,0)销售费用上期=ACCT("6601","","SL","",-1.0,0,0)销售费用本期=ACCT("6601","","SL","",0,0,0)管理费用上期数=ACCT("6602","","SL","",-1.0,0,0)管理费用本期数=ACCT("6602","","SL","",0,0,0)财务费用上期=ACCT("6603","","SL","",-1.0,0,0)财务费用本期二ACCT("6603","","SL","",0,0,0)资产减值损失二ACCT("6701","","SL","",-1.0,0,0)资产减值损失=二ACCT("6701","","SL","",0,0,0)公允价值变动收益二ACCT("6101","","SL","",-1.0,0,0) 公允价值变动收益二ACCT("6101","","SL","",0,0,0) 投资收益二ACCT("6111","","SL","",-1.0,0,0)投资收益二ACCT("6111","","SL","",0,0,0)营业利润二E4-E5-E6-E7-E8-E9-E10+E11+E12营业利润二D4-D5-D6-D7-D8-D9-D10+D11+D12营业外收入二ACCT("6301","","SL","",-1.0,0,0)营业外收入=ACCT("6301","","SL","",0,0,0)营业外支出二ACCT("6711","","SL","",-1.0,0,0)营业外支出二ACCT("6711","","SL","",0,0,0)利润总额二E14+E15-E16利润总额二D14+D15-D16所得税费用二ACCT("6801","","SL","",-1.0,0,0)所得税费用二ACCT("6801","","SL","",0,0,0)。
净需求的计算公式净需求= ( 毛需求/ ( 1 - 损耗率) -现有库存+ 安全库存-预计入库量+ 已分配数量)或者净需求= ( 毛需求/ ( 1+损耗率) -现有库存+ 安全库存-预计入库量+ 已分配数量)ü计划订单量的计算公式计划订单量= 批量调整(净需求数量/ 成品率)。
其中,如果进行批量调整,不同订货策略批量调整的原则如下:u 期间订货量(POQ):计划订单量= 最小订货量+取大整数[(净需求-最小订货量)/批量增量]*批量增量。
u 固定批量(FOQ):计划订单量=取大整数[净需求/(固定/经济批量)]*(固定/经济批量)u 批对批(LFL):计划订单量= 最小订货量+取大整数[(净需求-最小订货量)/批量增量]*批量增量。
u 再订货点(ROP):计划订单量= 固定/经济批量。
ü毛需求毛需求指未扣除现有库存及预计入库时的需求,来源有以下三种类型:销售订单;产品预测单;上级物料的计划订单对下级物料的相关需求。
u 销售订单的毛需求数量:取剩余未出库的订单数。
即总的订单数减去已经出库的数量。
如果销售订单进行了锁库,锁库部分的数量不作为毛需求参与计算。
u 产品预测单的需求数量:取预测单的数量-执行数量或者数量,具体请参考《产品预测单下推生成销售订单》中MRP计算时,需求数量的取数原则。
u 上级物料的计划订单对下级物料的相关需求:取审核的计划订单的建议订单量ü已分配量任务单计划确认字段为“Y”,单据状态为“计划”或“确认”或“下达”且作废标志不为“Y”的才计入已分配;已分配量指被其他销售订单、生产任务占用的物料数量,包括以下几种类型:u 拖期的销售订单(订单剩余数量);u 生产任务、委外订单相关联的投料单中没有领用物料的数量;u 物料替代清单中替代料的实际替代量。
ü预计入库量任务单计划确认字段为“Y”,单据状态为“计划”或“确认”或“下达”且作废标志不为“Y”的才计入预计入库量;预计入库单据包括以下几种类型:u 生产任务单和委外订单(总计划生产数-已完工入库),在计算预计入库量时,联副产品也可以作为预计入数量;u 采购申请单(数量-审核的采购订单数,采购申请单行关闭的不考虑)u 采购订单(总的订单数- 已入库数量)u 计划订单(建议订单量)u 物料替代清单(被替代料的实际需求量)。
金蝶公式一、特殊公式,期初数:1.货币资金<101:109>.C@12. 存货:<121:138>.C@1+<401>.C@13.应收帐款净值:C6-C74.待处理流动资产净损失:<19101>.C@1+<195>.C@15.流动资产合计:C3+C4+C5+SUM(C8:C16)6.长期投资: <151>.C@1-C157.固定资产净值:C21-C228.固定资产合计: SUM(C23:C26)9.无形资产合计: D29+D3010.递延税款借项: <270>.JC@111.资产合计:C17+C19+C27+C32+C34+C3612.流动负债合计: SUM(G3:G15)13.其它长期负债<272>C@1+<275>C@114.长期负债合计: SUM(G18:G21)-G1415.递延税款贷项: <270>.DC@116.负债合计: G26+G24+G1617.未分配利润: <321>.C@1+<322>.C@118.所有者权益合计: G33+SUM(G29+G31)19.负债及所有者权益合计: G27+G34注:未交税金=应交税金(负债类)其它未交款=其它应交款(负债类)期末数:1.货币资金<101:109>2. 存货:<121:138>+<401>3.应收帐款净值:D6-D74.待处理流动资产净损失:<19101>+<195>5.流动资产合计:D3+D4+D5+SUM(D8:D16)6.长期投资: <151>-D157.固定资产净值:D21-D228.固定资产合计: SUM(D23:D26)9.无形资产合计: D29+D3010.递延税款借项: <270>.JY11.资产合计:D17+D19+D27+D32+D34+D3612.流动负债合计: SUM(H3:H15)13.其它长期负债<272>+<275>14.长期负债合计:SUM(H18:H21)-H1415.递延税款贷项: <270>.DY16.负债合计: H26+H24+H1617.未分配利润: <321>+<322>18.所有者权益合计:H33+SUM(H29+H31)19.负债及所有者权益合计: H27+H34二、其它常规公式:1、选中黄色框,单击公式向导,出现如图自定义公式向导对话框;2、求年初数,选三个参数,即科目代码、会计期间(选1)、取数类型(期初余额);3、求期末数,只选一个参数,即科目代码,会计期间自动默认本期,取数类型自动默认期末余额;4、参数选完后单击填入公式,最后确认。
金蝶现金流量表计算公式
1、销售商品、提供劳务收到的现金
=主营业务收入+应交税金(应交增值税——销项税额)+应收帐款(期初余额—期末余额)+应收票据(期初余额—期末余额)—预收帐款(期初余额—期末余额)—当期计提的坏帐准备
2、购买商品、提供劳务支付的现金
=主营业务成本+应交税金(应交增值税——进项税额)+应付帐款(期初余额—期末余额)+应付票据(期初余额—期末余额)—预付帐款(期初余额—期末余额)—存货—当期列入生产成本、制造费用的工资和福利费及折旧费
3、支付给职工以及为职工支付的现金
=生产成本、制造费用、管理费用中的工资、福利费+应付工资(期初余额—期末余额)+应付福利费(期初余额—期末余额)—应付福利费《在建工程中列支》(期初余额—期末余额)4、支付的各项税费
=所得税+主营业务税金及附加+应交税金(增值税——已交税金)
5、支付的其他与经营活动有关的现金
=营业费用+其他管理费用
6、收回投资收到的现金
=短期投资贷方发生额+与本金一起收回的短期股票投资收益
7、取得投资收益所收到的现金
=收到的股息收入
8、收到的其他与经营活动有关的现金
=根据现金、银行存款、营业外收入、其他业务收入等科目的记录分析填列
9、经营性应收项目的减少
=应收帐款(期初余额—期末余额)+应收票据(期初余额—期末余额)+其他应收款(期初余额—期末余额)
10、经营性应付项目的增加
=应付帐款+应付票据+应付福利费+应付工资+应交税金+其他应付款+其他应交款。
资产负债表:货币资金年初数=ACCT(”1001:1012”,"",”NC”,"”,0,1,1)货币资金期末数=ACCT("1001:1012”,"",”Y","”,0,0,0)交易性金融资产年初数=ACCT(”1101”,"","NC","”,0,1,1)交易性金融资产期末数=ACCT("1101",””,”Y","”,0,0,0)应收账款年初数=ACCT(”1122”,”","JC",”",0,1,1)-ACCT(”1231”,”","NC",”",0,1,1)+ACCT(”2203”,”",”JC”,"”,0,1,1)应收账款期末数=ACCT("1122",”","JY","”,0,0,0)—ACCT(”1231","","Y",””,0,0,0)+ACCT (”2203",”","JY","”,0,0,0)预付款项年初数=ACCT("1123","”,"JC","”,0,1,1)+ACCT("2202",”",”JC",”",0,1,1)预付款项期末数=ACCT(”1123",””,”JY","”,0,0,0)+ACCT(”2202","",”JY","",0,0,0)持有至到期投资年初数=ACCT(”1501","”,"NC","",0,1,1)-ACCT(”1502”,"",”NC”,"",0,1,1)持有至到期投资期末数=ACCT("1501",””,”Y",””,0,0,0)—ACCT("1502","","Y","”,0,0,0)长期应收款年初数=ACCT("1531","”,”NC",”",0,1,1)—ACCT(”1532","”,”NC”,”",0,1,1)长期应收款期末数=ACCT(”1531",””,”Y”,”",0,0,0)-ACCT("1532”,"”,”Y",”",0,0,0)长期股权投资年初数=ACCT(”1511”,”","NC”,"”,0,1,1)-ACCT("1512”,”",”NC","”,0,1,1)长期股权投资期末数==ACCT(”1511",””,”Y","",0,0,0)—ACCT(”1512”,"",”Y”,”",0,0,0)固定资产年初据=ACCT("1601”,"”,”NC",””,0,1,1)—ACCT("1602","”,"NC",””,0,1,1)-ACCT(”1603”,"",”NC”,”",0,1,1)固定资产期末据=ACCT(”1601",”",”Y","",0,0,0)—ACCT("1602”,"”,"Y","",0,0,0)—ACCT("1603”,”",”Y”,"”,0,0,0)无形资产年初数=ACCT("1701","",”NC”,”",0,1,1)-ACCT(”1702",”","NC",”",0,1,1)-ACCT(”1703”,"”,"NC”,"”,0,1,1)无形资产期末数=ACCT(”1701","",”Y",””,0,0,0)—ACCT("1702","","Y”,"",0,0,0)—ACCT(”1703”,””,”Y”,"”,0,0,0)应付账款年初数=ACCT("2202","”,”DC”,"",0,1,1)+ACCT(”1123",”",”DC”,”",0,1,1)应付账款期末数=ACCT(”2202","”,”DY”,"”,0,0,0)+ACCT(”1123",”",”DY","",0,0,0)预收款项年初=ACCT("2203”,””,”DC”,"”,0,1,1)+ACCT(”1122","”,"DC”,"",0,1,1)预收款项期末=ACCT("2203”,"","DY",”",0,0,0)+ACCT("1122”,"","DY",””,0,0,0)长期应付款年初数=ACCT(”2701”,"",”NC”,"”,0,1,1)-ACCT(”2702”,"","NC”,”",0,1,1)长期应付款期末数=ACCT(”2701”,"”,”Y”,"",0,0,0)-ACCT(”2702”,"”,”Y”,””,0,0,0)所有者权益年初数=SUM(I30:I31)-I32+I33+I34所有者权益期末数=SUM(H30:H31)—H32+H33+H34未分配利润=ACCT("4104”,"","NC”,"”,0,1,1)+ACCT("4103”,"","NC”,"”,0,1,1)未分配利润期末数=ACCT("4104”,"”,”y",””,0,0,0)+ACCT("4103",””,”y”,”",0,0,0)+ACCT("6001",”",”y","",0,0,0)+ACCT(”6051”,"”,”y","”,0,0,0)—ACCT(”6401","”,"y”,””,0,0,0)-ACCT(”6402”,”",”y”,"",0,0,0)—ACCT(”6403","”,"y”,"",0,0,0)—ACCT("6601",”","y”,”",0,0,0)—ACCT("6602",”",”y","",0,0,0)—ACCT(”6603",”","y”,””,0,0,0)-ACCT("6701”,"","y”,””,0,0,0)+ACCT(”6101”,"",”y","",0,0,0)+ACCT("6111","",”y",””,0,0,0)+ACCT("6301","","y”,"",0,0,0)-ACCT("6711”,"",”y",”",0,0,0)—ACCT("6801",”","y”,"",0,0,0)存货年初数=ACCT(”1401:1406”,”","NC","",0,1,1)—ACCT(”1471","”,"NC",””,0,1,1)+ACCT ("5001",””,"NC",””,0,1,1)+ACCT(”1408",”",”NC”,"",0,1,1)+ACCT("1411”,"”,”NC”,”",0,1,1)—ACCT(”1407”,”",”NC”,”",0,1,1)存货期末数==ACCT(”1401:1406",”",”Y",”",0,0,0)—ACCT(”1471","",”Y","",0,0,0)+ACCT (”5001",””,"Y","”,0,0,0)+ACCT(”1408",”",”Y",””,0,0,0)+ACCT("1411","",”Y","”,0,0,0)-ACCT(”1407”,"”,"Y","",0,0,0)利润表营业收入上期数==ACCT(”6001”,”",”SL”,”",-1.0,0,0)+ACCT(”6051”,"",”SL”,"",-1。
金蝶软件现金流量表计算公式
现金流量表计算公式
1、销售商品、提供劳务收到的现金
=主营业务收入+应交税金(应交增值税——销项税额)+应收帐款(期初余额—期末余额)+应收票据(期初余额—期末余额)—预收帐款(期初余额—期末余额)—当期计提的坏帐准备
2、购买商品、提供劳务支付的现金
=主营业务成本+应交税金(应交增值税——进项税额)+应付帐款(期初余额—期末余额)+应付票据(期初余额—期末余额)—预付帐款(期初余额—期末余额)—存货—当期列入生产成本、制造费用的工资和福利费及折旧费
3、支付给职工以及为职工支付的现金
=生产成本、制造费用、管理费用中的工资、福利费+应付工资(期初余额—期末余额)+应付福利费(期初余额—期末余额)—应付福利费《在建工程中列支》(期初余额—期末余额)
4、支付的各项税费
=所得税+主营业务税金及附加+应交税金(增值税——已交税金)
5、支付的其他与经营活动有关的现金
=营业费用+其他管理费用
6、收回投资收到的现金
=短期投资贷方发生额+与本金一起收回的短期股票投资收益
7、取得投资收益所收到的现金
=收到的股息收入
8、收到的其他与经营活动有关的现金
=根据现金、银行存款、营业外收入、其他业务收入等科目的记录分析填列
9、经营性应收项目的减少
=应收帐款(期初余额—期末余额)+应收票据(期初余额—期末余额)+其他应收款(期初余额—期末
余额)
10、经营性应付项目的增加
=应付帐款+应付票据+应付福利费+应付工资+应交税金+其他应付款+其他应交款。
金蝶工资计算公式实际出勤 = 应当出勤 - 事假天数 - 病假天数缺勤天数 = 应当出勤 - 实际出勤//应付工资的计算公式应付工资 = 工资标准 + 全勤奖 + 加班费 + 上月扣零 - 缺勤扣款//全勤奖的计算如果迟到次数 > 0 或早退次数 > 0 或缺勤天数 > 0 则全勤奖= 0 否则全勤奖 = 20 如果完//加班费用的计算加班费 = ROUNDX( 工资标准 /30*加班天数,2 )//缺勤扣款的计算如果缺勤天数 > 0 则未满勤扣款 = ROUNDX( 工资标准 / 30*缺勤天数,2) 否则未满勤扣款 = 0 如果完迟到扣款 = 迟到次数 * 20早退扣款 = 早退次数 * 20缺勤扣款 = 未满勤扣款+迟到扣款+早退扣款工资总额 = 应付工资 + 应付福利费 + 工会经费 + 保险金应付福利费 = 应付工资 * 0.14工会经费 = 应付工资 * 0.02保险金 = 应付工资 * 0.2养老保险金 = ( 基本工资 + 奖金 + 岗位津贴 ) * 0.08实发工资 = 应付工资 - 养老保险金 - 月应纳税额应付工资 = 基本工资 + 奖金 + 岗位津贴 + 通信费月工资、薪金所得 = 应付工资 - 住房公积金 - 社会保险金 - 养老保险金月应纳税所得额 = 月工资、薪金所得 - 800月应纳税额 = 月应纳税所得额 * 适用税率 - 速算扣除数如果月应纳税所得额 <= 500 则适用税率 = .05 速算扣除数 = 0否则如果月应纳税所得额 <= 2000 则适用税率 = .10 速算扣除数 = 25否则如果月应纳税所得额 <= 5000 则适用税率 = .15 速算扣除数 = 125否则如果月应纳税所得额 <= 20000 则适用税率 = .20 速算扣除数 = 375否则如果月应纳税所得额 <= 40000 则适用税率 = .25 速算扣除数 = 1375否则如果月应纳税所得额 <= 60000 则适用税率 = .30 速算扣除数 = 3375否则如果月应纳税所得额 <= 80000 则适用税率 = .35 速算扣除数 = 6375否则如果月应纳税所得额 <= 100000 则适用税率 = .40 速算扣除数 = 10375否则如果月应纳税所得额 > 100000 则适用税率 = .45 速算扣除数 = 15375如果完如果职务是 "1" 则奖金 = 200否则如果职务是 "2" 则奖金 = 200否则如果职务是 "3" 则奖金 = 200否则如果职务是 "4" 则奖金 = 200否则如果职务是 "10" 则奖金 = 200否则如果职务是 "14" 则奖金 = 200否则如果职务是 "20" 则奖金 = 200否则如果职务是 "24" 则奖金 = 200否则如果职务不是 "1" 则奖金 = 100否则如果职务不是 "2" 则奖金 = 100否则如果职务不是 "3" 则奖金 = 100否则如果职务不是 "4" 则奖金 = 100否则如果职务不是 "10" 则奖金 = 100否则如果职务不是 "14" 则奖金 = 100如果完如果职员类别是 "企业管理" 则岗位津贴 = 100否则如果职员类别是 "销售人员" 则岗位津贴 = 100否则如果职员类别不是 "企业管理" 则岗位津贴 = 150否则如果职员类别不是 "销售人员" 则岗位津贴 = 150如果完如果职务是 "1" 则通信费 = 100否则如果职务是 "2" 则通信费 = 100否则如果职务是 "3" 则通信费 = 100否则如果职务是 "4" 则通信费 = 100否则如果职务是 "10" 则通信费 = 100否则如果职务是 "14" 则通信费 = 100如果完本月应发工资合计 = 基础工资 + 奖金 + 岗位津贴 + 其他工资扣退休保险金 = 本月应发工资合计 * .10扣医疗保险金 = 本月应发工资合计 * .08扣失业保险金 = 本月应发工资合计 * .02扣住房公积金 = 本月应发工资合计 * .05月工资、薪金所得 = 本月应发工资合计 - 扣住房公积金 - 扣退休保险金 - 扣医疗保险金 - 扣失业保险金 - 扣住房公积金月应纳税所得额 = 月工资、薪金所得 - 2000扣个人所得税 = 月应纳税所得额 * 适用税率 - 速算扣除数如果月应纳税所得额 <= 500 则适用税率 = .05 速算扣除数 = 0否则如果月应纳税所得额 <= 2000 则适用税率 = .10 速算扣除数 = 25否则如果月应纳税所得额 <= 5000 则适用税率 = .15 速算扣除数 = 125否则如果月应纳税所得额 <= 20000 则适用税率 = .20 速算扣除数 = 375否则如果月应纳税所得额 <= 40000 则适用税率 = .25 速算扣除数 = 1375否则如果月应纳税所得额 <= 60000 则适用税率 = .30 速算扣除数 = 3375否则如果月应纳税所得额 <= 80000 则适用税率 = .35 速算扣除数 = 6375否则如果月应纳税所得额 <= 100000 则适用税率 = .40 速算扣除数 = 10375否则如果月应纳税所得额 > 100000 则适用税率 = .45 速算扣除数 = 15375如果完本月应扣工资合计 = 扣退休保险金 + 扣医疗保险金 + 扣失业保险金 + 扣住房公积金 + 扣个人所得税 + 扣职工个人借款本月实发工资合计 = 本月应发工资合计 - 本月应扣工资合计。
净需求的计算公式净需求=(毛需求/ (1 -损耗率)一现有库存+安全库存一预计入库量+已分配数量)或者净需求=(毛需求/ ( 1+损耗率)一现有库存+安全库存一预计入库量+已分配数量)U 计划订单量的计算公式计划订单量=批量调整(净需求数量/成品率)。
其中,如果进行批量调整,不同订货策略批量调整的原则如下:u 期间订货量(POQ):计划订单量=最小订货量+取大整数[(净需求-最小订货量)/批量增量]*批量增量。
u 固定批量(FOQ):计划订单量=取大整数[净需求/(固定/经济批量)]*(固定/经济批量)u 批对批(LFL):计划订单量=最小订货量+取大整数[(净需求-最小订货量)/批量增量]*批量增量。
u 再订货点(ROP):计划订单量=固定/经济批量。
U 毛需求毛需求指未扣除现有库存及预计入库时的需求,来源有以下三种类型:销售订单;产品预测单;上级物料的计划订单对下级物料的相关需求。
u 销售订单的毛需求数量:取剩余未出库的订单数。
即总的订单数减去已经出库的数量。
如果销售订单进行了锁库,锁库部分的数量不作为毛需求参与计算。
u 产品预测单的需求数量:取预测单的数量-执行数量或者数量,具体请参考《产品预测单下推生成销售订单》中MRP计算时,需求数量的取数原则。
u 上级物料的计划订单对下级物料的相关需求:取审核的计划订单的建议订单量U 已分配量任务单计划确认字段为“Y”,单据状态为“计划”或“确认”或“下达”且作废标志不为“Y”的才计入已分配;已分配量指被其他销售订单、生产任务占用的物料数量,包括以下几种类型:u 拖期的销售订单(订单剩余数量);u 生产任务、委外订单相关联的投料单中没有领用物料的数量;u 物料替代清单中替代料的实际替代量。
U 预计入库量任务单计划确认字段为“Y”,单据状态为“计划”或“确认”或“下达”且作废标志不为“Y”的才计入预计入库量;预计入库单据包括以下几种类型:u 生产任务单和委外订单(总计划生产数已完工入库),在计算预计入库量时,联副产品也可以作为预计入数量;u 采购申请单(数量-审核的采购订单数,采购申请单行关闭的不考虑)u 采购订单(总的订单数-已入库数量)u 计划订单(建议订单量)u 物料替代清单(被替代料的实际需求量)。
资产负债表:货币资金年初数=ACCT(”1001:1012”,"",”NC”,"”,0,1,1)货币资金期末数=ACCT("1001:1012”,"",”Y","”,0,0,0)交易性金融资产年初数=ACCT(”1101”,"","NC","”,0,1,1)交易性金融资产期末数=ACCT("1101",””,”Y","”,0,0,0)应收账款年初数=ACCT(”1122”,”","JC",”",0,1,1)-ACCT(”1231”,”","NC",”",0,1,1)+ACCT(”2203”,”",”JC”,"”,0,1,1)应收账款期末数=ACCT("1122",”","JY","”,0,0,0)—ACCT(”1231","","Y",””,0,0,0)+ACCT (”2203",”","JY","”,0,0,0)预付款项年初数=ACCT("1123","”,"JC","”,0,1,1)+ACCT("2202",”",”JC",”",0,1,1)预付款项期末数=ACCT(”1123",””,”JY","”,0,0,0)+ACCT(”2202","",”JY","",0,0,0)持有至到期投资年初数=ACCT(”1501","”,"NC","",0,1,1)-ACCT(”1502”,"",”NC”,"",0,1,1)持有至到期投资期末数=ACCT("1501",””,”Y",””,0,0,0)—ACCT("1502","","Y","”,0,0,0)长期应收款年初数=ACCT("1531","”,”NC",”",0,1,1)—ACCT(”1532","”,”NC”,”",0,1,1)长期应收款期末数=ACCT(”1531",””,”Y”,”",0,0,0)-ACCT("1532”,"”,”Y",”",0,0,0)长期股权投资年初数=ACCT(”1511”,”","NC”,"”,0,1,1)-ACCT("1512”,”",”NC","”,0,1,1)长期股权投资期末数==ACCT(”1511",””,”Y","",0,0,0)—ACCT(”1512”,"",”Y”,”",0,0,0)固定资产年初据=ACCT("1601”,"”,”NC",””,0,1,1)—ACCT("1602","”,"NC",””,0,1,1)-ACCT(”1603”,"",”NC”,”",0,1,1)固定资产期末据=ACCT(”1601",”",”Y","",0,0,0)—ACCT("1602”,"”,"Y","",0,0,0)—ACCT("1603”,”",”Y”,"”,0,0,0)无形资产年初数=ACCT("1701","",”NC”,”",0,1,1)-ACCT(”1702",”","NC",”",0,1,1)-ACCT(”1703”,"”,"NC”,"”,0,1,1)无形资产期末数=ACCT(”1701","",”Y",””,0,0,0)—ACCT("1702","","Y”,"",0,0,0)—ACCT(”1703”,””,”Y”,"”,0,0,0)应付账款年初数=ACCT("2202","”,”DC”,"",0,1,1)+ACCT(”1123",”",”DC”,”",0,1,1)应付账款期末数=ACCT(”2202","”,”DY”,"”,0,0,0)+ACCT(”1123",”",”DY","",0,0,0)预收款项年初=ACCT("2203”,””,”DC”,"”,0,1,1)+ACCT(”1122","”,"DC”,"",0,1,1)预收款项期末=ACCT("2203”,"","DY",”",0,0,0)+ACCT("1122”,"","DY",””,0,0,0)长期应付款年初数=ACCT(”2701”,"",”NC”,"”,0,1,1)-ACCT(”2702”,"","NC”,”",0,1,1)长期应付款期末数=ACCT(”2701”,"”,”Y”,"",0,0,0)-ACCT(”2702”,"”,”Y”,””,0,0,0)所有者权益年初数=SUM(I30:I31)-I32+I33+I34所有者权益期末数=SUM(H30:H31)—H32+H33+H34未分配利润=ACCT("4104”,"","NC”,"”,0,1,1)+ACCT("4103”,"","NC”,"”,0,1,1)未分配利润期末数=ACCT("4104”,"”,”y",””,0,0,0)+ACCT("4103",””,”y”,”",0,0,0)+ACCT("6001",”",”y","",0,0,0)+ACCT(”6051”,"”,”y","”,0,0,0)—ACCT(”6401","”,"y”,””,0,0,0)-ACCT(”6402”,”",”y”,"",0,0,0)—ACCT(”6403","”,"y”,"",0,0,0)—ACCT("6601",”","y”,”",0,0,0)—ACCT("6602",”",”y","",0,0,0)—ACCT(”6603",”","y”,””,0,0,0)-ACCT("6701”,"","y”,””,0,0,0)+ACCT(”6101”,"",”y","",0,0,0)+ACCT("6111","",”y",””,0,0,0)+ACCT("6301","","y”,"",0,0,0)-ACCT("6711”,"",”y",”",0,0,0)—ACCT("6801",”","y”,"",0,0,0)存货年初数=ACCT(”1401:1406”,”","NC","",0,1,1)—ACCT(”1471","”,"NC",””,0,1,1)+ACCT ("5001",””,"NC",””,0,1,1)+ACCT(”1408",”",”NC”,"",0,1,1)+ACCT("1411”,"”,”NC”,”",0,1,1)—ACCT(”1407”,”",”NC”,”",0,1,1)存货期末数==ACCT(”1401:1406",”",”Y",”",0,0,0)—ACCT(”1471","",”Y","",0,0,0)+ACCT (”5001",””,"Y","”,0,0,0)+ACCT(”1408",”",”Y",””,0,0,0)+ACCT("1411","",”Y","”,0,0,0)-ACCT(”1407”,"”,"Y","",0,0,0)利润表营业收入上期数==ACCT(”6001”,”",”SL”,”",-1.0,0,0)+ACCT(”6051”,"",”SL”,"",-1。
金蝶云星空报表公式
金蝶云星空报表公式是指在金蝶云星空报表中使用的计算公式,可以用于对数据进行计算、筛选、汇总等操作。
以下是一些常用的金蝶云星空报表公式:
1. SUM:用于求和,例如:SUM(A1:A10)表示求A1到A10单元格的和。
2. AVERAGE:用于求平均值,例如:AVERAGE(A1:A10)表示求A1到A10单元格的平均值。
3. MAX:用于求最大值,例如:MAX(A1:A10)表示求A1到A10单元格中的最大值。
4. MIN:用于求最小值,例如:MIN(A1:A10)表示求A1到A10单元格中的最小值。
5. IF:用于条件判断,例如:IF(A1>0,"正数","负数")表示如果A1大于0,则返回“正数”,否则返回“负数”。
6. COUNT:用于计数,例如:COUNT(A1:A10)表示计算A1到A10单元格中的数值个数。
7. CONCATENATE:用于字符串拼接,例如:CONCATENATE(A1," ",B1)表示将A1和B1单元格中的内容拼接在一起,中间用空格隔开。
以上是一些常用的金蝶云星空报表公式,还有很多其他的公式可以根据需要进行使用。
金蝶报表函数取数公式取数公式类型说明常用取数公式定义举例(1) ACCT取数公式定义选择〖插入〗—>〖函数〗,系统将所有的报表取数公式列出,选择“金蝶报表函数”中的ACCT取数公式,双击鼠标左键,系统将弹出定义公式的界面,如下图所示:在进行ACCT取数公式中需要设置以下的一些参数:1、科目:首次使用可采用向导自动生成科目与核算项目参数,在科目录入框内单击F7显示如下:生成的公式描述如下:科目公式=“科目代码1:科目代码2|项目类别|项目代码1:项目代码2|项目类别|项目代码1:项目代码2”下面针对公式中“”内的内容进行说明:“”中的内容用于存放用户所选择的科目和核算项目代码。
公式中的科目代码,项目类别和项目代码,在字符“|”和“:”的分隔下可以进行20种组合,得“a”,“a1”,“a2”表示科目代码“b”表示核算项目类别名称“C”,“C1”,“C2”表示核算项目代码“a:”表示代码大于或等于科目a的所有科目“:a”表示代码小于或等于a的所有科目“a1:a2”表示代码大于或等于a1并且小于或等于a2的所有科目“C:”表示代码大于或等于C的所有核算项目“:C”表示代码小于或等于C的所有核算项目“C1:C2”表示代码大于或等于C1并且小于或等于C2的核算项目当核算项目类别b和代码C,C1,C2都缺省时,表示指定科目下设所有的核算项目类别。
当核算项目类别b不省略,而核算项目代码缺省时,表示指定核算项目类别b 中所有核算项目。
举例:取数公式表达式:ACCT(“:123|客户|003:”,“C”)表示科目代码小于或等于123,下设科目核算项目:客户,客户代码大于或等于003的本位币的期初余额。
取数公式表达式:ACCT(“214|职员|0001:0012”,“Y”)表示科目代码为214,下设科目核算项目:职员,职员代码在0001到0012之间的本位币期末余额。
为方便用户操作,提供“*”为科目参数的通配符,每一个通配符只匹配一个字符,可对科目(核算项目也适用)进行模糊取数。
举例:10**表示取一级科目代码为四位,并且起始两个代码为10的所有科目。
1131|客户|**表示包括科目代码1131下的所有客户。
因为通配符本身就具有范围的概念,因此带有通配符的科目或核算项目不能有起止范围,以免引起取数错误。
同时通配符只支持匹配如:55**.**/产品/01.**.**.****,也就是说通配符必须连续匹配,并且从最后一个开始匹配,如果出现10*1、1**1等诸如此类的匹配,系统给出提示“不符合匹配规则”,要求重新匹配。
2、取数类型由客户定义科目取值为科目的期初余额、本期发生额、累计发生额或是别的类型,在取数类型录入框单击F7键,系统将弹出所有的类型的下拉框由您进行选择,如下图所示可直接指定期间数,分别录入<起始期间>和<结束期间>,若不选则系统默认为本期。
若写入数值,表示的意义如下,0:本期,-1:上一期,-2:上两期,如此类推。
4、会计年度可直接指定年度,如2003,若不选则系统默认为当前年。
若写入数值,表示的意义如下,0:本年,-1:前一年,-2:前两年,如此类推。
5、币别币别代码,如RMB,若不选则系统默认为综合本位币。
可直接录入币别代码或按F7选择。
6、账套名称要取数的账套名称,所取的账套名称为多账套管理处所配置的账套名称。
为数量取数更加精确,在报表系统中小数位数可以通过单元格式小数位设置进行控制。
在总账的凭证录入时,录入的数量是多少位小数,则在报表系统中取出来的数据就是多少位,系统不做截位,如果在使用时觉得小数位太长,可以通过单元格的小数位数的设置来进行设置。
设置完这些参数之后,ACCT取数公式便定义完成。
单击【确认】,退出公式定义的操作。
您还可以在不退出公式的状态下,单击ACCT取数公式下拉框中的“其它函数”,系统将列出所有的取数公式,您可以设置别的取数公式。
(2) ACCTCASH取数公式定义ACCTCASH是现金流量表(包括主表及附表)取数公式。
该公式只取已指定了具体的项目的数值,未指定的主表项目及未处理的附表项目不在该取数公式的取数数值中反映。
即用ACCTCASH取的数据应等于总账系统中现金流表的正表及附表的数据。
此取数公式共有七个参数。
1、现金流量项目在参数框按F7,可出现现金流量表所有的项目,通过鼠标双击可选定所取数的项目。
2、取数类型取数类型有三种:“折合本位币金额”即为所选货币折合本位币的金额,“原币金额”即所选货币的原币金额,“所有币别折合本位币金额总额”即无论取什么货币,取数为账套所有币别折合本位币的总金额。
3、起始时间、终止时间开始日期与结束日期为空时默认为公式取数参数中的开始日期与结束日期。
公式中录入的日期优先于公式取数参数的日期。
写入数值,均是相对于公式取数参数的日期,表示的意义如下,0:本日,-1:前一日,-2:前两日,如此类推。
1:下一日,2:下两日,如此类推。
原来的日期录入方式保持不变,仍然可以录入2003-8-1类型的日期格式。
另外3个参数币别、年度、账套名参见ACCT取数公式。
温馨提示:✓现金流量表中“汇率变动对现金的影响”取值为“支付的其它与筹资活动有关的现金”后的选项“现金流入”与“现金流出”的差。
✓若在会计年度中启用账套,ACCTCASH函数可以获取指定期间的现金流量表的初始数据,也可以获取包含现金流量的初始数据和凭证中指定的现金流量的数据的现金流量累计数。
(3) REF取数公式定义REF取数公式是用来对同一张报表的不同表页中数据进行取数的,当然也可以是同一个表页中数据,需要进行定义的参数有:1、取数内容可为报表的单元格如A1字样或数值公式如SUM(B1:B5)。
2、表页报表的表页号。
如果为空,则系统默认为当前的表页。
为了对不同账套之间的表间取数,还可用REF_F取数公式,它比表内取数公式REF取数公式增加了“报表名”和“账套名”参数,共四个参数,其它参数的操作和REF取数公式一样,下面对这两个新增参数分别进行说明。
(4) REF_F取数公式定义该公式是用来进行不同账套之间的表间取数的取数公式。
账套名用于指定取数报表所在的账套。
在账套名录入界面单击F7,系统将弹出在“多账套管理”中以设置的账套名列表,供用户进行选择。
报表名用于指定取数的报表来源,在报表名录入界面单击F7,系统将弹出选定账套下的所有报表名列表,供用户进行选择。
表页用于指定取数的指定报表的表页来源。
在表页名录入界面单击F7,系统将弹出选定账套、选定报表下的所有表页名列表,供用户进行选择。
表页如果为空,则系统默认为选定报表的第一张表页。
其它参数的操作和REF取数公式一样,这里就不一一赘述,请参见REF取数公式的操作。
所有参数设置完毕后,单击确定,系统就能取出指定账套、指定报表、指定表页、指定单元的值。
(5) SUM取数公式定义选择SUM取数公式,系统将弹出求和取数公式的公式定义,具体参数设置如下:1、参数1您所需定义的参数,该参数可以是一个单元格,也可以是一个单元块以及数值公式。
2、参数2同参数1。
温馨提示:对单元格A8设置公式:SUM(A1+A2),表示单元格A8的结果=A1单元的数据+A2单元的数据。
若为连续的单元格相加,可用:分隔。
例如对单元格A8设置从A1加到A7的数据公式为:SUM(A1:A7)如果您还有别的参数需要进行定义,在定义完参数之后单击回车键(ENTER键)系统将直接进入下一个参数的定义。
(6) PRTDATE取数公式定义此取数公式提供了对当前日期按不同格式显示的功能,在显示报表编制日间,在进行页眉页脚的编辑时非常有用。
公式设置:RPTDATA(字符串参数) 。
如在参数录入框中录入”yyyy-mm”,则自动生成公式为RPTDATE("YYYY-MM"),系统返回当前的年月值。
温馨提示:公式设置如果提示“语法错”,请检查是否多输入了双引号“”,系统已自动加上双引号,不用用户输入。
系统提供的另一取数公式RPTSHEETDATE用于取出“公式取数参数”中的开始日期和结束日期,取数的格式为“yyyy-mm-dd”至”yyyy-mm-dd”,其中时间的格式可由客户自己定义,参数设置比RPTDATA取数公式多两个参数:日期类型和表页。
日期类型用于选择是开始或结束日期,表页用于选择当前报表下的不同表页。
其它操作和RPTDATA取数公式一致!温馨提示:在上述这些取数公式中,只有金蝶报表取数公式ACCT同数据源相联系,必须确定数据源,为数据源配置驱动程序,确定账套数据库和系统数据库,其余的取数公式与数据源不相关联。
ACCTEXT公式定义举例:如下图所示,总账凭证取数ACCTEXT提供了按过滤条件从总账的日报表中按日取数的功能,用于编制销售日报,采购日报,费用日报等报表的编制。
ACCTEXT取数的参数与科目取数ACCT类似,只是增加了对方科目编码和过滤条件等参数,同时ACCT的年度与期间在ACCTEXT中改为开始日期,结束日期。
1、科目编码要取数的科目编码。
具体操作参见ACCT取数公式。
2、对方科目编码对方科目编码实际是作为过滤条件,指定取数科目在凭证中必须应有的对应科目,若对应科目有核算项目,按F7可调出取数向导:温馨提示:在此可以选择对方科目及核算项目,但科目不能选择一个范围,如选择了一个科目范围,会提示“对方科目不能跨段取数”。
3、过滤条件根据不同需要分类凭证,单击“F7”弹出过滤条件向导,如下图所示:单击【增加】增加一过滤条件,可增加多条过滤条件,选择条件之间的关系“and”或者是“or”。
条件设置完成后,单击【确定】退出过滤条件设置界面。
4、取数类型如下图,系统提供可选择的取数类型,系统默认为借方发生额。
额式科目可以按日取出数量,如果同一科目存在多种计量单位时按科目默认计量单位进行转换。
在V9.4版本中增加的两种取数类型:折合本位币上日余额,折合本位币本日余额,使ACCTEXT取数公式能取外币折合为本位币的余额数。
“折合本位币上日余额”取开始日期的上日余额,也就是开始日期的日初余额;“折合本位币本日余额”取结束日期的本日余额。
温馨提示:如果科目编码取的是一个范围,则余额取各科目余额的合计数,各科目的余额根据该科目设置的余额方向来确定正负,与余额方向相同为正,与余额方向相反为负。
1、币别选择币别,系统默认为综合本位币。
2、开始日期,结束日期acctext取数公式中开始日期与结束日期为空时默认为公式取数参数中的开始日期与结束日期。
公式中录入的日期优先于公式取数参数的日期。
写入数值,均是相对于公式取数参数的日期,表示的意义如下,0:本日,-1:前一日,-2:前两日,如此类推。
1:下一日,2:下两日,如此类推。