插床机构设计与分析
- 格式:doc
- 大小:83.50 KB
- 文档页数:10
本课程设计要求对某一实际机构进行结构综合、运动分析、动力分析和飞轮设计。
所选的实际机构包括平面连杆机构、齿轮机构, 可附加有凸轮机构和其他常用机构。
设计内容和基本要求如下∶1、整机运动简图方案的拟订和研讨, 进行方案比较对比, 选择最佳方案。
2、齿轮传动系统的设计, 计算内容编入说明书, 用1张2 # 图或3 # 图纸画出一对齿轮啮合图。
3、平面连杆机构运动分析与动力分析, 要求用1张1 # 图纸作出平面连杆的1~2个位置及极限位置的机构简图, 并对这几个位置进行速度、加速度及力分析。
用图解法作出矢量多边形图, 绘制运动线图; 另外要求运用机械原理CAD软件完成平面连杆机构的运动分析、动力分析所有点位的计算, 并绘制运动线图。
4、其他机构(如凸轮机构、间歇运动机构、螺旋机构等) 设计。
此项根据题型选做, 简图与计算结果可编入说明书。
5、调速飞轮设计。
根据题量、时间选做, 设计计算编入说明书。
工件量:1、画一张(A1)简单机械传动系统的机构运动简图。
2、设计平面连杆机构的尺寸,且画一张(A1)平面连杆机构的机构运动简图,并对其进行指定位置的运动分析和动力分析。
3、设计凸轮机构的尺寸,且画一张(A2)凸轮机构的机构运动简图,并校核其压力角。
4、进行传动比的分配,设计齿轮机构的尺寸,且画一张(A2)齿轮机构的机构运动简图。
5、设计说明书一份。
设计时间2周,在18周周日前交齐设计题目:六杆插床机构分析一、图1-1 插床机构及其运动简图二、图1-1 插床机构及其运动简图三、图1-1 插床机构及其运动简图表 1-2 机构位置分配表四、图1-1 插床机构及其运动简图机械原理课程设计指导书--六杆插床机构分析一、课程设计的目的机械原理课程设计是高等工科院校机械类专业学生第一次较全面的机械运动学和动力学分析与设计的训练,其目的在于进一步加深学生所学的理论知识,培养学生独立解决有关实际问题的能力,使学生对于机械动力学与运动学的分析与设计有一较完整的概念。
机械原理课程设计插床一、引言。
插床作为一种常见的机械加工设备,在工业生产中起着重要的作用。
本文旨在对插床的结构、工作原理以及设计要点进行介绍,以便于机械原理课程设计的学习和实践。
二、插床的结构。
插床通常由床身、工作台、主轴、进给装置、传动装置、刀架等部分组成。
床身是插床的基础部分,承受整个机床的重量和切削力,具有高强度和刚性。
工作台用于夹紧工件,是加工的基准面。
主轴是插床的主要运动部件,通过主轴传动装置实现不同速度和进给速度的调节。
进给装置用于控制工件的进给运动,传动装置则用于驱动主轴和进给装置的运动。
刀架是刀具的安装和刀具进给的部分,通过刀架的运动实现工件的切削加工。
三、插床的工作原理。
插床的工作原理是利用主轴带动刀具进行切削加工,工件在工作台上进行相对运动,实现对工件的加工。
在加工过程中,刀具通过刀架的进给运动,沿工件的轴向或径向进行切削,完成对工件的加工。
同时,进给装置控制工件的进给速度,使得切削过程得以顺利进行。
四、插床的设计要点。
1. 结构设计,插床的结构设计应注重床身的刚性和稳定性,确保机床在加工过程中不产生振动和变形,影响加工精度。
同时,主轴和进给装置的设计要满足不同加工要求,具有良好的可调性和稳定性。
2. 刀具选择,在插床的设计中,应根据加工工件的材料和形状选择合适的刀具,确保切削效果和加工质量。
同时,刀具的安装和调整要方便快捷,提高生产效率。
3. 进给系统设计,进给系统的设计要满足不同工件的加工要求,具有可调性和稳定性。
同时,进给系统的传动装置要可靠耐用,确保加工过程的安全和稳定。
4. 控制系统设计,插床的控制系统应具有良好的响应速度和精度,能够实现对加工过程的精确控制。
同时,控制系统的操作界面要简单直观,方便操作和维护。
五、结论。
插床作为一种常见的机械加工设备,在工业生产中具有重要的作用。
通过对插床的结构、工作原理以及设计要点的介绍,可以更好地理解和掌握插床的工作原理和设计方法,为机械原理课程设计提供参考和指导。
插床机构设计
设计的总体概述:
插床是一种用于加工键槽、花键槽、异形槽等的切削机床。
如图(1)所示装有插刀的滑枕沿铅垂方向(也可调有一定倾角)作往复直线主切削运动。
工件装夹在工作台上,工作台可作前后、左右和圆周方向的间歇进给运动。
进给运动可手动,也可机动但彼此独立。
进给运动必须与主切削运动协调,即插刀插削时严禁进给,插刀返回时进给运动开始进行,并于插刀重新切入工件之前完成复位。
插床的主切削运动的行程长度、拄复运动速度以及进给量大小等均应手动可调。
图(1)
功能介绍与机构的选择:
1、工作台进行前后、左右和圆周方向的间歇进给运动
2、装有插刀的滑枕沿铅垂方向(也可调有一定倾角)作具有急回特性的往
复直线主切削运动
如下是整体的结构件图,由于画图能力有限,无法完整画出工作台的完整图,图中画出了不完全齿轮的示意图,而至于工作台左右前后进给运动的丝杆传动没能画出来。
一 插床机构的设计与运动分析1.插床机构简介与设计数据插床主要由齿轮机构、导杆机构和凸轮机构等组成,如图2-1,a 所示。
电动机经过减速装置(图中只画出齿轮1z 、2z )使曲柄1转动,再通过导杆机构1-2-3-4-5-6,使装有刀具的滑块沿导路y-y 作往复运动,以实现刀具切削运动。
为了缩短空程时间,提高生产率,要求刀具有急回运动。
刀具与工作台之间的进给运动,是由固结于轴2O 上的凸轮驱动摆动从动杆D O 4和其他有关机构来完成的。
设计数据表 设计内容 导杆机构的设计及运动分析符号 1n K HB O BCl l 3 32O O la b c单位 min r mm mm数据 652120116055551251.设计内容和步骤已知 行程速度变化系数(行程速比系数)K ,滑块5的冲程H ,中心距32O O l ,比值BO BCl l 3,各构件重心S 的位置,曲柄每分钟转数 1n 。
要求 设计导杆机构,作机构两个位置的速度多边行和加速度多边形,做滑块的运动线图。
步骤1)设计导杆机构。
按已知条件确定导杆机构的各未知参数。
其中滑块5的导路y y -的位置可根据连杆4传力给滑块5的最有利条件来确定,即y y -应位于B 点所画圆弧高的平分线上。
2)作机构运动简图。
选取长度比例尺)(mm m l μ,按表22-所分配的两个曲柄位置作出机构运动简图,其中一个位置用粗线画出。
曲柄位置的作法如图22-;取滑块5在上极限时所对应的曲柄位置为起始位置1 ,按转向将曲柄圆周十二等分,得12个曲柄位置,显然位置9对应于滑块5处于下极限时的位置。
再作出开始切削和终止切削所对应的'1和'8两个位置。
3)作速度、加速度多边形。
选取速度比例尺⎪⎭⎫⎝⎛mm s m v μ和加速度比例尺⎪⎪⎭⎫ ⎝⎛mm s m a 2μ,用相应运动图解法作该两个位置的速度多边形和加速度多边形,并将其结果列入下表:项目位置1ω2A v23A A v 3A v CB v C v 3S vω大小 方向 106.28 0.471 0. 14 0.450 0.04 0.2 0.26 2.1逆时针单位 s 1 s m s 1项目 位置 2A a K A A a23 n A a 3t A a 3n CB a C a 3S a ε2.96 0.6 0.96 0.04 0.016 0.04 0.54单位2s m 21s4)作滑块的运动线图。
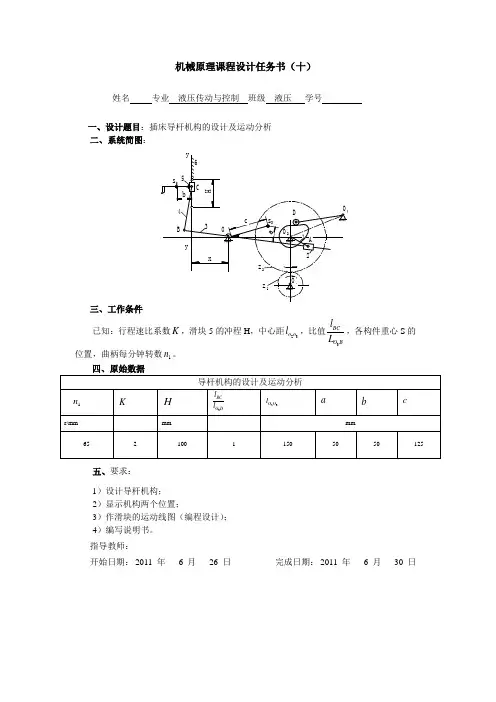
机械原理课程设计任务书(十)姓名 专业 液压传动与控制 班级 液压 学号一、设计题目:插床导杆机构的设计及运动分析 二、系统简图:三、工作条件3O B位置,曲柄每分钟转数1n 。
四、原始数据五、要求:1)设计导杆机构; 2)显示机构两个位置;3)作滑块的运动线图(编程设计); 4)编写说明书。
指导教师:开始日期: 2011 年 6 月 26 日 完成日期: 2011 年 6 月 30 日目录1.设计任务及要求2.数学模型的建立3.程序框图4.程序清单及运算结果5.总结和目的6. 参考文献1数学模型急位夹角60°,θA 2=75mm,a=b=100mm1.()55θt ωt =2.5655tx sin θθarctan x cos θ= ()0556xωωcos θθy=-3.θ1=θ6-180.()()()2655655656561εx εcos θθx ωsin θθωωsin θθy⎡⎤=---+-⎣⎦4.连杆的角位移方案15a sin θc θarcsin b -⎛⎫= ⎪⎝⎭5.滑块5的位移方程(ε5=0) 11asin θc d acos θbcos arcsin b -⎡⎤⎛⎫=- ⎪⎢⎥⎝⎭⎣⎦6.BC 杆角速度6122a ωcos θωb cos θ=7.滑块速度方程()12c 62sin θθv a ωcos θ-=8.2251612222a εcos θa ωcos θb ωsin θεbcos θ-+=9.2kc 22226161a b εsin θb ωcos θa εsin θa ωcos θ=+--2.程序框图3.程序清单及运算结果(1)程序清单#include<stdio.h>#include<math.h>#include<stdlib.h>#include<conio.h>#include<graphics.h>#define pi 3.1415926#define N 600void init_graph(void);void initview();void draw();void cur();double weit1[N],weit2[N],weit3[N];double sita1[N],sita2[N],sita3[N];double omigar1[N],omigar2[N],omigar3[N];double a=75.0,d=150.0,e=93.0,f=50.0,g=50.0.0,w1=6.3031852;main(){int i;double alf=0, detat=0,theta1=0;double weit=0,w3=0,ekq3=0,b=0,va=0; double theta2=0,w4=0,ekq4=0;double s=0,vc=0,ac=0;double q=0,j=0,u=0;detat=2*pi/(N*w1);for(i=0;i<N;i++){alf=w1*detat*i;weit=atan((a*sin(alf)-d)/(a*cos(alf))); if(weit<0)weit=weit+2*pi;elseif(0<weit<pi)weit=weit+pi;/*****计算杆件3的角速度、角加速度*****/ theta1=weit-pi;b=sqrt(a*a+d*d-2*a*d*sin(alf));w3=a*w1*cos(alf-weit)/b;va=-a*w1*sin(alf-weit);ekq3=(-a*w1*w1*sin(alf-weit)-2*va*w3)/b;/*****计算滑块5的位移、速度、加速度*****/theta2=asin((f*sin(theta1)-e)/g);q=-2*f*cos(theta1);j=f*f+e*e-g*g-2*f*e*sin(theta1);u=q*q-4*j;s=(-q+sqrt(u))/2;w4=f*w3*cos(theta1)/(g*cos(theta2));vc=f*w3*sin(theta1-theta2)/cos(theta2);ekq4=f*(ekq3*cos(theta1)-w3*w3*sin(theta1)+w4*w4*sin (theta2))/(g*cos(theta2));ac=g*ekq4*sin(theta2)+g*w4*w4*cos(theta2)-f*ekq3*sin (theta1)-f*w3*w3*cos(theta1);/******计算结果存入数组*****/weit1[i]=weit;weit2[i]=w3;weit3[i]=ekq3;sita1[i]=s;sita2[i]=vc;sita3[i]=ac;omigar1[i]=theta2;omigar2[i]=w4;omigar3[i]=ekq4;}/*****输出计算结果*****/for(i=0;i<N;i++){printf("i=%d \n weit1[i]=%lf \t weit2[i]=%lf \t weit3[i]=%lf \t",i,weit1[i],weit2[i],weit3[i]);printf("\n stia1[i]=%lf \t stia2[i]=%lf \t stia3[i]=%lf \t",sita1[i],sita2[i],sita3[i]);printf("\n omigar1[i]=%lf \t omigar2[i]=%lf \t omigar3[i]=%lf\n\n",omigar1[i],omigar2[i],omigar3[i]);}cur();}/*****速度、加速度、位移曲线图函数******/void cur(){int i;double alf=0, detat=0,theta1=0;double weit=0,w3=0,ekq3=0,b=0,va=0;double theta2=0,w4=0,ekq4=0;double s=0,vc=0,ac=0;double q=0,j=0,u=0;doublea=75,d=150,e=93,f=100,g=100,w1=6.2831852;int gd=DETECT, gmode,n;initgraph(&gd,&gmode,"c:\\turboc2");clrscr();for(i=0;i<N;i++){detat=2*pi/(N*w1);alf=w1*detat*i;weit=atan((a*sin(alf)-d)/(a*cos(alf)));if(weit<0)weit=weit+2*pi;elseif(0<weit<pi)weit=weit+pi;theta1=weit-pi;b=sqrt(a*a+d*d-2*a*d*sin(alf));w3=a*w1*cos(alf-weit)/b;va=-a*w1*sin(alf-weit);ekq3=(-a*w1*w1*sin(alf-weit)-2*va*w3)/b;theta2=asin((f*sin(theta1)-e)/g);q=-2*f*cos(theta1);j=f*f+e*e-g*g-2*f*e*sin(theta1);u=q*q-4*j;s=(-q+sqrt(u))/2;w4=f*w3*cos(theta1)/(g*cos(theta2));vc=f*w3*sin(theta1-theta2)/cos(theta2);ekq4=f*(ekq3*cos(theta1)-w3*w3*sin(theta1)+w4*w4*sin (theta2))/(g*cos(theta2));ac=g*ekq4*sin(theta2)+g*w4*w4*cos(theta2)-f*ekq3*sin (theta1)-f*w3*w3*cos(theta1);line(100,200,500,200);setcolor(5);line(492,201,500,200);line(492,199,500,200);line(100,10,100,350);setcolor(5);line(99,18,100,10);line(101,18,100,10);putpixel(100+alf*180/pi,200-s/5,1);/*绘制位移曲线*/putpixel(100+alf*180/pi,200-vc/100,2);/*绘制速度曲线*/putpixel(100+alf*180/pi,200-ac/100,4)/*绘制加速度曲线*/}setcolor(10);settextjustify(CENTER_TEXT,0);outtextxy(300,300,"RED___JIASUDU");outtextxy(300,330,"GREEN___SUDU");outtextxy(300,360,"BLUE___WEIYI");/* outtextxy(300,50,"SUDU JIASUDU WEIYI GUAN XI QU XIAN TU");*/outtextxy(300,50,"SUDU JIASUDU WEIYI GUAN XI QU XIAN TU");getch();closegraph();}(2)该程序运算结果4.总结和目的随着假期的到来,课程设计也接近了尾声。
机械原理课程设计说明书题目:插床机构姓名:班级:学号:指导教师:成绩:完成时间:目录1.1机构简介 (2)1.2设计任务 (2)1.3原始数据 (3)2.1机构运动方案设计 (3)2.2电动机、齿轮传动机构方案 (4)2.3总体方案图 (6)3.1电动机的选择 (7)3.2传动比分配 (8)3.3齿轮机构设计 (8)3.4主机构的设计 (10)3.5主机构的运动分析 (12)3.6主机构的受力分析 (15)3.7主机构的速度波动 (21)4.1课程设计小结 (23)参文考献 (25)一、机构简介与设计数据1、机构简介插床是一种用于工件表面切削加工的机床。
插床主要由连杆机构、凸轮机构和齿轮机构等组成,如图所示。
电动机经过齿轮机构减速使曲柄1转动,再通过连杆机构1—2—3—4—5—6,使装有刀具的滑块5沿导路y —y 作往复运动,以实现刀具的切削运动。
刀具与工作台之间的进给运动,是由固结于轴O 2 上的凸轮驱动摆动从动件O 4D 和其他有关机构(图中未画出)来完成。
为了缩短空回行程时间,提高生产率,要求刀具有急回运动。
2、设计数据二、设计内容1.导杆机构的设计及运动分析设计导杆机构,作机构的运动简图,并作机构两个位置的速度、加速度多边形以及刨头的运动线图,作滑块的运动线图。
以上内容与后面动态静力分析共画在0号图纸(图纸格式与机械制图要求相同,包括边框、标题栏等)上。
整理说明书。
2.导杆机构的动态静力分析确定机构一个位置的各运动副反力及应加于曲柄上的平衡力矩。
作图部分画在运动分析的图样上。
整理说明书。
3.凸轮机构设计绘制从动杆的运动线图,画出凸轮实际轮廓曲线。
以上内容作在3号图纸上。
整理说明书。
4.齿轮机构设计做标准齿轮,计算该对齿轮传动的各部分尺寸,以3号图纸绘制齿轮传动的啮合图。
整理说明书。
插床主体机构尺寸综合设计......................................................................................................机构简图如下:• cos ∠ B 2 O 2 C ) / 2由上 面的讨 论容易 知道 ∠ B 2 O 2 C = 30 度 ,再 代入其 他数据 ,得:x = 93 . 3 mm ,即 O 2 到 YY 轴的 距离为 93.3mm 三、插床导杆机构的速度分析位置1速度加速度分析1)求导杆3上与铰链中心A 重合的点3A 的速度3A V滑块2——动参考系,3A ——动点3A V = 2A V+ 23A A V 方向: ⊥A O 3 ⊥A O 2 ∥A O 3 大小: ? 11ωl ?式中:2A V =12ωA l O =6.28×0.075(m/s )=0.471m/s取速度比例尺v u =0.01(mmsm /),作出速度图32a pa ,进而可得导杆3的角速度大小:3ω=33r V A =33r pa u v =0.374/0.20157=1.855(rad/s) 及其转向为顺时针。
插床机构运动课程设计一、课程目标知识目标:1. 学生能理解插床机构的基本概念,掌握其结构组成和运动原理;2. 学生能掌握插床机构运动方程的推导方法,并运用相关公式进行计算;3. 学生能了解插床机构在实际工程中的应用,并分析其优缺点。
技能目标:1. 学生能够运用绘图工具,绘制插床机构的运动简图;2. 学生能够运用计算工具,对插床机构的运动参数进行计算和分析;3. 学生能够通过小组合作,完成插床机构的运动仿真实验,并撰写实验报告。
情感态度价值观目标:1. 学生通过学习插床机构的运动课程,培养对机械运动的兴趣,提高解决实际问题的能力;2. 学生在小组合作中,培养团队合作精神和沟通能力,增强集体荣誉感;3. 学生能够关注插床机构在工程领域的发展,培养创新意识和社会责任感。
课程性质:本课程为机械专业核心课程,旨在帮助学生掌握插床机构的运动原理及其在实际工程中的应用。
学生特点:学生已具备一定的机械基础知识,具有较强的逻辑思维能力和动手能力。
教学要求:教师需结合实际工程案例,采用讲授、实验、小组合作等多种教学方式,引导学生主动参与,提高学生的实践能力。
在教学过程中,注重将课程目标分解为具体的学习成果,便于教学设计和评估。
二、教学内容1. 插床机构基本概念:介绍插床机构的概念、分类及其在机械加工中的应用。
- 教材章节:第二章第二节- 内容列举:插床机构的定义、类型、特点。
2. 插床机构结构组成与运动原理:分析插床机构的结构组成,阐述其运动原理。
- 教材章节:第二章第三节- 内容列举:插床机构的结构、运动副、传动方式。
3. 插床机构运动方程及其推导:讲解插床机构运动方程的建立与推导方法。
- 教材章节:第三章第一节- 内容列举:运动方程的建立、求解方法、参数计算。
4. 插床机构运动参数计算与分析:介绍插床机构运动参数的计算方法,并进行实例分析。
- 教材章节:第三章第二节- 内容列举:运动参数计算公式、实例操作。
5. 插床机构运动简图绘制:学习如何运用绘图工具绘制插床机构的运动简图。
六杆插床机构分析——Crocodile(baidu)机械原理课程设计任务书设计题目:六杆插床机构分析表1-1 插床设计数据表据据图1-1 插床机构及其运动简图一.课程设计目的机械原理课程设计是高等工科院校机械类专业学生第一次较全面的机械运动学和动力学分析与设计训练,其目的在于进一步加深学生所学的理论知识,培养学生独立解决有关实际问题的能力,使学生对于机械动力学与运动学的分析与设计有一较完整的概念。
二.课程设计的内容与步骤1.插床机构简介与设计数据插床机构由齿轮,导杆和凸轮组成,如图1-1所示(齿轮,凸轮未画出)。
电动机经过减速装置,使曲柄1转动,再通过导杆机构使装有刀具的滑块沿导路y-y 作往复运动,以实现刀具切削运动,并要求刀具有急回运动。
刀具与工作台之间的进给运动,是由固结于轴O 2上的凸轮驱动摆动从动件杆和其他有关机构(图中未画出)来完成的。
插床设计数据如表1所示。
2.插床机构的设计内容与步骤 (1)导杆机构的设计与运动分析已知:行程速比系数K,滑块冲程H,中心距l O2O3,比值l BC/l O3B ,各构件S 的位置,曲柄每分钟转数n 1.要求:设计导杆机构,作机构各个位置的速度和加速度多边形,作滑块的运动线图,以上内容与后面的动态静力分析一起画在2号图纸上。
步骤1. 设计导杆机构 1)A O 1长度的确定图 1 极限位置由)180/()180(00θθ-+=K ,得极为夹角:060=θ,首先做出曲柄的运动轨迹,以1O 为圆心,A O 1为半径做圆,随着曲柄的转动,有图知道,当A O 2转到12A O ,于圆相切于上面时,刀具处于下极限位置;当A O 2转到22A O ,与圆相切于下面时,刀具处于上极限位置。
于是可得到12A O 与22A O 得夹角即为极为夹角060=θ。
由几何关系知,212211O O A O O A ∠=∠,于是可得,021221160=∠=∠O O A O O A 。
机械原理课程设计计算说明书课题名称:插床机构的设计姓名:张超院别:工学院学号:专业:机械设计制造及其自动化班级:机设1201 班指导教师:魏原芳2014年6月7日工学院课程设计评审表设计目录1 机械原理课程设计任务书⋯⋯⋯⋯⋯⋯⋯⋯⋯⋯⋯⋯⋯⋯⋯⋯⋯⋯⋯⋯41.1 课程设计的目的和任务⋯⋯⋯⋯⋯⋯⋯⋯⋯⋯⋯⋯⋯⋯⋯⋯⋯⋯⋯⋯⋯41.2 机构简介与设计数据⋯⋯⋯⋯⋯⋯⋯⋯⋯⋯⋯⋯⋯⋯⋯⋯⋯⋯⋯⋯⋯4 1.3设计内容⋯⋯⋯⋯⋯⋯⋯⋯⋯⋯⋯⋯⋯⋯⋯⋯⋯⋯⋯⋯⋯⋯⋯⋯⋯⋯61.4 设计步骤和要求⋯⋯⋯⋯⋯⋯⋯⋯⋯⋯⋯⋯⋯⋯⋯⋯⋯⋯⋯⋯⋯⋯⋯⋯62 机构简介与设计数据设计⋯⋯⋯⋯⋯⋯⋯⋯⋯⋯⋯⋯⋯⋯⋯⋯⋯⋯⋯⋯7 1.1插床简介⋯⋯⋯⋯⋯⋯⋯⋯⋯⋯⋯⋯⋯⋯⋯⋯⋯⋯⋯⋯⋯..⋯.⋯..⋯71.2 设计数据⋯⋯⋯⋯⋯⋯⋯⋯⋯⋯⋯⋯⋯⋯⋯⋯⋯⋯⋯⋯⋯⋯..⋯..⋯..83 插床机构的设计及尺寸计算⋯⋯⋯⋯⋯⋯⋯⋯⋯⋯⋯⋯⋯⋯⋯⋯⋯⋯⋯93、1 曲柄导杆机构的设计及尺寸计算⋯⋯⋯⋯⋯⋯⋯⋯⋯⋯⋯⋯⋯⋯⋯⋯93、2 用图解法进行机构的运动分析⋯⋯⋯⋯⋯⋯⋯⋯⋯⋯⋯⋯⋯⋯⋯⋯⋯⋯143、3 用图解法进行机构的动态静力分析⋯⋯⋯⋯⋯⋯⋯⋯⋯⋯⋯⋯⋯⋯⋯⋯184 凸轮机构设计⋯⋯⋯⋯⋯⋯⋯⋯⋯⋯⋯⋯⋯⋯⋯⋯⋯⋯⋯⋯⋯⋯⋯⋯⋯⋯21 .心得与体会⋯⋯⋯⋯⋯⋯⋯⋯⋯⋯⋯⋯⋯⋯⋯⋯⋯⋯⋯⋯⋯⋯⋯⋯⋯⋯⋯22 .参考文献⋯... ⋯⋯⋯23机械原理课程设计任务书学生姓名张超班级1201 学号位置10设计题目一:插床机构设计及分析一、课程设计的目的和任务1. 课程设计的目的机械原理课程设计是机械原理教学的一个重要组成部分。
机械原理课程设计的目的在于进一步巩固和加深学生所学的机械原理理论知识,培养学生独立解决实际问题的能力,使学生对机械的运动学和动力学的分析和设计有一较完整的概念,并进一步提高电算、绘图和使用技术资料的能力,更为重要的是培养开发和创新机械的能力。
课程设计插床的分析一、教学目标本课程的目标是让学生深入理解插床的原理和结构,掌握其基本操作方法,并能够运用插床解决实际问题。
具体分为以下三个部分:1.知识目标:通过本课程的学习,学生需要了解插床的基本概念、原理和结构,掌握插床的操作方法和技巧。
2.技能目标:学生能够熟练操作插床,进行精确的插削加工,提高加工效率和加工质量。
3.情感态度价值观目标:培养学生对机械加工行业的兴趣和热情,增强其对工作的责任感和敬业精神。
二、教学内容本课程的教学内容主要包括以下几个部分:1.插床的基本概念和原理:介绍插床的定义、分类和基本原理。
2.插床的结构和部件:讲解插床的主要结构部件,如床身、滑枕、刀架等,并分析其功能和作用。
3.插床的操作方法:教授插床的基本操作方法,如插削、切削、磨削等,并介绍操作技巧和注意事项。
4.插床的应用实例:通过实际案例分析,让学生了解插床在工程中的应用和优势。
三、教学方法为了提高教学效果,本课程将采用多种教学方法相结合的方式进行教学。
1.讲授法:教师通过讲解插床的基本概念、原理和操作方法,让学生掌握相关知识。
2.案例分析法:教师通过引入实际案例,让学生了解插床在工程中的应用和优势。
3.实验法:学生通过实际操作插床,掌握其操作方法和技巧,提高实际操作能力。
四、教学资源为了支持本课程的教学内容和教学方法,我们将准备以下教学资源:1.教材:选择适合本课程的教材,为学生提供系统的理论知识。
2.参考书:提供相关的参考书籍,丰富学生的知识体系。
3.多媒体资料:制作课件、视频等多媒体资料,直观地展示插床的原理和操作方法。
4.实验设备:准备插床实验设备,为学生提供实际操作的机会。
五、教学评估本课程的评估方式包括平时表现、作业和考试三个部分,以保证评估的客观性和公正性。
1.平时表现:通过观察学生在课堂上的参与程度、提问回答和小组讨论的表现来评估其学习态度和理解程度。
2.作业:布置适量的作业,让学生巩固课堂所学知识,通过作业的完成质量来评估学生的掌握程度。
插床机构该题目每班限两人选做。
一、机构简介与设计数据1.机构简介插床是一种用于工件内表面切削加工的机床。
插床主要由齿轮机构、导杆机构和凸轮机构等组成,如图9—1a 所示。
电动机经过减速装置(图中只画出齿轮1Z 、2Z )使曲柄1转动,再通过导杆机构1—2—3—4—5—6,使装有刀具的滑块沿导路y —y 作往复运动,以实现刀具的切削运动。
刀具与工作台之间的进给运动,是由固结于轴2O 上的凸轮驱动摆动从动件4O D 和其他有关机构(图中未画出)来完成的。
为了缩短空回行程时间,提高生产率,要求刀具有急回运动。
图9—1b 为阻力线图。
a )b )图9-12.设计数据设计数据见表9—1。
二、设计内容1.导杆机构的设计及运动分析设计导杆机构,作机构1个位置(起始位置为曲柄1的下垂直位置,每隔45度为一个设计位置)的速度多边形和加速度多边形,作滑块的运动线图, 以上内容与后面动态静力分析一起画在l 号图纸上。
整理说明书。
2.导杆机构的动态静力分析确定机构一个位置的各运动副反力及应加于曲柄上的平衡力矩。
作图部分画在运动分析的图样上。
整理说明书。
(起始位置为曲柄1的下垂直位置,每隔45度为一个设计位置)3.凸轮机构设计绘制从动杆的运动线图,画出凸轮实际廓线。
以上内容作在2号图纸上。
整理说明书。
表9-l设计数据4.齿轮机构设计选择变位系数,计算该对齿轮传动的各部分尺寸,以2号图纸绘制齿轮传动的啮合图。
整理说明书。
题目所用的资料:变位系数表参见第四章表4—3~表4—8。
齿轮啮合图的绘制齿轮啮合图是将齿轮各部分尺寸按一定的比例尺画出轮齿啮合关系的一种图形。
它可直 观地表达一对齿轮的啮合特性和啮合参数,并可借助图形作某些必要的分析。
一、渐开线的画法渐开线齿廓按渐开线的形成原理绘制,如图4-3所示。
以小齿轮廓线为例,其步骤如下: 1)按表4-1所列公式计算出各圆直径d b 、d 、d ´、d f 及d a ,画出各相应的圆。
一、工作原理:插床机械系统的执行机构主要是由导杆机构和凸轮机构组成。
下图为其参考示意图,电动机经过减速传动装置(皮带和齿轮传动)带动曲柄2转动,再通过导杆机构使装有刀具的滑块6沿导路y —y 作往复运动,以实现刀具的切削运动。
刀具向下运动时切削,在切削行程H 中,前后各有一段0.05H 的空刀距离,工作阻力F 为常数;刀具向上运动时为空回行程,无阻力。
为了缩短回程时间,提高生产率,要求刀具具有急回运动。
刀具与工作台之间的进给运动,是由固结于轴O 2上的凸轮驱动摆动从动件D O l 8和其它有关机构(图中未画出)来完成的。
二、设计要求:电动机轴与曲柄轴2平行,使用寿命10年,每日一班制工作,载荷有轻微冲击。
允许曲柄2转速偏差为±5%。
要求导杆机构的最小传动角不得小于60o ;凸轮机构的最大压力角应在许用值[α]之内,摆动从动件8的升、回程运动规律均为等速运动。
执行构件的传动效率按0.95计算,系统有过载保护。
按小批量生产规模设计。
三、设计数据四、设计内容及工作量:1、根据插床机械的工作原理,拟定2~3个其他形式的执行机构(连杆机构),并对这些机构进行分析对比。
2、根据给定的数据确定机构的运动尺寸, ()46.0~5.0BO BC l l =。
要求用图解法设计,并将设计结果和步骤写在设计说明书中。
3、导杆机构的运动分析。
分析导杆摆到两个极限位置及摆到与机架O 2O 4位于同一直线位置时,滑块6的速度和加速度。
4、凸轮机构设计。
根据所给定的已知参数,确定凸轮机构的基本尺寸(基圆半径r o 、机架82O O l 和滚子半径r b ),并将运算结果写在说明书中。
用几何法画出凸轮机构的实际廓线。
5、编写设计说明书一份。
应包括设计任务、设计参数、设计计算过程等。
6、用Autocad 软件按1:1绘制所设计的机构运动简图。
图1—2 3. 方案IIIAO BO=杆上由杠杆定理求得: 41.39a=1.294 c=图3-23-3(b)。
插床机构设计一. 引言插床机构作为自动化设备中的一种重要部件,主要用于将工件或零件在机床上进行插入或安装。
它能够有效提高生产效率,并保证产品质量。
本文旨在介绍插床机构的设计原理、结构构成、工作原理以及相关应用领域。
二. 设计原理插床机构通过一系列的设计原理来完成工件的插入或安装任务。
其中,以下原理是插床机构设计中常见的:1. 动力传递原理插床机构的动力传递原理主要包括电动机和传动系统。
电动机为插床机构提供动力,传动系统将电能转换为机械能,并传递至工作部件。
常见的传动系统包括齿轮传动、皮带传动和链条传动等。
2. 运动控制原理插床机构的运动控制原理是通过控制系统对工作部件的运动进行精确控制。
常见的运动控制原理包括位置控制、速度控制和力控制等。
通过合理的运动控制,能够确保插床机构在工作过程中的稳定性和准确性。
3. 安全保护原理插床机构的安全保护原理是为了保证操作人员的安全和设备的正常运行。
常见的安全保护措施包括机器防护装置、紧急停机装置和过载保护装置等。
三. 结构构成插床机构的结构构成主要包括以下几个部分:1. 机床底座机床底座是插床机构的基础部分,它能够提供机床的稳定性和支撑力。
机床底座通常使用高强度的铸铁材料制成,具有良好的刚性和耐久性。
2. 工作台工作台是插床机构上承载工件的部分,通常是一个可移动、可调节高低的平台。
工作台的设计要考虑到工件的尺寸、重量以及工作环境等因素。
3. 工作部件工作部件是插床机构的核心部分,它负责完成工件的插入或安装任务。
常见的工作部件包括夹具、压紧装置和定位装置等。
这些部件能够确保工件在插入或安装过程中的稳定性和准确性。
4. 控制系统控制系统是插床机构的大脑,它负责对插床机构的运动进行控制。
控制系统通常由电气控制器、传感器和执行机构等组成。
通过合理的控制系统设计,能够实现插床机构的自动化和智能化。
四. 工作原理插床机构的工作原理可以分为以下几个步骤:1.操作人员将工件放置在工作台上,并通过夹具固定。