内能中考真题汇编[解析版]
- 格式:doc
- 大小:337.50 KB
- 文档页数:14
(物理)九年级物理内能真题汇编(含答案)及解析一、内能选择题1.用同一热源给一个物体均匀加热,得到它的熔化图象如图所示,那么该物体在固态时的比热容与液态时的比热容之比是()A. 1∶2B. 1∶4C. 1∶1D. 2∶1【答案】B【解析】【解答】由图像知道,在质量不变的前提下,AB段温度升高40度,用时2min,CD段温度升高20度,用时4min,即CD段加热时间是AB段加热时间的2倍,所以吸收热量之比为1:2,所以由Q=cm△t知道,该物体在固态时的比热与液态时的比热之比是1:4,B符合题意,ACD不符合题意.故答案为:B。
【分析】当物体熔化过程中,加热相同的时间反应物体吸热相同,根据物体温度变化和所用的时间,计算物体的比热容的关系.2.如图所示的核动力航空母舰和直升飞机,下列说法不正确的是()A. 直升飞机能获得向上的升力,是应用了流速越大,压强越小的原理B. 随着直升飞机上升高度增加,机舱外大气压减小C. 飞机上的发动机将燃料燃烧释放的内能转化为机械能D. 航空母舰利用的核能是在核反应堆中核聚变释放的能量,它属于可再生能源【答案】D【解析】【解答】解:A、飞机的机翼能获得向上的升力,是应用了流速越大流体的压强越小的原理,故A正确;B、随着直升飞机上升高度增加,机舱外大气压减小,故B正确;C、飞机发动机是将燃料燃烧释放的内能转化为机械能,故C正确;D、核能是不可再生的一次能源,故D错误;故选D.【分析】(1)流体在流速大的地方压强小、却在流速小的地方压强大;(2)大气压随着高度的增加而减小;(3)判断清楚该过程中的能量转化即可;(4)核能是不可再生的一次能源;3.浙江大学的科学家制作出了一种新型防菌“纳米纸”,这种纸“油水不沾”,细菌也无法停留在上面(如图).则下列相关说法中正确的是()A. “纳米纸”的分子不可再分B. “纳米纸”的分子不能做无规则热运动C. “油水不沾”的原因是分子间无空隙D. 纳米纸上互相靠得很近的两滴水能自动结合成一滴是因为分子引力的缘故【答案】D【解析】【解答】A、因为分子由原子构成的,所以分子可以再分;A不合题意;B、一切分子都在不停地做无规则运动,B不合题意;C、分子之间永远是有空隙的,C不合题意;D、因为分子间有引力,所以靠得很近的两滴油能自动结合成一滴,D符合题意 .故答案为:D.【分析】根据分子动理论的内容分析解答本题:物质是由分子组成的,分子由原子组成;一切物质的分子都在永不信息地做无规则运动;分子间有相互作用的引力和斥力;分子间存在间隙 .4.根据下表提供的数据,以下说法正确的是()几种物质的比热容单位:×103J/(kg•℃)物质水酒精煤油水银冰砂石铝铜比热容4.22.4 2.10.142.10.920.880.39B. 冰的比热容是2.1×103J/(kg•℃)表示1kg冰吸收的热量是2.1×103JC. 质量相等的水和煤油,吸收相等热量后,水的温度变化大D. 质量相等的铝块和铜块,升高相同的温度,铝块吸收的热量多【答案】 D【解析】【解答】解:A、液体的比热容不一定比固体的大,比如:冰比水银的比热容大。
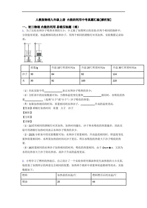
内能的利用中考真题汇编[解析版]一、初三物理内能的利用易错压轴题(难)1.(实验探究)小军设计了一个实验来探究煤油和菜籽油的热值大小关系,他组装了如图所示的两套规格完全相同的装置,并每隔lmin记录了杯中水的温度;加热时间/min0123456甲杯水温/℃25272932343638乙杯水温/℃25262728293031(进行实验)(1)在安装、调整实验器材时,科学合理的顺序(如图甲中):先调整固定_______的位置,再调整固定______的位置(选填“A”成“B”);(2)为了保证实验结论的可靠,实验时应控制两套装置中水的________和________相同,加热时间也相同;同时,还要保证煤油和菜籽油的__________相同;(分析论证)(3)通过表中记录的数据,你认为煤油和菜籽油两种燃料中,热值较大的是______;说明理由:_______。
【答案】B A质量初温质量煤油详见解析【解析】【分析】【详解】(1)[1][2]为了利用酒精灯的外焰给烧杯充分加热,安装器材时需要先固定B的位置,然后再调整A的位置,并且温度计不要碰到烧杯壁和烧杯底。
(2)[3][4][5]为了保证实验的可靠性,需要控制水的质量和水的初温相同,并且油灯的加热时间也要相同;同时还应控制两套装置中燃料的质量相同,比较放出热量的多少;这样才符合控制变量法的要求。
(3)[6][7]分析表格数据可知,甲杯的水温度升高的较快,即煤油灯燃烧产生的热量多,所以=知,末温高的其热值大。
理由:甲、乙两个装置中,水的质量和初温相同,由Q cmΔt=知,吸收的热量较多;在相同的加热设备下,相同时间内,消耗的燃料相同,由Q qm水温上升高的,对应的燃料的热值较大。
2.小红同学学习了燃料的热值后,自己设计了一个实验来探究煤油和菜籽油的热值大小关系。
她实验时组装了如图所示的两套规格完全相同的装置,并每隔1min记录了杯中水的温度。
(1)在安装、调整实验器材时科学合理的顺序是(甲图中):先固定________的位置,再调整固定的________位置(选填“A”或“B”)。
(物理)初三物理内能的利用真题汇编(含答案)及解析一、内能的利用选择题1.下列有关热机的说法正确的是()A. 热机的使用缓解了城市的热岛效应B. 内燃机的压缩冲程是内能转化为机械能的过程C. 汽油在使用过程中热值减小D. 内燃机的冷却液需要用吸热能力强的物质【答案】D【解析】【解答】解:A、热机会产生大量的废气,排放大量的热量,是加剧城市的热岛效应的原因之一,故A错误;B、内燃机的压缩冲程是机械能转化为内能的过程,故B错误;C、汽油在使用过程中,汽油的质量减小,但热值不变,故C错误;D、内燃机的冷却液需要用吸热能力强的物质即比热容较大的物质,一般用水,是因为水的比热容大,在同等情况可,可以吸收更多的热量,故D正确.故选D.【分析】(1)热机会产生大量的废气,排放大量的热量;(2)内燃机的压缩冲程是机械能转化为内能的过程;(3)热值是燃料本身的一种属性,与质量无关;(4)水的比热容大,这是经常被用做取暖介质和冷却剂的原因.2.高铁动车组在高速行驶时是利用车上电动机提供的动力,到站前又可以先停止供电,车速从200km/h减至90km/h,这段时间是利用车的惯性前进,磁场中线圈随车轮一起转动,产生感应电流,在90km/h以下才进行机械刹车,这样既可以减少机械磨损又可以节约能源。
整个过程中没有涉及到的能量转化的是()A. 电能转化为机械能B. 机械能转化为电能C. 机械能转化为内能D. 内能转化为机械能【答案】 D【解析】【解答】A、利用车上电动机提供的动力,是电能转化为机械能,A不符合题意;B、磁场中线圈随车轮一起转动,产生感应电流,是机械能转化为电能,B不符合题意;C、车速从200km/h减至90km/h,是机械能转化为内能,C不符合题意;D、整个过程中没有内能转化为机械能,D符合题意。
故答案为:D。
【分析】根据整个过程中的能量转化分析判断。
3.如图所示的四种情景,下列说法中正确的是()A. 图甲所示说明分子之间只存在引力B. 图乙所示木塞被冲出时试管口出现“白雾”,说明水蒸气的内能增加C. 图丙所示是汽油机的做功冲程,将内能转化为机械能D. 图丁所示水的温度必须达到100℃时,水才会沸腾【答案】 C【解析】【解答】A. 甲图中两个压紧的铅块能吊起钩码,是由于分子间存在引力,但不是只有引力,A不符合题意;B. 当加热试管到一定程度时,水蒸气的内能足够大会将塞子冲出,将水蒸气的内能转化为塞子的机械能,水蒸气的内能会减小,温度降低,B不符合题意;C. 根据图中冲程中火花塞点火和活塞向下移动的特点,可以判断这个冲程是做功冲程,此冲程是将内能转化为机械能,C符合题意;D.水的沸点随气压变化而变化,故图丁所示水沸腾的温度不一定是100℃,D不符合题意。
九年级物理内能中考真题汇编[解析版]一、初三物理内能易错压轴题(难)1.小明家买了一台太阳能热水器,他发现真空管是太阳能热水器的核心部件,那热水器内水吸收热量的多少与什么因素有关呢?他把问题告诉物理小组的成员,大家一起做出了如下猜想:猜想一:热水器内水吸收的热量多少与环境温度有关;猜想二:热水器内水吸收的热量多少与光照强度有关;猜想三:热水器内水吸收的热量多少与真空管的材料有关。
(1)经查阅资料发现,真空管在内玻璃管的表面上涂有吸收涂层,用来吸收太阳辐射,其中太阳能属于________(选填“可再生”或“不可再生”)能源。
经阳光照射,太阳能转化成内能,水从涂层吸收热量,水温升高,质量________,密度________(后两空均选填“变大”“变小”或“不变”),热水向上运动。
(2)实验小组在两根完全相同的真空管内装入初温、质量________的水,分别面对太阳光放入光照强度相同但温度不同的环境中,经过相同时间后测量水温,发现水温几乎相等。
由此得出猜想一是______(选填正确或错误)的。
(3)小组成员联系实际,想到夏天如果没有阳光,热水器的水温就较低,而冬天如果有太阳,热水器内水温就很热,于是他们得出结论:热水器内水吸收热量的多少与光照强度________(选填“无关”或“有关”)。
(4)在探究猜想三的实验中,该小组找到了三根外形相同但材料不同的真空管,给管内灌满水,面对阳光,每隔相同的时间检测罐内水的温度,得到的实验数据如下表所示,为了更好地利用太阳能,你建议他家应选择________制成的热水器。
【答案】可再生不变变小相同错误有关紫金管【解析】【分析】【详解】(1)[1]再生能源是不需人为参与,可以循环再生的能源,如太阳能、水能、风能、潮汐能、地热能等。
[2][3]水从涂层吸收热量,水温升高,水的多少没有变化,所以睡得质量不变,但由于水吸收热量,水的体积会增大,所以水的密度会变小。
(2)[4]实验要探究热水器内水吸收的热量多少与光照强度、环境温度、真空管的材料等因素的关系,要控制真空管内水的初温、质量相同。
人教版物理九年级上册内能的利用中考真题汇编[解析版]一、初三物理内能的利用易错压轴题(难)1.为了比较水和沙子吸热本领的大小,小文做了如图所示的实验:在两个相同的烧杯中,分別装有质量、初温都相同的水和沙子,用两个相同的酒精灯对其加热,实验数据记录如表:质量/g升温10℃所需时间/s升温20℃所需时间/s升温30℃所需时间/s 沙子306492124水3092163220(1)在此实验中用______________表示水和沙子吸热的多少;(2)分析表中的实验数据可知:当物体温度变化量和______________相同时,水吸收的热量______________(选填“大于”或“小于”)沙子吸收的热量;(3)如果加热相同的时间,质量相同的水和沙子,___________升高的温度更高.【答案】酒精灯加热时间质量大于沙子【解析】【分析】【详解】(1)[1]采用相同的酒精灯对其加热,加热时间越长,沙子和水吸收的热量越多,因此实验中用酒精灯加热时间表示水和沙子吸热的多少.(2)[2][3] 分析表中的实验数据可知:水和沙子质量相同,升高温度相同时,即温度变化量和质量相同时,水所需加热的时间比沙子更长,所以水吸收的热量大于沙子吸收的热量.(3)[4]质量相同的水和沙子加热相同的时间,吸收的热量相同,由于Q=cm t,又因为水的比热容大于沙子的比热容,故沙子升高的温度更高.2.小明学习了燃料的热值后,自己设计了一个实验来研究煤油和花生油热值的大小关系,他组装了如图所示的两套完全相同的装置,加热两个烧杯中质量和初温都相等的水,实验数据如下:燃料加热前的水温/℃燃料燃尽后的水温/℃煤油2544花生油2534(1)为了保证实验结论可靠,小明在实验中还应控制:煤油和花生油的_____相同。
(2)分析得出:煤油和花生油两种燃料中,热值较大的是_____。
(3)小明同学还想利用这种实验方案计算出两种燃料的热值,那么还需增加的实验仪器是:_____利用此实验方法计算出的热值将比真实值_____(选填“偏大”或“偏小”),原因是:_____。
内能中考真题汇编[解析版]一、初三物理内能易错压轴题(难)1.(提出问题)水和空气哪种物质的导热性能好?(猜想与假设)小明进行了如下猜想:猜想一:水的导热性能好;猜想二:空气的导热性能好(设计与进行实验)小明用两个相同的牛奶瓶,都装入热牛奶,一个放在温度与室温相同的水中,另一个放在空气中,为了尽量减少其他因素的影响,他把两个瓶都用木块垫起来,放在同一个桌面上,如上图所示,实验时他每隔一定的时间记录一次甲、乙两温度计的示数,得到的数据如下表:(实验结论)(1)分析表中数据,可得出结论:_____(评估与交流)(2)对甲、乙两个瓶中的牛奶,除了要控制它们的初温相同外,还要控制它们的_____相同(3)热牛奶放在水中温度下降是通过_____方式来_____(选填“增加”或“减少”)内能(4)进一步分析表中甲的示数,小明又发现,在冷却过程中,牛奶冷却的快慢前后并不一致,是越来越___的(实验拓展)(5)如果有一天,你要喝一杯奶茶,下列两种冷却方法中,效果较好的是_____A.将滚烫的热茶冷却5分钟,然后加适量冷牛奶B.先将适量的冷牛奶加进滚烫的热茶中,然后冷却5min(6)物理学中我们用速度来表示物体运动的快慢,若小明用“冷却速度”来表示物体冷却快慢,则“冷却速度”可定义为:质量为1千克的物体,_____叫做冷却速度【答案】在水中冷却比在空气中冷却效果要好质量热传递减少慢A单位时间内降低的温度【解析】【详解】(1)分析可知,在相同时间内水中冷却速度更快,所以在水中比空气中冷却效果更好;(2)在研究空气和水的导热性时,应该保证其它条件相同,除了水的初温外还要保证水的质量相等;(3)由于水与牛奶瓶有温度差,所以要发生热传递,即牛奶温度下降是由于热量传递减少其内能;(4)这是由于随着牛奶温度下降,周围水的温度在升高,使牛奶冷却的速度变慢,因此牛奶冷却的快慢还会受到温度的影响.所以当实验时间较长时,相同时间内牛奶降温的速度逐渐变慢,就是指冷却速率变慢.(5)根据(4)中的结论,物体冷却随时间推移是先快后慢,本质原因是温差逐渐缩小,奶茶热的时候温度下降得快,开始快后来越来越慢,开始先让它保持较高的温度,可以在五分钟内放出更多的热量,然后加入冷牛奶,利用热传递使其再次降温。
人教版九年级上册物理内能中考真题汇编[解析版]一、初三物理内能易错压轴题(难)1.小军利用如图所示装置和器材,探究不同物质的吸热能力。
时间013456789(min)温度909294969798989898(℃)(1)小军设计的电路中的R甲、R乙的阻值大小必须满足的条件是______;(2)只闭合开关S2,他首先观察了水的加热过程,测得数据如上表。
分析数据可知,该地区气压______(选填“高于”或“低于”)标准大气压;(3)接着断开S2,待水冷却后,继续探究物质的吸热能力。
小军控制水和煤油的质量、初温都相同,他应首先闭合开关______,再闭合另外一个开关,同时控制加热过程中水的末温度应低于______℃。
实验表明:水的末温比煤油______,水的吸热能力比煤油强。
【答案】R甲=R乙低于 S1 98 低【解析】【分析】【详解】(1)[1]探究不同物质的吸热能力时,应选用相同的热源,由图示电路图可知,两电阻并联,它们的电压相等,要使电阻在相等时间内产生的热量相等,应控制两电阻的阻值相等,即R甲=R乙。
(2)[2]由表中实验数据可知,在水沸腾后,水不断吸收热量,但温度保持98℃不变,所以水的沸点是98℃,说明该地区气压低于标准大气压。
(3)[3]要探究水与油的吸热能力,应控制水与煤油的质量、初温相等,还要控制水与煤油在相同时间内吸收的热量相等,所以应控制两个电阻丝同时开始加热,则由图可知应先闭合支路开关S1,然后再闭合干路开关S2。
[4]实验过程中水不能沸腾,所以应控制加热过程中水的末温度应低于98℃。
[5]实验表明:水的末温比油低,水的吸热能力比煤油强。
2.班级各小组同学利用如图所示的实验装置探究“冰熔化时温度的变化规律”:(1)石棉网的作用是__________;(2)记录的实验数据如下表:时间t/min024********温度t/°C-10-50000 2.55状态固态固液共存态液态根据表格中数据,在方格纸上画出温度与时间的关系图像;(_______)(3)分析图像,可以得出的探究结论是:________________;(4)实验中,0~4min冰温度升高10℃,10~14min水温度升高5℃,在两个时段加热时间相同,但物质的温度变化不同的原因可能是:_______________;(5)某小组做实验时发现冰熔化时间太短,为了增长时间,以下做法可行的是_____(至少一个选项正确)A.降低冰的初始温度 B.增加冰的质量C.直接将试管放入常温的水中做实验 D.用底面积更大的小烧杯代替试管做实验【答案】使烧杯底部受热均匀冰熔化时继续吸热,但温度不变水在固态和液态时比热容不同 BC【解析】【分析】【详解】(1)[1]烧杯从石棉网上吸收热量,受热更加均匀。
黄冈物理内能中考真题汇编[解析版]一、初三物理内能易错压轴题(难)1.小明在学习“物质的比热容”时,取相同质量的水和沙子,用相同的酒精灯加热,测得它们升高的温度如表,并在图乙中作出沙子升高的温度随时间变化的图线.(1)用温度计测量水的初温如图甲所示,其读数为__________℃。
(2)实验中选用相同的酒精灯加热,可以认为相同时间内水和沙子__________相同.(3)请利用表中数据在图乙中作出表示水升高的温度随时间变化规律的图线。
(4)沙子在1.0~1.5min内升高的温度有明显异常,其主要原因是__________。
(5)小明再用50g水和100g水做实验,以吸收的热量Q为纵坐标,升高的温度△t为横坐标,分别画出50g水和100g水的Q-△t图象.它们都是过原点的直线,即Q=k△t.进一步分析,发现这两条直线的k值与对应水的__________之比相等。
【答案】(1)18 (2)吸收的热量(3)答案如图所示(4)没有及时用玻璃棒搅拌,使沙子受热均匀(5)质量【解析】试题分析:物体吸热升温快慢与物质的种类、物体的质量、吸热的多少等因素有关。
在实验中要比较水和沙子吸热升温快慢就需要选择相同质量的水和沙子;采用相同的加热器,可以使水和沙子在相等时间内吸收热量相等。
在实验器材中还需要搅拌棒,沙子是固体,加热时间/min0.5 1.0 1.5 2.0 2.5升高的温度/℃水 2.0 4.0 6.08.010.0沙子 4.37.915.218.421.5加热时上下沙子受热不均匀,需要不断搅拌;水是液体,加热时通过对流使其受热均匀的。
吸收热量的多少可以利用Q=cm△t计算,水的比热是相同的,Q与△t是正比关系,所以画出来的是过原点的直线,利用Q=k△t表示它们的关系时,k=cm,c是比热容,是一个定值,实验中改变水的质量m,就是改变了k的值。
考点:比较质量相等的不同物质吸热升温快慢2.如图所示,将初温和质量相等的色拉油和水,分别装到相同的烧杯中,探究不同物质吸热升温现象。
九年级上册物理内能中考真题汇编[解析版]一、初三物理内能易错压轴题(难)1.如图所示是“探究不同物质吸热升温现象”的实验装置,小华将初温和质量相等的色拉油和水分别装在相同的烧杯中,用酒精灯加热并不断搅拌,每隔0.5min测量一次温度,数据记录在下表中。
(l)选用相同的酒精灯,是为了使单位时间内色拉油和水______相同,不断搅拌的目的是使色拉油和水______。
(2)图中已经画出色拉油温度随时间变化的图像,开始部分并不是直线,导致此现象的原因是除色拉油外还有______吸收热量,为尽量减小这种影响,写出一种改进方法:______。
(3)根据上表实验数据,在图中画出水的温度随时间变化的图像分析图像可知,当色拉油和水升高相同温度时,______需要的时间短,______需要吸收的热量更多。
【答案】吸收的热量均匀受热容器提高容器的初温色拉油水【解析】【详解】(l)选用相同的酒精灯,是为了使单位时间内色拉油和水吸收的热量相同,不断搅拌的目的是使色拉油和水均匀受热。
(2)图中已经画出色拉油温度随时间变化的图像,开始部分并不是直线,导致此现象的原因是除色拉油外还有容器吸收热量,即开始时先要将容器本身升温,然后热量才能传递给液体;为尽量减小这种影响,可以提高容器的初温。
(3)由于水的比热容大,而色拉油的比热容小,所以当色拉油和水升高相同温度时,根据知,色拉油吸收的热量少,即色拉油需要的时间短,而水需要吸收的热量更多。
【点睛】重点是研究吸热能力的实验,注意实验中控制变量法的应用,另外要理解,相同的酒精灯可以保证在相同时间内两液体吸收的热量相等。
另外牢记水的比热容大的特点。
2.为研究不同物质的吸热能力,某同学用两个完全相同的酒精灯,分别给质量和初温都相同的甲、乙两种液体同时加热,分别记录加热时间和升高的温度,根据记录的数据作出了两种液体的温度随时间变化的图像,如图所示.(1)根据图像,某同学认为:“加热相同的时间时,甲升高的温度高一些,这说明甲吸收的热量多一些.”这位同学的判断是否正确?________请说明理由:______________________________;(2)要使甲、乙升高相同的温度,应给__________加热更长的时间;(3)如果已知甲的比热容是1.8×103J/(kg·℃),则乙的比热容是_________J/(kg·℃)。
九年级上册内能中考真题汇编[解析版]一、初三物理 内能 易错压轴题(难)1.在“探究物质的吸热能力”的实验中,实验装置如图所示:(1)实验过程中温度计的玻璃泡不要碰到烧杯底部、侧壁和______;(2)实验中必须要选取初温相同且______(选填“质量”或“体积”)相等的甲、乙两种液体;选用规格相同的电加热器分别给甲和乙两种液体加热,这样做的目的是在相同时间内甲和乙两种液体______相同;(3)根据实验测得的数据分别描绘出了甲和乙两种液体的温度随加热时间变化的图象,如图丙所示,则______的吸热能力更强;(4)若甲液体的比热容为2.1×103J/(kg•°C ),则乙液体的比热容为______J/(kg•°C )。
【答案】电加热丝 质量 吸收的热量 乙 4.2×103【解析】【分析】【详解】(1)[1]实验过程中温度计的玻璃泡不要碰到烧杯底部、侧壁和电加热丝。
(2)[2]根据比较不同物质吸热能力的两种方法,要控制不同物质的质量相同,故实验中必须要选取初温相同且质量相等的甲、乙两种液体。
[3]选用规格相同的电加热器分别给甲和乙两种液体加热,根据转换法,这样做的目的是在相同时间内甲和乙两种液体吸收的热量相同。
(3)[4]根据实验测得的数据分别描绘出了甲和乙两种液体的温度随加热时间变化的图像,由图知,加热5分钟,甲升高的温度为60°C −20°C =40°C乙升高的温度为 40°C −20°C =20°C即乙升温小,故乙的吸热能力更强。
(4)[5]根据Q c m t=∆在质量和吸热相同的情况下,比热容与升高的温度成反比,结合(3)[4],故乙液体的比热容为()()3340C 2.110J/kg C 4.210J/kg C 20C c ︒=⨯⨯︒=⨯︒︒2.小明用稳定的热源(即单位时间内放出的热量相等)给一种固体物质均匀加热,且加热过程中质量不变。
中考物理内能的利用真题汇编(含答案)及解析一、内能的利用选择题1.内燃机在我们的生活中应用越来越多,内燃机主要分为汽油机和柴油机,根据汽油机和柴油机的区别,下列说法正确的是()A. 汽油机气缸顶部有喷油嘴,柴油机气缸顶部有火花塞B. 只要汽油机气缸内的汽油完全燃烧,热机效率就可以达到100%C. 做功冲程是内能转化为机械能D. 压缩冲程是内能转化为机械能【答案】C【解析】【解答】解:A、汽油机汽缸顶部有一个火花塞,柴油机汽缸顶部是一个喷油嘴.故A错误;B、热机在工作时不可避免的要克服机械部件间的摩擦做额外功,机械效率不可能达到100%,故B错误;C、做功冲程将内能转化为机械能.故C正确;D、压缩冲程将机械能转化为内能.故D错误.故选C.【分析】(1)汽油机和柴油机结构不同之一:汽油机有火花塞,柴油机有喷油嘴;(2)任何机器在做功时都不可避免的做额外功,效率不可能达到100%;(3)做功冲程将内能转化为机械能.(4)热机工作过程中,压缩冲程将机械能转化为内能.2.热机的广泛使用已成为一个国家工业化程度的标志,人类的现代生活已越来越离不开各种热机,热机从根本上改变着我们的世界。
下列相关说法正确的是()A. 热机是把机械能转变为内能的装置B. 四冲程内燃机的一个工作循环对外做功1次C. 使用热值大的燃料可提高热机效率D. 采取有效的措施可以使热机效率达到100%【答案】B【解析】【分析】(1)热机是将内能转化为机械能的机器.(2)四冲程内燃机的一个工作循环包括四个冲程,分别是吸气冲程、压缩冲程、做功冲程和排气冲程.(3)燃料的热值:1kg的某种燃料完全燃烧放出的热量,叫做这种燃料的热值;热机的效率是指热机有效利用的能量与燃料完全燃烧放出的能量之比.(4)热机的效率是指热机有效利用的能量与燃料完全燃烧放出的能量之比,减少热的损失,可以提高效率.【解答】解;A、热机是利用内能来工作的机器,其中能量的转化是将内能转化为机械能.不符合题意.B、四冲程内燃机的一个工作循环包括四个冲程,一个工作循环对外做一次功;说法正确,符合题意.C、燃料的热值是燃料的特性,燃料的热值大,只能说明完全燃烧1kg的燃料放出的热量多,而热机的效率是指热机有效利用的能量与燃料完全燃烧放出的能量之比,采用使用热值大的燃料,并不能提高热机的效率.故C不符合题意.D、热机工作时,总要克服摩擦做功、总有部分能量散失到空中,用来做有用功的能量一定小于燃料完全燃烧产生的能量,所以热机效率一定小于1.故D不符合题意.故选B.【点评】本题考查内燃机的四个冲程以及热机的效率;明确内燃机的四个冲程中压缩冲程、做功冲程能量的转化,以及燃料的燃烧和能量的转化的知识点;注意无论采取什么措施,热机的效率总小于1.3.在下图描述的实例中,属于机械能转化为内能的是()A. 壶内水沸腾后将壶盖顶开B. 从滑梯上滑下臀部发热C. 利用反射镜采集奥运圣火D. 利用暖身贴给背部保暖【答案】 B【解析】【解答】A、水将壶盖顶开是内能转化为机械能,A不符合题意;B、从滑梯上滑下时臀部发热是机械能转化为内能,B符合题意;C、利用反射镜采集火种是光能转化为内能,C不符合题意;D、利用暖身贴给背部保暖,是化学能转化为内能,D不符合题意;故答案为:B.【分析】改变内能的方式有两种,做功和热传递.对物体做功,通常是机械能转化为内能,物体对外做功,通常是内能转化为机械能.4.关于温度、内能,下列说法正确的是()A. 温度高的物体内能一定大B. 比热容与物体吸收或放出的热量的多少有关C. 燃料的热值与燃料燃烧的情况有关D. 金属很难被压缩,表明构成物质的分子之间存在斥力的作用【答案】 D【解析】【解答】解:A、在状态、质量不确定的情况下,温度高的物体内能不一定大,故A错误;B、比热容是物质本身具有的特性,决定于物质种类和状态,与物体吸收或放出热量多少没有关系,故B错误.C、热值是燃料本身的特性,决定于燃料的种类,与燃烧情况无关.故C错误;D、因为分子间存在斥力,阻止物体分子相互靠近,导致固体很难被压缩,故D正确.故选D.【分析】①内能是物体内部所有分子动能与分子势能的总和,与物质的种类、状态和温度、质量都有关系;②比热容是物质的特性,决定于物质种类和状态,与其它因素无关.③热值是燃料本身的一种特性,决定于燃料的种类;④分子间存在间隙,分子间存在相互的引力和斥力.5.小明同学分析了四个常见事例中的能量转化,其中正确的是()A. 电热水器工作过程中,内能转化为电能B. 在汽油机的做功冲程中,内能转化为机械能C. 电风扇正常工作过程中,电能主要转化为内能D. 跳水运动员在空中下落的过程中,动能转化为重力势能【答案】B【解析】【分析】本题主要考查对能量转化方式的了解,在解题时要看发生能量转化前物体具有什么能,能量转化后物体具有什么能,它们各自如何变化,一般情况下是变小的能量转化成变大的能量.【解答】A、电热水器工作过程中,电能转化为内能,所以该选项不正确.B、在汽油机的做功冲程中,内能转化为机械能,该选项正确.C、电风扇正常工作过程中,电能主要转化为机械能,所以该选项不正确.D、跳水运动员在空中下落的过程中,重力势能转化为动能,所以该选项不正确.故选B.【点评】能量转化现象在生活中比较普遍,在解题时要针对具体的情况明确能量转化的方向,然后具体分析.6.关于兰兰用煤气烧水的过程,下列说法正确的是()A. 煤气的燃烧过程是内能转化为化学能B. 煤气燃烧越充分,它的热值越大C. 水的温度越高,水分子运动越剧烈D. 烧水的过程是通过做功的方式改变水的内能【答案】C【解析】【解答】A. 煤气在燃烧过程是化学能转化为内能,A不符合题意;B. 燃料的热值仅与燃料的种类有关,而与燃料的燃烧程度、质量都无关,B不符合题意;C. 分子的运动快慢与温度有关,水的温度越高,水分子运动越剧烈,C符合题意;D. 烧水时水从火焰中吸收热量,温度升高,是利用热传递的方式改变物体内能的,D不符合题意。
2021年全国中考物理真题全解全析汇编(第三期)专题11 内能1、(2021·福建·T3)小华在家学做菜,厨房里菜香四溢,这个现象说明()A.分子间存在空隙B.分子间存在引力C.分子间存在斥力D.分子不停地做无规则运动2、(2021·广东·T3)关于四冲程汽油机的工作过程,下列说法正确的是()A.吸气冲程:只吸入空气B.压缩冲程:缸内温度降低C.做功冲程:气体推动活塞做功D.排气冲程:内能转化为机械能3、(2021·海南·T8)双手相互摩擦时感觉发热,这一过程的能量转化与四冲程汽油机的哪个冲程相同()A.吸气冲程B.压缩冲程C.做功冲程D.排气冲程4、(2021·宁夏·T4)下列关于热和能现象的说法,正确的是()A.冬天人们搓手取暖是利用热传递来增加手掌内能B.热机损失的能量中,废气带走的能量最少C.冰熔化过程中吸收热量,内能增大,温度升高D.“墙内开花墙外香”是因为发生了扩散现象5、(2021·青海·T4)下列实例,通过做功改变物体内能的是()A.晒太阳B.搓手取暖C.用电褥子取暖D.向双手哈气取暖6、(2021·云南昆明·T2)如图所示,民间艺人将糖加热到流体状态,然后用它在平板上“画成”各种小动物,静待慢慢变硬后就制作成了栩栩如生的“糖画”。
关于“糖画”,下列表述正确的是()A.糖是晶体B.糖的内能一直在增加C.糖分子之间只有引力没有斥力D.糖先熔化后凝固7、(2021·福建·T18)电熨斗熨衣服是通过______的方式改变内能,提高衣服和其中水的温度。
穿上熨好的衣服照镜子时,平面镜中的像与人大小______。
8、(2021·河南·T5)图为一款养生壶的电路简图该壶有“加热”和“保温”两挡,电源电压为220V,电阻丝R1、R2的阻值分别为44Ω、356Ω。
(物理)九年级物理内能的利用解析版汇编一、内能的利用选择题1.关于功、内能和热量,下列说法中正确的是()A. 内能少的物体也可能将能量传给内能多的物体B. 物体的温度不变,内能一定不变C. 温度高的物体含有的热量比温度低的物体多D. 物体的内能不可以转换成机械能【答案】 A【解析】【解答】A、发生热传递的条件是温度的高低,不是内能的大小,内能小的物体也可能是温度高的物体,所以,内能小的物体也可能将热量传递给内能大的物体,A符合题意;B、冰块熔化,吸收热量,温度不变,内能增加,B不合题意;C、热量是一个过程量,不能说“某物体含有或具有多少热量”,C不合题意;D、汽油机的做功冲程,将内能转化为了机械能,D不合题意.故答案为:A.【分析】A、发生热传递的条件的是物体间存在温度差,与物体内能的多少无关;B、物体吸收热量,内能一定增大,放出热量,内能一定减小 . 在晶体熔化和凝固过程中,虽然物体的的内能发生的变化,但温度不变,只是物体的状态了生了变化;C、热量是一个过程量,它表示物体在能量转化或转移的过程中,能量变化的多少,只能说“吸收”或“放出”,而不能说“含有”;D、物体的内能和机械能之间可以相互转化 .2.科研人员设计了一种“能量采集船”,如图所示,在船的两侧装有可触及水面的“工作臂”,“工作臂”的底端装有手掌状的、紧贴水面的浮标.当波浪使浮标上下浮动时,工作臂就前后移动,获得电能储存起来.下列电器设备与“能量采集船”能量采集原理相同的是()A. 电动机B. 电磁铁C. 电扇D. 发电机【答案】D【解析】【解答】解:A、电动机消耗电能,消耗电能转化为机械能,不符合题意;B、电磁铁是利用电流的磁效应来工作的,消耗电能,不符合题意;C、电风扇转动,将电能转化为了机械能,不符合题意;D、发电机发电产生电能,属于机械能转化为电能,符合题意.故选D.【分析】机械能转化为电能,应该是消耗机械能产生电能的现象.像ACD都是消耗电能的现象,肯定不符合题意.3.在下图描述的实例中,属于机械能转化为内能的是()A. 壶内水沸腾后将壶盖顶开B. 从滑梯上滑下臀部发热C. 利用反射镜采集奥运圣火D. 利用暖身贴给背部保暖【答案】 B【解析】【解答】A、水将壶盖顶开是内能转化为机械能,A不符合题意;B、从滑梯上滑下时臀部发热是机械能转化为内能,B符合题意;C、利用反射镜采集火种是光能转化为内能,C不符合题意;D、利用暖身贴给背部保暖,是化学能转化为内能,D不符合题意;故答案为:B.【分析】改变内能的方式有两种,做功和热传递.对物体做功,通常是机械能转化为内能,物体对外做功,通常是内能转化为机械能.4.下列说法中正确的是()A. 教室内洒水后觉得凉爽,是因为水的比热容较大B. 条形码扫描器中的光亮二极管,主要是由半导体材料制成的C. 使用天然气作燃料,燃烧越充分,热值越大D. 如果用超导材料制成输电线,将增加远距离输电线路中的电能损耗【答案】B【解析】【解答】解:A、教室内洒水感到凉爽,是因为水蒸发吸热的缘故,故A错误;B、条形码扫描器中的发光二极管,是由半导体制成的,故B正确;C、天然气的热值是固定的,与是否完全燃烧没有关系,故C错误;D、根据焦耳定律Q=I2Rt可知,远距离输电,当输电导线的电阻为零时,可使导线损耗为零,故D错误.故选B.【分析】(1)物质由液态变成气态的过程叫做汽化,汽化有蒸发和沸腾两种形式,汽化吸热;(2)当光照发生变化时,由半导体材料做成的光敏电阻的阻值可发生变化,则可以感知条形码;(3)单位质量的某种燃料完全燃烧放出的热量叫做燃料的热值;(4)超导材料是一种在特殊温度下电阻为零的材料.超导体的电阻为0,不会放热,所以电能无法转化为内能.5.下列现象的解释正确的是()A. 水很难压缩是由于分子间存在斥力B. 把煤磨成煤粉完全燃烧,煤的热值变大C. 家用“暖气”用水作介质是因为水的密度大D. 糖放入热水中很快变甜是由于温度越高,内能越小【答案】 A【解析】【解答】A.水银难压缩,是分子间存在斥力,A符合题意;B.煤的热值是特性,磨成粉末,热值不变,B不符合题意;C.家里的暖气用水在介质,是因为水的比热容大, C不符合题意;D.糖在热水中,水变甜的快,说明温度越高,分子运动越剧烈,D不符合题意。
九年级内能中考真题汇编[解析版]一、初三物理 内能 易错压轴题(难)1.在探究“冰熔化时温度的变化规律”的实验中。
(1)将适量碎冰放入试管中,利用水给冰加热,目的是______;(2)某时刻观察到温度计的示数如图甲所示,为______°C ;(3)图乙是根据所测数据绘制成的图象。
由图象可知,冰的熔化特点是:持续吸热、______;AB 和CD 两段图象的倾斜程度不同,原因是______;(4)若不计热量损失,物质在AB 和BC 两段吸收的热量分别为Q 1和Q 2,则12:Q Q =______。
【答案】使冰受热均匀 -4 温度不变 该物质状态不同时比热容不同 2:3【解析】【分析】【详解】(1)[1]将装有冰的试管放入水中加热,这是水浴法,这样冰的温度变化比较均匀,并且变化比较慢,便于记录实验温度。
(2)[2]由图甲知,温度计的分度值是1°C ,此时是零下,液柱上表面对准了0°C 下面第4个小格处,读作−4°C 。
(3)[3]由图像知冰在熔化过程中持续吸热、温度不变。
[4]冰化成水质量不变,但比热容发生了变化,所以同样受热情况下,温度变化快慢不同。
(4)[5]因为同一加热装置,在相同的时间内吸收的热量相同,已知在AB 段时间为2min ,BC 段为3min ,则12:2:3Q Q2.如图所示是“探究不同物质吸热升温现象”的实验装置,小华将初温和质量相等的色拉油和水分别装在相同的烧杯中,用酒精灯加热并不断搅拌,每隔0.5min 测量一次温度,数据记录在下表中。
(l)选用相同的酒精灯,是为了使单位时间内色拉油和水______相同,不断搅拌的目的是使色拉油和水______。
(2)图中已经画出色拉油温度随时间变化的图像,开始部分并不是直线,导致此现象的原因是除色拉油外还有______吸收热量,为尽量减小这种影响,写出一种改进方法:______。
(3)根据上表实验数据,在图中画出水的温度随时间变化的图像分析图像可知,当色拉油和水升高相同温度时,______需要的时间短,______需要吸收的热量更多。
内能中考真题汇编[解析版]一、初三物理内能易错压轴题(难)1.小明在学习“物质的比热容”时,取相同质量的水和沙子,用相同的酒精灯加热,测得它们升高的温度如表,并在图乙中作出沙子升高的温度随时间变化的图线.(1)用温度计测量水的初温如图甲所示,其读数为__________℃。
(2)实验中选用相同的酒精灯加热,可以认为相同时间内水和沙子__________相同.(3)请利用表中数据在图乙中作出表示水升高的温度随时间变化规律的图线。
(4)沙子在1.0~1.5min内升高的温度有明显异常,其主要原因是__________。
(5)小明再用50g水和100g水做实验,以吸收的热量Q为纵坐标,升高的温度△t为横坐标,分别画出50g水和100g水的Q-△t图象.它们都是过原点的直线,即Q=k△t.进一步分析,发现这两条直线的k值与对应水的__________之比相等。
【答案】(1)18 (2)吸收的热量(3)答案如图所示(4)没有及时用玻璃棒搅拌,使沙子受热均匀(5)质量【解析】试题分析:物体吸热升温快慢与物质的种类、物体的质量、吸热的多少等因素有关。
在实验中要比较水和沙子吸热升温快慢就需要选择相同质量的水和沙子;采用相同的加热器,可以使水和沙子在相等时间内吸收热量相等。
在实验器材中还需要搅拌棒,沙子是固体,加热时间/min0.5 1.0 1.5 2.0 2.5升高的温度/℃水 2.0 4.0 6.08.010.0沙子 4.37.915.218.421.5加热时上下沙子受热不均匀,需要不断搅拌;水是液体,加热时通过对流使其受热均匀的。
吸收热量的多少可以利用Q=cm△t计算,水的比热是相同的,Q与△t是正比关系,所以画出来的是过原点的直线,利用Q=k△t表示它们的关系时,k=cm,c是比热容,是一个定值,实验中改变水的质量m,就是改变了k的值。
考点:比较质量相等的不同物质吸热升温快慢2.阅读短文,回答问题“鲲龙”AG600国产大型水陆两栖飞机“鲲龙”AG600成功实现水上起降,如图所示。
“鲲龙”AG600是国家为满足森林灭火和水上救援的迫切需要,研制的大型特种用途民用飞机,既能在陆地上起降,又能在水面上起降,是一艘会飞的船。
AG600可以在20秒内一次汲水12吨,单次投水救火面积可达4000余平方米,还可以在2米高海浪的复杂气象条件下实施水面救援行动,水上应急救援一次可救护50名遇险人员。
“鲲龙”AG600 除了像普通飞机在陆上起降外,在任何江河湖泊,只要给它一片长1500米、宽200米、深2.5米的水域,它都能“说走就走”。
最大巡航速度500公里/小时,最大航程4500公里,可从中国最北端黑龙江漠河直飞海南三亚,更可以从三亚往返中国最南端的曾母暗沙。
“鲲龙”AG600作为当今世界最大一款水陆两栖飞机,AG600飞机的机身长37米、翼展达38.8米,个头儿与波音737相当,采用单船身、悬臂上单翼和前三点可收放式起落架布局,选装4台涡桨发动机。
飞机发动机的热效率和推进效率是反映飞机性能的重要指标。
发动机的热效率是指发动机获得的机械能与燃料完全燃烧产生的内能之比,推进效率是指发动机传递给飞机的推进功(推力所做的功)与获得的机械能之比。
飞机的部分参数如下表所示:WJ6发动机数量4台M最大起飞质量53.5t最大巡航速度500km/h发动机巡航推力 4.6×104N发动机的热效率40%发动机的推进效率……(1)如图所示,机身下部制成“V”形,这样设计的目的还有______________;机翼设计成如图所示的截面图,当飞机水平飞行时,机翼上方空气速度大,压强________;(2)“鲲龙”AG600在水面降落的过程中,重力势能________,动能________(选填“增大”、“减小”或“不变”);(3)若“鲲龙”AG600某次执行任务时该飞机的总质量为48t ,总体积约5×103m 3。
该飞机停在水平地面时,起落架的触地总面积是1.2m 2,对地面的压强_________Pa ;停在水面上时,排开水的体积是_________m 3;(g =10N/kg ,ρ水=1×103kg/ m 3)(4)若“鲲龙”AG600空载时质量为40t ,在水面滑行测试中,“鲲龙”AG600蓄一定质量的水,发动机牵引力的实际总功率为2500kW ,飞机在水面上以36km/h 的速度匀速滑行了1min ,滑行过程中所受阻力为总重的0.5倍,则飞机受到的阻力为_________N ,所蓄水的质量为__________t ;(5) “鲲龙”AG600 以最大速度满载巡航2h ,消耗燃油5000kg ,燃油完全燃烧获得的内能是_________J ,此过程中发动机的推进效率为__________。
(燃油的热值q =4.6×107J/kg) 【答案】减小阻力 小 减小 减小 4×105 48 2.5×105 10 2.3×1011 50% 【解析】 【分析】 【详解】(1)[1][2]机身下部制成“V ”形,这样设计的目的还有减小阻力的作用;当飞机水平飞行时,机翼上方空气速度大,根据流体流速与压强的关系,流速大的地方压强小,所以机翼上方压强小。
(2)[3][4]“鲲龙”AG600在水面降落的过程中,质量不变,但高度减小,重力势能减小;速度减小,动能减小。
(3)[5][6]若“鲲龙”AG600某次执行任务时该飞机的总质量为48t ,总体积约5×103m 3。
该飞机停在水平地面时,起落架的触地总面积是1.2m 2,根据压强公式可得,对地面的压强为4524.810kg 10N/kg 410Pa 1.2mF mg P S S ⨯⨯====⨯ 停在水面上时,因为处于漂浮状态,所以浮力等于重力,可以得到此时飞机所受到的浮力为45= 4.810kg 10N/kg 4.810N F G mg ==⨯⨯=⨯浮根据浮力公式可得,此时排开水的体积为53334.810N 48m 1.010kg/m 10N/kgF V g ρ⨯===⨯⨯浮排液 (4)[7][8]根据题意可得,飞机在水面上的速度为36km/h 10m/s v ==由功率公式可得,飞机受到的牵引力为652.510W 2.510N 10m/sP F v ⨯===⨯因为飞机匀速滑行,所以飞机所受阻力为52.510N f F ==⨯根据题意可得0.5f G =总则此时飞机的总重力为5522 2.510N=510N G f ==⨯⨯⨯总此时飞机的总质量为54510N =510kg=50t 10N/kgG m g ⨯==⨯总总则飞机所蓄水的质量为50t 40t 10t m m m =-=-=蓄总机(5)[9][10]燃油完全燃烧产生的内能为7115000kg 4.610J/kg 2.310J Q mq ==⨯⨯=⨯放发动机获得的机械能为11102.310J 409.210J W Q η==⨯⨯%=⨯机放飞机飞行的路程为6500km/h 2h 1000km 110m s vt ==⨯==⨯发动机在2h 内做的有用功为46104.610N 110m 4.610J W Fs ==⨯⨯⨯=⨯有此过程中发动机的推进效率为10104.610J100100509.210JW W η⨯=⨯%=⨯%=%⨯有机3.小明用相同的酒精灯分别给水和煤油加热(如图甲),以探究水和煤油的吸热能力。
(1)实验装置中的两个烧杯的规格应_________(选填“相同”或“不同”),烧杯中的水和煤油应具有相同的初温和__________;(2)加热10min ,水吸收的热量________(填大于、小于或等于)煤油吸收的热量; (3)根据实验数据,小明作出了水和煤油的温度随加热时间变化的图象(如图乙),由图象可知,水的沸点是__________℃,水的比热容是煤油的比热容的________倍; (4)若本次实验共消耗酒精20g ,则这些酒精完全燃烧放出的热量是________J 。
(q 酒精=3.0×107J/kg )【答案】相同 质量 等于 98 2 6×105 【解析】 【分析】【详解】(1)[1][2]实验中两个烧杯的规格应相同,烧杯中水和煤油的初温和质量都应该相同,因为此实验探究的是两种液体的吸热能力,那么唯一的变量是液体的种类,而其他的量都要保持相同。
(2)[3]加热10min,即加热时间相同,那么两者吸收的热量相同。
(3)[4]由图象乙可知,水开始时温度上升,到98℃时,温度保持不变,即是水此时已经沸腾,所以水的沸点是98℃。
[5]相同质量的水和煤油温度从68℃升高到98℃,所用的时间分别为20min和10min,即升高相同温度,水吸收的热量是煤油的2倍,所以水的比热容是煤油的的2倍。
(4)[6]完全燃烧这些酒精放出的热量Q放=mq酒精=20×10-3kg×3.0×107J/kg=6×105J4.随着人民生活水平的不断提高,汽车已经走进我们的家庭.小林的爸爸最近也购买了一辆轿车.(1)“轿车不但要吃油,有时也要喝水”,汽油是_________(选填“可再生”或“不可再生”)能源,用水冷却发动机是因为水的_________大,在发动机开始工作后一段时间内,水箱中水的内能会______,这是通过________方式来改变内能的.(2)下列四个实验中,其能量转化方式与图示汽油机对应冲程类似的是_______.(3)轿车在上坡时,将档位换成低速档,以减小行驶的速度,这样做的目的是___________A.安全 B.省油 C.减小行驶时的阻力 D.增大爬坡的牵引力(4)小林通过测量获得轿车以不同速度行驶时对应的制动距离(即从操纵制动刹车到车停下来的距离),数据如表所示:速度406080100120 ()1v/km h-制动距离s/m8185072km h时对应的制动距离是根据表中数据所反映的规律,当轿车速度为80/_____________m.(5)小林通过上网查到了这种轿车的输出功率与转速的关系如图所示.小林又向爸爸询问km h,发动机转速为了一些实测数据:轿车行驶的路况好,平均车速为100/2000r/min,平均油耗为9L/100km,参考图中的数据,分析这辆汽车在这种状态下行驶时,发动机的效率为___________%.(已知汽油的热值为74.610J /kg ⨯,密度为330.810/kg m ⨯).(6)太阳能汽车利用太阳能来驱动,真正实现了零排放,有效地减少了对环境的污染.汽车顶部所安装的太阳能电池板的有效面积为26m ,太阳光照射到地面时单位面积上的辐射功率为321.210W /m ⨯,如将太阳能转化为电能的效率为15%,则电池的输出功率为_________W ,如果这辆汽车的电动机将电能最终转化为机械能的效率为80%,当汽车在水平面上匀速行驶时,受到的牵引力为80N ,则汽车的行驶速度为___________/km h . 【答案】不可再生 比热容 增大 热传递 A D 32 32.6% 1080 38.88 【解析】解答:(1)从能源可否再生的角度看,汽油来源于石油,石油是经过几百万年的演变形成的,汽油是从石油中提炼出来的,属于不可再生能源;汽车发动机工作过程中,不可避免地产生很多热量,这些热量如不及时带走会影响机器的正常工作.由公式Q =cm △t 知,在质量和升高的温度相同时,与其它液体比较,因为水的比热容最大,所以吸收的热量最多,冷却效果最好.发动机工作过程中会产生热量,热量传递到水,所以水的内能增大.这是通过热传递的方式改变内能的.(2)A 、电火花发生器点火后将盒盖顶出,此时燃气的内能转化机械能,故与题目中的情境相同,故A 正确;B. 滚摆向下运动,动能增加,重力势能减小,所以是重力势能转化为动能的过程,故B 错误;C. 向下压缩空气引火仪,即将机械能转化为仪器内部空气的内能,所以是将机械能转化为内能的过程,故C 错误;D. 酒精灯加热杯中冷水,这是通过热传递的方式改变内能的,故D 错误;故选A.(3)由P =W Fs t t ==Fv 的变形式F =Pv可知,汽车的最大功率一定时,减小行驶速度时,可以获得更大的牵引力,故选D.(4)通过对1、2、4、5的分析可知,速度越大制动距离越大,即制动距离一定与速度有关,但明显不是正比关系,故可以想到可能与速度的平方成正比,通过计算可知制动距离的确与速度的平方成正比,所以有2240km /h 80km /h 8s()()=,解得:80km/h 的制动距离为32m ;(5)由发动机输出特性曲线可知:发动机转速为2000r/min 时,其输出功率约为30kW ,每小时对外所做的有用功:W =Pt =30×103W×3600s =1.08×108J ;行驶100km 消耗的汽油是9L =9dm 3=9×10−3m 3,则完全燃烧释放的热量:Q =mq =ρVq =0.8×103kg/m 3×9×10−3m 3×4.6×107J/kg =3.312×108J ,发动机的效率:η=881.08103.31210W JQ J⨯⨯=≈32.6%.(6)太阳光照射到地面时单位面积上的辐射功率为1.2×103W/m2,如将太阳能转化为电能的效率为15%,则电池的输出功率为P=P太阳能η=1.2×103W/m2×6m2×15%=1080W;因为电能最终转化为机械能的效率为80%,所以P机械=P×η′=1080W×80%=864W;由公式P=Fv可得汽车的行驶速度:v=86480P WF N机械==10.8m/s=38.88km/h.5.如图甲所示是“探究不同物质吸热升温现象”的实验.将质量相等的沙子和水分别装在易拉罐中,并测出沙子和水的初温.然后用酒精灯加热并不断搅拌,每隔1min记录一次温度.实验记录如下表:加热时间/min01234温度/℃沙子2025293438水2021222324(1)除了图示的器材外,本实验还需要的测量工具有天平和________.(2)水和沙子吸热的多少是通过_____来反映的(选填“温度计示数的变化”或“加热时间”).(3)根据实验数据,小明画出了沙子的温度随时间变化的图像(如图乙),请画出水的温度随时间变化的图像.(_______)(4)分析图像可知,对于质量相等的沙子和水:吸收相等热量,升温较快的是________;若使两者升高相同的温度,则________吸收的热量较多.【答案】秒表加热时间沙子水【解析】实验中需要记录不同时刻水和沙子的温度所以还需要温度计;因为酒精灯在相同时间放出热量的多少是一样的,加热时间越长表示物体吸热越多,所以水和沙子吸热的多少是通过加热时间来反映的;根据表格中数据描点,并用平滑的曲线连接起来即可得到水的温度随时间变化的图像:(4)分析图象可知,对于质量相等的沙子和水:吸收相等热量,升温较快的是沙子;若使两者升高相同的温度,水加热时间较长,说明吸收的热量较多.点睛:(1)实验中通过加热时间来反映水和沙子吸收热量的多少;(2)根据表格中数据描点,并用平滑的曲线连接起来;(3)分析图象分析水和沙子的温度变化情况,得出结论.6.归纳式探究—.研究电磁感应现象中的感应电流:磁场的强弱用磁感应强度描述,用符号B表示,单位是特斯拉,符号是T.强弱和方向处处相同的磁场叫做匀强磁场.如图甲所示,电阻R1与圆形金属线圈R2连接成闭合回路,R1和R2的阻值均为R0,导线的电阻不计,在线圈中半径为r的圆形区域内存在垂直于线圈平面向里的匀强磁场,磁感应强度B随时间t变化的关系图象如图乙所示,图线与横、纵坐标的截距分别为t0和B0.则0至t1时间内通过R1的电流I与阻值R0、匀强磁场的半径r、磁感应强度B0和时间t0的关系数据如下表:次数R0/Ωr/m B0/T T0/s I/A1100.1 1.00.15π×l0-22200.1 1.00.1 2.5π×l0-23200.2 1.00.110π×l0-2 4100.10.30.1 1.5π×l0-2 5200.10.10.050.5π×l0-2(1)I=_____k,其中k=________(填上数值和单位)(2)上述装置中,改变R0的大小,其他条件保持不变,则0至t1时间内通过R1的电流I 与R0的关系可以用图象中的图线____表示.【答案】200B rR t25A sT mπ⋅Ω⋅⨯c【解析】【分析】【详解】(1)[1]由图像分析可得2EIR= (1)Et∆Φ=∆ (2)=?S B∆Φ∆ (3)120+2R R R R== (4)由1234联立得:2200022BB r rIt R t Rππ∆=⋅=⋅∆由于2π为定值,故200B rI kR t=[2]将第一组数据带入上式得:k=25A sT mπ⋅Ω⋅⨯(2)[3]若R0变,其他为定值,则22B rtπ均为定值,可看作'kIR=,此为反比例函数,故可用图线c表示.7.为了“比较水和煤油吸热升温特点”,小明和小华所在的两探究小组都做了如图甲所示的实验:(1)水和煤油吸热的多少是通过________________来反映的(选填“温度计示数”或“加热时间”)。