正截面抗弯承载力计算
- 格式:xls
- 大小:40.50 KB
- 文档页数:1
正截面抗弯承载力计算公式
正截面抗弯承载力计算公式是用于计算钢筋混凝土受弯构件正
截面抗弯承载力的标准公式。
该公式考虑了受拉区混凝土的抗拉强度,采用了钢筋和混凝土的材料强度设计值,并根据基本假定进行计算。
基本假定包括:截面应变保持平面,不考虑混凝土的抗拉强度,厚度小,忽略不计,混凝土受压应力一应变关系是由一条二次抛物线及水平线构成的曲线,钢筋应力取等于钢筋应变与其弹性模量的乘积,但不大于其强度设计值;同时钢筋拉应变 0.01。
计算中采用的钢筋应力一应变关系,当钢筋应力小于钢筋强度设计值 fy 时为弹性,当钢筋应力 fy 时为理想的塑性材料。
为了防止混凝土裂缝过宽,因而限制钢筋的最大拉应变值 0.01。
计算公式为:
承载力 = (FS - FO) * (A / V) + fc * tg(β)
其中,FS 为钢筋强度设计值,FO 为混凝土抗压强度设计值,A 为受弯构件截面面积,V 为构件体积,fc 为混凝土抗拉强度设计值,
tg(β) 为 tan θ,θ为钢筋与混凝土的接触角。
需要注意的是,该公式仅适用于正截面受弯构件,对于其他类型的构件,需要采用相应的计算方法和公式。
7.2 正截面受弯承载力计算第7.2.1条矩形截面或翼缘位于受拉边的倒T形截面受弯构件,其正截面受弯承载力应符合下列规定(图7.2.1):M≤α1fcbx(h-x/2)+f'yA's(h-α's)-(σ'p0-f'py)A'p(h-α'p) (7.2.1-1)混凝土受压区高度应按下列公式确定:α1fcbx=fyAs-f'yA's+fpyAp+(σ'p0-f'py)A'p(7.2.1-2)混凝土受压区高度尚应符合下列条件:x≤ζb h(7.2.1-3)x≥2α'(7.2.1-4)图7.2.1:矩形截面受弯构件正截面受弯承载力计算式中M--弯矩设计值;α1--系数,按本规范第7.1.3条的规定计算;fc--混凝土轴心抗压强度设计值,按本规范表4.1.4采用;A s 、A's--受拉区、受压区纵向普通钢筋的截面面积;A p 、A'p--受拉区、受压区纵向预应力钢筋的截面面积;σ'p0--受压区纵向预应力钢筋合力点处混凝土法向应力等于零时的预应力钢筋应力;b--矩形截面的宽度或倒T形截面的腹板宽度;h--截面有效高度;α's 、α'p--受压区纵向普通钢筋合力点、预应力钢筋合力点至截面受压边缘的距离;α'--受压区全部纵向钢筋合力点至截面受压边缘的距离,当受压区未配置纵向预应力钢筋或变压区纵向预应力钢筋应力(α'p0-f'py)为拉应力时,公式(7.2.1-4)中的α'用α's代替。
第7.2.2条翼缘位于受压区的T形、I形截面受弯构件(图7.2.2),其正截面受弯承载力应分别符合下列规定:1当满足下列条件时f y As+fpyAp≤α1fcb'fh'f+f'yA's-(σ'p0-f'py)A'p(7.2.2-1)应按宽度为b'f的矩形截面计算;2当不满足公式(7.2.2-1)的条件时M≤α1fcbx(h-x/2)+α1fc(b'f-b)h'f(h-h'f/2)+f'yA's(h-α'sp0-f'py)A'p(h-α'p(7.2.2-2)混凝土受压区高度应按下列公式确定:α1fc[bx+(b'f-b)h'f]=fyAs-f'yA's+fpyAp+(α'p0-f'py)A'p(7.2.2-3)式中h'f--T形、I形截面受压区翼缘高度;b'f--T形、I形截面受压区的翼缘计算宽度,按本规范第7.2.3条的规定确定。
正截面抗弯承载力计算公式弯曲方向上的抗弯矩可以通过以下公式计算:M=σ*y*S其中,M为弯矩,单位为N·mm;σ为截面的应力,单位为N/mm²;y为截面的离心距,即截面中心到受拉纤维的距离,单位为mm;S为截面的抵抗矩,单位为mm³。
剪切方向上的抗剪力可以通过以下公式计算:V=τ*A其中,V为剪力,单位为N;τ为截面中剪应力,单位为N/mm²;A为截面的剪切面积,单位为mm²。
综合考虑两种方向上的抗弯承载力,可以得到正截面抗弯承载力的计算公式:W = Min(M/b , V/yc)其中,W为正截面的抗弯承载力,单位为N;M为弯矩,单位为N·mm;b为截面的宽度,单位为mm;V为剪力,单位为N;yc为截面的离心距,即截面中心到受拉纤维的距离,单位为mm。
在实际设计中,为了保证结构的安全性,通常需要根据材料的强度参数和结构的要求来确定截面的尺寸和形状。
在正截面抗弯承载力的计算过程中,需要注意以下几个要点:1.材料的强度参数:计算前需要明确截面所采用的材料的强度参数,如屈服强度和抗拉强度等。
2.截面形状的选择:根据结构的要求和截面的受力条件,选择适当的截面形状,如矩形、圆形、梯形等。
3.弯矩和剪力的确定:根据结构的受力分析,确定截面上的弯矩和剪力大小。
4.抵抗矩和剪切面积的计算:根据截面形状的不同,采用相应的计算方法计算抵抗矩和剪切面积。
5.安全系数的考虑:为了保证结构的安全性,在计算过程中通常会引入相应的安全系数,以考虑不同因素对结构性能的影响。
总之,正截面抗弯承载力的计算需要考虑弯曲方向上的抗弯矩和剪切方向上的抗剪力,通过综合考虑两者,可以得到正截面的抗弯承载力的计算公式。
在使用公式进行计算时,需要明确材料的强度参数,选择适当的截面形状,并考虑安全系数的影响,以确保结构的安全性。
混凝土承载力计算方法一、前言混凝土承载力是指混凝土在受力作用下能够承受的最大力量,是混凝土设计中非常重要的参数。
混凝土承载力计算方法对于建筑工程的安全性和经济性具有重要的意义。
本文将详细介绍混凝土承载力的计算方法。
二、混凝土承载力的定义混凝土承载力是指混凝土在受力作用下所能承受的最大荷载。
混凝土承载力的大小与混凝土的强度、尺寸、受力方式等因素有关。
三、混凝土的强度等级混凝土的强度等级是指混凝土在规定年龄下的标准强度值,通常表示为Cxx,其中xx表示混凝土的规定强度等级,单位为MPa。
例如,C30表示混凝土的规定强度等级为30MPa。
四、混凝土承载力计算方法1.剪切承载力计算方法剪切承载力是指混凝土在受剪力作用下所能承受的最大荷载。
混凝土的剪切承载力计算方法主要有以下两种:(1)平面内剪切承载力计算方法平面内剪切承载力计算方法适用于混凝土板、基础等平面结构件的剪切承载力计算。
计算公式如下:Vc=k1k2λfcdAcs其中,Vc为混凝土的平面内剪切承载力;k1为修正系数,其取值范围为0.08~0.18;k2为几何系数,其取值范围为0.6~1.0;λ为受压区高度与压力区高度之比,其取值范围为0.8~1.0;fcd为混凝土的设计抗压强度,单位为MPa;Acs为受剪面积,单位为mm^2。
(2)平面外剪切承载力计算方法平面外剪切承载力计算方法适用于混凝土柱、墙等立体结构件的剪切承载力计算。
计算公式如下:Vc=k1λfcdAcs其中,Vc为混凝土的平面外剪切承载力;k1为修正系数,其取值范围为0.08~0.18;λ为受压区高度与压力区高度之比,其取值范围为0.8~1.0;fcd为混凝土的设计抗压强度,单位为MPa;Acs为受剪面积,单位为mm^2。
2.抗弯承载力计算方法抗弯承载力是指混凝土在受弯矩作用下所能承受的最大荷载。
混凝土的抗弯承载力计算方法主要有以下两种:(1)正截面抗弯承载力计算方法正截面抗弯承载力计算方法适用于混凝土梁、板等直线结构件的抗弯承载力计算。
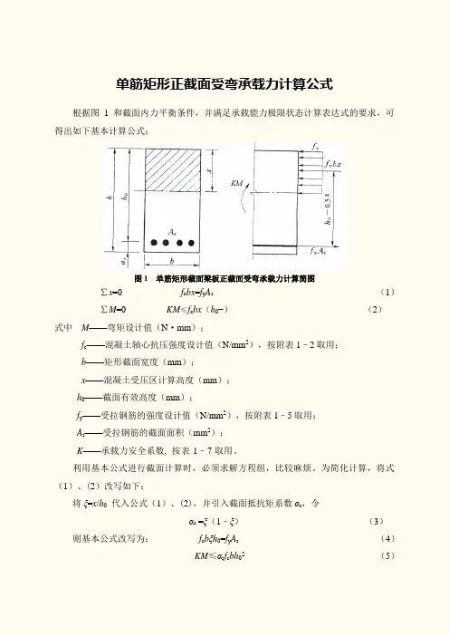
单筋矩形正截面受弯承载力计算公式根据图1和截面内力平衡条件,并满足承载能力极限状态计算表达式的要求,可得出如下基本计算公式:图1 单筋矩形截面梁板正截面受弯承载力计算简图∑x=0 f c bx=f y A s(1)∑M=0 KM≤f c bx(h0−)(2)式中M——弯矩设计值(N·mm);f c——混凝土轴心抗压强度设计值(N/mm2),按附表1–2取用;b——矩形截面宽度(mm);x——混凝土受压区计算高度(mm);h0——截面有效高度(mm);f y——受拉钢筋的强度设计值(N/mm2),按附表1–5取用;A s——受拉钢筋的截面面积(mm2);K——承载力安全系数, 按表1–7取用。
利用基本公式进行截面计算时,必须求解方程组,比较麻烦。
为简化计算,将式(1)、(2)改写如下:将ξ=x/h0代入公式(1)、(2),并引入截面抵抗矩系数αs,令αs =ξ(1–ξ)(3)则基本公式改写为:f c bξh0=f y A s(4)KM≤αs f c bh02(5)由式(4)可得:ρ= ξf c/f y基本公式是根据适筋破坏的情况推导出来的。
因此,它的适用条件为:(1)ρ≤ρmax或x ≤ξb h0或ξ≤ξb,以防止发生超筋破坏,ρmax=ξb f c/f y;基本公式是依据适筋构件破坏时的应力图形情况推导的,当受拉钢筋屈服的同时,受压区混凝土也达到极限压应变εcu,梁发生的临界破坏状态,就是适筋梁与超筋梁的界限。
但为了结构的安全,更有效地防止发生超筋破坏,,应用基本公式和由它派生出来的公式计算时,必须符合此条件。
(2)ρ≥ρmin,以防止发生少筋破坏钢筋混凝土梁板构件破坏时承担的弯矩等于同截面素混凝土梁板构件所能承担的弯矩时的受力状态,为适筋破坏与少筋破坏的分界。
这时梁板的配筋率应是适筋梁板的最小配筋率。
《规范》不仅考虑了这种“等承载力”原则,而且还考虑了混凝土的性质和工程经验等。
因此,基本公式应符合此条件。
受弯构件正截面受弯承载力计算
在进行受弯构件正截面受弯承载力计算时,首先需要了解构件的几何尺寸和材料特性。
几何尺寸包括构件的宽度、高度和长度,材料特性包括材料的抗弯强度和弹性模量等。
在进行受弯构件正截面受弯承载力计算时,一般采用等效应力法。
根据等效应力法,构件的正截面受弯承载力可以通过以下公式计算:M=σ×S
其中,M是受弯构件所受弯矩,σ是构件截面上的应力,S是截面的抵抗矩。
在计算截面上的应力时,可以使用以下公式:
σ=M×y/I
其中,M是受弯构件所受弯矩,y是距离截面中性轴距离,I是截面的惯性矩。
在计算截面的抵抗矩时,可以使用以下公式:
S=y×A×f
其中,y是距离截面中性轴距离,A是截面的面积,f是材料的抗弯强度。
综合以上公式,可以得到受弯构件的正截面受弯承载力公式:
N=σ×S=(M×y/I)×(y×A×f)
根据构件的几何尺寸和材料特性,可以计算出受弯构件的正截面受弯
承载力。
需要注意的是,在实际工程中,受弯构件的应力和截面的抵抗矩常常
不是均匀分布的,需要进行更加详细的计算和分析。
此外,由于材料的塑
性变形和结构的不完美性等因素的存在,实际承载能力可能小于理论计算值。
综上所述,受弯构件正截面受弯承载力计算是结构工程中的重要任务,它通过等效应力法来确定构件在受弯状态下的承载能力。
在实际工程中,
应该考虑到材料和结构的各种因素,进行更加精细的分析和计算。
正截面抗弯承载力计算公式1.梁的弯矩-曲率等价受力法梁的弯矩-曲率等价受力法是一种简化计算正截面抗弯承载力的方法,其中最为常用的是Euler-Bernoulli梁理论。
其计算公式如下:M=σ×W=E×I×κ/c其中M为截面所受弯矩;σ为截面受压及受拉应力;W为截面模量;E为材料的弹性模量;I为截面的惯性矩;κ为截面弯曲时的曲率;c为截面的半径。
具体步骤为:1)根据实际情况,确定梁的材料和几何尺寸;2)计算截面的惯性矩I;3)根据外力作用下梁的曲线形状,计算截面的曲率κ;4)根据所需的安全系数和抗弯强度,确定截面的允许应力σ;5)根据公式计算截面的抗弯承载力。
2.截面法截面法是一种采用截面抗弯承载力的公式直接计算截面的抗弯能力。
根据杆件受力情况的不同,可分为梁受拉和受压两种情况。
梁受拉的计算公式为:N/A+M/W≤σc其中N为截面受拉的力;A为截面的面积;M为截面受弯矩;W为截面模量;σc为材料的抗压强度。
梁受压的计算公式为:N/A+M/W≤σt其中N为截面受压的力;A为截面的面积;M为截面受弯矩;W为截面模量;σt为材料的抗拉强度。
根据公式计算出截面受压或受拉状态下的几何形状,再根据所需的安全系数和抗弯强度,确定截面的允许应力σc或σt,最后得到截面的抗弯承载力。
3.模型法模型法是一种采用有限元数值计算方法来分析截面抗弯承载力的计算方法。
通过建立杆件的数学模型,利用有限元法进行数值分析,得到截面的应力分布及强度。
该方法较为精确,但计算复杂且耗时。
总结:正截面抗弯承载力的计算可以采用梁的弯矩-曲率等价受力法、截面法和模型法等方法。
这些计算公式一般都需要根据具体的材料、几何尺寸和外力情况进行调整,以满足工程的安全要求。
因此,在实际计算中,应根据具体情况选择适用的计算方法和公式来计算正截面抗弯承载力。
3.2-正截面承载力计算3.2 正截面承载力计算钢筋混凝土受弯构件通常承受弯矩和剪力共同作用,其破坏有两种可能:一种是由弯矩引起的,破坏截面与构件的纵轴线垂直,称为沿正截面破坏;另一种是由弯矩和剪力共同作用引起的,破坏截面是倾斜的,称为沿斜截面破坏。
所以,设计受弯构件时,需进行正截面承载力和斜截面承载力计算。
一、单筋矩形截面1.单筋截面受弯构件沿正截面的破坏特征钢筋混凝土受弯构件正截面的破坏形式与钢筋和混凝土的强度以及纵向受拉钢筋配筋率ρ有关。
ρ用纵向受拉钢筋的截面面积与正截面的有效面积的比值来表示,即ρ=As/(bh0),其中A s为受拉钢筋截面面积;b为梁的截面宽度;h0为梁的截面有效高度。
根据梁纵向钢筋配筋率的不同,钢筋混凝土梁可分为适筋梁、超筋梁和少筋梁三种类型,不同类型梁的具有不同破坏特征。
①适筋梁配置适量纵向受力钢筋的梁称为适筋梁。
适筋梁从开始加载到完全破坏,其应力变化经历了三个阶段,如图3.2.1。
第I阶段(弹性工作阶段):荷载很小时,混凝土的压应力及拉应力都很小,应力和应变几乎成直线关系,如图3.2.1a。
当弯矩增大时,受拉区混凝土表现出明显的塑性特征,应力和应变不再呈直线关系,应力分布呈曲线。
当受拉边缘纤维的应变达到混凝土的极限拉应变εtu时,截面处于将裂未裂的极限状态,即第Ⅰ阶段末,用Ⅰa表示,此时截面所能承担的弯矩称抗裂弯矩M cr,如图3.2.1b。
Ⅰa阶段的应力状态是抗裂验算的依据。
第Ⅱ阶段(带裂缝工作阶段):当弯矩继续增加时,受拉区混凝土的拉应变超过其极限拉应变εtu,受拉区出现裂缝,截面即进入第Ⅱ阶段。
裂缝出现后,在裂缝截面处,受拉区混凝土大部分退出工作,拉力几乎全部由受拉钢筋承担。
随着弯矩的不断增加,裂缝逐渐向上扩展,中和轴逐渐上移,受压区混凝土呈现出一定的塑性特征,应力图形呈曲线形,如图3.2.1c。
第Ⅱ阶段的应力状态是裂缝宽度和变形验算的依据。
当弯矩继续增加,钢筋应力达到屈服强度f y,这时截面所能承担的弯矩称为屈服弯矩M y。