车间现场粉尘清洁记录表
- 格式:xls
- 大小:15.50 KB
- 文档页数:1
粉尘清理每日记录表1. 介绍粉尘清理每日记录表是一种用于记录工作场所粉尘清理情况的表格。
粉尘是许多工作场所常见的污染源之一,长期暴露于粉尘环境中可能对员工的健康造成危害。
为了确保工作场所的安全和健康,定期进行粉尘清理是必要的。
粉尘清理每日记录表的目的是记录每天进行的粉尘清理工作,包括清理时间、清理区域、清理措施等内容。
通过记录和分析这些数据,可以评估粉尘清理的效果,及时发现问题并采取相应的措施。
2. 内容粉尘清理每日记录表应包含以下内容:•日期:记录粉尘清理的日期。
•清理时间:记录粉尘清理开始和结束的时间。
•清理区域:记录进行粉尘清理的具体区域,可以是办公室、车间、仓库等。
•清理措施:记录采取的清理措施,如使用吸尘器、拖把、湿布等。
•清理人员:记录参与粉尘清理的人员姓名。
•清理效果:记录粉尘清理的效果,如清理程度、粉尘浓度等。
•发现问题:记录在粉尘清理过程中发现的问题,如粉尘积累较多、清理设备损坏等。
•备注:记录其他需要补充的信息。
3. 使用方法使用粉尘清理每日记录表的方法如下:1.每天开始进行粉尘清理前,填写表格的日期、清理时间、清理区域和清理人员等基本信息。
2.在进行粉尘清理过程中,记录清理措施和清理效果等相关信息。
3.如果在清理过程中发现问题,及时记录在发现问题栏目中,并在备注栏目中进行补充说明。
4.清理结束后,对表格进行整理和汇总,包括检查填写的内容是否准确完整,以及清理效果的评估等。
5.根据记录表的内容,进行数据分析和问题解决,及时采取措施改进粉尘清理工作。
4. 注意事项在使用粉尘清理每日记录表时,需要注意以下事项:1.填写内容要准确、完整,避免遗漏重要信息。
2.保持记录表的整洁和美观,可以使用Markdown格式进行排版,使表格清晰易读。
3.定期对填写的记录表进行审核和汇总,及时发现问题并采取措施。
4.根据记录表的数据进行分析和评估,及时改进粉尘清理工作。
5.若有多个清理区域,可以使用多个记录表进行记录,以便更好地管理和分析数据。
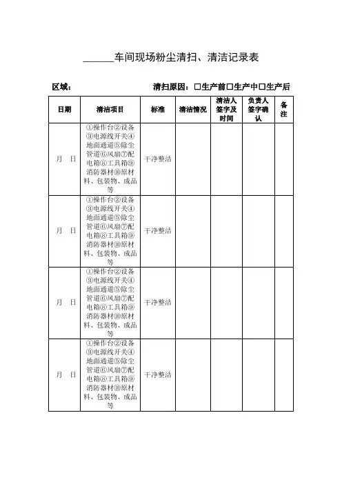
灰尘清洁和清洁记录表区域:清洁原因:生产前,生产中和生产日期后清洁项目负责人签署的标准清洁条件以供确认备注清洁和清洁人员的签名及时操作控制台设备电源线开关地面通道除尘管道风机配电箱工具箱消防器材原料,包装材料,成品等控制台设备电源线开关地面通道除尘风道风机配电箱工具箱消防设备原料,包装材料,成品等控制台设备电源线开关地面通道除尘导管风机配电箱工具箱消防器材原料,包装材料,成品等控制台设备电源线开关地面通道除尘导管风机配电箱工具箱消防器材原料,包装材料,成品等操作盒平台设备电源线开关地面通道除尘管道风机配电箱工具箱消防器材原料,包装材料,操作平台设备电源线开关地面通道除尘管道风机配电箱工具箱消防器材原料,包装材料,成品及其他控制台设备电源线开关地面表面通道除尘风道风机配电箱工具箱消防器材原料,包装,成品等操作平台设备电源线开关地面通道除尘风道风机配电箱工具箱消防器材原料,包装,成品等。
注意:1.清洁在清洁项目上积聚的所有灰尘,以确保周围没有死角,整洁。
2.清洁条件栏应注明是否满足。
注意:请注意缺陷。
表格编号:fr-xz-146版本:A0区域:日期清洁项目标准清洁条件清洁工的签名和时间负责人的签名以供确认备注:月日:①操作控制台②设备③电源线开关④地面通道⑤除尘管道⑥风扇,fan配电箱,工具箱,消防设备,10种原材料包装材料,成品等。
①操作台②设备③电源线开关④地面通道⑤除尘管道⑥风扇⑦配电箱⊿工具箱∷消防设备10原材料,包装材料,成品①操作台②设备③电源线开关④地面通道⑤除尘管道﹣风扇,配电箱,工具箱,消防设备,原材料,包装材料,成品等。
①操作台②设备③电源线路开关④地面通道⑤除尘管道⑥风扇⑦配电箱⊿工具箱∷消防设备10原料,pac装箱材料,成品等。
①操作台②设备③电源线开关④地面通道⑤除尘管道,风扇,配电箱,工具箱,消防设备,原材料包装材料,制成品等①操作台②设备③电源线开关④地面通道⑤除尘管道⑥风扇⑦配电箱⊿工具箱∷消防设备10原料,包装材料,成品等①操作台②设备③电源线开关④地面通道⑤除尘管道﹣风扇,配电箱,工具箱,消防设备,原材料,包装材料,成品等。
车间清扫制度
为保证车间环境干净安全及产品的质量,本车间特制订车间清扫制度“每日小清洁,每周大清洁,清洁靠大家,环境干净又安全”。
具体执行制度如下:
(一)、每日清洁
(1)时间:每日下班前清洁
(2)清洁人员:各组员工
(3)统筹人:各组组长
(4)监督人:喷油部主管
(5)清洁方式:用湿抹布、湿地拖清洁
(6)范围:作业台,作业工具,地面
(二)、每周清洁
(1)时间:每周放假前,如无放假即安排周日下班前
(2)清洁人员:各组员工
(3)统筹人:各组组长
(4)监督人:喷油部主管
(5)清洁方式:用湿抹布、湿地拖清洁
(6)范围:作业台,作业工具,地面,风扇,灯管,窗户,其他设备
喷油部示
2019年9月。
粉尘清扫记录清洁人确认负责人确认备注注:1、对清洁项目上的所有积尘清扫、清洁,确保周围无死角,干净整洁。
2、清扫情况栏写明符合、不符合标准。
备注:注明不足之处。
粉尘清扫和清洁是保持工作环境整洁和安全的重要措施。
以下是一份清洁记录表,记录了清洁项目、标准、是否完成、清洁人确认和负责人确认等信息。
清洁项目包括消防器材、设备、电源线开关、地面通道、原材料、包装物和成品等配电箱。
标准是干净和整洁。
清洁人需要确保对所有积尘进行清扫和清洁,确保周围无死角,保持干净整洁。
在清扫情况栏中,需要写明符合或不符合标准,并在备注中注明不足之处。
通过这份记录表,我们可以及时发现清洁不足之处,及时进行整改,保持工作环境的整洁和安全。
XXXDate:Time:AM: 7:30PM: 5:30Cleaning Items:1.Firefighting XXX2.Equipment3.Power switch4.Floor passageway5.Raw materials。
packaging materials。
finished products。
etc。
6.n boxStandard:CleanNeatCleanNeatXXX:n:XXXXXXRemarks:1.Clean all the accumulated dust on the cleaning items。
ensuring that there are no dead corners and everything is clean and tidy。
2.The cleaning n column should indicate whether it meets or does not meet the standard。
Remarks: indicate deficiencies.Note: XXX.清洁记录表日期:______________ 时间:上午 7:30 / 下午 5:30清洁项目:1.消防器材2.设备3.电源线开关4.地面通道5.原材料、包装物、成品等6.配电箱标准:干净、整洁是否完成:是 / 否岗位:清洁人确认 / 负责人确认备注:1.对清洁项目上的所有积尘清扫、清洁,确保周围无死角,干净整洁。
填写说明
1、封面内容填写:**期生产车间按实际情况填写,例如一期生产车间。
2、内容第一栏:日期按实际情况填写,例如5.25。
3、内容第二栏、第三栏不需要填写。
4、内容第四栏:清扫人按实际情况填写。
5、内容第五栏:清扫时间由清扫人填写,白班清扫在白班后方框内划“√”
6、内容第六栏:清扫情况由负责人填写,是否合格在对应的方框内划“√”
7、内容第七栏:负责人由当班班长或车间主任填写。
8、粉尘日常清扫每班至少一次,当班班长负责检查并纳入交接班管理。
9、粉尘清扫情况纳入日常管理,各车间日常检查时应纳入考核。
10、粉尘日常清扫时应遵循安全生产操作规程,注意相关安全事项。
注:1、对清洁项目上的所有积尘清扫、清洁,确保周围无死角,干净整洁。
2、清扫情况栏写明符合、不符合标准。
备注:注明不足之处。
粉尘清扫、清洁记录表注:1、对清洁项目上的所有积尘清扫、清洁,确保周围无死角,干净整洁。
2、清扫情况栏写明符合、不符合标准。
备注:注明不足之处。
粉尘清扫、清洁记录表注:1、对清洁项目上的所有积尘清扫、清洁,确保周围无死角,干净整洁。
2、清扫情况栏写明符合、不符合标准。
备注:注明不足之处。
粉尘清扫、清洁记录表注:1、对清洁项目上的所有积尘清扫、清洁,确保周围无死角,干净整洁。
注:1、对清洁项目上的所有积尘清扫、清洁,确保周围无死角,干净整洁。
2、清扫情况栏写明符合、不符合标准。
备注:注明不足之处。
粉尘清扫、清洁记录表注:1、对清洁项目上的所有积尘清扫、清洁,确保周围无死角,干净整洁。
2、清扫情况栏写明符合、不符合标准。
备注:注明不足之处。
粉尘清扫、清洁记录表注:1、对清洁项目上的所有积尘清扫、清洁,确保周围无死角,干净整洁。
2、清扫情况栏写明符合、不符合标准。
备注:注明不足之处。
粉尘清扫、清洁记录表注:1、对清洁项目上的所有积尘清扫、清洁,确保周围无死角,干净整洁。
注:1、对清洁项目上的所有积尘清扫、清洁,确保周围无死角,干净整洁。
2、清扫情况栏写明符合、不符合标准。
备注:注明不足之处。
粉尘清扫、清洁记录表注:1、对清洁项目上的所有积尘清扫、清洁,确保周围无死角,干净整洁。
2、清扫情况栏写明符合、不符合标准。
备注:注明不足之处。
粉尘清扫、清洁记录表注:1、对清洁项目上的所有积尘清扫、清洁,确保周围无死角,干净整洁。
2、清扫情况栏写明符合、不符合标准。
备注:注明不足之处。
粉尘清扫、清洁记录表注:1、对清洁项目上的所有积尘清扫、清洁,确保周围无死角,干净整洁。
注:1、对清洁项目上的所有积尘清扫、清洁,确保周围无死角,干净整洁。
2、清扫情况栏写明符合、不符合标准。
备注:注明不足之处。