低压配电箱技术要求
- 格式:doc
- 大小:84.50 KB
- 文档页数:13
低压电缆分支箱通用技术条件一、技术标准下列文件中的条款通过本标准的引用而成为本标准的条款。
凡是注日期的引用文件,其随后所有的修改单(不包括勘误的内容)或修订版均不适用于本标准,然而,鼓励根据本标准达成协议的各方研究是否可使用这些文件的最新版本。
凡是不注日期的引用文件,其最新版本适用于本标准。
GB4208-93 外壳防护等级 (IP代码 )低压成套开关设备和控制设备第一部分:型式试验和部分型式试验成套设备低压开关设备和控制设备低压断路器低压成套开关设备和控制设备第五部分:对户外公共场所的成套设备---动力配电网用电缆分线箱(CDC S)的特殊要求二、使用环境条件1.海拔高度:≤1000m。
2.年最高气温:+40℃(24h平均值不超过35℃)。
3.年最低气温:-25℃。
4.环境湿度:月相对湿度平均值不大于90%,日相对湿度平均值不大于95%。
5.污秽区: C级污秽区,6.地震烈度:度,水平加速度0.15g。
7.风速 : 不超过34m/S。
8.安装地点/倾斜度:户外或户内 / 倾斜度不大于3℃。
9.日照强度:cm2。
10.特殊情况另行议定。
三、技术要求1、设备名称、规格设备名称 :非金属外壳母线封闭型配电箱。
设备规格外壳采用SMC(玻璃纤维增强聚脂)环保绝缘材料。
环网型:主环网进、出线断路器及主母线长期工作电流≥400A,断路器2个馈线断路器1-4个,产品序号按馈线断路器数量。
终端型:进线断路器及主母线长期工作电流(200-400)A,断路器1个馈线断路器3-5个,产品序号按馈线断路器数量。
接地运行方式公网配电范围 TN-C 系统,母线系统采用三相四线制。
2技术参数额定电压: kV。
2.2额定电流:400A。
额定频率:50Hz。
外壳参数2.4.1外壳防护等级:≥IP34D。
2.4.2外壳采用SMC(玻璃纤维增强聚脂)复合绝缘材料热压(不低于200T压力)成型技术制造。
2.4.3 SMC(玻璃纤维增强聚脂)物理性能指标及测试数据满足下列要求――冲击强度≥60KJ/M2――弯曲强度≥150 Mpa――工频介电强度(90o变压器油,连续升压法)≥ MV/m――介电损耗因数tgδ(1MHz)≤――相对介电常数(1MHz)≤――耐电弧≥180 S――耐漏电起痕性600 V――体积电阻率>Ωm――阻燃性FV0――箱体材料热变形温度≥200℃2.4.4壳体模压单机板机械化成型性能满足下列要求:――抗拉强度>59Mpa――巴氏硬度> 30――弯曲强度>78MPa――吸水率<%――弯曲弹性模量5900 MPa3、空气断路器参数和要求 :――额定电压。
低压配电系统技术规范标准1. 引言本文档旨在规范低压配电系统的技术要求,以确保其安全、高效、可靠地运行。
该标准适用于低压配电系统设计、安装、调试和运行等各个阶段。
2. 安装要求2.1 设备安装- 低压配电设备应按照制造商提供的安装要求进行安装,确保设备牢固、可靠。
- 安装位置应满足通风、防水、防尘等要求,以确保设备正常运行并提高工作寿命。
2.2 电线电缆敷设- 电线电缆应按照相关规范进行敷设,避免过度张拉或过度弯曲,以保证电线电缆的安全运行。
- 电线电缆的绝缘层应完好无损,接地良好,防止漏电和触电风险的发生。
2.3 配电箱和配电板- 配电箱和配电板的安装应满足规范要求,保证设备稳定、接地可靠。
- 配电箱和配电板的引线应规范标记,以方便维修和检修工作。
3. 运行要求3.1 设备运行- 低压配电设备的运行应符合设备制造商的要求,不得超过额定负荷。
- 定期对设备进行检修和维护,确保其正常运行和安全。
3.2 电力负荷管理- 根据用电需求合理管理电力负荷,确保低压配电系统的安全运行。
- 监测电力负荷情况,及时调整和优化配电系统的运行方式。
4. 安全要求4.1 防火安全- 低压配电系统设备和线缆应符合防火要求,减少火灾发生的风险。
- 定期对设备和线缆进行防火检查,及时处理潜在的安全隐患。
4.2 电气安全- 低压配电系统应符合相关的电气安全标准,保证用户的电气安全。
- 使用可靠的过载保护装置,及时切断电路,防止电路过载和短路引发的安全事故。
5. 质量控制5.1 设备质量- 低压配电设备应符合国家和行业相关标准,具备良好的质量性能。
- 严格控制设备质量,确保设备的可靠性和持久性。
5.2 安装质量- 安装人员应具备相关的资质和技术,按照规范要求进行安装。
- 定期对安装质量进行检查和评估,发现问题及时整改。
6. 附则本标准的修订和调整应根据技术的发展和实践经验进行,确保其与时俱进和实用性。
以上是《低压配电系统技术规范标准》的主要内容,具体实施细节应按照相关法规和行业标准进行。
低压配电设备一般技术要求模版1. 设备参数要求:- 额定电流:低压配电设备应满足工程实际负荷的额定电流要求,确保设备在正常运行状态下不会超过额定电流。
- 额定电压:低压配电设备的额定电压应适应工程的供电电压,确保设备在额定电压下正常运行稳定。
- 额定频率:低压配电设备的额定频率应与供电电网的频率一致,确保设备与电网之间的配合运行。
- 额定绝缘电压:低压配电设备的额定绝缘电压应满足设备在正常工作环境下的绝缘要求,确保设备的安全性能。
- 额定短路开断电流:低压配电设备的额定短路开断电流应满足设备在故障状态下可正常短路开断的要求,确保设备不会因过载而发生故障。
2. 绝缘要求:- 设备应具备良好的绝缘性能,确保设备在正常运行状态下没有电气漏电现象。
- 设备的绝缘材料应符合相应国家或行业标准,确保绝缘材料的性能稳定可靠。
- 设备的绝缘电阻应满足相应标准要求,确保设备在绝缘测试时电阻值正常。
- 设备绝缘电阻的测量应按照相应标准进行,确保测量结果准确可靠。
3. 抗电弧和防护要求:- 设备的电弧护罩应采用耐高温、阻燃且具有良好耐电弧性能的材料,确保设备在发生电弧时能有效阻挡电弧扩展。
- 设备的触点、开关应具备良好的抗电弧性能,确保设备在开关过程中不会产生电弧现象。
- 设备上的各种接线端子应具备良好的防护性能,防止误接触或短路等情况发生。
- 设备应具备过载保护和短路保护功能,确保设备在过载或短路故障时能及时切断电源,防止设备损坏或发生火灾。
4. 温度和湿度要求:- 设备的工作温度范围应满足工程实际环境的要求,确保设备在高温或低温环境下能正常运行。
- 设备的湿度要求应满足工程实际环境的要求,确保设备在潮湿环境下不会发生电气故障。
5. 安全要求:- 设备应具备良好的接地保护功能,确保设备正常工作时的接地电阻符合标准要求。
- 设备的各种开关按钮和操作元件应符合安全标准,确保操作者在使用设备时不会发生误操作或意外伤害。
- 设备的外壳应具备耐冲击、耐高温、耐腐蚀等性能,确保设备能在恶劣环境下正常使用。
低压配电箱技术要求1. 一般要求1) 须按施工图纸内相关技术参数,选取及配置合适的设备,满意本工程的使用功能。
(图纸中各设备数量为暂定,最终投标时以施工图纸及机电安装的合同为准)2) 须保证所供应设备为原厂生产的全新合格产品。
3) 有关设备,无论在运输、储存及施工安装期间,应实行正确的爱护设施,以确保设备在任何状况下不受破损。
4) 相关设备及配件上须附有原厂标志铭牌、指示、警告标识等,全部标识必需具有中文表示,内容应符合国家有关规定,材料应为耐腐蚀、耐磨的金属材料,且须坚固附着于货物显著位置处。
2. 质量保证1) 制造厂家须具有生产及安装同类型设备的阅历,且所供应的设备必需为常规定型产品,技术成熟,运行牢靠,并具有五年到十年或以上胜利运行的记录。
2) 供货商须在本工程所在地有售后服务中心,保证准时为用户供应完善的技术和售后服务。
3) 设备设计、制造、安装、调试和验收须符合相符的中国或国际认可的规范及标准。
如规范/规程/标准之间存在不同之处,应选择较严格或标准较高者;有更新的标准规范版本,当采纳最新的版本。
当技术要求与图纸消失冲突时,应遵守较高标准要求,最终解释权归业主全部。
3. 资料呈审1) 应供应完整的产品技术说明书及相关技术资料。
2) 厂商应真实有效地供应技术偏离表,附于报价文件中。
3) 如业主认为所供应的技术资料不能满意需要时,业主有权提出补充要求,厂商应按要求免费供应所要补充的技术资料。
4. 质量技术要求:1) 质量监督部门明令淘汰的电工产品及禁止使用的电工产品,均不得安装使用。
2) 所使用的新技术、新材料、新产品、新工艺,必需先经试验和国家规定组织鉴定,有相应的规程和标准。
未经试验鉴定或未达到技术指标要求者,本工程中不得使用。
3) 质量保证:须保证所供应设备为原厂生产的全新合格产品。
设备制造厂商须有十年以上同类型产品的生产及安装阅历,所询价设备必需是已投入市场正常运行使用五年以上的成熟产品。
移变及移变高低压配电箱技术要求一、物资名称及规格型号二、使用范围及环境1.满足煤矿井下防爆要求,有甲烷混合气体和煤尘,具有爆炸性危险的煤矿矿井中。
2.最高气温+40℃,最低气温-5℃;空气相对湿度不超过95%(+25℃)。
三、主要技术参数及要求(一)矿用隔爆型移动变电站1.额定容量:1000KV A,一次额定电压:6000V,二次额定电压:660/1140V,额定频率:50HZ,相数:3相,冷却方式:空气自冷,绝缘等级:H级。
2.变压器箱壳为波纹筒型,箱壳上设有起吊吊环,高压端接线腔下部设有调节分接电压的法兰盒,低压接线腔内有供调节低压y.d接法的连接片。
3.变压器铁芯装配由铁芯、夹件、绝缘件等组成。
铁芯采用优质30Q130或30Q120冷轧硅钢片、多级步进式全斜接缝叠片结构,铁芯绝缘件采用优质H级绝缘材料。
4.高低压线圈采用整体合绕工艺,提高机械强度,高低压线圈采用C级绝缘的纸包无氧铜导线。
5.高压引线采用电缆引出,低压引线采用电缆或铜母线引出,爬电距离级空气间隙达到GB3836.3-2000中相关规定。
6.小车用螺栓固定于箱体底部,可拆卸,小车轨距600mm。
7.隔爆面要采用可靠的磷化处理,配带的螺栓全部为高强度型。
8.变压器身上装有温度监视元件,便于进行温度监视。
9.变压器的空载损耗和负载损耗必须符合国家最低损耗标准。
10.变压器外观防腐光滑、美观,颜色要求为蓝色,外形尺寸长不大于3.5m,宽不大于1.3m,高不大于1.8m(含小车)。
11.移变高压侧配电箱:额定电压6000V,额定电流200A,配永磁式真空断路器、微机液晶显示综合保护器,在外壳正面设有操作按钮、指示灯等,具有故障闭锁和故障记忆能。
隔爆面要采用可靠的磷化处理,配带的螺栓全部为高强度型。
具有可靠的机械闭锁功能。
具有过欠压、短路、过载、温度、风电瓦斯电闭锁等保护,可实现遥远、遥信、遥控、遥调功能,提供通讯接口。
12.移变低压侧配电箱:额定电压660/1140V,额定电流1250A,配微机液晶显示综合保护器,具有故障闭锁和故障记忆能,在外壳正面设有操作按钮、指示灯等。
低压配电柜技术要求范文一、引言低压配电柜作为现代电力系统的重要组成部分,具有将电能安全可靠地分配到各用电设备的功能,对于保障电力供应的稳定和可持续运行具有重要意义。
本文将从低压配电柜的技术要求出发,对其进行详细的介绍和分析。
二、低压配电柜的分类低压配电柜根据其功能和应用范围的不同,可分为配电配电箱、电动机控制柜、综合控制柜、自动化控制柜等。
不同类型的低压配电柜在技术要求上也会有所不同,本文以综合控制柜为例进行探讨。
三、低压配电柜的外观与结构要求1. 外观要求:低压配电柜外观应美观大方,颜色统一,不得有锈蚀、划痕等瑕疵。
标志、标牌应清晰可辩;2. 结构要求:低压配电柜结构应合理紧凑,安装固定可靠。
柜体材料应具有一定的机械强度和防腐蚀性能,并符合相关的安全标准。
四、低压配电柜的电气特性要求1. 运行电压:低压配电柜的运行电压通常为380V,符合工业用电标准;2. 额定电流:低压配电柜的额定电流应根据实际需要确定,以满足用电设备的正常工作要求;3. 高短时稳定电流:低压配电柜应具备一定的高短时稳定电流能力,以应对突发电流过大的情况;4. 分断能力:低压配电柜应具有足够的分断能力,保证在故障发生时能够快速切断电源,并防止故障扩大。
五、低压配电柜的防护等级要求根据低压配电柜的应用环境和防护需求不同,其防护等级一般为IP20-IP65。
具体要求如下:1. 防护等级:低压配电柜应符合相关标准的防护等级要求,保证其在污染、腐蚀、潮湿等恶劣环境下的正常工作;2. 防护结构:低压配电柜应具有符合防护等级的密封结构,尽量防止外界灰尘、水分等物质对设备的侵蚀;3. 防护门锁:低压配电柜应配备符合防护等级要求的防护门锁,确保柜体密封性良好。
六、低压配电柜的绝缘与接地要求1. 绝缘材料:低压配电柜应选用符合绝缘要求的材料,确保设备的绝缘性能良好;2. 绝缘强度:低压配电柜应具备足够的绝缘强度,以防止电弧击穿和绝缘故障;3. 接地电阻:低压配电柜应通过合适的接地方式,保证接地电阻符合相关标准要求,以提高设备的安全性。
低压配电柜技术要求模版1. 引言- 低压配电柜作为电力系统中重要的组成部分,承担着电力传输和分配的重要任务。
在实际工程中,为了确保低压配电柜的安全可靠运行,有必要明确技术要求并加以实施。
2. 设备选型要求- 选用符合国家标准和规范的低压配电柜设备,确保设备性能符合项目需求。
- 设备应具备良好的耐磨损和耐腐蚀性能,以提高设备的寿命。
- 设备应具备较高的抗干扰能力,以避免外界因素对设备的影响。
3. 设备布置要求- 设备布置应符合相关安全规范,包括通风、照明和防火要求。
- 设备布置应合理,便于操作和维护。
- 设备之间的间距应符合规范要求,以确保设备之间的安全和隔离。
4. 电缆布线要求- 电缆布线应符合相关标准和规范要求,包括导线材质、截面和绝缘等级。
- 电缆应按照标准的额定电流进行选择和布线,以确保电缆的传输能力和安全性。
- 电缆布线应避免电缆的交叉和相互干扰,以提高电力系统的可靠性。
5. 安全保护要求- 低压配电柜应配置过压、欠压、过载和短路保护装置,以保护电气设备和人员的安全。
- 低压配电柜应设置熔断器和断路器,确保电流过载时能及时切断电路。
- 低压配电柜应采用可靠的接地装置,以消除接地故障和减小电气设备对人体的影响。
6. 温度和湿度要求- 低压配电柜应安装在干燥、通风良好的环境中,以保证设备的正常运行。
- 低压配电柜应避免直接受阳光照射和雨水浸泡,以防止设备受潮和损坏。
- 低压配电柜应设置温度和湿度传感器,及时监测环境参数并采取措施进行调节。
7. 操作与维护要求- 操作人员应按照相关规范要求接受专业培训,并具有相应的操作证书。
- 低压配电柜应配备齐全的操作和维护手册,以便操作人员参考。
- 定期对低压配电柜进行检查和维护,以确保设备的正常运行和安全使用。
8. 总结- 低压配电柜技术要求的明确和实施对于确保电力系统的安全和可靠运行至关重要。
合理选型、合规布线和安全保护是建立在良好的技术要求之上的基本保障。
高低压配电柜、配电箱的安全技术要求1.配电箱、开关箱的箱体材料,一般选用钢板,亦可选用绝缘板,但不宜选用木质材料。
2.电箱、开关箱应安装端正、牢固、不得倒置、歪斜。
固定式配电箱、开关箱的下底与地面垂直具体应大于1.3m、小于或者等于1.5m;移动式分配电箱、开关箱的下底与地面垂直的距离应大于等于0.6m、小于等于1.5m 。
3.进入高压配电柜的电源线,严禁用插销连接。
4.电箱之间的距离不宜太远。
分配电箱与开关箱的距离不超过30m。
开关箱与固定式用电设备的水平距离不宜超过3m.5.每台用电设备应有各自的专用的开关箱。
施工现场每台用电设备应有各自专用的开关箱,且必须满足“一机一闸一漏”要求,严禁用同一个开关电器直接控制两台及两台以上用电设备(包含插座)。
开关箱中必须设漏电保护器,其额定漏电动作电流应不大于30ma,漏电动作时间应不大于0.1s。
6.为了确保安全,所有配电箱门应配锁,不得在配电箱和开关箱内挂接或插接其他临时用电设备,开关箱内严禁放置杂物。
7.配电箱(柜)的外涂层颜色应根据甲方的要求进行静电喷塑,涂层应附着牢固,颜色均匀,无皱纹、剥落、斑点、漏喷等不良现象,在距离1米处观察无明显色差和反光,表面平整、干净,无凹坑、划痕等损伤现象。
箱(柜)中使用的其他镀锌层的零部件,也应保证无剥落、斑点、镀漏、生锈等不良现象,外表的质量都要达到上同等要求。
箱(柜)内不得有杂物灰尘等。
8.配电箱(柜)的机械要求。
配电箱箱体选用的钢板厚度不小于1.5mm,配电柜柜体厚度不小于2.0mm厚度的冷轧钢板制成,钢板箱门、钢板盘面厚度不小于2.0mm。
背板的厚度不小于3.0mm。
导轨必须结实,配电柜的结构应完整坚固。
同时在非落地式配电箱背面的左下角和右上角焊出两个承接耳,承接耳采用40*4的扁钢,扁钢长度为10cm。
箱(柜)内部电气元件的接法与装配位置合理、进出线预留空洞数量、大小、形状及箱(柜)的安装方式等必须符合国家标准、图集、设计图纸具体参数的要求。
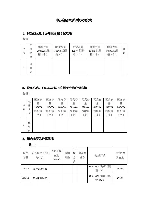
低压配电箱技术要求1、100kVA及以下公用变台综合配电箱数量:2、设备名称:100kVA及以上公用变台综合配电箱数量:3、箱内主要元件配置表表一:表二:1.1功能与结构要求配电箱的箱体采用喷塑或镀锌角钢骨架,外敷不锈钢板,箱体表面无眩目反光,结构设计应使配电箱体能够防雨、防尘、防盗、防漏电、防雷击、防电磁干扰、隔热、通风散热、防潮,有足够的强度确保运输和安装过程中不会变形。
变台综合配电箱按照不同变压器容量安装配电监测及无功补偿一体式控制器(100kVA及以上变台安装)、测量电流互感器、计量电流互感器、HR系列隔离刀闸,高分断自动重合闸漏电综合保护出线开关、复合型固态继电器、进出线端子等电器元件,具体见配置表。
1.1.1箱体内部分隔成计量室、隔离刀闸室、馈电开关室、无功补偿室。
电能表和计量互感器在同一室,必须与其他室用封板分隔,箱门应能加铅封和锁封,无功补偿室与其它室采用不小于2mm镀锌钢板分隔。
1.1.2配电箱进线方式采用箱体侧面进线,设置专用不锈钢防水弯头,弯头与箱体间配置防水胶垫,并方便电缆接线。
出线采用箱体侧面出线和下面出线两种形式,进出线口均采用不小于2mm环氧树脂板封堵。
1.1.3箱体门及顶盖应采用现代先进的发泡隔热阻燃工艺制造。
1.1.4箱体内导体的颜色和排列箱体内导体的颜色和排列顺序应符合GB2681和GB7251.1中的相关规定,如果汇流母线经过镀锡处理或加装绝缘防护措施,在明显可见处应作出用以分别相序用的标识。
当相序的排列不能满足标准的要求时,在声明的情况下,可作出特殊处理。
表2 箱体内导体颜色及排列顺序表1.1.5箱内元件的布置及间距应符合有关规程的规定,应保证调试、操作、维护、检修和安全运行的要求。
盘架应牢固,母线、元件应有牢固支撑,应满足装置运行过程当中有可能发生的短路情况所产生的热和电的应力的要求。
1.1.6无论是否安装无功补偿装置,箱体内部结构、支架、挡板等均相同,不安装在线监测及无功控制装置的配电箱内部面板只预留位置,不开孔。
低压配电箱技术要求一、说明1、基本原则1.1 本章说明有关各类型动力箱、照明箱、控制箱的供应、安装及调试所需的各项技术要求,所述技术规格及要求是招标人提供的最低限度的技术要求,并未对一切技术细节做出规定,也未充分引述有关标准和规范的条文,投标人应保证提供符合本技术规格及要求和有关工业标准的优质产品。
招标方不保证提出的全部技术参数合理完整,投标方有责任根据工程(设备)功能及设计图纸提供符合生产工艺技术并且是技术价格性能比最好的产品。
1.2 本技术规格及要求所使用的标准和规范如与投标人所执行的标准发生矛盾时,按较高标准执行。
1.3 招标人保留对本技术规格及要求补充和修改的权利,投标人应承诺予以配合,如提出修改,具体事项由中标人与招标人另行商定。
1.4 投标人所提供的货物,如若发生侵犯知识产权的行为时,其侵权责任与招标人无关,应由投标人承担相应的责任,并不得损害招标人的利益。
1.5投标人应根据货物清单内的技术资料、数量及类别提供所需的动力箱、照明箱、控制箱。
而货物清单内所标注的动力箱、照明箱、控制箱数量只为初步设计概算仅作招标参考,确实所需的动力箱、照明箱、控制箱参数及数量须由供货单位根据招标图纸重新复核计算确定。
并在设备生产前将计算书呈交招标人工程师审核。
1.6 投标人应承诺中标以后,在供货前投标人应安排厂家技术人员根据本投标项目实际情况,对所提供的产品进行图纸深化设计,包括设备基础图,设备大样图交予业主方审核。
设备大样图必须经业主审核确认后方可生产。
投标人应承诺中标以后,按项目施工进度计划及现场实际进度分批供货,每批次供货设备数量及相应参数必须按经业主审核并确认的采购单进行生产,并保证每批次设备的供货周期,与投标人承诺的设备供货周期相同。
1.7 卖方需负责提供为使设备达到安全可靠的运行,所有必需的配件及辅助设施,如:柜间连接线、连接件、专用接口、专用工具、专用试验设备和机械联锁等,并应保证设备在各方面均能达到正常运行的要求。
一、交底目的为确保低压配电箱的安全稳定运行,预防电气事故的发生,提高操作人员的安全意识和操作技能,特进行低压配电箱安全技术交底。
二、交底内容1. 低压配电箱概述低压配电箱是电力系统中最低一级控制和保护设施,主要用于分配、控制、保护电能。
它将电能从高压配电系统分配到各个用电设备,确保电力供应的稳定性和安全性。
2. 低压配电箱的安全要求(1)电气元件选用:所选用电器元件的工作电压、电流、频率、等级必须符合其工作要求,安装布线要整齐,连接要可靠。
(2)保护电器设置:配电箱内的每路分支线或保护需要选择性的地方,一般均应设保护电器。
当选用熔断器或自动开关作保护电器时,熔断器的熔体额定电流或自动开关过电流脱扣的速定电流,应尽量接近但不小于被保护线路的负荷计算电流。
(3)短路保护:选用熔断器保护配电线路时,熔断应装设在不接地(零)各相各极上。
熔断器作短路保护时,熔体或导体的截面选择应符合规定。
(4)自动开关保护:当选用自动开关保护配电线路时,其过流脱扣器应装设在不接地的各相各极上。
自动开关作短路保护时,整定电流应符合规定。
3. 低压配电箱的安装要求(1)安装位置:低压配电箱应安装在干燥、通风、无腐蚀性气体、无易燃易爆物质的场所。
(2)安装高度:低压配电箱的安装高度应符合《电气装置安装工程施工及验收规范》的要求。
(3)接地要求:低压配电箱应可靠接地,接地电阻应符合规定。
4. 低压配电箱的维护与检修(1)定期检查:定期检查低压配电箱的电气元件、线路、接地等情况,发现问题及时处理。
(2)更换元件:发现损坏的电气元件应及时更换,确保配电箱的正常运行。
(3)清洁保养:定期清洁配电箱,保持内部清洁,防止灰尘、油污等影响设备正常运行。
三、交底要求1. 操作人员应熟悉本交底内容,确保掌握低压配电箱的安全操作技能。
2. 操作人员应严格遵守安全操作规程,确保人身和设备安全。
3. 操作人员应定期参加安全培训,提高安全意识和操作技能。
XXX工程低压配电箱生产供货工程技术要求一、施工范围本技术要求适用于xxx项目xx住宅楼(xx商业及配套用房等)低压配电箱工程。
包含项目内除(换热站出线柜、排污泵控制箱、消防水泵控制柜、智能应急照明箱)外所有的低压配电箱的生产供货。
二、供货要求1、根据甲方现场施工进度提前1个月备货生产,每批次配电箱进场前15天甲方会书面下单要求按既定节点送货至施工现场2、每批次进场配电箱数量、型号、楼号严格按照甲方材料计划单配送,对于不符合材料计划单的箱体,现场不予接受,厂商自行处置。
三、主要技术参数要求与工艺要求1、乙方所供产品的质量、安全、性能等必须符合国家及行业标准规范,当对同一问题技术要求与规范或验收标准不一致时,因已相关规范、法规中要求严格者为准;各项设备、材料和工艺均须符合图纸设计,符合供电部门的审图意见和验收标准;甲方对产品的进场验收、签收,并不代表甲方对产品可能存在的隐蔽性瑕疵的知晓,不免除乙方对产品的质量责任。
2、所有的电气元件及技术参数必须符合设计要求,如需更改必须按接到建设单位下发工程变更及相关图纸指令后方可生产。
进场时需经建设单位、监理、施工单位及厂方代表现场确认并共同签字认可,否则由此产生的损失由责任方单位负责,图纸上标注的厂家型号主要用来代表技术参数,各元器件的额定电压、整定电流、使用寿命、接通和分断能力(不得低于系统图所标注)等参数应满足设计选型产品之性能与参数要求,同时满足本工程的要求。
3、所有箱体采用全金属箱体,箱体面板采用乳白色烤漆质面,所有箱体设置二层门且按图纸粘贴回路标识,电表箱箱内配线按照供电局“五统一”标准要求做好标识处理,箱门设置磁力暗锁,投标方按建设单位提出的要求进行样品生产,经建设单位进行确认同意后,方可组装生产,其他样式的一概不予采用4、中标单位及时到场根据现场实际因素确定各种配电箱、柜尺寸,发文至建设单位,组织相关单位进行确认。
如因不按照此项程序生产加工,造成设备进场后无法摆放,箱门无法正常开启,电缆无法接入和接线困难等,设备全部退场重新加工,所发生的费用及损失的工期自行承担。
低压配电箱的选用方法及安全要求低压配电箱是建筑物或工业设施中用于分配电能的关键设备之一。
它的选用和安全要求对于建筑物或工业设施的正常运行和电气安全至关重要。
在选用低压配电箱时,需要考虑以下几个方面:1. 配电负载:首先要确定需要供电的负载,包括用电设备的种类、数量和功率。
这样可以确定所需的配电箱额定电流,并选择合适的型号和尺寸。
2. 系统电压:要确定所需供电的系统电压,一般为220V、380V 或400V。
根据系统电压选择合适的低压配电箱。
3. 材料和防护等级:配电箱的外壳材料应选用耐火、防腐蚀、耐高温的材料,如钢板或不燃材料。
此外,根据使用环境和防护要求选择合适的防护等级,如IP20、IP30等。
4. 独立电源:低压配电箱一般需要独立电源供电。
在选用时要考虑到供电线路的安全性和可靠性,以保证低压配电箱的正常运行。
5. 过载和短路保护:为了防止过载和短路导致的电气设备损坏和事故发生,低压配电箱应配备过载和短路保护装置,如熔断器、断路器等。
这些保护装置应具备及时响应和可靠切断电流的功能。
6. 温度控制:低压配电箱内部的温度是影响其正常运行和寿命的关键因素之一。
因此,要选择具有良好散热性能的低压配电箱,并配备温度传感器和通风设施,以控制温度在安全范围内。
7. 接地保护:低压配电箱需要正确接地,以保护人身安全和防止电气设备损坏。
在选用低压配电箱时,要确认其接地装置的可靠性,并采取适当的接地措施。
8. 技术规范:在选用低压配电箱时要遵循相关的技术规范和标准,如国家标准、行业标准和建筑电气设计规范等。
这些规范和标准对于低压配电箱的选用和安装提供了具体的要求和指导。
低压配电箱作为建筑物或工业设施中的关键设备,其安全要求至关重要。
以下是低压配电箱的安全要求:1. 绝缘电阻:低压配电箱的绝缘电阻应符合相关的规范和标准要求。
在安装和使用时,要定期检测绝缘电阻,确保正常运行。
2. 火灾防护:低压配电箱应采用阻燃材料,具备一定的防火阻隔能力。
低压配电柜技术要求范文低压配电柜是供电系统中的重要组成部分,其负责接受和分配电能,并保障电力系统的安全稳定运行。
为了确保低压配电柜的正常运行,有一系列的技术要求需要满足。
以下是对低压配电柜技术要求的详细介绍。
1. 设备选型要求低压配电柜的设备选型要求应符合国家相关标准和规范。
选用的设备应具有合理的结构设计,保证柜体的可靠性和可操作性,并具备良好的隔离和防护性能。
在选型时,应根据具体使用环境和负载特点,选择合适的断路器、断路器负荷开关、接触器、继电器等电器元件,以保证设备在不同工作条件下的可靠性和安全性。
2. 绝缘性能要求低压配电柜的各种部件和分段应具有足够的绝缘性能,以防止电气故障和意外触电。
绝缘材料应符合国家与行业标准,并具备优异的耐压、耐温和耐湿性能。
各种导线、电缆、接线端子等电气连接部件应采用合适的绝缘套管和绝缘盖板进行深度保护,确保电气设备和人员的安全。
3. 过载和短路保护要求低压配电柜在过载和短路情况下应能迅速切断电源,以保护设备和电气线路不受损害。
为实现过载和短路保护,应在低压配电柜中设置合适的保护装置,如熔断器、断路器负荷开关等。
这些保护装置应具备灵敏可靠的动作特性,能够在短时间内切断电源,以防止过电流引起的设备损坏和火灾事故。
4. 火灾防护要求低压配电柜中的电气设备应采取有效的火灾防护措施,以减少火灾事故的发生,并保证消防救援的顺利进行。
配电柜的外壳和隔断板应具备耐火性能,能够抵御火焰和高温的侵蚀。
同时,配电柜内的电器元件应采用阻燃材料,以降低火灾的蔓延速度。
此外,还应设置合适的自动灭火装置和火灾报警装置,及时发现和扑灭火灾,保护人员和设备的安全。
5. 接地与绝缘要求低压配电柜应具备良好的接地和绝缘性能,以确保电气设备和人员的安全。
配电柜的接地系统应符合国家相关标准,接地电阻应小于规定值,接地引线应采用合适材质和截面积,且连接牢固可靠。
同时,配电柜的绝缘电阻应满足规定要求,电气设备的绝缘电阻应达到国家和行业标准,以防止绝缘故障和意外触电。
XXXX公司集中规模招标采购XXXX公司总部配网标准化物资固化技术规范书低压综合配电箱,AC380V,400kVA,四路无补偿,进线熔断器式隔离开关,出线塑壳断路器,带剩余电流保护,电子式,带通信功能(9906-500132919-00009)招标文件2023年12月目录第1部分:通用技术规范 (1)1 范围 (1)2 规范性引用文件 (1)3 术语和定义 (1)4 总则 (2)5 技术参数和性能要求 (5)6 试验 (10)7 技术服务、工厂检验 (12)第2部分:专用技术规范................................... 错误!未定义书签。
1 标准技术参数.......................................... 错误!未定义书签。
2 组件材料配置表........................................ 错误!未定义书签。
3 使用环境条件表........................................ 错误!未定义书签。
4 附图.................................................. 错误!未定义书签。
第1部分:通用技术规范1 范围本部分规定了综合配电箱招标的总则、技术参数和性能要求、试验、包装、运输、交货及工厂检验和监造的一般要求。
本部分适用于综合配电箱招标。
2 规范性引用文件下列文件对于本文件的应用是必不可少的。
凡是注日期的引用文件,仅注日期的版本适用于本文件。
凡是不注日期的引用文件,其最新版本(包括所有的修改单)适用于本文件。
GB 4208外壳防护等级(IP代码)GB/T 5585电工用铜、铝及其合金母线GB/Z 6829剩余电流动作保护电器的一般要求GB 7251.1低压成套开关设备和控制设备第1部分:总则GB/T10233低压成套开关设备和电控设备基本试验方法GB13955剩余电流动作保护装置安装和运行GB14048.2低压开关设备和控制设备第2部分:断路器GB/T15576低压成套无功功率补偿装置GB/T 16935.1低压系统内设备的绝缘配合第1部分:原理、要求和试验GB/T17626.2电磁兼容试验和测量技术静电放电抗扰度试验GB/T17626.3电磁兼容试验和测量技术射频电磁场辐射抗扰度试验GB/T17626.4电磁兼容试验和测量技术电快速瞬变脉冲群抗扰度试验GB/T17626.5电磁兼容试验和测量技术浪涌(冲击)抗扰度试验GB 50171 电气装置安装式和盘、柜及二次回路接线施工及验收规范DL/T375户外配电箱通用技术条件DL/T499农村低压电力技术规程DL/T614多功能电能表Q/GDW11196剩余电流动作保护器选型技术原则和检测技术规范3 术语和定义下列术语和定义适用于本文件。
低压配电柜、配电箱技术标准1通用技术要求1.1所有高低压开关柜、配电箱(柜)必须有型式试验报告和国家质量认证中心出具的CCC、CQC证书。
1.2所有高低压开关柜、配电箱(柜)必须在项目所在地供电公司备案(若实行备案制度),并满足所在地电力系统的运行要求。
1.3所有高低压开关柜、配电箱(柜)必须严格按照国家标准、行业标准、设计图纸制造,并满足项目所在地供电公司的验收标准。
1.4高低压开关柜、配电箱(柜)内采用的元器件须满足或高于设计图纸的技术参数要求,所有元器件须有CCC、CQC认证或试验报告。
1.5 高低压开关柜、配电箱(柜)内的元器件须在指定的品牌库中选择,所有元器件须是全新的正品。
元器件参数要求专项技术要求如与制定品牌不一致的,以指定品牌及图纸设计优先考虑。
1.6 高低压开关柜、配电箱(柜)内的柜体(箱体)应按照国家标准或者行业标准制作,柜体的外形尺寸,机械强度,材质,料厚等须满足标准要求。
材料须选用国内大型钢厂的板材或者进口板材,并提供材质证明文件。
1.7高低压开关柜、配电箱(柜)内的壳体表面应采用静电喷涂处理,敷铝锌板、镀锌板等除外。
静电喷涂前,材料须经过严格的脱脂、除锈、磷化、钝化处理,保证表面的防锈防腐能力。
涂料颜色建议为灰白色,特殊情况与施工现场沟通后确定。
1.8高低压开关柜、配电箱(柜)内的所有母线应选用T2铜排(纯度99.9%以上),母线应外加热缩套管标明相序。
母线规格、加工及安装工艺应符合国家标准、行业标准及项目所在地供电公司的要求。
所有铜母线应制作完成试装无误后再进行镀锡处理,并确保所有外表面(含剪切面、冲孔面等)要均匀镀锡,确保母线的防氧化性能。
1.9 高低压开关柜、配电箱(柜)内的所有电线、电缆应采用国内大厂生产的国标产品,严禁采用非标的电线、电缆。
1.10设备制造商应有完善的质量检测手段和质量保证体系,所有高低压开关柜、配电箱(柜)必须严格按照质量保证体系要求,做好关键原材料检验、过程检验、例行检验工作,整理汇总各环节的质检记录文件,做为产品出厂合格证明文件的一部分。
低压配电箱技术要求低压配电箱是指额定电压不超过1000V,额定电流不超过6300A的配电箱。
作为电气系统中的关键设备,低压配电箱的技术要求十分重要,其性能和质量直接影响到电力系统的运行安全和稳定性。
下面将从外观要求、材料要求、技术参数要求和安全保护要求等方面对低压配电箱的技术要求进行详细介绍。
1.外观要求低压配电箱的外观应整洁美观,箱体表面应无明显凹陷、划痕和瑕疵,油漆应平整、有光泽,无皮条、泡疤和气泡等缺陷。
箱体采用钣金加工制成,连接处应紧密、牢固,门铰链、扣手、箱体铺地等附件应符合设计要求,门锁应触达可靠。
2.材料要求(1)金属材料应采用钢板、钢板、角铁等,具有良好的机械强度和良好的抗腐蚀能力。
(2)玻璃和塑料材料应耐高温、耐压和耐磨损。
(3)绝缘材料应符合国家相关标准,具有优良的绝缘性能和耐热性能。
(4)导电元件应采用优质铜材,具有良好的导电性能和耐腐蚀性能。
3.技术参数要求(1)额定电压应符合设计要求,常见的额定电压为380V、690V等。
(2)额定电流应符合实际负载的要求,常见的额定电流为100A、200A、400A等。
(3)短路承受能力应能满足电气系统的运行要求,常见的短路承受能力为20kA、30kA等。
4.安全保护要求(1)漏电保护:低压配电箱应配备漏电保护器,以防止漏电事故的发生。
(2)过电压保护:低压配电箱应配置过电压保护装置,以保护电气设备不受过电压的损害。
(3)过载保护:低压配电箱应配置过载保护装置,以防止电气设备因过载而受损。
综上所述,低压配电箱的技术要求涵盖了外观要求、材料要求、技术参数要求和安全保护要求等方面,其要求的达标与否直接关系到电力系统的运行安全性和稳定性。
因此,在选购和使用低压配电箱时,应严格按照相应的技术要求进行选型和安装,以确保电力系统的正常运行和安全可靠。
技术要求-低压配电箱1.一般要求1)须按施工图纸内相关技术参数,选取及配置合适的设备,满足本工程的使用功能。
(图纸中各设备数量为暂定,最终投标时以施工图纸及机电安装的合同为准)2)须保证所提供设备为原厂生产的全新合格产品。
3)有关设备,无论在运送、储存及施工安装期间,应采取正确的保护设施,以确保设备在任何情况下不受破损。
4)相关设备及配件上须附有原厂标志铭牌、指示、警告标识等,所有标识必须具有中文表示,内容应符合国家有关规定,材料应为耐腐蚀、耐磨的金属材料,且须牢固附着于货物显著位置处。
2.质量保证1)制造厂家须具有生产及安装同类型设备的经验,且所提供的设备必须为常规定型产品,技术成熟,运行可靠,并具有五年到十年或以上成功运行的记录。
2)供货商须在本工程所在地有售后服务中心,保证及时为用户提供完善的技术和售后服务。
3)设备设计、制造、安装、调试和验收须符合相符的中国或国际认可的规范及标准。
如规范/规程/标准之间存在不同之处,应选择较严格或标准较高者;有更新的标准规范版本,当采用最新的版本。
当技术要求与图纸出现矛盾时,应遵守较高标准要求,最终解释权归业主所有。
3.资料呈审1)应提供完整的产品技术说明书及相关技术资料。
2)厂商应真实有效地提供技术偏离表,附于报价文件中。
3)如业主认为所提供的技术资料不能满足需要时,业主有权提出补充要求,厂商应按要求免费提供所要补充的技术资料。
4.质量技术要求:1)质量监督部门明令淘汰的电工产品及禁止使用的电工产品,均不得安装使用。
2)所使用的新技术、新材料、新产品、新工艺,必须先经试验和国家规定组织鉴定,有相应的规程和标准。
未经试验鉴定或未达到技术指标要求者,本工程中不得使用。
3)质量保证:须保证所提供设备为原厂生产的全新合格产品。
设备制造厂商须有十年以上同类型产品的生产及安装经验,所询价设备必须是已投入市场正常运行使用五年以上的成熟产品。
4)导线剥削处不应损伤芯线和芯线过长,导线接头应牢固可靠,多股导线应挂锡后再压接,不得减少导线股数。
5)所有母线均选用镀锡铜母线(铜含量≥99.9%)冷弯成型,并采用热缩绝缘材料进行绝缘处理。
母线搭接处必须搪锡,搪锡前应将其表面进行处理,涮锡后表面应平整无杂物。
母线应涂敷黑漆,漆膜应完整、无杂物,母线涂敷黑漆起止位置应一致、整齐,并有相序色标,且不宜退色。
断路器及接触器的进线必须贴色标,当进线为塑料铜线时,应该有明显的相序标识,箱内配线必须符合国家规范要求。
6)配电箱(柜)的金属部分,包括电器的安装板和电器的金属外壳等均有良好的接地。
配电箱的盖、门、覆板等处装有电器并可开启时应用裸铜软线与接地螺丝连接。
7)配电箱内电气断路器下方宜设标志牌,标明出线断路器所控支路的名称或编号,并注明电器的规格。
箱内电器元件的上方标志该元件的文字符号,各电器的导线端头也应标志相应的文字符号。
所有的文字符号应与提供的线路图、系统图上的文字符号一致。
线号管、各种标识必须使用专用打印机进行打印或印刷,不得手写标注。
8)所使用的图形和符号应符合相应的国家标准。
箱、柜内元件质量、认证标志准确,安装固定可靠、接线正确、牢固,外接端子质量、外接导线预留空间、箱柜内配线规格与颜色、电气间隙及爬电距离符合规范要求。
9)箱体颜色应按合同和业主提供的色标生产,钢板表面采用静电喷涂,油漆箱体内部油漆应均匀、完整。
外表面油漆应均匀、光滑、无明显划痕,无起泡、滴流等现象。
固定电气的支架均应刷漆,安装在同一室内且经常监视的盘面颜色应和谐一致。
交货时应配备与箱体同一批号颜色的油漆,按每个箱100CC计。
10)配电箱内的电源指示灯应接在总断路器前侧,并应装单独熔断器。
指示灯应采用图纸给定规格的指示灯。
指示灯及按钮的颜色应根据其用途按GB2682-81“电工成套装置中指示灯和按钮的颜色”的规定执行。
11)箱体加工应平整、无手工敲打痕迹。
所有金属加工件不应有毛刺,尺寸要准确,装配公差要符合要求。
所有镀锌件应做到镀层均匀、平整。
使用螺丝要妥当(如使用平机螺丝处就不能使用其他螺丝)露出柜面的螺丝应使用镀锌件,所有的螺丝必须加设平垫、弹簧垫。
箱内不应有散绕的导线头等杂物。
12)安装在水泵房、屋面等潮湿和露天场的配电箱、柜均达到IP65以上。
13)动力、照明配电箱应根据使用要求和进线方式,用电负荷的大小,回路等以及设计要求,选用符合两部认证符合标准的配电箱。
配电柜用钢板厚度≥2.0MM,螺栓等连接件采用高强度不锈钢镀铬处理、以保证安装精度、美观及防腐。
配电箱箱体的上部、下部采用活板,待配管时由现场进行开孔。
照明配电箱门(盖)应可拆装的,箱体上应有不小于M10的专用接地螺栓,位置应设在明显处,配件应齐全。
14)柜下部接线端子距地高度不得大于350㎜,避免电缆导线连接用的有效空间过小,装有超安全电压的电气设备柜门、盖、覆板必须与保护电路可靠连接;柜内保护导体颜色符合规定;支撑固定导体的绝缘子(瓷瓶)外表面不得有裂纹或缺损;配电箱上装有计量仪表、互感器及继电器时其二次配线应使用铜芯绝缘软线,其截面应不小于:电流回路2.5㎜2,电压回路1.5㎜2导线。
接在活动门处的二次线必须采用铜芯多股软线,并在活动轴两侧留出余量后卡固。
15)电气安装板后的配线须排列整齐,用尼龙绑带绑扎成束或敷于专用线槽内,并卡固在板后或柜内安装架处。
配线应留有适当余度。
16)配电箱内与电器元件连接的导线如为多芯铜软线时须盘圈后压接铜线鼻子。
如为多芯铜线时须采用套管线鼻压接。
与电度表连接的导线须用单股铜芯导线。
17)导线穿过铁制安装板面时须在铁板处加装橡皮或塑料护圈,以保护导线绝缘外皮完好。
18)在配电箱内应设有N、PE母线排,N、PE线经端子排配出。
N、PE线端子采用方铜端子。
配电箱内端子板排列位置应与熔断器,断路器位置相对应。
配电箱内的电源母线应有彩色分相标志。
19)双路电源自投,互投箱其接线必须严格核对相位、相序。
成品出厂前,必须作联动试验,合格后方可出厂。
供货时必须提供相关试验及检测报告。
20)柜箱冲压外形尺寸不得偏差过大,外饰面无损伤;并有相应保护措施。
柜箱内接线要求规范牢固可靠;柜箱内或门上安装的仪表牢固,间距均匀;柜门内回路系统图完整齐全。
21)所有的配电箱,应能满足所规定的验收规范要求。
配电箱全部电器安装完毕后,用500V兆欧表对线路进行绝缘摇测。
并做好记录,做技术资料存档。
22)箱内应贴有本箱系统图、设备编号、铭牌内容齐全。
23)空调机、新风机、排风机、送风机等采用DDC及手动控制。
接线端子采用菲尼克斯品牌。
24)配电盘(柜)全部电器安装完毕后,用500V兆欧表对线路进行绝缘摇测。
并做好记录,做技术资料存档。
25)安装于同一区域内的箱、柜应尽量保持同一规格和形式。
26)箱、柜的选择原则:本工程所选用的所有箱、柜应不低于图纸中所选箱、柜形式。
27)图纸中带智能控制I-BUS系统不在询价范围内,但需在配电箱内预留足够的空间位置并且按模块位置将电源预留至模块上口位置。
28)图纸中I-BUS模块、EPS箱体、模糊控制箱体、设备自带控制柜、消防巡检柜、插接箱不在询价范围内。
5.主要元器件品牌要求:1)低压交流框架式断路器框架式断路器必须采用:ABB的E系列产品;施耐德的MT系列产品。
低压交流框架式断路器应符合下列主要技术要求:(1)满足系统电压、电流、频率以及分断能力的性能水平要求。
(2)极限分断能力为65~100kA/400~415V范围内Ics=Icu%。
(3)框架式断路器控制单元功能包括:可调整长延时保护、可调整短延时保护、可调整瞬时脱扣及零序保护,以上所有保护可在线带载调整定值。
在短延时保护和接地保护时应具有区域选择性闭锁功能,具有额定电流值插件和储能完毕信号指示接点.控制单元应具有电流、电压、功率和电能测量功能,并能够实现至少10次脱扣和报警历史事件记录(时间、数值、类型)。
并应具有故障显示和自检功能。
(4)有宽阔的电流和时间调节范围。
长延时0.4~1.0Ir 3~144S短延时1~10Ir 0.1~0.8S短路瞬时 1.5~15Ir接地0.2~1Ir 0.1~0.8S(5)断路器应为模块化结构设计、方便断路器功能的扩充而无需改变断路器结构和低压开关柜结构。
对于不同框架等级额定电流的断路器尽量采用标准化、模块化的附件,以便运营维护和管理。
(6)具有故障诊断功能,可快速确定故障类型,以最短时间隔离开受故障影响的范围。
(7)断路器应为抗湿热型产品。
(8)断路器有容易操作的全系列中文液晶显示的人机界面,便于进行参数设定、查看有关历史记录、显示运行参数及测量数值等,具有编辑、记忆、显示、预告、报警等功能。
人机界面和框架断路器应选择同一厂家的高端系列产品。
(9)断路器的二次接线采用可靠的插拔式接线。
2)低压交流塑壳式断路器塑壳断路器必须采用:施耐德的NSX系列产品;ABB的T系列产品。
低压交流塑壳式断路器主要用于固定(抽插分隔)柜及抽屉柜的馈出回路。
塑壳式断路器应符合下列主要技术要求:(1)满足系统电压、电流、频率以及分断能力的性能水平要求,具有测量、分析和通讯等性能。
(2)塑壳式断路器应有限流分断能力,具有能量脱扣功能。
(3)塑壳式断路器分断能力为36kA,50KA,70KA。
(4)断路器应为模块化结构设计、安装方便,并可在不拆卸塑壳断路器外壳的情况下加装各种附件(如分励脱扣器、辅助触头、报警触头)而无需改变断路器结构和低压开关柜结构.(5)当采用固定抽出式安装时,其二次回路亦应具有插接式整体连接装置。
(6)电动机出线回路应选用有电动机保护特性的塑壳断路器。
(7)塑壳断路器应为抗湿热型产品。
3)终端配电保护产品微型断路器、剩余动作电流保护器、隔离开关等及其配套的所有附件应采用以下品牌:施耐德、ABB的高端产品。
施耐德微型断路器选择iC65系列;ABB微型断路器选择S200系列。
微断及剩余电流动作保护器技术规格:(1)确实分断指示能够准确指示动触头位置,真实反应内部触头通断状况,实现真正意义上看得到的安全。
(2)开关采用热塑型外壳材料,要具有强抗冲击性,可回收,有弹性,自熄性,环保可回收利用。
(3)快速分断,3级限流保证冲击性负载的可靠工作,快速分断短路电流,延长断路器的电气寿命,保护负载设备;(4)元器件厂家需提供过压,欠压,分励,报警,远端控制或自动重合闸附件备选。
(5)接线端子达到IPxxB防护等级,保护手工接线时操作人员手指安全;(6)断路器机械寿命不小于20000次;(7)额定冲击耐压为4KV(1.2/50);(8)终端保护漏电产品额定漏电电流30mA,浪涌抑制能力达到3000A;4)接触器、热继电器(1)对于电机控制,采用Type1 SCPD 协调保护方案。