曲线顶管检验批质量验收记录表Ⅱ (R150Di)
- 格式:doc
- 大小:59.50 KB
- 文档页数:1
顶管管道施工检验批质量验收记录表GB 50268-20082 主控项目的计数检验项先填写“检验批主控项目计数检验记录表”(G1-1-1);检验批一般项目计数检验数据较多时,可先填写“检验批一般项目计数检验记录表”(G1-1-2),然后将计数检验结果填写在本表相应的检查结果栏内。
将两表作为本表的附页。
3 D i--管道内径(mm); L为顶进长度(mm); △ S--曲线顶管相邻管节接口允许的最大间隙与最小间隙之差(mm);R--曲线顶管的设计曲率半径(mm)顶管管道施工质量验收标准(GB 50268-2008)6.7.3顶管管道应符合下列规定:主控项目1管节及附件等工程材料的产品质量应符合国家有关标准的规定和设计要求;检查方法:检查产品质量合格证明书、各项性能检验报告,检查产品制造原材料质量保证资料;检查产品进场验收记录。
2接口橡胶圈安装位置正确,无位移、脱落现象;钢管的接口焊接质量应符合本规范第5章的相关规定,焊缝无损探伤检验符合设计要求;检查方法:逐个接口观察;检查钢管接口焊接检验报告。
3无压管道的管底坡度无明显反坡现象;曲线顶管的实际曲率半径符合设计要求;检查方法:观察;检查顶进施工记录、测量记录。
4管道接口端部应无破损、顶裂现象,接口处无滴漏;检查方法:逐节观察,其中渗漏水程度检查按本规范附录F第F. 0. 3条执行。
一般项目5管道内应线形平顺、无突变、变形现象;一般缺陷部位,应修补密实、表面光洁;管道无明显渗水和水珠现象;检查方法:按本规范附录F第F. 0. 3条、附录G勺规定逐节观察。
6管道与工作井出、进洞口的间隙连接牢固,洞口无渗漏水;检查方法:观察每个洞口。
7钢管防腐层及焊缝处的外防腐层及内防腐层质量验收合格;检查方法:观察;按本规范第5章的相关规定进行检查。
8有内防腐层的钢筋混凝土管道,防腐层应完整、附着紧密;检查方法:观察。
9管道内应清洁,无杂物、油污;检查方法:观察。
10顶管施工贯通后管道的允许偏差应符合表6. 7. 3的规定。
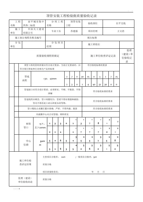
G2-15顶管管道施工检验批质量验收记录表GB 50268-2008工程名称施工单位单位工程名称分部工程名称分项工程名称验收部位工程数量项目经理技术负责人制表人质量检验员施工负责人交方班组接方班组检验日期检查项目质量要求、允许偏差或允许值(mm)检查结果主控项目1 管节及附件等工程材料产品质量应符合国家有关标准的规定和设计要求2 橡胶圈安装安装位置正确,无位移、脱落现象;3 钢管接口焊接焊接质量应符合GB 50268-2008第5章的相关规定,焊缝无损探伤检验符合设计要求4 无压管道管底坡度无明显反坡顶管曲率曲线顶管的实际曲率半径符合设计要求5 管道接口接口端部应无破损、无顶裂,接口处无滴漏续上表检查项目质量要求、允许偏差或允许值(mm)检查结果/实测点偏差值或实测值1 2 3 4 5 6 7 8 911112131415应测点数合格点数合格率%一般项目1 管道外观1)管道内线形平顺、无突变、变形;2)一般缺陷应修补密实、表面光洁;3)管道无明显渗水和水珠;4)管道内应清洁,无杂物、油污2管道与工作井出、进洞口间隙连接连接牢固,洞口无渗漏水3 钢管防腐层防腐层及焊缝处的内、外防腐层质量合格4 钢筋混凝土管道内防腐层防腐层应完整、附着紧密5直线顶管水平轴线顶进长度<300m 50300m≤顶进长度<1000m 100顶进长度≥1000m L/106 直线顶顶进长度D i<300m +30,-40管内底高程<300m D i≥1500m +40,-50300m≤顶进长度<1000m +60,-80顶进长度≥1000m +80,-100续上表检查项目质量要求、允许偏差或允许值(mm)检查结果/实测点偏差值或实测值1 2 3 4 5 6 7 8 911112131415应测点数合格点数合格率%一般项目7曲线顶管水平轴线R≤150Di水平曲线150竖曲线150复合曲线200R>150Di水平曲线150竖曲线150复合曲线1508曲线顶管内底高程R≤150Di水平曲线+100,-150竖曲线+150,-200复合曲线±200R>150Di水平曲线+100,-150竖曲线+100,-150复合曲线±2009 相邻管间错口钢管、玻璃钢管≤2钢筋混凝土管15%壁厚,且≤201 0 钢筋混凝土管曲线顶管相邻管间接口的最大间隙与最小间隙之差≤ΔS续上表检查项目质量要求、允许偏差或允许值(mm)检查结果/实测点偏差值或实测值1 2 3 4 5 6 7 8 911112131415应测点数合格点数合格率%一般项目11钢管、玻璃钢管道竖向变形≤0.03D i 12对顶时两端错口50 一般项目平均合格率(%)施工单位检查评定结果项目专业质量检查员:年月日监理(建设)单位验收结论专业监理工程师:(建设单位项目专业技术负责人)年月日注:1 主控项目、一般项目的检查结果,需用语言描述的项,应按GB50268-2008的要求详实描述。