给水管道安装间距
- 格式:doc
- 大小:23.00 KB
- 文档页数:1
给排水管道间距给排水管道间距文档范本:一、引言给排水管道的布置和间距是建筑物中的一项重要设计考虑因素。
合理的管道间距能够保证给排水系统的运行正常,减少管道故障和维护成本。
本文档将详细介绍给排水管道间距的设计要求和标准,并提供相关的参考资料和附件。
二、管道布置原则1. 垂直管道布置原则:垂直给排水管道应尽量垂直布置,并考虑到管道的清洁、维修和未来的可能扩展。
2. 水平管道布置原则:水平给排水管道应尽量平行布置,并考虑到排水量、流速和阻力等因素。
3. 管道内径选择:根据设计流量和计算阻力损失,选择合适的管道内径。
一般情况下,较小流量的管道可以选择较小的内径,以节省材料和空间。
4. 管道间隔距离:不同类型的管道需要保持一定的间隔,以便于安装、维修和排水功能。
下面将详细介绍各种管道间距的具体要求。
三、给水管道间距1. 主干供水管道:主干供水管道之间的间距应满足以下要求:a. 直管段长度不应超过50米。
b. 可移动设备管道间距不应小于600mm。
c. 与其他管道交叉时,应预留足够的间距以方便后续维护和改动。
d. 管道与地面的间距应符合安全和防冻要求。
2. 分支供水管道:分支供水管道之间的间距应满足以下要求:a. 直管段长度不应超过25米。
b. 分支管道应与主干管道成45度交叉,以减小阻力损失。
c. 分支管道进入墙体或地面时,应预留足够的间距以便于安装和维修。
四、排水管道间距1. 主干排水管道:主干排水管道之间的间距应满足以下要求:a. 直管段长度不应超过50米。
b. 当排水量较大时,可适当增加主干管道的直径,以满足流速要求。
c. 管道与其他设施的交叉间距应符合安全和维修要求。
2. 支管排水管道:支管排水管道之间的间距应满足以下要求:a. 直管段长度不应超过25米。
b. 支管管道与主干管道成90度交叉,以减小阻力损失。
c. 支管管道进入墙体或地面时,应预留足够的间距以便于安装和维修。
五、其他管道间距除了给水管道和排水管道外,还有一些其他管道的布置也需要考虑合适的间距,例如:1. 消防水源管道。
给排水管道安装质量要求:一、室内给水管道系统:1、室内给水管道的水压连路由必须符合设于十要求。
当设计未注明时,各种材质的给水管道系统试验压力均为工作压力的1.5倍,但不得小于0.6MPa。
2、给水系统交付使用前必须进行通水试验并做好记录。
3、生活给水系统管道在交付使用前必须冲洗和消毒,并经有关部门取样检查,符合国家《生活饮用水标准》方可使用。
4、室内直埋给水管道(金属管)应做防腐处理。
埋地管道防腐层材质和结构应符合设计要求。
5、给水引入管与爿时排出管的水平净距不得小于1m.室内给水与其冰管道平行敷设时,两段间的最小水平净距不得小于0.5m;交叉铺设时,垂直净距不得小于0.15m。
给水管应铺在排水管上面,若给水管必须铺在排水管的下面时,给水管应加套管,其长度不得小于排水管管径的3倍。
6、管道及管件焊接的焊缝外形尺寸应符合图纸和工艺文件的规定,焊缝高度不得低于母材表面,焊缝与母材应圆滑过渡。
7、焊缝及热影响区表面应无裂纹、未熔合、未焊透、夹渣、弧坑和气孔等缺陷。
8、给水水平管道应有2‰-5‰的坡度玻向泄水装置。
9、地下管道铺设必须在房心土回填夯实或挖到管底标高,沿着管线铺设位置清理干净,管道穿墙处已留管洞或安装套管,其洞口尺寸和套管规格将会要求,坐标、标高正确.10、给水管道必须采用与管材相适应的管件.生活给水系统所涉及的材料必须达到饮用水卫生标准。
二、室内排水管道系统:1、隐蔽或埋地的排水管道在隐蔽前必须做灌水试验,其灌水高度应不低于底层卫生器具的上边缘或底层地面高度。
2、排水主立管及水平干管管道均应做通球试验,通球球径不小于排水管道管径的2/3,通球率必须达到100%。
3、埋在地下或地板下的排水管道应设的检查口.4、在转角小于135°的污水横管上,应设置检查口或清扫口.5、污水横管的直线管段,应按设计要求的距离设置检查口或清扫口.6、金属排水管道上的吊钩或卡箍应固定在承重结构上。
固定件间距:横管不大于2m;立管不大于3m.楼层高度小于或等于4m,立管可安装1个固定件。
卫生间冷热水管间距标准
卫生间冷热水管的间距标准在不同国家和地区可能会有所不同,但一般来说,冷热水管的间距标准是根据安装水龙头的标准来确定的。
在美国,通常冷热水管的中心距离是4英寸(约10厘米),这
是为了适配大多数标准水龙头的安装要求。
在其他国家,这个标准
可能会有所不同,但一般也会考虑到水龙头的安装要求和使用习惯。
此外,冷热水管的间距标准还会受到墙体结构和管道布局的影响。
在设计卫生间时,通常会考虑到水龙头的位置以及冷热水管的
布局,以确保安装的合理性和便捷性。
一般来说,冷热水管的间距
应该能够满足水龙头的安装需求,并且方便日常使用和维护。
在实际施工中,最好是根据具体的水龙头型号和安装要求来确
定冷热水管的间距。
此外,还需要考虑到当地的建筑规范和标准,
以确保施工符合法律法规的要求。
总的来说,卫生间冷热水管的间距标准是根据水龙头的安装要求、当地的建筑规范和管道布局等因素综合考虑而定的。
在设计和
施工中,需要综合考虑各方面因素,以确保冷热水管的布局合理、
安全、便捷。
给排水管道支架安装间距为了确保给排水管道的稳固和安全运行,正确的支架安装间距是非常重要的。
本文将为您介绍关于给排水管道支架安装间距的要求和注意事项,以帮助您准确安装管道支架。
1.支架安装间距的概念支架安装间距是指管道支架之间的水平距离和垂直距离。
合理的支架安装间距能够保证管道支架的承重能力和稳定性,并且方便后续的检修和维护。
2.管道支架的水平安装间距水平安装间距的确定需要考虑管道的材质、尺寸和重量等因素。
一般情况下,对于直径小于或等于100mm的管道,水平安装间距可以按照管道直径的1.5至2倍进行布置;对于直径大于100mm的管道,水平安装间距可以按照管道直径的1至1.5倍进行布置。
但是,在实际安装过程中,还需要结合具体情况进行调整,确保支架间距均匀,并且管道在运行过程中不会发生过大的振动。
3.管道支架的垂直安装间距垂直安装间距的确定需要考虑管道的材质、尺寸和重量等因素。
一般情况下,对于直径小于或等于100mm的管道,垂直安装间距可以按照管道直径的2至3倍进行布置;对于直径大于100mm的管道,垂直安装间距可以按照管道直径的1.5至2倍进行布置。
同样,在具体安装过程中,还需要根据实际情况进行调整,确保管道在运行过程中不会出现过大的位移或下沉。
4.注意事项(1)支架布置应符合给排水管道设计图纸的要求,确保每个支架的位置准确无误。
(2)支架安装间距应均匀分布,避免出现过密或过松的现象。
(3)水平安装间距和垂直安装间距应根据管道直径和重量进行合理调整。
(4)支架的连接件和配件应选用符合要求的材质和规格,并进行正确的安装和固定。
(5)在实际施工过程中,要对支架的安装进行全面检查,确保每个支架的稳固性和可靠性。
(6)注意支架距离墙壁、地面和其他设备的距离,避免与其发生冲突或影响正常使用。
总结起来,给排水管道支架的安装间距需要根据管道直径、重量等因素进行合理布置。
水平安装间距和垂直安装间距的调整要根据实际情况进行,确保支架均匀布置且稳固可靠。
引言:给排水管道支架间距是指在建筑物中安装给排水管道时,支架之间的距离。
正确的给排水管道支架间距能够有效地保证管道的稳固性和安全性,避免管道的挤压、变形等问题。
本文将继续探讨给排水管道支架间距的相关内容,包括支架间距的标准、计算方法和适用范围等。
概述:给排水管道支架间距是根据国家相关标准和规范制定的,旨在确保给排水管道的安全运行。
不同类型的管道和不同的安装环境要求不同的支架间距,因此在设计和施工过程中需要严格遵守相关规范,保证管道的稳定和可靠性。
正文:一、支架间距标准1.根据国家标准,给排水管道的支架间距应根据管道类型、规格和安装方式确定。
一般来说,水平管道和垂直管道的支架间距有所区别,需要根据具体情况进行计算和确定。
2.水平管道的支架间距一般不超过1.5米,具体可根据管道的直径和材质进行调整。
较大直径的水平管道需要较短的支架间距,以充分支撑管道的重力和内部压力。
3.垂直管道的支架间距一般不超过3米。
在确定支架间距时,要考虑到管道的自重以及在使用过程中可能出现的振动和冲击力,确保管道的稳定性和安全性。
二、支架间距计算方法1.根据管道类型和规格,查阅国家相关规范和标准,了解给排水管道的支架间距计算方法。
2.水平管道的支架间距计算主要考虑管道的自重和内部压力。
可以根据管道的弯曲半径、所用材料的密度和内部液体的密度等参数,使用相关公式进行计算。
3.垂直管道的支架间距计算除了考虑管道自重和内部压力外,还需要考虑到管道在使用过程中可能产生的振动和冲击力。
可以使用相关的计算公式,结合实际情况进行计算。
4.在计算支架间距时,还需要考虑到管道的支承方式和支架的材料。
不同的支承方式和不同的材料要求不同的支架间距,需要综合考虑各种因素,确保计算结果的准确性。
三、适用范围1.给排水管道支架间距的规定适用于各类建筑物的给排水系统。
无论是住宅、商业建筑还是工业建筑,都需要遵守相应的规范和标准,确定合适的支架间距。
2.给排水管道支架间距的规定还适用于不同材质的管道,包括铸铁管、钢管、塑料管等。
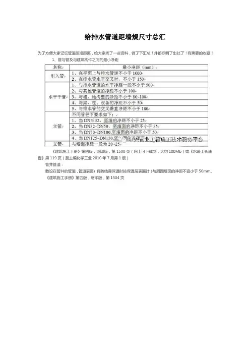
给排水管道距墙规尺寸总汇为了方便大家记忆管道距墙距离,给大家找了一些资料,做了下汇总!并都标明了出处了!有需要的收藏!1、管与管及与建筑构件之间的最小净距《建筑施工手册》第四版,缩印版,第1500页(网上可下载到,大约100Mb)或《水暖工长速查》第119页(磊主编化学工业2010年7月第1版)管井管道:敷设在管井的管道,管道表面(有防结露保温时按保温层表面计)与周围墙面的净距不宜小于50mm。
《建筑施工手册》第四版,缩印版,第1504页2、水暖管离墙距离水暖管离墙距离:标准图规定给水、热水、采暖管(DN15~DN32)中心起距墙表面50mm为宜,DN40以上取60mm为宜。
因为距离过近,立管阀门安装不便,有时需要破坏墙面才能将阀门装上;距离过远则影响美观,且占用空间(其他管道也一样—清秋怀远)。
均采用管外皮距墙表面30mm;而对于排水管,由于打口所需,采用承口距墙表面50mm。
《给水排水及采暖工程现场施工处理方法与技巧》,第39页3、排水柔性接口铸铁管离墙距离当管道沿墙或墙角敷设时,应保证管道及附件的安装及检修距离,管道与墙体面层净距一般为40~60mm,管道及附件不得入墙,其卡箍与法兰压盖的螺栓位置应调整至墙(角)的外侧,以便于拧紧螺栓。
《排水柔性接口铸铁管技术规程》(DB11/T364-2006,地方标准,可在百度文库下载到),第6页4、立管管外皮距建筑装饰面的间距(mm)(明装给水立管)管径32以下32~5065~100125~150间距20~2525~3030~5060《建筑给排水及采暖工程施工工艺标准》(DBJ/T61-38-2005)第42页;(此书为地方标准,可在百度文库下载到)采暖干管距墙尺寸:供水干管沿墙架空敷设,当管径<DB80时,供水干管距墙尺寸为150mm;当管径≥DB80时,供水干管距墙尺寸为180mm。
回水干管在室地坪以上沿墙敷设时,当管径<DN80时,回水干管距墙尺寸为50mm;当管径≥DN80时,回水干管距墙尺寸为65mm。
给水支架间距规范在建筑工程中,给水系统是不可或缺的一部分,而对于给水系统的支架间距,也有一定的规范。
首先,我们需要了解给水管道的类型:金属管、塑料管、复合管和铸铁管。
不同材质的给水管道,在支架间距上也会有一定的区别。
金属管对于金属管的支架间距,可以有如下建议:1.管道纵向间距通常为2.5-3m,横向间距通常为2-2.5m,但可能需要更短的间距,根据管道尺寸和重量以及施工条件而定。
2.在油腻或腐蚀显著的场合,更短的间距将有助于减小管道的挠曲。
3.对于长宽比大于10:1的支架,应进行支撑设计。
塑料管塑料管由于轻质,强度小,所以在支架间距方面需要更多的考虑,通常的建议如下:1.纵向和横向的支架间距应在1.2-2m之间。
2.塑料管的管径越大,所能支持的间距就会越短。
管径小于25mm的管道适合于一定的距离和重量附加载荷,间距可以相对较长。
3.应在支架间使用软垫,以减少压力和挠曲。
尽管这样,设计时应根据管道的材质进行支架选择。
复合管在复合管的支架间距方面,可以有如下建议:1.与金属管相同,复合管的间距通常为2.5-3m。
2.复合管的制造商可以提供关于特定规格和重量的建议。
3.由于复合材料管道重量较轻,因此它们通常不需要与金属管一样的支架间距。
铸铁管铸铁管的间距应考虑它们较重的自重和重量载荷。
通常的建议如下:1.简便起见,行间距宜为4-5m,但应注意加强管道的支架点。
2.对于长、窄的托架,应按照铸铁管的具体尺寸,分别设计行间距和行内距。
总结不同材质的给水管道,在支架间距上有所区别,而且具体的施工环境也有可能影响间距。
因此,在设计给水管道的支架间距时,应考虑这些因素,结合实际情况做到科学合理,并遵循相关规范和标准,确保施工的质量和塑造高质量的给水系统。
1、管与管及与建筑构件之间的最小净距《建筑施工手册》第四版,缩印版,第1500页(网上可下载到,大约100Mb)或《水暖工长速查》第119页(杨磊主编化学工业出版社2010年7月第1版)管井管道:敷设在管井内的管道,管道表面(有防结露保温时按保温层表面计)与周围墙面的净距不宜小于50mm。
《建筑施工手册》第四版,缩印版,第1504页2、水暖管离墙距离水暖管离墙距离:标准图规定给水、热水、采暖管(DN15~DN32)中心起距墙表面50mm 为宜,DN40以上取60mm为宜。
因为距离过近,立管阀门安装不便,有时需要破坏墙面才能将阀门装上;距离过远则影响美观,且占用空间(其他管道也一样—清秋怀远)。
均采用管外皮距墙表面30mm;而对于排水管,由于打口所需,采用承口距墙表面50mm。
《给水排水及采暖工程现场施工处理方法与技巧》,第39页3、排水柔性接口铸铁管离墙距离当管道沿墙或墙角敷设时,应保证管道及附件的安装及检修距离,管道与墙体面层净距一般为40~60mm,管道及附件不得入墙,其卡箍与法兰压盖的螺栓位置应调整至墙(角)的外侧,以便于拧紧螺栓。
《排水柔性接口铸铁管技术规程》(DB11/T364-2006,北京地方标准,可在百度文库下载到),第6页4、立管管外皮距建筑装饰面的间距(mm)(明装给水立管)管径32以下32~50 65~100 125~150间距20~25 25~30 30~50 60《建筑给排水及采暖工程施工工艺标准》(DBJ/T61-38-2005)第42页;(此书为陕西地方标准,可在百度文库下载到)采暖干管距墙尺寸:供水干管沿内墙架空敷设,当管径<DB80时,供水干管距墙尺寸为150mm;当管径≥DB80时,供水干管距墙尺寸为180mm。
回水干管在室内地坪以上沿内墙敷设时,当管径<DN80时,回水干管距墙尺寸为50mm;当管径≥DN80时,回水干管距墙尺寸为65mm。
《建筑给排水及采暖工程施工工艺标准》(DBJ/T61-38-2005)第189页采暖立管距墙尺寸:当设计采用单立管安装时,立管中心距后墙尺寸为50mm,如仅后墙有一组散热器(一臂形)时,则立管中心距侧墙尺寸为65mm;如后墙和侧墙另一侧各有一组散热器(双臂形)时,距侧墙尺寸仍为65mm;如后墙和侧墙同侧有散热器(直角形)时,距侧墙尺寸为200mm;如后侧、侧墙同侧和另一侧各有一组散热器(丁字形)时,距侧墙尺寸为300mm。
给排水管道支架间距在建筑物或工业设施的排水系统中,排水管道的支架间距是一个重要的考虑因素。
适当的支架间距可以保证管道的稳定性和安全性,从而延长排水系统的使用寿命。
本文将探讨给排水管道支架间距的选择和设计原则。
1. 为什么重要?给排水管道的支架间距是确保排水系统稳定性的关键因素。
适当的间距可以减少管道的振动和压力,防止管道受到过度的应力,从而降低管道破裂或从支架脱落的风险。
此外,正确的支架间距还可以确保管道在使用过程中保持水平和平行,以便排水系统的正常运行。
2. 如何确定支架间距?在确定给排水管道支架间距时,需要考虑以下几个因素:2.1 管道直径:较大直径的管道需要更稳固的支持。
一般来说,管道直径越大,支架之间的间距应该越小。
这可以确保管道不会在重力作用下下垂或下沉。
2.2 材料和重量:管道的材料和重量也是确定支架间距的重要因素。
较重的管道需要更密集的支撑来确保稳定性。
此外,不同材料的管道会对重量承受力有所影响,因此需要结合管道材料的特性进行评估。
2.3 承受力:给排水管道支架的承受力是选择支架间距的另一个因素。
支架的承载能力必须超过管道的实际重量和水压力,以确保安全性和可靠性。
2.4 环境条件:环境条件也需要考虑进去。
例如,在震动和地震频繁的地区,需要更多的支架和更小的间距来增强系统的抗震性能。
3. 设计原则在给排水管道支架的设计过程中,应遵循以下原则:3.1 遵循相关标准和规范:根据当地的建筑规范和标准,选择合适的支架类型和间距。
这些标准通常会提供具体的设计建议和安装要求。
3.2 考虑系统的整体平衡:在确定支架间距时,应考虑系统的整体平衡。
例如,如果有多个管道平行布置,则可以共享支架,从而减少材料和安装成本。
3.3 选择适当的支架类型:不同类型的给排水管道可能需要不同类型的支架。
例如,大直径的管道可能需要使用管夹或吊杆支架,而小直径的管道可以使用管道支架或管夹。
3.4 进行适当的间距调整:在实际安装过程中,可能需要根据管道的特殊情况进行支架间距的调整。
给排水管道距墙规范尺寸总汇
在建筑中,给排水系统是一个至关重要的组成部分。
合理设置给排水管道的距墙规范尺寸不仅能够有效地保护管道安全,还能提高使用者的舒适度。
一、给排水管道基本概述
给排水管道是指用于供水和排水的管道系统。
在建筑中,主要包括供水管道系统和排水管道系统。
供水管道系统用于将水源引入建筑物,而排水管道系统则用于将废水排出建筑物。
这两种管道系统的设计和布局对于建筑物的正常运行和使用具有重要作用。
二、给排水管道距墙规范尺寸
合理设置给排水管道的距墙尺寸不仅关乎系统的安全可靠性,还与建筑的使用功能和设计要求密切相关。
以下是一些常见的给排水管道距墙规范尺寸总结:
1. 进水管距墙尺寸:
a. 主进水管道:一般距离墙体的最小距离应大于300mm。
b. 支管进水管道:一般距离墙体的最小距离应大于150mm。
2. 排水管距墙尺寸:
a. 主排水管道:一般距离墙体的最小距离应大于300mm。
b. 支管排水管道:一般距离墙体的最小距离应大于150mm。
3. 排气管距墙尺寸:
排气管道一般设置在排水管道的高点,用于排除管道内的空气。
距离墙体的最小距离应大于150mm。
4. 水泵进出口管距墙尺寸:
水泵的进出口管道需要保持一定的距离墙体以便安装和维修。
一般距离墙体的最小距离应大于500mm。
5. 排污管距墙尺寸:
排污管道用于排除建筑物内部的污水,其距离墙体的最小距
离应大于150mm。
6. 其他管道距墙尺寸:。
给水管道安装要求给水管道安装规范1.一般规定1.管道工程应根据住户要求安装,完工后必须进行试压,检查合格后,才可进行其他装饰工程。
2.管道安装必须横平竖直。
排水管道必须畅通。
2.技术要求及验收标准1. 冷热水管道的位置是左冷右热。
2.浴缸龙头接头的高度一般应距离浴缸安装后高度150㎜,两接头之间的距离为150㎜±5㎜。
3.台式洗脸盆进水管接距离地面的高度应为450㎜±20㎜,冷热水管接的间距为100㎜--120㎜。
4.坐厕进水管接距离地面的高度应为250㎜,与坐厕中心位置的偏差为200㎜。
5.所有出墙连接设备的管接(内丝直角弯头)必须与墙面垂直。
管接安装平面与墙面(含面砖)的伸缩偏差在3---5㎜的范围内。
6.冲淋龙头接头的高度一般应距离地面800---900㎜,两接头之间的距离为150㎜±10㎜。
7.热水器(电热水器)进水口前应安装阀门。
8.明装进水管道必须使用管卡进行固定,管卡间距应不大于600㎜。
9.金属热水管道应有保温层。
10.进水管道管径的标准选择,即PPR水管为标称规格D25,金属水管为标称规格D20。
11.安装浴缸必须要保留检修口,严禁使用塑料软管连接的浴缸落水,浴缸落水口必须对准地面的浴缸下水,并必须作好密封。
安装好以后,应经过盛水实验,合格后,才可以封检修口。
12.水龙头一但安装好以后,严禁对水管道系统进行高压试压,水龙头的最高允许压力为5KG/CM2。
13.暗埋及明装排水或下水管道一律使用PVC管,不得使用软管,接口处必须密封不渗水。
14.大容量的用水设备(浴缸、污水盆)排水管的管径应不小于50㎜,普通排水管的管径必须不小于40㎜,排水管的连接处必须牢固,不渗水;排水管与排水口的连接必须密封不渗水。
15.排水横管(D40㎜—D50㎜)的标准坡度为0.035,最小坡度为0.025 ,及每米的管道落差最小为25㎜,长度小于1.5㎜,可相应降低标准。
16.煤气管道应用镀锌铁管;煤气管道不得暗敷,不得穿越卧室,穿越吊平顶内的煤气管道不得有接有,如却需移动表具,应由业主向燃气主管部门提出申请,经同意后方可施工。
不知道大家在刚开始记忆规范、图集的时候有没有觉得特别的费劲,这个尺寸,那个数值的,为了方便大家记忆管道距墙距离,给大家找了一些资料,做了下汇总!并都标明了出处了!有需要的收藏!1、管与管及与建筑构件之间的最小净距《建筑施工手册》第四版,缩印版,第1500页(网上可下载到,大约100Mb)或《水暖工长速查》第119页(杨磊主编化学工业出版社2010年7月第1版)管井管道:敷设在管井内的管道,管道表面(有防结露保温时按保温层表面计)与周围墙面的净距不宜小于50mm。
《建筑施工手册》第四版,缩印版,第1504页2、水暖管离墙距离水暖管离墙距离:标准图规定给水、热水、采暖管(DN15~DN32)中心起距墙表面50mm为宜,DN40以上取60mm为宜。
因为距离过近,立管阀门安装不便,有时需要破坏墙面才能将阀门装上;距离过远则影响美观,且占用空间(其他管道也一样—清秋怀远)。
均采用管外皮距墙表面30mm;而对于排水管,由于打口所需,采用承口距墙表面50mm。
《给水排水及采暖工程现场施工处理方法与技巧》,第39页3、排水柔性接口铸铁管离墙距离当管道沿墙或墙角敷设时,应保证管道及附件的安装及检修距离,管道与墙体面层净距一般为40~60mm,管道及附件不得入墙,其卡箍与法兰压盖的螺栓位置应调整至墙(角)的外侧,以便于拧紧螺栓。
《排水柔性接口铸铁管技术规程》(DB11/T364-2006,北京地方标准,可在百度文库下载到),第6页4、立管管外皮距建筑装饰面的间距(mm)(明装给水立管)管径 32以下 32~50 65~100 125~150间距 20~25 25~30 30~50 60《建筑给排水及采暖工程施工工艺标准》(DBJ/T61-38-2005)第42页;(此书为陕西地方标准,可在百度文库下载到)采暖干管距墙尺寸:供水干管沿内墙架空敷设,当管径<DB80时,供水干管距墙尺寸为150mm;当管径≥DB80时,供水干管距墙尺寸为180mm。
不知道大家在刚开始记忆规范、图集的时候有没有觉得特别的费劲,这个尺寸,那个数值的,为了方便大家记忆管道距墙距离,给大家找了一些资料,做了下汇总!并都标明了出处了!有需要的收藏!1、管与管及与建筑构件之间的最小净距《建筑施工手册》第四版,缩印版,第1500页(网上可下载到,大约100Mb)或《水暖工长速查》第119页(杨磊主编化学工业出版社 2010年7月第1版)管井管道:敷设在管井内的管道,管道表面(有防结露保温时按保温层表面计)与周围墙面的净距不宜小于50mm。
《建筑施工手册》第四版,缩印版,第1504页2、水暖管离墙距离水暖管离墙距离:标准图规定给水、热水、采暖管(DN15~DN32)中心起距墙表面50mm为宜,DN40以上取60mm为宜。
因为距离过近,立管阀门安装不便,有时需要破坏墙面才能将阀门装上;距离过远则影响美观,且占用空间(其他管道也一样—清秋怀远)。
均采用管外皮距墙表面30mm;而对于排水管,由于打口所需,采用承口距墙表面50mm。
《给水排水及采暖工程现场施工处理方法与技巧》,第39页3、排水柔性接口铸铁管离墙距离当管道沿墙或墙角敷设时,应保证管道及附件的安装及检修距离,管道与墙体面层净距一般为40~60mm,管道及附件不得入墙,其卡箍与法兰压盖的螺栓位置应调整至墙(角)的外侧,以便于拧紧螺栓。
《排水柔性接口铸铁管技术规程》(DB11/T364-2006,北京地方标准,可在百度文库下载到),第6页4、立管管外皮距建筑装饰面的间距(mm)(明装给水立管)管径 32以下 32~50 65~100 125~150间距 20~25 25~30 30~50 60《建筑给排水及采暖工程施工工艺标准》(DBJ/T61-38-2005)第42页;(此书为陕西地方标准,可在百度文库下载到)采暖干管距墙尺寸:供水干管沿内墙架空敷设,当管径<DB80时,供水干管距墙尺寸为150mm;当管径≥DB80时,供水干管距墙尺寸为180mm。
技术通知单2、管道中心距和管中心距墙距离:
备注:非保温管道第一条、第二条有冲突执行第一条。
3、管道井及成排管道:
管道井立管、成排管道管外皮距墙宜为80-130mm(有保温时按保温层表面计),成排管道以最大管径距墙尺寸为准。
当设计采用双立管安装时,供水立管一般按照在右侧,回水立管一般按照在左侧。
立管距墙尺寸与单立管安装时相同,管径≤DN32时,两立管中心距为80mm;管径≥DN40时,两立管中心距为130mm。
4、采暖支管(接散热器)管中距墙(完成墙面)50mm。
四、空调水系统:
空调水系统管道参考给水系统第二条、第三条。
中铁建工集团有限公司兰州国际商贸中心项目经理部
2015年5月18日。
水管支架间距水管支架间距是指在建筑施工中,安装水管支架时,支架之间的距离。
水管支架间距的设定是为了保证水管的稳定和安全,同时也要考虑工程的经济性和实用性。
下面是关于水管支架间距的相关参考内容。
1. 标准要求:根据国家相关标准,水管支架间距应符合以下要求:- 铸铁管和钢管的支架间距一般为1.5-2.0米。
- 塑料管和不锈钢管的支架间距应根据管道直径确定,一般为1-1.5米。
- 排污管等大直径管道的支架间距应略大于一般管道,一般为2-2.5米。
2. 工程要求:根据具体的建筑工程,水管支架间距可能会有一定的差异。
例如,在高层建筑中,由于楼层高度大,通常会将支架间距设定得较小,以增加管道的稳定性。
而在低层建筑中,支架间距可以适当增加,以节约支架材料和减少施工成本。
3. 材料选择:水管支架间距的设定也与支架材料的选择有关。
常见的水管支架材料包括钢、铝合金和塑料等。
对于较重的铸铁管和钢管,支架间距一般较小,以增加承重能力。
而对于较轻的塑料管和不锈钢管,由于自身的轻巧性,支架间距可以适当放宽。
4. 环境因素:水管支架间距的设定还需要考虑环境因素的影响。
例如,在地震频发地区,为了增加水管的抗震性能,支架间距可能会缩小。
在高温或潮湿环境下,为了防止水管支架腐蚀,间距可能会有所增加。
5. 效果评估:水管支架间距的设定还需要进行试验和评估。
通过在实际施工中设置不同的支架间距,观察水管的稳定性和振动情况,以确定最佳的支架间距。
同时还需要对不同管材、不同直径的管道进行测试,以获取更具体的参考数据。
综上所述,水管支架间距的设定需要考虑到标准要求、工程要求、材料选择、环境因素和效果评估等方面。
只有根据具体情况合理设定水管支架间距,才能确保水管的安全稳定运行,并最大程度地减少施工成本。
钢管水平安装的支、吊架间距不应大于表3.3.8的规定。
说明:3.3.8原《规范》第2.0.12条中保温管道支架间距根据调研及参考一些资料适当地放宽0.5m。
表3.3.8钢管管道支架的最大间距公称直径(mm)
3.3.9采暖、给水及热水供应系统的塑料管及复合管垂直或水平安装的支架间距应符合表3.3.9的规定。
采用金属制作的管道支架,应在管道与支架间加衬非金属垫或套管。
说明:3.3.9参考中国工程建设标准化协会标准、资料和有关省市规定编写。
3.3.10铜管垂直水平安装的支架间距应符合表3.3.10的规定。
管径小于或等于100mm的镀锌钢管应采用螺纹连接,套丝扣时破坏的镀锌层表面外采用法兰或卡套式专用管件连接,镀锌钢管与法兰的焊接处应二次镀锌。
4.1.4给水塑料管和复合管可以采用橡胶圈接口、粘接接口、热熔连接、专用管件的连接应使用专用管件连接,不得在塑料管上套丝。
4.1.5给水铸铁连接可采用水泥捻口或橡胶圈接口方式进行连接。
给水管与排水管的间距是多少范本一:正文:1. 引言本文档旨在提供给水管与排水管的间距的详细规范。
准确的间距设置是确保管道系统正常运行的重要因素之一。
2. 定义给水管:将水从给水系统输送到使用点的管道。
排水管:将废水从使用点排放到污水处理系统的管道。
3. 水平间距为了确保给水管和排水管的正常运行,其水平间距应满足以下要求:- 给水管与排水管之间的水平间距应大于等于300mm,以确保两根管道之间有足够的空间进行安装和维护。
- 若给水管和排水管的径向距离小于500mm,应在给水管和排水管之间设置合适的隔离结构,以防止二者之间的干扰。
4. 垂直间距为了保证给水管和排水管的正常流动,其垂直间距应满足以下要求:- 给水管与排水管之间的垂直间距应大于等于150mm,以确保水从给水管流入排水管时不会发生倒流或阻塞。
- 若给水管和排水管之间的垂直距离小于150mm,应在给水管和排水管之间设置合适的防倒流装置,以确保水能正常流动且不会造成倒流。
5. 特殊情况在特殊情况下,如两根管道之间的空间有限或其他约束条件存在时,应根据实际情况采取适当的措施,确保给水管和排水管之间的间距满足相关法规和规范的要求。
6. 附件本文档附带以下附件:- 图纸示意图:展示给水管与排水管的间距示意图。
- 技术规范表:列出了给水管和排水管的水平和垂直间距的具体要求。
7. 法律名词及注释- 给水管:根据《给水排水工程设计规范》,给水管是指输送水的管道。
- 排水管:根据《给水排水工程设计规范》,排水管是指排放废水的管道。
范本二:正文:1. 引言本文档旨在提供给水管与排水管的间距的详细规范。
准确的间距设置是确保管道系统正常运行的重要因素之一。
2. 定义给水管:将水从给水系统输送到使用点的管道。
排水管:将废水从使用点排放到污水处理系统的管道。
3. 水平间距为了确保给水管和排水管的正常运行,其水平间距应满足以下要求:- 给水管与排水管之间的水平间距应大于等于400mm,以确保两根管道之间有足够的空间进行安装和维护。
给水管道安装间距
1.室内明敷给水管道与墙。
梁。
柱的间距应满足施工安装要求:
a.横干管:与墙。
地沟壁的尽距≥100mm,与梁。
柱尽距≥50mm(此处无接头);
b.立管:管中心距离柱表面≥50mm。
与墙面的尽距:DN<32时≥25mm,
DN32~50≥35mm,DN75~100时≥50mm,当DN125~150时≥60mm。
c.当管道为法兰连接时,应满足拧紧法兰螺栓的要求;
d.明设的塑料管和铝塑复合管的给水立管距离炉灶边缘尽距不得小于0.40m,距离燃
气热水器和采暖立管不得小于0.2m。
PP-R管和其它管道的尽距不宜小于100mm。
2.给水管和其它管道同架敷设时:
给水管在冷冻水管和排水管的上面,在热水和蒸汽管的下面。
当共用一个支架时,
管外壁(或保温层外壁)距离墙面不宜小于0.10m, 与梁.柱尽距缩小到0.05m。
管道外壁(保温层外壁)尽距:DN<32时不得小于0.10m,DN>32不得小于0.15m。
4.管道上阀门并列安装,应尽量错开位置,若必须并列安装时,管道外壁最小间距:DN<50时不宜小于0.25m,DN50~150,不宜小于0.30m。
5.埋地管道的敷土厚度,金属管不得小于0.30m,塑料管管径≤50时,不宜小于0.5m, 管径>50时,不宜小于0.7m。
6.管道井的尺寸应参照第2条留,维修人员工作通道的尽宽不得小于0.60m。
7.塑料管道穿越楼板需予留套管,。