钻井工程课程设计样本
- 格式:doc
- 大小:1.48 MB
- 文档页数:36
XX凹陷西部斜坡带XXX构造XXX钻井工程设计书XXXXXX公司XX分公司XXXX年X月XX凹陷西部斜坡带XXX构造XXX钻井工程设计书设计单位: XXX集团XX石油局XXX研究院设计者:XXX XXX审核: XXX总工程师: XXX院长: XXX审批单位:XXXXXX公司XX分公司施工单位:XXX钻井队钻井队长: XXX技术负责:XXX XXX编写时间:XXXX年X月目录第一部分:钻井设计 (1)一、设计依据 (1)二、井位及地质概况 (1)三、主要钻井设备 (3)四、井身剖面设计 (4)五、井身结构及套管程序 (4)六、钻具组合设计及强度校核 (6)七、钻头选型 (8)八、钻井参数及水力参数设计 (8)九、井控设计 (9)十、井身质量要求 (14)十一、取芯设计 (16)十二、各井段施工要点及技术措施 (16)第二部分:钻井液设计 (21)一、钻井液设计依据 (21)二、钻井液设计重点提示 (21)三、钻井液体系和配方设计 (22)四、分井段钻井液参数设计表 (23)五、分井段钻井液配制及维护处理 (23)六、固相控制 (25)七、钻井液材料设计 (26)八、现场钻井液测试仪器配套要求 (26)九、现场钻井液管理要求 (27)第三部分:固井设计 (29)一、固井管串设计 (29)二、水泥浆性能要求 (30)第四部分:油气层保护 (31)一、钻井过程中储层保护方案 (31)二、钻开油气层的其它要求 (32)三、套管固井要求 (32)第五部分:安全、健康、环境措施 (33)一、HSE管理要求 (33)二、健康、环保要求 (33)三、其它要求 (33)第六部分:工程计划及技术经济指标 (34)一、工程施工计划表 (34)二、工程进度计划图 (34)三、经济技术指标 (35)四、全井费用预算 (35)第七部分:验收及上交资料 (36)一、验收资料 (36)二、上交XX分公司资料 (36)钻井设计一、设计依据1. XX分公司文件《XXX地质设计书》(XX股份[2004] 169号)2.《XXX钻井工程设计纲要》3.《中华人民共和国石油天然气行业标准》二、井位及地质概况(一) 井位地理位置:XX省XX市XX镇XX村。
《钻井工程》课程设计一、课程目标知识目标:1. 让学生掌握钻井工程的基本概念,如钻井流程、钻头类型及钻井液性质;2. 使学生了解钻井工程中涉及到的地质知识和地层评价方法;3. 引导学生掌握钻井工程设计的基本原则和步骤。
技能目标:1. 培养学生运用钻井参数进行工程计算的能力;2. 提高学生分析钻井过程中遇到的问题,并提出合理解决方案的能力;3. 培养学生利用现代技术手段,如计算机软件进行钻井工程设计的能力。
情感态度价值观目标:1. 培养学生对钻井工程的兴趣,激发他们探索石油工程领域的热情;2. 培养学生具备良好的团队合作精神,增强他们在钻井工程实践中的沟通与协作能力;3. 引导学生认识到钻井工程在能源开发中的重要性,树立安全、环保的意识。
本课程针对高中年级学生,结合钻井工程学科特点,注重理论知识与实践技能的结合。
在教学过程中,注重启发式教学,引导学生主动参与,培养他们的创新意识和实践能力。
通过本课程的学习,使学生能够具备钻井工程基本知识和技能,为未来从事相关领域工作打下坚实基础。
二、教学内容1. 钻井工程基本概念:包括钻井的目的、钻井流程、钻头类型及钻井液性质等,对应教材第一章内容。
2. 地质知识与地层评价:涉及地层分类、岩石性质、地质构造及地层评价方法,对应教材第二章内容。
3. 钻井工程设计原则与步骤:介绍钻井工程设计的基本原则、步骤及注意事项,对应教材第三章内容。
4. 钻井参数计算:讲解钻具组合、钻头选择、钻井液配制等参数计算方法,对应教材第四章内容。
5. 钻井过程中问题分析及解决方案:分析钻井过程中可能遇到的问题,如卡钻、井壁塌陷等,并提出相应解决方案,对应教材第五章内容。
6. 钻井工程设计实践:结合计算机软件,让学生动手设计钻井工程方案,对应教材第六章内容。
本教学内容按照钻井工程的基本知识和技能要求进行组织,注重理论与实践相结合,使学生在掌握基本概念的基础上,能够运用所学知识解决实际问题。
工程设计管理钻井工程课程设计DOC30 页构造名称:WL 构造井号:jing-66 井井别:开发井钻井工程设计地质设计:(签名)日期:工程设计:(签名)日期:地质审核意见:(签名)日期:地质批准意见:(签名)日期:工程审核意见:(签名)日期:工程批准意见:地质设计(签名)日期:一、地质概况2. 地面海拔:300 米3. 构造位置:WL 构造4. 地理位置:HN 省QH 县WL 乡5. 测线位置:6. 设计井深:4800 米7. 钻探目的:开发ST 系气层二、地层分层、岩性描述故障提示三、地层压力剖面表A-一、井深结构1. 井身结构表二、固井设计四、钻柱设计五、机械破碎参数设计六、钻井液设计七、水力参数设计构造名称:WL 构造井号:jing-66 井井别:开发井钻井工程设计说明专业年级:2003 级石油工程专业学号: 5姓名:指导教师:目录一、地质概况 (1)二、地层分析、岩性描述、故障提示... . (1)三、地层压力剖面 (2)四、井身结构设计 (2)五、固井工程设计 (5)六、钻柱设计 (8)七、机械破碎参数设计 (11)八、钻井液设计 (13)九、水力参数设计 (13)十、油气井压力控制 (17)十一、地层压力监测要求 (18)十二、油气层保护 (18)十三、环境保护 (18)十四、完井井口装置 (18)参考文献 (19)一、地质概况1.井位座标:2.地面海拔:300 米3.构造位置:WL 构造4.地理位置:HN 省QH 县WL 乡5.测线位置:6.设计井深:4800 米7.钻探目的:开发ST 系气层二、地层分层、岩性描述故障提示表A-2三、地层压力剖面图A-1四、井身结构设计钻探目的层为须 5 砂岩地层,确定完井方法为射孔完井。
油气套管下入须 5 层3~5 米。
根据地质情况,钻达目的层过程中不受盐层,高压水层等复杂地层的影响,故井身结构设计按地层压力和破裂压力剖面(图A-1)进行。
设计系数见表A-3。
课程设计 钻井工程一、课程目标知识目标:1. 让学生理解钻井工程的基本概念,掌握钻井流程中的关键环节和操作要点。
2. 使学生了解钻井工程的各类设备及其功能,掌握设备的使用方法和安全操作规程。
3. 引导学生掌握钻井工程中常见问题及解决方法,提高学生的实际操作能力。
技能目标:1. 培养学生运用钻井设备进行实际操作的能力,提高动手实践技能。
2. 培养学生分析钻井过程中出现的问题,并提出合理解决方案的能力。
3. 培养学生具备钻井现场安全防护和环境保护的意识。
情感态度价值观目标:1. 激发学生对钻井工程的兴趣,培养其探究精神和创新意识。
2. 培养学生具备良好的团队合作精神,增强沟通协调能力。
3. 引导学生树立安全生产观念,关注环境保护,提高社会责任感。
课程性质:本课程为实践性较强的课程,旨在通过理论教学与实践操作相结合,使学生在掌握钻井工程基本知识的基础上,提高实际操作能力。
学生特点:高中生具备一定的理论基础,好奇心强,善于探究,但实践经验不足。
教学要求:结合学生特点,注重理论与实践相结合,强化实践操作环节,提高学生的实际操作能力和解决问题的能力。
同时,注重培养学生的安全意识、环保意识和团队协作能力。
通过本课程的学习,使学生能够达到课程目标,为今后从事相关工作打下坚实基础。
二、教学内容依据课程目标,本章节教学内容主要包括以下几部分:1. 钻井工程基本概念:介绍钻井工程定义、分类及发展历程,使学生了解钻井工程的基本情况。
教学大纲:第一章 钻井工程概述2. 钻井设备与工具:讲解钻井工程中常用的设备、工具及其功能,使学生掌握设备的使用方法和安全操作规程。
教学大纲:第二章 钻井设备与工具3. 钻井流程及操作要点:详细讲解钻井流程的各个环节,重点分析操作要点,提高学生的实际操作能力。
教学大纲:第三章 钻井流程及操作要点4. 钻井工程常见问题及解决方法:分析钻井过程中可能出现的问题,指导学生掌握解决问题的方法。
教学大纲:第四章 钻井工程常见问题及解决方法5. 钻井现场安全与环保:强调钻井现场的安全防护措施,培养学生具备安全意识和环保意识。
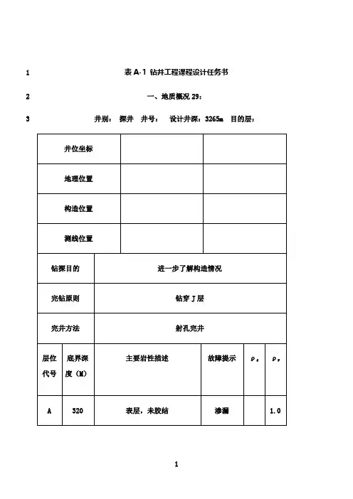
1表A-1 钻井工程课程设计任务书2一、地质概况29:3井别:探井井号:设计井深:3265m 目的层:4当量密度为:g/cm3表 A-2设计系数567石工专业石工(卓越班)1201班学生姓名:木合来提.木哈西8910图 A-1 地层压力和破裂压力11121314一.井身结构设计1.由于该井位为探井,故中间套管下深按可能发生溢流条件确定必封点深度。
1516由图A-1得,钻遇最大地层压力当量密度ρpmax=1.23g/cm³,则设计地层破裂压力当17量密度为:ρfD=1.23+0.024+3245/H1×0.023+0.026.18试取H1=1500m,则ρfD=1.23+0.024+2.16×0.023+0.026=1.33 g/cm³,19ρf1400=1.36 g/cm³ > ρfD 且相近,所以确定中间套管下入深度初选点为H1=1500m。
20验证中间套管下入深度初选点1500m是否有卡钻危险。
21从图A-1知在井深1400m处地层压力梯度为1.12 g/cm³以及320m属正常地层压力,22该井段内最小地层压力梯度当量密度为1.0 g/cm³。
23ΔPN=0.00981×(1.10+0.024-1.0)×320=0.389<11MPa24所以中间套管下入井深1500m无卡套管危险。
25水泥返至井深500m。
262.油层套管下入J层13-30m,即H2=3265m。
27校核油层套管下至井深3265m是否卡套管。
28从图A-1知井深3265m处地层压力梯度为1.23 g/cm³,该井段内的最小地层压力梯度29为1.12g/cm³,故该井段的最小地层压力的最大深度为2170m。
30Δpa=0.00981×(1.23+0.024-1.12)×2170=2.85Mpa<20 Mpa31所以油层套管下至井深3265m无卡套管危险。
西安石油钻井课程设计一、课程目标知识目标:1. 了解西安石油钻井的基本概念,掌握钻井工程的基本原理。
2. 学习钻井工具的类型及功能,理解钻井过程中各设备的作用。
3. 掌握钻井液的性质及在钻井过程中的作用,了解钻井液的使用要求。
技能目标:1. 培养学生运用所学知识解决实际钻井问题的能力,提高分析和解决问题的技能。
2. 能够根据实际需求选择合适的钻井工具和设备,进行钻井作业的模拟操作。
3. 学会使用钻井液,并能根据实际情况调整钻井液的性能,确保钻井作业的顺利进行。
情感态度价值观目标:1. 培养学生对石油钻井工程的认识和兴趣,激发探索石油科技的热情。
2. 增强学生的安全意识,了解钻井作业中的安全规程,养成严谨、规范的操作习惯。
3. 培养学生的团队合作精神,提高沟通与协作能力,使学生在钻井作业中形成良好的职业素养。
课程性质:本课程为石油工程专业课程,旨在让学生掌握钻井工程的基本知识、技能和方法。
学生特点:学生已具备一定的石油工程基础知识,具有较强的学习能力和实践操作能力。
教学要求:结合课程内容和学生特点,采用理论教学与实践操作相结合的方式,注重培养学生的实际操作能力和综合素质。
通过本课程的学习,使学生能够达到上述课程目标,为将来的石油钻井工作打下坚实基础。
二、教学内容1. 钻井工程基本原理:包括钻井的目的与意义、钻井工程的分类及钻井过程中的关键环节。
- 教材章节:第一章 钻井工程概述- 内容:钻井工程的基本概念、钻井类型、钻井工程的主要流程。
2. 钻井工具与设备:介绍各种钻井工具的类型、结构及功能,以及钻井设备的操作与维护。
- 教材章节:第二章 钻井工具与设备- 内容:钻头、钻杆、钻井泵、绞车等设备的作用、结构及操作要点。
3. 钻井液:讲解钻井液的种类、性质、应用及其在钻井过程中的作用。
- 教材章节:第三章 钻井液- 内容:钻井液的类型、性质、配制方法及其在钻井作业中的应用。
4. 钻井作业实践:结合理论教学,组织学生进行钻井作业模拟操作,提高实际操作能力。
实操课程设计钻井一、教学目标本课程的学习目标包括知识目标、技能目标和情感态度价值观目标。
知识目标要求学生掌握钻井的基本原理、流程和设备;技能目标要求学生能够运用所学知识进行钻井操作和故障排除;情感态度价值观目标要求学生培养对钻井行业的兴趣和责任感。
二、教学内容教学内容将根据课程目标进行选择和,确保内容的科学性和系统性。
教学大纲将明确教学内容的安排和进度,指出教材的章节和具体内容。
本课程主要内容包括钻井原理、钻井设备、钻井液、钻井操作、钻井故障排除等。
三、教学方法为了激发学生的学习兴趣和主动性,将采用多种教学方法。
包括讲授法、讨论法、案例分析法和实验法等。
讲授法用于传授基本知识和原理;讨论法用于引导学生进行思考和交流;案例分析法用于分析实际问题和解决方案;实验法用于实践操作和技能培养。
四、教学资源将选择和准备适当的教学资源,包括教材、参考书、多媒体资料和实验设备等。
教材将作为主要学习资源,提供系统的知识结构;参考书将提供更多的案例和实践经验;多媒体资料将通过图像、视频等形式丰富教学内容;实验设备将用于实践操作和技能培养。
这些教学资源将支持教学内容和教学方法的实施,丰富学生的学习体验。
五、教学评估本课程的评估方式将包括平时表现、作业和考试等。
平时表现将根据学生在课堂上的参与度、提问和回答等来评估;作业将根据学生的完成质量和及时性来评估;考试将根据学生的知识和技能掌握程度来评估。
评估方式将客观、公正,能够全面反映学生的学习成果。
六、教学安排教学安排规定了教学进度、教学时间和教学地点等。
教学进度将根据教学目标和内容进行合理安排,确保在有限的时间内完成教学任务。
教学时间将根据学生的作息时间和兴趣爱好进行安排,尽量不影响学生的休息和兴趣发展。
教学地点将选择适合钻井实操的场地,确保学生能够进行实际操作。
七、差异化教学根据学生的不同学习风格、兴趣和能力水平,将设计差异化的教学活动和评估方式。
对于学习风格不同的学生,可以采用不同的教学方法,如视觉教学、动手操作等;对于兴趣不同的学生,可以选择相关的案例和实际操作进行教学;对于能力水平不同的学生,可以设置不同难度的任务和考核标准。
钻井工程课程设计课程设计背景钻井工程是石油工业的核心和基础,是探明油气资源、开采油气的重要环节。
钻井工程需要综合运用地质学、地球物理学、化学、力学、机械等理论和技术,具有复杂性和技术性强的特点。
因此,本课程设计的目的是通过对钻井工程的全面了解和学习,掌握钻井工程的基本原理和过程,并为学生今后从事石油工业提供必要的技术和理论支持。
课程设计任务任务一题目:分析钻井工程流程,并确定钻井液的配方和性能要求。
任务描述:1.了解钻井工程中各个环节的工作流程;2.研究钻井液配方的基本原理和选择方法;3.根据井深、井壁情况等因素,确定钻井液的配方和性能要求。
任务二题目:设计钻头的选择标准。
任务描述:1.了解不同类型的钻头,并分析其适用范围和性能差异;2.掌握不同类型钻头的选择方法;3.根据钻井深度、地质情况等因素,选择适合的钻头。
任务三题目:分析防漏技术在钻井中的应用。
任务描述:1.了解防漏技术的基本原理和分类;2.分析防漏技术在钻井工程中的应用;3.设计防漏方案,并进行评估和改进。
课程设计过程阶段一完成任务一,从理论和实践两个方面进行综合分析,确定钻井液的配方和性能要求。
首先,分析钻井工程中各个环节的工作流程,然后根据井深、井壁情况等因素,确定钻井液的配方和性能要求。
最后,按照配方要求,进行钻井液的试制和性能测试。
阶段二完成任务二,针对钻头选择问题,进行综合分析和设计。
首先,了解不同类型的钻头,并分析其适用范围和性能差异。
然后,掌握不同类型钻头的选择方法,根据钻井深度、地质情况等因素,选择适合的钻头。
最后,进行钻头的试验性钻井。
阶段三完成任务三,针对防漏技术在钻井中的应用问题进行分析和设计。
首先,了解防漏技术的基本原理和分类。
然后,分析防漏技术在钻井工程中的应用,并设计防漏方案。
最后,进行防漏方案的评估和改进。
课程设计总结本课程设计的主要目的是通过对钻井工程的全面了解和学习,使学生掌握钻井工程的基本原理和过程。
石油工程课程设计(钻井部分)王西16斜-7B井钻井工程设计姓名:班级:学号:指导老师:目录1.井身结构设计 (3)1.1套管层次 (4)1.2下入的深度 (4)1.3套管的尺寸 (5)2.钻井设备设计 (5)3.井眼轨道设计 (6)3.1计算最大稳斜角 (6)3.2计算井身剖面分段数据 (7)3.3井身剖面分段数据 (7)4.钻具组合设计 (9)4.1 井段0~151米钻具组合设计 (9)4.2井段151~1000m钻具组合 (10)4.3井段1000~2950m钻具组合 (11)4.4井段2950~3106m钻具组合 (13)4.5井段3106~3361m钻具组合 (14)5.钻井液设计 (17)5.1钻井液体系的选择 (17)5.2钻井液密度 (17)5.3分段钻井液性能参数设计 (18)6.钻井参数设计 (19)6.1机械参数设计 (19)6.2水力参数设计 (20)7.套管柱设计 (23)7.1油层套管 (23)7.2表层套管 (25)1.井身结构设计王西16斜-7B井井身结构示意图一开井眼外径:φ444.5mm钻达井深:151m套管外径:φ339.7mm套管下深:150m水泥反深:地面φ244.5mm*1000m二开井眼外径:φ215.9mm钻达井深:3361m套管外径:φ139.7mm套管下深:3356m水泥反深:2690m1.1套管层次王西16斜-7B井总共分为三段。
第一段为表层套管,其作用是在其顶部安装套管头,并通过套管头悬挂和支撑后续各层套管;隔离地表潜水层和浅部复杂层,使淡水层不受钻井液污染。
通过分析地层岩性可知,地表浅层为平原组,该组岩性为黄色粘土,易吸水膨胀,抗压能力低;同时其组含有流砂层,易吸水分散,使得井壁不稳定,因此需要加入表层套管进行隔离和加固。
第二段通过分析地层岩性可知,潜江组部分是由泥岩、粉砂岩等岩石组成,其地层地质疏松,所以要加入钻井衬管,使之起到固井的作用。
2015秋钻井课程设计一、课程目标知识目标:1. 学生能理解钻井工程的基本概念,掌握钻井过程中关键术语及其含义。
2. 学生能够描述钻井作业的流程及其在石油开采中的重要性。
3. 学生能够掌握不同类型钻井液的特点和适用条件。
技能目标:1. 学生能够运用所学的知识分析并解决简单的钻井过程中的技术问题。
2. 学生通过案例学习,培养解决实际钻井工程问题的能力。
3. 学生能够设计简单的钻井方案,并通过小组讨论,展示其合理性和有效性。
情感态度价值观目标:1. 培养学生对石油工业及钻井工作的兴趣,激发他们对能源开发领域的探究热情。
2. 通过学习钻井工程中的环境保护措施,增强学生的环保意识和社会责任感。
3. 通过团队协作完成项目任务,学生能够学会尊重他人意见,培养合作精神和沟通能力。
分析课程性质、学生特点和教学要求,本课程旨在通过理论与实践相结合的方式,使学生在掌握钻井基础理论的同时,能够联系实际,提高解决实际问题的能力。
课程目标的设定旨在让学生不仅学会钻井知识,而且能够在情感态度和价值观上有所提升,为将来在相关领域的学习和工作打下坚实基础。
二、教学内容1. 钻井工程概述- 钻井工程的基本概念与分类- 钻井工程在石油开采中的作用2. 钻井作业流程- 钻井前的准备工作- 钻进、起钻、下套管等主要作业环节- 井控技术及安全措施3. 钻井液- 钻井液的组成与功能- 常见钻井液类型及适用条件- 钻井液性能检测与调整4. 钻井工具与设备- 钻头、钻杆、钻井泵等主要钻井设备- 钻井工具的使用与维护5. 钻井工程案例分析- 国内外典型钻井工程案例- 案例分析与讨论教学内容根据课程目标进行选择和组织,保证科学性和系统性。
教学大纲明确教学内容安排和进度,结合教材相关章节进行详细规划。
通过以上教学内容的学习,使学生全面掌握钻井工程的基础知识和实践技能,为实际钻井工程问题分析打下坚实基础。
三、教学方法本课程采用多样化的教学方法,以适应不同学生的学习需求和激发学生的学习兴趣及主动性。
西南石油大学课程设计2016年12 月30 日前言钻井工程设计是石油工程的一个重要部分,是确保油气钻井工程顺利实施和质量控制的重要保证,是钻井施工作业必须遵循的原则,是组织钻井生产和技术协作的基础,是搞好单井预算和决算的唯一依据。
钻井设计的科学性、先进性关系到一口井作业的成败和效益。
科学钻井水平的提高,在一定程度上依靠钻井设计水平的提高。
设计应在充分分析有关地质和工程资料的基础上,遵循国家及当地政府有关法律、法规和要求,按照安全、快速、优质和高效的原则进行。
并且必须以保证实施地质任务为前提。
主要目的层段的设计必须体现有利于发现与保护油气层,非目的层段的设计主要考虑满足钻井工程施工作业和降低成本的需要。
本设计的主要内容包括:1、井身结构设计及井身质量要求:原则是能有效地保护油气层,使不同地层压力梯度的油气层不受钻井液污染损坏;应避免漏、喷、塌、卡等复杂情况发生,为全井顺利钻进创造条件,是钻井周期最短;钻下部高雅地层时所用的较高密度钻井液产生的液柱压力,不致压裂上一层管鞋处薄弱的裸露地层;下套管过程中,井内钻井液柱压力之间的压差不致产生压差卡套管等严重事故;以及强度的校核。
2、套管柱设计:选择不同型号的套管,满足钻井中固井、完井要求;3、钻具组合设计:给钻头加压时下部钻柱是否会压弯,选用足够的钻铤以防钻杆受压变形;4、钻井液体系;5、水力参数设计;6、注水泥设计,钻井施工进度计划等几个方面的基本设计内容;目录第1章预设井、邻井基本参数 (1)1.1设计资料收集 (1)1.2井身结构设计图 (2)第2章井身结构设计 (3)2.1最大钻井液密度和压差计算公式 (3)2.2井身结构设计 (4)第3章套管柱设计 (6)3.1资料的查取汇总 (6)3.2油层套管柱的设计 (6)3.3表层套管柱的设计 (8)第4章钻柱设计 (10)4.1钻铤的设计 (10)4.2钻具组合 (10)4.3结论统计 (15)第5章钻井液设计 (16)5.1所需钻井液体积及相关公式 (16)5.2井筒内钻井液体积计算 (16)5.3钻井液密度转换 (17)5.4结论统计 (18)第6章钻井水力参数设计 (19)6.1水力参数相关公式 (19)6.2泵的选择 (22)6.3相关参数计算 (23)第7章注水泥设计 .......................................................................... 错误!未定义书签。
钻井工程设计课程设计钻井工程设计课程设计一、课程目标本课程旨在通过系统掌握钻探工程的设计方法,使学生具备以下知识与技能:1. 熟练掌握基础的岩土物理力学和岩土工程学知识;2. 理解岩石物理力学、勘探地球物理学及储层物性等基础知识;3. 熟悉钻孔勘探常用钻具和测量工具;4. 掌握钻井工程设计理论及方法,熟悉钻探过程和相关技术;5. 能够独立设计简单的钻井方案,考虑并解决钻井过程中出现的问题。
二、课程内容1. 钻地层勘探技术2. 钻探装备3. 钻井液与封隔4. 钻头与钻杆5. 钻井方案设计6. 钻井现场管理7. 突发事件处理三、教学方法本课程采用多种教学方法,包括讲授、案例分析、实验实践和现场教学。
1. 讲授:通过教师讲解基本理论和解决问题的方法,帮助学生快速掌握钻井工程设计的基础知识。
2. 案例分析:通过针对各种不同情况的案例分析,加深学生对理论知识的理解和运用能力。
3. 实验实践:通过实验室实践,学生将系统掌握和应用钻井工程设计的基础知识。
4. 现场教学:通过参观和指导,学生能够了解钻井工程生产现场,并能够对工作内容有实际的认识。
四、考核方法1. 课堂参与度及期中考试2. 作业及课程设计3. 实验报告及实验表现4. 课程终结报告五、参考教材1. 钻井工程原理与设计(第三版)作者:郭钟灵2. 钻探技术手册(第二版)作者:陈安芳3. 钻井液与钻井技术(第二版)作者:穆庆民4. 岩石力学与钻井工程设计(第二版)作者:李夏强六、实践教学本课程设置实践环节,使学生能够真正体验和应用所学知识。
实践教学主要包括以下内容:1. 实验室模拟:通过实验室模拟钻井、土样采样、岩心分析等测量过程,学生能够熟悉并掌握基本测量技术。
2. 现场实践:安排学生到钻井现场进行实践,参与各种工作,了解工作流程和操作规范。
3. 实践报告:根据实践情况及所学知识进行分析与总结,撰写实践报告。
七、总结通过本课程的学习,学生将系统性地掌握岩石物理力学、勘探地球物理学及储层物性等基础知识,熟悉钻孔勘探常用钻具和测量工具,掌握钻井工程设计理论及方法,并能够独立设计简单的钻井方案,考虑并解决钻井过程中出现的问题。
!
西南石油大学石油工程专业学生
专业课程设计
钻井工程设计
专业年级: 学号: 姓名: 指导教师:
西南石油大学石油工程学院
3月15日
构造名称: WL 构造
井号: jing-66井
井别: 开发井
钻井工程设计
地质设计: ( 签名) 日期: 工程设计: ( 签名) 日期: 地质审核意见:
( 签名) 日期:
地质批准意见:
( 签名) 日期:
工程审核意见:
( 签名) 日期:
工程批准意见:
( 签名) 日期:
地质设计
一、地质概况
1. 井位座标:
2. 地面海拔: 300米
3. 构造位置: WL构造
4. 地理位置: HN省QH县WL乡
5. 测线位置:
6. 设计井深: 4800米
7. 钻探目的: 开发ST系气层
二、地层分层、岩性描述故障提示
三、 地层压力剖面
表A-3
名称 w S ()3cm g ()3cm g S g
()3cm g S f ()3cm g S k ()a N MP P ∆ ()a a MP P ∆
数值
0.036 0.036 0.025
0.06
17 22。