钻井工程课程设计
- 格式:doc
- 大小:715.00 KB
- 文档页数:35
XX凹陷西部斜坡带XXX构造XXX钻井工程设计书XXXXXX公司XX分公司XXXX年X月XX凹陷西部斜坡带XXX构造XXX钻井工程设计书设计单位: XXX集团XX石油局XXX研究院设计者:XXX XXX审核: XXX总工程师: XXX院长: XXX审批单位:XXXXXX公司XX分公司施工单位:XXX钻井队钻井队长: XXX技术负责:XXX XXX编写时间:XXXX年X月目录第一部分:钻井设计 (1)一、设计依据 (1)二、井位及地质概况 (1)三、主要钻井设备 (3)四、井身剖面设计 (4)五、井身结构及套管程序 (4)六、钻具组合设计及强度校核 (6)七、钻头选型 (8)八、钻井参数及水力参数设计 (8)九、井控设计 (9)十、井身质量要求 (14)十一、取芯设计 (16)十二、各井段施工要点及技术措施 (16)第二部分:钻井液设计 (21)一、钻井液设计依据 (21)二、钻井液设计重点提示 (21)三、钻井液体系和配方设计 (22)四、分井段钻井液参数设计表 (23)五、分井段钻井液配制及维护处理 (23)六、固相控制 (25)七、钻井液材料设计 (26)八、现场钻井液测试仪器配套要求 (26)九、现场钻井液管理要求 (27)第三部分:固井设计 (29)一、固井管串设计 (29)二、水泥浆性能要求 (30)第四部分:油气层保护 (31)一、钻井过程中储层保护方案 (31)二、钻开油气层的其它要求 (32)三、套管固井要求 (32)第五部分:安全、健康、环境措施 (33)一、HSE管理要求 (33)二、健康、环保要求 (33)三、其它要求 (33)第六部分:工程计划及技术经济指标 (34)一、工程施工计划表 (34)二、工程进度计划图 (34)三、经济技术指标 (35)四、全井费用预算 (35)第七部分:验收及上交资料 (36)一、验收资料 (36)二、上交XX分公司资料 (36)钻井设计一、设计依据1. XX分公司文件《XXX地质设计书》(XX股份[2004] 169号)2.《XXX钻井工程设计纲要》3.《中华人民共和国石油天然气行业标准》二、井位及地质概况(一) 井位地理位置:XX省XX市XX镇XX村。
《钻井工程》课程设计一、课程目标知识目标:1. 让学生掌握钻井工程的基本概念,如钻井流程、钻头类型及钻井液性质;2. 使学生了解钻井工程中涉及到的地质知识和地层评价方法;3. 引导学生掌握钻井工程设计的基本原则和步骤。
技能目标:1. 培养学生运用钻井参数进行工程计算的能力;2. 提高学生分析钻井过程中遇到的问题,并提出合理解决方案的能力;3. 培养学生利用现代技术手段,如计算机软件进行钻井工程设计的能力。
情感态度价值观目标:1. 培养学生对钻井工程的兴趣,激发他们探索石油工程领域的热情;2. 培养学生具备良好的团队合作精神,增强他们在钻井工程实践中的沟通与协作能力;3. 引导学生认识到钻井工程在能源开发中的重要性,树立安全、环保的意识。
本课程针对高中年级学生,结合钻井工程学科特点,注重理论知识与实践技能的结合。
在教学过程中,注重启发式教学,引导学生主动参与,培养他们的创新意识和实践能力。
通过本课程的学习,使学生能够具备钻井工程基本知识和技能,为未来从事相关领域工作打下坚实基础。
二、教学内容1. 钻井工程基本概念:包括钻井的目的、钻井流程、钻头类型及钻井液性质等,对应教材第一章内容。
2. 地质知识与地层评价:涉及地层分类、岩石性质、地质构造及地层评价方法,对应教材第二章内容。
3. 钻井工程设计原则与步骤:介绍钻井工程设计的基本原则、步骤及注意事项,对应教材第三章内容。
4. 钻井参数计算:讲解钻具组合、钻头选择、钻井液配制等参数计算方法,对应教材第四章内容。
5. 钻井过程中问题分析及解决方案:分析钻井过程中可能遇到的问题,如卡钻、井壁塌陷等,并提出相应解决方案,对应教材第五章内容。
6. 钻井工程设计实践:结合计算机软件,让学生动手设计钻井工程方案,对应教材第六章内容。
本教学内容按照钻井工程的基本知识和技能要求进行组织,注重理论与实践相结合,使学生在掌握基本概念的基础上,能够运用所学知识解决实际问题。
课程设计 钻井工程一、课程目标知识目标:1. 让学生理解钻井工程的基本概念,掌握钻井流程中的关键环节和操作要点。
2. 使学生了解钻井工程的各类设备及其功能,掌握设备的使用方法和安全操作规程。
3. 引导学生掌握钻井工程中常见问题及解决方法,提高学生的实际操作能力。
技能目标:1. 培养学生运用钻井设备进行实际操作的能力,提高动手实践技能。
2. 培养学生分析钻井过程中出现的问题,并提出合理解决方案的能力。
3. 培养学生具备钻井现场安全防护和环境保护的意识。
情感态度价值观目标:1. 激发学生对钻井工程的兴趣,培养其探究精神和创新意识。
2. 培养学生具备良好的团队合作精神,增强沟通协调能力。
3. 引导学生树立安全生产观念,关注环境保护,提高社会责任感。
课程性质:本课程为实践性较强的课程,旨在通过理论教学与实践操作相结合,使学生在掌握钻井工程基本知识的基础上,提高实际操作能力。
学生特点:高中生具备一定的理论基础,好奇心强,善于探究,但实践经验不足。
教学要求:结合学生特点,注重理论与实践相结合,强化实践操作环节,提高学生的实际操作能力和解决问题的能力。
同时,注重培养学生的安全意识、环保意识和团队协作能力。
通过本课程的学习,使学生能够达到课程目标,为今后从事相关工作打下坚实基础。
二、教学内容依据课程目标,本章节教学内容主要包括以下几部分:1. 钻井工程基本概念:介绍钻井工程定义、分类及发展历程,使学生了解钻井工程的基本情况。
教学大纲:第一章 钻井工程概述2. 钻井设备与工具:讲解钻井工程中常用的设备、工具及其功能,使学生掌握设备的使用方法和安全操作规程。
教学大纲:第二章 钻井设备与工具3. 钻井流程及操作要点:详细讲解钻井流程的各个环节,重点分析操作要点,提高学生的实际操作能力。
教学大纲:第三章 钻井流程及操作要点4. 钻井工程常见问题及解决方法:分析钻井过程中可能出现的问题,指导学生掌握解决问题的方法。
教学大纲:第四章 钻井工程常见问题及解决方法5. 钻井现场安全与环保:强调钻井现场的安全防护措施,培养学生具备安全意识和环保意识。
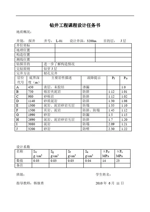
钻井工程课程设计任务书地质概况:班级:学生姓名:指导教师:韩继勇2010年6月11日钻井工程课程设计任务书地质概况:班级:学生姓名:指导教师:韩继勇2010年6月11日钻井工程课程设计任务书地质概况:班级:学生姓名:指导教师:韩继勇2010年6月11日钻井工程课程设计任务书地质概况:班级:学生姓名:指导教师:韩继勇2010年6月11日钻井工程课程设计任务书地质概况:班级:学生姓名:指导教师:韩继勇2010年6月11日钻井工程课程设计任务书地质概况:班级:学生姓名:指导教师:韩继勇2010年6月11日钻井工程课程设计任务书地质概况:班级:学生姓名:指导教师:韩继勇2010年6月11日钻井工程课程设计任务书地质概况:班级:学生姓名:指导教师:韩继勇2010年6月11日钻井工程课程设计任务书地质概况:班级:学生姓名:指导教师:韩继勇2010年6月11日钻井工程课程设计任务书地质概况:班级:学生姓名:指导教师:韩继勇2010年6月11日钻井工程课程设计任务书地质概况:班级:学生姓名:指导教师:韩继勇2010年6月11日钻井工程课程设计任务书地质概况:班级:学生姓名:指导教师:韩继勇2010年6月11日钻井工程课程设计任务书地质概况:班级:学生姓名:指导教师:韩继勇2010年6月11日钻井工程课程设计任务书地质概况:班级:学生姓名:指导教师:韩继勇2010年6月11日钻井工程课程设计任务书地质概况:班级:学生姓名:指导教师:韩继勇2010年6月11日钻井工程课程设计任务书地质概况:班级:学生姓名:指导教师:韩继勇2010年6月11日钻井工程课程设计任务书地质概况:班级:学生姓名:指导教师:韩继勇2010年6月11日钻井工程课程设计任务书地质概况:班级:学生姓名:指导教师:韩继勇2010年6月11日钻井工程课程设计任务书地质概况:班级:学生姓名:指导教师:韩继勇2010年6月11日钻井工程课程设计任务书地质概况:班级:学生姓名:指导教师:韩继勇2010年6月11日钻井工程课程设计任务书地质概况:班级:学生姓名:指导教师:韩继勇2010年6月11日钻井工程课程设计任务书地质概况:班级:学生姓名:指导教师:韩继勇2010年6月11日钻井工程课程设计任务书地质概况:班级:学生姓名:指导教师:韩继勇2010年6月11日钻井工程课程设计任务书地质概况:班级:学生姓名:指导教师:韩继勇2010年6月11日钻井工程课程设计任务书地质概况:班级:学生姓名:指导教师:韩继勇2010年6月11日钻井工程课程设计任务书地质概况:班级:学生姓名:指导教师:韩继勇2010年6月11日钻井工程课程设计任务书地质概况:班级:学生姓名:指导教师:韩继勇2010年6月11日钻井工程课程设计任务书地质概况:班级:学生姓名:指导教师:韩继勇2010年6月11日钻井工程课程设计任务书地质概况:班级:学生姓名:指导教师:韩继勇2010年6月11日钻井工程课程设计任务书地质概况:班级:学生姓名:指导教师:韩继勇2010年6月11日。
钻井工程课程设计的内容通常需要包括以下几个方面:
钻井工程概论:介绍钻井工程的基本概念、定义、发展历程、钻井工程在石油工业中的地位、钻井工程与石油勘探、生产工程的关系等。
钻井设备:包括钻井平台、钻机、钻具、钻头、钻井液、井口装置、钻井测量仪器等钻井设备的种类、用途、原理、结构、特点、操作方法等内容。
钻井工艺:介绍钻井工艺的流程、包括井位测量、井眼钻进、套管下入、固井、完井等工艺,以及相关的操作方法、注意事项、应急措施等内容。
钻井液体系:介绍钻井液的种类、组成、性质、作用及其在钻井工程中的应用。
钻井事故及其预防:介绍常见的钻井事故,如井喷、钻杆卡失、井壁塌陷、管柱扭曲等,以及相应的预防和处理措施。
钻井安全管理:介绍钻井安全管理的基本要求、原则、管理制度、应急预案等内容。
钻井技术的发展趋势:介绍目前钻井技术的新进展、新趋势、新技术、新设备等,以及对未来钻井技术的发展方向进行预测。
以上是一些常见的钻井工程课程设计的内容,具体的设计方案需要根据所学专业的要求、教学大纲和实际情况进行适当的调整和补充。
钻井工程课程设计钻井工程课程设计引言随着油气行业的发展,钻井工程逐步成为重要的行业之一。
钻井工程是指利用各种设备和工具在地下开挖井孔或钻孔以获得能源或矿产资源的过程。
钻井工程涉及到诸多技术和知识,因此需要专业的课程培训来增强学生的实践能力与专业水平。
本文将对钻井工程课程设计进行探讨,以期提高学生的学习效果和渴望掌握更多实际操作技能。
一、课程目标钻井工程课程的目标是培养学生具备以下能力:1. 理解钻井工程的基本原理和操作技术,包括钻井设备、工具、材料等的选择和使用;2. 掌握不同类型的钻井技术,包括传统的机械钻井和射孔式钻井,并了解新型钻井技术的发展;3. 能够熟练使用各种钻井工具和设备,完成钻井作业的前、中、后期工作;4. 具备现代生产管理知识和能力,能够进行钻井生产管理和组织,提高生产效率和质量;5. 持续学习各种前沿技术和新型设备,并具有独立创新和解决实际问题的能力。
二、课程内容1. 钻井工程基本知识:介绍钻井工程的基本原理和评价方法、钻井液的种类和组成、钻井设备的分类和用途、TDS、BSC、HOUC等的讲解和分析;2. 钻井工具、材料及选用:讲解各种常用的分析仪器、钻头和钻柄、钻井管、钻杆等的组成和用途,并深入探讨其选用及使用标准;3. 钻井方法及技术:分析和讲解传统常用的机械牵引式钻井、射孔式钻井、水力钻井等各类钻井方法,并介绍新型钻井技术、非常规钻井技术等;4. 钻井设备运行及维护:介绍钻井设备的运行、维护及保养,包括机械、电气等方面的内容;5. 钻井生产管理:讲授钻井生产管理的基本知识和管理工具,包括生产计划、业务对接、财务管理、管理流程等;6. 综合应用实验训练:进行现场实习与教学,让学生通过亲身体验加深对各类钻井技术、设备和工具的运用,以及对实际作业场景的应对能力。
三、教学方法1. 理论课程教授:采用客观、系统的教学方法讲解课程内容,并提供有关案例和技术文献供学生参考,以帮助学生更好地理解和掌握钻井工程知识;2. 实验教学:以真实的钻井现场为教学场景,组织学生进行面向对象的实践操作,以增强学生的实际能力和实战技能;3. 现场观摩:邀请行业领袖和资深工程师解析实际的案例、讨论和回顾经验,增强学生对实际案例的理解及处理方法等实战技巧;4. 项目案例分析:加强对应用场景的理解和分析能力,让学生更好地理解理论知识在实际中的应用。
远程教育学院石油工程专业《钻井工程》课程设计任务书中国石油大学(北京)远程教育学院目录一、地质设计摘要二、井身结构设计三、固井工程设计四、钻柱设计五、钻井设备选择六、钻井液设计七、钻进参数设计八、下部钻具组合设计九、油气井控制十、各次开钻或分井段施工重点要求十一、地层压力监测要求十二、地层漏失试验十三、油气层保护十四、完井井口装置十五、环保要求十六、钻井进度计划十七、成本预算XX油区XX凹陷一口直井生产井的钻井与完井设计。
设计内容:(其中打“√”部分必须设计,其他部分可选做或不做)一、地质设计摘要(√);根据《xx井钻井地质设计》,本井设计井深米,预测压力系数为0.95~0.98,属于正常压力体系。
主要目的层为。
因此本井设计表套封固第四系、第三系泰康组,一开直接采用高密度钻井液钻进,将可能存在的浅层气压稳;若一开确实钻遇浅层气,则在固井水泥浆中加入防气窜剂,保证固井质量。
二、井身结构设计(√);井身结构设计设计系数抽吸压力系数:0.04g/cm3激动压力系数:0.04 g/cm3地层破裂安全增值:0.03 g/cm3井涌条件允许值:0.05 g/cm3正常压力压差卡钻临界值:12~15MPa异常压力压差卡钻临界值:15~20MPa一、地质概况表A-1井别探井井号A5 设计井深目的层JQ井位坐标地面海拔m 50纵( )m 4275165横(y)m 20416485测线位置504和45地震测线交点地理位置XX省XX市东500m构造位置XX凹陷钻探目的了解XX构造JQ含油气情况,扩大勘探区域,增加后备油气源完钻原则进入JQ150m完钻完井方法先期裸眼层位代号底界深度,m 分层厚度,m 主要岩性描述故障提示A 280 砾岩层夹砂土,未胶结渗漏B 600 320 上部砾岩,砂质砾岩,中下部含砾砂岩渗漏C 1050 450 中上部含砺砂岩、夹泥岩和粉砂质泥岩;下部砺状砂岩,含砺砂岩、泥岩、粉砂质泥岩不等厚互层防塌D 1600 泥岩、砂质泥岩、砺状砂岩、含砺砂岩不等厚互层,泥质粉砂岩防漏防斜E 1900 300 砂质泥岩、泥质粉砂岩、夹砺状砂岩、含砺砂岩防斜防漏F3 2650 750 泥岩、粉砂质泥岩、泥质粉砂岩防斜F2J2900 250 泥岩夹钙质砂岩,夹碳质条带煤线,中部泥岩夹煤层、下部泥岩、粉砂岩、泥质粉砂岩防斜、塌、卡F2K 3150 250 泥岩为主,泥质粉砂岩,中粗砂岩,砂砾岩间互F1 3500 350 泥岩、泥质砂岩、下部灰褐色泥岩防漏、喷、卡Q J3650(未穿)150深灰,浅灰色灰岩为主,间夹褐,砖红色泥岩防漏、喷、卡井身结构设计表(1)设计一开井深200±米,表层套管下深199±米,封固上部松散地层,为二开安全施工创造条件。
西安石油钻井课程设计一、课程目标知识目标:1. 了解西安石油钻井的基本概念,掌握钻井工程的基本原理。
2. 学习钻井工具的类型及功能,理解钻井过程中各设备的作用。
3. 掌握钻井液的性质及在钻井过程中的作用,了解钻井液的使用要求。
技能目标:1. 培养学生运用所学知识解决实际钻井问题的能力,提高分析和解决问题的技能。
2. 能够根据实际需求选择合适的钻井工具和设备,进行钻井作业的模拟操作。
3. 学会使用钻井液,并能根据实际情况调整钻井液的性能,确保钻井作业的顺利进行。
情感态度价值观目标:1. 培养学生对石油钻井工程的认识和兴趣,激发探索石油科技的热情。
2. 增强学生的安全意识,了解钻井作业中的安全规程,养成严谨、规范的操作习惯。
3. 培养学生的团队合作精神,提高沟通与协作能力,使学生在钻井作业中形成良好的职业素养。
课程性质:本课程为石油工程专业课程,旨在让学生掌握钻井工程的基本知识、技能和方法。
学生特点:学生已具备一定的石油工程基础知识,具有较强的学习能力和实践操作能力。
教学要求:结合课程内容和学生特点,采用理论教学与实践操作相结合的方式,注重培养学生的实际操作能力和综合素质。
通过本课程的学习,使学生能够达到上述课程目标,为将来的石油钻井工作打下坚实基础。
二、教学内容1. 钻井工程基本原理:包括钻井的目的与意义、钻井工程的分类及钻井过程中的关键环节。
- 教材章节:第一章 钻井工程概述- 内容:钻井工程的基本概念、钻井类型、钻井工程的主要流程。
2. 钻井工具与设备:介绍各种钻井工具的类型、结构及功能,以及钻井设备的操作与维护。
- 教材章节:第二章 钻井工具与设备- 内容:钻头、钻杆、钻井泵、绞车等设备的作用、结构及操作要点。
3. 钻井液:讲解钻井液的种类、性质、应用及其在钻井过程中的作用。
- 教材章节:第三章 钻井液- 内容:钻井液的类型、性质、配制方法及其在钻井作业中的应用。
4. 钻井作业实践:结合理论教学,组织学生进行钻井作业模拟操作,提高实际操作能力。
实操课程设计钻井一、教学目标本课程的学习目标包括知识目标、技能目标和情感态度价值观目标。
知识目标要求学生掌握钻井的基本原理、流程和设备;技能目标要求学生能够运用所学知识进行钻井操作和故障排除;情感态度价值观目标要求学生培养对钻井行业的兴趣和责任感。
二、教学内容教学内容将根据课程目标进行选择和,确保内容的科学性和系统性。
教学大纲将明确教学内容的安排和进度,指出教材的章节和具体内容。
本课程主要内容包括钻井原理、钻井设备、钻井液、钻井操作、钻井故障排除等。
三、教学方法为了激发学生的学习兴趣和主动性,将采用多种教学方法。
包括讲授法、讨论法、案例分析法和实验法等。
讲授法用于传授基本知识和原理;讨论法用于引导学生进行思考和交流;案例分析法用于分析实际问题和解决方案;实验法用于实践操作和技能培养。
四、教学资源将选择和准备适当的教学资源,包括教材、参考书、多媒体资料和实验设备等。
教材将作为主要学习资源,提供系统的知识结构;参考书将提供更多的案例和实践经验;多媒体资料将通过图像、视频等形式丰富教学内容;实验设备将用于实践操作和技能培养。
这些教学资源将支持教学内容和教学方法的实施,丰富学生的学习体验。
五、教学评估本课程的评估方式将包括平时表现、作业和考试等。
平时表现将根据学生在课堂上的参与度、提问和回答等来评估;作业将根据学生的完成质量和及时性来评估;考试将根据学生的知识和技能掌握程度来评估。
评估方式将客观、公正,能够全面反映学生的学习成果。
六、教学安排教学安排规定了教学进度、教学时间和教学地点等。
教学进度将根据教学目标和内容进行合理安排,确保在有限的时间内完成教学任务。
教学时间将根据学生的作息时间和兴趣爱好进行安排,尽量不影响学生的休息和兴趣发展。
教学地点将选择适合钻井实操的场地,确保学生能够进行实际操作。
七、差异化教学根据学生的不同学习风格、兴趣和能力水平,将设计差异化的教学活动和评估方式。
对于学习风格不同的学生,可以采用不同的教学方法,如视觉教学、动手操作等;对于兴趣不同的学生,可以选择相关的案例和实际操作进行教学;对于能力水平不同的学生,可以设置不同难度的任务和考核标准。
东北石油大学华瑞学院课程设计年月日东北石油大学课程设计任务书课程题目专业XX学号主要内容、基本要求、主要参考资料等:1、设计主要内容:根据已有的基础数据,利用所学的专业知识,完成一口井的钻井工程相关参数的计算,最终确定出钻井、完井技术措施。
主要包括井身结构、钻具组合、钻井液、钻井参数设计和完井设计。
2、设计要求:要求学生选择一口井的基础数据,在教师的指导下独立地完成设计任务,最终以设计报告的形式完成专题设计,设计报告的具体内容如下:(1)井身结构设计;(2)套管强度设计;(3)钻柱设计;(4)钻井液设计;(5)钻井水力参数设计;(6)注水泥设计;(7)设计结果;(8)参考文献;设计报告采用统一格式打印,要求图表清晰、语言流畅、书写规X、论据充分、说服力强,达到工程设计的基本要求。
3、主要参考资料:王常斌等,《石油工程设计》,东北石油大学校内自编教材陈涛平等,《石油工程》,石油工业,2000《钻井手册(甲方)》编写组,《钻井手册》,石油工程,1990完成期限指导教师专业负责人年月日前言钻井工程设计是石油工程的一个重要部分,是确保油气钻井工程顺利实施和质量控制的重要保证,是钻井施工作业必须遵循的原则,是组织钻井生产和技术协作的基础,是搞好单井预算和决算的唯一依据。
钻井设计的科学性、先进性关系到一口井作业的成败和效益。
科学钻井水平的提高,在一定程度上依靠钻井设计水平的提高。
设计应在充分分析有关地质和工程资料的基础上,遵循国家及当地政府有关法律、法规和要求,按照安全、快速、优质和高效的原则进行,并且必须以保证实施地质任务为前提。
主要目的层段的设计必须体现有利于发现与保护油气层,非目的层段的设计主要考虑满足钻井工程施工作业和降低成本的需要。
本设计的主要内容包括:1、井身结构设计及井身质量要求:原则是能有效地保护油气层,使不同地层压力梯度的油气层不受钻井液污染损坏;应避免漏、喷、塌、卡等复杂情况发生,为全井顺利钻进创造条件,使钻井周期最短;钻下部高压地层时所用的较高密度钻井液产生的液柱压力,不致压裂上一层管鞋处薄弱的裸露地层;下套管过程中,井内钻井液柱压力之间的压差不致产生压差卡套管等严重事故以及强度的校核。
钻井工程课程设计课程设计背景钻井工程是石油工业的核心和基础,是探明油气资源、开采油气的重要环节。
钻井工程需要综合运用地质学、地球物理学、化学、力学、机械等理论和技术,具有复杂性和技术性强的特点。
因此,本课程设计的目的是通过对钻井工程的全面了解和学习,掌握钻井工程的基本原理和过程,并为学生今后从事石油工业提供必要的技术和理论支持。
课程设计任务任务一题目:分析钻井工程流程,并确定钻井液的配方和性能要求。
任务描述:1.了解钻井工程中各个环节的工作流程;2.研究钻井液配方的基本原理和选择方法;3.根据井深、井壁情况等因素,确定钻井液的配方和性能要求。
任务二题目:设计钻头的选择标准。
任务描述:1.了解不同类型的钻头,并分析其适用范围和性能差异;2.掌握不同类型钻头的选择方法;3.根据钻井深度、地质情况等因素,选择适合的钻头。
任务三题目:分析防漏技术在钻井中的应用。
任务描述:1.了解防漏技术的基本原理和分类;2.分析防漏技术在钻井工程中的应用;3.设计防漏方案,并进行评估和改进。
课程设计过程阶段一完成任务一,从理论和实践两个方面进行综合分析,确定钻井液的配方和性能要求。
首先,分析钻井工程中各个环节的工作流程,然后根据井深、井壁情况等因素,确定钻井液的配方和性能要求。
最后,按照配方要求,进行钻井液的试制和性能测试。
阶段二完成任务二,针对钻头选择问题,进行综合分析和设计。
首先,了解不同类型的钻头,并分析其适用范围和性能差异。
然后,掌握不同类型钻头的选择方法,根据钻井深度、地质情况等因素,选择适合的钻头。
最后,进行钻头的试验性钻井。
阶段三完成任务三,针对防漏技术在钻井中的应用问题进行分析和设计。
首先,了解防漏技术的基本原理和分类。
然后,分析防漏技术在钻井工程中的应用,并设计防漏方案。
最后,进行防漏方案的评估和改进。
课程设计总结本课程设计的主要目的是通过对钻井工程的全面了解和学习,使学生掌握钻井工程的基本原理和过程。
石油工程课程设计钻井一、课程目标知识目标:1. 理解钻井工程的基本概念,掌握钻井过程中涉及的地质、工程和理化知识;2. 掌握钻井液的性质、组成及在钻井过程中的作用,了解钻井液在不同地层中的应用;3. 了解钻井设备的类型、结构及工作原理,掌握钻井设备的使用与维护方法;4. 掌握钻井工艺流程,了解钻井过程中的安全与环保要求。
技能目标:1. 能够分析钻井工程中遇到的问题,提出合理的解决方案;2. 能够运用所学知识进行钻井液配制,优化钻井液性能;3. 能够运用钻井设备进行实际操作,掌握钻井过程中的基本操作技能;4. 能够遵循钻井工程的安全与环保规范,具备一定的现场应急处理能力。
情感态度价值观目标:1. 培养学生对石油工程领域的兴趣,激发学习热情,树立从事石油工程相关工作的职业理想;2. 培养学生的团队协作精神,学会与他人共同解决问题,提高沟通与协作能力;3. 增强学生的环保意识,认识到石油工程在可持续发展中的重要性,形成良好的社会责任感;4. 培养学生严谨的科学态度,注重实践与创新,提高分析和解决问题的能力。
本课程针对高年级学生,具有较强的理论性和实践性。
在教学过程中,需结合学生的认知特点,注重理论与实践相结合,充分调动学生的积极性与主动性。
通过本课程的学习,使学生能够掌握钻井工程的基本知识、技能和素质,为将来从事石油工程相关工作奠定坚实基础。
二、教学内容1. 钻井工程基本概念:钻井类型、钻井过程、钻井工程在石油开采中的重要性。
教材章节:第一章 钻井工程概述2. 钻井液:钻井液的类型、性质、组成;钻井液在钻井过程中的作用;钻井液性能的检测与优化。
教材章节:第二章 钻井液3. 钻井设备:钻井设备的分类、结构、工作原理;钻井设备的使用与维护。
教材章节:第三章 钻井设备4. 钻井工艺流程:钻井设计、钻头选择、钻进过程、完井工艺;钻井过程中的安全与环保要求。
教材章节:第四章 钻井工艺流程5. 钻井工程案例分析:分析实际钻井工程中遇到的问题及解决方法,提高学生分析问题和解决问题的能力。
石油工程课程设计(钻井部分)姓名:李欣班级:油工61003班学号:201061567指导教师:张俊目录一.井身结构的设计二.钻井设备的设计三.井眼轨道的设计四.钻具组合的设计五.钻井液的设计六.钻井参数的设计七.套管柱的设计一、井身结构设计1.套管的层次钻井开孔后钻到表土层以下的基岩,钻达一定深度,下入表层套管。
该井浅层多为砂岩层,结构疏松。
表层套管用于巩固上部比较疏松易塌的不稳定岩层,生产套管从井口下到井底,用于封隔油、气、水层,保证油井正常生产。
2、下入的深度表层套管下深100m,水泥返深至地面,是油气井套管程序里的最后一层套管,从井口一直下到穿过的油气层以下。
油层套管下入的深度,基本就是钻井的深度,所以生产套管下深为2098m。
,水泥返深1100m。
3、套管的尺寸分析可得:Φ139.7mm的生产套管→Φ215.9mm的钻头→Φ311.1mm的钻头→Φ339.7mm的表层套管→Φ444.5mm的钻头二、钻井主要设备的设计钻井主要设备设计如下:三.井眼轨道的设计由资料得曲率:K c =0.33*100/30=5.4;曲率半径:R=1719/K c =318.3m 计算最大稳斜角:22tan tan tan1tan22tb b bb t k S D D R αααα==---其中:R -造斜段圆弧对应的半径,1719c R K =;t S -目标点或目标段入口点的水平位移,m ;t D -目标点或目标段入口点的垂深,m ; k D -造斜点垂深,m ;b α-稳斜段井斜角,()。
设计井底垂深Dt=2070M,设计完钻井深2103M 由资料得此井为多靶点三段式,故:b b Rz Dkop Dt st ααtan ]2/tan [--=m mSt mRz Dkop 02.603381725=== 经计算得:53.29 =α(1)钻铤长度的确定查表选择钻铤,钻铤外径177.8mm ,内径57.2mm ,均重m N 1708c =q , W=60KN,d ρ=1.1,直井段ɑ= 。
钻井工程设计课程设计钻井工程设计课程设计一、课程目标本课程旨在通过系统掌握钻探工程的设计方法,使学生具备以下知识与技能:1. 熟练掌握基础的岩土物理力学和岩土工程学知识;2. 理解岩石物理力学、勘探地球物理学及储层物性等基础知识;3. 熟悉钻孔勘探常用钻具和测量工具;4. 掌握钻井工程设计理论及方法,熟悉钻探过程和相关技术;5. 能够独立设计简单的钻井方案,考虑并解决钻井过程中出现的问题。
二、课程内容1. 钻地层勘探技术2. 钻探装备3. 钻井液与封隔4. 钻头与钻杆5. 钻井方案设计6. 钻井现场管理7. 突发事件处理三、教学方法本课程采用多种教学方法,包括讲授、案例分析、实验实践和现场教学。
1. 讲授:通过教师讲解基本理论和解决问题的方法,帮助学生快速掌握钻井工程设计的基础知识。
2. 案例分析:通过针对各种不同情况的案例分析,加深学生对理论知识的理解和运用能力。
3. 实验实践:通过实验室实践,学生将系统掌握和应用钻井工程设计的基础知识。
4. 现场教学:通过参观和指导,学生能够了解钻井工程生产现场,并能够对工作内容有实际的认识。
四、考核方法1. 课堂参与度及期中考试2. 作业及课程设计3. 实验报告及实验表现4. 课程终结报告五、参考教材1. 钻井工程原理与设计(第三版)作者:郭钟灵2. 钻探技术手册(第二版)作者:陈安芳3. 钻井液与钻井技术(第二版)作者:穆庆民4. 岩石力学与钻井工程设计(第二版)作者:李夏强六、实践教学本课程设置实践环节,使学生能够真正体验和应用所学知识。
实践教学主要包括以下内容:1. 实验室模拟:通过实验室模拟钻井、土样采样、岩心分析等测量过程,学生能够熟悉并掌握基本测量技术。
2. 现场实践:安排学生到钻井现场进行实践,参与各种工作,了解工作流程和操作规范。
3. 实践报告:根据实践情况及所学知识进行分析与总结,撰写实践报告。
七、总结通过本课程的学习,学生将系统性地掌握岩石物理力学、勘探地球物理学及储层物性等基础知识,熟悉钻孔勘探常用钻具和测量工具,掌握钻井工程设计理论及方法,并能够独立设计简单的钻井方案,考虑并解决钻井过程中出现的问题。
表A-1 钻井工程课程设计任务书一、地质概况29:井别:探井井号:设计井深:3265m 目的层:当量密度为:g/cm3表A-2设计系数石工专业石工(卓越班)1201班学生姓名:木合来提.木哈西图A-1 地层压力和破裂压力一.井身结构设计1.由于该井位为探井,故中间套管下深按可能发生溢流条件确定必封点深度。
由图A-1得,钻遇最大地层压力当量密度ρpmax=1.23g/cm³,则设计地层破裂压力当量密度为:ρfD=1.23+0.024+3245/H1×0.023+0.026.试取H1=1500m,则ρfD=1.23+0.024+2.16×0.023+0.026=1.33 g/cm³,ρf1400=1.36 g/cm³> ρfD 且相近,所以确定中间套管下入深度初选点为H1=1500m。
验证中间套管下入深度初选点1500m是否有卡钻危险。
从图A-1知在井深1400m处地层压力梯度为1.12 g/cm³以及320m属正常地层压力,该井段内最小地层压力梯度当量密度为1.0 g/cm³。
ΔP N=0.00981×(1.10+0.024-1.0)×320=0.389<11MPa所以中间套管下入井深1500m无卡套管危险。
水泥返至井深500m。
2.油层套管下入J层13-30m,即H2=3265m。
校核油层套管下至井深3265m是否卡套管。
从图A-1知井深3265m处地层压力梯度为1.23 g/cm³,该井段内的最小地层压力梯度为1.12g/cm³,故该井段的最小地层压力的最大深度为2170m。
Δp a=0.00981×(1.23+0.024-1.12)×2170=2.85Mpa<20 Mpa所以油层套管下至井深3265m无卡套管危险。
水泥返至井深2265m。
3.表层套管下入深度。
中间套管下入井深1500处,地层压力梯度当量密度为 1.12 g/cm³,给定溢流数值S k =0.023 g/cm ³。
由公式ρfD=1.12+0.024+1500/D 1×0.023+0.026 试取700m 得ρfD=1.22 g/cm ³ 由图A-1得ρf 700 =1.23 g/cm ³ρf 700 –ρfD=1.23-1.22=0.01<(0.024~0.048) g/cm ³ 满足要求,即表层套管下深700m 。
表层套管水泥返至地面。
4.本井采用in 78598313⨯⨯井身结构。
表层套管用444.5mm(in 2117)钻头,钻至井深705m ,339.7mm(in 8331)套管下至井深704m,水泥返至地面。
中间套管用311.1mm (in 4112)钻头,钻至井深1505m ,244.5mm(859in)套管下至井深1502m,水泥返至井深500m 。
油层套管用215.9mm (in 218)钻头,钻至井深3265m ,139.7(215in )mm 套管下至井深3265m,水泥返至井深2265m 。
将井身结构设计数据填入表A-3。
表A-3井身结构设计结果二、固井工程设计1.套管强度设计(1)表层套管下深704m ,选用K-55,壁厚9.65mm 套管,不必进行强度设计。
(2)中间套管设计(244.5mm ) 设计数据: 下入深度 1502m钻井液密度ρm =1.12+0.024=1.144g/cm ³,抗外挤安全系数Sc=1.05, 抗拉安全系数St=1.80, 抗内压安全系数Si=1.10 设计方法:采用等安全系数法 计算井口最大内压力P siHG P ρ-410-1.115bi si eP ⨯=MPa P bi 53.16150512.100981.0=⨯⨯=07.1553.16150555.010115.14==⨯⨯⨯--eP si Mpa设计内压力MPa S P P i si iD 577.1610.107.15=⨯==因此,抗内压强度小于16.577Mpa 的套管均不能选用。
确定下部第一套管,设计挤压强度为MPa P C 70.1705.11502144.100981.01=⨯⨯⨯=由表查得J-55,壁厚10.03mm 套管: Pc=17.72Mpa , Pi=27.23Mpa PT=2313.1kN , q=583.8N/mdi=224.4mm , 长圆螺纹。
051.11502144.100981.072.1711=⨯⨯==o C c P P S >1.05 81.107.1524.271==i S >1.10第二段选用J-55,壁厚8.94mm 套管。
P c =13.93Mpa , P i =24.27Mpa P T =2015kN , q=525.4N/m di=226.6mm , 长圆螺纹。
许可下入深度: m H 118205.1144.100981.093.131=⨯⨯=第一段套管下入长度 L 1=1502-1182=320m 校核第一段套管抗拉强度KN T Z 59.159)85.7144.11(8.5833201=-⨯= 50.1459.1591.23131==T S >1.8第二段套管下入长度L 2=1502-320=1182m由于第二段套管穿过了水泥封固面,故应进行双轴应力校核。
先计算在水泥面处套管在双轴应力作用下的实际抗挤强度。
所受拉力载荷:KNT Z 70.46510)85.7144.11()5001182(4.52559.15932=⨯-⨯-⨯+=-186.08.250870.46512==S Z T T 则查表894.0'=K 实际抗挤强度MPa P CC 45.1293.13894.02=⨯=抗挤安全系数 05.122.2500144.100981.045.122>=⨯⨯=C S水泥面处实际抗挤强度满足要求。
对第二段套管底端进行双轴应力校核。
kNT Z 17.30310854.03204.52559.1593'2=⨯⨯⨯+=-121.08.250817.30322'==S Z T T 查表得K ’=0.934'2CC P =0.934×13.93=13.01MPa981.01182144.100981.001.132'=⨯⨯=C S第二段不满足要求,故延伸第一段套管向上100m 。
即mL 420'1= KN T Z 04.34810854.04204.52559.1593''2=⨯⨯⨯+=-138.08.250804.3482''2==S Z T T 查表得K ’=0.924P ‘’cc2=0.924×13.93=12.87MPa05.106.11082144.100981.087.123>=⨯⨯=C S所以第一段套管下入长度L 1=420m 抗拉安全系数 80.177.304.3481.23132>==T S抗内压安全系数 10.181.107.1523.272>==i S第二段套管下入井深06.1,10822==C S m H ,校核该段套管顶部截面(井口)的抗拉强度10.141.210854.0)4201502(4.52504.348201533>=⨯⨯-⨯+=-T S 10.161.107.1527.243>==i S以上计算结果列入表A-4。
表A-4 中间套管设计结果油层套管设计(139.7mm ) 设计数据: 下入深度 3265m钻井液密度 ρm =ρP +S b =1.23+0.024=1.254 g/cm 3 ,抗外挤安全系数Sc=1.10, 抗拉安全系数St=1.80, 抗内压安全系数Si=1.10 设计方法:等安全系数法 计算井口最大内压力PsiHG P ρ-410-1.115bi si eP ⨯=MPa P bi 40.39326523.100981.0=⨯⨯=pa 32.2539.40=P e3265*0.55*10*-1.115si -4M =设计内压力 pa 48.3510.125.32M P iD =⨯= 因此,抗内压强度小于35.48的套管均不能选用。
确定下部第一套管,设计挤压强度为MPa P c 18.4410.13265254.100981.01=⨯⨯⨯= 由表查得N-80 壁厚9.17mm 套管: Pc=60.88Mpa , Pi=63.36Mpa P T =1903.8kN , q=291.9N/m di=121.4mm , 长圆螺纹。
10.151.13262254.100981.088.6011>=⨯⨯==o c c P P S 10.196.125.3236.631>==i S校核第一段套管抗拉强度kN T 800.810)7.851.254-1(291.932653-z 1=⨯⨯⨯=8.1377.28.8008.19031>==T S以上计算结果列入表A-5中。
表A-5 油层套管设计结果三、注水泥浆设计(1)表层套管设计数据:套管下入长度 Ls=704m,水泥塞高度h o =10m ,水泥浆返深:地面,钻井液性能3044.1cm g m =ρ,n=0.52,n s a 691.0⋅=P K 。
水泥浆性能3x g 85.1=ρ,s a 02.0⋅=P η,a 15o P =τ。
水泥浆附加量70%,钻井液压缩系数03.1k p =。
计算井径按钻头直径444.5mm 。
水泥用量N⨯-⨯=-)0.345.44(10785.02241V 704=45.55m ³ 32420.806m 1032.0410785.0V =⨯⨯⨯=- 附加30%,3391.13%30)806.055.45(m V =⨯+=水泥浆密度3x cm g 85.1=ρ时,每袋水泥(50kg )配水泥浆0.04015m 3/袋(40.15升/袋),则袋150104015.091.13806.055.45=++=N用水量V W (水灰比m=0.5)V W =1501×50×0.5/1000=37.53m 3 替钻井液Vm325852.57)310704(04.3203.11085.7m V m =+-⨯⨯⨯⨯=- 替钻井液终泵压MPa P E 57.500981.0704)044.185.1(=⨯⨯-= 设计结果见表A-6中。
(2)中间套管 设计数据:设计井深H=1505m,水泥塞高度h o =20m ,套管下入长度Ls=1502m ,水泥返深500m ,水泥附加量30%,钻井液压缩系数03.1k p =,计算井径按钻头直径311.1mm 。