皮带机使用说明书
- 格式:doc
- 大小:1.70 MB
- 文档页数:42
DTⅡ型固定式带式输送机使用说明书DTⅡ型固定式带式输送机使用说明书1.用途:DTⅡ型固定式带式输送机(以下简称DTⅡ型)由于输送量大、结构简单、维护方便、成本低、通用性强等优点广泛地在冶金、矿山、煤炭、港口、电站、建材、化工、轻工、石油等行业中用来输送散状物料和成件物品。
根据输送工艺要求,单机输送,也可以多台或与其它输送机组成水平或倾斜的输送系统。
DTⅡ型在环境温度-25~+40℃的范围内使用,输送物料的温度在50℃以下,对于有耐热、耐寒、防水、防腐、防爆、阻燃等条件,应另行采取相应的防护措施。
2.技术特征和技术参数:2.1、DTⅡ型可输送物料容量在2.5t/m以下;2.2、按带宽分为:500、650、800、1000、1200、1400、1600、1800、2000、2200、2400等11种;2.3、按驱动功率分为:1.5、2.2、3.0、4.0、5.5、7.5、11、15、18.5、22、30、37、45、55、75、90、110、132、160、200KW等20种。
2.4、按带速分为:0.8、1.0、1.25、1.6、2.0、2.5、3.15、4.0、(4.5)、5.0、(5.6)、6.5m/s等12种。
此外还有0.3m/s的带速系手选带式输送机专用;本系列输送能力见表1,表中输送能力是按水平输送,动堆积角为20°,托辊槽角为35°的条件下计算出的。
表1 带速、宽度与输送能力的匹配关系2.5、输送机允许输送的物料块度取决于带宽、带速、槽角和倾角,也取决于大块物料出现的频率。
各种带宽适用的最大块度,本系列推荐按表2选取。
当输送硬岩时,带宽超过1200 mm后,一般应限制在350 mm。
而不能随带宽的增长而加大。
3.结构概述3.1整机布置:DTⅡ的整机布置应有设计者根据物料输送工艺及其它要求进行主参数选择及计算后,选用本系列的各个部件组成一台完整的输送机。
制造厂按总图或部件清单生产供货,设计者应对整机的主要性能负责,制造厂应对部件本身的性能及质量负责,一般整机布置有下面几种形式(见图1)。
T D 75 型通用固定式带式输送机使用说明书一用途TD75型通用固定式带式输送机(以下简称TD75型)由于输送量大,结构简单,维护方便,成本低,通用性强等优点而广泛的在冶金,煤炭,交通,水电等部门中用来输送散状物料或成件物品,根据输送工作的要求可以单机输送,也可多台或与其他输送机组成水平或倾斜的输送系统。
TD75型在环境温度+40℃到-10℃的范围内使用,输送物料的温度在50℃以下。
对于有防爆,防水,防腐蚀及耐热,耐寒等特殊要求的场合,应另行采取相应措施。
二技术特征和主要参数TD75型可输送无聊的容重应在2.5吨/米3以下本系列按带宽分为:500 650 800 1000 1200 1400毫米等六种规格。
按驱动功率分为:1.5 2.2 3.0 4.0 5.5 7.5 11(10)15(13)18.5(17)22 30 40 55 75 100 115 130 155 185(180)千瓦等十九种。
按带速分为:0.8 1.0 1.25 1.6 2.0 2.5 3.15 4.0米/秒等八种。
此外还有0.3米/秒的带速系手选带式输送机专用。
本系列最大输送量见表1.表中的输送量是在物料容重r=1.0吨/米3,输送机倾角0°-7°物料堆积角为30°的条件下计算出的。
三安装试运转和调整1.安装安装前应根据验收规则进行验收,并熟悉安装技术要求和输送机图纸要求。
安装技术要求见《机械设备安装工程施工及验收规范》TJ231(一)-75 (1)安装顺序:一般是:划中心线→安装机架(头架→中间架→尾架)→安装下托辊及改向滚筒→将输送带放在下托辊上→安装上托辊→安装拉紧装置,传动辊筒和驱动装置→将输送带绕过头尾滚筒→输送带接头→张紧输送带→安装清扫器带式逆止器导料槽及罩壳等。
(2)安装注意事项:○1全部滚筒,托辊,驱动装置安装后均应转动灵活。
○2重型缓冲托辊安装时,应按图纸要求保证弹簧的张紧力。
一.用途TD75型通用固定带式输送机(以下简称TD75型)由于输送量大、结构简单、维护方便、成本低、通用性强等优点而广泛地在冶金、煤炭、交通、水电等部门中用来输送散状物料或成件物品。
根据输送工艺的要求,可以单机输送,也可以多台或与其它输送机组成水平或倾斜的输送系统。
TD75型在环境温度+40 ~12 的范围内使用,输送物料的温度在50℃以下。
对于有防爆、防水、防腐蚀及耐热、耐寒等特殊要求的场合,应另行采取相应措施。
二、技术特征和主要参数本系列按带宽分为:500、650、800、1000、1200、1400毫米等七种规格;按驱动功率分为: 1.5、2.2、3.0 、4.、5.5、7.5 、11 、15、18.5、22 、30、40 、55、75 、100、115、130、155 185 KW等十九种。
按带速分为:0.8、1.0、 1.25 、1.6 、2.0、2.5、 3.15、4.0m/s等八种。
此外还有0.3m/s的带速系手选带式输送机专用.TD75型以输送物料的容积应在2.5吨/米以下。
本系列最大输送量见表1表中的输送量是在物料容积r=1.0t/m3,输送机倾角0°~7°,物料动堆积角为30°的条件下计算出的。
三、结构概述1、整机布置:TD75型的整机布置应由设计者根据物料输送工艺及其它要求进行主参数选择及某些计算后,选用本系列的各个部件组成一台完整的输送机。
制造厂按总图或部件清单生产并供货,设计者应对整机主要性能负责,制造厂应对部件本身的性能及质量负责。
一般整机布置有下面几种基本形式:图1水平输送机图2倾斜输送机图3带凸弧段输送机图4带凹弧段输送机图5带凸弧段输送机2、输送带:是曳引和承载物料的主要部件,TD75型采用普通型橡胶输送带和塑料输送带两种。
输送带的接头可采用机械卡或硫化连接。
采用机械卡连接时带强将由于接头强度的降低面降值使用此点对整芯塑料带尤为显著。
皮带输送机使用说明书皮带输送机使用说明书一、概述:皮带输送机是广泛应用于许多工业部门的物流运输机械。
不同种类和规格的皮带输送机可以适用于化工、轻工、食品、粮食、建材、邮电及其他许多部门的物流输送要求,也可以满足码头、堆场、仓库、车间等各种作业线输送需求。
皮带输送机是一种以胶带、钢带、钢纤维带、塑料带和化纤带作为传送物料和牵引工件的输送机械。
与其他输送机械不同的是,承载物料的输送带也是传递动力的牵引件。
在连续式输送机中,以胶带为主的皮带输送机是应用最广泛的一种。
二、结构及工作原理:皮带输送机由框架部分(支腿、侧边和驱动框架等)、驱动辊部件(改向滚筒、紧辊筒、驱动滚筒和电机减速器等)和输送部分(皮带、上托辊、下托辊、头尾辊等)组成。
框架的作用是支撑驱动部分和输送部分的部件。
在安装时,应先安装框架部分。
驱动部分是皮带输送机的动力源,输送部分则用于物料输送和物料支撑。
其工作原理是:电机通电后转动,通过减速器减速后带动链轮,链轮再带动主动滚筒,主动滚筒是包胶辊筒,与皮带有较大的摩擦力,因此主动辊筒转动后会带动皮带转动。
皮带转动是饶着各个支撑辊进行的,在皮带输送机上形成水平平移的运动,即皮带机进行水平输送。
改向辊筒的作用是改变皮带的缠绕方向,使得皮带包裹主动辊筒的包角更多。
紧辊筒的作用是使皮带紧的同时,改变皮带两边的紧成,对皮带进行调偏。
三、安装调试:1.将辊筒和一侧框架固定。
2.调整紧辊筒,使其处于皮带最松弛的状态。
3.将皮带套在各个辊筒上,然后将辊筒与框架固定。
4.固定好支腿与框架各个部件。
5.紧皮带,手动转动皮带,检查是否跑偏,然后调整紧辊筒,初步调整皮带。
6.连接电机电缆。
7.启动电机观察皮带运转情况,通过调整各个辊筒,使皮带尽量居中运行。
8.调整脚杯,使线体水平。
9.试运转:检查滚筒转动是否正常,有无卡住现象,空运转2小时,检查调整各部分间隙再次检查锁紧螺母。
10.负荷运转4小时以上。
11.完成调试后使用膨胀螺栓固定地脚。
DSJ140/250/3×400 可伸缩带式输送机使用维护说明书晋煤集团机电总厂目录一、概述二、型号、基本参数及技术特性三、结构特征及工作原理四、电器系统原理及控制五、安装试运转与调整六、检查与维护七、润滑八、可能出现故障的原因及排除方法1.概述1.1产品特点:DSJ140/250/3*400型带式输送机为大功率可伸缩带式输送机,是一种电力拖动、摩擦传动的散料输送机械,其具有加速度均匀、启动平滑的CST软启动装置、可根据皮带张力变化适时调节的液控张紧装置、高效省力的液压卷带系统,整部皮带机配备打滑、堆煤、超温、烟雾、纵撕、速度、跑偏、等保护,从而实现了智能控制与智能保护等特点。
1.2用途及适用范围:本机主要用于综合机械化采煤工作面顺槽输送原煤。
随着工作面的不断推移,它能随着顺槽长度的变化而变化。
尾端配刮板转载机,与工作面输送机相接。
2 型号、基本参数及技术特性:2.1产品型号功率3 ×400kw输送量2500t/h带宽1400mm机架式伸缩式带式输送机2..2主要技术特征主要技术特征3工作原理及结构特征3.1工作原理带式输送机是以输送带作为牵引和承载构件的连续运输机械。
输送带绕过传动滚筒和改向滚筒形成一个无极的环形带,输送带的上下分支分别由各种上下托辊组支承,并由张紧装置给输送带以需要的张紧力。
输送带的运行是靠传动滚筒与输送带之间的摩擦力带动的。
传动滚筒的动力来自驱动装置。
输送机接受由转载机卸下的物料,物料同输送带一起运行到卸载滚筒处卸下物料,从而连续不断地完成输送物料的任务。
3.2结构特征该机除具有常规的可伸缩带式输送机的基本结构与特性之外,还具有以下特征:1.采用电动绞车自动张紧装置,由电动绞车进行张力的初设定,液压张紧系统实现胶带在运行过程中动态张紧,从而使输送带张力始终保持在合理的设定范围之内。
2.采用CST可控软启动装置来控制整机启动速度,使机械系统即使是在满载的工况下也能按照比较理想的速度,逐步克服整个系统的惯性而平稳地启动。
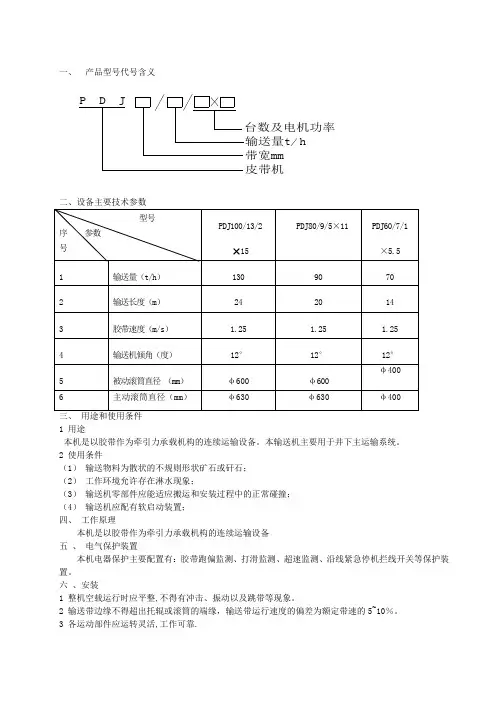
一、产品型号代号含义P D J台数及电机功率输送量t h带宽mm皮带机二、设备主要技术参数型号序参数号PDJ100/13/2×15PDJ80/9/5×11 PDJ60/7/1×5.51 输送量(t/h)130 90 702 输送长度(m)24 20 143 胶带速度(m/s) 1.25 1.25 1.254 输送机倾角(度) 12°12°12°5 被动滚筒直径(mm)φ600 φ600φ4006 主动滚筒直径(mm)φ630φ630φ400三、用途和使用条件1 用途本机是以胶带作为牵引力承载机构的连续运输设备。
本输送机主要用于井下主运输系统。
2 使用条件(1)输送物料为散状的不规则形状矿石或矸石;(2)工作环境允许存在淋水现象;(3)输送机零部件应能适应搬运和安装过程中的正常碰撞;(4)输送机应配有软启动装置;四、工作原理本机是以胶带作为牵引力承载机构的连续运输设备五、电气保护装置本机电器保护主要配置有:胶带跑偏监测、打滑监测、超速监测、沿线紧急停机拦线开关等保护装置。
六、安装1 整机空载运行时应平整,不得有冲击、振动以及跳带等现象。
2 输送带边缘不得超出托辊或滚筒的端缘,输送带运行速度的偏差为额定带速的5~10%。
3 各运动部件应运转灵活,工作可靠.4 各轴承的润滑密封装置、减速器的上、下箱体结合面等无渗油现象。
5 空载功率不大于铺助长度功率的15%。
6负载运行要求:(1)输送机负载运行时,应工作平稳,驱动装置不得有异常振动,拉紧装置应调整方便、动作灵活并保证输送机启动和运行时滚筒不打滑、动力张紧时应动作准确。
(2)噪声不得超过90Db(A),实测运输量不低于额定值的90%。
(3)负载运行时,不应有不转动辊子存在。
(4)清扫器清扫效果好、性能稳定。
(5)驱动装置部分不得渗漏油。
(6)各种机电保护装置需反应灵敏、动作准确可靠。
七、调整1 胶带跑偏调整(1)胶带跑偏是带式输送机运转过程中的一种不正常现象。
DTL120/200/2×315S DTL80/40/2×355SDTL100/100/2×220S DTL80/35/2×110DTL100/63/2×355S DTL80/35/2×75SDTL100/63/2×90 DTL80/30/30 带式输送机使 用 维 护 说 明 书 (执行标准 MT820—2006)原平市千峰起重运输机械有限公司二○一○年七月目录一、 概述 (2)二、 型号编制及含义说明 (2)三、 技术参数 (3)四、 产品特点 (3)五、 工作原理和结构特点 (4)六、 安装与调试 (5)七、 使用和操作 (7)八、 维护与修理 (8)九、 警示语 (9)十、 润滑表及易损件表 (9)十一、附图 (11)带式输送机使用维护说明书一、概述带式输送机,利用螺栓与巷道地面紧固的连接在一起。
具有结构简便、易于安装、运行可靠等优点,主要是用于煤矿主巷道运输。
工作条件:1.1输送物料为散状的不规则形状煤或矸石。
1.2工作环境空气成分符合《煤矿安全规程》(2006年)中第一百条的规定。
1.3工作环境允许存在淋水现象。
1.4输送机零部件能适应在搬运和安装过程中出现的正常碰撞情况。
1.5使用环境温度-10℃ - +40℃2、执行标准: MT820-2006《 煤矿用带式输送机技术条件》二、型号编制及含义说明上运功率(kW)输送量×10(t/h)带宽(cm)钢架落地通用带式输送机三、技术参数产品名称及型号DTL120/200/2×315S DTL100/100/2×220S DTL100/63/2×355S DTL100/63/2×90 带宽(mm) 1200 1000 1000 1000输送量(t/h) 900 1000 630 630输送长度(m)373 600 600 1000 胶带速度(m/s)2.0 1.9 1.9 1.9倾角(°) 22 18 18 18阻燃输送带规格ST/T1600 ST/S1250 ST/S1250 ST/S1250传动滚筒直径(mm)φ800 φ630 φ630 φ630改向滚筒直径(mm)φ800/φ630/φ400 φ320/φ630/φ400 φ320/φ630/φ400 φ320/φ630/φ400 托辊直径(mm)φ108 φ108 φ108 φ108上托辊间距(m) 1.2下托辊间距(m) 3减速器型号 ZSY500 DCY400 YB2-355S2-12、14、16(380/660)JS110减速器速比 40 31.5 31.5 31.5电机型号 YB2-355M2-4(380/660)YBS-110 YBSS-355 YBS-90电机功率(kW)2×315 110 355 90 电机电压 380/660V偶合器型号 YOXD650 YOXD500 YOXD500 YOXD500 拉紧行程 2500全机总重(kg)100826.7 66132 66132 66132产品名称及型号DTL80/40/2×355S DTL80/35/2×110 DTL80/35/2×75S DTL80/30/30带宽(mm) 800 800 800 800输送量(t/h) 400 350 350 300输送长度(m)786 786 786 786 胶带速度(m/s)2.0 1.8 1.8 1.8倾角(°) 22 18 18 20阻燃输送带规格ST/S1250 ST/S1250 ST/S1250 ST/S1250传动滚筒直径(mm)φ630 φ630 φ630 φ630改向滚筒直径(mm)φ630/φ500/φ400 φ630/φ500/φ400 φ630/φ500/φ400 φ630/φ500/φ400 托辊直径(mm)φ89 φ89 φ89 φ89上托辊间距(m) 1.2下托辊间距(m) 3减速器型号 DCY560 DCY400 DCY400 JS30减速器速比 31.5 31.5 31.5 18.499电机型号 YB2-355S2-12、14、16(380/660)YBS-110 YBS-90 YBS-30电机功率(kW)355 110 90 30电机电压 380/660V偶合器型号 YOXD500 YOXD500 YOXD500 YOXD500 拉紧行程 2500全机总重(kg)65400 65400 65400 65400四、产品特点:1、整机固定在巷道底板上,机身采用螺栓连接的落地结构。
使用说明书(执行标准MT820-2006、MT/T901-2000)产品名称:带式输送机产品型号: DSJ / /目录1、概述 (1)2、使用环境及工作条件 (1)3、产品型号含义 (1)4、主要技术特性 (1)5、工作原理 (6)6、结构概述 (6)7、安装、调整 (11)8、使用、操作 (14)9、保养、维护 (16)10、故障分析与排除 (18)11、运输、贮存 (20)12、安全警示 (20)13、其他 (24)一、概述1.产品特征可伸缩胶带输送机与普通胶带输送机的工作原理一样,是以胶带作为牵引承载机的连续运输设备,它与普通胶带输送机相比增加了贮带装置和收放胶带装置等,当游动小车向机尾一端移动时,胶带进入贮带装置内,机尾回缩;反之则机尾延伸,因而使输送机具有可伸缩的性能。
2.主要用途及适用范围伸缩带式输送机主要用综合机械化采煤和一般机械化采煤工作面的顺槽运输及巷道掘进运输。
用于顺槽运输时,尾端配带式转载机与工作面运输机相接;用于巷道掘进运输时,尾端配胶带转载机与掘进机相接。
二、使用环境及工作条件1环境温度为-10℃~+40℃;环境相对湿度不超过95%(25℃时)。
2周围空气中的成分不得超过《煤矿安全规程》中所规定的安全含量。
3输送物料应为容重小于2.0t/m3的各种不规则形状的原煤和矸石。
4有被水淋或局部有输送煤泥水的运行情况。
5工作制为连续型。
三、产品型号含义驱动功率(2台22KW电动机)输送量200t/h带宽650mm钢架落地式伸缩煤矿用带式输送机示例:带宽800mm、输送量400t/h、2台40KW电动机驱动,伸缩钢架落地式煤矿带式输送机。
标注为:DSJ80/40/2×40四、主要技术特性A、DSJ65/20/2×22型带式输送机1.输送量吨/小时 2002.输送长度米 6003.输送带速度米/秒 1.64.贮藏胶带长度米 505.与转载机搭接最大长度米 126.传动滚筒直径毫米Φ5007.卸载改向滚筒直径毫米Φ3208.机尾改向滚筒直径毫米Φ3209.托辊直径毫米Φ8910.贮带部分改向滚筒直径毫米φ320、φ10811.输送带规格 680S整芯阻燃带宽度毫米 650纵向拉断强度牛顿/毫米 75012.主电机型号 JDSB-22功率千瓦 2×22转速转/分 1470电压伏 380/66013.减速机型号 JS-22速比 24.0314.液力偶合器 YOXD40015.张紧及机尾牵引绞车 JH-5回柱绞车牵引力 KN 50绳速米/每秒 0.17电机型号 YB132M-4电机功率千瓦 7.5电机电压伏 380/66016.机头传动部分外形尺寸(长×宽×高)毫米 4230×1751×152517.机尾外形尺寸(长×宽×高)毫米 16922×1099×70618.总重千克 45243B、DSJ80/40/2×40型带式输送机1.输送量吨/小时 4002.输送长度米 601.9743.输送带速度米/秒 24.贮藏胶带长度米 505.与转载机搭接最大长度米 126.传动滚筒直径毫米Φ5007.卸载改向滚筒直径毫米Φ4008.机尾改向滚筒直径毫米Φ3209.托辊直径毫米Φ8910.贮带部分改向滚筒直径毫米φ320、φ10811.输送带规格 800S整芯阻燃带宽度毫米 800纵向拉断强度牛顿/毫米 86012.主电机型号 DSB-40功率千瓦 2×40转速转/分 1470电压伏 380/66013.减速机型号JS40Ⅱ速比 18.449414.液力偶合器 YOXD40015.张紧及机尾牵引绞车 JH-5回柱绞车牵引力 KN 50绳速米/每秒 0.17电机型号 YB132M-4电机功率千瓦 7.5电机电压伏 380/66016.机头传动部分外形尺寸(长×宽×高)毫米 4230×1961×152517.机尾外形尺寸(长×宽×高)毫米 16922×1299×70618.总重千克 49730C、DSJ100/63/2×75型带式输送机1.输送量吨/小时 6302.输送长度米 10003.输送带速度米/秒 1.94.贮藏胶带长度米 505.与转载机搭接最大长度米 126.传动滚筒直径毫米Φ6307.卸载改向滚筒直径毫米Φ4008.机尾改向滚筒直径毫米Φ4009.托辊直径毫米Φ10810.贮带部分改向滚筒直径毫米φ320、φ20011.输送带规格 1000S整芯阻燃带宽度毫米 1000纵向拉断强度牛顿/毫米 108012.主电机型号 YBS-75功率千瓦 2×75转速转/分 1470电压伏 660/114013.减速机型号JS75速比 24.4375814.液力偶合器 YOXD45015.张紧绞车 JH-5回柱绞车牵引力 KN 50绳速米/每秒 0.17电机型号 YB132M-4电机功率千瓦 7.5电机电压伏 380/66016.机头传动部分外形尺寸(长×宽×高)毫米 4755×2266×161517.机尾外形尺寸(长×宽×高)毫米 16922×1586×68618.总重千克 96753.5D、DSJ100/70/2×125型带式输送机1.输送量吨/小时 7002.输送长度米 6003.输送带速度米/秒 2.54.贮藏胶带长度米 1005.与转载机搭接最大长度米 126.传动滚筒直径毫米Φ8007.卸载改向滚筒直径毫米Φ5008.机尾改向滚筒直径毫米Φ4009.托辊直径毫米Φ10810.贮带部分改向滚筒直径毫米φ400、φ32011.输送带规格 1000S整芯阻燃带宽度毫米 1000纵向拉断强度牛顿/毫米 108012.主电机型号 JDSB-125功率千瓦 2×125转速转/分 1470电压伏 660/114013.减速机型号JS125速比 24.4375814.液力偶合器 YOXD500-400/E80 15.电液制动器型号 MYWZ5制动力矩牛顿.米 1200退距毫米 1.6推动器型号 BEd-80/6电压伏 380/660功率瓦 380推力牛顿 800行程毫米 6016.张紧绞车 JH-5回柱绞车牵引力 KN 50绳速米/每秒 0.17电机型号 YB132M-4电机功率千瓦 7.5电机电压伏 660/114017.机头传动部分外形尺寸(长×宽×高)毫米 5535×2654×175018.机尾外形尺寸(长×宽×高)毫米 15440×1586×75219.总重千克 92809五、工作原理本产品与普通带式输送机的工作原理相同,是以胶带作为牵引承载机构的连续运输设备。
1.用途、特点、使用范围1.1.DTⅡ型固定式带式输送机是通用型系列产品,是有棉帆布、尼龙、聚酯帆布及钢绳芯输送带作曳引构件的连续输送设备,可广泛用于煤炭、冶金、矿山、港口、化工、轻工、石油及机械等行业,输送各种散状物料、成件物品。
带式输送机具有运量大,爬坡能力高,运营费用低,使用维护方便等特点,便于实现运输系统的自动化控制。
1.2.输送物料的松散密度为500~2500kg/m3,输送块度见表1表1 mm注:块度系指物料最大线性尺寸1.3.工作环境温度,一般为-25℃~+40℃,对于有特殊要求的工作场所,如高温、寒冷、防爆、防腐蚀、耐酸碱、防水等条件,应采取相应的防护措施。
1.4.DTⅡ型固定式带式输送机均按部进行系列设计,选用时可根据工艺路线,按不同地形及工况进行选型设计、计算、组装成整机,制造厂按总图或部件清单生产供货、设计者对整机性能参数负责,制造厂对部件的性能和质量负责。
1.5.输送机应尽量安装在通廊内,在露天场合下,驱动站应加防护罩。
1.6.本系列产品能满足水平、提升、下运等条件。
也可采用凸弧段、凹弧段与直线段组合的输送形式。
2.主要参数(常用规格设计范围)2.1.带宽:500 650 800 1000 1200 1400 1600 1800 2000 2200 2400 2600mm2.2.带强:棉帆布带56N/mm·层、尼龙、聚酯帆布100~300N/mm·层,钢绳芯带st630~st2000N/mm2.3.带速:0.8、1.0、1.25、1.6、2.0、2.5、3.15、4.0、5.0m/s2.4.最大输送能力:见表2表2 带速V、带宽B与输送能力I V的匹配关系注:1)输送能力I V值系按水平运输,动堆积角θ为200,托辊槽角入350计算的。
2)表中带速(4.5)(5.6)m/s为非标准值,一般不推荐选用。
3)□已完成设计。
3.整机的典型布置3.1.DTⅡ型带式输送机的典型布置见图1。
D T I I型固定式带式输送机产品使用说明书目录一、用途、特点、使用范围1二、主要参数1三、整机的典型布置2四、部件概述 44.1、输送带4 4.2、驱动装置4 4.3、滚筒6 4.4、托辊7 4.5、拉紧装置11 4.6、机架11 4.7、头部漏斗12 4.8、导料槽12 4.9、清扫器12 4.10、卸料器134.11、电气及安全保护装置13五、安装、调试与试运转15六、操作规程与维护、保养23七、润滑24八、胀套的调整25九、随机携带文件25附件1: 滚筒用胀套参数25附件2: 滚柱逆止器用弹簧参数 26附件3: 滚筒用轴承型号 27一、用途、特点、使用范围1.1 DTⅡ型固定式输送机是通用型系列产品,是以棉帆布、尼龙、聚酯帆布及钢绳芯输送带作曳引构件的连续输送设备,可广泛用于煤炭、冶金、电力、矿山、港口、化工、轻工、石油及机械等行业,输送各种散状物料及成件物品。
带式输送机具有运量大、爬坡能力高、运营费用低、使用维护方便等特点,便于实现运输系统的自动化控制。
1.2 输送物料的松散密度为500~2500kg/m3。
输送块度见表1。
注:块度系指物料最大线性尺寸1.3 工作环境温度:一般为-25℃~+40℃,对于有特殊要求的工作场所,如高温、寒冷、防爆、阻燃、防腐蚀、耐酸碱、防水等条件,应采取相应的防护措施。
1.4 DTⅡ型固定式带式输送机均按部件系列进行设计。
选用时可根据工艺路线,按不同地形及工况进行选型设计、计算、组装成整机。
制造厂按总图或部件清单生产、供货。
设计者对整机性能参数负责,制造厂对部件的性能和质量负责。
1.5 输送机应尽量安装在通廊内。
在露天场合下,驱动站应加防护罩。
1.6 本系列产品能满足水平、提升、下运等条件。
也可采用带凸弧段、凹弧段与直线组合的输送形式。
二、主要参数(常用规格设计范围)2.1 带宽:500、650、800、1000、1200、1400mm2.2 带强:棉帆布带56N/mm·层;尼龙,聚酯帆布带100~300N/mm·层;钢绳芯带st630~st2000N/mm。
皮带机使用说明
1使用前请注意.
●使用皮带机前请详细阅读此说明书.
●阅读完此说明书后请妥善保管此说明书,以便下次使用.
●此说明书只涉及到常出现的问题,其它的问题使用过程中请多注意
2使用环境
●温度环境 -5℃~+40℃
●湿度环境 85%以下
●设置场所屋内(没有阳光直射和水直接接触的场所)
●标准环境没有腐蚀性气体,爆炸性气体,蒸气等的环境
3速度调节
顺时针旋转调速手柄,电机转速增大
逆时针旋转调速手柄,电机转速减小
4皮带跑偏皮带张紧的调整方法
本皮带机在出厂前已经对其进行过试运行,运行正常.但由于在搬运过程中有颠簸及工作场地的不同,有可能会引起皮带的跑偏.所以在使用此机前请确认皮带无跑偏的情况下再使用.
1.驱动部调整,
在通过驱动部来调整皮带跑偏问题的时候,因为皮带是在运转状态中请注意安全。
通过扳手来慢慢的调整皮带的走向.在调整完毕后要连续运转15~20分钟时间来确认皮带是否还跑偏。
5使用注意事项
1变速的皮带机中,调速按钮顺时针旋转速度增大;逆时针旋转速度变小.根据工作的需要请把速度调中状态.
2运转过程中,驱动部和两端滚筒处有可能会把手指和衣物卷进去,所以运转时请不要触摸回转部及两端滚筒
3工作结束后,把机器电源开关按到停止按钮处.
4机器使用完后,请把皮带机机体本身和皮带表面清扫干净
6检修
⑴对皮带输送机要每周进行一次检查维修.
⑵在检修过程中要注意安全问题.。
DT型皮带机说明书DTⅡ型固定式带式输送机使用说明书DTⅡ型固定式带式输送机使用说明书1.用途:DTⅡ型固定式带式输送机(以下简称DTⅡ型)由于输送量大、结构简单、维护方便、成本低、通用性强等优点广泛地在冶金、矿山、煤炭、港口、电站、建材、化工、轻工、石油等行业中用来输送散状物料和成件物品。
根据输送工艺要求,单机输送,也能够多台或与其它输送机组成水平或倾斜的输送系统。
DTⅡ型在环境温度-25~+40℃的范围内使用,输送物料的温度在50℃以下,对于有耐热、耐寒、防水、防腐、防爆、阻燃等条件,应另行采取相应的防护措施。
2.技术特征和技术参数:2.1、 DTⅡ型可输送物料容量在2.5t/m以下;2.2、按带宽分为:500、650、800、1000、1200、1400、1600、1800、、2200、2400等11种;2.3、按驱动功率分为:1.5、2.2、3.0、4.0、5.5、7.5、11、15、18.5、22、30、37、45、55、75、90、110、132、160、200KW等20种。
2.4、按带速分为:0.8、1.0、1.25、1.6、2.0、2.5、3.15、4.0、(4.5)、5.0、(5.6)、6.5m/s等12种。
另外还有0.3m/s的带速系手选带式输送机专用;本系列输送能力见表1,表中输送能力是按水平输送,动堆积角为20°,托辊槽角为35°的条件下计算出的。
表1 带速、宽度与输送能力的匹配关系2.5、输送机允许输送的物料块度取决于带宽、带速、槽角和倾角,也取决于大块物料出现的频率。
各种带宽适用的最大块度,本系列推荐按表2选取。
当输送硬岩时,带宽超过1200 mm后,一般应限制在350 mm。
而不能随带宽的增长而加大。
表2 单位(mm)3.结构概述3.1整机布置:DTⅡ的整机布置应有设计者根据物料输送工艺及其它要求进行主参数选择及计算后,选用本系列的各个部件组成一台完整的输送机。
DTL160/320/2X450 带式输送机使用说明书兖矿集团大陆机械有限公司兖矿集团大陆机械有限公司宁煤枣泉煤矿带式输送机使用说明书录目一、用途和特征二、技术规格三、工作原理四、结构概述五、安装与调整六、操作、维护与修理 1兖矿集团大陆机械有限公司宁煤枣泉煤矿带式输送机使用说明书一、用途和特征带式输送机主要用于主井巷道的转载运输,也DTL160/320/2X450 可用于一般采煤工作面的转载运输,适用环境为煤矿井下。
: 带式输送机的主要特征DTL160/320/2X450 机头部单独设置卸载滚筒。
1.传动部设置传动滚筒两件,规格及型号完全一致,便于互换使2.用。
传动滚筒外层包胶,摩擦系数大,初张力小,胶带张力亦小。
带式输送机所用的同型号槽形托辊,下托辊尺寸规格统一,都3.可通用互换。
可用于有煤尘及瓦斯的矿井。
4. 输送机的电气设备具有隔爆性能,二、技术规格3200 t/h)1、输送量(4 2、胶带速度(m/s)1.6 、带宽(m) 31000 ) 4、传动滚筒直经(mm 5、改向滚筒直经(mm)1000卸载滚筒(mm)400 800 改向滚筒(mm)、1000、800 机尾滚筒(mm)159 )、托辊直经(6mm159mm、缓冲托辊直经() 7 (用户自备)、胶带规格82兖矿集团大陆机械有限公司宁煤枣泉煤矿带式输送机使用说明书9、主电机(南阳)YB560S2-4 型号450 ×) 2功率(kw1488 转数(r/min)10000)电压(V )10、减速器(SEW M3RSF90+风扇型号18减速比液压自动张紧装置、张紧装置型式(中国矿大五洋) 11 ZLY-01-80()型号 ZYL500J 1140/660 V)电压(80 )对小车的最大拉紧力(KN 、盘式制动器(西伯瑞)12SHI202 型号 1140 )电压(V 、逆止器(四川自贡)13 NF100-S-110型号、调速型偶合器(沈阳) 14 YOTGC650型号FALK)15、蛇簧联轴器(美国 1110T20 高速联轴器型号1180T10低速联轴器型号3兖矿集团大陆机械有限公司宁煤枣泉煤矿带式输送机使用说明书三、工作原理带式输送机是以胶带作为牵引承载机构的连续DTL160/320/2X450 运输设备。
PS800皮带机使用说明书第1页承蒙您购买了PS800皮带机,谨此感谢!为了正确使用,请仔细阅读本使用说明书。
一、用途及特点PS800皮带机采用最新技术,选用优质钢材,进行系统优化设计,专供各种散料或较小体积物件输送,转运使用,可靠性高,供环保,化工,食品,等各行各业广泛使用。
本机具有结构合理、性能稳定及经久耐用的特点。
※皮带机使用应符合下列条件1. 环境温度为室内外常温2. 工作电压应稳定,偏差≤±5%。
3.无间最大长度不超过皮带有效宽度。
※型号、规格及主要参数如下:型号皮带宽度主机功率外形尺寸PS800 800mm 3~5.5Kw LX1100X750 根据用户需要的输送量设计带速二、结构及工作原理本机由钢制框架结构、主,从传动部件、皮带运行及护卫部件等部分构成。
工作原理是:主驱动经减速机减速,带动主动滚筒旋转,在带动皮带作线性运动,带有张紧调节机构的从动滚筒作同步运转。
被运输的物料在尾部进入皮带机,有皮带载着向前运动到达输送目的地,从机头呈抛物线送出,被抛出的距离,随不同的皮带线速度而改变,接料盘上的挡板,保证物料不会洒落到地上从而保证物料输送的清洁和安全。
各部件的主要构成如下:1、主传动部分由电机,减速机,小链轮,链条大连轮组成。
动力由电机输出,经减速机带动主动滚筒转动,使皮带机保持稳定的匀速运动。
PS800皮带机使用说明书第4页2、皮带张紧调节部分皮带机需进行张紧预调整,使皮带达到一定张紧度,同时调整皮带运行位置,防止皮带跑偏,当运行15~30天后,再次对皮带进行调整,使之保持最佳状态3、钢结构部分钢结构能平稳的承载负荷,安装保持整机的刚度,不弯曲不位移,安装至最大倾角时不产生挠度,有效地减小振动。
4、护卫部分本机设置护板,既可以防止外来物污染被输送物,又可以防止物料,尤其是散状物散落到输送仓中。
合理分布的托辊支撑皮带正常运转。
立托辊挡住皮带不跑偏三、皮带机的安装1、须有一块平整的现场地面,2、确定机尾的位置,设一支撑,使其离地面100~200mm3、沿皮带机中轴线方向,确定落料点,其高程高于下料斗50~100mm,设一支撑,接点与皮带机第二(或第三)跟立角钢处4、在接料盘处设一挡板。
DSJ80/40/2×75可伸缩带式输送机使用说明书兖矿东华重工机电装备制造分公司地址:山东省邹城市矿建东路757号电话:传真:目录前言 (2)一、用途与特征.......................................、............、 (3)二、主要技术参数.......................................、...、 (4)三、工作原理……………………………………、…、…………5四、结构概述……………………………………………………5五、电控 (9)六、带式输送机得安装…………………………………………、、9七、带式输送机得调整、调试及操作…………………………、、12八、带式输送机得维护保养……………………………………、、18九、常见故障及处理方法…………………………………………、22十、人员与设备安全提示…………………………………………、24前言◆警告:使用本机前必须认真阅读此说明书!◆本说明书内容包含了有关安全操作、正确使用设备得详细说明及有关建议。
◆认真仔细得阅读本说明书将有助于预防事故、降低运行成本、节省维护费用、提高设备得可靠性与使用效率,并可延长设备得使用寿命。
◆每个参与输送机得工作人员必须阅读并熟练掌握使用本手册。
◆为保证设备安全可靠得运行,合理得组织及适当得预防措施,就是十分重要得。
◆应严格遵守安全操作规程。
在安装设备得现场应备有说明书,操作中还要遵守起重、运输、电工、钳工等方面得有关规定。
◆应遵守配套件生产厂家相应得操作说明,如电动机、真空开关等,并且只允许使用具有资质得、合格得配套件。
◆制造商对不正确得使用所引起得损坏不负责任。
所冒得风险由用户全负责。
◆只有受过良好训练得、合格得人员才允许操作设备,否则极易发生危险。
所以,再次提示:在操作设备之前,请务必认真阅读本说明书,并注意下面所示安全警示符号及意义。
一、用途与特征可伸缩带式输送机主要用于综合机械化采煤工作面得顺槽运输,也可用于一般采煤工作面得顺槽运输与巷道掘进运输。
皮带输送机实用手册一、简介皮带输送机是一种可靠、经济、高效的物料运输工具。
它可以替代传动带,可以用于运输各种物料,如原料、工件、半成品、成品等,也可以用于其它物料的搬运。
二、安装1.把皮带机的基础安装固定好,可用螺栓固定或混凝土固定。
2.安装电动机。
电动机安装后,应用扳手将它的轴上的定子间隙调成适当的大小,以便合理使用机械臂输送物料。
3.安装皮带机。
装好皮带机后,可以用四个螺栓将它固定在基础上。
4.安装电动机控制盒。
控制盒应采用耐高温、耐腐蚀、防尘、防水防潮的机箱,把控制盒安装固定,采用螺钉或补偿片固定,操作方便,可作到隔离运行状态和独立安全保护状态。
5.安装物料斗。
将物料斗安装在机尾,并用螺栓和补偿片固定,以保证斗件将物料充分地流动至机尾。
三、使用1.操作规程(1)准备工作在开机前,应检查皮带机的安全性、安装工作是否正常、电路是否符合要求等。
(2)使用按之前的准备工作准备好后,按规定开关操作,启动电动机,再依次开启皮带机、起动输送物料即可。
(3)工作停止当输送完物料后,将电动机断电,再按照关闭顺序将皮带机停止,才算是完成了一次完整的运行工作。
2.维护和保养(1)定期维护需要定期维护皮带输送机,例如检查皮带是否磨损、调整机械部件��螺距以及更换润滑油等。
(2)定期检查和维修定期检查皮带的安全性,定期检查电路,定期检查机械零件、传动轴承和驱动部件,以免引起不必要的维修成本。
(3)定期更换润滑油定期更换传动部件的润滑油,以降低机械磨损,延长其服务寿命。
四、安全操作规范1.操作前应熟读说明书,熟知皮带机的性能及安全要求;2.操作前应了解安全装置的功能,所需设备以及按操作要求依次启动;3.操作过程中应定期检查设备的性能,如发现异常现象应及时处理;4.操作时应穿戴防护用具,以避免伤害;5.机器工作时禁止人员接触皮带,以防损坏设备;6.供电时应用熔断器做保护,以防烧伤。
D T I I型固定式带式输送机产品使用说明书目录一、用途、特点、使用范围1二、主要参数1三、整机的典型布置2四、部件概述 44.1、输送带4 4.2、驱动装置4 4.3、滚筒6 4.4、托辊7 4.5、拉紧装置11 4.6、机架11 4.7、头部漏斗12 4.8、导料槽12 4.9、清扫器12 4.10、卸料器134.11、电气及安全保护装置13五、安装、调试与试运转15六、操作规程与维护、保养23七、润滑24八、胀套的调整25九、随机携带文件25附件1: 滚筒用胀套参数25附件2: 滚柱逆止器用弹簧参数 26附件3: 滚筒用轴承型号 27一、用途、特点、使用范围1.1 DTⅡ型固定式输送机是通用型系列产品,是以棉帆布、尼龙、聚酯帆布及钢绳芯输送带作曳引构件的连续输送设备,可广泛用于煤炭、冶金、电力、矿山、港口、化工、轻工、石油及机械等行业,输送各种散状物料及成件物品。
带式输送机具有运量大、爬坡能力高、运营费用低、使用维护方便等特点,便于实现运输系统的自动化控制。
1.2 输送物料的松散密度为500~2500kg/m3。
输送块度见表1。
注:块度系指物料最大线性尺寸1.3 工作环境温度:一般为-25℃~+40℃,对于有特殊要求的工作场所,如高温、寒冷、防爆、阻燃、防腐蚀、耐酸碱、防水等条件,应采取相应的防护措施。
1.4 DTⅡ型固定式带式输送机均按部件系列进行设计。
选用时可根据工艺路线,按不同地形及工况进行选型设计、计算、组装成整机。
制造厂按总图或部件清单生产、供货。
设计者对整机性能参数负责,制造厂对部件的性能和质量负责。
1.5 输送机应尽量安装在通廊内。
在露天场合下,驱动站应加防护罩。
1.6 本系列产品能满足水平、提升、下运等条件。
也可采用带凸弧段、凹弧段与直线组合的输送形式。
二、主要参数(常用规格设计范围)2.1 带宽:500、650、800、1000、1200、1400mm2.2 带强:棉帆布带56N/mm·层;尼龙,聚酯帆布带100~300N/mm·层;钢绳芯带st630~st2000N/mm。
1)安装注意事项
在试车前必须重新检查电机轴与减速器轴的同心度,达不到要求者必须重新调整,驱动装置支座的底脚螺栓开始安装时不要紧定,留有调节余地;安装
托辊组的安装精度和要求:
1)托辊安装调整好后,应转动灵活.
2)托辊水平高度的波动见《安装精度表1》中的第2项.
3)托辊轴线中心偏差:当测量长度不足10M时,在±5MM以内,当测量长
Ⅱ.安装要求:
滑道圆钢与地面应垂直。
其斜度见《安装精度表2》的第1项
b. 在尾部附近跑偏时,要查拉紧钢绳两根拉力可否一样,调整螺旋拉紧螺杆的松紧,查清后给予解决或调整拉紧滚筒轴承座方向。
调整方向见下图
c.在中部跑偏时,调跑偏区域n组上托辊,按图1方向移动托辊支架,按图2调跑偏区域n组下托辊组。
图1 图2.
日照港矿石码头二期工程联接段带式输送机
产品说明书
沈阳矿山机械工程设计研究院
二○○八年十二月
目录
第一章工作原理 (1)
第二章设计依据及供货范围 (1)
第三章带式输送机主要结构 (10)
第四章安装与调试 (48)
第五章操作与使用 (66)
第六章维护、保养及事故排除 (68)。