中职技能大赛钳工实操试题
- 格式:doc
- 大小:32.50 KB
- 文档页数:1
中等职业学校《钳工工艺》考试试题学号:姓名:成绩:一、判断题。
(每小题1分,共56分)1、机器上所有零件都有是通过金属切削的方法加工出来的。
()2、制造机器上某些中小型零件,可以采用冷挤压和精密铸造等方法。
()3、钳工应具备对机器及部件进行装配、调试、维修等操作技能。
()4、为保证工件在加工过程中牢固可靠,工件在台虎钳上夹持得越紧越好。
()5、台虎钳活动钳身做成平面,为的是便于工作时敲击工件。
()6、砂轮机的旋转方向应使磨屑向下飞离砂轮。
()7、在砂轮机上磨削工件或刀具时,应根据需要,站在砂轮机的前面或侧面。
()8、立式钻床主要用于中小型工件的钻、扩、锪、铰和攻螺纹等工作。
()9、钻床需要变速时,应先停车,后变速。
()10、外径千分尺只能用来测量工件的外径和内径。
()11、用千分尺测量工件,首先应将千分尺砧座和测微螺杆端面擦拭干净,并校准零位后才能使用。
()12、千分尺虽有多种,但其刻度原理和读数方法基本相同。
()13、用内径百分表测量孔径其最大读数与最小读数差值的一半为孔的形状误差。
()14、2‘精度的万能角度尺,游标尺有30格,并等分290,尺身2格和游标尺1格之差为20。
15、车床上的工件旋转与钻床上的钻头旋转都是主运动。
()16、车削时工件每旋转一周,刀具沿进给方向移动一定的距离称为切削速度。
()17、前角小的车刀锋利,其切削力及工件的切削变形也小。
()18、车刀后角主要起减小主后刀机与工件之间磨擦的作用。
()19、γ0+α0+β0=1800,κr +κr+εr=900()20、粗车时车刀应选较小的前角,精车时应选较大的前角。
()21、粗车时车刀应选较大的后角,精车时应选较小的后角。
()22、车削塑性金属材料时,若选择较高的切削速度和较小的切削厚度易产生带状切屑。
()23、在切削各分力中,主切削力消耗的功率最多。
()24、切削用量中对切削影响最大的是切削深度,其次是进给量,而影响最小的是切削速度。
钳工实操试题一、背景介绍钳工是一种重要的技术工种,负责制造和修理各种金属零件。
钳工工作要求技能高超,需要进行实操训练才能掌握各种技术和技巧。
本文将为您提供一份钳工实操试题,帮助钳工工作者们检验和提升他们的实际操作能力。
二、试题1. 钳工使用工作台钳时,应注意以下哪些问题?2. 钳工在进行金属切割时,应采取哪些安全防护措施?3. 钳工进行螺纹加工时,应选择哪种螺纹刀具?4. 钳工进行机械设备维修时,应掌握哪些常见的维修方法?5. 钳工在进行钳工件钳装时,应如何确保安全和质量?6. 钳工使用测量工具时,应注意哪些问题?7. 钳工进行焊接作业时,应使用哪种焊接方式?8. 钳工在进行金属材料锉削时,应掌握哪些技巧?9. 钳工在进行钳工零件组装时,应注意哪些步骤和要求?10. 钳工在进行车削加工时,应如何选择切削工艺参数?三、试题解答1. 钳工使用工作台钳时,应注意以下问题:a) 是否确保工作台钳的夹持状态稳定;b) 是否使用正确的工作台钳类型;c) 是否选择合适的夹持位置;d) 是否固定工作件,确保不会滑动或移位。
2. 钳工在进行金属切割时,应采取以下安全防护措施:a) 戴上防护眼镜和手套;b) 确保工作区域通风良好;c) 使用合适的切割工具和切割方法;d) 避免与刀具或割缝接触时的身体部位。
3. 钳工进行螺纹加工时,应选择螺纹刀具的类型取决于以下因素:a) 所需螺纹尺寸和标准;b) 材料的硬度和切削特性;c) 切削速度和进给量。
4. 钳工进行机械设备维修时,应掌握以下常见的维修方法:a) 检查设备故障原因,定位问题;b) 维修或更换损坏的零件;c) 测试设备运行情况,确保修复有效。
5. 钳工在进行钳工件钳装时,应确保安全和质量,采取以下步骤:a) 清洁工作区域和钳工件表面;b) 选择合适的夹具和钳位,确保稳定夹持;c) 根据要求进行正确的钳装操作;d) 检查钳装质量,确保不易脱落或损坏。
6. 钳工使用测量工具时,应注意以下问题:a) 选择合适的测量工具类型和尺寸;b) 保持测量工具的清洁和准确度;c) 确保正确的测量姿势和角度;d) 注意读取测量结果时的精度和准确性。
钳工题库(第一部分)一、选择题1.在三视图中,反映物体前后、上下位置关系的视图为(B )。
A.主视图B.俯视图C.左视图D.在三个视图中都有可能2.零件图的主要作用之一是(B )。
A.指导读零件的结构B.直接指导制造零件C.读零件图与装配图关系D.读零件之间的配合情况3.液体有机物的燃烧可以采用(C )灭火。
A.水B.沙土C.泡沫D.以上均可4.废水治理的方法有物理法、(A)法和生物化学法等。
A.化学B.过滤C.沉淀D.结晶5.“夏季四防”包括防暑降温、防汛、(A )、防倒塌。
A.防雷电B.防霉变C.防跌滑D.防干旱6.在计算机应用软件Word中,不能进行的字体格式设置是(C )。
A.文字的缩放B.文字的下划线C.文字的旋转D.文字的颜色7.优质碳素结构钢45#钢中的45表示钢中平均含碳量为( B )。
A.45%B.0.45%C.4.5%D.0.045%8.编织填料的材料种类很多,如合成纤维和( D )等。
A.绞合填料B.陶瓷C.夹心编织填料D.柔性石墨填料9.橡胶类软填料的适用温度低于( B )℃。
A.100B.120C.150D.18010.钢调质处理后,可获得( C)的组织。
A.细珠光体B.铁素体C.回火索氏体D.奥氏体11.钢经渗氮后,具有很高的( B )能力。
A.耐冲击B.抗腐蚀C.抗弯曲D.抗拉伸12.一般适用于精密平板的刮削且使研点精细发光的显示剂是(C )。
A.红丹粉B.蓝油C.松节油D.烟墨13.铁丹与铅丹的粒度极细,使用时一般用(C )调合。
A.汽油B.机油C.水D.煤油14.用三爪捋子拆卸过盈量较大的滚动轴承时,宜用(B )拆卸,以免损坏三爪捋子。
A.冷拆法B.热卸法C.冷却法D.保温法15.台钻变换转速的方法是( D )。
A.调整电机转速B.更换塔轮C.调整三角带松紧度D.改变三角带在两个塔轮的相对位置16.因为砂轮机的砂轮质地较( C ),所以使用不当易发生碎裂。
A.硬B.软C.脆D.差17.选用块规测量数据时,应尽可能采用( B )的块数。
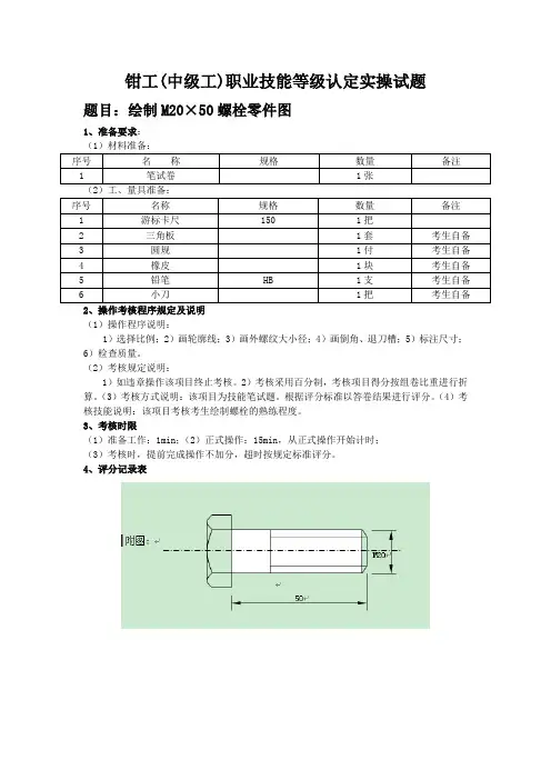
题目:绘制M20×50螺栓零件图1、准备要求:(1)材料准备:(1)操作程序说明:1)选择比例;2)画轮廓线;3)画外螺纹大小径;4)画倒角、退刀槽;5)标注尺寸;6)检查质量。
(2)考核规定说明:1)如违章操作该项目终止考核。
2)考核采用百分制,考核项目得分按组卷比重进行折算。
(3)考核方式说明:该项目为技能笔试题。
根据评分标准以答卷结果进行评分。
(4)考核技能说明:该项目考核考生绘制螺栓的熟练程度。
3、考核时限(1)准备工作:1min;(2)正式操作:15min,从正式操作开始计时;(3)考核时,提前完成操作不加分,超时按规定标准评分。
4、评分记录表车间:班组:姓名:试题名称:绘制M20×50螺栓零件图考核时题目:锯割1寸圆管1、准备要求(1)材料准备(2)设备准备(3)工具、量具准备2、操作考核程序规定及说明(1)操作程序说明1)准备工作;2)划线;3)装配锯条;4)锯割;5)检查质量。
(2)考核规定说明1)如违章操作该项目考核终止;2)考核采用百分制,考核项目得分按组卷比重进行折算。
(3)考核方式说明:该项目为实际操作试题,全过程按操作标准结果进行评分。
(4)考核技能说明:该项目考核考生正确使用工具及操作的熟练程度。
3、考核时限(1)准备工作:1min;(2)正式操作:15min,从正式操作开始计时;(3)考核时,提前完成操作不加分,超过规定操作时间按规定标准评分。
4、评分记录表车间:班组:姓名:试题名称:锯割1寸圆管考核时间:15min题目:制作法兰垫子1、准备要求:(2)工、量具准备:2、操作考核程序规定及说明(1)操作程序说明:1)准备工作;2)测量法兰尺寸;3)划线;4)剪切与冲孔。
(2)考核规定说明:1)如违章操作该项目终止考核;2)考核采用百分制,考核项目得分按组卷比重进行折算;(3)考核方式说明:该项目为实际操作试题,全过程按操作标准结果进行评分。
(4)考核技能说明:本项目考核考生制作法兰垫子的熟练程度。
钳工考试试题一、填空题(每空1分共30分)1、钻孔时,主运动是;进给运动是。
3、麻花钻外缘处,前角,后角;愈靠近钻心处,前角逐渐,后角。
4、麻花钻顶角大小可根据由刃磨钻头决定,标准麻花钻顶角2= ,且两主切削刃呈形。
5、磨短横刃并增大钻心处前角,可减小和现象,提高钻头的和切削的,使切削性能得以。
6、钻削用量包括:、、。
7、成组丝锥通常是M6~M24的丝锥一组有支;M6以下及M24以上的丝锥一组支;细牙丝锥为支一组。
8、等径丝锥中,每支丝锥的大径、、都一组相等,只是切削部分的切削及不相等。
9、消除材料或制件的、、等缺陷的加工方法叫矫正10、矫正厚板时,由于板厚较好,可用手锤直接击变形而到矫正11、在常温下进行的弯形叫;在情况下进行的弯形叫热弯二、判断题(对的画√,错的画×)(每题1分共10分)1、麻花钻切削时的辅助平面即基面、切削平面和主截面是一组空间平面。
()2、麻花钻主切削刃上,各点的前角大小相等的。
()3、一般直径在5mm以上的钻头,均需修磨横刃。
()4、钻孔时,冷却润滑的目的应以润滑为主。
()5、用丝锥在工件孔中切出内螺纹的加工方法称为套螺纹。
()6、用板牙在圆杆上切出外螺纹的加工方法称为攻螺纹。
()7、矫正后金属材料硬度提高,性质变脆的现象叫冷作硬化。
()8、金属材料弯形时,其他条件一定,弯形半径越小,变形也越小。
()9、弯形半径不变,材料厚度愈小,变形愈大,中性层愈接近材料的内层。
10、圆板牙由切削部分、校准部分和排屑孔组成,一端有切削锥角。
()三、名词解析:(每题5分共30分)1、前角2、后角3、顶角4、横刃斜角5、螺旋角6、冷作硬化四、简答共(30分1、标准麻花通常修磨哪些部位?其目的如何?2、成组丝锥中,对每支丝锥切削用量有哪两种分配方式?各有何优缺点?3、怎样矫正薄板中间凸、凹的变形?4、、怎样矫直弯曲的细长线材?知识改变命运1 / 1。
.注 意 事 项一、本试卷依据2002年颁布的《工具钳工》国家职业标准命制。
二、请根据试题考核要求,完成考试内容。
三、请服从考评人员指挥,保证考核安全顺利进行。
制作"工字镶配"(1)本题分值:100分(2)考核时间:420 min (另加30 min 准备时间) (3)考核形式:实操 (4)具体考核要求:a) 图样要求制作“工字镶配”:1. 熟悉图样,分析技术要点,确定加工工艺。
2. 进行划线、锯削加工、锉削加工、钻、铰孔加工及测量。
b) 度要求:1. 锉削IT8级、钻孔IT8~IT10级。
2. 形位公差按图样要求加工。
3. 表面粗糙度:锉削 3.2Ra m μ、铰孔 1.6Ra m μ。
c) 安全文明生产。
图样:工字镶配(操作图样)考 生 答 题 不 准 超 过 此 线技术要求:1.各锉削面未注平面度0.02mm。
2.工件的各内交角处清根。
3.孔口倒角C0.5。
4.锐角倒钝R0.3。
3.2其余图样:工字镶配(装配图样)技术要求:1.件Ⅰ为基准件,件Ⅱ旋转180再装配一次(共两次装配)。
2.配合间隙≤0.05mm(共有14处配合)。
3.当-0.1-0.12mm圆柱销,不能装入孔中扣装配分值的20%。
4.当10-0.2-0.22mm圆柱销,不能装入孔中扣装配分值的50%。
5.当10-0.3-0.32mm圆柱销,不能装入孔中则装配不予检验。
(5)否定项说明:若考生严重违反安全操作规程,造成人员伤害或设备损坏,则应及时终止其考试,考生该题成绩记为零分。
钳工实操考试试题(5篇)第一篇:钳工实操考试试题千金药业钳工实操考试试题考试班级:考试时间:120分钟锉削平面1,并达到精度要求(30分)(使用工具有台斧钳、粗锉刀、精锉刀、角规、长方体工件)1、錾削平面使其达到尺寸要求(25分)(材料准备:台斧钳、铁锤、錾子、角规,直径为25mmX30mm的圆形棒料)毛坯图样:零件图样:2、使用游标卡尺(30分)(材料准备:游标卡尺、圆形棒料、长方体工件、螺母)分别测量外圆、内孔、长度3、安全文明生产(15分)钳工评分标准1、锉削评分标准:(1)锉削姿势:站立姿5分、锉刀的握法5分、动作操作5分(共15分)(2)尺寸精度15分(偏差0.02扣1分)2、錾削评分标准(25分)(1)錾削姿势:站立姿5分、锉刀的握法5分、动作操作5分(共15分)(2)尺寸精度10分(每偏差0.05扣2分)(3)有违规操作视情节扣分(例如用铁锤敲打釜钳的扣8分)3、游标卡尺(30分)测量三处:外圆、内孔、长度,每处分值为10分,读数每偏差0.02mm扣1分,偏差大于0.3mm,将取消该分值4、安全文明生产(15分)有下列行为的:严重违规操作、扰乱考场纪律、在考场内打闹等与考试无关的事,经监考员警告不改的,将取消该项考试成绩,停止该项目考试,离开考场。
第二篇:钳工实操下一站体验时光匆匆,转瞬间,为期一个月的钳工实操结束叻!我的体会是用八个字概括“虽然辛苦,但很充实”在还没实操之前,刚听到我们班轮到要钳工实操叻,我们都很开心!因为不用每天早早起床值日、也不用去食堂排队、更不用上早自习晚自习…由于实操的日子渐渐逼近!我们也很好奇,去向师兄师姐们打听有关实训。
有的说苦大于乐,有的说乐大于苦!这样的答案,不由得我们对钳工实训更迷惘叻!虽然说实训不用早起值日等,我们都很开心,但快乐的背后是要付出代价的!当经过钳工专业的老师一个星期的诉说钳工操作规程与安全时,我们开始有些紧张叻!在想锯子能把工件(一块铁)锯叻吗?能做出形状来么?等等的不解…实话说钳工实操是很枯燥、无味,也许一个动作,就要一整天的在工件上来来回回的做!当然,要是没有端正好心态、在做工件时没FeeL,是做不出一个好的作品!开始我的心情系满满疑问,经过一个月的钳工实操,让我认识到了钳工们的不易!同时也系为了对学生牢固树立吃苦耐劳、坚苦奋斗精神,在实训中不怕苦,不怕累,勤学苦练,扎扎实实地掌握操作技能。
钳工专业技能比武样题
姓名_______工位______ 评分表
项目序
号
考核内容
配
分
评分标准
主要项目1 验板锉削尺寸550 -0.062mm 2处10 1.超出公差带
≤50%,扣除
该项配分1/2
2.超出公差带
>50%,扣除
该项全部配
分
2 验板锉削角度60°±4′2处10
3 对板锉削尺寸550 -0.074mm 4
4 对板锉削尺寸200 -0.052mm 6
5 对板燕尾槽对称度0.05mm 5
6 对板燕尾平行度0.05mm 5
7 配合间隙(单边)0.05mm 5处25
8 配合后尺寸(90±0.037)mm 5
9 对板燕尾槽锉削尺寸(90±0.043)mm 2处 4
一般项目1
3-Ф10+0.036
mm 3
2
3-Ф10+0.036
mm等分误差0.2mm 3处
3
3 铰孔表面粗糙度Ra1.6um 3处 3
4 锉削面表面粗糙度达Ra3.2um 16处7
安全文明生产1 安全操作 6 违犯操作规
程,扣6分2 正确使用工具、量具,场地整洁 4 工具、量具使
用不正确扣2
分,其余不符
合规定扣2分
备料单(工具、量具可自备):
1、钢板材质20﹟,尺寸90×102mm壹块.预加工基准面B。
2、量具:平台、弯板、高度尺、游标卡尺、直角尺、。