地质灾害治理工程施工乙、丙级资质单位名单
- 格式:doc
- 大小:53.50 KB
- 文档页数:1
附件1:地震安全性评价甲级乙级资质部分单位名单(共52家)甲级资质单位名单(27家):单位名称:北京赛斯米克地震科技发展中心单位名称:中国地震局地球物理研究所单位名称:北京中震创业工程科技研究院单位名称:中国地震局地壳应力研究所单位名称:中国地震局地震预测研究所单位名称:北京吉奥星地震工程勘测研究院单位名称:中国地震灾害防御中心单位名称:天津市地震灾害防御中心单位名称:山西省地震工程勘察研究院单位名称:内蒙古鼎宸地震工程勘察有限公司单位名称:辽宁地震科技有限公司单位名称:吉林省工程地震研究中心单位名称:黑龙江省地震工程研究院单位名称:黑龙江震工科技有限公司单位名称:江苏省地震工程研究院单位名称:浙江省工程地震研究所单位名称:安徽省地震工程研究院单位名称:福建地震地质工程勘察院单位名称:山东省地震工程研究院单位名称:河南省地震局地震工程勘察研究院单位名称:中国地震局地球物理勘探中心郑州基础工程勘察研究院单位名称:武汉地震工程研究院单位名称:海南省海洋地震与工程地震研究中心单位名称:四川赛斯特科技有限责任公司单位名称:云南省地震工程研究院单位名称:陕西大地地震工程勘察中心单位名称:甘肃省地震工程研究院乙级资质单位名单(25家):单位名称:中冶建筑研究总院有限公司单位名称:北京市勘察设计研究院有限公司单位名称:北京勘察技术工程有限公司单位名称:中国地震局第一监测中心单位名称:河北省工程地震勘察研究院单位名称:山西省地震灾害研究所单位名称:包头市雨辰地震工程技术服务处单位名称:辽宁省工程地震勘测研究院单位名称:大连工程地震勘测公司单位名称:中国电力工程顾问集团华东电力设计院单位名称:上海岩土工程勘察设计研究院有限公司单位名称:无锡市地震工程检测中心单位名称:厦门地震勘测研究中心单位名称:江西省防震减灾工程研究所单位名称:青岛市工程地震研究所单位名称:河南中原地震科技有限责任公司单位名称:湖南省防震减灾工程研究中心单位名称:广东省工程防震研究院单位名称:广东省地震工程勘测中心单位名称:广西工程防震研究院单位名称:重庆市地震工程研究所单位名称:昆明南方地球物理技术开发有限公司单位名称:中国地震局第二监测中心单位名称:青海省工程地震研究院单位名称:新疆防御自然灾害研究所单位名称:北京美辰建筑抗震工程有限公司单位名称:山东同方防震技术有限公司。
地质灾害治理工程施工资质单位是指具备相应资质条件,从事地质灾害治理工程施工的单位。
地质灾害治理工程是指为减轻或消除地质灾害隐患,采取相应的工程措施,以保障人民群众生命财产安全和社会稳定的工程。
地质灾害治理工程施工资质单位的成立,有助于提高地质灾害治理工程质量,保障人民群众生命财产安全。
地质灾害治理工程施工资质单位应当具备的条件包括:具备企业法人或事业单位法人资格,具备相应的专业技术人员,具备相应的施工设备,具备完善的质量管理体系和安全生产管理制度,具备良好的信誉和业绩等。
地质灾害治理工程施工资质分为甲级和乙级两个等级。
甲级资质单位具备较高的地质灾害治理工程施工能力,可以承担各类地质灾害治理工程施工任务。
乙级资质单位具备较低的地质灾害治理工程施工能力,可以承担一定规模的地质灾害治理工程施工任务。
地质灾害治理工程施工资质单位的业务范围包括:地质灾害治理工程勘查、设计、施工、监理等。
其中,地质灾害治理工程施工是指采取相应的工程措施,对地质灾害进行治理的过程。
地质灾害治理工程施工资质单位应当根据地质灾害治理工程的特点和规模,合理选择施工方法和技术,确保施工质量和安全。
地质灾害治理工程施工资质单位在施工过程中应当遵守国家有关法律法规和标准,保护生态环境,保障人民群众生命财产安全。
同时,地质灾害治理工程施工资质单位还应当加强自身能力建设,提高施工技术水平和质量意识,提升地质灾害治理工程施工能力。
取得地质灾害治理工程施工资质的单位,可以承担相应的地质灾害治理工程施工任务,为社会提供专业的地质灾害治理服务。
同时,地质灾害治理工程施工资质单位还可以通过参与地质灾害治理工程的项目投标,争取更多的地质灾害治理工程施工项目,促进单位的发展和壮大。
总之,地质灾害治理工程施工资质单位是从事地质灾害治理工程施工的专业单位,具备相应的资质条件和业务范围。
取得地质灾害治理工程施工资质的单位可以承担相应的地质灾害治理工程施工任务,为社会提供专业的地质灾害治理服务,促进单位的发展和壮大。
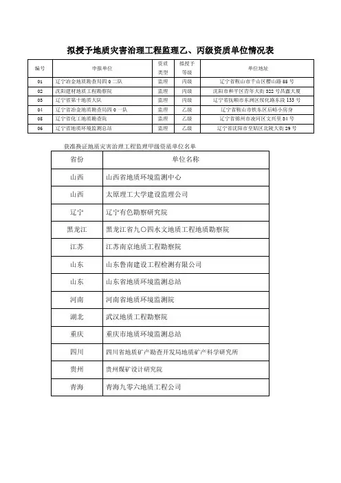
拟授予地质灾害治理工程监理乙、丙级资质单位情况表附件5:授予地质灾害治理工程监理甲级资质单位名单┏━━━┯━━━━━━━┯━━━━━━━━━━━━━━━━━━━━━━━━┯━━━━━━━━┓┃ 序号│省、区、市│单位名称│证书编号┃┠───┼───────┼────────────────────────┼────────┨┃ 1 │河北省│河北省地勘局第五地质大队│20075103 003 ┃┠───┼───────┼────────────────────────┼────────┨┃ 2 │江苏省│江苏省地质调查研究院│2007 5110001 ┃┠───┼───────┼────────────────────────┼────────┨┃ 3 │山东省│青岛地质工程勘察院│20075115001 ┃┠───┼───────┼────────────────────────┼────────┨┃ 4 │湖北省│三峡大学建筑设计研究院│20075117011 ┃┠───┼───────┼────────────────────────┼────────┨┃ 5 │湖北省│湖北省水利水电工程建设监理中心│20075117012 ┃┠───┼───────┼────────────────────────┼────────┨┃ 6 │湖南省│湖南省地质环境监测总站│20075118001 ┃┠───┼───────┼────────────────────────┼────────┨┃7 │湖南省│长沙中核公路工程监理咨询有限公司│20075118002 ┃┠───┼───────┼────────────────────────┼────────┨┃8 │广东省│广州市金地地质工程咨询监理有限公司│20075119001 ┃┠───┼───────┼────────────────────────┼────────┨┃9 │四川省│四川中成煤炭建设(集团)有限责任公司│20075123008 ┃┠───┼───────┼────────────────────────┼────────┨┃10 │贵州省│贵州省煤矿设计研究院│20075124004 ┃┠───┼───────┼────────────────────────┼────────┨┃11 │陕西省│西安铁一院工程咨询监理有限责任公司│20075127003 ┃┠───┼───────┼────────────────────────┼────────┨┃12 │甘肃省│甘肃铁科工程建设监理公司│20075128001 ┃┠───┼───────┼────────────────────────┼────────┨┃13 │甘肃省│甘肃省地质环境研究所│20075128002 ┃┠───┼───────┼────────────────────────┼────────┨┃14 │青海省│青海省第二水文地质队│20075129001 ┃┗━━━┷━━━━━━━┷━━━━━━━━━━━━━━━━━━━━━━━━┷━━━━━━━━┛。
地质灾害治理工程施工乙、丙级资质单位名单
获地质灾害治理工程设计乙级、丙级资质单位名单
1 2 3 4 5 6 7单位名称:襄樊地质工程勘察院中国煤炭国际工程集团武汉设计研究院湖北楚彭基础工程有限公司湖北恩施自治州西南地质工程有限公司。
武汉地震工程研究院湖北省非金属地质公司鄂西北工程勘察公司乙级丙级丙级丙级丙级证书编号2006317202 2006317301 2006317302 2006317302 2006317303 200631734 2006317305地质灾害治理工程建设乙级丙级资质单位名单
号1 2 3 4 5 6 7 8 9单位名称:中煤国际工程集团武汉设计研究院湖北恩施自治州西南地质工程有限公司武汉地震工程研究院宜昌长江地质灾害防治工程勘察设计院黄冈兴华地质基础工程有限公司武汉易立地质工程有限公司武汉岩土力学研究所中国科学院中交二级公路勘察设计研究院,乙级、乙级、乙级、乙级、乙级、乙级、乙级、乙级、乙级、乙级、乙级、乙级、乙级、乙级证书编号2006417201 2006417202 2006417203 2006417204 2006417205 2006417206 2006417206 2006417208 2006417210荆州华帝工程勘察院2550。
江西省国土资源厅关于2016年地质灾害类乙丙级资质
审批结果的公告
文章属性
•【制定机关】江西省国土资源厅
•【公布日期】2017.01.24
•【字号】
•【施行日期】2017.01.24
•【效力等级】地方规范性文件
•【时效性】现行有效
•【主题分类】地质灾害,行政许可
正文
江西省国土资源厅关于2016年地质灾害类乙丙级资质审批结
果的公告
根据《地质灾害危险性评估单位资质管理办法》(国土资源部第29号令)、《地质灾害治理工程勘查设计施工单位资质管理办法》(国土资源部第30号令)、《地质灾害治理工程监理单位资质管理办法》(国土资源部第31号令)的有关规定,我厅组织专家对2016年新申报、延续和升级的地质灾害危险性评估及地质灾害治理工程勘查、设计、施工、监理乙丙级资质单位进行了审查,审查结果在厅网站公示无异议,同意授予下列单位(详细名单见附件)资质,现予以公告。
请通过审查的单位按照《江西省国土资源厅关于进一步加强地质环境档案资料汇交工作的通知》(赣国土资函〔2015〕281号)做好资料档案存档汇交工作,并于2017年2月20日至2月28日持厅档案馆资料汇交凭证、窗口行政事项回执单和单位介绍信到我厅政务大厅领取新资质证书。
(联系人及电话:地质环境处熊林峰王东仓*************)
江西省国土资源厅
2017年1月24日
附件
2016年地质灾害危险性评估和地质灾害治理工程乙丙级资质审查结果公告。
地质灾害治理工程施工单位乙级丙级资质申报模板申报目录:(一)资质申请表;(二)单位法人资格证明文件和设立单位的批准文件;(三)在当地工商部门注册或者有关部门登记的证明材料;(四)法定代表人和主要技术负责人任命或者聘任文件;(五)当年在职人员的统计表、中级职称以上的工程技术和经济管理人员名单、身份证明、职称证明;(六)承担过的主要地质灾害治理工程项目有关证明材料,包括任务书、委托书或者合同,工程管理部门验收意见;(七)单位主要机械设备清单;(八)质量管理体系和安全管理的有关材料;(九)近五年内无安全、质量事故证明。
(一)资质申请表顺序号地质灾害治理工程施工单位资质申请表申请等级单位原有资质等级申请单位(盖章)法定代表人(盖章)填报日期中华人民共和国国土资源部制表一基本情况表二单位在职专业技术人员简况注:此表的电子版请用Microsoft Excel表格形式制作表三单位外聘专业技术人员简况注:此表的电子版请用Microsoft Excel表格形式制作表四承担过的主要地质灾害治理工程施工项目及质量注:此表的电子版请用Microsoft Excel表格形式制作表五主要技术装备(二)单位法人资格证明文件和设立单位的批准文件;1.由主管单位的:企业附组织机构代码证、单位法人证书及单位成立批准文件复印件;事业单位附组织机构代码证、事业单位法人证书及单位成立批准文件复印件;2.无主管单位的:附组织机构代码证、单位法人证书及公司成立章程、股东决议复印件。
(三)在当地工商部门注册或者有关部门登记的证明材料在当地工商部门注册或者有关部门登记的证明文件;附工商营业执照复印件及税务登记证明复印件。
(四)法定代表人和主要技术负责人任命或者聘任文件附法定代表人和主要技术负责人简历以及任命、聘任文件复印件(五)当年在职人员的统计表、中级职称以上的工程技术和经济管理人员名单、身份证明、职称证明:附资质申报表中所列技术人员的专业技术职称证书、施工特业人员上岗证书、身份证彩色扫描件(六)承担过的主要地质灾害治理工程项目有关证明材料,包括任务书、委托书或者合同,工程管理部门验收意见:附主要业绩的项目任务书、委托书、合同,工程管理部门验收意见复印件;(七)单位主要机械设备清单:附主要技术设备的发票或调拨单彩色扫描件。
河北省自然资源厅2020年第一批地质灾害防治资质单
位公告
文章属性
•【制定机关】河北省自然资源厅
•【公布日期】2020.06.04
•【字号】
•【施行日期】2020.06.04
•【效力等级】地方规范性文件
•【时效性】现行有效
•【主题分类】地质灾害
正文
河北省自然资源厅2020年第一批地质灾害防治资质单位公告根据《地质灾害危险性评估单位资质管理办法》(国土资源部令第29号)、《地质灾害治理工程勘查设计施工单位资质管理办法》(国土资源部令第30号)、《地质灾害治理工程监理单位资质管理办法》(国土资源部令第31号)的规定,经审查和公示,决定批准下列单位分别为地质灾害危险性评估和地质灾害治理工程勘查、设计、施工、监理乙(丙)级资质单位(详见附件),现予公告。
请获得资质的单位于2020年6月5日至19日,持单位介绍信、领证人身份证原件和复印件到省政务服务中心领取资质证书,同时交回原资质证书。
联系电话:0311-66771885
2020年6月4日附件:公告表。