数字时钟的multisim设计与仿真.doc
- 格式:doc
- 大小:398.00 KB
- 文档页数:9
数字时钟仿真设计山东大学(威海)机电与信息工程学院09级通信工程姓名:XXX学号:XXXXXXXXX目录目录 (1)序言 (2)设计思路 (2)设计原理 (2)一、秒脉冲产生电路 (2)二、计数器电路 (3)1. 六十进制计数电路 (3)2. 二十四/十二进制计数电路 (3)三、校时、校分电路 (4)四、报时电路 (5)五、总电路 (6)实现的功能 (6)感想 (6)参考文献: (7)序言数字时钟是用数字集成电路构成的、用数码显示的一种现代计时器,与传统机械表相比,它具有走时准确、显示直观、无机械传动装置等特点,因而广泛应用于车站、码头、机场、商店等公共场所。
在控制系统中,数字时钟也常用来做定时控制的时钟源。
设计思路数字时钟由振荡器、分频器、计数器、译码显示、报时等电路组成。
其中,振荡器和分频器组成标准秒信号发生器,直接决定计时系统的精度。
由不同进制的计数器、译码器和显示器组成计时系统。
将标准秒信号送入采用六十进制的“秒计数器”,每累计60s就发出一个“分脉冲”信号,该信号将作为“分计数器”的时钟脉冲。
“分计数器”也采用六十进制计数器,每累计60min,发出一个“时脉冲”信号,该信号将被送到“时计数器”。
“时计数器”采用二十四或十二进制计时器,可实现对一天24小时或12小时的累计。
译码显示电路将“时”、“分”、“秒”计数器的输出状态通过六位七段译码显示器显示出来,可进行整点报时,计时出现误差时,可以用校时电路校时、校分。
数字时钟的原理框图如图1所示。
图1.原理框图设计原理根据仿真电路的设计要求,该电路应满足一下功能:1.具有时、分、秒的十进制数字显示的计时器。
2.具有手动校时、校分的功能。
3.通过开关能实现小时的十二进制和二十四进制转换。
4.具有整点报时的功能,应该是每个整点完成相应点数的报时。
以及闹钟功能。
一、秒脉冲产生电路秒脉冲产生电路在此例中的主要功能有两个:一是产生标准脉冲信号,二是可提供整点报时所需要的频率信号。
电子技术课程设计报告班级电信工程1101姓名学号指导教师2014年1 月所选课题:数字时钟一.设计要求多功能数字钟:能够准确显示时、分、秒时间,具有校时功能和闹钟功能。
要实现校时功能需要分别针对时分秒的校时电路,要实现1Hz的秒钟计数需要时钟振荡电路,所以数字钟电路一般由数码显示器、计数器、时钟振荡器和校时电路等几个部分组成。
二.设计思路及电路原理图数字时钟的总电路图如下所示:数字时钟工作原理:数字时钟电路由555振荡发生器、分频器、两个60进制分秒计数器、一个24进制小时计数器以及6个数字显示器组成。
电路工作时由555振荡器产生频率为1000HZ的脉冲,经由三个74LS192D构成的千分频的分频器得到频率为1HZ的脉冲,脉冲输入计数电路(分秒由60进制计数电路计数,小时由24进制计数电路计数),然后将相应数字显示到数字显示器上即所要显示的时间。
另外,时钟的时间设置可以通过三个与单刀双掷开关相连的时钟信号发生器来实现。
闹钟由16个异或门,16个非门,2个8端与门,1个2端与门,1个灯泡组成。
电路原理框图如下:脉冲形成电路由555计时器组成的振荡电路。
考虑到时钟对精度要求较高,故在时钟电路中由555振荡电路产生频率为1KHz的脉冲信号,然后经过千分频的分频器分频产生1Hz脉冲。
555振荡器的参数确定:T=0.7(R1+R2)C=1ms,f=1/t=1KHZ,所以参数可以确定为:C1=10uF,C2=100nF,R1=45Ω,R2=50Ω(以上设置在实际仿真的时候速度过慢,故在实际仿真中)脉冲形成电路如下:分频电路是三个用十进制计数器74LS90串联而成的千分频的分频器。
分频原理是在74LS90的输出端子中,从低位输入10个脉冲才从高位输出1个脉冲,这样一片74LS90就可以起十分频的作用,三个74LS90串联就构成了千分频的电路,输出的便是1HZ的标准脉冲信号。
分频电路如下所示:在数字时钟电路中,分与秒的计数电路是分别由两个74LS192D组成的60进制的计数电路实现的。
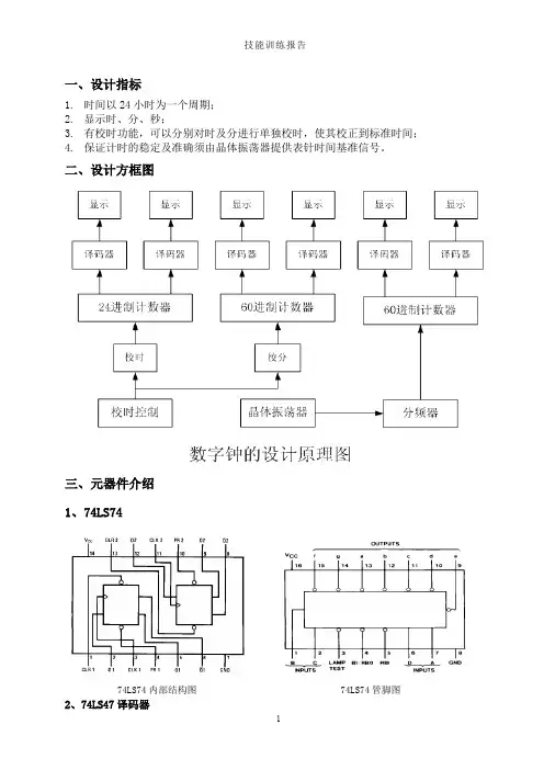
一、设计指标1.时间以24小时为一个周期;2.显示时、分、秒;3.有校时功能,可以分别对时及分进行单独校时,使其校正到标准时间;4.保证计时的稳定及准确须由晶体振荡器提供表针时间基准信号。
二、设计方框图三、元器件介绍1、74LS7474LS74内部结构图 74LS74管脚图2、74LS47译码器74LS47译码器LT L ×× × × ×H L L L L L L L (5)74LS47译码器真值表注:1、当需要0到15的输出功能时,灭灯输入(BI )必须为开路或保持在高逻辑电平,若不要灭掉十进制零,则动态灭灯输入(RBI )必须开路或处于高逻辑电平。
2、当低逻辑电平直接加到灭灯输入(BI )时,不管其它任何输入端的电平如何,所有段的输出端都关死。
(H=高电平 L=低电平 ×=不定) 3、当动态灭灯输入(RBI )和 输入端A 、B 、C 、D 都处于低电平而试灯输入(LT)为高时,则所有段的输出端进入关闭且动态灭灯输出(RBO )处于低电平(响应条件)。
4、当灭灯输入/动态灭灯输出(BI/RBO )开路或保持在高电平,且将低电平加到试灯输入(LT)时,所有段的输出端都得打开。
*BI/RBO 是用作灭灯输入(BI )与/或动态灭灯输出(RBO )的线与逻辑。
3、74LS39074LS390 管脚图双十进制计数器4、74LS08 2输入端四AND74LS08管脚图 74LS08真值表5、74LS00管脚图 6、74HC51D7 74LS51与或非门管脚图7、4060BP-5V4060BP管脚图4060BP结构图8、七段显示数码管数码显示器有多种,按显示方式可分为分段式、点阵式和重叠式;按发光材料可分为辉光显示器、荧光显示器、发光二极管显示器和液晶显示器等。
目前普遍使用的七段式数字显示器主要有发光二极管和液晶显示器两种。
这里主要介绍七段发光二极管组成的数码管原理。
m u l t i s i m时钟的设计与仿真The pony was revised in January 2021哈尔滨工业大学数字时钟的设计与仿真目录1.设计要求2. 总电路图及工作原理3.电路组成介绍3.1脉冲形成电路3.2分频电路3.3 60进制计数器及显示电路3.4 24进制计数器及显示电路3.5 时间设置电路4. 电路的测试5. 分析与评价附录:元器件清单1.设计要求本次设计任务是要求用Multisim10.0软件设计一个数字时钟电路,即用数字显示出时间结果。
设计要求如下:(a)以数字形式显示时、分、秒。
(b)小时计时采用24进制的计时方式,分、秒采用60进制的计时方式。
(c)要求能够对时钟进行时间设置。
2. 总电路图及工作原理数字时钟的总电路图如下所示:数字时钟工作原理:数字时钟电路由555振荡发生器、分频器、两个60进制分秒计数器、一个24进制小时计数器以及6个数字显示器组成。
电路工作时由555振荡器产生频率为1000HZ的脉冲,经由三个74LS90D构成的千分频的分频器得到频率为1HZ的脉冲,脉冲输入计数电路(分秒由60进制计数电路计数,小时由24进制计数电路计数),然后将相应数字显示到数字显示器上即所要显示的时间。
另外,时钟的时间设置可以通过三个与单刀双掷开关相连的时钟信号发生器来实现。
电路的设计流程图如下所示3.电路组成介绍3.1 脉冲形成电路脉冲形成电路为555计时器组成的振荡电路。
考虑到时钟对精度要求较高,故在时钟电路中由555振荡电路产生频率为1KHz的脉冲信号,然后经过千分频的分频器分频产生1Hz脉冲。
555振荡器的参数确定:T=0.7(R1+R2)C=1ms,f=1/t=1KHZ,故可令R1=5kΩ,R2=5KΩ,C=100nF。
(以上设置在实际仿真的时候速度过慢,故在实际仿真中)脉冲形成电路如下所示:3.2 分频电路分频电路是三个用十进制计数器74LS90串联而成的千分频的分频器。
数字电子技术课程设计学院:信息工程学院班级:电气二班姓名:刘君宇张迪王应博数字时钟的Multisim设计和仿真一、设计和仿真要求学习综合数字电子电路的设计、实现?基础调研?应用设计、逻辑设计、电路设计?用Multisim软件验证电路设计?分析电路功能是否符合预期,进行必要的调试修改?撰写Project报告,提交Multisim?24???????显示精通过对软件Multisim的学习和使用,进一步加深了对数字电路的认识。
在仿真过程中遇到许多困难,但通过自己的努力和同学的帮助都一一克服了。
首先,连接电路图过程中,数码管不能显示,后经图形放大后才发现是电路断路了。
其次,布局的时候因元件比较多,整体布局比较困难,因子电路不如原电路直观,最后在不断努力下,终于不用子电路布好整个电路。
调试时有的器件在理论上可行,但在实际运行中就无法看到效果,所以得换不少器件,有时无法找出错误便更换器件重新接线以使电路正常运行。
在整个设计中,计数器的接线比较困难,反复修改了多次,在认真学习其用法后采用归零法和置数法设计出60进制和24进制的计数器。
同时,在最后仿真时,预置的频率一开始用的是1hz,结果仿真结果反应很慢,后把频率加大,这才在短时间内就能看到全部结果。
总之,通过这次对数字时钟的设计与仿真,为以后的电路设计打下良好的基础,一些经验和教训,将成为宝贵的学习财富。
数字电子技术基础感想(分工:完成24小时计时功能)本学期我们学习了数字电子技术基础这门课程,通过一学期的学习,我学习到了cmos门电路,ttl门电路,编码器,译码器,触发器和时序电路等数电专业的知识。
上学期接触过模拟电路的知识,在学习数电后,感受到了两门课很多相同又不同的地方。
老师在学期末给我们布置了一个作业,设计数字电路实现时钟功能的作业。
这次作业结合了大部分本学期所学习的知识,综合性极强。
我们在设计中应用了自动校时,并实现了闹钟的功能。
在扩展功能里,我们的时钟可以显示星期,可以整点报时,闹钟功能实现了彩铃响铃。
基于Multisim的数字钟实验电路的设计与仿真
在电子技术实验教学中,构建学生的电路设计理念,提高学生的电路设计能力,是教学的根本目的和核心内容。
数字钟电路的设计和仿真,涉及模
拟电子技术、数字电子技术等多方面知识,能够体现实验者的理论功底和设计
水平,是电子设计和仿真教学的典型案例。
文中采用了555 定时器电路、计数电路、译码电路、显示电路和时钟校正电路,来实现该电路。
1 系统设计方案
数字钟由振荡器、分频器、计时电路、译码显示电路等组成[1-3]。
振荡器是数字钟的核心,提供一定频率的方波信号;分频器的作用是进行频率变换,产生频率为1 Hz 的秒信号,作为是整个系统的时基信号; 计时电路是将时基信号进行计数;译码显示电路的作用是显示时、分、秒时间;校正电路用来对时、分进行校对调整。
其总体结构图,如图1 所示。
2 子系统的实现
2.1 振荡器
本系统的振荡器采用由555 定时器与RC 组成的多谐振荡器来实现,如图2 所示即为产生1 kHz 时钟信号的电路图。
此多谐振荡器虽然产生的脉冲误差较大,但设计方案快捷、易于实现、受电源电压和温度变化的影响很小[4]。
2.2 分频器
由于振荡器产生的频率高,要得到标准的秒信号,就需要对所得到的信号进行分频。
在此电路中,分频器的功能主要有两个:1) 产生标准脉冲信号;。
综合实践(论文)题目数字钟学院通信与电子工程学院专业班级学生姓名学生学号指导教师摘要:本次设计主要是利用数字电路实验箱上的74LS160、555定时器、74LS00与七段显示译码器设计简易数字钟,实现准确计时,以数字形式显示时、分、秒的时间和校时功能。
由于采用纯数字硬件设计制作,与传统机械表相比,它具有走时准、显示直观、无机械传动装置等特点。
它的小时周期为12,分和秒的周期为60。
关键字:数字时钟时计数器分计数器秒计数器校时器目录摘要: (I)第1章绪论 (1)1.1 设计要求 (1)1.2 设计任务 (1)第2章总体框图 (2)2.1 总体框图 (2)2.2 设计思路及模块功能 (2)第3章选择器件 (3)3.1 74LS160(本实验需要6片) (4)3.2 74LS04(本实验需要1片) (6)3.3 74LS00(本实验需要2片) (7)3.4 74LS20(本实验需要1个) (8)3.5 LED(本实验需要6个) (9)3.6 三极管8099(本实验需要1个) (11)3.7 小灯泡(本实验需要1个) (11)第4章功能模块 (13)4.1 秒脉冲发生器 (13)4.2 计数译码显示 (13)4.3 整点报时电路 (17)第 5章总体设计电路图 (19)结论 (21)参考文献 (22)附录 (23)第1章绪论1.1 设计要求能进行正常的时,分,秒计时功能,分别由6个数码管显示24h,60min,60s.Sb键进行校时:按下Sh键时,时计数器一秒速度递增,并按24循环,记满23后再回00.Sm键进行校分:按下Sm键时,分计时器以秒速度递增,并按60计数循环,记满59后再回00,但不能向“时”进位。
Sc键进行秒清零:按下Sc键时,可对秒清零。
扬声器整点报时:当计时器达59'51、59'53、59'55及59'57时,鸣叫声频率为500Hz;到达59'59是为最后一声整点报时,频率为1k Hz。
电子产品世界基于Multisim 14仿真设计的多功能数字电子钟Multifunctional digital electronic clock based on simulation design of Multisim 14金子涵,任致远,史旭东,王胜铎 (黑龙江工程学院,哈尔滨150050)摘 要:数字电子钟是一种利用数字电子技术实现计时的钟表。
本文介绍了在Multisim 14仿真软件上设计的满足要求的可调闹钟功能数字钟,对其设计原理、整体框图和各单元电路做了详细说明。
利用Multisim软件具有花费少、效率高、周期短,功能强等优势,可对数字电子钟电路进行分层设计。
将整机框图拆分成多个单元电路,再将各单元电路连线成整机电路,结构清晰,便于理解每个单元电路功能,使整机电路功能一目了然。
关键词:数字电子钟;Multisim 14;可调闹钟;反馈置数法;分层设计0 引言Multisim 14是美国NI公司研发的一款以Windows 为操作平台的EDA工具软件[1],可以对模拟、数字电路进行仿真与设计,具有丰富仿真分析能力,所以在电子技术领域以Multisim仿真软件为平台进行电路设计非常普遍。
数字电子钟是一种以数字电路技术实现计时的现代计数器,与传统机械式时钟相比,具有更高的准确性和直观性,且无机械装置,使用寿命更长,因此得到了广泛使用。
从原理上讲,数字电子钟是一种典型数字电路,包括组合逻辑电路和时序电路[2],所以,本文借助Multisim 14软件仿真数字电路便捷高效的优势,进行模块化电路设计,使得设计花费少、效率高、周期短。
1 设计任务1.1 基本功能1)应用模拟振荡电路实现正弦波时钟信号发生,并作为数字钟的时钟信号。
2)实现数字时钟计时功能,时间以24 min为1个周期。
3)用数码管显示分钟、秒。
1.2 扩展功能1)具有校时功能,可以对分钟和秒单独校时。
2)计时过程具有闹钟功能,到达指定时间(时间可选定)蜂鸣。
基于Multisim的数字时钟的设计及仿真摘要随着电子设计自动化(EDA)技术的发展,开创了利用“虚拟仪器”、“虚拟器件”在计算机上进行电子电路设计和实验的新方法。
Multisim就是一种能够运用这种新方法的软件,因它直观、便捷的特点使其在电子设计中具有广泛的应用。
可以在Multisim软件中进行模拟仿真,避免了实际操作的繁杂和不便,同时节约了实验器材,有助于边学边用,从而学以致用。
而数字时钟具有走时精确、校时方便、设计和使用简单的特点,能实现定时和报时功能,得到了广泛使用。
通过这个数字时钟的仿真,帮助认识其软件作用,深入分析其原理,帮助了解数字时钟工作原理。
对于Multisim软件进行数字时钟的设计和仿真。
我们首先在Multisim软件中创建好数字时钟的总电路图。
然后用该软件中的仿真功能进行仿真。
正确仿真的数字时钟应具有“秒”、“分”、“时”的十进制数字显示,能够随时校正分钟和小时,当时钟到整点时能够进行整点报时,还能够进行定时设置。
关键词:EDA,Multisim,模拟仿真,数字时钟Simulation Discussion of Digital Clock Based on MultisimAuthor: Huang ShengTutor: Si Xiao--pingAbstractAlong with the development of Electronic Design Automation(EDA),a new way of the electronic circuit design and experiments is created by using virtual instruments and components on computers.Multisim is a software to be able to use this way, because of its intuitive and convenient features of its electronic design with a wide range of applications. Multisim software can be carried out in the simulation, the actual operation to avoid the inconvenience of the complicated and, at the same time to save the experimental equipment, help to learn, and thus apply what they have learned. And go figure, when the clock has precision, school and convenient design and easy to use features, to achieve timing and time functions, have been widely used. Through this figure the simulation clock to help recognize the role of its software, in-depth analysis of its principles, to help understand the working principle of the digital clock.For design and simulation with Multisim software in the digital clock. We first created Multisim software digital clock circuit diagram of the total. And then use the software's simulation features in the simulation. Correct simulation of the digital clock should have "seconds", "sub", "when" the decimal figures, can be corrected at any time minutes and hours, when the bell when the whole point to carry out the whole time, but also can be set from time to time.Key word: EDA,Multisim,Simulation,Digital Clock目录1绪论 (1)1.1 课题背景及目的 (1)1.2 国内外研究状况 (2)1.3 论文的构成及研究内容 (2)2设计方案 (4)3 Multisim 10软件介绍 (6)3.1 Multisim 10软件简介 (6)3.2 Multisim 10软件功能 (6)3.3 Multisim 10软件发展 (6)3.4 Multisim 10软件分析工具 (7)3.5 Multisim 10仿真的基本步骤 (7)3.6 Multisim 10意义 (8)4数字时钟设计及仿真分析 (9)4.1 数字时钟设计概况 (9)4.2 数字时钟设计 (9)4.2.1 小时计时电路 (9)4.2.2 分钟计时电路 (11)4.2.3 校时选择电路 (12)4.2.4 整点译码电路 (13)4.2.5 定时比较电路 (14)4.2.6 脉冲产生和分频电路 (15)4.2.7 整点报时电路 (16)4.3 总体电路设计和仿真分析 (17)4.3.1 总体电路设计 (17)4.3.2 仿真分析 (17)结论 (19)致谢 (20)参考文献 (21)1绪论1.1课题背景及目的EDA就是(Electronic Design Automation,电子设计自动化)的缩写技术已经在电子设计领域得到广泛应用。
基于Multisim12的数字钟设计与仿真
基于Multisim12的数字钟设计与仿真
吕念芝
【摘要】基于Multisim12平台设计了一款具有整点报时、12或24小时切换、校时、驱动、时分秒显示功能的数字电子钟。
晶振秒脉冲电路经过在面包板上实际测试可以实现,其他电路在Multisim12仿真平台可以成功实现。
电路结构采用层级化设计模式,清晰明了。
10个底层电路采用分立元件实现具体功能。
采用分立元件可以检验学生对基本元件知识掌握的情况,以及功能应用的熟练程度度。
通过Multisim12软件的仿真,为后续数字钟的实现奠定了很好的基础。
【期刊名称】内蒙古科技与经济
【年(卷),期】2019(000)008
【总页数】3
【关键词】Multisim12;数字钟;设计;仿真
基金项目:《基于Android平台的多屏互动系统的设计与实现》(编号:JAT160618);《基于超级电容器的新型能源材料技术探索》(编号:JAT160622);基于蓝牙5.0的可移动车载显示器设计(编号:JAT170793)。
数字钟[1]的设计实现途径很多,可以采用现在先进的FPGA[2]技术,在一个芯片内实现主体功能:秒脉冲输出、计数、12或24小时切换、整点报时和时间校准。
再配合简单的外围电路就可以实现基本功能的数字钟。
或者采用专门的数字钟的集成芯片[3],再配合电源、显示等外围电路也可以实现数字电子钟。
以上两种途径虽然可以快速的设计数字电子钟,抗干扰能力也很强,可是无法体现学生对分立元件掌握的熟悉度和对基本数字电路知识掌握的程度,鉴于此。
数字时钟具有“秒”、“分”、“时”的十进制数字显示,能够随时校正分钟和小时,当时钟到整点时能够进行整点报时,还能够进行定时设置。
其涉及的电路由6部分组成。
(1)能产生“秒脉冲”、“分脉冲”和“时脉冲”的脉冲产生和分频电路;(2)对“秒脉冲”、“分脉冲”和“时脉冲”计数的计数电路;(3)时间显示电路;(4)校时电路;(5)报时电路;(6)定时输入电路和时间比较电路。
由脉冲发生器产生信号通过分频电路分别产生小时计数、分计数、秒计数。
当秒计数满60后,分钟加1;当分满60后,时加1;当时计数器计满24时后,又开始下一个循环技术。
同时,可以根据需要随时进行校时。
把定时信号和显示信号通过比较电路确定能否产生定时报警信号。
显示信号通过整点译码电路产生整点报警信号。
数字时钟设计与开发以及仿真分析:系统具有“时”、“分”、“秒”的十进制数字显示,因此,应有计数电路分别对“秒脉冲”、“分脉冲”和“时脉冲”计数;同时应有时间显示电路,显示当前时间;还应有脉冲产生和分频电路,产生“秒脉冲”、“分脉冲”和“时脉冲”[5]。
系统具有校时功能,因此,应有校时电路,设定数字时钟的当前值。
系统具有整点报时功能,因此,应有译码电路将整点时间识别出来,同时应有报时电路。
系统具有定时功能,因此,应有定时输入电路和时间比较电路。
综上考虑,可如图2.1所示设计数字时钟的电路原理结构图。
图2.1 数字时钟的电路原理结构图如图2.1所示,数字时钟电路有3个开关,它们的功能如下。
(1)S1:S1为瞬态开关,手动输入计数脉冲。
(2)S2:校时/定时/校时选择电路输入选择开关,当开关切换到上触点,为定时输入;当开关切换到中间触点,为校时输入;当开关切换到下触点,为校时选择电路输入。
(3)S3:为计时/校时选择开关,当开关切换到右边触点时,数字时钟为计时状态;当开关切换到左边触点时,数字时钟为校时状态。
左边两个计数器(小时计数、分计数)接收手动输入脉冲,为定时功能设定定时时间。
电子电路Multisim设计和仿真【1 】学院:专业和班级:姓名:学号:数字时钟的Multisim设计和仿真一.设计和仿真请求进修分解数字电子电路的设计.实现和调试1.设计一个24或12小时制的数字时钟.2. 请求:计时.显示准确到秒;有校时功效.采取中小范围集成电路设计.3.施展:增长闹钟功效.二.总体设计和电路框图1.设计思绪1).由秒时钟旌旗灯号产生器.计时电路和校时电路构成电路.2).秒时钟旌旗灯号产生器可由555准时器构成.3).计时电路中采取两个60进制计数器分离完成秒计时和分计时;24进制计数器完成时计时;采取译码器将计数器的输出译码后送七段数码管显示.4).校时电路采取开关掌握时.分.秒计数器的时钟旌旗灯号为校时脉冲以完成校时.2.电路框图三.子模块具体设计1.由555准时器构成的1Hz秒时钟旌旗灯号产生器.由下面的电路图产生1Hz的脉冲旌旗灯号作为总电路的初输入时钟脉冲.图2. 时钟旌旗灯号产生电路2.分.秒计时电路及显示部分在数字钟的掌握电路中,分和秒的掌握都是一样的,都是由一个十进制计数器和一个六进制计数器串联而成的,在电路的设计中我采取的是同一的器件74LS160D的反馈置数法来实现十进制功效和六进制功效,依据74LS160D的构造把输出端的0110(十进制为6)用一个与非门74LS00引到CLR端即可置0,如许就实现了六进制计数.由两片十进制同步加法计数器74LS160级联产生,采取的是异步清零法.显示部分用的是七段数码管和两片译码器74LS48D.图3. 分秒计时电路3.时计时电路及显示部分由两片十进制同步加法计数器74LS160级联产生,采取的是同步置数法,u1输出端为0011(十进制为3)与u2输出端0010(十进制为2)经由与非门接两片的置数端.显示部分用的是七段数码管和两片译码器74LS48D.图4. 时计时电路校时电路采取开关掌握时.分.秒计数器的时钟旌旗灯号为校时脉冲以完成校时.如图,当开关A,B闭合,C,D断开时,电路进行正常的计时工作;当开关A,B断开,C,D闭应时,就可以主动进行校时.当然也可以手动校准时光,这是须要不竭地闭合.断开开关,每次只转变一个数.个中C是校时开关,D是较离开关,开关E用来掌握秒得校准,断开时,秒显示为0.图5. 校时电路四.整体电路道理图整体电路共分为五大模块:脉冲产生部分.计数部分.译码部分.显示部分.校时部分.重要由震动器.秒计数器.分计数器.时计数器.BCD-七段显示译码/驱动器.LED七段显示数码管.时光校准电路构成.数字钟数字显示部分,采取译码与二极管串联电路,将译码器.七段数码管衔接起来,构成十进制数码显示电路,即时钟显示.要完成显示须要6个数码管,八段的数码管须要译码器械才干显示,然后要实现时.分.秒的计时须要60进制计数器和24进制计数器,在在仿真软件中产生旌旗灯号可以用函数产生器仿真,频率可以随便调剂.60进制可能由10进制和6进制的计数器串联而成,频率振荡器可以由晶体振荡器分频来供给,也可以由555准时来产生脉冲并分频为1Hz.计数器的输出分离经译码器送显示器显示.计时消失误差时,可以用校时电路校时.校分.图6. 整体电路图五.仿真成果1.1hz脉冲产生电路仿真振荡器可由晶振构成,也可以由555与RC构成的多谐振荡器.由555准时器得到1Hz的脉冲,功效主如果产生尺度秒脉冲旌旗灯号和供给功效扩大电路所须要的旌旗灯号.仿真剖析开端前可双击仪器图标打开仪器面板.预备不雅察被测试波形.按下程序窗口右上角的启动/停滞开关状况为1,仿真剖析开端.若再次按下,启动/停滞升关状况为0,仿真剖析停滞.电路启动后,须要调剂示波器的时基和通道掌握,使波形显示正常.为了便于不雅察特把频率加大.由图可见,所设计的电路可以产生方波.图7(a). 产生1kHz的脉冲波形图7(b). 产生1Hz的脉冲波形2.脉冲输出电压不雅察在内心栏里选用万用表接到555准时电路的输出端,设置万用表输出为直流电压.点击运行按钮,由仿真成果可知脉冲输出电压较稳固,开端小幅度变更,最后稳固在3.33v.与最初设计基底细符.图8. 脉冲数出电压电路3.60进制计数器计数仿真成果如图衔接好电路,点击运行按钮,经由不雅察电路仿真成果所设计的电路是准确的,可以正常工作.计数显示从0到59.当计数器数到59后有一个短暂的60显示,这是异步清零的原因.现实工作后不会消失计数不准的现象.图9. 60进制计数器计数仿真电路4.24进制计数器计数仿真成果给电路加脉冲旌旗灯号源,频率可以加大.如图,频率为1kHz,经由不雅察电路的仿真成果可以看到显示数字是从0到23与设计相符.特殊留意74LS160的衔接.图10. 24进制计数器计数仿真电路5.总体电路仿真成果1). 秒计数向分计数进位仿真.如图衔接好电路,点击运行后,可以看到秒计数计到59后可以向分计数器进位,电路运行正常.2). 分计数向时计数进位仿真.给分计数器的个位计数片上加1kHz的时钟旌旗灯号源,经由运行仿真后,可以看出分位计数到59时可以向时位进位.电路运行正常.6. 开关校时电路仿真成果校时电路由开关.或非门和反相器构成,当 A.B.E闭合,C.D断开时,电路正常计时;当A.B随便,C.D闭应时,时,分主动校时;当手动校不时,每开关一次示数增长1. E开关用来较秒的,闭应时正常工作,断开时秒显示器为零,全部电路不工作.可以起到较秒的感化.经由仿真试验开关设置合理,可以起到预定的后果,可以或许有用地校准时.分.秒.六.结论由震动器.秒计数器.分计数器.时计数器.BCD-七段显示译码/驱动器.LED 七段显示数码管设计了数字时钟电路,经由仿真得出较幻想的成果,解释电路图及思绪是准确的,可以实现所请求的根本功效:计时.显示准确到秒.时分秒校时.七.应用Multisim仿真软件设计领会经由过程对软件Multisim的进修和应用,进一步加深了对数字电路的熟悉.在仿真进程中碰到很多艰苦,但经由过程本身的尽力和同窗的帮忙都一一战胜了.起首,衔接电路图进程中,数码管不克不及显示,后经图形放大后才发明是电路断路了.其次,计划的时刻因元件比较多,整体计划比较艰苦,因子电路不如原电路直不雅,最后在不竭尽力下,终于不必子电路布好全部电路.调试时有的器件在理论上可行,但在现实运行中就无法看到后果,所以得换很多器件,有时无法找出错误便改换器件从新接线以使电路正常运行.在全部设计中,74LS160的接线比较艰苦,重复修正了多次,在卖力进修其用法后采取归零法和置数法设计出60进制和24进制的计数器.同时,在最后仿真时,预置的频率一开端用的是1hz,成果仿真成果反响很慢,后把频率加大,这才在短时光内就能看到全体成果.总之,经由过程此次对数字时钟的设计与仿真,为今后的电路设计打下优越的基本,一些经验和教训,将成为珍贵的进修财宝.第11页,共11页。
目录第1章引言 (3)1. 设计思路 (3)2. 主要内容 (4)第2章数字时钟模块设计 (4)2.1 数字时钟秒脉冲信号的设计 (4)2.1.1 秒时钟信号发生器的设计 (4)2.2 器件分析 (5)2.2.1 74LS160分析 (5)2.3 计数器设计 (6)2.3.1 六十进制计数器 (6)2.3 .2 二十四进制计数器 (6)2.4 计时电路设计 (7)2.4.1秒计时电路的设计 (7)2..4.2 时计时电路的设计 (7)2.5 数字时钟电路设计 (8)2.6 校时电路 (10)2.7 整点报时 (11)2.8 闹钟电路 (12)第3章仿真调试 (16)3.1时钟显示 (17)3.1.1 时钟显示完整的00:00:00 (17)3.1.2 时钟完整显示01:00:00 (17)3.1.3 时钟完整显示23:59:59 (18)3.1.4 仿真开关校准“秒”电路 (18)3.1.6 仿真开关校准“时”电路 (19)第4章结论 (20)第5章利用Multisim10.0仿真软件设计体会 (20)参考文献 (20)基于Multisim的数字时钟设计赵娟(安庆师范学院物理与电气工程学院安徽安庆 246011)指导老师:朱德权摘要:时间对于人们来说总是那么的宝贵,工作的忙碌性和繁杂性容易使人们忘记当前的时间。
于是,20世纪末,,电子技术有了飞快地发展,不仅在通信技术上用数字信号替代模拟信号,,,数字时钟相比模拟钟能给人一种一目了然的感觉,它不仅可以同时显示时、分和秒,并且可以完成准确的校正。
数字时钟具有走时精确,校准方便设计和使用简单的特点。
对于Multisim软件进行数字时钟的设计和仿真。
首先在Multisim创建好数字时钟的总电路图。
然后用该软件中的仿真功能进行仿真。
一个数字时钟需要振荡器,计数器,译码器和显示器电路精确时间“小时”“分”“秒”与数字显示,并需要校正电路,使其准确的工作,也可有定时和计时功能。
哈尔滨工业大学数字时钟的设计与仿真目录1.设计要求2. 总电路图及工作原理3.电路组成介绍3.1 脉冲形成电路3.2 分频电路3.3 60进制计数器及显示电路3.4 24进制计数器及显示电路3.5 时间设置电路4. 电路的测试5. 分析与评价附录:元器件清单1.设计要求本次设计任务是要求用Multisim10.0软件设计一个数字时钟电路,即用数字显示出时间结果。
设计要求如下:(a)以数字形式显示时、分、秒。
(b)小时计时采用24进制的计时方式,分、秒采用60进制的计时方式。
(c)要求能够对时钟进行时间设置。
2. 总电路图及工作原理数字时钟的总电路图如下所示:数字时钟工作原理:数字时钟电路由555振荡发生器、分频器、两个60进制分秒计数器、一个24进制小时计数器以及6个数字显示器组成。
电路工作时由555振荡器产生频率为1000HZ的脉冲,经由三个74LS90D构成的千分频的分频器得到频率为1HZ的脉冲,脉冲输入计数电路(分秒由60进制计数电路计数,小时由24进制计数电路计数),然后将相应数字显示到数字显示器上即所要显示的时间。
另外,时钟的时间设置可以通过三个与单刀双掷开关相连的时钟信号发生器来实现。
电路的设计流程图如下所示3.电路组成介绍3.1 脉冲形成电路脉冲形成电路为555计时器组成的振荡电路。
考虑到时钟对精度要求较高,故在时钟电路中由555振荡电路产生频率为1KHz的脉冲信号,然后经过千分频的分频器分频产生1Hz脉冲。
555振荡器的参数确定:T=0.7(R1+R2)C=1ms,f=1/t=1KHZ,故可令R1=5kΩ,R2=5KΩ,C=100nF。
(以上设置在实际仿真的时候速度过慢,故在实际仿真中)脉冲形成电路如下所示:3.2 分频电路分频电路是三个用十进制计数器74LS90串联而成的千分频的分频器。
分频原理是在74LS90的输出端子中,从低位输入10个脉冲才从高位输出1个脉冲,这样一片74LS90就可以起十分频的作用,三个74LS90串联就构成了千分频的电路,输出的便是1HZ的标准脉冲信号。
Multisim做的数字时钟!完美运行班级电信工程1101姓名学号指导教师2014年 1 月所选课题:数字时钟一(设计要求多功能数字钟:能够准确显示时、分、秒时间,具有校时功能和闹钟功能。
要实现校时功能需要分别针对时分秒的校时电路,要实现1Hz的秒钟计数需要时钟振荡电路,所以数字钟电路一般由数码显示器、计数器、时钟振荡器和校时电路等几个部分组成。
二(设计思路及电路原理图数字时钟的总电路图如下所示:数字时钟工作原理:数字时钟电路由555振荡发生器、分频器、两个60进制分秒计数器、一个24进制小时计数器以及6个数字显示器组成。
电路工作时由555振荡器产生频率为1000HZ的脉冲,经由三个74LS192D构成的千分频的分频器得到频率为1HZ的脉冲,脉冲输入计数电路(分秒由60进制计数电路计数,1小时由24进制计数电路计数),然后将相应数字显示到数字显示器上即所要显示的时间。
另外,时钟的时间设置可以通过三个与单刀双掷开关相连的时钟信号发生器来实现。
闹钟由16个异或门,16个非门,2个8端与门,1个2端与门,1个灯泡组成。
电路原理框图如下:脉冲形成电路由555计时器组成的振荡电路。
考虑到时钟对精度要求较高,故在时钟电路中由555振荡电路产生频率为1KHz的脉冲信号,然后经过千分频的分频器分频产生1Hz脉冲。
555振荡器的参数确定:T=0.7(R1+R2)C=1ms,f=1/t=1KHZ,所以参数可以确定为:C1=10uF,C2=100nF,R1=45Ω,R2=50Ω(以上设置在实际仿真的时候速度过慢,故在实际仿真中)脉冲形成电路如下:2分频电路是三个用十进制计数器74LS90串联而成的千分频的分频器。
分频原理是在74LS90的输出端子中,从低位输入10个脉冲才从高位输出1个脉冲,这样一片74LS90就可以起十分频的作用,三个74LS90串联就构成了千分频的电路,输出的便是1HZ的标准脉冲信号。
分频电路如下所示:在数字时钟电路中,分与秒的计数电路是分别由两个74LS192D组成的60进制的计数电路实现的。
电子电路Multisim设计和仿真
学院:
专业和班级:
姓名:
学号:
数字时钟的Multisim设计和仿真
一、设计和仿真要求
学习综合数字电子电路的设计、实现和调试
1.设计一个24或12小时制的数字时钟。
2. 要求:计时、显示精确到秒;有校时功能。
采用中小规模集成电路设计。
3.发挥:增加闹钟功能。
二、总体设计和电路框图
1. 设计思路
1).由秒时钟信号发生器、计时电路和校时电路构成电路。
2).秒时钟信号发生器可由555定时器构成。
3).计时电路中采用两个60进制计数器分别完成秒计时和分计时;24进制计数器完成时计时;采用译码器将计数器的输出译码后送七段数码管显示。
4).校时电路采用开关控制时、分、秒计数器的时钟信号为校时脉冲以完成校时。
2. 电路框图
图1. 数字钟电路框图
三、子模块具体设计
1. 由555定时器构成的1Hz秒时钟信号发生器。
由下面的电路图产生1Hz的脉冲信号作为总电路的初输入时钟脉冲。
图2. 时钟信号发生电路
2.分、秒计时电路及显示部分
在数字钟的控制电路中,分和秒的控制都是一样的,都是由一个十进制计数器和一个六进制计数器串联而成的,在电路的设计中我采用的是统一的器件74LS160D的反馈置数法来实现十进制功能和六进制功能,根据74LS160D的结构把输出端的0110(十进制为6)用一个与非门74LS00引到CLR端便可置0,这样就实现了六进制计数。
由两片十进制同步加法计数器74LS160级联产生,采用的是异步清零法。
显示部分用的是七段数码管和两片译码器74LS48D。
图3. 分秒计时电路
3. 时计时电路及显示部分
由两片十进制同步加法计数器74LS160级联产生,采用的是同步置数法,u1输出端为0011(十进制为3)与u2输出端0010(十进制为2)经过与非门接两片的置数端。
显示部分用的是七段数码管和两片译码器74LS48D。
4. 校时电路
校时电路采用开关控制时、分、秒计数器的时钟信号为校时脉冲以完成校时。
如图,当开关A,B 闭合,C,D 断开时,电路进行正常的计时工作;当开关A,B 断开,C,D 闭合时,就可以自动进行校时。
当然也可以手动校准时间,这是需要不断地闭合、断开开关,每次只改变一个数。
其中C 是校时开关,D 是较分开关,开关E 用来控制秒得校准,断开时,秒显示为0。
四、整体电路原理图
整体电路共分为五大模块:脉冲产生部分、计数部分、译码部分、显示部分、校时部分。
主要由震荡器、秒计数器、分计数器、时计数器、BCD-七段显示译码/驱动器、LED 七段显示数码管、时间校准电路构成。
数字钟数字显示部分,采用译码与二极管串联电路,将译码器、七段数码管连接起来,组成十进制数码显示电路,即时钟显示。
要完成显示需要6个数码管,八段的数码管需要译码器械才能显示,然后要实现时、分、秒的计时需要60进制计数器和24进制计数器,在在仿真软件中发生信号可以用函数发生器仿真,频率可以随意调整。
60进制可能由10进制和6进制的计数器串联而成,频率振荡器可以由晶体振荡器分频来提供,也可以由555定时来产生脉冲并分频为1Hz 。
计数器的输出分别经译码器送显示器显示。
计时出现误差时,可以用校时电路校时、校分。
图4. 时计时电路 图5. 校时电路
图6. 整体电路图
五、仿真结果
1. 1hz脉冲产生电路仿真
振荡器可由晶振组成,也可以由555与RC组成的多谐振荡器。
由555定时器得到1Hz的脉冲,功能主要是产生标准秒脉冲信号和提供功能扩展电路所需要的信号。
仿真分析开始前可双击仪器图标打开仪器面板。
准备观察被测试波形。
按下程序窗口右上角的启动/停止开关状态为1,仿真分析开始。
若再次按下,启动/停止升关状态为0,仿真分析停止。
电路启动后,需要调整示波器的时基和通道控制,使波形显示正常。
为了便于观察特把频率加大。
由图可见,所设计的电路可以产生方波。
图7(a). 产生1kHz的脉冲波形图7(b). 产生1Hz的脉冲波形
2.脉冲输出电压观察
在仪表栏里选用万用表接到555定时电路的输出端,设置万用表输出为直流电压。
点击运行按钮,由仿真结果可知脉冲输出电压较稳定,开始小幅度变化,最后稳定在3.33v。
与最初设计基本相符。
图8. 脉冲数出电压电路
3. 60进制计数器计数仿真结果
如图连接好电路,点击运行按钮,经过观察电路仿真结果所设计的电路是正确的,可以正常工作。
计数显示从0到59。
当计数器数到59后有一个短暂的60显示,这是异步清零的原因。
实际工作后不会出现计数不准的现象。
图9. 60进制计数器计数仿真电路
4. 24进制计数器计数仿真结果
给电路加脉冲信号源,频率可以加大。
如图,频率为1kHz,经过观察电路的仿真结果可以看到显示数字是从0到23与设计相符。
特别注意74LS160的连接。
图10. 24进制计数器计数仿真电路
5.总体电路仿真结果
1). 秒计数向分计数进位仿真。
如图连接好电路,点击运行后,可以看到秒计数计到59后可以向分计数器进位,电路运行正常。
2). 分计数向时计数进位仿真。
给分计数器的个位计数片上加1kHz的时钟信号源,经过运行仿真后,可以看出分位计数到59时可以向时位进位。
电路运行正常。
6. 开关校时电路仿真结果
校时电路由开关、或非门和反相器构成,当A、B、E闭合,C、D断开时,电路正常计时;当A、B随意,C、D闭合时,时,分自动校时;当手动校时时,每开关一次示数增加1。
E开关用来较秒的,闭合时正常工作,断开时秒显示器为零,整个电路不工作。
可以起到较秒的作用。
经过仿真实验开关设置合理,可以起到预定的效果,能够有效地校准时、分、秒。
六、结论
由震荡器、秒计数器、分计数器、时计数器、BCD-七段显示译码/驱动器、LED七段显示数码管设计了数字时钟电路,经过仿真得出较理想的结果,说明电路图及思路是正确的,可以实现所要求的基本功能:计时、显示精确到秒、时分秒校时。
七、利用Multisim仿真软件设计体会
通过对软件Multisim的学习和使用,进一步加深了对数字电路的认识。
在仿真过程中遇到许多困难,但通过自己的努力和同学的帮助都一一克服了。
首先,连接电路图过程中,数码管不能显示,后经图形放大后才发现是电路断路了。
其次,布局的时候因元件比较多,整体布局比较困难,因子电路不如原电路直观,最后在不断努力下,终于不用子电路布好整个电路。
调试时有的器件在理论上可行,但在实际运行中就无法看到效果,所以得换不少器件,有时无法找出错误便更换器件重新接线以使电路正常运行。
在整个设计中,74LS160的接线比较困难,反复修改了多次,在认真学习其用法后采用归零法和置数法设计出60进制和24进制的计数器。
同时,在最后仿真时,预置的频率一开始用的是1hz,结果仿真结果反应很慢,后把频率加大,这才在短时间内就能看到全部结果。
总之,通过这次对数字时钟的设计与仿真,为以后的电路设计打下良好的基础,一些经验和教训,将成为宝贵的学习财富。