3503-J315-卧式设备安装检验记录簿
- 格式:doc
- 大小:7.77 MB
- 文档页数:40
SH/T 3503-J315卧式设备安装检验记录Horizontal EquipmentInstallation Inspection Record工程名称:Project:单元名称:Unit:Description Item No.SpecificationNote 1:B、C、D、E shown in the sketch are bench marks for measuring the equipment shell levelness.Note 2:The elevation of equipment installed shall be measured from the baseline on the equipment foundation to the lower surface of the base plate of the equipment support.Note 3:The deviation in axial levelness shall be in line with the drain direction.Note 4:L is the distance between two end check points. L= mm.Unit:mmItem MeasuringPointAllowableValueActualValueItemMeasuringPointAllowableValueActualValueDeviation in Central Position of Support Longitudinal Deviation inLongitudinalLevelnessB- C Horizontal D- EDeviation in Elevation of Support Sliding Side Deviation inHorizontalLevelnessB- D Fixed Side C- ESlide tolerance of the support at the sliding side mm Nut loosening and tightening statusInspection Conclusion:Owner/Supervision Contractor General Contractor Construction ContractorDiscipline engineer:Date:Discipline engineer:Date:Discipline engineer:Quality inspector:Construction foreman:Date:SH/T 3503—2007C.19 SH/T3503-J315“卧式设备安装检验记录”,表格中“滑动端鞍座滑动裕量”与“螺母松动核验结果”栏应在设备配管完成之后核查确认。
SH/T 3503—J302 轴对中记录单位工程名称:设备名称设备位号联轴器型式测量方式□双表□三表□其他检测部位示意图单位:mm联轴器编号径向位移轴向倾斜端面间隙百分表固定位置允许值实测值允许值百分表回转直径实测值允许值实测值a1a2a3a4b1 b2 b3 b4注1:联轴器编号从驱动机侧开始顺序编号。
注2:□有□无,实际轴对中测量曲线图附后。
结论:建设/监理单位总承包单位施工单位专业工程师:日期:年月日专业工程师:日期:年月日施工班组长:质量检查员:专业工程师:日期:年月日SH/T 3503—J303机组轴对中记录工程名称:单位工程名称:设备名称设备位号驱动机轴侧检测部位示意图单位:mm联轴器编号A1—B1 A2—B2 A3—B3联轴器型式轴端距L1、L2、L3允许值实测值检测部位A1 B1 A2 B2a1a2a3a4b1b2b3b4a1a2a3a4b1b2b3b4允许值实测值检测部位A3B3a1a2a3a4b1b2b3b4a1a2a3a4b1b2b3b4允许值实测值注1:联轴器编号从驱动机侧开始顺序编号。
注2:□有□无,实际轴对中测量曲线图附后。
结论:建设/监理单位总承包单位施工单位设备制造厂专业工程师:日期:年月日专业工程师:日期:年月日施工班组长:质量检查员:专业工程师:日期:年月日现场代表:日期:年月日。
3503-J314立式、卧式设备安装检验记录SH/T3503-J314 立式设备安装记录工程名称:银川宝塔精细化工有限公司技改工程单元名称:10万吨/年催化重整-芳烃抽提核算项目设备名称分子筛干燥罐设备位号D-206/1规格Ф1400×6412×16h基准线注:h为两测点间的距离,取h= 6400 mm。
单位:mm项目测量部位允许值实测值项目测量部位允许值实测值标高偏差0º±5+2支座中心位置偏差0º±5-4 90º±5-3 90º±5 +3180º±5-4 180º±5-2270º±5-4270º±5+3垂直偏差0º/180ºH/1000 4方位偏差0º104 90º/270ºH/1000 3检验结论:设备安装偏差在允差允差范围内,设备安装合格。
建设/ 监理单位总承包单位施工单位专业工程师:日期:年月日专业工程师:日期:年月日专业工程师:质量检查员:施工班组长:日期:年月日SH3503–J303 卧式设备安装记录工程名称:银川宝塔精细化工有限公司技改工程单元名称:10万吨/年催化重整-芳烃抽提核算项目设备名称位号型号及规格滑动端鞍座滑动裕量、螺栓松动核验结果:项目测量部位允许值(mm)实测值(mm) 核验人:年月日项目测量部位允许值(mm)实测值(mm)中心线位置偏X 轴±5Y 轴±5安装标高偏差B ±5 -2 轴向水平B -C L/1000C ±5D -E L/1000D ±5 径向水平B - D 2D/1000E ±5 C - E 2D/1000结论设备安装偏差在允差允差范围内,设备安装合格。
建设 / 监理单位施工单位专业工程师:年月日技术负责人:质量检查员:班(组)长:年月日。
SH/T 3503-J315 卧式设备安装检验记录工程名称:海正化工南通股份有限公司新建项目单元名称:三车间设备名称后馏份储罐设备位号V11317规格V=5998L注1:图中B、C、D、E为设备筒体水平度测量基准点。
注2:设备安装标高测量值为设备基础上的标高基准线到设备支座底板下表面的距离。
注3:4:L为两端测点间的距离,取L= 3200 mm。
单单位:mm项目测量部位允许值实测值项目测量部位允许值实测值支座中心位置偏差纵向±5 1 纵向水平偏差B- C 3.2 2 横向±5 1 D- E 3.2 1支座标高偏差滑动端±5 2 横向水平偏差B- D 3 2 固定端±5 1 C- E 3 2滑动端支座滑动裕量20mm 螺母松开和锁紧情况螺母已松开,且锁紧检验结论:符合设计及施工规范要求建设/ 监理单位总承包单位施工单位专业工程师:日期:年月日专业工程师:日期:年月日专业工程师:质量检查员:施工班组长:日期:年月日SH/T 3503-J315 卧式设备安装检验记录工程名称:海正化工南通股份有限公司新建项目单元名称:三车间设备名称二氯甲烷储罐设备位号V11309规格V=5998L注1:图中B、C、D、E为设备筒体水平度测量基准点。
注2:设备安装标高测量值为设备基础上的标高基准线到设备支座底板下表面的距离。
注3:4:L为两端测点间的距离,取L= 3200 mm。
单单位:mm项目测量部位允许值实测值项目测量部位允许值实测值支座中心位置偏差纵向±5 2 纵向水平偏差B- C 3.2 2 横向±5 1 D- E 3.2 2支座标高偏差滑动端±5 2 横向水平偏差B- D 3 1 固定端±5 2 C- E 3 2滑动端支座滑动裕量20mm 螺母松开和锁紧情况螺母已松开,且锁紧检验结论:符合设计及施工规范要求建设/ 监理单位总承包单位施工单位专业工程师:日期:年月日专业工程师:日期:年月日专业工程师:质量检查员:施工班组长:日期:年月日SH/T 3503-J315 卧式设备安装检验记录工程名称:海正化工南通股份有限公司新建项目单元名称:三车间设备名称亚硝酸储罐设备位号规格V=10000L注1:图中B、C、D、E为设备筒体水平度测量基准点。
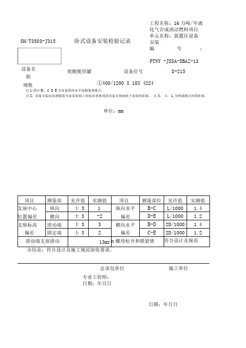
安装 编 号 :SH/T3503-J315 卧式设备安装检验记录PTNY -JSSA-SBAZ-13总承包单位施工单位专业工程师:日期:年月日日期:年月日注1:图中B 、C D E 为设备筒体水平度测量基准点。
注2:设备安装标高测量值为设备基础上的标高基准线到设备支座底板下表面的距离。
注3: 4: L 为两端测点间的距离。
单位:mm项目 测量部 允许值 实测值 项目 测量部位 允许值 实测值支座中心 纵向 士 5 1 纵向水平 B-CL/1000 1.4 位置偏差 横向 士 5 -2 偏差 D-E L/1000 1.2 支座标高 滑动端 士 5 3 横向水平 B-D 2D/1000 1.4 偏差固定端士 52偏差C-E2D/10001.2滑动端支座滑动13mrn 螺母松开和锁紧情 符合设计及规范佥结论:符合设计及施工规范验收要求。
设备名 称 规格废酸脱烃罐 设备位号D-215①400/1200 X 10X 4224安装 编 号 :SH/T3503-J315 卧式设备安装检验记录PTNY -JSSA-SBAZ-14总承包单位施工单位专业工程师:日期:年月日日期:年月日建设/监理单位 监理专业工程师: 建设单位专业工程师: 日期:年月日专业工程师 质量检查员 施工班组长安装 编 号 :SH/T3503-J315 卧式设备安装检验记录PTNY -JSSA-SBAZ-15总承包单位 施工单位专业工程师: 日期:年月日日期:年月日注1:图中B 、C D E 为设备筒体水平度测量基准点。
注2:设备安装标高测量值为设备基础上的标高基准线到设备支座底板下表面的距离。
注3: 4: L 为两端测点间的距离。
单位:mm佥结论:符合设计及施工规范验收要求。
建设/监理单位 监理专业工程师: 建设单位专业工程师: 日期:年月日设备名 称规格碳四原料缓冲罐 设备位号D-101① 800/2600 X 10/14 X 9412专业工程师质量检查员 施工班组长安装 编 号 :SH/T3503-J315 卧式设备安装检验记录PTNY -JSSA-SBAZ-16总承包单位施工单位 专业工程师:日期:年月日日期:年月日注1:图中B 、C D E 为设备筒体水平度测量基准点。
卧式设备安装检查记录表1. 设备信息设备名称设备型号设备编号2. 安装细节检查2.1 安装位置•[ ] 安装位置与图纸要求一致•[ ] 安装位置没有障碍物遮挡•[ ] 安装位置充分考虑了使用人员的安全和便利性•[ ] 安装位置充分考虑了设备的通风和散热需求2.2 设备固定•[ ] 设备已经固定在预定的位置•[ ] 设备固定牢固,不会因为外力移动或倾斜2.3 电源供应•[ ] 设备已接入电源供应•[ ] 电源线路符合相关标准和要求•[ ] 电源供应稳定,符合设备要求2.4 信号连接•[ ] 设备已连接到相关的信号源或通讯线路•[ ] 信号连接符合相关标准和要求•[ ] 信号连接稳定,符合设备要求3. 功能测试3.1 设备开关•[ ] 设备开关操作正常,设备可以正常启动和关闭3.2 控制功能•[ ] 设备的各项控制功能完整并正常工作•[ ] 控制功能的操作界面清晰、易于理解3.3 报警功能•[ ] 设备的报警功能完整并正常工作•[ ] 报警功能的触发条件符合设备要求•[ ] 报警信号的声音或闪光能够清晰地传递给使用人员4. 安全性检查4.1 漏电保护•[ ] 设备是否配备了漏电保护装置•[ ] 漏电保护装置是否正常工作4.2 过载保护•[ ] 设备是否配备了过载保护装置•[ ] 过载保护装置是否正常工作4.3 短路保护•[ ] 设备是否配备了短路保护装置•[ ] 短路保护装置是否正常工作4.4 火灾防护•[ ] 设备是否配备了火灾防护装置•[ ] 火灾防护装置是否正常工作5. 维护记录维护日期维护内容维护人员备注6. 检查结果与意见检查人员检查日期检查结果意见创建人:[Your Name] 创建日期:[YYYY-MM-DD] 更新日期:[YYYY-MM-DD]。
卧式设备安装检验记录SH/T 3503-J315 卧式设备安装检验记录工程名称:16万吨/年液化气合成清洁燃料项目单元名称:装置区设备安装编号:PTNY-JSSA-SBAZ-013设备名称废酸脱烃罐设备位号D-215 规格Φ400/1200×10×4224注1:图中B、C、D、E为设备筒体水平度测量基准点。
注2:设备安装标高测量值为设备基础上的标高基准线到设备支座底板下表面的距离。
注3:4:L为两端测点间的距离。
单单位:mm项目测量部位允许值实测值项目测量部位允许值实测值支座中心位置偏差纵向±5 1 纵向水平偏差B- C L/1000 1.4 横向±5 -2 D- E L/1000 1.2支座标高偏差滑动端±5 3 横向水平偏差B- D 2D/1000 1.4 固定端±5 2 C- E 2D/1000 1.2滑动端支座滑动裕量13mm螺母松开和锁紧情况符合设计及规范要求检验结论:符合设计及施工规范验收要求。
建设/ 监理单位总承包单位施工单位监理专业工程师:建设单位专业工程师:日期:年月日专业工程师:日期:年月日专业工程师:质量检查员:施工班组长:日期:年月日SH/T 3503-J315 卧式设备安装检验记录工程名称:16万吨/年液化气合成清洁燃料项目单元名称:装置区设备安装编号:PTNY-JSSA-SBAZ-014设备名称碳四原料缓冲罐设备位号D-101 规格Φ800/2600×10/14×9412注1:图中B、C、D、E为设备筒体水平度测量基准点。
注2:设备安装标高测量值为设备基础上的标高基准线到设备支座底板下表面的距离。
注3:4:L为两端测点间的距离。
单单位:mm项目测量部位允许值实测值项目测量部位允许值实测值支座中心位置偏差纵向±5 -1 纵向水平偏差B- C L/1000 4.3 横向±5 2 D- E L/1000 4.2支座标高偏差滑动端±5 1 横向水平偏差B- D 2D/1000 2.3 固定端±5 -2 C- E 2D/1000 2.1滑动端支座滑动裕量13mm螺母松开和锁紧情况符合设计及规范要求检验结论:符合设计及施工规范验收要求。
卧式设备安装记录填写⽰例SH3503-2017
SH/T 3503—J327 卧式设备安装检验记录
⼯程名称:XXXXXX项⽬—60万
吨/年离⼦膜烧碱项⽬
单位⼯程名称:电解⼚房A
设备名称氯酸盐分解槽设备位号10-RM-1256A
规格Φ4400X6000
注1:图中B、C、D、E为设备筒体⽔平度测量基准点。
注2:设备安装标⾼测量值为设备基础上的标⾼基准线到设备⽀座底板下表⾯的距离。
注3:轴向⽔平偏差应低向排液⼝⽅向。
注4:L为两端测点间的距离,取L=6000mm。
单位:mm 项⽬测量部位允许值实测值项⽬测量部位允许值实测值⽀座中⼼
位置偏差
纵向±5 1 纵向⽔平
偏差
B-C L/1000 2 横向±5 2 D-E L/1000 2 ⽀座标⾼
偏差
滑动端±5 2 横向⽔平
偏差
B-D 2D/1000 3 固定端±5 1 C-E 2D/1000 2 滑动端鞍座滑动裕量14mm 滑动端螺母松动核验结果符合设计及规范要求注:滑动端地脚螺栓的双螺母应在设备配管完成后松开,保持与⽀座板⼀定间隙后锁紧。
检验结论:合格(⼿写)
建设/监理单位总承包单位施⼯单位
专业⼯程师:
⽇期:年⽉⽇
专业⼯程师:
⽇期:年⽉⽇
施⼯班组长:质量检查员:专业⼯程师:⽇期:年⽉⽇。
J卧式设备安装检验记录公司标准化编码 [QQX96QT-XQQB89Q8-NQQJ6Q8-MQM9N]SH/T 3503-J315 卧式设备安装检验记录工程名称:16万吨/年液化气合成清洁燃料项目单元名称:装置区设备安装编号:PTNY-JSSA-SBAZ-013 设备名称废酸脱烃罐设备位号D-215规格Φ400/1200×10×4224注1:图中B、C、D、E为设备筒体水平度测量基准点。
注2:设备安装标高测量值为设备基础上的标高基准线到设备支座底板下表面的距离。
注3:4:L为两端测点间的距离。
单位:mm项目测量部位允许值实测值项目测量部位允许值实测值支座中心位置偏差纵向±5 1 纵向水平偏差B- C L/1000横向±5 -2 D- E L/1000支座标高偏差滑动端±5 3 横向水平偏差B- D2D/1000固定端±5 2 C- E2D/1000滑动端支座滑动裕量13mm 螺母松开和锁紧情况符合设计及规范要求检验结论:符合设计及施工规范验收要求。
建设 / 监理单位总承包单位施工单位监理专业工程师:建设单位专业工程师:日期:年月日专业工程师:日期:年月日专业工程师:质量检查员:施工班组长:日期:年月日SH/T 3503-J315卧式设备安装检验记录工程名称:16万吨/年液化气合成清洁燃料项目单元名称:装置区设备安装编号:PTNY-JSSA-SBAZ-014 设备名称碳四原料缓冲罐设备位号D-101规格Φ800/2600×10/14×9412注1:图中B、C、D、E为设备筒体水平度测量基准点。
注2:设备安装标高测量值为设备基础上的标高基准线到设备支座底板下表面的距离。
注3:4:L为两端测点间的距离。
单位:mm项目测量部位允许值实测值项目测量部位允许值实测值支座中心位置偏差纵向±5 -1 纵向水平偏差B- C L/1000横向±5 2 D- E L/1000支座标高偏差滑动端±5 1 横向水平偏差B- D2D/1000固定端±5 -2 C- E2D/1000滑动端支座滑动裕量13mm 螺母松开和锁紧情况符合设计及规范要求检验结论:符合设计及施工规范验收要求。
SH/T 3503-J314 立式设备安装检验记录工程名称:单元名称:
设备名称设备位号
规格φ4800*16000mm
h
基准线
注:h为两测点间的距离,取h= mm。
单位:mm 项目测量部位允许值实测值项目测量部位允许值实测值
标高偏差
0º±5
支座中心
位置偏差
0º 5 90º±5 90º5 180º±5 180º 5 270º±5 270º 5
垂直偏差
0º/180ºH/1000
方位偏差0º10 90º/270ºH/1000
检验结论:
设备安装检测结果符合设计及施工规范验收要求。
建设单位监理单位施工单位
专业工程师:
日期:年月日专业工程师:
日期:年月日
专业工程师:
质量检查员:
施工班组长:
日期:年月日
F
HGJ211-85化工塔类设备施工及验收规范
GB50461-2008 石油化工静设备安装工程施工质量验收规范。
、C、D、E为设备筒体水平度测量基准点。
:设备安装标高测量值为设备基础上的标高基准线到设备支座底板下表面的距离。
、C、D、E为设备筒体水平度测量基准点。
:设备安装标高测量值为设备基础上的标高基准线到设备支座底板下表面的距离。
、C、D、E为设备筒体水平度测量基准点。
:设备安装标高测量值为设备基础上的标高基准线到设备支座底板下表面的距离。
、C、D、E为设备筒体水平度测量基准点。
:设备安装标高测量值为设备基础上的标高基准线到设备支座底板下表面的距离。
为两端测点间的距离,取L= mm。
、C、D、E为设备筒体水平度测量基准点。
:设备安装标高测量值为设备基础上的标高基准线到设备支座底板下表面的距离。
、C、D、E为设备筒体水平度测量基准点。
:设备安装标高测量值为设备基础上的标高基准线到设备支座底板下表面的距离。
、C、D、E为设备筒体水平度测量基准点。
:设备安装标高测量值为设备基础上的标高基准线到设备支座底板下表面的距离。
、C、D、E为设备筒体水平度测量基准点。
:设备安装标高测量值为设备基础上的标高基准线到设备支座底板下表面的距离。
、C、D、E为设备筒体水平度测量基准点。
:设备安装标高测量值为设备基础上的标高基准线到设备支座底板下表面的距离。
、C、D、E为设备筒体水平度测量基准点。
:设备安装标高测量值为设备基础上的标高基准线到设备支座底板下表面的距离。
-------------
-------------。
SH/T 3503-J315 卧式设备安装检验记录工程名称:16万吨/年液化气合成清洁燃料项目单元名称:装置区设备安装编号:PTNY-JSSA-SBAZ-013设备名称废酸脱烃罐设备位号D-215规格Φ400/1200×10×4224注1:图中B、C、D、E为设备筒体水平度测量基准点。
注2:设备安装标高测量值为设备基础上的标高基准线到设备支座底板下表面的距离。
注3:4:L为两端测点间的距离。
单单位:mm 项目测量部位允许值实测值项目测量部位允许值实测值支座中心位置偏差纵向±5 1 纵向水平偏差B- C L/1000 1.4 横向±5 -2 D- E L/1000 1.2 支座标高偏差滑动端±5 3 横向水平偏差B- D 2D/1000 1.4 固定端±5 2 C- E 2D/1000 1.2 滑动端支座滑动裕量13mm螺母松开和锁紧情况符合设计及规要求检验结论:符合设计及施工规验收要求。
建设/ 监理单位总承包单位施工单位监理专业工程师:建设单位专业工程师:日期:年月日专业工程师:日期:年月日专业工程师:质量检查员:施工班组长:日期:年月日SH/T 3503-J315 卧式设备安装检验记录工程名称:16万吨/年液化气合成清洁燃料项目单元名称:装置区设备安装编号:PTNY-JSSA-SBAZ-014设备名称碳四原料缓冲罐设备位号D-101规格Φ800/2600×10/14×9412注1:图中B、C、D、E为设备筒体水平度测量基准点。
注2:设备安装标高测量值为设备基础上的标高基准线到设备支座底板下表面的距离。
注3:4:L为两端测点间的距离。
单单位:mm 项目测量部位允许值实测值项目测量部位允许值实测值支座中心位置偏差纵向±5 -1 纵向水平偏差B- C L/1000 4.3 横向±5 2 D- E L/1000 4.2 支座标高偏差滑动端±5 1 横向水平偏差B- D 2D/1000 2.3 固定端±5 -2 C- E 2D/1000 2.1 滑动端支座滑动裕量13mm螺母松开和锁紧情况符合设计及规要求检验结论:符合设计及施工规验收要求。
建设/ 监理单位总承包单位施工单位监理专业工程师:建设单位专业工程师:日期:年月日专业工程师:日期:年月日专业工程师:质量检查员:施工班组长:日期:年月日SH/T 3503-J315 卧式设备安装检验记录工程名称:16万吨/年液化气合成清洁燃料项目单元名称:装置区设备安装编号:PTNY-JSSA-SBAZ-015设备名称脱正丁烷塔回流罐设备位号D-214规格Φ400/1200×8/10×6770注1:图中B、C、D、E为设备筒体水平度测量基准点。
注2:设备安装标高测量值为设备基础上的标高基准线到设备支座底板下表面的距离。
注3:4:L为两端测点间的距离。
单单位:mm 项目测量部位允许值实测值项目测量部位允许值实测值支座中心位置偏差纵向±5 4 纵向水平偏差B- C L/1000 2.3 横向±5 3 D- E L/1000 2.6 支座标高偏差滑动端±5 -1 横向水平偏差B- D 2D/1000 1.6 固定端±5 2 C- E 2D/1000 1.8 滑动端支座滑动裕量12mm螺母松开和锁紧情况符合设计及规要求检验结论:符合设计及施工规验收要求。
L=4400建设/ 监理单位总承包单位施工单位监理专业工程师:建设单位专业工程师:日期:年月日专业工程师:日期:年月日专业工程师:质量检查员:施工班组长:日期:年月日SH/T 3503-J315 卧式设备安装检验记录工程名称:16万吨/年液化气合成清洁燃料项目单元名称:装置区设备安装编号:PTNY-JSSA-SBAZ-016设备名称排酸罐设备位号D-216规格DN3400×11866注1:图中B、C、D、E为设备筒体水平度测量基准点。
注2:设备安装标高测量值为设备基础上的标高基准线到设备支座底板下表面的距离。
注3:4:L为两端测点间的距离。
单单位:mm 项目测量部位允许值实测值项目测量部位允许值实测值支座中心位置偏差纵向±5 4 纵向水平偏差B- C L/1000 4.5 横向±5 2 D- E L/1000 4.7 支座标高偏差滑动端±5 -3 横向水平偏差B- D 2D/1000 4.2 固定端±5 -2 C- E 2D/1000 4.6 滑动端支座滑动裕量13mm螺母松开和锁紧情况符合设计及规要求检验结论:符合设计及施工规验收要求。
建设/ 监理单位总承包单位施工单位监理专业工程师:建设单位专业工程师:日期:年月日专业工程师:日期:年月日专业工程师:质量检查员:施工班组长:日期:年月日SH/T 3503-J315 卧式设备安装检验记录工程名称:16万吨/年液化气合成清洁燃料项目单元名称:装置区设备安装编号:PTNY-JSSA-SBAZ-017设备名称流出物水洗罐设备位号D-211规格Φ500/1200×12/16×5182注1:图中B、C、D、E为设备筒体水平度测量基准点。
注2:设备安装标高测量值为设备基础上的标高基准线到设备支座底板下表面的距离。
注3:4:L为两端测点间的距离。
单单位:mm 项目测量部位允许值实测值项目测量部位允许值实测值支座中心位置偏差纵向±5 -1 纵向水平偏差B- C L/1000 2.3 横向±5 2 D- E L/1000 2.2 支座标高偏差滑动端±5 -3 横向水平偏差B- D 2D/1000 1.5 固定端±5 1 C- E 2D/1000 1.6 滑动端支座滑动裕量14mm螺母松开和锁紧情况符合设计及规要求检验结论:符合设计及施工规验收要求。
建设/ 监理单位总承包单位施工单位监理专业工程师:建设单位专业工程师:日期:年月日专业工程师:日期:年月日专业工程师:质量检查员:施工班组长:日期:年月日SH/T 3503-J315 卧式设备安装检验记录工程名称:16万吨/年液化气合成清洁燃料项目单元名称:装置区设备安装编号:PTNY-JSSA-SBAZ-018设备名称闪蒸罐设备位号D-203规格DN3400×12008注1:图中B、C、D、E为设备筒体水平度测量基准点。
注2:设备安装标高测量值为设备基础上的标高基准线到设备支座底板下表面的距离。
注3:4:L为两端测点间的距离。
单单位:mm 项目测量部位允许值实测值项目测量部位允许值实测值支座中心位置偏差纵向±5 -2 纵向水平偏差B- C L/1000 6.3 横向±5 3 D- E L/1000 6.5 支座标高偏差滑动端±5 -3 横向水平偏差B- D 2D/1000 3.5 固定端±5 2 C- E 2D/1000 3.6 滑动端支座滑动裕量14mm螺母松开和锁紧情况符合设计及规要求检验结论:符合设计及施工规验收要求。
建设/ 监理单位总承包单位施工单位监理专业工程师:建设单位专业工程师:日期:年月日专业工程师:日期:年月日专业工程师:质量检查员:施工班组长:日期:年月日SH/T 3503-J315 卧式设备安装检验记录工程名称:16万吨/年液化气合成清洁燃料项目单元名称:装置区设备安装编号:PTNY-JSSA-SBAZ-019设备名称除盐水罐设备位号D-306规格DN1000×4566注1:图中B、C、D、E为设备筒体水平度测量基准点。
注2:设备安装标高测量值为设备基础上的标高基准线到设备支座底板下表面的距离。
注3:4:L为两端测点间的距离。
单单位:mm 项目测量部位允许值实测值项目测量部位允许值实测值支座中心位置偏差纵向±5 -1 纵向水平偏差B- C L/1000 1.7 横向±5 2 D- E L/1000 1.8 支座标高偏差滑动端±5 1 横向水平偏差B- D 2D/1000 1.5 固定端±5 2 C- E 2D/1000 1.6 滑动端支座滑动裕量14mm螺母松开和锁紧情况符合设计及规要求检验结论:符合设计及施工规验收要求。
建设/ 监理单位总承包单位施工单位监理专业工程师:建设单位专业工程师:日期:年月日专业工程师:日期:年月日专业工程师:质量检查员:施工班组长:日期:年月日SH/T 3503-J315 卧式设备安装检验记录工程名称:16万吨/年液化气合成清洁燃料项目单元名称:装置区设备安装编号:PTNY-JSSA-SBAZ-020设备名称脱异丁烷塔回流罐设备位号D-212规格Φ800/3000×12/16×11016注1:图中B、C、D、E为设备筒体水平度测量基准点。
注2:设备安装标高测量值为设备基础上的标高基准线到设备支座底板下表面的距离。
注3:4:L为两端测点间的距离。
单单位:mm 项目测量部位允许值实测值项目测量部位允许值实测值支座中心位置偏差纵向±5 -4 纵向水平偏差B- C L/1000 3.6 横向±5 4 D- E L/1000 3.2 支座标高偏差滑动端±5 2 横向水平偏差B- D 2D/1000 1.7 固定端±5 1 C- E 2D/1000 1.8 滑动端支座滑动裕量13mm螺母松开和锁紧情况符合设计及规要求检验结论:符合设计及施工规验收要求。
建设/ 监理单位总承包单位施工单位监理专业工程师:建设单位专业工程师:日期:年月日专业工程师:日期:年月日专业工程师:质量检查员:施工班组长:日期:年月日SH/T 3503-J315 卧式设备安装检验记录工程名称:16万吨/年液化气合成清洁燃料项目单元名称:装置区设备安装编号:PTNY-JSSA-SBAZ-021设备名称脱轻烃塔重沸器设备位号E-102规格Φ800×/18/12×7265注1:图中B、C、D、E为设备筒体水平度测量基准点。
注2:设备安装标高测量值为设备基础上的标高基准线到设备支座底板下表面的距离。
注3:4:L为两端测点间的距离。
单单位:mm 项目测量部位允许值实测值项目测量部位允许值实测值支座中心位置偏差纵向±5 -1 纵向水平偏差B- C L/1000 2.2 横向±5 2 D- E L/1000 2.3 支座标高偏差滑动端±5 -3 横向水平偏差B- D 2D/1000 1.5 固定端±5 4 C- E 2D/1000 1.4 滑动端支座滑动裕量12mm螺母松开和锁紧情况符合设计及规要求检验结论:符合设计及施工规验收要求。