纸张性能与呈色效果
- 格式:doc
- 大小:30.50 KB
- 文档页数:3
纸张性能对印刷色彩影响不同的原因为了使印刷能获得色域更广的印刷媒体,深圳印刷厂可以选择表面性能较好的纸张如铜版纸,也可以在胶版纸上通过适当处理如印白墨等来提高印刷媒体颜色的再范围。
下面来看下纸张性能对印刷色彩的影响有哪些。
1.平滑度铜版纸的平滑度明显要比胶版纸好,这主要是由于在造纸过程中不同的工艺所造成的,铜版纸在造纸中要添加填料来填补表面的凹凸不平,同时还要进行加压提高平滑度,而胶版纸虽然在造纸过中也会添加胶料,但胶料主要作用不是填补表面不平度,且一般不进行加压处理,这就使得胶版纸的平滑度要差很多,由于表面的不平会使油墨渗入纸内的颜色颗料较多,这从一定程度上影响了颜色的再现范围,这从色度图上可以看出。
2.白度白度是纸张表面对光线反射的程度,铜版纸和胶版纸的白度虽不一样,但差距不大。
而在实际中有些白度好的胶版纸甚至比铜版纸的白度要好,所以如果不考虑表面平滑度的影响,则铜版纸和胶版纸的白度对印刷媒体的呈色范围影响不大。
3.光泽度光泽度对颜色信息再现的影响和白度较为相近,但由于铜版纸的平滑度较高,所以体现出光泽度也较高,这就使得铜版纸在再现颜色范围时较胶版纸要好,可提高印刷媒体美感,但是光泽度过高会使人眼产生眩晕,而影响阅读效果,因此对书报刊类的印刷媒体要较光泽度低些。
4.吸收性其实吸收性对印刷媒体颜色再现范围有较大的影响,但由于本实验所采用的印刷品已经完成干燥,不能有效地测出纸张吸收性对印刷媒体颜色再现范围的影响。
但是根据前人的实验和经验可知,吸收性大的纸张由于会把较多的油墨颜色吸收到纸内,影响了油墨颜色的再现,因此颜色的再现性会较差,而吸收性小的纸张,其油墨大多会留在表面,则其颜色再现性会较好。
因此可知,铜版纸的平滑度、白度和光泽度比胶版纸要好,而吸收性较小,呈色性比胶版纸要好,但铜版纸的价格也要比胶版纸高,因此在实际中不是所有的印刷厂都选择铜版纸。
而是根据需要作出选择,如选择为胶版纸时,为提高印刷适性和呈色范围,可以采取提高墨层厚度,这可在一定范围内提高呈色范围;同时也可采取在纸上先印一层白墨的方法。
影响印刷色彩的因素
1. 素材选择
•纸张选择:不同质地和颜色的纸张对色彩表现有显著影响。
光滑的高质量纸张能够呈现更饱满的色彩,而粗糙的纸张会使色彩变得暗淡。
•油墨选择:不同类型的油墨对色彩的表现也有影响,墨水的稠度和颜料含量都会影响打印色彩的深浅和饱和度。
2. 印刷设备
•打印机性能:印刷设备的分辨率和色彩校准能力会直接影响印刷色彩的准确性和稳定性。
•油墨传递:油墨的印刷厚度和均匀程度对于最终色彩的表现有很大影响,印刷设备的传递质量决定了油墨的均匀性。
3. 色彩管理
•色彩校准:对印刷设备和显示器进行准确的色彩校准可以确保色彩的准确还原,在不同媒介中色彩保持一致。
•色彩空间:选择适当的色彩空间对于印刷色彩的精确还原至关重要,如CMYK、RGB等不同色彩空间会影响最终印刷效果。
4. 环境因素
•光线条件:印刷过程和环境中的光线状况会影响人眼对于色彩的感知,光线过暗或过亮都会导致色彩变化。
•湿度控制:印刷环境的湿度也会对纸张和油墨的表现产生影响,适当的湿度能够帮助纸张吸收油墨,保持色彩准确性。
5. 印刷后处理
•上光处理:不同的上光方式对于油墨的表现和色彩的保持都有影响,选择适当的上光方式能够保护色彩不受外界影响。
•裁切和折页:印刷品的裁切和折页过程也会对色彩的表现产生影响,不当的操作会导致色彩褪色或者变淡。
在印刷过程中,以上因素都会直接或间接地影响印刷色彩的表现效果,因此在
设计和印刷前都应该综合考虑这些影响因素,以保证最终印刷品的色彩表现符合预期。
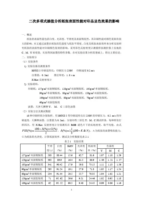
二次多项式插值分析纸张表面性能对印品呈色效果的影响一、概述纸张的表面性能包括白度、光泽度、平滑度及表面吸收性,其印刷性能对颜色复制有很大的影响,本文通过油墨在纸张的色强度与纸张平滑度、白度及纸张表面效率来分析实验研究纸张的表面性能对印刷颜色复制的影响,采用彩色反射密度计测量样张测控条上实地的C 、M 、Y 密度值,从而得到油墨的特性参数。
在对实验结果分析的基础上,得出主要结论。
二、实验部分 (1)实验条件1) 实验仪器及测量条件IGTCI-5印刷适性仪:印刷压力250N 印刷速度0.2 m/s 注墨量:0. 5m1 墨层厚度:1. 8μm X-Rite 反射密度计 2) 实验材料,印刷纸:157g/m 2双面铜版纸,128g/m 2双面铜版纸,105g/m 2单面铜版纸,90g/m 2单面铜版纸,80g/m 2单面铜版纸,150g/m 2双面胶版纸, 100g/m 2双面胶版纸,80g/m 2双面胶版纸,70g/m 2双面胶版纸, 60g/m 2双面胶版纸油墨:天津天狮牌Y 、 M 、 C 三原色油墨 (2)实验方法及测试数据10种印刷样纸分别取样,用IGTCI-5型印刷适性仪以250N 的印刷压力、0.2 m/s 的印刷速度,天狮牌油墨,注墨量为0. 5m1,分别印得三原色Y 、M 、C 测试样条,每种样张打样四次,用X-Rite 反射密度计分别测其在RGB 滤色片下的实地密度,取平均值。
由式2(%)(%)100(%)G A PSE +-=,)&100(311(%)N K A -=,A为纸张的油墨吸收能力;G为纸张的光泽度。
计算纸面效率。
测试及分析数据见表2-1表2-1 实验结果三、实验结果分析1、纸张平滑度与呈色效果的关系由表2-1中纸张平滑度与油墨色强度的实验数据,利用二次多项式插值作图2-1。
纸张平滑度是评价纸张表面凹凸程度的技术指标,是表示纸张表面平整、光滑和均匀程度的物理量,即在一定的真空条件下,使一定容积的空气,从一定压力下的纸张测试样表面与光滑玻璃表面之间流过所需要的时间来衡量,其单位用秒表示。
纸张特性与彩色图像复制的关系一、前言正印刷品的彩色图像复制效果受到机械设备、工艺操作、原材料等诸多因素的影响,其中纸张的特性,对彩色图像复制的效果具有极大影响。
不同的纸张,即便使用相同的油墨印刷,所呈现的色彩也会有很大的差异。
印刷品的彩色图像复制效果受到机械设备、工艺操作、原材料等诸多因素的影响,其中纸张的特性,对彩色图像复制的效果具有极大影响。
不同的纸张,即便使用相同的油墨印刷.所呈现的色彩也会有很大的差异。
本文从纸张的特性与彩色图像复制的关系的角度出发进行探讨。
二、纸张的特性纸张的印刷性能决定着印刷过程能否顺利进行,以及能否得到高质量的印刷品。
纸张性能的好坏,关系到印刷产品的好坏。
所以,正确认识和了解纸张的若干性能,对准确把握印刷工艺适性,保证印刷产品质量具有十分重要的意义。
1.表面强度表面强度是指纸张的表面纤维、胶料、填料之间或纸张表面涂料粒子之间及涂层与纸基之间的结合强度。
它对印刷时纸张表面的耐磨性、抗掉粉性、抗掉毛性等有决定性的影响。
印刷时为了得到较为清晰的网点,可采用一些黏度较高的油墨,如果纸张表面强度不够,则容易出现掉粉和掉毛现象,并附着在版的表面。
在印刷过程中,油墨在纸张和橡皮布之间分裂时,由于受到油墨黏着性的拉力和橡皮布与纸张之间的附着力作用而产生剥离张力。
当结合强度不够时,则在印刷过程中产生粘纸现象,形成掉粉或掉毛,严重时会使纸张破裂。
在被粘去纸页的表面,本应有油墨的地方形成了白色的斑点。
而粘下来的松散涂料、填料粒子和纤维可造成不良后果:一是造成图文部分的污染,堆积在印版上的纸毛、纸粉越来越多,就会导致糊版,使印品字迹模糊,画面产生斑点,严重影响印品质量;二是胶印中橡皮布及墨辊清洗次数增加,降低了印刷效率.增加了印刷工人的劳动强度。
2.吸墨性所谓纸张吸墨性是指纸张吸收油墨的能力。
纸张的油墨吸收性能是影响印刷品质量的重要的印刷适性指标。
纸张吸墨性主要取决于纸张纤维间的紧密程度(空隙的大小)。
不同纸质印刷参数的设定纸张是印刷最主要的承印物,纸张质量的优劣直接影响到印刷品的质量。
不同纸张表面的光泽度、表面强度、白度、吸收性、平滑性、伸缩性等方面存在着较大的差异,即使在印刷条件相同的情况下,同一种油墨印刷在不同的纸张上也会产生不同的色彩效果。
纸张的表面性能直接表现图像的阶调层次与颜色,决定制版阶调与颜色的样正数据。
所以,在实际操作中,应当充分掌握纸张的印刷特性,根据纸张的性能确定印刷参数,以提高印刷品的质量。
根据纸张性能确定加网线数常用加网线数有80、100、120、133、150、175、200、300lpi等,在实际选择时,纸张的性能是一项重要的影响因素。
纸张的平滑度及粗糙度等表面性能决定了它们对加网线数的要求不一样。
铜版纸或高级压光白纸板表面平滑度高,能够再现较细的网点,故加网线数较高,一般可设到175~300lpi;胶版纸表面较铜版纸粗,其加网线数可在120~150lpi之间;新闻纸表面更粗糙一些,太小的网点会形成破碎的边缘,或者完全落在凹下去的地方,因此应该使用较大的网点印刷,其加网线数可在80~33lpi之间。
根据纸张性能确定黑/白场在印刷图像的高亮处,一般在3%到5%的高亮区域是印不出来的,也就是说印刷品的高光部分是由纸张的颜色形成的。
如果纸张的白度不同就会影响画面主亮处的颜色亮度和饱和度,进而影响画面的色彩对比度。
同样,纸张的质地也很有关系,新闻纸为多孔性材料,油墨很容易被纤维吸收,使印刷表面产生高度的光线散射,使印刷密度降低,黑处不黑,而平滑的、涂布过的纸张,油墨吸附在表面,并且光线散射极少,从而使暗调较黑。
新闻纸的印刷光泽度差,直接影响到印刷油墨色彩的漂移;表面白度低、印刷反差小;平滑度低,油墨扩散性强,使较好的新闻纸加网线数也不超过133lpi。
鉴于这些特点,黑/白场定标值,白场可以小面积组网(C=0%,M=0%,Y=0%,K=0%),黑场可定标为C=62%,M=Y=56%,K=75%,油墨叠印总量也要小些,为250。
印刷材料的性能评估与应用研究在当今的信息时代,印刷行业作为信息传播的重要手段,其发展与印刷材料的性能息息相关。
印刷材料的种类繁多,包括纸张、油墨、版材等,它们的性能直接影响着印刷品的质量、成本和生产效率。
因此,对印刷材料的性能进行评估,并深入研究其应用,具有重要的现实意义。
一、纸张的性能评估与应用纸张是印刷中最常用的承印材料,其性能对印刷效果有着至关重要的影响。
1、纸张的物理性能(1)定量:定量是指纸张每平方米的重量,它直接关系到纸张的厚度和挺度。
定量较高的纸张通常更厚实、挺括,适合用于制作书籍封面、画册等;而定量较低的纸张则较薄、柔软,适用于印刷报纸、杂志等。
(2)厚度:纸张的厚度影响着印刷品的手感和立体感。
较厚的纸张能给人更坚实的感觉,而较薄的纸张则更便于折叠和装订。
(3)紧度:紧度反映了纸张纤维的疏密程度。
紧度高的纸张表面光滑,吸墨性较差;紧度低的纸张则较为疏松,吸墨性较好。
2、纸张的光学性能(1)白度:白度高的纸张能使印刷品的色彩更鲜艳、清晰。
然而,过高的白度可能会导致视觉疲劳。
(2)光泽度:光泽度高的纸张印刷出的图片具有更强的立体感和光泽感,但在阅读文字时可能会产生反光。
(3)不透明度:不透明度决定了纸张背面的字迹或图案是否会透印到正面,对于双面印刷的纸张,不透明度要求较高。
3、纸张的表面性能(1)平滑度:平滑度高的纸张能更好地与印版接触,保证印刷图像的清晰度和细腻度。
(2)粗糙度:粗糙度较高的纸张容易出现墨层不均匀、网点扩大等问题。
在实际应用中,根据不同的印刷需求选择合适的纸张至关重要。
例如,对于高质量的彩色印刷,通常选择白度高、光泽度好、平滑度高的铜版纸;而对于文字印刷较多的书籍,可选用不透明度高、吸墨性适中的胶版纸。
二、油墨的性能评估与应用油墨是印刷中传递颜色和图像的关键材料。
1、油墨的颜色性能(1)色相:色相是油墨颜色的基本属性,如红、黄、蓝等。
准确的色相是保证印刷品颜色还原的基础。
纸张性能对印刷质量的影响印刷质量的好坏受到多种因素的影响,其中纸张性能是至关重要的一个方面。
纸张不仅影响着印刷品的外观和质感,还对印刷过程的顺利进行和最终产品的保存具有重要作用。
本文将详细介绍纸张性能对印刷质量的影响,以及如何正确选择纸张性能以获得更好的印刷质量。
在印刷过程中,纸张的白度、匀度、平滑度等性能参数至关重要。
白度是指纸张表面的白色程度,高白度的纸张能够更好地呈现印刷色彩,提高印刷质量。
匀度是指纸张纤维分布的均匀程度,匀度高的纸张有助于油墨的均匀传递,确保印刷品的一致性。
平滑度则是指纸张表面的光滑程度,高平滑度的纸张能够减少油墨的浪费,提高印刷效率。
纸张性能受到多种因素的影响,如纸张厚度、密度、油墨吸收性等。
纸张厚度是指纸张的重量和厚度,过薄或过厚的纸张都会影响印刷质量和生产效率。
密度是指纸张纤维的紧密程度,密度过小会导致纸张松散,印刷过程中容易出现问题。
油墨吸收性是指纸张表面能够吸收油墨的多少,吸收性过低会导致油墨无法均匀渗透,影响印刷效果。
根据印刷质量和要求,正确选择纸张性能至关重要。
要选择符合印刷品特点的纸张类型,如铜版纸、胶版纸、艺术纸等。
要纸张的白度、匀度、平滑度等性能参数,选择性能参数符合要求的纸张。
还要根据印刷品的数量和用途,选择合适的纸张克重和厚度,以确保印刷质量和生产效率。
纸张性能对印刷质量具有重要影响,正确选择纸张性能是提高印刷质量的关键。
在选择纸张时,需要综合考虑纸张性能参数和印刷品特点,以及印刷过程的要求。
随着印刷技术的不断发展,纸张性能和印刷质量的要求也在不断提高。
未来,随着环保意识的增强和印刷行业的可持续发展,高性能环保型纸张将得到更广泛的应用,推动印刷质量的进一步提升。
纸张制造商和印刷企业需要密切行业发展趋势,不断改进和创新,以满足市场对高质量印刷品的需求。
印刷适性与印刷品质是纸张性能的重要指标,对于印刷行业的生产效率和产品质量有着显著影响。
本文旨在探讨纸张印刷适性与印刷品质的相关性,以期为印刷材料的选择和优化提供理论指导。
纸张性能对印刷色彩控制的影响纸张性能对印刷色彩控制的影响摘要:印刷过程中,纸张是重要的印刷介质,纸张的性能会直接影响到印刷色彩的表现效果。
本文探讨了纸张的表面特性、吸墨性能、光泽度、光泽增白剂的使用及纸张厚度等对印刷色彩控制的影响,并提出了相应的解决方案。
1. 引言纸张作为印刷的重要介质,对印刷色彩的表现有着直接的影响。
纸张的性能因素较多,主要包括纸张的表面特性、吸墨性能、光泽度、光泽增白剂的使用以及纸张厚度等。
了解纸张的性能对印刷色彩的控制有着重要意义。
2. 纸张的表面特性对印刷色彩的影响纸张的表面特性,如光滑度、粗糙度等,会直接影响到色彩的表现效果。
粗糙的纸张表面会使墨点扩散,导致颜色的混合,从而降低色彩的分辨率和饱和度。
因此,在印刷选择纸张时,应选择光滑度高的纸张,以保证色彩的清晰度和亮度。
3. 纸张的吸墨性能对印刷色彩的影响纸张的吸墨性能也是影响印刷色彩控制的重要因素之一。
吸墨性能较差的纸张无法有效吸收墨水,会导致印刷色彩的不均匀和渗透性差。
因此,在选择纸张时应注意纸张的吸墨性能,以确保色彩的均匀性和稳定性。
4. 纸张的光泽度对印刷色彩的影响纸张的光泽度也会对印刷色彩的表现效果产生影响。
高光泽度的纸张能够使色彩更加鲜艳、亮丽,但也容易出现反光问题。
相反,低光泽度的纸张色彩会显得柔和,但色彩的层次感和立体感较弱。
因此,在印刷色彩控制中,需要根据实际需求选择适合的光泽度纸张。
5. 光泽增白剂对印刷色彩的影响为了增加纸张的白度,常常会使用光泽增白剂。
光泽增白剂可以提高纸张的白度和光泽度,从而增强色彩的对比度和亮度。
然而,过多的光泽增白剂可能会产生光反射问题,导致色彩的失真和不真实感。
因此,适量使用光泽增白剂能够在一定程度上改善色彩的表现效果。
6. 纸张厚度对印刷色彩的影响纸张的厚度也会对印刷色彩产生一定的影响。
较薄的纸张色彩透明度较高,色彩表现较为柔和;而较厚的纸张色彩透明度较低,色彩表现较为饱和。
论纸张对于现代海报设计色彩表现的影晌纸张在海报设计中起着非常重要的作用,它不仅是传递信息的媒介,更是色彩表现的关键因素之一。
随着现代科技的发展,海报设计已经呈现出多样化、多元化的趋势,而纸张作为海报的基础,对于色彩表现的影响也越来越明显。
本文将探讨纸张在现代海报设计中对色彩表现的影响,以及如何利用纸张的材质和质感来增强海报的色彩效果。
纸张对色彩表现的影响主要体现在它的质感和颜色上。
不同质地的纸张会呈现出不同的质感和色彩效果,比如粗糙的纸张会使颜色显得更加浑厚和沉稳,而光滑的纸张则会让颜色显得更加鲜艳和明亮。
在选择纸张材质时,需要根据海报的主题和风格来进行合理的选择,以达到最佳的色彩表现效果。
纸张的颜色也会对海报的色彩表现产生影响。
一般来说,纸张的颜色分为白色和自然色两大类,而每种颜色都会对印刷出来的色彩产生一定程度的影响。
白色纸张会使印刷出来的颜色更加清晰明亮,适合用于需要凸显色彩的海报设计;而自然色纸张则会使印刷出来的颜色呈现出一种柔和的感觉,适合用于需要营造温馨和舒适氛围的海报设计。
在选择纸张颜色时,也需要根据海报的主题和要表达的情感来进行合理的选择,以达到最佳的色彩表现效果。
纸张对于现代海报设计的色彩表现影响巨大,设计师们需要充分利用纸张的特性来增强海报的色彩效果。
在进行海报设计之前,需要对纸张的质感、颜色和材质进行深入了解,以便能够更好地选择适合的纸张材料。
在进行印刷之前,设计师们需要对纸张的特性进行合理的调整和处理,以便能够更好地呈现出所需的色彩效果。
在进行设计过程中,设计师们需要根据纸张的特性来对色彩进行调整,以便能够更好地表达出所需的情感和意境。
制作书法作品的最佳选择:白卡纸的特性与效果白卡纸是一种广泛被用于制作书法作品的材料,其独特的特性和效果使其成为制作书法作品的最佳选择。
白卡纸有着精致光滑的表面,使得书法作品的墨迹能够更好地显现出来。
同时,白卡纸具有适度的吸墨性,能够保持墨迹的清晰度和纹理效果。
此外,白卡纸还有较高的光泽度,使得书法作品在灯光下能够更好地展示其美感。
首先,白卡纸的表面光滑细腻,能够使书法作品的笔迹更加流畅。
对于书法爱好者来说,流畅的笔划是非常重要的,因为它能够体现出书法作品的行云流水之美。
而白卡纸的光滑表面能够减少纤维粗糙和纸面杂质对笔划的影响,使得墨迹能够更加顺滑地沉入纸面,展现出优雅的笔触。
其次,白卡纸适度的吸墨性是制作书法作品的关键特性之一。
在书法创作过程中,墨汁的吸附和运笔的控制是十分重要的。
白卡纸能够吸收墨水,但不会让墨迹过分渗透,这使得墨迹能够保持清晰度并展现出纹理的效果。
与此同时,白卡纸的吸墨性还能够帮助书法爱好者更好地控制墨的深浅和回笔的效果,使书法作品更具层次感和艺术性。
另外,白卡纸的光泽度也是制作书法作品时需要考虑的重要因素。
白卡纸的光泽度较高,具有一定的反光效果。
这使得书法作品在一定的灯光下能够展现出不同的光影效果,增强作品的立体感和视觉效果。
在书法展览或者赏析时,白卡纸所展现出的光泽度能够吸引观者的眼光,使他们更容易被作品所吸引并产生共鸣。
此外,白卡纸还具有一定的耐久性和保存性。
它的质地结实,不易破损,并且能够防止墨迹渗透到纸张背面。
这使得书法作品能够长久地保存下来,不易受到外界环境的影响。
对于书法爱好者来说,保存自己的作品是十分重要的,因为这意味着他们的努力和创作被永久地留存下来。
然而,正因为其适度的吸墨性,白卡纸对于一些特殊书法技法的实践可能不太适用。
比如,使用湿墨进行的水墨画中的水墨渲染效果在白卡纸上并不容易实现。
因为湿墨的流动性和光滑度,往往需要相对粗糙的纸张和纹理来更好地展示效果。
纸张表面特性对印刷色彩再现的影响分析于哲鹏(荆楚理工学院,湖北荆门448000)摘要:测定了几种典型烟包用纸的平滑度、光泽度、印刷渗透性、油墨吸收性和纸面效率,根据同种油墨在纸张上的呈色效果和色域情况,分析了纸张表面特性对印刷色彩再现产生的影响。
研究表明:具有高的光泽性、平滑度和纸面效率的纸张开展色彩复制情况下,此时的色差不大、灰度数值也不大,有更为不错的色彩模拟和宽泛的色域大范围;纸张部门偏色会让油墨的自身呈色性能发生较大的误差,纸张的自身呈色范围不大,导致印品发生部门偏色,影响印刷品自身色彩效果。
关键词:表面特性;色偏;灰度;呈色效率;色域纸张的整体能力是评估最终印刷品质量的必要项目。
近年来,这方面已成为国内外学者的比较关注的项目。
而涂层纸却是最为受人关注的焦点,它是作为影响纸张自身表面结构的重要因素,另外颜料百分比含量和颜料的型号,粘合剂选择品种,以及使用数量,选择的增稠剂的情况,干燥的环境情况等等都是影响因素,涂料的数目类别和使用情况,胶体颜料的自身涂料如何组成,粒度范围和粒径大小分布以及压力的大小。
作者主要分析了不同不定变量对纸张表面自身结构和自身性能的作用,确定了涂层的不定变量与整体性能的密切关系。
作者把其他研究目光集中在了纸张的自身表面特性对印刷油墨的影响因素上,固色条件和印刷有效密度的影响。
打印出的视觉效果其实对印刷来说非常重要,要求具有良好的有效光泽和各种色彩,彩色油墨和印刷油墨对纸张的自身再现定影率将会效果好很多,定影的速度则要求纸张本身要有较好的表面结构和良好的性能。
光泽度程度,光滑度比例,透光率大小等这些都对打印自身浓度有很大影响,影响印刷过程中色彩的二次再现。
色彩组成非常复杂,影响色彩再现的有着很多外部因素,这里面最重要的因素主要是材料的纸张大小尺寸,白度,光滑度,吸收性,光泽度,不透明度和pH值都将影响灰度平衡的最后实现,最终会影响色调以及色彩的二次再现。
在几种多种类的物品外包装上研究了表面特性对印刷色彩再现的影响。
论纸张对于现代海报设计色彩表现的影晌
随着现代科技和印刷技术的不断发展,海报设计的色彩表现也变得越来越绚丽多彩。
然而,纸张作为海报设计中至关重要的材料之一,对于色彩表现也有着重要的影响。
首先,纸张选择对于海报设计的色彩表现具有决定性作用。
不同的纸张材质和质量会
影响到色彩的表现效果。
例如,光泽纸可以增强海报表面的反光度,使得色彩更加鲜艳明亮,而哑光纸则会降低反光度,使得色彩变得柔和。
另外,纸张的颜色也会对色彩表现造
成影响。
白色纸张可以增强颜色的纯度和对比度,黑色纸张则能展现出一种神秘而魅力的
效果。
其次,纸张质量对于海报设计色彩表现的影响也非常显著。
纸张质量的好坏会影响到
海报的展示效果。
若质量较差的纸张使用不当,会导致色彩暗淡、褪色、局部缺失等现象。
相反,高质量的纸张能够更好地保护色彩,确保海报寿命更长久。
最后,纸张厚度对于海报设计的色彩表现也有影响。
纸张厚度越大,海报的表面光泽
度和色彩饱和度就越好,对于海报的表现效果会有着十分明显的提升。
总之,纸张对于海报设计色彩表现的影响是显而易见的。
因此,在海报设计中,除了
选用适合的颜色和文字外,选择合适的纸张材质和质量也是非常重要的。
只有在细心考虑
纸张材质和质量的同时,才能真正体现出海报设计的最佳效果。
各种常用纸张的性能、特点及用途介绍特级双面铜版纸纸面光泽度比一般铜版纸更高、平滑度更佳,纸面洁白细致,印刷色彩表现鲜艳、层次与对比优良,适合高级彩色印刷品。
适用于高级书籍、型录、月历、海报、封面。
雪面铜版纸双面经特殊粉面处理,纸质柔和优雅,具雾光效果,视觉清爽舒适不反光,不透明度高,印刷色彩饱和度及鲜艳度佳,具有极佳质感。
适用于仿古画、图册、月历、杂志、书籍、专刊、型录、海报等用途。
双面铜版纸纸面双面平滑、洁白,光泽度佳、不透明度高,经彩色印刷后,图案效果鲜艳色彩层次表现佳,适合彩色印刷品。
适用于一般书籍。
单面铜版纸一面进行涂布加工,一面上胶处理,因此纸张单面光亮、平滑、吸墨均一,适合单面彩色印刷且背面可进行上胶等加工处理。
适用于卷标、海报、裱褙离型用纸。
特级象牙道林纸张颜色为象牙色具柔和和效果,不反光且不刺眼,具有高不透明度与平滑的纸面,适合阅读性书籍。
划刊纸纸张颜色柔和,纸质平滑细致,不反光且不刺眼,适合高级书、画册。
白道林纸张颜色洁白,厚度佳、中性上胶生产,可保存百年不变色。
适用于书籍、簿册、产品说明书、信封信纸、便条纸、日历等。
全木道林纸浆料以长纤维为主,纸张耐撕力强,硬挺度特佳、平滑性高,是道林纸类最佳等级用纸。
适用于杂志插页 ( 划拨单 ) 、簿册、产品说明书、名信片、信封、桌历。
杂志纸 ( 高白杂志 )纸质轻薄,具亮面光泽,纸色高白,因此较一般偏黄纸色在印刷效果上,更能表现出印刷对比与色彩的鲜艳度,是国内最佳的薄磅高级用纸。
适用于杂志、 DM 、书刊、周刊、彩色说明书、邮购彩色宣传品。
雪白道林纸纸张经微量涂布,颜色洁白如雪,纸质平滑细致,不反光且不刺眼,适合高级书籍、画册。
特级特白道林纸张视白度高,纸质平滑细致,印刷产品对比鲜明。
论纸张对于现代海报设计色彩表现的影晌一、纸张的种类在海报设计中,常用的纸张种类包括铜版纸、哑粉纸、亚光纸等。
不同种类的纸张在吸收和显示色彩方面有着显著的差异,因此会对海报的色彩表现产生不同的影响。
1. 铜版纸铜版纸是一种具有高度光泽度的纸张,表面平滑,颜色还原度较高。
在海报设计中,使用铜版纸可以使得印刷出来的色彩更加鲜艳、亮丽,能够较好地呈现出设计者所选用的色彩,同时也能够突出设计者所要表达的信息,因此适合用于宣传激烈、炫目的产品或者活动。
但是铜版纸的高光泽度也容易造成反光,影响了它在特定光线下的显示效果,因此在选择铜版纸时需要注意光线的照射情况。
2. 哑粉纸哑粉纸是一种光泽度较低的纸张,表面比较粗糙。
海报设计中使用哑粉纸可以使得印刷出来的色彩呈现出一种柔和、自然的感觉,比较适合用于宣传低调、内敛的产品或活动。
哑粉纸具有较好的色彩吸收能力,印刷出来的色彩饱满丰富,因此适合用于一些需要精细表现的设计。
3. 亚光纸亚光纸介于铜版纸和哑粉纸之间,兼具两者的特点。
在海报设计中,使用亚光纸能够使得印刷出来的色彩既有一定的光泽度,又不会出现太强烈的反光,使得色彩表现更加平衡。
同时亚光纸的色彩还原度比较高,能够较好地还原设计者所选用的色彩,因此在海报设计中得到广泛应用。
二、纸张的质地纸张的质地是指纸张表面的光滑程度和粗糙度。
不同的纸张质地对于色彩的表现也会产生一定的影响。
1. 粗糙的纸张粗糙的纸张表面不够光滑,因此其与印刷油墨的接触面积较小,造成印刷出来的色彩表现相对较暗淡,不够饱满。
粗糙的纸张适合印刷一些颗粒感强烈的图片或者文字,能够赋予设计作品一种原生态的感觉。
光滑的纸张能够使印刷油墨充分渗透,印刷出来的色彩表现较为饱满、明亮。
因此光滑的纸张适合印刷一些需要表现丰富色彩的设计作品。
在海报设计中,由于需要较好地呈现出色彩,因此更多地采用光滑的纸张。
三、纸张的光泽度纸张的光泽度对于印刷出来的色彩表现有着很大的影响。
纸张性能与呈色效果
纸作为印刷的主要原材料,它的性能如何,决定印刷墨色的质量。
只有性能好的纸张,才能获得较好的印品呈色效果。
所以,正确认识纸张性能与印品呈色的关系,根据印刷产品、工艺条件特点,合理选择纸张进行印刷,对提高产品质量具有重要的现实意义。
一、纸张平滑度与呈色效果的关系
平滑度是评价纸张表面凹凸程度的技术指标,是表示纸张表面平整、光滑和均匀程度的物理量,即在一定的真空条件下,使一定容积的空气,从一定压力下的纸张测试样表面与光滑玻璃表面之间流过所需要的时间来衡量,其单位用秒表示。
秒数越高纸张的平滑度越好。
纸张平滑度越好,印刷时纸面与印版间的接触,也就越均匀和完整,版面(凸版)或橡皮布上的墨层转移也越充分,印品呈色效果也越好。
反之,平滑度差的纸张,油墨转移不均匀,不充分,且纸面对墨量的渗透性强,呈色效果也就差,往往容易使印品墨色发花、发淡。
所以,印刷精细的产品,网线越细、网点直径越小,越应采用平滑度好的纸张进行印刷,这样才能使原稿再现性好。
二、纸张光泽度与呈色效果的关系
纸张光泽度是指纸张表面的镜面反射程度,用百分率表示。
纸张的光泽度越高,其表面越能像镜子似的反射光线,越能显示出鲜亮的外观特性。
实际上,纸张表面除了镜面反射外,还存在着漫反射,使纸张光泽度下降。
光泽度高的纸张,印品墨色也越鲜艳,墨色视觉效果也好。
可以说,纸张越平滑,光泽度也越高,印品色彩的光泽度也越高。
纸张的光泽度和平滑度有着密切的关系,但光泽度并非平滑度,纸张有光泽的表面,不一定就是平滑的表面。
从纸张的光泽度特点来看,根据印件特点选择合适的纸张进行印刷,很有实际意义。
如版面以文字为主的书刊文字,宜选用光泽度一般的纸,以免反射,使眼睛长时间看也不至于产生疲劳。
而印刷以图版为主的版面,宜选用光泽度高的纸,使印品墨色均匀、厚实、鲜艳悦目。
三、纸张白度与呈色效果的关系
纸张白度是指纸张受光照射后全面反射的能力,又有纸张亮度之称,用百分率表示。
纸张的白度越高,其表面越能使油墨色彩的特性准确表现出来。
这是因为白纸要把通过透明墨层减色合成的色光反射回去。
所以,白度高的纸张,几乎可以反射全部的色光,使印品墨色鲜艳悦目,视觉效果好。
而白度低的纸张,由于只吸收部分色光,既不能如实表现明暗部分的反差,又容易造成偏色。
如有的出现偏黄,有的出现偏红,有的出现偏绿,还有的出现偏蓝等等。
当纸张本身偏色时,纸面上所印的颜色便是油墨和纸张两者综合呈色的效果了,这样必然会出现一些偏色情况,基于这一情况,印刷时有必要对纸张的白度和偏色情况进行对照原稿进行分析,通过采取适当的措施达到纠正偏色的目的。
如当纸张色泽偏黄时,就不宜选用深黄,孔雀蓝和大红等色相的油墨印刷,也就是说,应根据纸色特点,正确选用油墨来消除偏色。
另一方面,可通过调墨工艺来纠正色偏。
四、纸张吸收性与呈色效果的关系
纸张的吸收性就是指纸张对油墨中的连结料及其溶剂的吸收能力,通常用百分率来表示。
纸张的吸收性也叫吸墨性,它的强弱对印刷色相和墨层的光泽性的表现非常敏感。
吸墨性强的纸,印品墨色色相容易发淡,墨层也缺乏光泽度。
此外,由于油墨中的连结料大部分被纸张纤维组织所吸收,颜料颗粒得不到足够的保护,印品上的墨膜不牢固,容易使印迹发生“粉化”现象。
反之,若纸张的吸墨性过弱的话,印品墨层将附着不牢,且印迹也不易干燥,容易造成印品背面蹭脏。
所以,根据印品的使用特点,选择吸收性合适的纸张进行印刷,才能较好地保证印刷质量。
如印报纸宜采用吸收性强的新闻纸,以满足高速、急用、经济的使用特点。
而印刷精细的产品,色彩要鲜艳就要求纸张吸收性弱,如玻璃卡、铜版纸等。
上述影响印品呈色效果的纸张性能中,最突出的是纸张的光泽度和吸收性。
纸张的吸收性和光泽度对印品墨色效果的综合效应,称为纸张的表面效率,可按下列公式计算求出:
PSE(%)=(100-A(%)+G(%))/2
式中:PSE代表纸张表面效率;A为纸张的油墨吸收能力;G为纸张的光泽度。
工艺测试可表明,纸张表面效率高时,在相同的工艺条件下,油墨的色强度最大,而色偏和灰度最小。
对纸张表面效率的研究和测试,是实现工艺数据化、规范化的重要一环,对较好地纠正色偏,保证产品印刷质量具有十分重要的意义,所以正确了解和认识纸张若干性能对印品呈色效果的影响,无疑是有益的。