电力安全事故等级划分标准
- 格式:docx
- 大小:11.43 KB
- 文档页数:10
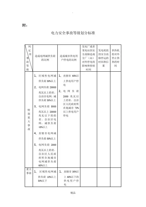
附:
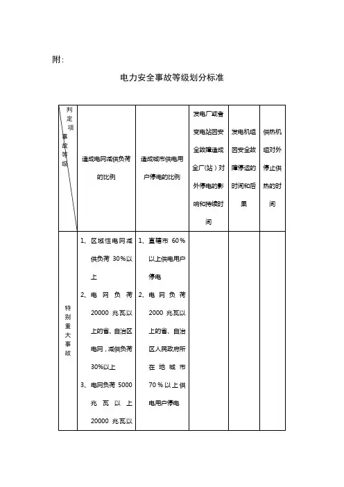
电力安全事故等级划分标准
注:
1.符合本表所列情形之一的,即构成相应等级的电力安全事故。
2.本表中所称的“以上”包括本书,所称的“以下”不包括本数。
3.本表下列用语的含义:
(1)电网负荷,是指电力调度机构统一调度的电网在事故发生起始时刻的实际负荷;
(2)电网减供负荷,是指电力调度机构统一调度的电网在事故发生期间的实际负荷最大减少量;
(3)全厂对外停电,是指发电厂对外有功负荷降到零(虽电网经发电厂母线传送的负
荷没有停止,仍视为全厂对外停电);
(4)发电机组因安全故障停止运行,是指并网运行的发电机组(包括各种类型的电站锅炉、汽轮机、燃气轮机、水轮机、发电机和主变压器等主要发电设备),
在未经电力调度机构允许的情况下,因安全故障需要停止运行的状态。
附:
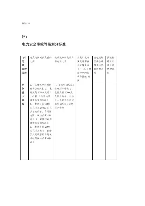
电力安全事故等级划分标准
注:
1.符合本表所列情形之一的,即构成相应等级的电力安全事故。
2.本表中所称的“以上”包括本书,所称的“以下”不包括本数。
3.本表下列用语的含义:
(1)电网负荷,是指电力调度机构统一调度的电网在事故发生起始时刻的实际负荷;
(2)电网减供负荷,是指电力调度机构统一调度的电网在事故发生期间的实际负荷最大减少量;
(3)全厂对外停电,是指发电厂对外有功负荷降到零(虽电网经发电厂母线传送的负荷没有停止,仍视为全厂对外停电);
(4)发电机组因安全故障停止运行,是指并网运行的发电机组(包括各种类型的电站锅炉、汽轮机、燃气轮机、水轮机、发电机和主变压器等主要发电设备),
在未经电力调度机构允许的情况下,因安全故障需要停止运行的状态。
如有侵权请联系告知删除,感谢你们的配合!。
附:电力安全事故等级划分标准造成电网减供负荷的比例造成城市供电用户停电的比例发电厂或者变电站因安全故障造成全厂(站)对外停电的影响和持续时间发电机组因安全故障停运的时间和后果供热机组对外停止供热的时间特别重大事故区域性电网减供负荷30%以上电网负荷20000兆瓦以上的省、自治区电网,减供负荷30%以上电网负荷5000兆瓦以上20000兆瓦以下的省、自治区电网,减供负荷40%以上直辖市电网减供负荷50%以上电网负荷2000兆瓦以上的省、自治区人民政府所在地城市电网减供负荷60%以上直辖市60%以上供电用户停电电网负荷2000兆瓦以上的省、自治区人民政府所在地城市70%以上供电用户停电重大事故区域性电网减供负荷10%以上30%以下电网负荷20000兆瓦以上的省、自治区电网,减供负荷13%以上30%以下电网负荷5000兆瓦以上20000兆瓦以下的省、自治区电网,减供负荷16%以上40%以下电网负荷1000兆瓦以上5000兆瓦以下的省、自治区电网,减供负荷50%以上直辖市电网减供负荷20%以上50%以下直辖市30%以上60%以下供电用户停电省、自治区人民政府所在地城市50%以上供电用户停电(电网负荷2000兆瓦以上的,50%以上70%以下)电网负荷600兆瓦以上的其他设区的市70%以上供电省、自治区人民政府所在地城市电网减供负荷40%以上(电网负荷2000兆瓦以上的,减供负荷40%以上60%以下)电网负荷600兆瓦以上的其他设区的市电网减供负荷60%以上用户停电较大事故区域性电网减供负荷7%以上10%以下电网负荷20000兆瓦以上的省、自治区电网,减供负荷10%以上13%以下电网负荷5000兆瓦以上20000兆瓦以下的省、自治区电网,减供负荷12%以上16%以下电网负荷1000兆瓦以上5000兆瓦以下的省、自治区电网,减供负荷20%以上50%以下电网负荷1000兆瓦以下的省、自治区电网,减供负荷40%以上直辖市电网减供负荷10%以上20%以下省、自治区人民政府所在地城市电网减供负荷20%以上40%以下其他设区的市电网减供负荷40%以上(电网负荷600兆瓦以上的,减供负荷40%以上60%以下)电网负荷150兆瓦以上的县级市电网减供负荷60%以上直辖市15%以上30%以下供电用户停电省、自治区人民政府所在地城市30%以上50%以下供电用户停电其他设区的市50%以上供电用户停电(电网负荷600兆瓦以上的,50%以上70%以下)电网负荷150兆瓦以上的县级市70%以上供电用户停电发电厂或者220千伏以上变电站因安全故障造成全厂(站)对外停电,导致周边电压监视控制点电压低于调度机构规定的电压曲线值20%并且持续时间30分钟以上,或者导致周边电压监视控制点电压低于调度机构规定的电压曲线值10%并且持续时间1小时以上发电机组因安全故障停止运行超过行业标准规定的大修时间两周,并导致电网减供负荷供热机组装机容量200兆瓦以上的热电厂,在当地人民政府规定的采暖期内同时发生2台以上供热机组因安全故障停止运行,造成全厂对外停止供热并且持续时间48小时以上一般事故区域性电网减供负荷4%以上7%以下电网负荷20000兆瓦以上的省、自治区电网,减供负荷5%以上10%以下直辖市10%以上15%以下供电用户停电省、自治区人民政府所在发电厂或者220千伏以上变电站因安全故障造成全厂(站)对外停电,导发电机组因安全故障停止运行超过行业标供热机组装机容量200兆瓦以上的热电厂,在当地人民电网负荷5000兆瓦以上20000兆瓦以下的省、自治区电网,减供负荷6%以上12%以下电网负荷1000兆瓦以上5000兆瓦以下的省、自治区电网,减供负荷10%以上20%以下电网负荷1000兆瓦以下的省、自治区电网,减供负荷25%以上40%以下直辖市电网减供负荷5%以上10%以下省、自治区人民政府所在地城市电网减供负荷10%以上20%以下其他设区的市电网减供负荷20%以上40%以下县级市减供负荷40%以上(电网负荷150兆瓦以上的,减供负荷40%以上60%以下)地城市15%以上30%以下供电用户停电其他设区的市30%以上50%以下供电用户停电县级市50%以上供电用户停电(电网负荷150兆瓦以上的,50%以上70%以下)致周边电压监视控制点电压低于调度机构规定的电压曲线值5%以上10%以下并且持续时间2小时以上准规定的小修时间两周,并导致电网减供负荷政府规定的采暖期内同时发生2台以上供热机组因安全故障停止运行,造成全厂对外停止供热并且持续时间24小时以上。
精品文档
附:
电力安全事故等级划分标准
.
精品文档
.
精品文档
.
精品文档
注:1.符合本表所列情形之一的,即构成相应等级的电力安全事故。
”不包括本数。
包括本
书,所称的“以下“2.本表中所称的以上”.本表下列用语的含义:3 是指电力调度机构统一调度的电网在事故发生起始时刻的实际负荷;)电网负荷,1 (是指电力调度机构统一调度的电网在事故发生期间的实际负荷)电网减供负荷,( 2 最大减少量;(虽电网经发电厂母线传送的是指发电厂对外有功负荷降到零3)全厂对外停电,(负荷没有停止,仍视为全厂对外停电);(包括各种类型的电是指并网运行的发电机组4)发电机组因安全故障停止运行,(
,站锅炉、汽轮机、燃气轮机、水轮机、发电机和主变压器等主要发电设备)在未经电力调度机构允许的情况下,因安全故障需要停止运行的状态。
.。
电力安全事故等级划分标准造成电网减供负荷的比例造成城市供电用户停电的比例发电厂或者变电站因安全故障造成全厂(站)对外停电的影响和持续时间发电机组因安全故障停运的时间和后果供热机组对外停止供热的时间特别重大事故区域性电网减供负荷30%以上电网负荷20000兆瓦以上的省、自治区电网,减供负荷30%以上电网负荷5000兆瓦以上20000兆瓦以下的省、自治区电网,减供负荷40%以上直辖市电网减供负荷50%以上电网负荷2000兆瓦以上的省、自治区人民政府所在地城市电网减供负荷60%以上直辖市60%以上供电用户停电电网负荷2000兆瓦以上的省、自治区人民政府所在地城市70%以上供电用户停电重大事故区域性电网减供负荷10%以上30%以下电网负荷20000兆瓦以上的省、自治区电网,减供负荷13%以上30%以下电网负荷5000兆瓦以上20000兆瓦以下的省、自治区电网,减供负荷16%以上40%以下电网负荷1000兆瓦以上5000兆瓦以下的省、自治区电网,减供负荷50%以上直辖市电网减供负荷20%以上50%以下省、自治区人民政府所在地城市电网减供负荷40%以上(电网负荷2000兆瓦以上的,减供负荷40%以上60%以下)电网负荷600兆瓦以上的其他设区的市电网减供负荷60%以上直辖市30%以上60%以下供电用户停电省、自治区人民政府所在地城市50%以上供电用户停电(电网负荷2000兆瓦以上的,50%以上70%以下)电网负荷600兆瓦以上的其他设区的市70%以上供电用户停电较大事故区域性电网减供负荷7%以上10%以下电网负荷20000兆瓦以上的省、自治区电网,减供负荷10%以上13%以下电网负荷5000兆瓦以上20000兆瓦以下的省、自治区电网,减供负荷12%以上16%以下电网负荷1000兆瓦以上5000兆瓦以下的省、自治区电网,减供负荷20%以上50%以下电网负荷1000兆瓦以下的省、自治区电网,减供负荷40%以上直辖市电网减供负荷10%以上20%以下省、自治区人民政府所在地城市电网减供负荷20%以上40%以下其他设区的市电网减供负荷40%以上(电网负荷600兆瓦以上的,减供负荷40%以上60%以下)电网负荷150兆瓦以上的县级市电网减供负荷60%以上直辖市15%以上30%以下供电用户停电省、自治区人民政府所在地城市30%以上50%以下供电用户停电其他设区的市50%以上供电用户停电(电网负荷600兆瓦以上的,50%以上70%以下)电网负荷150兆瓦以上的县级市70%以上供电用户停电发电厂或者220千伏以上变电站因安全故障造成全厂(站)对外停电,导致周边电压监视控制点电压低于调度机构规定的电压曲线值20%并且持续时间30分钟以上,或者导致周边电压监视控制点电压低于调度机构规定的电压曲线值10%并且持续时间1小时以上发电机组因安全故障停止运行超过行业标准规定的大修时间两周,并导致电网减供负荷供热机组装机容量200兆瓦以上的热电厂,在当地人民政府规定的采暖期内同时发生2台以上供热机组因安全故障停止运行,造成全厂对外停止供热并且持续时间48小时以上一般事故区域性电网减供负荷4%以上7%以下电网负荷20000兆瓦以上的省、自治区电网,减供负荷5%以上10%以下电网负荷5000兆瓦以上20000兆瓦以下的省、自治区电网,减供负荷6%以上12%以下电网负荷1000兆瓦以上5000兆瓦以下的省、自治区电网,减供负荷10%以上20%以下电网负荷1000兆瓦以下的省、自治区电网,减供负荷25%以上40%以下直辖市电网减供负荷5%以上10%以下省、自治区人民政府所在地城市电网减供负荷10%以上20%以下其他设区的市电网减供负荷20%以上40%以下县级市减供负荷40%以上(电网负荷150兆瓦以上的,减供负荷40%以上60%以下)直辖市10%以上15%以下供电用户停电省、自治区人民政府所在地城市15%以上30%以下供电用户停电其他设区的市30%以上50%以下供电用户停电县级市50%以上供电用户停电(电网负荷150兆瓦以上的,50%以上70%以下)发电厂或者220千伏以上变电站因安全故障造成全厂(站)对外停电,导致周边电压监视控制点电压低于调度机构规定的电压曲线值5%以上10%以下并且持续时间2小时以上发电机组因安全故障停止运行超过行业标准规定的小修时间两周,并导致电网减供负荷供热机组装机容量200兆瓦以上的热电厂,在当地人民政府规定的采暖期内同时发生2台以上供热机组因安全故障停止运行,造成全厂对外停止供热并且持续时间24小时以上注:1.符合本表所列情形之一的,即构成相应等级的电力安全事故。
电力安全事故等级划分标准附:电力安全事故等级划分标准发电厂或者变电站因安造成电网减供负荷的比例造成城市供电用户停电的比例全故障造成全厂(站)对外停电的影响和持续时发电机组因安供热机组全故障对外停止停运的供热的时时间和后果间间区域性电网减供负荷30%以上电网负荷20000兆瓦以上的省、自治区电网,直辖市减供负荷30%以上电网负荷5000兆瓦以上20000兆瓦以下的荷40%以上 50%以上电网负荷2000兆瓦以上的省、自治区人民政府所在地城市电网减供负荷60%以上区域性电网减供负荷直辖市10%以上30%以下30%以上60%电网负荷20000兆瓦以下供电用户以上的省、自治区电网,停电减供负荷13%以上30%以省、自治区下电网负荷5000兆瓦人民政府所在地城市50%以上供电用户停2000兆瓦以上的,50%以上电网负荷600兆瓦以上的70%以上供电60%以上供电用户停电电网负荷特别重大事故省、自治区电网,减供负2000兆瓦以上的省、自治区人城市70%以上供电用户停电直辖市电网减供负荷民政府所在地重大事以上20000兆瓦以下的故荷16%以上40%以下电网负荷1000兆瓦自治区电网,减供负荷50%以上20%以上50%以下省、自治区电网,减供负电(电网负荷以上5000兆瓦以下的省、70%以下)直辖市电网减供负荷其他设区的市省、自治区人民政府用户停电所在地城市电网减供负荷40%以上(电网负荷2000兆瓦以上的,减供负荷40%以上60%以下)电网负荷600兆瓦以上的其他设区的市电网减供负荷60%以上区域性电网减供负荷7%以上10%以下电网负荷20000兆瓦以上的省、自治区电网,减供负荷10%以上13%以直辖市下电网负荷5000兆瓦以上20000兆瓦以下的荷12%以上16%以下电网负荷1000兆瓦自治区电网,减供负荷较大事故20%以上50%以下电网负荷1000兆瓦减供负荷40%以上 10%以上20%以下15%以上30%以下供电用户停电人民政府所在地城市30%以电用户停电其他设区的市50%以上发电厂或者220千伏以上变电站因安全故障造成全厂(站)致周边电压监视控制点电压低于调度机构规定的电压曲线值20%并且组因安全故障停止运行超过行业标准规定供热机组装机容量200兆瓦以上的热电厂,在当地人民政府规定的采暖期内同时发生2台以上供热机组因安全故障停止运行,造成全厂对外停止供热并且持续时间48小时以上省、自治区电网,减供负省、自治区对外停电,导发电机以上5000兆瓦以下的省、上50%以下供以下的省、自治区电网,供电用户停电直辖市电网减供负荷兆瓦以上的,50%以上70%省、自治区人民政府以下)所在地城市电网减供负荷电网负荷20%以上40%以下其他设区的市电网减县级市70%以供负荷40%以上(电网负上供电用户停荷600兆瓦以上的,减供电负荷40%以上60%以下)电网负荷150兆瓦以上的县级市电网减供负荷60%以上区域性电网减供负荷直辖市4%以上7%以下10%以上15%持续时间30的大修者导致周边电压监视控制点电压低于调度机构曲线值10%并且持续时间1小时以上周,并导致电网减供负荷(电网负荷600分钟以上,或时间两150兆瓦以上的规定的电压发电厂或者220千伏以上变电站因安全故障造发电机供热机组组因安装机容量全故障200兆瓦停止运以上的热一般事电网负荷20000兆瓦以下供电用户故以上的省、自治区电网,停电减供负荷5%以上10%以下人民政府所在省、自治区成全厂(站)行超过电厂,在对外停电,导行业标当地人民电网负荷5000兆瓦以上20000兆瓦以下的荷6%以上12%以下电网负荷1000兆瓦自治区电网,减供负荷10%以上20%以下电网负荷1000兆瓦地城市15%以上30%以下供其他设区的市30%以上用户停电县级市50%以上供电致周边电压监视控制点电压低于调度机构规定的电压曲线值5%以上10%以下并且持续时间2小时以上准规定政府规定的小修的采暖期时间两内同时发周,并生2台以导致电上供热机网减供组因安全负荷故障停止运行,造成全厂对外停止供热并且持续时间24小时以上省、自治区电网,减供负电用户停电以上5000兆瓦以下的省、50%以下供电以下的省、自治区电网,用户停电(电网减供负荷25%以上40%以负荷150兆瓦下5%以上10%以下省、自治区人民政府所在地城市电网减供负荷10%以上20%以下其他设区的市电网减供负荷20%以上40%以下县级市减供负荷40%以上(电网负荷150兆瓦以上的,减供负荷40%以上60%以下)以上的,50%以直辖市电网减供负荷上70%以下)感谢您的阅读,祝您生活愉快。
附:
电力安全事故等级划分标准
注:
1.符合本表所列情形之一的,即构成相应等级的电力安全事故。
2.本表中所称的“以上”包括本书,所称的“以下”不包括本数。
3.本表下列用语的含义:
(1)电网负荷,是指电力调度机构统一调度的电网在事故发生起始时刻的实际负荷;
(2)电网减供负荷,是指电力调度机构统一调度的电网在事故发生期间的实际负荷最大减少量;
(3)全厂对外停电,是指发电厂对外有功负荷降到零(虽电网经发电厂母线传送的负荷没有停止,仍视为全厂对外停电);
(4)发电机组因安全故障停止运行,是指并网运行的发电机组(包括各种类型的电站锅炉、汽轮机、燃气轮机、水轮机、发电机和主变压器等主要
发电设备),在未经电力调度机构允许的情况下,因安全故障需要停
止运行的状态。
府所在地城市电网减供负荷40%以上(电网负荷2000兆瓦以上的,减供负荷40%以上60%以下)电网负荷600兆瓦以上的其他设区的市电网减供负荷60%以上较大事故区域性电网减供负荷7%以上10%以下电网负荷20000兆瓦以上的省、自治区电网,减供负荷10%以上13%以下电网负荷5000兆瓦以上20000兆瓦以下的省、自治区电网,减供负荷12%以上16%以下电网负荷1000兆瓦以上5000兆瓦以下的省、自治区电网,减供负荷20%以上50%以下电网负荷1000兆瓦以下的省、自治区电网,减供负荷40%以上直辖市电网减供负荷10%以上20%以下省、自治区人民政府所在地城市电网减供负荷20%以上40%以下其他设区的市电网减供负荷40%以上(电网负荷600兆瓦以上的,减供负荷40%以上60%以下)电网负荷150兆瓦以上的县级市电网减供负荷60%以上直辖市15%以上30%以下供电用户停电省、自治区人民政府所在地城市30%以上50%以下供电用户停电其他设区的市50%以上供电用户停电(电网负荷600兆瓦以上的,50%以上70%以下)电网负荷150兆瓦以上的县级市70%以上供电用户停电发电厂或者220千伏以上变电站因安全故障造成全厂(站)对外停电,导致周边电压监视控制点电压低于调度机构规定的电压曲线值20%并且持续时间30分钟以上,或者导致周边电压监视控制点电压低于调度机构规定的电压曲线值10%并且持续时间1小时以上发电机组因安全故障停止运行超过行业标准规定的大修时间两周,并导致电网减供负荷供热机组装机容量200兆瓦以上的热电厂,在当地人民政府规定的采暖期内同时发生2台以上供热机组因安全故障停止运行,造成全厂对外停止供热并且持续时间48小时以上一般事故区域性电网减供负荷4%以上7%以下电网负荷20000兆瓦以上的省、自治区电网,减供负荷5%以上10%直辖市10%以上15%以下供电用户停电省、自治区人民政府所在地发电厂或者220千伏以上变电站因安全故障造成全厂(站)对外停发电机组因安全故障停止运行超过供热机组装机容量200兆瓦以上的热电厂,在以下 电网负荷5000兆瓦以上20000兆瓦以下的省、自治区电网,减供负荷6%以上12%以下 电网负荷1000兆瓦以上5000兆瓦以下的省、自治区电网,减供负荷10%以上20%以下 电网负荷1000兆瓦以下的省、自治区电网,减供负荷25%以上40%以下直辖市电网减供负荷5%以上10%以下 省、自治区人民政府所在地城市电网减供负荷10%以上20%以下 其他设区的市电网减供负荷20%以上40%以下县级市减供负荷40%以上(电网负荷150兆瓦以上的,减供负荷40%以上60%以下)城市15%以上30%以下供电用户停电其他设区的市30%以上50%以下供电用户停电县级市50%以上供电用户停电(电网负荷150兆瓦以上的,50%以上70%以下) 电,导致周边电压监视控制点电压低于调度机构规定的电压曲线值5%以上10%以下并且持续时间2小时以上 行业标准规定的小修时间两周,并导致电网减供负荷当地人民政府规定的采暖期内同时发生2台以上供热机组因安全故障停止运行,造成全厂对外停止供热并且持续时间24小时以上注:1.符合本表所列情形之一的,即构成相应等级的电力安全事故。
电力安全事故等级划分标准 -标准化文件发布号:(9456-EUATWK-MWUB-WUNN-INNUL-DDQTY-KII
附:
电力安全事故等级划分标准
注:
1.符合本表所列情形之一的,即构成相应等级的电力安全事故。
2.本表中所称的“以上”包括本书,所称的“以下”不包括本数。
3.本表下列用语的含义:
(1)电网负荷,是指电力调度机构统一调度的电网在事故发生起始时刻的实际负荷;
(2)电网减供负荷,是指电力调度机构统一调度的电网在事故发生期间的实际负荷最大减少量;
(3)全厂对外停电,是指发电厂对外有功负荷降到零(虽电网经发电厂母线传送的负荷没有停止,仍视为全厂对外停电);
(4)发电机组因安全故障停止运行,是指并网运行的发电机组(包括各种类型的电站锅炉、汽轮机、燃气轮机、水轮机、发电机和主变
压器等主要发电设备),在未经电力调度机构允许的情况下,因
安全故障需要停止运行的状态。
附:电力安全事故等级划分标准2、电网负荷2、省、自治区人20000兆瓦以上民政府所在的省、自治区电地城市50%^网,减供负荷上供电用户13%以上30%以停电(电网负下荷2000兆瓦3、电网负荷5000以上的,50%以上70%以兆瓦以上20000下)兆瓦以下的省、自治区电网,,减3、电网负荷600供负荷16%^上兆瓦以上的40%以下其他设区的4、电网负荷1000市70%^上供电用户停电兆瓦以上5000兆瓦以下的省、自治区电网,减供负荷50%以上5、直辖市电网减供负荷20%^上50%以下6、省、自治区人民政府所在地城市电网减供负荷40%以上(电网负荷2000兆瓦以上的,减供负荷40%以上60%以下)7、电网负荷600兆瓦以上的其他设区的市电网减供负荷60%以上较1、区域性电网减1、直辖市15%^发电厂或者220千伏以发电机组因安全故供热机组装机大供负荷7%以上上30%^下的上变电站因障停止运容量事10%以下供电用户停安全故障造行超过行200兆故2、电网负荷电成全厂(站)对外停电,业标准规定的大修瓦以上的热电20000兆瓦以上的省、自治区电网,减供负荷10% 以上13%A下3、电网负荷5000兆瓦以上20000兆瓦以下的省、自治区电网,,减供负荷12%以上16%以下4、电网负荷1000兆瓦以上5000兆瓦以下的省、自治区电网,减供负荷20%^上50%以下5、电网负荷1000兆瓦以下的省、自治区电网,减供负荷40%^上6、直辖市电网减供负荷10%以上20%以下7、省、自治区人民政府所在地城市电网减供负荷20%以上40%以下8、其他设区的市电网减供负荷40%以上(电网负荷600兆瓦以上的,减供负荷40%以上60%^下)9、电网负荷150兆瓦以上的县级市电网减供负荷60%以上2、省、自治区人民政府所在地城市30%^ 上50%以下供电用户停电3、其他设区的市50%以上供电用户停电(电网负荷600兆瓦以上的,50%以上70%以下)4、电网负荷150兆瓦以上的县级市70%^ 上供电用户停电导致周边电压监视控制点电压低于调度机构规定的电压曲线值20%并且持续时间30分钟以上,或者导致周边电压监视控制点电压低于调度机构规定的电压曲线值10%并且持续时间1 小时以上时间两周,并导致电网减供负荷厂,在当地人民政府规定的采暖期内同时发生2 台以上供热机组因安全故障停止运行,造成全厂对外停止供热并且持续时间48小时以上1、区域性电网减1、直辖市10%次发电厂或者220千伏以发电机组因安全故供热机组装机供负荷4河上7%上15%^下的供上变电站因障停止运容量以下电用户停电安全故障造行超过行200兆成全厂(站)业标准规瓦以上2、电网负荷2、省、自治区人对外停电定的小修的热电20000兆瓦以上民政府所在地导致周边电时间两厂,在的省、自治区电城市15%以上压监视控制周,并导当地人网,减供负荷5%30%以下供电用点电压低于致电网减民政府以上10%^下户停电调度机构规供负荷规定的定的电压曲采暖期3、电网负荷50003、其他设区的线值5 %以内同时兆瓦以上20000市30%^上50%上10%以下发生2兆瓦以下的省、自以下供电用户并且持续时台以上治区电网,,减供停电间2小时以供热机负荷6%^上12%上组因安以下4、县级市50%以全故障上供电用户停停止运4、电网负荷1000电(电网负荷行,造兆瓦以上5000兆150兆瓦以上成全厂-一瓦以下的省、自治的,50%^上70%对外停般区电网,减供负荷以下)止供热事10%以上20%以下并且持故5、电网负荷1000续时间24小时兆瓦以下的省、自治区电网,减供负荷25%以上40%^下以上的6、直辖市电网减供负荷5%以上10%以下7、省、自治区人民政府所在地城市电网减供负荷10%以上20%以下8、其他设区的市电网减供负荷20%以上40%以下9、县级市电网减注:1 •符合本表所列情形之一的,即构成相应等级的电力安全事故。
附:电力安全事故等级划分标准造成电网减供负荷的比例造成城市供电用户停电的比例发电厂或者变电站因安全故障造成全厂(站)对外停电的影响和持续时间发电机组因安全故障停运的时间和后果供热机组对外停止供热的时间特别重大事故区域性电网减供负荷30%以上电网负荷20000兆瓦以上的省、自治区电网,减供负荷30%以上电网负荷5000兆瓦以上20000兆瓦以下的省、自治区电网,减供负荷40%以上直辖市电网减供负荷50%以上电网负荷2000兆瓦以上的省、自治区人民政府所在地城市电网减供负荷60%以上直辖市60%以上供电用户停电电网负荷2000兆瓦以上的省、自治区人民政府所在地城市70%以上供电用户停电重大事故区域性电网减供负荷10%以上30%以下电网负荷20000兆瓦以上的省、自治区电网,减供负荷13%以上30%以下电网负荷5000兆瓦以上20000兆瓦以下的省、自治区电网,减供负荷16%以上40%以下电网负荷1000兆瓦以上5000兆瓦以下的省、自治区电网,减供负荷50%以上直辖市电网减供负荷20%以上50%以下省、自治区人民政府所在地城市电网减供负荷40%以上(电网负荷2000兆瓦以上的,减供负荷40%以上60%以下)电网负荷600兆瓦以上的其他设区的市电网减供负荷60%以上直辖市30%以上60%以下供电用户停电省、自治区人民政府所在地城市50%以上供电用户停电(电网负荷2000兆瓦以上的,50%以上70%以下)电网负荷600兆瓦以上的其他设区的市70%以上供电用户停电较大事故上10%以下电网负荷20000兆瓦以上的省、自治区电网,减供负荷10%以上13%以下电网负荷5000兆瓦以上20000兆瓦以下的省、自治区电网,减供负荷12%以上16%以下电网负荷1000兆瓦以上5000兆瓦以下的省、自治区电网,减供负荷20%以上50%以下电网负荷1000兆瓦以下的省、自治区电网,减供负荷40%以上直辖市电网减供负荷10%以上20%以下省、自治区人民政府所在地城市电网减供负荷20%以上40%以下其他设区的市电网减供负荷40%以上(电网负荷600兆瓦以上的,减供负荷40%以上60%以下)电网负荷150兆瓦以上的县级市电网减供负荷60%以上直辖市15%以上30%以下供电用户停电省、自治区人民政府所在地城市30%以上50%以下供电用户停电其他设区的市50%以上供电用户停电(电网负荷600兆瓦以上的,50%以上70%以下)电网负荷150兆瓦以上的县级市70%以上供电用户停电发电厂或者220千伏以上变电站因安全故障造成全厂(站)对外停电,导致周边电压监视控制点电压低于调度机构规定的电压曲线值20%并且持续时间30分钟以上,或者导致周边电压监视控制点电压低于调度机构规定的电压曲线值10%并且持续时间1小时以上发电机组因安全故障停止运行超过行业标准规定的大修时间两周,并导致电网减供负荷供热机组装机容量200兆瓦以上的热电厂,在当地人民政府规定的采暖期内同时发生2台以上供热机组因安全故障停止运行,造成全厂对外停止供热并且持续时间48小时以上一般事故区域性电网减供负荷4%以上7%以下电网负荷20000兆瓦以上的省、自治区电网,减供负荷5%以上10%以下电网负荷5000兆瓦以上20000兆瓦以下的省、自治区电网,减供负荷6%以上12%以下电网负荷1000兆瓦以上5000兆瓦以下的省、自治区电网,减供负荷10%以上20%以下电网负荷1000兆瓦以下的省、自治区电网,减供负荷25%以上40%以下直辖市电网减供负荷5%以上10%以下省、自治区人民政府所在地城市电网减供负荷10%以上20%以下直辖市10%以上15%以下供电用户停电省、自治区人民政府所在地城市15%以上30%以下供电用户停电其他设区的市30%以上50%以下供电用户停电县级市50%以上供电用户停电(电网负荷150兆瓦以上的,50%以上70%以下)发电厂或者220千伏以上变电站因安全故障造成全厂(站)对外停电,导致周边电压监视控制点电压低于调度机构规定的电压曲线值5%以上10%以下并且持续时间2小时以上发电机组因安全故障停止运行超过行业标准规定的小修时间两周,并导致电网减供负荷供热机组装机容量200兆瓦以上的热电厂,在当地人民政府规定的采暖期内同时发生2台以上供热机组因安全故障停止运行,造成全厂对外停止供热并且持续时间24小时以上。
附:电力安全事故等级划分标准造成电网减供负荷的比例造成城市供电用户停电的比例发电厂或者变电站因安全故障造成全厂(站)对外停电的影响和持续时间发电机组因安全故障停运的时间和后果供热机组对外停止供热的时间特别重大事故区域性电网减供负荷30%以上电网负荷20000兆瓦以上的省、自治区电网,减供负荷30%以上电网负荷5000兆瓦以上20000兆瓦以下的省、自治区电网,减供负荷40%以上直辖市电网减供负荷50%以上电网负荷2000兆瓦以上的省、自治区人民政府所在地城市电网减供负荷60%以上直辖市60%以上供电用户停电电网负荷2000兆瓦以上的省、自治区人民政府所在地城市70%以上供电用户停电重大事故区域性电网减供负荷10%以上30%以下电网负荷20000兆瓦以上的省、自治区电网,减供负荷13%以上30%以下电网负荷5000兆瓦以上20000兆瓦以下的省、自治区电网,减供负荷16%以上40%以下电网负荷1000兆瓦以上5000兆瓦以下的省、自治区电网,减供负荷50%以上直辖市电网减供负荷20%以上50%以下省、自治区人民政府所在地城市电网减供负荷40%以上(电网负荷2000兆瓦以上的,减供负荷40%以上60%以下)电网负荷600兆瓦以上的其他设区的市电网减供负荷60%以上直辖市30%以上60%以下供电用户停电省、自治区人民政府所在地城市50%以上供电用户停电(电网负荷2000兆瓦以上的,50%以上70%以下)电网负荷600兆瓦以上的其他设区的市70%以上供电用户停电较大事故10%以下电网负荷20000兆瓦以上的省、自治区电网,减供负荷10%以上13%以下电网负荷5000兆瓦以上20000兆瓦以下的省、自治区电网,减供负荷12%以上16%以下电网负荷1000兆瓦以上5000兆瓦以下的省、自治区电网,减供负荷20%以上50%以下电网负荷1000兆瓦以下的省、自治区电网,减供负荷40%以上直辖市电网减供负荷10%以上20%以下省、自治区人民政府所在地城市电网减供负荷20%以上40%以下其他设区的市电网减供负荷40%以上(电网负荷600兆瓦以上的,减供负荷40%以上60%以下)电网负荷150兆瓦以上的县级市电网减供负荷60%以上直辖市15%以上30%以下供电用户停电省、自治区人民政府所在地城市30%以上50%以下供电用户停电其他设区的市50%以上供电用户停电(电网负荷600兆瓦以上的,50%以上70%以下)电网负荷150兆瓦以上的县级市70%以上供电用户停电发电厂或者220千伏以上变电站因安全故障造成全厂(站)对外停电,导致周边电压监视控制点电压低于调度机构规定的电压曲线值20%并且持续时间30分钟以上,或者导致周边电压监视控制点电压低于调度机构规定的电压曲线值10%并且持续时间1小时以上发电机组因安全故障停止运行超过行业标准规定的大修时间两周,并导致电网减供负荷供热机组装机容量200兆瓦以上的热电厂,在当地人民政府规定的采暖期内同时发生2台以上供热机组因安全故障停止运行,造成全厂对外停止供热并且持续时间48小时以上一般事故区域性电网减供负荷4%以上7%以下电网负荷20000兆瓦以上的省、自治区电网,减供负荷5%以上10%以下电网负荷5000兆瓦以上20000兆瓦以下的省、自治区电网,减供负荷6%以上12%以下电网负荷1000兆瓦以上5000兆瓦以下的省、自治区电网,减供负荷10%以上20%以下电网负荷1000兆瓦以下的省、自治区电网,减供负荷25%以上40%以下直辖市电网减供负荷5%以上10%以下省、自治区人民政府所在地城市电网减供负荷10%以上20%以下直辖市10%以上15%以下供电用户停电省、自治区人民政府所在地城市15%以上30%以下供电用户停电其他设区的市30%以上50%以下供电用户停电县级市50%以上供电用户停电(电网负荷150兆瓦以上的,50%以上70%以下)发电厂或者220千伏以上变电站因安全故障造成全厂(站)对外停电,导致周边电压监视控制点电压低于调度机构规定的电压曲线值5%以上10%以下并且持续时间2小时以上发电机组因安全故障停止运行超过行业标准规定的小修时间两周,并导致电网减供负荷供热机组装机容量200兆瓦以上的热电厂,在当地人民政府规定的采暖期内同时发生2台以上供热机组因安全故障停止运行,造成全厂对外停止供热并且持续时间24小时以上注:1.符合本表所列情形之一的,即构成相应等级的电力安全事故。
附:
电力安全事故等级划分标准
注:
1.符合本表所列情形之一的,即构成相应等级的电力安全事故。
2.本表中所称的“以上”包括本书,所称的“以下”不包括本数。
3.本表下列用语的含义:
(1)电网负荷,是指电力调度机构统一调度的电网在事故发生起始时刻的实际负荷;
(2)电网减供负荷,是指电力调度机构统一调度的电网在事故发生期间的实际负荷最大减少量;
(3)全厂对外停电,是指发电厂对外有功负荷降到零(虽电网经发电厂母线传送的负荷没有停止,仍视为全厂对外停电);
(4)发电机组因安全故障停止运行,是指并网运行的发电机组(包括各种类型的电站锅炉、汽轮机、燃气轮机、水轮机、发电
机和主变压器等主要发电设备),在未经电力调度机构允许的
情况下,因安全故障需要停止运行的状态。