隧道窑课程设计说明书
- 格式:docx
- 大小:612.40 KB
- 文档页数:20
75米日用瓷轻型装配式环保节能气烧隧道窑操作说明书第一章窑炉设计说明一、一般说明㈠用途本系列新型节能隧道窑主要用于日用陶瓷行业的盘、蝶、杯、碗类制品的烧成。
㈡工作原理本系列隧道窑是连续性工作的陶瓷烧成热工设备,配备全套自动控制。
燃料、助燃空气和雾化空气(以液体燃料工作时),通过各自的管路系统,受调节阀门控制,以所需的压力、流量进入烧嘴内均匀混合燃烧,高速喷入窑道内并在那里进一步进行充分燃烧。
窑道内高温燃烧产物与制品直接接触从而高效地加热制品,然后以与制品前进相反的方向自烧成带向窑头流动,并继续加热低温区的坯体,最终在窑头集中经由排烟管路系统排出窑外。
坯体分层装载于窑车上,由液压顶车机推动窑道内的窑车运行,将坯体匀速、平稳地自窑头向窑尾输送。
在坯体前进过程中经历自低温预热到高温烧成各个温度带,不断与燃烧产物直接进行热交换而受到加热升温,伴随着水份蒸发、结构水脱离、氧化物分解、新的晶相形成和玻璃相熔化等一系列复杂的物理化学反应,烧制成为陶瓷制品进入急冷带、冷却带。
然后受合理直接冷却、缓慢冷却一整套冷却工作系统,安全、有效地冷却产品出窑。
在配有自动、进出窑机衔接的情况下,上述整个过程完全脱离人工操作而自动完成。
㈢燃料本系列窑仅适用于洁净气体燃料和液体燃料。
在为用户提供窑炉时,是以其中某种燃料为特定条件设计、制造的。
当以后燃料供应条件发生变化时,需改换燃料供应管路、阀门及燃料系统,可供选择互换的燃料有:㈣特点本系列隧道窑经广泛吸收八十年代末国外先进的设计制造技术,结合中国具体国情进行优化设计制造。
具有如下一些特点:1、采用明焰裸烧工艺,燃烧产物与被烧制品直接接触,热交换效率高,制品受热均匀,可以实现低温快烧。
2、耐火保温材料全部采用高热阻、低蓄热的轻质隔热材料,因而,升温降温速度快,保温性能极好;窑外表面温度低,散热小。
以上两大特点使得本系列隧道窑能耗接近了理论烧成能耗。
3、工作系统灵活,调整余地大,通过调节控制各温度点,可以灵活地改变烧成曲线,实现一条窑烧制不同产品之目的。
隧道窑课程设计一、课程设计背景隧道窑是土木工程领域中的重要组成部分,其建设需要涉及到多个学科知识,包括地质学、力学、结构力学、材料力学等。
因此,针对隧道窑的课程设计既需要考虑到理论知识的传授,也需要注重实践能力的培养。
二、课程设计目标1. 理论知识传授:通过讲解隧道窑相关的基础理论知识,使学生了解隧道窑建设过程中所需的各种工具和技术。
2. 实践能力培养:通过实验室教学和现场实践,让学生掌握隧道窑建设中所需的各种技能和操作方法。
3. 团队协作能力培养:通过小组合作模式进行教学和实践活动,让学生在团队合作中提高沟通协调能力和团队意识。
三、课程设计内容1. 隧道窑基础理论知识讲解(1)地质勘察与分析(2)岩土力学基础知识(3)结构力学基础知识(4)材料力学基础知识2. 隧道窑实验室教学(1)隧道窑施工材料与工具的认识和使用(2)隧道窑施工中的测量和控制技术(3)隧道窑施工中的爆破技术(4)隧道窑施工中的支护技术3. 隧道窑现场实践活动(1)现场勘察与分析(2)现场测量与控制技术应用(3)现场爆破技术应用(4)现场支护技术应用四、课程设计教学方法和手段1. 讲授式教学:通过讲解理论知识,让学生了解隧道窑建设所需的各种理论知识。
2. 实验室教学:通过实验室模拟,让学生进行各种操作练习,提高其操作能力。
3. 现场实践活动:通过参观实际施工现场,并进行一定程度的操作练习,让学生更好地了解隧道窑建设过程中所需的各种技能和方法。
4. 小组合作模式:通过小组合作模式进行教学和实践活动,让学生在团队合作中提高沟通协调能力和团队意识。
五、课程设计评估方式1. 课堂测试:通过课堂测试,检测学生对理论知识的掌握情况。
2. 实验室操作考核:通过实验室操作考核,检测学生的操作能力和技能水平。
3. 现场实践活动评估:通过现场实践活动评估,检测学生在实际施工过程中的应用能力和综合素质。
4. 小组合作评估:通过小组合作评估,检测学生在团队合作中的表现和团队意识。
隧道窑课程设计一、引言隧道窑是一种传统的烧制陶瓷器皿的窑炉构造,广泛应用于中国古代的陶瓷生产。
本课程设计将从隧道窑的原理、结构、操作流程等方面进行详细探讨,并设计一堂关于隧道窑的实践课程,以提供学生对陶瓷制作的全面了解和实践经验。
二、隧道窑概述2.1 隧道窑的定义隧道窑是一种纵向布置的陶瓷烧制窑炉,具有连续性和高效率的特点。
其独特的结构设计使得烧制过程中热能利用更加充分,能够同时进行多次烧制,提高了陶瓷生产的效益。
2.2 隧道窑的原理隧道窑的烧制原理主要包括燃料燃烧和热传导两个过程。
燃料通过烧炉的方式提供热能,而热传导则是指热能从燃料到陶瓷器物的传递过程。
2.3 隧道窑的结构隧道窑主要由加热区、烧成区和冷却区组成。
加热区用于燃烧燃料产生热量,烧成区用于陶瓷器物的烧制,冷却区则用于冷却已烧成的器物。
三、隧道窑的操作流程3.1 燃料准备在进行隧道窑烧制之前,需要准备好燃料。
常用的燃料包括柴火、煤炭等。
燃料的选择要根据窑炉的规模和烧制需求进行。
3.2 装窑在装窑的过程中,需要将陶瓷器物放置在窑炉的合适位置。
同时,要注意器物之间的间隔,以免相互接触造成损坏。
3.2.1 空间利用为了充分利用窑炉的空间,可以采用合理的器物布局方式,尽量减少空隙。
3.2.2 稳定固定对于易碎的陶瓷器物,需要采取稳定的固定措施,以防止在烧制过程中发生移动或倒塌。
3.3 点火在进行隧道窑的烧制之前,需要点燃燃料,使其燃烧产生热量。
点火过程需要注意火势的适度,以免过热造成器物破损。
3.4 烧制烧制过程是隧道窑的核心环节,经过连续的高温烧制,使陶瓷器物得到完全烧结,达到预期的质量要求。
3.4.1 控温在烧制过程中,要注意控制窑温的升降速度和保持时间,以及不同区域的温度分布。
3.4.2 排烟燃烧产生的烟气需要通过排烟口排出,以保持窑内的良好通风环境。
3.5 冷却烧成的器物需要经过冷却过程,降低温度到适合处理的程度。
冷却过程需要缓慢进行,以免快速温差造成器物开裂。
景德镇陶瓷学院《窑炉课程设计》说明书题目:年产265万件9寸平盘隧道窑院(系):材料学院专业:0 8 热工(1)班姓名:陈亮华学号:200810610103指导老师:孙健2011年10月13日景德镇陶瓷学院《窑炉课程设计》说明书题目:年产265万件9寸平盘隧道窑院(系):材料学院专业: 08热工(1)班姓名:张韶磊学号: 200810610133指导教师:孙健20011年10月27日前言本次设计是设计年产265万件9寸平盘隧道窑。
经过此次设计,我对隧道窑有了进一步的了解,巩固了所学的有关隧道窑方面的知识。
在初步掌握了隧道窑结构的基础上,通过本次设计,使我对隧道窑认识更加全面。
设计任务书原始资料收集1、生产任务:年产量265万件9寸平盘2、产品的规格:0.220kg∕件3、工作日:330天∕年4、成品率:98﹪5、燃料的种类:焦炉煤气组成如下:6、坯体入窑水分:2.2%7、原料组成坯料的化学组成(%):8、烧成制度:周期19小时9、最高烧成温度:1310o C10、气氛制度:还原气氛11、窑具:SiC棚板、SiC支柱尺寸自定目录一:烧成制度的确定 (4)二:窑体主要尺寸的确定 (4)三:工作系统的安排 (6)四:窑体材料以及厚度的确定 (8)五:燃料燃烧计算 (8)六:物料平衡计算 (9)七:加热带热平衡计算 (10)八:冷却带热平衡计算 (14)九:排烟系统的设计计算 (17)十:后记 (19)十二:参考文献 (20)一:烧成制度的确定1.1 温度制度的确定根据制品的化学组成、形状、尺寸、线收缩率及其他一些性能要求,制订烧成制度如下:20℃—200℃ 2.5小时预热带氧化气氛200℃—800℃ 2.5小时预热带氧化气氛800℃—1050℃ 1小时预热带氧化气氛1050℃—1310℃ 4小时烧成带还原气氛1310℃—1310℃ 1小时保温阶段1310℃—800℃ 2小时冷却带800℃—60℃ 6小时冷却带烧成周期:21小时1.2 烧成曲线图如下:二:窑体主要尺寸的确定2.1、窑内宽的确定2.1.1、坯体规格因此坯体规格:255×25=6375mm22.1.2、装车方法的确定:(车上棚板的放置方法)沿车的长度方向装5行棚板,每个棚板的间距为10mm,与棚板车边间距为20mm。
洛阳理工学院《隧道窑课程设计》说明书题目:年产30万件蹲便器隧道窑设计学号:B07010221姓名:李志博院(系):材料科学与工程学院专业:无机非金属材料工程指导教师:钱跃进目录1 前言 (1)2 设计任务与原始资料 (4)3 窑体主要尺寸的确定 (5)3.1 装车方法…………………………………………………………………………3.2 窑车尺寸的确定…………………………………………………………………3.3 窑主要尺寸的确定…………………………………………………………………3.4 各带长度的确定3.5 推车时间4 烧成制度的确定…………………………………………………………………………5 工作系统的确定…………………………………………………………………………5.1燃烧系统…………………………………………………………………………5.2排烟系统…………………………………………………………………………5.3其他附属系统结构……………………………………………………………………5.3.1 事故处理孔…………………………………………………………………5.3.2 测温测压孔及观察孔………………………………………………………5.3.3 膨胀缝………………………………………………………………………5.3.4 挡墙…………………………………………………………………………5.3.5 窑体加固钢架结构形式……………………………………………………6 燃料及燃烧计算……………………………………………………………………………6.1 空气量的计算……………………………………………………………………6.2 烟气量的计算……………………………………………………………………6.3 理论燃烧温度的计算………………………………………………………………7 窑体材料及厚度的确定……………………………………………………………………8热平衡计算…………………………………………………………………………………8.1 预热带及烧成带热平衡计算…………………………………………………8.1.1 热平衡计算基准及范围………………………………………………………8.1.2 热平衡框图……………………………………………………………………8.1.3 热收入项目……………………………………………………………………8.1.4 热支出项目……………………………………………………………………8.1.5 列出热平衡方程式……………………………………………………………8.1.6 列出预热带烧成带热平衡表…………………………………………………9 冷却带热平衡………………………………………………………………………………9.2.1 热平衡计算基准及范围………………………………………………………9.2.2 热平衡框图……………………………………………………………………9.2.3 热收入项目……………………………………………………………………9.2.4 热支出项目……………………………………………………………………9.2.5 列出热平衡方程式……………………………………………………………9.2.6 列出冷却带热平衡表…………………………………………………………10 烧嘴的选用…………………………………………………………………………………11总结…………………………………………………………………………………………12参考文献……………………………………………………………………………………二设计任务与原始资料2.1 课程设计的目的与任务本课程的目的是对学生学习《陶瓷工业热工设备》课程的最后总结,学生通过课程设计将能综合运用和巩固所学知识,并学会如何将理论知识和生产实践相结合,去研究解决实际中的工程技术问题,本设计的任务主要是培养学生设计与绘图的基本技能,初步掌握窑炉设计的程序、过程与内容。
贵州省忠庄监狱砖厂100. 4米隧道窑设计说明书设计:_____________校核:_____________审定:_____________设总:_____________贵州省建筑材料科学研究设计院二OOO年九月一、概述二、基本结构及工作原理1 •基本结构2.隧道窑主要结构名称3 .工作原理4.热工制度5.隧道窑操作注意事项6.主要技术性能三、施工要求1 .总则2.施工程序3.技术要求4.施工检查及验收程序四、烘窑1 .目的2.烘窑制度—、概述隧道窑是烧结砖瓦厂先进的连续式焙烧设备,与其它焙烧设备相比,具有热利用率高、装卸砖坯和成品易于实现机械化、产量高、劳动强度低、工作环境好等特点。
木隧道窑是我院针对贵州省忠庄监狱砖厂建设规模、原料性能及工艺要求而设计的一次码烧隧道窑,码坯层数14层。
成型砖坯码装窑车后,经干燥窑干燥,入隧道窑干坯含水率应小于8%。
木窑以煤为燃料,对煤质无特殊要求。
并可在砖坯中掺入粉煤灰、炉渣或煤砰石为内燃料,以节约用煤。
本窑可用于焙烧以粘土、页岩、煤砰石为原料的实心砖及空心砖。
在施工和点火之前,施工人员和操作人员应仔细阅读本说明书, 熟悉热工系统原理,严格按照设计要求进行施工和操作,以保证施工质量和隧道窑正常运转。
二、基本结构及工作原理1.基木结构本窑为双孔(工作道)隧道窑。
窑全长100. 4米,采用2510X 3140窑车,单工作道容车数40辆。
窑工作道断面宽度3米,有效高度(从窑车而算起)1.833米。
窑拱采用三心拱结构,中部60度拱半径2200,两侧60度拱半径800。
外窑墙为斜窑墙,斜度1:0.38。
全窑沿窑长度分为三个热工带,预热带长39.2米,16个车位,焙烧带长27. 9米,11个车位,冷却带长33. 3米,13个车位。
使用时可根据实际情况适当调整各带比例。
木窑每工作道设哈风闸8对,交错排列;余热闸2对,对称排列;余热空腔6个;投煤孔39排,117个;车底平衡风机1台;加砂管10对;进车端窑门1扇。
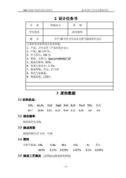
2 设计任务书专业热能动力班级学生姓名指导教师题目年产30万件卫生洁具天然气隧道窑炉设计主要研究内容和设计技术参数:1、产品:卫生洁具(产品结构自定);2、产量:30万件/年;3、年工作日:330天;4、燃料:天然气;Qnet,ar=36000KJ/ M35、烧成合格率:92%;6、坯体入窑水分:2.2%;7、烧成周期:自定;17小时8、氧化气氛烧成;9、烧成温度:1220℃。
3 原始数据3.1坯料组成:SiO2AL2O3CaO MgO FeO K2O Na2O TiO2灼失65.7 20.04 0.32 0.23 0.34 3.12 0.20 4.9 4.8 3.2 线收缩率线收缩率为11%3.3 烧成周期烧成周期为17小时,可调3.4 燃料天然气组成:CH4C2H6H2S CO2N2 其它86.8% 0.11% 0.879% 4.437% 8.1% 0.343% 3.5 烧成工艺确定(见图(3-1)烧成温度曲线)20 ~450℃ 2.3 小时预热带450~600℃ 1.3 小时预热带600~900℃ 1.8 小时预热带900~1220℃ 2.6 小时烧成带1220~1220℃ 1.5 小时烧成带1220~800℃ 1.6 小时急却带800~500℃ 3.0 小时缓却带500~350℃ 1.4 小时冷却带350~80℃ 1.5 小时冷却带图3-1烧成温度曲线4 窑体主要尺寸的确定4.1 棚板和立柱的选用根据原始数据,采用裸烧方式即可满足要求,选用棚板的材料是堇青莫来石板,立柱的采用的是堇青莫来石空心立柱,其体积密度为2.0 g/cm3。
棚板尺寸:690×450×38 mm支 柱: 85×85×500mm 横 梁: 950×30×30mm 支 帽: 105×105×27mm4.2窑长及各带长4.2.1 装车方法在窑车的长度方向上设置2块棚板,宽度方向上设置7块棚板。
隧道窑课程设计说明书《无机非金属材料》课程设计学生姓名:学号: *********专业班级:材料10级(4)班指导教师:二○一三年九月四日目录一、前言..................................................... - 1 -二、设计任务和原始数据........................................ - 2 -2.1设计任务............................................ - 2 -2.2课程设计原始数据.................................... - 2 -三、窑体主要尺寸的确定........................................ - 3 -3.1隧道窑容积的计算.................................... - 3 -3.2隧道窑内高、内宽、长度及各带长度计算 ................ - 3 -四、工作系统的安排............................................ - 5 -4.1预热带工作系统...................................... - 5 -4.2烧成带工作系统...................................... - 6 -4.3冷却带工作系统...................................... - 6 -五、窑体材料以及厚度的确定.................................... - 7 -六、燃料燃烧计算.............................................. - 8 -6.1燃烧所需空气量计算.................................. - 8 -6.2燃烧产生烟气量计算.................................. - 8 -6.3燃烧温度计算........................................ - 8 -七、预热带和烧成带热平衡计算................................. - 11 -7.1热平衡计算基准及范围............................... - 11 -7.2预热、烧成带热收入项目:........................... - 11 -7.3预热、烧成带热支出项目:............................ - 14 -7.4预热、烧成带平衡热计算............................. - 15 -7.5预热、烧成带热平衡表............................... - 15 -八、冷却带热平衡计算......................................... - 16 -8.1冷却带热收入项目:................................. - 16 -8.2冷却带热支出项目:................................. - 16 -8.4冷却带热平衡表..................................... - 18 -九、选用烧嘴及燃烧室计算..................................... - 18 -十、排烟系统的计算及排烟机的选型 ............................. - 19 -10.1排烟系统的设计.................................... - 19 -10.2 阻力计算 ........................................ - 20 -10.3 风机选型 ........................................ - 22 - 十一、结束语................................................. - 24 - 十二、参考文献............................................... - 24 -一、前言隧道窑始于1765年,当时只能烧陶瓷的釉上彩,到了1810年,有可以用来烧砖或陶器的,从1906年起,才用来烧瓷胎。
隧道窑窑炉设计说明书在现代工业制造过程中,隧道窑窑炉是一个重要的工具。
本文将介绍隧道窑窑炉的设计说明书。
一、概述隧道窑窑炉是一种用于干燥和烧制陶瓷、石材、砖块等建筑材料的特殊设备。
它通常由若干个单元组成,单元之间相互连接,形成一个长隧道,因此得名。
二、设计要求1. 燃烧效率高:采用高效节能燃烧器,使燃烧效率高,减少能源消耗。
2. 温度控制精确:采用温度控制系统,实现精确的温度控制,保证产品质量。
3. 操作便捷:控制系统简单易用,方便操作。
4. 安全可靠:采用高强度、耐高温材料,避免炉体爆炸或漏气等安全问题。
5. 低噪音:减少噪音污染,避免对周边环境和人群的影响。
三、设计原理1. 结构设计:采用模块化设计,方便装配和维护。
2. 材料选择:炉体采用高纯度耐火材料,保证耐火度高,不易开裂变形。
3. 燃烧器设计:采用预混合式燃烧器,使燃烧效率高,广泛适用于各种燃气和液体燃料。
4. 温度控制系统:采用智能温度控制系统,控制精确可靠,满足各种加热控制需求。
5. 热风循环系统:采用科学的热风循环系统,使热量均匀分布,保证产品烧制质量。
四、设计参数炉长:100m炉温:1300℃燃气压力:0.4MPa燃气消耗:560m³/h热风循环风量:20000m³/h风压:500Pa五、设计优势1. 生产效率高,可快速完成瓷石砖等材料的大批量生产。
2. 操作简便,操作人员可在控制室完成所有操作。
3. 温度控制精准,保证了产品烧制质量。
4. 燃烧效率高,节能环保。
5. 安全可靠,采用耐高温材料,防爆防漏。
综上所述,隧道窑窑炉作为一种特殊的陶瓷窑炉,其设计要求和原理高度依赖技术实力和专业知识。
设计者应当认真研究建筑材料的特性,并结合生产实际和环保要求,创造出高效、安全、环保的设计方案。
景德镇陶瓷学院《窑炉课程设计》说明书题目:年产330万件8寸汤盘隧道窑院(系):材料科学与工程学院专业:10热工(1)班姓名:赵双阳学号:201010610109指导教师:周露亮二○一三年10 月20 日目录一:烧成制度的确定 (3)二:窑体主要尺寸的确定 (3)三:工作系统的确定 (5)四:窑体材料以及厚度的确定 (6)五:燃料燃烧计算 (7)六:物料平衡计算 (8)七:预热带加热带热平衡计算 (9)八:冷却带热平衡计算 (13)九:窑体材料概算 (16)十:参考文献 (18)十一:后记 (18)一:烧成制度的确定1.1 温度制度的确定根据制品的化学组成、形状、尺寸、线收缩率及其他一些性能要求,制订烧成制度如下:20℃—200℃ 2小时预热带氧化气氛200℃—800 2小时预热带氧化气氛800℃—1050℃ 2小时预热带氧化气氛1050℃—1290℃ 3小时烧成带氧化气氛1290℃—1290℃ 2小时保温阶段1290℃—800℃ 2小时冷却带800℃—60℃ 5小时冷却带烧成周期:18小时1.2 烧成曲线图如下:二:窑体主要尺寸的确定2.1、窑内宽的确定2.1.1、坯体规格因每件坯体尺寸为Φ200×40,取收缩率为8%,胚体尺寸=产品尺寸÷(1-8%)经计算200÷(1-8%)=217.4mm ,选定棚板为515×515mm ,支柱40×40×55mm。
考虑到坯体较轻和分层放置,棚板厚度定为10mm。
棚板用SiC材料体积密度为3.22g/cm3综合考虑窑高和每车载件数,确定每块棚板装4个坯体,一层装6块棚板,沿长度方向和宽度方向分别为3块和2块,共装6层。
棚板间距20mm,棚板与横向车边距离30mm,与纵向车边距离30mm,则窑车长Le=515×3+20×2+30×2=1645mm,宽Be=515×2+30×2+20=1110mm,窑车与窑墙及窑顶间距为30mm,则窑内宽B=1110+30×2=1170mm。
设计说明一、总则本设计为单条年产3000万块煤矸石烧结砖生产线隧道窑施工图。
二、隧道窑结构窑顶:采用耐高温平吊顶结构,窑墙:高温部分从内到外依次为粘土耐火砖、轻质保温砖、硅酸铝毡保温层和红砖外墙;低温带均采用红砖砌体。
基础:要求地质条件均衡,地耐力≥150KPa,基层素土夯实,向上依次为灰土垫层,素混凝土垫层,钢筋砼条形基础。
三、隧道窑工作系统该隧道窑设有以下几个系统:排烟(低温烟气)系统、抽余热(高温烟气和冷却余热)系统、车底冷却(压力平衡)系统、温度(压力)测控系统、窑车及窑门运转系统。
四、隧道窑的主要技术参数1混合料的热值400~600x4.18KJ/Kg2 年产量3000万块(折普通砖)3 窑长144.35mx4.6mx1.30m4 窑内容车数33辆(有效容车数32辆)5 窑车尺寸4.35x4.66x0.846 每车装载量3744块(KP1砖)7 烧成合格率95%8 年工作日330天9 烧成温度1100°C10 烧成周期36小时11 进车间隔1.00小时五、附属设备1 排烟风机锅炉离心引风机Y4-73-12NO.16D 左90°1台风量64587m /h 压力985Pa 转速960r/min电动机Y225M-8 N=30KW2 窑门鼓冷风机轴流通风机T35-11N0.7.1A 3台风量23815m3 /h 压力300Pa 转速1450/min电动机TY100L1-4 N=3KW3 车下冷却风机轴流通风机T35-11N0.9A 1台风量35227m 3/h 压力263Pa 转速960r/min电动机YT132M1-6 N=4KW4 进车端门(4.6米窑专用) 1樘电动机XWD-4-1/35 N=1.1KW5 截止门(4.6米窑专用) 1樘电动机XWD-4-1/35 N=1.1KW6出车端门(4.6米窑专用) 1樘电动机XWD-4-1/35 N=1.1KW7 顶车机YDS50-1600 1台最大顶推力500KN 顶推速度55s/1.6m 电动机Y180L-4 N=22KW8 拉引机L YS-40 N=3KW 1台牵引力4000kgf 牵引速度0.1s/m电动机Y100L2-4 N=3KW9 钢梯T73A06-305(87J432)。
景德镇陶瓷学院课程设计说明书题目:年产400万件汤盘柴油隧道窑设计学号: 200910610208姓名:欧阳X院(系):材料科学与工程学院专业:热能与动力工程日期: 10.20-11.01目录1、前言 (1)2、烧成制度的确定 (2)2.1 温度制度的确定 (2)2.2 烧成曲线图 (2)3、窑体尺寸的计算 (3)3.1 窑车棚板和支柱的选用 (3)3.2 窑长和窑宽及窑车尺寸的确定 (3)4、工作系统的确定 (5)4.1预热带工作系统的确定 (5)4.2 烧成带工作系统布置 (5)4.3 冷却带工作系统布置 (5)5、窑体及工作系统的确定 (6)5.1窑体 (6)5.2钢架 (6)5.3窑墙 (6)5.5 测温、测压孔 (6)5.6 曲封、砂封和车封 (6)6、窑体材料及厚度的选择 (7)7、燃烧系统计算 (7)7.1助燃空气量计算 (7)7.2燃烧温度计算 (7)8、物料平衡计算 (9)8.1每小时烧成制品的质量 (9)8.2每小时入窑干坯质量 (9)8.3每小时入窑湿坯质量 (9)8.4每小时蒸发自由水质量 (9)CO的质量 (9)8.5每小时从精坯中产生28.6每小时从精坯中排除的结构水质量 (9)8.7每小时入窑窑具质量 (9)9、预热带及烧成带热平衡计算 (11)9.1热平衡计算基准及范围 (11)9.2 热平衡框图 (11)9.3 热收入项目 (12)9.4 热支出项目 (14)9.5 列出热平衡方程式 (18)9.6 列出预热带和烧成带热平衡表 (19)10、冷却带的平衡计算 (20)10.1确定热平衡计算的基准、范围 (20)10.2平衡框图 (20)10.3 热收入项目 (21)10.4 热支出项目 (21)10.5热平衡方程式 (24)10.6热平衡表 (24)11、管道尺寸、阻力计算 (25)11.1排烟系统的设计 (25)11.2阻力计算 (26)11.3排烟风量的计算 (27)11.4助燃风管道系统阻力计算及管路尺寸 (28)11.5燃料管的计算 (28)11.6急冷风管的计算 (29)11.7缓冷段抽热风管 (29)11.8封闭气幕管道尺寸计算 (29)11.9窑尾快冷段鼓入的冷风管尺寸计算 (29)11.10各段风机分选型 (30)12、烧嘴的选型 (30)13、工程材料的概算 (31)13.1窑体材料的概算 (31)13.2钢材概算 (33)14、后记 (33)15、参考文献 (34)1、前言陶瓷工业窑炉是陶瓷工业生产中最重要的工艺设备之一,对陶瓷产品的产量、质量以及成本起着关键性的作用。
烧结砖隧道窑设计说明书
一、烧结砖隧道窑概述
烧结砖隧道窑是采用添加烧结砖或石膏砖砌筑的发电厂烧结砖隧道烧房。
主要由炉膛、烧结砖墙壁、烧结砖顶部及烧结砖护坡组成,是发电厂锅炉烧结砖隧道烧房的一个重要组成部分。
烧结砖隧道窑的工作原理是:煤粉燃料由锅炉供料系统配送到烧结砖隧道窑内,由这里的烧结砖砌筑组织而成的炉膛火焰烧烤,煤粉在烧结砖炉膛中发生燃烧,产生蒸汽,蒸汽经汽轮机发电。
二、烧结砖隧道窑设计要求
1、烧结砖隧道窑设计时,应考虑以下因素:
(1)烧结砖砌体结构特性;
(2)烧结砖砌体的热惯性及火焰能力;
(3)烧结砖隧道窑的热荷载及温度分布;
(4)烧结砖隧道窑的火焰特性;
(5)烧结砖砌体的破损和失火状况;
2、烧结砖隧道窑的设计主要包括以下几个方面:
(1)烧结砖砌体设计:根据用途,确定炉膛的形式,设计烧结砖墙壁和烧结砖顶部,以及烧结砖护坡设计;
(2)烧结砖砌体材料挑选:挑选质量合格的烧结砖,确定好烧结砖墙壁、烧结砖顶部及烧结砖护坡材料。
目录1 设计任务书及原始资料 (1)1.1 景德镇陶瓷学院毕业设计(论文)任务书 (1)1.2 原始数据 (3)2 主要尺寸的确定 .................................................................................. 错误!未定义书签。
2.1 棚板和立柱的选用 .......................................................................................... 错误!未定义书签。
2.2 装车方法及窑车车面尺寸 .............................................................................. 错误!未定义书签。
2.3 窑长及各带长 .................................................................................................. 错误!未定义书签。
3 工作系统的确定 ................................................................................ 错误!未定义书签。
4 窑体材料的确定 (8)4.1窑墙 ................................................................................................................... 错误!未定义书签。
4.2 窑顶 .................................................................................................................. 错误!未定义书签。
山东大学窑炉设计说明书题目:设计一条年产卫生瓷5万大件的隧道窑学号:姓名:学院:材料科学与工程学院班级:指导教师:一、前言随着经济不断发展,人民生活水平的不断提高,陶瓷工业在人民生产、生活中都占有重要的地位。
陶瓷的发展与窑炉的改革密切相关,一定结构特点的窑炉烧出一定品质的陶瓷。
因此正确选择烧成窑炉是获得性能良好制品的关键。
陶瓷窑炉可分为两种:一种是间歇式窑炉,比如梭式窑;另一种是连续式窑炉,比如隧道窑。
隧道窑由于窑内温度场均匀,从而保证了产品质量,也为快烧提供了条件;而隧道窑中空、裸烧的方式使窑内传热速率与传热效率大,又保证了快烧的实现;而快烧又保证了产量,降低了能耗。
所以,隧道窑是当前陶瓷工业中优质、高产、低消耗的先进窑型,在我国已得到越来越广泛的应用。
烧成在陶瓷生产中是非常重要的一道工序。
烧成过程严重影响着产品的质量,与此同时,烧成也由窑炉的窑型决定。
在烧成过程中,温度控制是最重要的关键。
没有合理的烧成控制,产品质量和产量都会很低。
要想得到稳定的产品质量和提高产量,首先要有符合产品的烧成制度。
然后必须维持一定的窑内压力。
最后,必须要维持适当的气氛。
二、设计任务与原始资料1课程设计题目设计一条年产卫生陶瓷5万大件的隧道窑2课程设计原始资料(1)、年产量:5万大件/年;(2)、产品名称及规格:洗手盆,800*500*300,质量20Kg/件;(3)、年工作日:350天/年;(4)、成品率:90%;=15500KJ/Bm3;(5)、燃料种类:城市煤气,热值QD(6)、制品入窑水分:2.0%;(7)、烧成曲线:20~~970℃, 8h;970~~1280℃, 3h;1280℃,保温 1.5h;1280~~80℃, 12.5h;最高烧成温度1300℃,烧成周期25h。
3课程设计要求采用合理窑型,对窑体尺寸进行计算,确定窑炉工作系统,选择窑体材料并确定其厚度,对燃料燃烧、窑炉热平衡及排烟系统进行计算,确定燃料消耗量。
窑炉课程设计说明书目录一、原始数据 (2)二、窑体主要尺寸的确定 (3)三、工作系统的确定 (5)四、窑体材料及厚度的选择 (6)五、燃烧系统计算 (6)六、物料平衡计算 (7)七、预热带及烧成带的热平衡计算 (8)八、冷却带热平衡 (12)九、烧嘴的选择 (15)十、后记 (15)十一、参考文献 (15)一、原始数据1.1 设计题目:年产600万件10寸平盘隧道窑设计1.2 设计技术指标、参数:坯料的化学组成(%):产品的规格:平盘直径=238mm 高度=40mm单重: 0.35Kg每件坯体线收缩率 10%入窑水分:1.8%产品合格率:94%工作日:350天夏季最高气温:38 o C烧成制度:周期19小时最高烧成温度:1310o C气氛制度:还原气氛燃料:液化气Qnet=110 MJ/Nm3窑具:SiC棚板、SiC支柱1.3 温度制度的确定根据制品的化学组成、形状、尺寸、线收缩率及其他一些性能要求,制订烧成制度如下:20℃——500℃ 4小时预热带氧化气氛500℃——950℃ 2.5小时预热带氧化气氛950℃——1200℃ 2小时烧成带强还原气氛1200℃——1310℃ 1.5小时烧成带弱还原气氛1310℃保温1小时烧成带弱还原气氛1310℃——700℃ 2小时急冷带700℃——400℃ 4.5小时缓冷带400℃——80℃ 1.5小时快冷带1.4 窑型的选择窑车式明焰隧道窑,棚板裸烧。
二、窑体主要尺寸的确定2.1 坯体规格238/(1-10%)=264.44mm 40/(1-10%)=44.44mm因此坯体规格:264.44mm*44.44mm2.2 窑内宽的确定装车方法的确定:(车上棚板的放置方法)沿车的长度方向装3行棚板,每个棚板的间距为20mm,与棚板车边间距为20mm。
沿车的宽度方向装2行棚板,每个棚板的间距为40mm,棚板与车边间距为30mm。
棚板采用的规格为:530*530*12 mm支柱:40*40*50 mm窑车车面的尺寸:Le(长)=1650mm Be(宽)= 1160mm窑内宽=1160+20*2=1200mm2.3 窑内高尺寸的确定:1)窑内高度为:(50+12)*18+4=1120mm窑车高度的确定:轨面到窑车衬砖面的高度为700mm,为了避免火焰直接冲刷制品,窑车上设200mm 高的通道(由50mm厚的耐火粘土板及粘土砖组成)窑车的高度为:H(车)=700+50+200=950 mm取拱心角a=600,则窑车装载平面至拱脚高:为1120mm2)拱高f的计算:拱顶拱心角:a=60of=0.134*1200=160.8mmR=1048.57mm侧墙的总高度(轨面至拱脚):h=950+1120=2070mm则由窑车的台面到拱顶的高度为:h=1116+160.8=1280.8mm轨面至拱顶:H=950+1280.8=2230.8mm2.4 窑体有效长度的确定每块棚板制品装4件,则:装车密度Ge= 4*6*18=432件/车装窑密度:432/1.65=261.818件/米窑长=(生产任务*烧成时间/年工作日)/成品率*装窑密度=(5500000*19/350*24)/0.94*261.818=50.55m窑内容车数:n=L/1.65=31辆窑车的有效长度为:n*1.65=51.2m2.5 窑体各带长度的确定预热带长Ly=(预热时间/总烧成时间)*总长=6.5/19*51.2=17.5m烧成带长Ls=(烧成时间/总烧成时间)*总长=4.5/19*51.2=12.1m冷却带长Lv=(冷却时间/总烧成时间)*总长=8/19*51.2=21.6m2.6 窑体总长度的确定考虑到窑车的受热膨胀,冷却带应增加0.3m,设进车室2m,出车室2m.窑体总长为L=51.2+0.3+2+2=55.5m推车时间: 19*60/31=36.77(分/车)每小时推车数:60/36.77=1.631(车/小时)三、工作系统的确定3.1 排烟系统在预热带2到10设置9对排烟口,每车位一对。
成都理工大学窑炉设计说明书题目:设计一条年产卫生陶瓷10万大件的隧道窑学号: 200802040315姓名:赵礼学院:材料科学与工程学院班级: 08级材料(三)班指导教师:叶巧明刘菁目录一、前言·····················································································二、设计任务与原始资料·······································································三、烧成制度的确定···········································································四、窑体主要尺寸的确定·······································································五、工作系统的安排···········································································六、窑体材料以及厚度的确定···································································七、燃料燃烧计算·············································································八、加热带热平衡计算·········································································九、冷却带热平衡计算·········································································十、烧嘴的选用级燃烧室的计算·································································十一、烟道和管道计算,阻力计算和风机选型······················································十二、后记···················································································十三、参考文献···············································································一、前言随着经济不断发展,人民生活水平的不断提高,陶瓷工业在人民生产、生活中都占有重要的地位。