普通紧固件连接检验批质量验收记录(最新版)
- 格式:xlsx
- 大小:12.93 KB
- 文档页数:1
7107普通紧固件连接检验批质量验收记录一、项目背景随着工业的发展,紧固件的使用越来越广泛。
为了保证紧固件连接的质量和安全性,对紧固件连接的质量进行验收是十分重要的。
本文将详细记录一次普通紧固件连接检验批质量验收的过程和结果。
二、检验目的1.确保紧固件连接的质量和安全性;2.防止紧固件连接失效导致事故;3.发现和排除紧固件连接质量问题。
三、检验方法1.检验内容:(1)连接件的材料和表面处理;(2)紧固件的牙型尺寸和互换性;(3)紧固件的材料和硬度;(4)紧固件的强度和耐久性;(5)紧固件的螺栓预紧力。
2.检验设备:(1)显微镜;(2)硬度计;(3)拉力试验机;(4)螺纹量规。
四、检验过程1.检验前的准备工作:(1)获得检验样品和相应的技术文件;(2)根据技术文件要求,准备好必要的检验设备。
2.检验过程:(1)检查连接件的材料和表面处理是否符合要求。
使用显微镜对连接件进行观察,确认是否存在划痕、裂纹等表面缺陷,并使用硬度计对连接件进行硬度测试,确认硬度是否符合要求。
(2)检查紧固件的牙型尺寸和互换性。
使用螺纹量规对紧固件的螺纹进行测量,确认尺寸是否符合要求,并检查是否存在破损或变形等问题。
(3)检查紧固件的材料和硬度。
使用硬度计对紧固件进行硬度测试,确认硬度是否符合要求,并使用拉力试验机对紧固件进行拉力测试,检查其拉断强度是否符合要求。
(4)检查紧固件的强度和耐久性。
根据技术文件要求,选取部分紧固件进行强度和耐久性测试,确认其是否满足使用要求。
(5)检查紧固件的螺栓预紧力。
使用扭矩扳手对紧固件进行扭矩测试,确认扭矩是否符合要求。
五、检验结果根据以上检验过程,对检验样品的各个指标进行检测和评估,得到以下结果:1.连接件的材料和表面处理符合要求,无显著的缺陷。
2.紧固件的牙型尺寸和互换性符合要求,没有出现破损或变形。
3.紧固件的材料和硬度符合要求,硬度测试结果稳定。
4.紧固件的强度和耐久性符合要求,经过强度和耐久性测试后未出现破坏。
说 明
(Ⅰ)
GD2401064
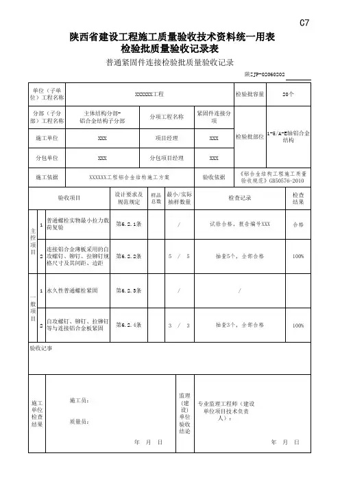
主控项目:
1. 普通螺栓、铆钉、自攻钉、拉铆钉、射钉、锚栓(机械型和化学试剂型)、地脚锚栓等紧固标准
件及螺母、垫圈等标准配件,其品种、规格、性能等应符合现行国家产品标准和设计要求。
检查产品质量合格证明文件、中文标志及检验报告。
全数检查。
2. 普通螺栓作为永久性连接螺栓时,当设计有要求或对其质量有疑义时,应进行螺栓实物最小拉力 荷载复验,试验方法见本规范附录B,其结果应符合《紧固件机械性能螺栓、螺钉和螺柱》GB 3098 的规定。
检查数量:每一规格螺栓抽查8个。
检验方法:检查螺栓实物复验报告。
3. 连接薄钢板采用的自攻钉、拉铆钉、射钉等其规格尺寸应与被连接钢板相匹配,其间距、边距等应 符合设计要求。
检查数量:按连接节点数抽查1﹪,且不应于3个。
检验方法:观察和尺量检查。
一般项目:
1. 永久性普通螺栓紧固应牢固、可靠,外露丝扣不少于2扣。
检查数量:按连接节点数抽查10﹪,且不应少于3个。
检验方法:观察和用小锤敲击检查。
2. 自攻螺钉、钢拉铆钉、射钉等与连接钢板紧固密贴,外观排列整齐。
检查数量:按连接节点数抽查10﹪,且不应少于3个。
检验方法:观察或用小锤敲击检查。
钢结构(普通紧固件连接)分项工程检验批质量验收记录一、检验项目序号检验项目检验标准验收标准1 钢结构件尺寸工程图纸公差控制在设计要求范围内2 焊缝外观质量JB/T7940-1999 表面平整、无裂纹、夹渣、气孔等质量缺陷3 紧固件连接GB/T3098.1-2000无松动、脱落、锈蚀等情况4 钢结构件防腐处理GB/T8923-1988 涂层平整、无缺陷、质量达到设计要求二、检验部位本次检验的钢结构(普通紧固件连接)分项工程主要包括以下部位:1.支架梁2.制板支架3.地板支架4.屋面支架三、检验方法本次钢结构(普通紧固件连接)分项工程检查根据相应的验收标准要求执行,主要检查项包括钢结构件尺寸、表面质量、螺栓紧固是否达到要求、涂层表面质量及防腐处理质量等。
检验时采用目测和测量两种方式进行,对表面质量、螺栓紧固等点位进行逐一检查,夹具锤等工具使用要求检验人员熟练操作。
四、检验结果序号检验项目检验标准实测值验收标准1 钢结构件尺寸工程图纸长度误差:±5mm 公差控制在设计要求范围内合格2 焊缝外观质量JB/T7940-1999表面平整、无裂纹、夹渣、气孔等质量缺陷无缺陷合格3 紧固件连接GB/T3098.1-2000无松动、脱落、锈蚀等情况所有紧固件连接良好合格4 钢结构件防腐处理GB/T8923-1988涂层平整、无缺陷、质量达到设计要求涂层表面平整、无划痕、起皮等合格五、检验经检验,本次钢结构(普通紧固件连接)分项工程检验合格,符合设计规范、施工标准及相关要求。
同时,建议提高施工过程中的品质管理及工艺水平,切实做好钢结构分项工程的施工质量控制和管理工作,确保施工过程中的安全和质量,保证工程的长期稳定运行。
Q/GDW 1183—2012普通紧固件连接检验批质量验收记录编号:表83单位(子单位) 工程名称110千伏钟观输变电站工程生产综合楼分部(子分部)工程名称主体结构/钢结构分项工程名称钢零部件加工验收部位一层钢结构主体施工单位潍坊建壮建筑安装工程有限公司项目经理李瑞鹏施工执行标准名称及编号《110kV-1000kV变电(换流)站土建工程施工质量验收及评定规程》(Q/GDW1183-2012)专业工长(施工员)李由俊分包单位山东电力工程咨询院有限公司分包项目经理李治国类别序号检查项目质量标准单位施工单位自检记录监理(建设)单位收记录主控项目1钢结构连接用材料的品种、规格、性能等☆应符合现行国家产品标准和设计要求符合要求2普通螺栓最小拉力载荷复验普通螺栓作为永久性连接螺栓时,当设计有要求或对其质量有疑义时,螺栓实物最小拉力载荷复验应符合现行国家标准的规定符合要求3连接薄钢板采用的自攻螺、拉铆钉、射钉等规格尺寸、间距、边距连接薄钢板采用的自攻螺、拉铆钉、射钉等其规格尺寸应与连接钢板相匹配,其间距、边距等应符合设计要求符合要求一般项目1 螺栓紧固螺栓紧固应牢固、可靠、外露丝扣不应少于2扣符合要求2自攻螺栓、拉铆钉、射钉等与连接钢板应紧固密贴,外观排列整齐符合要求施工单位检查结果班组长:项目专业质量检查员:项目专业技术负责人:年月日总承包单位验收结论专业工程师:年月日监理(建设)单位验收结论专业监理工程师:(建设单位项目专业技术负责人) 年月日。
普通紧固件连接工程检验批质量验收记录一、工程概况项目名称:普通紧固件连接工程工程编号:工程地点:建设单位:施工单位:监理单位:验收单位:竣工时间:二、工程内容三、质量验收标准1.施工符合相关国家、行业规范和建设图纸要求;2.所使用的紧固件必须符合国家标准或行业标准;3.连接件的材料质量符合设计要求,无裂纹、气泡和其他明显缺陷;4.连接件的安装工艺符合技术要求,无间隙和松动现象;5.连接件的预紧力达到规定要求;6.紧固件的防腐蚀措施符合要求。
四、质量验收内容1.施工质量验收1.1进场材料验收:对所使用的紧固件按照国家标准或行业标准进行抽样检测,同时检查材料的包装是否完好,是否有相关检测报告;1.2施工前的准备工作:对施工图纸、现场施工方案进行审核,确保施工方案与设计要求一致;1.3施工过程的质量控制:对施工现场进行巡视,确保施工过程中的安全和质量;1.4施工完工时的验收:对施工完成的紧固件连接进行全面检查,并逐一记录检查结果;2.紧固件质量验收2.1材料质量验收:对紧固件的材料进行全面检查,检查材料的锈蚀情况、表面光洁度和尺寸精确度等;2.2紧固件的预装工艺:对紧固件的预装工艺进行检查,确保预装工艺符合要求;2.3实际连接效果验收:对紧固件实际连接效果进行检查,包括预紧力是否达到要求、连接是否紧固等;2.4防腐蚀措施验收:对紧固件的防腐蚀措施进行检查,确保防腐蚀措施符合要求;五、质量验收结果经过对普通紧固件连接工程的质量验收,结果如下:1.施工质量验收结果:(1)进场材料验收合格;(2)施工前的准备工作符合要求;(3)施工过程的质量控制得到有效执行;(4)施工完工时的验收合格。
2.紧固件质量验收结果:(1)材料质量验收合格;(2)紧固件的预装工艺符合要求;(3)实际连接效果验收合格;(4)防腐蚀措施验收合格。
六、质量问题和整改意见1.截至目前,暂未发现普通紧固件连接工程存在质量问题。
七、质量验收结论核查合格,检验批普通紧固件连接工程质量符合相关国家、行业规范和建设图纸要求。