c2数据类型
- 格式:pps
- 大小:798.00 KB
- 文档页数:3
第二章 VFP的数据表达式一、数据类型1.字符型字符型(Character,C型)通常用于储存文本信息,由字母、汉字、空格、数字、符号和标点等字符组成,宽度不能超过254字节。
若超过254字节,则请改用备注型。
例如:“abc”,“计算机”,“123”,“ID18”等。
2.货币型货币型(Currency,Y型)这种类型是专为货币数据设计的数据类型,表示方法是在数字前加一个$符号。
最多只能保留到小数点后4位,超过四位则会自动四舍五入:少于四位则会自动补零。
占8个字节的空间。
例如:money=$980.45678。
3.数值型数值型(Numeric,N型)用于表示数量,由数字0~9、+或-,以及小数点组成。
数值型数据占8个字节,长度为1~20个字节。
VFP中文版采用十进制和十六进制两种格式。
例如:98.66,0xff(前面加0x表示十六进制)。
数值型数据可采用科学计数法,如“3E2”代表“3×102”,“10e-2”代表“10×10-2”。
4.整型整型(Integer,I型)用于存储不含小数部分的数值。
是一种较小的数据类型,整数型占有内存空间4个字节。
5.浮点型浮点型(Float,F型)等价于数值型类型。
VFP出于兼容性的考虑设置了这个数据类型。
6.日期型日期型(Date,D型)用于存储日期数据。
由年、月、日三部分组成,存储格式为“YYYYMMDD”。
表示范围为{^0001/01/01}到{^9999/12/31},即公元0001年1月1日到公元9999年12月31日。
其中“^”符号表示此日期格式严格遵循YMD(year,month,day)的格式,使用日期型数据时应用大括号{}括起来。
日期型数据存储长度为8个字节。
例如:mydate={^2006/10/12}表示日期是2006年10月12日,而不是2006年12月10日。
7.时间日期型时间日期型(Date Time,T型)用于记录日期时间的数据。
c语言数据类型的分类C语言中的数据类型主要可以分为以下几类:1. 基本数据类型:基本数据类型是C语言中最基础的数据类型,用于表示简单的数据。
它们包括整型、浮点型、字符型和布尔型。
整型用于表示整数,可以分为有符号整型和无符号整型,如int和unsigned int。
浮点型用于表示带有小数部分的数值,可以分为单精度浮点型和双精度浮点型,如float和double。
字符型用于表示单个字符,如char。
布尔型用于表示逻辑值,只能取true或false。
2. 数组类型:数组是一种可以容纳多个相同类型元素的数据结构。
它们在内存中连续存储,并通过索引来访问每个元素。
数组可以是一维的,如int numbers[10],也可以是多维的,如int matrix[3][3]。
数组在声明时需要指定元素的类型和大小。
3. 指针类型:指针是C语言中非常重要的概念,它用于存储变量的内存地址。
指针类型是一种特殊的数据类型,它可以指向其他类型的数据。
通过指针,可以间接访问和修改指针指向的变量。
指针的声明需要指定指向的数据类型,如int *ptr。
指针在C语言中经常用于动态内存分配、访问数组和函数指针等场景。
4. 结构体类型:结构体是一种用户自定义的数据类型,可以包含多个不同类型的成员变量。
通过结构体,可以将相关的数据组织在一起,形成一个逻辑上的整体。
结构体的声明需要定义其成员变量的类型和名称,如struct student {char name[20]; int age;}。
结构体可以嵌套使用,也可以通过点操作符访问其成员变量。
5. 枚举类型:枚举类型用于定义一组具有离散取值的常量。
通过枚举,可以将一组相关的常量进行命名和分类。
枚举类型的定义形式为enum,如enum color {RED, GREEN, BLUE}。
在枚举类型中,每个常量都有一个对应的整数值,默认从0开始递增。
6. 联合类型:联合类型是一种特殊的数据类型,可以在相同的内存位置存储不同的数据类型。
一个完整的程序,常常要求具备输入输出功能。
C语言程序的输入输出功能是通过调用系统提供的标准函数(库函数)实现的。
格式化输入输出函数格式化输入输出函数按指定的格式完成输入输出过程。
1.输出函数printfprintf(格式控制串,输出表) 按照给定的输出格式、向标准输出设备输出信息输出项如printf("v=%f\n",a);其中"v=%f \n"是给定的格式控制串,而a是输出项,它们之间用逗号分隔。
格式控制串中用%打头后面跟一个字母的部分称为格式说明符,它规定了输出项的输出格式。
常用的格式说明符及其意义如下所示:%d 十进制整数(正数不输出符号)%f 浮点小数(实数)%x 十六进制整数%c 单一字符%s 字符串格式控制串:包含两种信息格式说明符:%格式字符,用于指定输出项输出格式,而是用一个具体的值代替输出普通字符或转义字符:原样输出上述的printf(),是把输出项a的值按%f规定的浮点小数形式显示出来,格式控制串中除转换说明符以外的其它字符都原封不动地输出到标准输出设备使用printf()函数可以有一个以上的输出项,这时格式控制串中的格式说明符与输出项的个数必须相同。
它们按各自的先后顺序一一对应例1 printf函数举例void main(){int a, b; //int是整型数据类型名定义2个整型变量a=10;b=25;printf("a=%d b=%d\n", a, b);printf("a+b=%d\n a-b=%d\n", a+b,a-b);}从上例中可以看出格式说明符不仅规定了输出格式,而且也决定了输出项的值在整个输出信息中的位置。
例如输出项a的输出位置就是格式控制串中与它对应的格式说明符的位置,即a=后面的%d的位置。
此外,从上面也可以看出,输出项可以是运算表达式,这时输出的是它的运算结果值2、输入函数scanfscanf(“格式控制串”,输入表) 从标准输入设备输入数据例如scanf("%d%d", &r,&h); //&取地址操作符格式控制串中一般只使用格式说明符,常用的格式说明符与前面printf函数中介绍的相同。
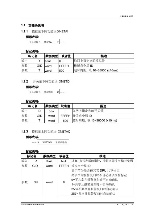
1.1 功能码说明1.1.1 模拟量下网功能块XNETAI1.1.2开关量下网功能块 XNETDI图形表示:1.1.3 模拟量上网功能块 XNETAO─→标记说明:1.1.4 开关量上网功能块 XNETDO图形表示:─→补偿点─→1.1.5 开关量输入功能块XDI1.1.6 模拟量输出功能块XAO─→1.1.7 开关量输出功能块XDO─→1.1.8 脉冲量输入功能块XPI─→1.1.9 页间模拟量输入功能块XPgAI1.1.10 页间开关量输入功能块XPgDI图形表示:1.1.11 页间模拟量输出功能块XPgAO─→标记说明:1.1.12 页间开关量输出功能块XPgDO─→1.1.13 加法器ADD─→Y=k1X1+k2X2+C─→1.1.14 乘法器MUL─→─→1.1.15 除法器DIV图形表示:─→Y=(k1X1+C1)/(k2X2+C2)─→1.1.16 开方器SQRT─→Y=(k*X+C)1/21.1.17 取绝对值ABS─→1.1.18 五次多项式POLYNOM─→1.1.19 8输入数学统计器SUM8─→…─→1.1.20 12段函数变换F(X)─→Y=F(X)1.1.21 指数/对数函数/求模POW/LOG/MOD─→Y─→标记说明:1.1.22 超前滞后模块LEADLAG─→─→─→1.1.23 滞后模块DELAY─→─→─→1.1.24 微分模块DIFF─→─→1.1.25 时域统计模块TSUM─→─→→1.1.26 二选一选择器TWOSEL─→输出值─→1.1.27 三选一选择器THRSEL─→输出值─→─→1.1.28 无扰切换模块SFT─→─→─→─→─→1.1.29 高低限幅器HLLMT图形描述:输入─→输出上限─→下限─→1.1.30 高低限报警HLALM图形描述:输入─→上限─→下限─→1.1.31 速率限制器RATLMT图形描述:输入─→输出正向速率限值─→负向速率限值─→1.1.32 速率报警器RATALM图形描述:输入─→正向速率限值─→负向速率限值─→1.1.33 偏差运算DEV─→偏差输出─→偏差越报警─→偏差越上限报警─→偏差越下限报限1.1.34 PID运算EPID图形描述:─→─→─→─→─→─→─→─→─→─→1.1.35 2输出平衡模块BALANCE2─→─→─→─→─→─→─→─→1.1.36 八输入平衡模块BALANCE8图形描述:输入─→输入─→A/M(A=0, M=1)输入─→反馈─→跟踪开关─→......反馈─→跟踪开关─→1.1.37 2输入与AND─→D=Z1∧Z2─→1.1.38 2输入或OR─→D=Z1∨Z2─→1.1.39 反相器NOT─→ D =.NOT. Z1.1.40 异或器XOR图形描述:─→ D = Z1.XOR.Z2─→1.1.41 8输入数量或QOR8─→→…─→1.1.42 RS触发器─→─→算法描述:真值关系如下:1.1.43 定时器TIMER─→─→─→1.1.44 计数器CNT─→─→1.1.45 模拟比较器CMP─→比较结果输出值─→1.1.46 步序控制器STEP─→─→─→→─→─→......─→─→─→1.1.47 软件脉冲列输出模块SPO─→1.1.48 开关首出序号指示FIRST图形描述:1#开关输入─→2#开关输入─→3#开关输入─→4#开关输入─→Qor16输出5#开关输入─→6#开关输入─→7#开关输入─→8#开关输入─→9#开关输入10#开关输入11#开关输入12#开关输入13#开关输入14#开关输入15#开关输入16#开关输入复位─→1.1.49 键盘模拟量增减KBML图形描述:跟踪量─→跟踪开入─→输出上限─→输出下限─→1.1.50 数字手操器DEVICE─→─→─→─→─→─→─→─→─→─→─→─→─→1.1.51 简单数字手操器D/MA图形描述:跟踪点─→跟踪切换开关─→1.1.52 模拟软手操器S/MA图形描述:M/A站输入─→M/A站输出,带上下限跟踪量─→设定值输出跟踪开入─→状态输出(0-自动,1-手动)切手动开入─→当前偏置投自动开入─→SP上限─→SP下限─→输出上限─→输出下限─→输出速率限值─→偏置输入─→。
字符型数据是什么意思怎么理解字符型character数据是不具计算能力的文字数据类型,用字母c表示。
它包括中文字符、英文字符、数字字符和其他ASC II字符。
它的长度,即字符数,从0到254个字符不等。
字符型数据是用单引号括起来的一个字符。
例如:“a”、“b”、“=”、“+”、“?”都是合法字符型数据。
在C语言中,字符数据具有以下特征:字符型数据只能用单引号括起来,不能用双引号或其它括号。
字符型数据只能是单个字符,不能是字符串。
字符可以是字符集中任意字符。
但数字被定义为字符型之后就不能参与数值运算。
如'5'和5是不同的。
'5'是字符型数据,不能参与运算。
转义字符转义字符是一种特殊的字符。
转义字符以反斜线"\"开头,后跟一个或几个字符。
转义字符具有特定的含义,不同于字符原有的意义,故称“转义”字符。
例如,在前面各示例中printf函数的格式串中用到的“\n”就是一个转义字符,其意义是“回车换行”。
转义字符主要用来表示那些用一般字符不便于表示的控制代码。
广义地说,C语言字符集中的任何字符都可以用转义字符来表示。
表中的\DDD和\xhh 就是为了这个目的而提出的。
DDD和HH分别是八进制和十六进制的ASCII码。
例如,\101代表字母“a”、\102代表字母“B”、\134代表反斜杠、\xoa代表换行符等。
字符常量是指用一对单引号括起来的一个字符。
如‘a’,‘9’,‘!’。
字符常量中的单引号只起定界作用并不表示字符本身。
单引号中的字符不能是单引号’和反斜杠\,它们特有的表示法在转义字符中介绍。
在CC语言中,字符根据其相应的ASCII码值存储。
一个字符占用一个字节。
例如:字符ASCII码值十进制!33048149957a65b66a97b98注意字符'9'和数字9的区别,前者是字符常量,后者是整型常量,它们的含义和在计算机中的存储方式都截然不同。
二、填空题1 、C语言中对文件读写之前必须先打开文件,文件的打开是通过调用 ________ 函数来实现。
答案: 1: fopen#fopen()#fopen ()知识点:知识点/基本理论/C11文件/C11_2文件函数2 、C语言中文件操作结束节后,必须关闭文件。
而且关闭文件是通过调用 __________ 函数来实现。
答案: 1: fclose#fclose()#fclose ()知识点:知识点/基本理论/C11文件/C11_2文件函数3、字符串函数________用于从指定的磁盘文件中读出一个字符串。
答案: 1: fgets#fgets()知识点:知识点/基本理论/C11文件/C11_2文件函数4、字符串函数___________用于把一个字符串写入指定的磁盘文件中。
答案: 1: fputs#fputs()知识点:知识点/基本理论/C11文件/C11_2文件函数5、字符读写函数____________ 是用于从磁盘文件中读出一个字符。
答案: 1: fgetc#fgetc()#getc#getc()知识点:知识点/基本理论/C11文件/C11_2文件函数6、字符读写函数____________ 是用于把一个字符写入磁盘文件。
答案: 1: fputc#fputc()#putc#putc()知识点:知识点/基本理论/C11文件/C11_2文件函数7、共用体类型变量的定义关键字是 ________ 。
答案: 1: union知识点:知识点/基本理论/C10共用体与枚举类型8、定义枚举类型时采用的关键字是 __________。
答案: 1: enum知识点:知识点/基本理论/C10共用体与枚举类型9、在C语言中,从参数的形式看,函数可以分为两类:无参函数和 ____________ 函数。
答案: 1:有参知识点:知识点/基本理论/C6函数与编译预处理/C62函数分类、调用及返回值T10、在C语言中,函数的返回值是由 ___________语句传递的。
数据分析系统基础数据获取方案目录1概述 (1)2接口介绍 (2)2.1流程描述 (2)2.2SOAP消息定义 (2)2.3XML文件规范 (4)2.3.1概述 (4)2.3.2ADI定义 (5)2.3.3OBJECTS定义 (5)2.3.4PROGRAM定义 (6)2.3.5MOVIE定义 (8)2.3.6HTMLCONTENT定义 (10)2.3.7CHANNEL定义 (10)2.3.8PHYSICALCHANNEL定义 (12)2.3.9SCHEDULE定义 (13)2.3.10PICTURE定义 (15)2.3.11CATEGORY定义 (15)2.3.12SERIES定义 (16)2.3.13PACKAGE定义 (18)2.3.14MAPPINGS定义 (20)2.3.15REPLY定义 (23)3数据转换 (24)4历史数据 (25)1概述我方的数据分析系统由于无法主动获取基础数据,例如点播栏目信息、直播节目单等。
因此,造成了数据分析系统无基础数据可用,影响了分析结果的展现。
为了解决此问题,我方数据分析系统按照C2接口规范封装数据获取接口,模拟LSP采用SOAP协议+XML指令文件的方式获取基础数据信息。
2接口介绍2.1流程描述数据获取接口采用SOAP协议+XML指令文档的方式。
其中,SOAP消息是与具体指令内容无关的通用消息,仅仅用于表达命令请求。
而具体的命令及参数利用独立的XML文档来描述。
采用与具体指令无关的通用SOAP消息有利于指令扩展及在异步环境中实现通用的可靠消息传递机制。
CSP以SOAP协议+ XML指令文档的方式主动向LSP发送基础数据信息,LSP根据SOAP 消息中的文件URL获取XML并解析执行。
2.2SOAP消息定义执行指令请求:ExecCmdReq消息方向:CSP LSP执行指令响应:ExecCmdRes消息方向:CSP←LSP结果通知请求:ResultNotifyReq 消息方向:CSP←LSP结果通知响应:ResultNotifyRes 消息方向:CSP→LSP2.3XML文件规范2.3.1概述ADI/Objects/Mappings是接口XML的通用基础框架,基于该通用框架定义不同的Object.ElementType和不同的来满足对不同对象的定义需求。
C/C++程序设计第2 章数据类型及表达式计算机学院C/C++程序设计课程组C/C++程序设计第2章主要内容本章主要介绍:基本数据类型和存储类型的说明方法,以及基本运算符的运算规则和表达式的构成方法,为后续章节的学习奠定一个基础。
C/C++程序设计2.1 C 语言的数据类型使用高级语言编写程序,主要工作有两项:一是描述数据,二是描述数据加工的方法。
数据类型图 2.1C 语言的数据类型基本类型整型实型字符型带符号长整型(简称长整型)带符号整型无符号整型无符号整型无符号短整型无符号长整型单精度型双精度型空类型构造类型指针类型枚举类型数组类型结构体类型共用体类型C/C++程序设计2.2 常量常量是程序运行过程中其值不发生变化的数据。
2.2.1 整型常量表2.1 整型数据的表示方式2.2.2 实型常量3.14、.9999、-3.14159、834.、–0.666 、6.89E-52.2.3 字符常量’x’,’a’,’A’,’b’,’$’,’#’ ,printf("\tab\rcd\n\’ef\\g");2.2.4 符号常量#define 符号常量字符串#define PI 3.14159C/C++程序设计【例2.1】求一个圆柱体体积,用符号常量代替π。
#include <stdio.h>#define PI 3.14159 /*定义PI为符号常量*/void main(){float r,h,v;scanf("%f,%f",&r,&h);v=PI*r*r*h; /* PI相当于3.14159,参与运算*/printf("Volume=%f",v);}运行时输入:3,2↙运行结果为: Volume=56.548618C/C++程序设计2.2.5 字符串常量"\tab\rcd\n\’ef\\g“"I am a student" 、"x"、""注意:’\0’和’0’不同,’\0’是编码为0的字符,而’0’则是数字0,其编码为48。
PLC基本数据类型PLC(可编程逻辑控制器)是一种广泛应用于工业自动化领域的电子设备,用于控制和监控各种工业过程。
在PLC编程中,数据类型是非常重要的,它决定了我们可以存储和处理的数据的种类和范围。
本文将详细介绍PLC的基本数据类型以及它们的特点和用法。
1. 位(Bit)数据类型:位是PLC中最基本的数据类型,它只能存储0或1两个状态。
位常用于表示开关状态、触发器状态等。
在PLC编程中,我们可以使用位来进行逻辑运算和判断。
2. 字节(Byte)数据类型:字节是PLC中存储数据的基本单位,它由8个位组成。
字节可以存储0-255之间的整数值。
字节常用于存储和传输ASCII码字符、整数等。
3. 整数(Integer)数据类型:整数是PLC中常用的数据类型之一,它可以存储范围更广的整数值。
PLC中的整数类型包括有符号整数和无符号整数。
有符号整数可以表示正负整数,而无符号整数只能表示正整数。
根据PLC的型号和厂家,整数的范围可以从-32768到32767或更大。
4. 浮点数(Floating Point)数据类型:浮点数是用于存储和处理实数的数据类型。
PLC中的浮点数类型包括单精度浮点数和双精度浮点数。
单精度浮点数可以表示小数点后6-7位有效数字,而双精度浮点数可以表示小数点后15-16位有效数字。
浮点数常用于表示温度、压力、流量等实际物理量。
5. 字符串(String)数据类型:字符串是由多个字符组成的数据类型。
在PLC编程中,字符串常用于存储和处理文本信息。
字符串的长度可以根据需要进行定义,但需注意PLC的内存限制。
6. 定时器(Timer)和计数器(Counter)数据类型:定时器和计数器是PLC中特殊的数据类型,用于控制时间和计数。
定时器用于测量和控制时间间隔,计数器用于记录和控制事件的数量。
在PLC编程中,我们可以使用定时器和计数器来实现各种时间和计数相关的逻辑控制。
7. 数组(Array)数据类型:数组是由相同数据类型的元素组成的集合。
C语言各种数据类型在系统中占的字节和取值范围基本类型包括字节型(char)、整型(int)和浮点型(float/double)。
定义基本类型变量时,可以使用符号属性signed、unsigned(对于char、int),和长度属性short、long(对于int、double)对变量的取值区间和精度进行说明。
下面列举了Dev-C++下基本类型所占位数和取值范围:符号属性长度属性基本型所占位数取值范围输入符举例输出符举例-- -- char 8 -2^7 ~ 2^7-1 %c %c、%d、%u signed -- char 8 -2^7 ~ 2^7-1 %c %c、%d、%u unsigned -- char 8 0 ~ 2^8-1 %c %c、%d、%u [signed] short [int] 16 -2^15 ~ 2^15-1 %hdunsigned short [int] 16 0 ~ 2^16-1 %hu、%ho、%hx [signed] -- int 32 -2^31 ~ 2^31-1 %dunsigned -- [int] 32 0 ~ 2^32-1 %u、%o、%x[signed] long [int] 32 -2^31 ~ 2^31-1 %ldunsigned long [int] 32 0 ~ 2^32-1 %lu、%lo、%lx [signed] long long [int] 64 -2^63 ~ 2^63-1 %I64dunsigned long long [int] 64 0 ~ 2^64-1 %I64u、%I64o、%I64x -- -- float 32 +/- 3.40282e+038 %f、%e、%g-- -- double 64 +/- 1.79769e+308 %lf、%le、%lg %f、%e、%g -- long double 96 +/- 1.79769e+308 %Lf、%Le、%Lg几点说明:1. 注意! 表中的每一行,代表一种基本类型。
C语言专升本考试(习题卷11)第1部分:单项选择题,共70题,每题只有一个正确答案,多选或少选均不得分。
1.[单选题]以下结构体类型说明和变量定义中正确的是______。
A)typedef struct{int n; char c;} REC;REC t1,t2;B)struct REC;{int n; char c;};REC t1,t2;C)typedef struct REC;{int n=0; char c= 'A';}t1,t2;D)struct{int n; char c;} REC;REC t1,t2;答案:A解析:知识点/选择题/C9结构体与共用体/结构体类型及变量定义T2.[单选题]程序中若有如下说明和定义语句Char fun(char *);Main(){Char *s="one",a[5]={0},(*f1)()=fun,ch;}以下选项中对函数fun的正确调用语句是______。
A)(*f1)(a);B)*f1(*s);C)fun(&a);D)ch=*f1(s);答案:A解析:知识点/选择题/C8指针/指向函数的指针T3.[单选题]下面描述中,不正确的是_______。
A)C程序的函数体由一系列语句和注释组成B)注释内容不能单独写在一行上C)C程序的函数说明部分包括对函数名、函数类型、形式参数等的定义和说明D)scanf和printf是标准库函数而不是输入和输出语句答案:B解析:4.[单选题]下列语句中,能正确输出26个英文字子母的A)for(a=’a’; a<=’z’ print("%c”,++a);B)for(a=’a’; a<=’z’;) print("%c”,a);C)for(a=’a’; a<=’z’printf(%c”,a++);D)for(a=’a’; a<=’z” ; printf("%c”,a));答案:C解析:5.[单选题]函数f定义如下,执行语句“sum=f(5)+f(3);”后,sum的值应为( )。
c语⾔-数据类型、运算符与表达式⼀、数据类型1、概念(1)标识符1.定义:⽤来标记常量、变量、函数及⽂件名字的字符序列。
2.构成规则:只能由数字、字母、下划线三部分组成,且不能以数字开头,并且严格区别⼤⼩写,不能定义为系统中存在的关键字。
(2)关键字c语⾔中具有特定含义、专门⽤作语⾔特定成分的⼀类标识符注:在C语⾔中,所有的关键字都有固定的意义,不能⽤作其它,且所有的关键字都必须⼩写(3)c的数据类型数据是操作的对象,数据类型是指数据的内在表现形式(代码、存储、运算)(4)常量和变量1. 常量【1】常量:在程序运⾏过程中,其值不能被改变的量 常量区分为不同类型(表⽰形式),如:12、1.0、‘a’【2】符号常量:⽤⼀个标识符代表的⼀个常量定义⽅法:#define 标识符常量#define PRICE 30#include <stdio.h>void main(){int num,total;num = 10;total = num * PRICE;printf("total = %d",total);}2. 变量【1】变量:其值是可以改变的量,它⽤标识符(变量名)来表⽰,在内存中占据⼀定的存储单元变量的定义⽅法:类型符标识符注意事项:<1>见名知意 <2>先定义后使⽤ <3>习惯上,符号常量名⽤⼤写,变量名⽤⼩写,以⽰区别【2】变量赋初值变量先定义,后使⽤,⼀般放在函数开头变量初始化:可以在定义时赋初值2、整型数据(1)整型常量1. 各种进制的整数表⽰⽅法⼗进制整数:由数字0~9和正负号表⽰. 如 123,-456,0⼋进制整数:由数字0开头,后跟数字0~7表⽰. 如 0123,011⼗六进制整数:由0x开头,后跟0~9,a~f,A~F表⽰. 如 0x123,0xff2. 整型常量的类型【1】整型常量的值在-32768~+32767范围内,编译器认为是int类型【2】整型常量的值超过上述范围,⽽在-2147483648 ~ +2147483647范围内,编译器认为是long类型【3】当系统定义short int与int占内存长度相同,则两种类型常量均可以赋给 int和short int型变量【4】在整型常量后⾯加⼤写L或⼩写l,则告诉编译器,把该整型常量作为long类型处理。
C语言数据类型与变量定义C语言是一种广泛应用的编程语言,它提供了丰富的数据类型和变量定义的功能。
在这篇文章中,我们将详细介绍C语言中的数据类型以及如何定义变量。
一、数据类型在C语言中,数据类型用于指定变量或表达式所能存储的数据类型。
C语言提供了以下几种基本的数据类型:1. 整型(int): 整型数据类型用于存储整数值。
在C语言中,整型数据可以分为不同的大小,如char(1字节)、short(2字节)、int(4字节)和long(4或8字节)。
2. 浮点型(float和double): 浮点型数据类型用于存储小数值。
C语言提供了两个浮点型数据类型,即float(4字节)和double(8字节)。
float用于存储较小的浮点数,而double用于存储较大范围的浮点数。
3. 字符型(char): 字符型数据类型用于存储字符。
在C语言中,字符型数据类型char占用1字节,在ASCII码中表示不同的字符。
4. 空类型(void): 空类型用于表示没有任何值的情况。
例如,一个不返回值的函数可以使用空类型作为返回类型。
5. 枚举型(enum): 枚举型数据类型用于定义用户自定义的整型常量。
通过使用枚举,我们可以定义一个变量,它只能取特定的预定义值。
6. 指针类型(pointer): 指针类型用于存储变量的内存地址。
指针变量存储了一个变量或对象在内存中的地址,而不是实际的值。
7. 数组类型(array): 数组类型用于存储多个相同类型的数据。
数组可以包含多个元素,每个元素可以通过索引进行访问。
以上是C语言中常用的几种数据类型,通过选择合适的数据类型,我们可以有效地管理和操作数据。
二、变量定义变量是指向内存地址的标识符,用于存储和操作数据。
在C语言中,定义变量需要指定变量的名称、数据类型以及可选的初始值。
变量定义的基本格式如下:```cdata_type variable_name = initial_value;```其中,data_type表示变量的数据类型,variable_name表示变量的名称,initial_value表示变量的初始值(可选)。
第2章基本数据类型及其运算●基本数据类型●常量与变量●运算符与表达式第2章基本数据类型及其运算程序由算法和数据构成。
数据是算法的处理对象。
要学习程序设计,首先要了解处理对象—数据的特点。
本章中我们讨论C语言中基本数据及其类型和基本的运算方法。
2.1基本数据类型不同的数据在计算机中的表示方法是不同的(如:定点数、浮点数、字符数据等不同类型),这是由计算机的二进制存储特性所决定的。
在程序中要指定数据的类型,以便编译系统能够按指定类型确定其表示方法、字节个数、以及运算方式。
在上述类型中,虚线框中的类型又称为导出类型,定义这类数据时要用到基本类型。
在C语言的程序中,对于所用到的数据必须事先进行定义即先定义,后使用。
需要指出的是:(1)在Turbo C中:char与signed char型数据在长度、取值范围都一致,故两者是等价的。
与此情况相同的还有: short与signed short型、int与signed int型、long与signed long型。
需要指出的是:(2)在Turbo C中int与short型数据在长度及取值范围是一致的。
在VC中,int与long型数据在长度及取值范围是一致的。
需要指出的是:(3)需要指出的是一般:char型与signed char型或unsigned char型二者之一相同。
int型与short型或long型二者之一相同。
具体如何,视不同编译系统而定。
需要指出的是:(4)在C语言中,字符型数据存放的是字符的ASCII码值。
有符字符型数据用一个字节的最高位作为符号位,低七位表示字符的ASCII码值。
无符字符型用一字节的全部八位表示字符的ASCII码值。
利用这个存储特点,C语言允许字符型数据以其ASCII码值(整型数)参加数值运算。
需要指出的是:(5)在Turbo C中,float型数据的存储格式为:阶码占8位,尾数占23位,一位符号位;double型数据的存储格式为:阶码占11位,尾数占52位,一位符号位。
从表中可以看出:C语言中基本数据类型很多,短的、长的、有符的、无符的,变化丰富。
初学者可能感到比较困难,其实从数据的存储形式上来看,归纳起来实质上只有两大类型的数据—整型数据和实型数据,即定点整数和浮点数。
2.2 常量与变量2.2.1常量所谓“常量”是指在程序运行过程中,其值不能被改变的量。
C语言中常量有整型常量、实型常量、字符型常量、字符串常量、符号常量和枚举常量。
本节将介绍上述除枚举常量外的所有常量,枚举常量在第九章中介绍。
1.整型常量整型常量又简称整数,它又三种形式:十进制整数、八进制整数、十六进制整数。
a.十进制整数十进制整数由0~9十个数字、正号、负号组成,正负号只能出现在最左边,表示一个整数时,正号可以省略,多位数时,最左边的数字不能为0。
例如:123 597―4250―0是合法的整数。
而0932是非法的整数表示方法。
b.八进制整数八进制整数必须以0(零)开头并由0~7八个数字、正号、负号组成,正负号只能出现在最左边。
例如:0123 0404―0453―00是合法的八进制整数,而0128是非法的。
c.十六进制整数十六进制整数必须以0x(0X)开头,由0~9, a,b,c,d,e,f(或A,B,C,D,E,F)这十六个符号和正负号组成,正负号只能出现在最左边。
例如:0x123 0Xfa1―0x9a12―0x0是合法的十六进制数。
0x12g―x897a25b是非法的十六进制数。
d.整型常量的后缀U和LU和L分别是unsigned和long的第一个字母,可以跟在整型常量的后面,以指明该整数为长整型常数(long型)、无符整型常数(unsigned型)以及无符长整型整数(unsigned long型)。
使用时U和L 可以小写。
例如:长整型数:32768l―0761L0xd1dL无符整型数:32768u―0x2a7U0277U无符长整型数:555ul0xabcLU0722ul整型常量的后缀U和L 当一个整型常数的值是在―32768~32767之间,则该整型常量为int型,当它的值超过―32768~32767而在―21亿~21亿之间时,则该整型常量为long型。
通过使用L和U后缀,可以使在―32768~32767之间的int型常量成为long型常量或使有符常量成为无符常量。
2.实型常量实型常量又称浮点型常量,它有两种表示方法:十进制小数形式和指数形式。
a.十进制小数形式十进制小数由0~9十个数字、小数点、正号、负号组成,正负号只能出现在最左边。
例如:123.5―032.45―.00.是合法的实型常量。
b.指数形式指数的一般形式如下:[±][整数部分][.小数部分][e±n]其中[]中内容为可选,但“整数部分”和“小数部分”二者至少选其一,不可全无。
[e±n]为指数部分,e可大写,n是一个1~3位的十进制整数(第一位可为0),2e2表示2 102,。
例如:123.5E3―0.45e―41E 0120e5是合法的指数形式。
-E5-1E2.05.e50.8E kc.实型常量的后缀F和L因为实型常量缺省的类型为双精度实型,为了达到存储、精度、类型转换的需要,可用后缀F和L。
F和L分别是float和long double的第一个字母,可以跟在实型常量的后面,以指明该实数为单精度实数(float型)或长双精度实数(long double型)。
使用时F和L可以小写。
例如:单精度实数:32.768f―1F 1.2e3F 长双精度实数: 1.2e309l―0.1L5L3.字符型常量字符常量是用一对单引号括起来的一个字符,如:'a','A','$',等。
空字符也是字符,它包含0个字符,它的值是0,可以表示为'',也可以表示为'\0',程序中总是用'\0'表示空字符。
在C语言中还有另外一种字符常量,称为转义字符,它是以反斜线(\)开头的字符串,通常也把它们称为控制字符,因为它们中的大多数具有控制功能,如'\n'代表换行符,在printf函数中使用它可以实现换行的功能。
C语言中的转义字符见表2-2。
在C 语言中,字符常量是一个整数,其值是它所对应的ASCII 码的值(见附录Ⅰ),字符型数据可以与数值型数据通用,即可以进行算术运算。
如:'a '的值是97,'A '的值是65,'\'的值是39等。
也可以用\ddd 或\xhh 来表示一个字符。
以下都是表示水平制表符:'\t''\011''\11''\x09''\x9'而'a'也可以写成以下形式:' \141'' \x61'转义字符含义十进制八进制十六进制\0空字符000x00\a 响铃770x07\b 退格,从当前位置向前移动一格8100x08\f 换页,从当前位置换到下一页开头120140x0c \n 换行,从当前位置换到下一行开头100120x0a \r 回车,从当前位置换到本行的开头130150x0d \t 水平制表,水平换到下一tab 位置90110x09\\反斜线字符\921340x5c \ˊ单引号字符ˊ390470x27\〞双引号字符〞340420x22\ddd1到3位八进制数对应的字符0~255000~3770x00~0xff \xhh1到2十六进制数对应的字符0~255000~3770x00~0xff 表2-24.字符串常量字符串常量是由双引号括起来的一串字符。
如:″1234″、″中国,北京″等。
值得注意的是:字符是用单引号括起来的,而字符串是用双引号括起来的。
'a'是字符,而″a″是字符串。
字符串可以为空串即包含0个字符的串,表示为″″。
C语言规定:在每一个字符串后,系统自动加一个'\0',作为字符串的结束标志符,以便判字符串的长度。
由于这个原因,字符串所占字节数比实际长度大1。
空串所占字节数为1,而不是0。
在使用字符串时,应当注意以下情况:(1)单引号作为字符串的组成字符时,可以直接使用。
例如:printf(″It's my book\n″);执行后输出为:It's my book(2)一个字符串不能分写在两行或多行上,如果非要写在两行上,则可在前一行的字符串尾部加一个反斜线\,或者把不同行上的字符串分别用双引号括起来。
例如:printf(″C programming\language is powerful\n″);或者:printf(″C programming″″language is powerful\n″);main(){printf(″Hello,C\n″);printf(″\110\145\154\154\157\54\103\12″); printf(″\″12/4=3\″\t\\is a string\\\n″);}运行结果:Hello,CHello,C''12/4=3''\is a string\5.符号常量符号常量是代表一个字符序列的标识符(又称宏名)。
一旦定义了一个符号常量,则它就与该字符序列是等价的。
在C语言中,定义符号常量的方法有三种:一是使用编译预处理的宏替换功能#define;二是使用类型限定符const说明并初始化;三是使用枚举类型来定义。
在此只介绍#define定义一个符号常量,格式如下:#define标识符字符序列#define标识符字符序列其中:字符序列可以由任意字符组成,还可以是已经定义过的符号常量。
符号常量应先定义后使用,可以出现在程序中的任何位置,习惯上尽量放在程序的前面且符号常量(宏名)用大写字母书写,以示与其它标识符的区别。
需要指出的是:当一个标识符被定义成符号常量,则在编译时,编译预处理首先将程序中所有该标识符用相应的字符序列来替换,然后再进行后续处理。
例如:#define PI 3.14159#define SPACE‘’等。
#define STR1 ″This is a ″main(){#define STR2″joke ″#define M STR1STR2/* printf(STR1 STR2); */ printf(M);}运行结果:This is a joke另外,需要时还可使用#undef来取消已经定义了的符号常量。
例如:#undef M取消定义后,该符号常量(宏名)还可再定义并使用。
常量●定义:程序运行时其值不能改变的量(即常数)●分类:–直接常量:●整型常量●实型常量●字符常量●字符串常量–符号常量:用标识符代表常量●定义格式:#define 符号常量常量●一般用大写字母●是宏定义预处理命令,不是C 语句如#define PRICE 30例符号常量举例#define PRICE 30main(){int num,total;num=10;total=num*PRICE;printf("total=%d",total);}运行结果:total=3002.2.2变量1.变量的概念所谓“变量”是指在程序运行过程中,其值可以被改变的量。