常用型钢规格表
- 格式:doc
- 大小:817.00 KB
- 文档页数:16
一、型钢的尺寸1、火车轨的标准长度有12.5m和25m两种。
2、圆钢、线材、钢丝尺寸以直径d的毫米(mm)数标定。
3、方钢尺寸以边长a的毫米(mm)数标定。
4、六角钢、八角钢尺寸以对边距离s的毫米(mm)数标定。
5、扁钢的尺寸以宽度b和厚度d的毫米(mm)数标定。
6、工字钢、槽钢的尺寸以腰高h、腿宽b和腰厚d的毫米(mm)数标定。
7、等边角钢的尺寸以相等边宽b和边厚d的毫米(mm)数标定。
不等边角钢的尺寸以边宽B、b和边厚d的毫米(mm)数标定。
8、H型钢的尺寸以腹板高度h、翼板宽度b和腹板厚度t1、翼板厚度t2的毫米(mm)数标定。
二、钢板、钢带的尺寸1)一般以钢板的厚度d的毫米(mm)数标定。
而钢带则以钢带的宽度b和厚度d的毫米(mm)数标定。
2)单张钢板有规定的不同尺寸,如热轧钢板有:1mm厚的钢板,有宽度600×长度2000mm;650×2000mm;700×1420mm;750×1500mm;900×1800mm;1000×2000mm等。
三、钢管的尺寸1)一般以钢管的外径D、内径和壁厚S的毫米(mm)数标定。
2)每种钢管有规定的不同尺寸,如无缝钢管外径50mm 的,壁厚有2.5-10mm 的15种;或者说相同壁厚5mm 的,外径有32-195mm 的29种。
又如焊接钢管公称口径25mm 的壁厚有3.25mm 的普通钢管和4mm 的加厚钢管。
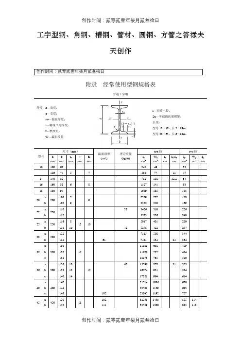
附录 常用型钢规格表 普通工字钢 符号:h —高度; b —宽度; tw —腹板厚度; t —翼缘平均厚度; I —惯性矩; W —截面模量i —回转半径; Sx —半截面的面积矩; 长度:型号10~18,长5~19m ; 型号20~63,长6~19m 。
型 号尺 寸(mm ) 截面面积(cm2) 理论重量(kg/m) x-x 轴 y-y 轴h mm b mm tw mm tmm Rmm Ixcm4Wx cm3 ix cm Ix/Sx cmIy cm4 Wy cm3 Iy cm10 100 68 4.5 7.6 6.5 14.3 11.2 245 49 4.14 8.69 33 9.6 1.51 12.6 126 74 58.4 718.114.2 488 77 5.19 1147 12.7 1.6114 140 80 5.5 9.1 7.5 21.5 16.9 712102 5.75 12.2 64 16.1 1.7316 160 88 69.9 826.120.5 1127 141 6.57 13.9 93 21.1 1.89 18 180 94 6.5 10.7 8.5 30.7 24.1 1699 185 7.37 15.4 123 26.2 2.00 20 a 200 100 711.4 935.527.9 2369 237 8.16 17.4 158 31.6 2.11 b 102 939.531.1 2502 250 7.95 17.1 169 33.1 2.07 22 a 220 110 7.5 12.3 9.5 42.1 33 3406 310 8.99 19.2 226 41.1 2.32 b 112 9.5 46.5 36.5 3583 326 8.78 18.9 240 42.9 2.27 25 a 250 116 8 13 10 48.5 38.1 5017 401 10.2 21.7 280 48.4 2.4 b 118 10 53.5425278 422 9.93 21.4 297 50.4 2.36H型钢符号:h—高度;b—宽度;t1—腹板厚度;t2—翼缘厚度;I—惯性矩;W—截面模量i—回转半径;Sx—半截面的面积矩。
附录常用型钢规格表普通工字钢符号:h—高度;b—宽度;tw—腹板厚度;t—翼缘平均厚度;I—惯性矩;W—截面模量i—回转半径;Sx—半截面的面积矩;长度:型号10~18,长5~19m;型号20~63,长6~19m。
H型钢质量q kg/mx-x轴IxWx (cm4) (cm3)质量q kg/mx-x轴IxWx (cm4) (cm3)符号:同普通工字钢但Wy为对应翼缘肢尖长度:型号5~8,长5~12m;型号10~18,长5~19m;型号20~20,长6~19m。
截面积质量惯性矩截面模量iy,当a为下列数值等边角钢重心截面积惯性矩截面模量iy,当a为下列数值不等边角钢重心矩截面积iy,当a为下列数值iy,当a为下列数值不等边角钢重心矩截面积质量iy,当a为下列数值iy,当a为下列数值Zy A ix 8mm 10mm 6mm 8mm 10mm 12mm(cm)(cm)(cm)注:一个角钢的惯性矩I x =Ai x 2,I y =Ai y 2;一个角钢的截面个角钢的截面模量W x max =I x /Z x ,W x min =I x /(b- Z x ); W y ax =I y Z y W x min =I y (b- Z y )。
THANKS !!!致力为企业和个人提供合同协议,策划案计划书,学习课件等等打造全网一站式需求欢迎您的下载,资料仅供参考。
一、型钢的尺寸1、火车轨的标准长度有12.5m和25m两种。
2、圆钢、线材、钢丝尺寸以直径d的毫米(mm)数标定。
3、方钢尺寸以边长a的毫米(mm)数标定。
4、六角钢、八角钢尺寸以对边距离s的毫米(mm)数标定。
5、扁钢的尺寸以宽度b和厚度d的毫米(mm)数标定。
6、工字钢、槽钢的尺寸以腰高h、腿宽b和腰厚d的毫米(mm)数标定。
7、等边角钢的尺寸以相等边宽b和边厚d的毫米(mm)数标定。
不等边角钢的尺寸以边宽B、b和边厚d的毫米(mm)数标定。
8、H型钢的尺寸以腹板高度h、翼板宽度b和腹板厚度t1、翼板厚度t2的毫米(mm)数标定。
二、钢板、钢带的尺寸1)一般以钢板的厚度d的毫米(mm)数标定。
而钢带则以钢带的宽度b和厚度d的毫米(mm)数标定。
2)单张钢板有规定的不同尺寸,如热轧钢板有:1mm厚的钢板,有宽度600×长度2000mm;650×2000mm;700×1420mm;750×1500mm;900×1800mm;1000×2000mm等。
三、钢管的尺寸1)一般以钢管的外径D、内径和壁厚S的毫米(mm)数标定。
2)每种钢管有规定的不同尺寸,如无缝钢管外径50mm的,壁厚有2.5-10mm的15种;或者说相同壁厚5mm的,外径有32-195mm的29种。
又如焊接钢管公称口径25mm的壁厚有3.25mm的普通钢管和4mm的加厚钢管。
附录常用型钢规格表普通工字钢符号:h—高度;b—宽度;tw—腹板厚度;t—翼缘平均厚度;I—惯性矩;W—截面模量i—回转半径;Sx—半截面的面积矩;长度:型号10~18,长5~19m;型号20~63,长6~19m。
型号尺寸(mm)截面面积(cm2) 理论重量(kg/m)x-x轴y-y轴hmmbmmt wmmtmmRmmI xcm4W xcm3i xcmI x/S xcmI ycm4W ycm3I ycm10 100 68 4.5 7.6 6.5 14.3 11.2 245 49 4.14 8.69 33 9.6 1.51 12.6 126 74 5 8.4 7 18.1 14.2 488 77 5.19 11 47 12.7 1.61 14 140 80 5.5 9.1 7.5 21.5 16.9 712 102 5.75 12.2 64 16.1 1.73 16 160 88 6 9.9 8 26.1 20.5 1127 141 6.57 13.9 93 21.1 1.89 18 180 94 6.5 10.7 8.5 30.7 24.1 1699 185 7.37 15.4 123 26.2 2.0020 a200100 711.4 935.5 27.9 2369 237 8.16 17.4 158 31.6 2.11b 102 9 39.5 31.1 2502 250 7.95 17.1 169 33.1 2.0722 a220110 7.512.3 9.542. .99 19.2 226 41.1 2.32b 112 9.5 46.5 36.5 3583 326 8.78 18.9 240 42.9 2.2725 a25.5 38.1 5017 401 10.2 21.7 280 48.4 2.4 b 118 10 53.5 42 5278 422 9.93 21.4 297 50.4 2.3628 a280122 8.513.7 10.555.4 43.5 7115 508 11.3 24.3 344 56.4 2.49b 124 10.5 61 47.9 7481 534 11.1 24 364 58.7 2.4432 a320130 9.515 11.567.1 52.7 11080 692 12.8 27.7 459 70.6 2.62b 132 11.5 73.5 57.7 11626 727 12.6 27.3 484 73.3 2.57c 134 13.5 79.9 62.7 12173 761 12.3 26.9 510 76.1 2.53H型钢符号:h—高度;b—宽度;t1—腹板厚度;t2—翼缘厚度;I—惯性矩;W—截面模量i—回转半径;Sx—半截面的面积矩。
常用型材钢规格表59322(总18页)--本页仅作为文档封面,使用时请直接删除即可----内页可以根据需求调整合适字体及大小--附录常用型钢规格表普通工字钢型号:H+#符号:h—高度;b—宽度;tw—腹板厚度;t—翼缘平均厚度;I—惯性矩;W—截面模量i—回转半径;Sx—半截面的面积矩;长度:型号10~18,长5~19m;型号20~63,长6~19m。
型号尺寸(mm)截面面积(cm2)理论重量(kg/m)x-x轴y-y轴hmmbmmt wmmtmmRmmI xcm4W xcm3i xcmI x/S xcmI ycm4W ycm3I ycm10100682454933 1267457488771147 141408********* 161608868112714193 1818094169918512320a200100792369237158 b1029250225016922a220110333406310226 b112358332624025a250116813105017401280 b1181042527842229728a2801227115508344 b1246174815342436432a3201301511080692459 b13211626727484 c1341217376151036a3601361012601579687831555 b1381216574921584 c140141735196461440a400142217141086660 b144227811139693 c14610223847119272745a45015018102322411433855114 b152111337591500895118 c15412035278156893812250a5001581220141194647218591122142 b160141291014855619421171146 c16216139109506392026122415156a56016621135106655762342221366165 b1681471156850324471424170 c170158124714302551148517563a6301761322151551229400429841702194 b178151671319817131171771199 c7801718014110233932491842205H 型钢符号:h—高度;b—宽度;t1—腹板厚度;t2—翼缘厚度;I—惯性矩;W—截面模量i—回转半径;Sx—半截面的面积矩。
工字型钢、角钢、槽钢、管材、圆钢、方管附录常用型钢规格表普通工字钢符号:h—高度;b—宽度;tw—腹板厚度;t—翼缘平均厚度;I—惯性矩;W—截面模量i—回转半径;Sx—半截面的面积矩;长度:型号10~18,长5~19m;型号20~63,长6~19m。
型号尺寸(mm)截面面积(cm2)理论重量(kg/m)x-x轴y-y轴hmmbmmt wmmtmmRmmI xcm4W xcm3i xcmI x/S xcmI ycm4W ycm3I ycm10 100 68 4.5 7.6 6.5 14.3 11.2 245 49 4.14 8.69 33 9.6 1.51 12.6 126 74 5 8.4 7 18.1 14.2 488 77 5.19 11 47 12.7 1.61 14 140 80 5.5 9.1 7.5 21.5 16.9 712 102 5.75 12.2 64 16.1 1.73 16 160 88 6 9.9 8 26.1 20.5 1127 141 6.57 13.9 93 21.1 1.89 18 180 94 6.5 10.7 8.5 30.7 24.1 1699 185 7.37 15.4 123 26.2 2.0020 a200100 711.4 935.5 27.9 2369 237 8.16 17.4 158 31.6 2.11b 102 9 39.5 31.1 2502 250 7.95 17.1 169 33.1 2.0722 a220110 7.512.3 9.542.1 33 3406 310 8.99 19.2 226 41.1 2.32b 112 9.5 46.5 36.5 3583 326 8.78 18.9 240 42.9 2.2725 a250116 813 1048.5 38.1 5017 401 10.2 21.7 280 48.4 2.4b 118 10 53.5 42 5278 422 9.93 21.4 297 50.4 2.3628 a280122 8.513.7 10.555.4 43.5 7115 508 11.3 24.3 344 56.4 2.49b 124 10.5 61 47.9 7481 534 11.1 24 364 58.7 2.4432 a320130 9.515 11.567.1 52.7 11080 692 12.8 27.7 459 70.6 2.62b 132 11.5 73.5 57.7 11626 727 12.6 27.3 484 73.3 2.57c 134 13.5 79.9 62.7 12173 761 12.3 26.9 510 76.1 2.5336 a360136 1015.8 1276.4 60 15796 878 14.4 31 555 81.6 2.69b 138 12 83.6 65.6 16574 921 14.1 30.6 584 84.6 2.64c 140 14 90.8 71.3 17351 964 13.8 30.2 614 87.7 2.640 a400142 10.516.5 12.586.1 67.6 21714 1086 15.9 34.4 660 92.9 2.77b 144 12.5 94.1 73.8 22781 1139 15.6 33.9 693 96.2 2.71c 146 14.5 102 80.1 23847 1192 15.3 33.5 727 99.7 2.6745 a450150 11.518 13.5102 80.4 32241 1433 17.7 38.5 855 114 2.89b 152 13.5 111 87.4 33759 1500 17.4 38.1 895 118 2.84c 154 15.5 120 94.5 35278 1568 17.1 37.6 938 122 2.7950 a500158 1220 14119 93.6 46472 1859 19.7 42.9 1122 142 3.07b 160 14 129 101 48556 1942 19.4 42.3 1171 146 3.01c 162 16 139 109 50639 2026 19.1 41.9 1224 151 2.9656 a560166 12.521 14.5135 106 65576 2342 22 47.9 1366 165 3.18b 168 14.5 147 115 68503 2447 21.6 47.3 1424 170 3.12c 170 16.5 158 124 71430 2551 21.3 46.8 1485 175 3.0763 a 630 176 13 22 15 155 122 94004 2984 24.7 53.8 1702 194 3.32H 型钢符号:h—高度;b—宽度;t1—腹板厚度;t2—翼缘厚度;I—惯性矩;W—截面模量i—回转半径;Sx—半截面的面积矩。
附录常用型钢规格表普通工字钢符号:h—高度;b—宽度;tw—腹板厚度;t—翼缘平均厚度;I—惯性矩;W—截面模量i—回转半径;Sx—半截面的面积矩;长度:型号10~18,长5~19m;型号20~63,长6~19m。
型号尺寸(mm)截面面积(cm2)理论重量(kg/m)x-x轴y-y轴hmmbmmt wmmtmmRmmI xcm4W xcm3i xcmI x/S xcmI ycm4W ycm3I ycm10 100 68 4.5 7.6 6.5 14.3 11.2 245 49 4.14 8.69 33 9.6 1.51 12.6 126 74 5 8.4 7 18.1 14.2 488 77 5.19 11 47 12.7 1.61 14 140 80 5.5 9.1 7.5 21.5 16.9 712 102 5.75 12.2 64 16.1 1.73 16 160 88 6 9.9 8 26.1 20.5 1127 141 6.57 13.9 93 21.1 1.89 18 180 94 6.5 10.7 8.5 30.7 24.1 1699 185 7.37 15.4 123 26.2 2.0020 a200100 711.4 935.5 27.9 2369 237 8.16 17.4 158 31.6 2.11b 102 9 39.5 31.1 2502 250 7.95 17.1 169 33.1 2.0722 a220110 7.512.3 9.542.1 33 3406 310 8.99 19.2 226 41.1 2.32b 112 9.5 46.5 36.5 3583 326 8.78 18.9 240 42.9 2.2725 a250116 813 1048.5 38.1 5017 401 10.2 21.7 280 48.4 2.4b 118 10 53.5 42 5278 422 9.93 21.4 297 50.4 2.3628 a280122 8.513.7 10.555.4 43.5 7115 508 11.3 24.3 344 56.4 2.49b 124 10.5 61 47.9 7481 534 11.1 24 364 58.7 2.4432 a320130 9.515 11.567.1 52.7 11080 692 12.8 27.7 459 70.6 2.62b 132 11.5 73.5 57.7 11626 727 12.6 27.3 484 73.3 2.57c 134 13.5 79.9 62.7 12173 761 12.3 26.9 510 76.1 2.5336 a360136 1015.8 1276.4 60 15796 878 14.4 31 555 81.6 2.69b 138 12 83.6 65.6 16574 921 14.1 30.6 584 84.6 2.64c 140 14 90.8 71.3 17351 964 13.8 30.2 614 87.7 2.640 a400142 10.516.5 12.586.1 67.6 21714 1086 15.9 34.4 660 92.9 2.77b 144 12.5 94.1 73.8 22781 1139 15.6 33.9 693 96.2 2.71c 146 14.5 102 80.1 23847 1192 15.3 33.5 727 99.7 2.6745 a450150 11.518 13.5102 80.4 32241 1433 17.7 38.5 855 114 2.89b 152 13.5 111 87.4 33759 1500 17.4 38.1 895 118 2.84c 154 15.5 120 94.5 35278 1568 17.1 37.6 938 122 2.7950 a500158 1220 14119 93.6 46472 1859 19.7 42.9 1122 142 3.07b 160 14 129 101 48556 1942 19.4 42.3 1171 146 3.01c 162 16 139 109 50639 2026 19.1 41.9 1224 151 2.9656 a560166 12.521 14.5135 106 65576 2342 22 47.9 1366 165 3.18b 168 14.5 147 115 68503 2447 21.6 47.3 1424 170 3.12c 170 16.5 158 124 71430 2551 21.3 46.8 1485 175 3.0763 a630176 1322 15155 122 94004 2984 24.7 53.8 1702 194 3.32b 178 15 167 131 98171 3117 24.2 53.2 1771 199 3.25c 780 17 180 141 102339 3249 23.9 52.6 1842 205 3.2H 型钢符号:h—高度;b—宽度;t1—腹板厚度;t2—翼缘厚度;I—惯性矩;W—截面模量i—回转半径;Sx—半截面的面积矩。
工字型钢、角钢、槽钢、管材、圆钢、方管附录 常用型钢规格表普通工字钢i —回转半径;Sx —半截面的面积矩; 长度:型号 10~ 18,长 5~19m ; 型号 20~ 63,长 6~19m 。
型号尺寸( mm )截面面积(cm 2)理论重量(kg/m)x-x 轴 y-y 轴h mm b mm t w mmt mm R mmI x 4 cmW x 3 cmi x cm I x /Sxcm I y4 cmW y 3 cm I y cm4.18.61.5 10100 684.57.66.514.311.224549 4 933 9.6 15.112.1.6 12.6126 7458.4718.114.2488 779 11 477 15.7 12.16. 1.7 14140 805.59.17.521.516.9 712102 5 2 641 36.5 13.21. 1.8 16160 886 9.9 826.1 20.51127 1417 9 931 910.7.3 15.26. 2.0 18180 946.578.5 30.724.1 1699185 7 4 1232 08.1 17.31. 2.1a100 7 11. 35.527.9 2369 237 6 4 158 6 1 20b20010294939.531.125022507.9 17. 16933. 2.0 5 1 1 78.9 19.41. 2.3a110 7.5 12.42.1 33 3406 310 9 2 226 1 2 22b2201129.539.5 46.536.535833268.7 18. 24042. 2.2 8 9 9 710. 21.48.a116 848.538.1 5017 401 2 7 280 4 2.4 25b25011810131053.54252784229.9 21. 29750. 2.3 3 4 4 611. 24.56. 2.4a122 8.5 13. 10. 55.4 43.5 7115 508 3 3 344 4 9 28b28012410. 756147.9748153411. 2436458. 2.4 517 412. 27.70. 2.6a1309.567.152.711080692 8 7 4596 211.11.12.27.73.2.5 32b320 1325 15573.557.711626 7276 3 4843 713.12. 26.76. 2.5c134579.962.712173761 3 95101 314.81. 2.6a1361076.46015796 8784 31 5556 915.14. 30.84. 2.6 36b360 1381281283.665.6 16574921 1 6584 6 413.30. 87.c1401490.871.317351 9648 2 6147 2.610.16. 12.15. 34.92. 2.7 40a400 14255586.1 67.6217141086 9466097符号: h —高度; b —宽度; tw —腹板厚度; t —翼缘平均厚度; I —惯性矩; W —截面模量H 型钢符号: h —高度; b —宽度;t1 —腹板厚度;t2 —翼缘厚度;I —惯性矩;W —截面模量i —回转半径;Sx —半截面的面积矩。
附录常用型钢规格表普通工字钢型号:H+#符号:h—高度;b—宽度;tw—腹板厚度;t—翼缘平均厚度;I—惯性矩;W—截面模量i—回转半径;Sx—半截面的面积矩;长度:型号10~18,长5~19m;型号20~63,长6~19m。
型号尺寸(mm)截面面积(cm2)理论重量(kg/m)x-x轴y-y轴hmmbmmt wmmtmmRmmI xcm4W xcm3i xcmI x/S xcmI ycm4W ycm3I ycm10100682454933 1267457488771147 141408********* 161608868112714193 1818094169918512320a200100792369237158 b1029250225016922a220110333406310226 b112358332624025a250116813105017401280 b1181042527842229728a2801227115508344 b1246174815342436432a3201301511080692459 b13211626727484 c1341217376151036a3601361012601579687831555 b1381216574921584 c140141735196461440a400142217141086660 b144227811139693 c14610223847119272745a45015018102322411433855114 b152111337591500895118 c15412035278156893812250a5001581220141194647218591122142 b160141291014855619421171146 c16216139109506392026122415156a56016621135106655762342221366165 b1681471156850324471424170 c170158124714302551148517563a6301761322151551229400429841702194 b178151671319817131171771199 c7801718014110233932491842205H型钢符号:h—高度;b—宽度;t1—腹板厚度;t2—翼缘厚度;I—惯性矩;W—截面模量i—回转半径;Sx—半截面的面积矩。
型钢规格表规格每米单重(Kg)MJ名称C100*50*15*2.5 4.310C型钢C100*50*15*2.75 4.700C型钢C120*40*20*3 5.360C型钢C120*50*20*3 5.840C型钢C120*60*20*3 6.310C型钢C140*60*20*3 6.780C型钢C150*50*15*2.5 5.300C型钢C160*60*20*37.536C型钢C160*70*20*38.007C型钢C200*70*20*2 5.966C型钢C200*70*20*2.57.458C型钢C200*70*20*38.949C型钢C220*75*20*2.57.640C型钢CT100*100*5.5*810.7000.39C型钢CT100*200*8*1224.9000.58C 型钢CT122*175*7*1122.1000.58C型钢CT124*124*5*812.8000.49C型钢CT125*125*6*914.8000.49C型钢CT125*250*9*1436.2000.73C型钢CT147*200*8*1228.4000.68C 型钢CT150*150*6.5*918.4000.59C型钢CT150*300*10*1547.0000.89C型钢CT170*250*9*1439.8000.83C 型钢CT173*174*6*920.7000.69C型钢CT175*175*7*1124.8000.69C型钢CT175*350*12*1968.200 1.03C 型钢CT195*300*10*1653.4000.97C型钢CT198*199*7*1128.3000.78C型钢CT200*200*8*1333.0000.79C 型钢CT200*400*13*2185.800 1.18C型钢CT220*300*11*1861.800 1.02C型钢CT225*200*9*1438.0000.84C型钢CT241*300*11*1557.100 1.07C型钢CT244*300*11*1864.200 1.07C型钢CT250*200*10*1644.8000.88C型钢CT291*300*12*1768.500 1.17C型钢CT294*300*12*2075.600 1.17C型钢CT297*302*14*2387.300 1.18C型钢CT300*200*11*1752.8000.98C型钢CT350*300*13*2492.500 1.28C型钢CT62.5*125*6.5*911.9000.37C型钢CT75*150*7*1015.8000.44C型钢CT87.5*175*7.5*1120.1000.51C 型钢CT97*150*6*915.3000.49C型钢BH1000*450*14*25281.030H 型钢BH1100*500*14*25439.600H型钢BH1200*400*14*25283.380H型钢BH1300*400*14*25294.370H型钢BH1300*500*14*30371.770H 型钢BH1500*500*14*30393.750H型钢BH1500*700*20*36619.830H型钢BH700*400*14*25228.430H型钢BH800*350*12*25208.200H型钢BH900*300*12*25197.820H 型钢H100*100*6*817.200H型钢H1100*400*433433.000H型钢H1100*400*499499.000H型钢H125*125*6.5*923.800H型钢H125*125*605*923.800H型钢H148*100*6*1022.2000.65H型钢H150*150*7*1031.900H型钢H175*175*7.5*1140.300H型钢H194*150*6*931.200H型钢H200*100*5.5*821.700H型钢H200*150*3.2*4.516.394H型钢H200*150*4.5*620.701H型钢H200*200*6*833.780H型钢H200*200*8*1250.500H型钢H244*175*7*1144.100H型钢H250*125*3.2*4.514.880H型钢H250*125*6*1030.9300.95H型钢H250*125*6*929.700H型钢H250*150*4.5*622.527H型钢H250*200*8*1251.870 1.28H型钢H250*250*14*1479.340H型钢H250*250*9*1472.400H型钢H250*255*14*1482.200H型钢H294*200*8*1257.300 1.32H型钢H294*200*9*1257.300H型钢H294*302*12*1285.000H型钢H298*149*6*832.010 1.15H型钢H300*150*6.5*937.310H型钢H300*200*6*838.490H型钢H300*200*8*1256.800H型钢H300*300*10*1594.500H型钢H300*300*10*1696.400 1.72H型钢H300*300*1282.500H型钢H300*300*6.5*994.494H型钢H340*250*10*1479.440 1.60H型钢H340*250*9*1479.700H型钢H344*348*10*16111.910 2.00H型钢H346*174*6*1043.150 1.34H 型钢H346*174*6*941.800H型钢H350*170*6*837.080H型钢H350*175*7*1150.000H型钢H350*175*8*1254.070 1.34H型钢H350*250*9*1479.700H型钢H350*350*12*19137.000H型钢H360*370*147147.000H型钢H360*410*287287.000H型钢H360*410*634634.000H型钢H360*410*900900.000H型钢H390*300*10*16107.000H型钢H396*199*7*1156.703H型钢H396*199*8*1260.900 1.52H型钢H400*200*8*1366.000H型钢H400*200*8*1467.300 1.53H型钢H400*300*12*15105.500H型钢H400*400*12*16135.140H型钢H400*400*13*21172.000H型钢H428*407*20*35284.000H型钢H446*199*8*1266.700H型钢H450*150*9*1465.500H型钢H450*200*9*1476.500H型钢H482*300*11*15115.000H型钢H488*300*11*18129.000H型钢H500*200*10*1689.600H型钢H500*200*16*1088.100H型钢H500*500*16*25 1.000H型钢H582*300*12*17137.500H型钢H600*200*11*17106.000H型钢H610*325*174174.000H型钢H610*325*241241.000H型钢H700*300*12*20156.400H型钢H700*300*13*24185.000H型钢H760*265*147147.000H型钢H760*265*196196.000H型钢H760*380*257257.000H型钢H760*381*257257.000H型钢H760*387*257257.000H型钢H760*420*147147.000H型钢H920*380*257257.000H型钢H920*420*11881188.000H型钢H920*420*387387.000H型钢H920*420*417417.000H型钢H920*420*446446.000H型钢H920*420*653653.000H型钢H920*420*784784.000H型钢H920*420*967967.000H型钢H960*387*257257.000H型钢HE160B42.600H型钢HE220AA40.400H型钢HE320A97.600H 型钢HE400B155.000H型钢HE500A155.000H型钢HE500AA107.000H型钢HE500B187.000H型钢HE550A166.000H 型钢HE550B199.000H型钢HE600B212.000H型钢HE650B225.000H型钢HE700B241.000H型钢HE800B262.000H型钢HE900B291.000H型钢HM194*150*6*931.2000.99H型钢HM200*200*8*1248.730H型钢HM244*175*7*1144.100 1.19H型钢HM294*200*8*1257.300 1.39H型钢HM300*150*6.5*935.580H 型钢HM340*250*9*1479.700H型钢HM390*300*10*16107.000 1.98H型钢HM440*300*11*18124.000 2.08H型钢HM450*200*9*1473.770H型钢HM482*300*11*15115.000 2.16H型钢HM488*300*11*18129.000 2.18H型钢HM582*300*12*17137.000 2.36H型钢HM588*300*12*20151.000 2.38H型钢HM594*302*14*23175.000 2.40H型钢HM700*300*13*24185.000 2.60H型钢HM800*300*14*26210.000 2.80H型钢HM900*300*16*28243.000 3.00H型钢HN175*90*5*818.2000.71H型钢HN200*100*5.5*821.7000.80H 型钢HN248*124*5*825.8000.99H型钢HN250*125*6*929.700 1.00H型钢HN298*149*5.5*832.600 1.19H型钢HN300*150*6.5*937.300 1.20H型钢HN300*175*7*1145.490H型钢HN346*174*6*941.800 1.39H型钢HN350*175*7*1150.000 1.40H型钢HN396*199*7*1156.700 1.59H型钢HN400*200*8*1366.000 1.60H型钢HN446*199*8*1266.700H型钢HN450*150*9*1465.500H型钢HN450*200*9*1476.500 1.70H 型钢HN466*199*8*1266.700H型钢HN496*199*9*1479.500 1.79H型钢HN500*200*10*1689.600 1.80H型钢HN550*200*10*1690.900H型钢HN600*200*11*17106.000 2.00H 型钢HN700*300*13*24179.570H型钢HW100*100*6*817.200H型钢HW100*100*6*917.990H型钢HW125*125*6.5*923.800H型钢HW150*150*7*1031.9000.90H型钢HW150*150*7*1132.512H型钢HW175*175*7.5*1140.300 1.05H型钢HW200*100*5.5*820.500H型钢HW200*200*8*1250.500 1.20H型钢HW250*250*9*1472.400 1.50H型钢HW294*200*8*1254.630H 型钢HW300*300*10*1594.500 1.80H型钢HW300*305*15*15106.000 2.00H型钢HW350*350*12*19137.000 2.10H型钢HW400*400*13*21172.000 2.40H型钢L160*90*1019.900H型钢I21a33.070I字钢T122*175*7*1122.100T型钢T122*175*7*1122.100T型钢T125*125*6*714.730T型钢T125*125*6*914.800T型钢T125*125*6*914.800T型钢T125*170*7*1110.000T型钢T147*200*8*1228.700T型钢T147*200*8*1228.700T型钢T147*200*8*1228.700T型钢T150*150*6.5*918.700T型钢T150*305*15*1553.100T型钢T175*350*12*1968.200T型钢T200*200*7*1128.308T型钢T200*400*13*2186.100T型钢T241*300*11*1557.485T型钢T53*35*4 2.712T型钢TM122*175*7*1122.100T型钢TM147*200*8*1228.700T型钢TM170*250*9*1439.900T型钢TM195*300*10*1653.700T型钢TM220*300*11*1861.800T型钢TM241*300*11*1557.500T型钢TM244*300*11*1864.500T型钢TM291*300*12*1768.500T型钢TM294*300*12*2075.500T型钢TM74*100*6*910.700T型钢TN100*100*5.5*810.800T型钢TN124*124*5*812.900T型钢TN125*125*6*914.800T型钢TN149*149*5.5*816.300T型钢TN150*150*6.5*918.700T型钢TN173*174*6*920.900T型钢TN175*175*7*1125.000T型钢TN198*199*7*1128.000T型钢TN200*200*8*1333.000T型钢TN223*199*8*1233.400T型钢TN225*200*9*1438.200T型钢TN248*199*9*1439.700T型钢TN250*200*10*1644.800T型钢TN250*200*9*1439.700T型钢TN253*201*11*1951.500T型钢TN298*199*10*1547.600T型钢TN300*200*11*1753.100T型钢TN300*201*12*2060.100T型钢TN50*50*5*7 4.790T型钢TN62.5*60*6*8 6.670T型钢TN75*75*5*77.140T型钢TN87.5*90*5*89.110T型钢TN99*99*4.5*79.260T型钢TW100*200*8*1225.200T型钢TW100*204*12*1228.300T型钢TW125*250*9*1436.200T型钢TW125*255*14*1441.100T型钢TW147*200*8*1228.700T型钢TW147*302*12*1242.500T型钢TW150*300*10*1547.300T型钢TW150*305*15*1553.100T型钢TW170*250*9*1439.900T型钢TW172*348*10*1657.300T型钢TW175*350*12*1968.200T型钢TW194*402*15*1570.300T型钢TW197*398*11*1873.600T型钢TW200*400*13*2186.100T型钢TW200*408*21*2198.700T型钢TW207*405*18*28116.000T型钢TW214*407*20*35142.000T型钢TW50*100*6*88.560T型钢TW62.5*125*6.5*911.900T型钢TW87.5*175*7.5*1120.200T型钢W10*1928.300W型钢W12*1420.850W型钢W12*5074.480W型钢W12*5886.390W型钢W14*257382.800W型钢W14*398592.830W型钢W14*4871.500W型钢W14*6190.860W型钢W16*6799.800W型钢W18*1522.340W型钢W18*5074.480W型钢W18*5581.930W 型钢W21*101150.440W型钢W21*93138.520W型钢W24*104154.910W型钢W24*117174.270W型钢W24*68101.290W型钢W27*102151.930W型钢W27*146217.470W型钢W27*148220.450W型钢W27*178265.131W型钢W27*84125.120W型钢W30*108160.870W型钢W30*173257.680W型钢W33*108160.870W型钢W33*118175.760W型钢W36*135210.080W型钢W36*493734.320W型钢W40*372554.090W型钢W6*1522.340W型钢W8*1014.895W型钢WT6*4871.500W型钢WT6*6089.370W型钢WT6*76113.200W 型钢Z140*50*20*2.5 5.090Z型钢Z200*87*79*2.57.000Z型钢Z25020 6.910Z型钢Z300*145*30*419.468Z型钢Z400*145*30*422.608Z型钢Z400*245*30*428.888Z型钢Z450*140*40*428.888Z型钢扁钢100*3 2.355扁钢扁钢100*4 3.140扁钢扁钢25*6 1.178扁钢扁钢40*10 3.140扁钢扁钢40*30.942扁钢扁钢40*4 1.256扁钢扁钢40*5 1.570扁钢扁钢40*6 1.884扁钢扁钢50*10 3.925扁钢扁钢60*5 2.355扁钢扁钢80*10 6.280扁钢[1010.0000.36槽钢[1212.059槽钢[12.612.318槽钢[12.6a12.310槽钢[14a14.535槽钢[1619.752槽钢[16a17.240槽钢[18a20.174槽钢[20a22.637槽钢[22a24.9900.71槽钢[22b28.4500.71槽钢[24a26.540槽钢[2531.3900.78槽钢[25a27.4100.77槽钢[25b31.3900.78槽钢[25c35.3200.78槽钢[2835.8100.85槽钢[28a31.4200.85槽钢[28b35.8100.85槽钢[28c40.2100.85槽钢[3043.8000.96槽钢[30a34.4500.96槽钢[30b39.1600.96槽钢[30c43.8100.96槽钢[3243.2500.95槽钢[32a38.0830.95槽钢[32b43.2500.95槽钢[32c48.2800.95槽钢[3653.450 1.06槽钢[36a47.800 1.05槽钢[36b53.450 1.06槽钢[36c59.100 1.06槽钢[4065.190 1.14槽钢[40a58.910 1.14槽钢[40b65.190 1.15槽钢[40c71.470 1.15槽钢[5 5.4400.23槽钢[6.3 6.6300.26槽钢[88.0400.31槽钢[Q108.5900.36槽钢[Q1210.4300.42槽钢[Q1412.2800.48槽钢[Q14a13.3300.50槽钢[Q1614.2200.55槽钢[Q16a15.3400.56槽钢[Q1816.2500.61槽钢[Q18a17.4500.62槽钢[Q2018.3700.67槽钢[Q20a19.7500.69槽钢[Q2220.9700.73槽钢[Q22a22.6200.75槽钢[Q2424.0500.80槽钢[Q24a25.8200.82槽钢[Q2727.6600.88槽钢[Q3031.8000.96槽钢[Q3336.520 1.04槽钢[Q3641.900 1.11槽钢[Q4048.300 1.21槽钢[Q5 4.8400.00槽钢[Q6.5 5.9000.00槽钢[Q87.0500.36槽钢[]100*39.165方钢管[]'100*411.734方管[]120*120*614.618方管[]120*311.020方管[]120*414.570方管[]120*518.060方管[]140*90*413.940方管[]150*150*1043.960方管[]160*160*1047.100方管[]180*180*6.334.361方管[]250*150*1059.660方管[]250*150*530.624方管[]250*150*636.550方管[]300*250*14114.740方管[]'60*4 6.710方管[]80*313.940方管[]'80*49.222方管[]100*412.060方管钢(d) []60*47.030方管钢(d) []80*49.550方管钢(d)φ48.0*3.5 3.841钢管I钢轨50kg/m50.000钢轨Q400*1658.200钢轨QU10088.9600.00钢轨QU120118.1000.00钢轨QU7052.8000.00钢轨QU8063.6900.00钢轨I1011.2610.43工字钢I1213.9870.49工字钢I12.614.2330.50工字钢I12特31.180工字钢I1416.8900.55工字钢I14c80.100工字钢I1620.5130.62工字钢I16a24.546工字钢I1824.1430.68工字钢I2031.0500.75工字钢I20a27.9290.74工字钢I20a/213.960工字钢I20b31.0690.75工字钢I2236.5000.83工字钢I22a33.0700.82工字钢I22b36.5240.82工字钢I2542.0100.90工字钢I25a38.1050.90工字钢I25b42.0300.90工字钢I2847.8600.98工字钢I28a43.4920.98工字钢I28b47.8880.98工字钢I28c77.200工字钢I30a48.000 1.08工字钢I30a48.000工字钢I30b52.700工字钢I3257.710 1.08工字钢I32a52.717 1.08工字钢I32b57.741 1.09工字钢I32c62.765 1.09工字钢I3665.660 1.19工字钢I36a60.037 1.18工字钢I36b65.689 1.19工字钢I36c71.341 1.19工字钢I4073.840 1.29工字钢I40a67.598 1.29工字钢I40b73.878 1.29工字钢I40c80.158 1.29工字钢I4587.450 1.42工字钢I45a80.420 1.41工字钢I45b87.485 1.42工字钢I45c94.550 1.42工字钢I50101.460 1.54工字钢I50a93.654 1.54工字钢I50b101.504 1.54工字钢I50c109.354 1.55工字钢I56115.060 1.69工字钢I56a106.270 1.69工字钢I56b115.060 1.69工字钢I56b/257.530 1.69工字钢I56b/257.530工字钢I56c123.850 1.69工字钢I63131.250 1.87工字钢I63a121.360 1.86工字钢I63b131.250 1.87工字钢I63c141.140 1.87工字钢IQ109.4600.39工字钢IQ1211.5500.46工字钢IQ1413.6800.53工字钢IQ1615.8900.60工字钢IQ1818.3500.67工字钢IQ18a19.9200.71工字钢IQ2021.0400.75工字钢IQ20a22.6900.79工字钢IQ2224.0400.83工字钢IQ22a25.7600.87工字钢IQ2427.3500.89工字钢IQ24a29.4000.92工字钢IQ2731.5400.98工字钢IQ27a33.890 1.02工字钢IQ3036.490 1.08工字钢IQ30a39.180 1.11工字钢IQ3342.250 1.15工字钢IQ3648.560 1.23工字钢IQ4056.080 1.34工字钢IQ4565.180 1.46工字钢IQ5076.810 1.59工字钢IQ5589.830 1.73工字钢IQ5589.800工字钢IQ60103.980 1.86工字钢IQ65119.940 1.99工字钢IQ70138.180 2.13工字钢IQ70a158.310 2.12工字钢IQ70b183.800 2.12工字钢轨道18kg/m18.000轨道轨道43kg/m43.000轨道轨道43kg/m43.000轨道~1080.800花纹板~432.800花纹板~4.540.100花纹板~540.100花纹板~648.800花纹板~864.900花纹板L100*1015.1200.39角钢L100*1217.8980.39角钢L100*1420.6110.39角钢L100*1623.2570.39角钢L100*69.3660.39角钢L100*63*1012.1420.32角钢L100*63*67.5500.32角钢L100*63*78.7220.32角钢L100*63*89.8780.32角钢L100*710.8300.39角钢L100*812.2760.39角钢L100*80*1013.4760.35角钢L100*80*68.3500.35角钢L100*80*79.6560.35角钢L100*80*810.9460.35角钢L110*1016.6900.43角钢L110*1219.7820.43角钢L110*1422.8090.43角钢L110*711.9280.43角钢L110*70*1013.4760.35角钢L110*70*68.3500.35角钢L110*70*79.6560.35角钢L110*70*810.9460.35角钢L110*813.5320.43角钢L120*1018.300角钢L120*1221.700角钢L120*1425.150角钢L125*1019.1330.49角钢L125*1222.6960.49角钢L125*1426.1930.49角钢L125*815.5040.49角钢L125*80*1015.4740.40角钢L125*80*1218.3300.40角钢L125*80*711.0660.40角钢L125*80*812.5510.40角钢L125*90*1323.280角钢L130*1223.402角钢L140*1021.4880.55角钢L140*1225.5220.55角钢L140*1429.4900.55角钢L140*1633.3930.55角钢L140*35*814.286角钢L140*90*1017.4750.45角钢L140*90*1220.7240.45角钢L140*90*1423.9080.45角钢L140*90*814.1600.45角钢L150*1227.400角钢L160*1024.7290.63角钢L160*100*1019.8720.51角钢L160*100*1223.5920.51角钢L160*100*1427.2470.51角钢L160*100*1630.8350.51角钢L160*1229.3910.63角钢L160*1433.9870.63角钢L160*1638.5180.63角钢L160*1742.732角钢L180*10角钢L180*110*1022.2730.57角钢L180*110*1226.4640.57角钢L180*110*1430.5890.57角钢L180*110*1634.6490.57角钢L180*1233.1590.71角钢L180*1438.3830.71角钢L180*1643.5420.71角钢L180*1848.6340.71角钢L20*30.8890.08角钢L20*4 1.1450.08角钢L200*101*1639.155角钢L200*101*1843.660角钢L200*125*1229.7610.64角钢L200*125*1434.4360.64角钢L200*125*1639.0450.64角钢L200*125*1843.5880.64角钢L200*1442.8940.79角钢L200*1648.6800.79角钢L200*1854.4010.79角钢L200*2060.0560.79角钢L200*2471.1680.79角钢L25*16*30.9120.08角钢L25*16*4 1.1760.08角钢L25*3 1.1240.10角钢L25*4 1.4590.10角钢L250*90*1026.800角钢L30*3 1.3730.12角钢L30*4 1.7860.12角钢L32*20*3 1.1710.10角钢L32*20*4 1.5220.10角钢L36*3 1.6560.14角钢L36*4 2.1630.14角钢L36*5 2.6540.14角钢L40*25*3 1.4840.13角钢L40*25*4 1.9360.13角钢L40*3 1.8520.16角钢L40*4 2.4220.16角钢L40*5 2.9760.16角钢L45*28*3 1.6870.14角钢L45*28*42.2030.14角钢L45*3 2.0880.18角钢L45*4 2.7360.18角钢L45*53.3690.18角钢L45*6 3.9850.18角钢L50*3 2.3320.20角钢L50*32*3 1.9080.16角钢L50*32*4 2.4940.16角钢L50*4 3.0590.20角钢L50*5 3.7700.20角钢L50*64.4650.20角钢L56*3 2.6240.22角钢L56*36*3 2.1530.18角钢L56*36*4 2.8180.18角钢L56*36*5 3.4660.18角钢L56*4 3.4460.22角钢L56*5 4.2510.22角钢L56*8 6.5680.22角钢L60*6角钢L63*109.1510.25角钢L63*4 3.9070.25角钢L63*40*4 3.1850.20角钢L63*40*5 3.9200.20角钢L63*40*6 4.6380.20角钢L63*40*75.3390.20角钢L63*5 4.8220.25角钢L63*6 5.7210.25角钢L63*87.4690.25角钢L70*3 3.487角钢L70*4 4.3720.28角钢L70*45*4 3.5700.23角钢L70*45*5 4.4030.23角钢L70*45*6 5.2180.23角钢L70*45*76.0110.22角钢L70*5 5.3970.28角钢L70*6 6.4060.27角钢L70*77.3980.27角钢L70*70*3 3.297角钢L70*88.3730.27角钢L75*1011.0890.29角钢L75*45*5 4.4030.23角钢L75*5 5.8180.29角钢L75*50*109.0980.24角钢L75*50*54.8080.25角钢L75*50*65.6990.24角钢L75*50*87.4310.24角钢L75*6 6.9050.29角钢L75*77.9760.29角钢L75*89.0300.29角钢L80*1011.8740.31角钢L80*5 6.2110.31角钢L80*50*5 5.0050.26角钢L80*50*6 5.9350.25角钢L80*50*7 6.8480.25角钢L80*50*87.7450.25角钢L80*67.3760.31角钢L80*78.5250.31角钢L80*89.6580.31角钢L90*1013.4760.35角钢L90*1215.9400.35角钢L90*56*5 5.6610.29角钢L90*56*6 6.717角钢L90*56*6 6.7170.29角钢L90*56*77.7560.29角钢L90*56*88.7790.29角钢L90*68.3500.35角钢L90*79.6560.35角钢L90*810.9460.35角钢L90*912.211角钢Ll40*1021.488角钢L*140*90*10/10*234.950角钢(大钢) L*160*100*12/10*247.184角钢(大钢) L*50*5/10*27.540角钢(大钢) L*63*5/8*29.644角钢(大钢) L*70*5/12*210.794角钢(大钢) L*75*6/10*213.810角钢(大钢) L*80*6/8*214.752角钢(大钢)L100*6*218.732角钢(大钢) L63*5*29.644角钢(大钢) L70*6*212.812角钢(大钢) L80*6*214.752角钢(大钢)螺栓 M120.001螺栓螺栓 M24(S-15)0.001螺栓螺栓 M24(S-80)0.001螺栓{2018.400轻型槽钢φ120.888圆钢φ14 1.210圆钢φ14 1.210圆钢φ159155.880圆钢φ16 1.580圆钢φ18 1.998圆钢φ20 2.470圆钢φ146*620.715圆管φ159*622.640圆管φ168*623.970圆管φ180*625.750圆管φ219*631.515圆管φ26.8*2.75 1.631圆管φ32*2 1.480圆管φ32*2.5 1.819圆管φ33.25*3.25 2.404圆管φ33.5*3.25 2.424圆管φ42.25*3.25 3.126圆管φ42.3*3.25 3.130圆管φ42.35*3.25 3.134圆管φ42.5*3.25 3.146圆管φ45*2.5 2.620圆管φ48*3.5 3.841圆管φ50*2.5 2.928圆管φ60*3 4.217圆管φ60*3.5 4.877圆管>L21/2*21/2*5/1614.895>L3*3*5/1618.170>L31/2*31/2*5/1621.450>L4*4*1/238.130>L4*4*3/629.190>L4*4*3/829.190BH400*300*12*25150.720 1.88H型钢BH400*400*9*12101.920 1.96H型钢BZ200*87*79*20*2.57.900Z型钢HN350*350*12*19133.790H型钢HN596*199*10*1591.290H型钢HM244*175*7*1142.420H型钢HW500*300*10*16112.090H型钢HN250*120*6*927.88035.52H型钢HM340X250X9X1479.700HM340*250*9*14 <100*6 <125*80*8。
工字型钢、角钢、槽钢、管材、圆钢、方管之答禄夫天创作创作时间:贰零贰壹年柒月贰叁拾日附录经常使用型钢规格表普通工字钢符号:h—高度;b—宽度;tw—腹板厚度;t—翼缘平均厚度;I—惯性矩;W—截面模量i—回转半径;Sx—半截面的面积矩;长度:型号10~18,长5~19m;型号20~63,长6~19m。
型号尺寸(mm)截面面积(cm2)理论重量(kg/m)x-x轴y-y轴hmmbmmt wmmtmmRmmI xcm4W xcm3i xcmI x/S xcmI ycm4W ycm3I ycm10 100 68 245 49 33126 74 5 7 488 77 11 47 14 140 80 712 102 12.2 64 16 160 88 6 8 1127 141 93 18 180 94 1699 185 12320 a200100 792369 237 158 b 102 9 2502 250 16922 a220110 33 3406 310 226 b 112 3583 326 24025 a250116 813 105017 401 280 b 118 10 42 5278 422 29728 a280122 7115 508 344 b 124 61 7481 534 24 36432 a3201301511080 692 459b 132 11626 727 484c 134 12173 761 51036 a360136 101260 15796 878 31 555b 138 12 16574 921 584c 140 14 17351 964 61440 a400142 21714 1086 660b 144 22781 1139 693c 146 102 23847 1192 72745 a45015018102 32241 1433 855 114 b 152 111 33759 1500 895 118H 型钢符号:h—高度;b—宽度;t1—腹板厚度;t2—翼缘厚度;I—惯性矩;W—截面模量i—回转半径;Sx—半截面的面积矩。
i—回转半径;Sx一半截面的面积矩;长度:型号10〜18,长5〜19m;型号20〜63,长6〜19m。
型号T 4(mm)截面面积(cm2)理论重量(kg/m)x-x车轴y-y轴h mmbmmtwmmtmm R mmIx - cm4 ---Wx—cm3—ix―cmI x/S x―cmIy ―cm4—W ycm3Iy ―cm-10 100 68 4.5 7.6 6.5 14.3 11.2 245 49 4.14 8.69 33 9.6 1.51 12.6 126 74 5 8.4 7 18.1 14.2 488 77 5.19 11 47 12.7 1.61 14 140 80 5.5 9.1 7.5 21.5 16.9 712 102 5.75 12.2 64 16.1 1.73 16 160 88 6 9.9 8 26.1 20.5 1127 141 6.57 13.9 93 21.1 1.89 18 180 94 6.5 10.7 8.5 30.7 24.1 1699 185 7.37 15.4 123 26.2 2.00a20b 200 10010279 11.4 935.539.527.931.1236925022372508.167.9517.417.115816931.633.12.112.07a22b 220 1101127.59.5 12.3 9.542.146.53336.5340635833103268.998.7819.218.922624041.142.92.322.27a25b 250 116118810 13 1048.553.538.1425017527840142210.29.9321.721.428029748.450.42.42.36a28b 280 1221248.510.5 13.7 10.555.46143.547.97115748150853411.311.124.32434436456.458.72.492.44a32 bc 3201301321349.511.513.515 11.567.173.579.952.757.762.711080116261217369272776112.812.612.327.727.326.945948451070.673.376.12.622.572.53a36 bc 36013613814010121415.8 1276.483.690.86065.671.315796165741735187892196414.414.113.83130.630.255558461481.684.687.72.692.642.6a40 bc 40014214414610.512.514.516.5 12.586.194.110267.673.880.121714227812384710861139119215.915.615.334.433.933.566069372792.996.299.72.772.712.67a45 bc 45015015215411.513.515.518 13.510211112080.487.494.532241337593527814331500156817.717.417.138.538.137.68558959381141181222.892.842.79a50 bc 50015816016212141620 1411912913993.610110946472485565063918591942202619.719.419.142.942.341.91122117112241421461513.073.012.96a56 bc 56016616817012.514.516.521 14.51351471581061151246557668503714302342244725512221.621.347.947.346.81366142414851651701753.183.123.07a63 bc 63017617878013151722 15155167180122131141940049817110233929843117324924.724.223.953.853.252.61702177118421941992053.323.253.2附录常用型钢规格表普通工字钢符号:h—高度;b—宽度;tw一腹板厚度;t—翼缘平均厚度;I—惯性矩;W—截面模量H型钢符号:同普通工字钢 但Wy 为对应翼缘肢尖型号尺寸 (mm )截面 面积 (cm 2) 理论 重量 (kg/m) x-x 轴 y-y 轴y-y1 轴 Z 0 hb twt R IWiIWII. x(cm 4) x(cm 3) x(cm) y(cm 4) y(cm 3) y(cm) y 1 (cm 4) (cm)55037 4.5 7 7 6.92 5.44 26 10.4 1.94 8.3 3.5 1.1 20.9 1.356.363 40 4.8 7.5 7.5 8.45 6.63 51 16.3 2.46 11.9 4.6 1.19 28.3 1.39 880 43 5 8 8 10.24 8.04 101 25.3 3.14 16.6 5.8 1.27 37.4 1.42 10100 48 5.3 8.5 8.5 12.74 10 198 39.7 3.94 25.6 7.8 1.42 54.9 1.52 12.612653 5.5 9 9 15.69 12.31 389 61.7 4.98 38 10.3 1.56 77.8 1.59a586 9.5 9.5 18.51 14.53 564 80.5 5.52 53.2 13 1.7 107.2 1.71 14b14060 8 9.5 9.5 21.31 16.73 609 87.1 5.35 61.2 14.1 1.69 120.6 1.67a636.5 10 10 21.95 17.23 866 108.3 6.28 73.4 16.3 1.83 144.1 1.79 16b16065 8.5 10 10 25.15 19.75 935 116.8 6.1 83.4 17.6 1.82 160.8 1.75a687 10.5 10.5 25.69 20.17 1273 141.4 7.04 98.6 20 1.96 189.7 1.88 18b18070 9 10.5 10.5 29.29 22.99 1370 152.2 6.84 111 21.5 1.95 210.1 1.84a737 11 11 28.83 22.63 1780 178 7.86 128 24.2 2.11 244 2.01 20b20075 9 11 11 32.83 25.77 1914 191.4 7.64 143.6 25.9 2.09 268.4 1.95a777 11.5 11.5 31.84 24.99 2394 217.6 8.67 157.8 28.2 2.23 298.2 2.1 22b22079 9 11.5 11.5 36.24 28.45 2571 233.8 8.42 176.5 30.1 2.21 326.3 2.03a787 12 12 34.91 27.4 3359 268.7 9.81 175.9 30.7 2.24 324.8 2.07 25b 250 80 9 12 12 39.91 31.33 3619 289.6 9.52 196.4 32.7 2.22 355.1 1.99c 82 11 12 12 44.91 35.25 3880 310.4 9.3 215.9 34.6 2.19 388.6 1.96a827.5 12.5 12.5 40.02 31.42 4753 339.5 10.9 217.9 35.7 2.33 393.3 2.09 28b 280 84 9.5 12.5 12.5 45.62 35.81 5118 365.6 10.59 241.5 37.9 2.3 428.5 2.02c 86 11.5 12.5 12.5 51.22 40.21 5484 391.7 10.35 264.1 40 2.27 467.3 1.99a888 14 14 48.5 38.07 7511 469.4 12.44 304.7 46.4 2.51 547.5 2.24 32b 320 90 10 14 14 54.9 43.1 8057 503.5 12.11 335.6 49.1 2.47 592.9 2.16c 92 12 14 14 61.3 48.12 8603 537.7 11.85 365 51.6 2.44 642.7 2.13a969 16 16 60.89 47.8 11874 659.7 13.96 455 63.6 2.73 818.5 2.44 36b 360 98 11 16 16 68.09 53.45 12652 702.9 13.63 496.7 66.9 2.7 880.5 2.37c 100 13 16 16 75.29 59.1 13429 746.1 13.36 536.6 70 2.67 948 2.34a10010.5 18 18 75.04 58.91 17578 878.9 15.3 592 78.8 2.81 1057.9 2.49 40b 400 102 12.5 18 18 83.04 65.19 18644 932.2 14.98 640.6 82.6 2.78 1135.8 2.44c10414.5181891.0471.4719711985.614.71687.886.22.751220.32.42普通槽钢长度:型号5〜8,长5〜12m ; 型号10〜18,长5〜19m ; 型号20〜20,长6〜19m 。
附录一般型钢规格对照表
普通工字钢
符号:h—高度;
b—宽度;
tw—腹板厚度;
t—翼缘平均厚度;
I—惯性矩;
W—截面模量i—回转半径;
Sx—半截面的面积矩;
长度:
型号10~18,长5~19m;
型号20~63,长6~19m。
H型钢
质量q kg/m
x-x轴
I x W x (cm4) (cm3)
质量q kg/m
x-x轴
I x W x (cm4) (cm3)
普通槽钢
符号:
同普通工字钢
但Wy为对应翼缘肢尖长度:
型号5~8,长5~12m;
型号10~18,长5~19m;
型号20~20,长6~19m。
等边角钢
截面积
质量惯性矩iy,当a为下列数值
A Ix Wxmax
等边角钢
惯性矩i y,当a为下列数值重心矩截面积
质量
不等边角钢
iy,当a为下列数值iy,当a为下列数值截面积
质量
不等边角钢
截面积质量iy,当a为下列数值iy,当a为下列数值Zy A ix 8mm 10mm 6mm 8mm 10mm 12mm
注:一个角钢的惯性矩I x=Ai x2,I y=Ai y2;一个角钢的截面个角钢的截面模量W x max=I x/Z x,W x min=I x/(b- Z x); W y ax=I y Z y W x min=I y(b- Z y)。
附录常用型钢规格表普通工字钢符号:h—高度;b—宽度;tw—腹板厚度;t—翼缘平均厚度;I—惯性矩;W—截面模量i—回转半径;Sx—半截面的面积矩;长度:型号10~18,长5~19m;型号20~63,长6~19m。
型号尺寸(mm)截面面积(cm2)理论重量(kg/m)x-x轴y-y轴hmmbmmt wmmtmmRmmI xcm4W xcm3i xcmI x/S xcmI ycm4W ycm3I ycm10100682454933 1267457488771147 141408********* 161608868112714193 1818094169918512320a200100792369237158 b1029250225016922a220110333406310226 b112358332624025a250116813105017401280 b1181042527842229728a2801227115508344 b1246174815342436432a3201301511080692459 b13211626727484 c1341217376151036a3601361012601579687831555 b1381216574921584 c140141735196461440a400142217141086660 b144227811139693 c146102238471192727H型钢符号:h—高度;b—宽度;t1—腹板厚度;t2—翼缘厚度;I—惯性矩;W—截面模量i—回转半径;Sx—半截面的面积矩。
类别H型钢规格(h×b×t1×t2)截面积Acm2质量qkg/mx-x轴y-y轴I x W x i x I y W y I y(cm4)(cm3)(cm)(cm4)(cm3)(cm)HW 100×100×6×8 238329001600503017001080115001700116020501600144033001120040301890112011001170310015301190010406120符号:h—高度;b—宽度;t1—腹板厚度;t2—翼缘厚度;I—惯性矩;W—截面模量i—回转半径;Sx—半截面的面积矩。
类别H型钢规格(h×b×t1×t2)截面积Acm2质量qkg/mx-x轴y-y轴I x W x i x I y W y I y(cm4)(cm3)(cm)(cm4)(cm3)(cm)114001600170012806100811060801400293010301180902010601220188011200188010101450符号:h—高度;b—宽度;t1—腹板厚度;t2—翼缘厚度;I—惯性矩;W—截面模量i—回转半径;Sx—半截面的面积矩。
类别H型钢规格(h×b×t1×t2)截面积Acm2质量qkg/mx-x轴y-y轴I x W x i x I y W y I y(cm4)(cm3)(cm)(cm4)(cm3)(cm)11901200290013001580150018701540190018407200902020101080普通槽钢符号:同普通工字钢但Wy为对应翼缘肢尖长度:型号5~8,长5~12m;型号10~18,长5~19m;型号20~20,长6~19m。
型号尺寸(mm)截面面积(cm2)理论重量(kg/m)x-x轴y-y轴y-y1轴Z0 h b t w t RI x W x i x I y W y I y I y1(cm4)(cm3)(cm)(cm4)(cm3)(cm)(cm4)(cm)5503777266340518804358810110100481019812653993893814a14058656413 b60860916a160631010866 b65101093518a180687127320 b709137011120a20073711111780178128244 b7591111191422a2207772394 b799257125a25078712123359 b80912123619 c82111212388028a280824753b845118c8654844032a32088814147511b901014148057c92121414860336536a360969161611874455b9811161612652c100131616134297094840a4001001818175785921057.9 b1021818186441135.8 c1041818197111220.3等边角钢型号单角钢双角钢圆角重心矩截面积质量惯性矩截面模量回转半径iy,当a为下列数值R Z0A Ix Wxmax Wxmin ix ix0iy06mm8mm10mm12mm14mm(mm)(cm2)(kg/m)(cm4)(cm3)(cm)(cm)20×364L25×34L30×34L36×310 45L40×35 45L45×354513 6螺旋钢管规格表|螺旋钢管每米理论重量表720*8螺旋钢管每米重量公式[(外径-壁厚)*壁厚]*=kg/米(每米的重量)等边角钢161701181881L200×1418210416236642718262122867243338角钢型号B×b×t单角钢双角钢圆角重心矩截面积质量回转半径iy,当a为下列数值iy,当a为下列数值RZxZyAixiyiy6mm8mm10mm12mm6mm8mm10mm12mm (mm)(cm2)(kg/m)(cm)(cm)(cm)L25×16×34L32×20×341L40×25×344B×b×t圆角重心矩截面积质量回转半径iy,当a为下列数值iy,当a为下列数值R Zx Zy A ix iy iy06mm8mm10mm12mm6mm8mm10mm12mm(mm)(cm2)(kg/m)(cm)(cm)(cm)(mm)(cm2)(kg/m)(cm)(cm)(cm)(mm)(cm2)(kg/m)(cm)L100×63×6105 78151034L100×80×610730 810L110×70×6107283 1037L125×80×711188161012206L140×90×8124518 101214L160×100×1013121454 16L180×110×1014 12注:一个角钢的惯性矩I x=Ai x2,I y=Ai y2;一个角钢的截面个角钢的截面模量W x max=I x/Z x,W x min=I x/(b- Z x); W y ax=I y Z y W x min=I y(b- Z y)。