检测技术实验1 热电阻热电偶测温特征实验
- 格式:pdf
- 大小:295.76 KB
- 文档页数:5
热敏电阻和热电偶温差电势的测量随着半导体热敏电阻和热电偶在工业中的应用日益广泛,我们有必要对它们的一些温度特性有所了解。
DHT 型热学实验仪是集加热、传感、测量于一体的多功能实验仪器。
采用单片机测量、控制。
脉宽调制式加热,温度采用精确的PID 参数自整定控制。
具有测、控温精度高,加热时间快,降温时间短,操作使用方便。
实验安全、无环境污染。
可以任意地设定加热温度(室温~150℃) 一、实验目的1、热敏电阻的温度特性研究。
2、铜—康铜热电偶温差电势的特性研究。
3、描绘热敏电阻和热电偶温差电势的特性曲线。
4、了解PID 在工业控制中运用的原理和方法。
二、实验仪器DHT 型热学实验仪、直流电桥、数字万用表 三、实验原理 1、热敏电阻热敏电阻是一种电阻值随其电阻体的温度变化呈显著变化的热敏感电阻。
它多由金属氧化物半导体材料制成,也有由单晶半导体、玻璃和塑料制成的。
由于热敏电阻具有体积小、结构简单、灵敏度高、稳定性好、易于实现远距离测量和控制等优点,所以广泛应用于测温、控温、温度补偿、报警等领域。
本实验所测试样为负温度系数(NTC)热敏电阻,它的电阻值随温度升高而减小。
其电阻温度特性的通用公式为)11(2121T T B eR R -= (1)式中,R l 为温度T l 时的阻值;R 2为温度为T 2时的阻值;B 为热敏指数,由材料的物理特性决定。
若设T 2趋于无穷大,上式可简化成TB T Ae R = (2)热敏电阻温度系数的定义式为dTdR R TT 1=α对于负温度系数热敏电阻,其温度系数是温度丁的函数,以T α表示。
可以得出2TBT -=α (3) 上式表示,对负温度系数电阻来说,T α在工作温度范围内随温度增加迅速减小。
表示温度系数时要注明其温度值,通常以25℃时的值来表示。
对式(2)线性化,可得TBA R T 1ln ln += (4)作T1~T R ln 曲线,此直线斜率即为B ,截距为lnA 。
一、实验目的1. 了解温度传感器的基本原理和种类。
2. 掌握热电偶、热敏电阻等常用温度传感器的温度特性测量方法。
3. 研究不同温度传感器在不同温度范围内的响应特性。
4. 分析实验数据,评估温度传感器的准确性和可靠性。
二、实验原理温度传感器是将温度信号转换为电信号的装置,常用的温度传感器有热电偶、热敏电阻、热敏晶体管等。
本实验主要研究热电偶和热敏电阻的温度特性。
1. 热电偶测温原理热电偶是一种基于塞贝克效应的温度传感器,由两种不同材料的导体构成。
当两种导体的自由端分别处于不同温度时,会产生热电势,其大小与温度有关。
通过测量热电势,可以确定温度。
2. 热敏电阻测温原理热敏电阻是一种基于半导体材料的电阻值随温度变化的温度传感器。
根据电阻值随温度变化的规律,可以将温度信号转换为电信号。
热敏电阻分为正温度系数热敏电阻(PTC)和负温度系数热敏电阻(NTC)。
三、实验仪器与设备1. 热电偶(K型、E型)2. 热敏电阻(NTC、PTC)3. 温度控制器4. 数字多用表(万用表)5. 数据采集器6. 实验平台7. 温度传感器实验装置四、实验步骤1. 热电偶温度特性测量(1)将K型热电偶和E型热电偶分别接入实验装置,调节温度控制器,使温度逐渐升高。
(2)使用数字多用表测量热电偶两端的热电势,记录数据。
(3)将热电势与温度对应,绘制热电偶的温度特性曲线。
2. 热敏电阻温度特性测量(1)将NTC热敏电阻和PTC热敏电阻分别接入实验装置,调节温度控制器,使温度逐渐升高。
(2)使用数字多用表测量热敏电阻的电阻值,记录数据。
(3)将电阻值与温度对应,绘制热敏电阻的温度特性曲线。
五、实验结果与分析1. 热电偶温度特性曲线通过实验数据绘制出K型和E型热电偶的温度特性曲线,可以看出热电偶的温度特性与温度之间呈线性关系,但在低温区域可能存在非线性。
2. 热敏电阻温度特性曲线通过实验数据绘制出NTC和PTC热敏电阻的温度特性曲线,可以看出热敏电阻的温度特性与温度之间呈非线性关系,且NTC热敏电阻的电阻值随温度升高而减小,PTC热敏电阻的电阻值随温度升高而增大。
一、实验目的1. 理解不同温度测量原理的基本概念。
2. 掌握热电偶、热敏电阻和热电阻等常用温度传感器的测温原理。
3. 学习温度传感器的标定方法。
4. 通过实验,验证理论知识的正确性,并分析实验误差。
二、实验原理温度测量原理主要分为接触式测量和非接触式测量两种。
本实验主要探讨接触式测量原理,包括以下几种:1. 热电偶测温原理:热电偶是由两种不同金属导线组成的闭合回路,当热电偶两端存在温度差时,会在回路中产生热电势,热电势与温度呈线性关系。
2. 热敏电阻测温原理:热敏电阻的电阻值随温度变化而变化,通过测量电阻值,可以间接测量温度。
3. 热电阻测温原理:热电阻的电阻值随温度变化而变化,通过测量电阻值,可以间接测量温度。
三、实验器材1. 热电偶(K型、E型)2. 热敏电阻3. 热电阻4. 温度传感器实验模块5. CSY2001B型传感器系统综合实验台6. 温控电加热炉7. 连接电缆8. 万用表:VC9804A,附表笔及测温探头9. 万用表:VC9806,附表笔四、实验步骤1. 热电偶测温实验:(1)将K型热电偶和E型热电偶分别连接到实验模块上。
(2)将热电偶的热端放入已知温度的恒温水中,记录冷端温度和对应的热电势。
(3)根据热电偶分度表,计算实际温度。
2. 热敏电阻测温实验:(1)将热敏电阻连接到实验模块上。
(2)逐渐改变热敏电阻周围的温度,记录电阻值和对应温度。
(3)根据电阻温度系数,计算实际温度。
3. 热电阻测温实验:(1)将热电阻连接到实验模块上。
(2)逐渐改变热电阻周围的温度,记录电阻值和对应温度。
(3)根据电阻温度系数,计算实际温度。
五、实验结果与分析1. 热电偶测温实验:实验结果显示,K型热电偶和E型热电偶的测量值与实际温度基本一致,误差在允许范围内。
2. 热敏电阻测温实验:实验结果显示,热敏电阻的测量值与实际温度基本一致,误差在允许范围内。
3. 热电阻测温实验:实验结果显示,热电阻的测量值与实际温度基本一致,误差在允许范围内。
第1篇一、实验目的1. 了解温度测量的基本原理和方法;2. 掌握常用温度传感器的性能特点及适用范围;3. 学会使用温度传感器进行实际测量;4. 分析实验数据,提高对温度测量技术的理解。
二、实验仪器与材料1. 温度传感器:热电偶、热敏电阻、PT100等;2. 温度测量仪器:数字温度计、温度测试仪等;3. 实验装置:电加热炉、万用表、连接电缆等;4. 待测物体:不同材质、不同形状的物体。
三、实验原理1. 热电偶测温原理:利用两种不同金属导体的热电效应,即当两种导体在两端接触时,若两端温度不同,则会在回路中产生电动势。
通过测量电动势的大小,可以计算出温度。
2. 热敏电阻测温原理:热敏电阻的电阻值随温度变化而变化,根据电阻值的变化,可以计算出温度。
3. PT100测温原理:PT100是一种铂电阻温度传感器,其电阻值随温度变化而线性变化,通过测量电阻值,可以计算出温度。
四、实验步骤1. 实验一:热电偶测温实验(1)将热电偶插入电加热炉中,调整加热炉温度;(2)使用数字温度计测量热电偶冷端温度;(3)根据热电偶分度表,计算热电偶热端温度;(4)比较实验数据与实际温度,分析误差。
2. 实验二:热敏电阻测温实验(1)将热敏电阻插入电加热炉中,调整加热炉温度;(2)使用数字温度计测量热敏电阻温度;(3)根据热敏电阻温度-电阻关系曲线,计算热敏电阻温度;(4)比较实验数据与实际温度,分析误差。
3. 实验三:PT100测温实验(1)将PT100插入电加热炉中,调整加热炉温度;(2)使用数字温度计测量PT100温度;(3)根据PT100温度-电阻关系曲线,计算PT100温度;(4)比较实验数据与实际温度,分析误差。
五、实验结果与分析1. 实验一:热电偶测温实验实验结果显示,热电偶测温具有较高的准确性,误差在±0.5℃以内。
分析误差原因,可能包括热电偶冷端补偿不准确、热电偶分度表误差等。
2. 实验二:热敏电阻测温实验实验结果显示,热敏电阻测温具有较高的准确性,误差在±1℃以内。
实验一热电偶与热电阻的特性实验一、实验目的1、熟悉热电偶与热电阻的结构。
2、掌握热电偶与热电阻的测温原理和方法。
3、掌握热电偶分度表与热电阻分度表的使用方法。
4、熟悉恒温器的使用方法。
二、实验设备1、K型和E型热电偶各1支2、Pt100和Cu50热电阻各1支3、加热恒温装置1套4、数字万用表1块5、水银温度计1支6、热电偶与热电阻分度表各1套三、实验原理1、热电偶测温原理将两种不同性质导体的一端焊接起来,即构成一支热电偶。
当热电偶的两端温度不同时,在热电偶回路中将产生热电势;如果冷端温度恒定,则热电势只与热端温度有关。
因此测出热电势,查相应型号的热电偶分度表,即可测得热端温度。
2、热电阻测温原理将热电阻插在测温场所,被测温度变化会引起金属电阻值变化,测出电阻值,查相应型号的热电阻分度表,便可测得温度的数值。
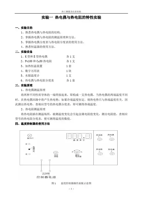
四、温度控制器的使用方法图1 温度控制器操作面板示意图操作方法:以温度控制在40℃为例,将控制器电源开关打到开的位置后,指示灯亮,开始加温,温度数字显示表的温度值应慢慢增加。
当指示灯开始闪烁,表明已达到恒温的温度值。
如果此时恒温温度值高于或低于40℃,则需对设定值进行调整。
由于恒温箱有一定的升温惯性,为了提高实验的效率,最好先将温度设定值定得稍低于40℃,例如37℃。
当温度接近40℃恒温时,再稍微提高温度设定值。
当温度稳定在40℃时,就开始测量各支热电偶的热电势以及各支热电阻的电阻值,并做好记录。
40℃档实验结束后,进行50℃、60℃档实验,操作方法相同。
五、实验步骤1、了解恒温箱工作原理。
打开恒温箱,查看恒温箱的内部结构。
理解后封闭好恒温箱。
2、将两支热电偶、两支热电阻及水银温度计的测温端同时插入恒温装置相应孔内。
3、用万用表的mV档分别测出K型和E型热电偶输出的热电势值;用万用表的欧姆档分别测出Pt100和Cu50热电阻的电阻值,记录数据;读取水银温度计数值,测出当前恒温炉内温度,记为t0。
热电偶测温性能实验报告一热电偶的工作原理,补偿方法及其应用1热电偶的工作原理(1)概况:热电偶是一种感温元件,热电偶的工作原理这就要从热电偶测温原理说起。
一次仪表,直接测量温度,并把温度信号转换成热电动势信号,通过电气仪表(二次仪表)转换成被测介质温度。
热电偶测温的基本原理是两种不同成份的材质导体组成闭合回路,当两端存在温度梯度时,回路中就会有电流通过,此时两端之间就存在Seebeck电动势—热电动势,这就是所谓的塞贝克效应。
两种不同成份的均质导体为热电极,温度较高的一端为工作端,温度较低的一端为自由端,自由端通常处于某个恒定的温度下。
根据热电动势与温度的函数关系,制成热电偶分度表;分度表是自由端温度在0℃时的条件下得到不同的热电偶具有不同的分度表。
热电偶回路中接入第三种金属资料时,只要该资料两个接点的温度相同,热电偶所产生的热电势将坚持不变,即不受第三种金属接入回路中的影响。
因此,热电偶测温时,可接入测量仪表,测得热电动势后,即可知道被测介质的温度。
B热电偶工作原理:两种不同成份的导体(称为热电偶丝材或热电极)两端接合成回路,当接合点的温度不同时,回路中就会发生电动势,这种现象称为热电效应,而这种电动势称为热电势。
热电偶就是利用这种原理进行温度丈量的其中,直接用作丈量介质温度的一端叫做工作端(也称为丈量端)另一端叫做冷端(也称为弥补端)冷端与显示仪表或配套仪表连接,显示仪表会指出热电偶所产生的热电势。
热电偶实际上是一种能量转换器,将热能转换为电能,用所产生的热电势测量温度(2)分类:(S型热电偶)铂铑10-铂热电偶铂铑10-铂热电偶(S型热电偶)为贵金属热电偶。
偶丝直径规定为0.5mm,允许偏差-0.015mm,其正极(SP)的名义化学成分为铂铑合金,其中含铑为10%,含铂为90%,负极(SN)为纯铂,故俗称单铂铑热电偶。
该热电偶长期最高使用温度为1300℃,短期最高使用温度为1600℃。
S型热电偶在热电偶系列中具有准确度最高,稳定性最好,测温温区宽,使用寿命长等优点。
实验一热电偶测温一、实验目的1、了解热电偶测温原理,学习热电偶测温技术,提高学生的实验技能和动手能力。
2、掌握电位差计的使用方法,用各种测温线路测量温度。
二、热电偶测温原理和水银温度计测温一样,热电偶测温也被广泛应用于工农业生产和科学研究工作中。
具有适用范围广、耐高温、精确度高等优点,是一种很好的测温方法。
热电偶测温是基于热电效应这一物理现象实现的。
如图1-1所示,用两种不同的金属导线A、B焊接而成的闭合回路称为“热电偶”。
当它的两个接点1、2的温度t1、t2不同时,回路中将产生热电动势,简称热电势,这种现象称为“热点效应”。
热电势的大小与两接点的温度差(t2—t1)和组成回路的导线材料有关。
对于给定的热电偶,则只与两接点的温差有关。
如果保持t1不变(t1=0℃),那么热电势只与t2有关。
t2越大,热电势越大,且有确定的关系。
只要用电位差计G测出回路中的热电势,就可以通过热电势与温度的关系球出被测温度t2。
热电偶电势与温度的关系应在恒温器中用标准温度计标定,并制成图表以供查用。
理论上,任何两种不同的金属导线均可组成热电偶,但实际上为了使热电偶回路有较大的热电势,能耐高温,而且热电势与温度基本上呈线性关系,通常采用下列金属或合金导线配对组成热电偶(见表1—1)热电偶的电极A、B两接点通常用电弧焊、电熔焊、锡焊等焊接在一起。
焊点要求圆滑、直径小、接触好、牢固,增强热电偶的灵敏度和耐用性。
测温时,接点1放在盛有冰水混合物的冰瓶中,维持接点1的温度恒为零摄氏度,称为参比端(或冷端)。
接点2置于待测温度场中,或焊接在被测物体的表面上,称为测量端(或热端)。
回路中接入测量热电势的仪表G(通常使用电位差计或数字电压表),测出电路中的热电势,再由热电势与温度的关系曲线或表格查出被测温度。
热电偶测温线路有两种接法,如图1—2所示。
t1为冷端,t2为热端,A、B为热电偶的正负极,热电偶电极的极性由每种热电偶电极的材料决定,表1—1中给出了每种热电偶电极的极性。
热敏电阻和热电偶的温度特性研究(FB203型多档恒流智能控温实验仪)热敏电阻是阻值对温度变化非常敏感的一种半导体电阻,它有负温度系数和正温度系数两种,负温度系数它的电阻率随着温度的升高而急剧下降(一般是按指数规律),而正温度系数电阻率随着温度的升高而急剧升高(一般是按指数规律),金属的电阻率则是随温度的升高而缓慢地上升。
热敏电阻对于温度的反应要比金属电阻灵敏得多,热敏电阻的体积也可以做得很小,用它来制成的半导体温度计,已广泛地使用在自动控制和科学仪器中,并在物理、化学和生物学研究等方面得到了广泛的应用。
【实验目的】1.研究热敏电阻、铜电阻;铂电阻、热电偶的温度特性。
2.掌握利用直流单臂电桥与控温实验仪测量热敏元件在不同温度下电阻值的方法。
【实验原理】温度传感器是利用一些金属、半导体等材料与温度相关的特性制成的。
常用的温度传感器的类型、测温范围和特点各不相同,本实验将通过测量几种常用的温度传感器的特征物理量随温度的变化,来了解这些温度传感器的工作原理。
1.热敏电阻温度特性原理:在一定的温度范围内,半导体的电阻率ρ和温度T 之间有如下关系:/1B TAe ρ= (1) 式中1A 和B 是与材料物理性质有关的常数,T 为绝对温度。
对于截面均匀的热敏电阻,其阻值T R 可用下式表示:T lR Sρ= (2) 式中T R 的单位为Ω,ρ的单位为cm Ω,l 为两电极间的距离,单位为cm ,S 为电阻的横截面积,单位为2cm 。
将(1)式代入(2)式,令1l A A S=,于是可得:/B TT R Ae = (3)对一定的电阻而言,A 和B 均为常数。
对(3)式两边取对数,则有:1l n l n T R B A T=+ (4)T R ln 与T1成线性关系,在实验中测得各个温度T 的T R 值后,即可通过作图求出B 和A 值,代入(3)式,即可得到T R 的表达式。
式中T R 为在温度)K (T 时的电阻值)(Ω,A 为在某温度时的电阻值)(Ω,B 为常数)K (,其值与半导体材料的成分和制造方法有关。
实验三热电阻测温性能实验1.实验目的:了解热电阻和热电偶测量温度的特性与应用。
2.基本原理:热电阻测温原理:利用导体电阻随温度变化的特性,热电阻用于测量时,要求其材料电阻温度系数大,稳定性好,电阻率高,电阻与温度之间最好有线性关系。
常用的热电阻有铂电阻和铜电阻。
铂电阻在0-630.74℃以内测温时,电阻Rt与温度t的关系为:Rt=Ro (1+At+Bt2),其中,Ro是温度为0℃时的电阻。
本实验Ro=100Ω。
A=3.9684×10-2/℃,B=-5.847×10-7/℃2,铂电阻采用三线连接,其中一端接二根引线主要为消除引线电阻对测量的影响。
热电偶测温原理:两种不同的导体或半导体组成闭合回路,当两接点分别置于两不同温度时,在回路中就会产生热电势,形成回路电流。
这种现象就是热电效应。
热电偶就是基于热电效应工作的。
温度高的接点就是工作端,将其置于被测温度场配以相应电路就可间接测得被测温度值。
3.需用器件与单元:①CSY-2000控制台上的:mV表、温度控制仪、直流稳压源+2V,+5V;②实验桌上的:温度源、热电偶(K型或E型)、Pt100热电阻、万用表、温度传感器实验模板、连接导线。
4.实验步骤及说明:(1)设置温度控制仪的各项参数并测量环境温度:用万用表欧姆档测出Pt100热电阻三根线,并将它的三个端点与主控台上的Pt100三个端点相连(一一对应)。
打开主控台上的电源开关、温度开关,温度控制仪开始工作。
根据附录一的说明,按下表设定温度控制仪的某些参数值,其余参数按附录一设置。
参数设置完成后,PV显示的温度即为环境温度,记录到表4-1中。
注意:测量环境温度时,热电阻不要插入温度源。
(2)连接电路:关闭主控台上的温度开关、电源开关,开始连接电路。
将温度源上的Pt100三个端点与主控台上的Pt100三个端点相连(一一对应),作为标准温度读数。
将温度源上的风扇电源24V与主控台上风扇源的24V相连。
热电偶测温性能实验报告热电偶测温性能实验报告引言:热电偶是一种常用的温度测量装置,其原理基于热电效应。
热电偶由两种不同材料的导线组成,当两个导线的接触点处于不同温度时,就会产生电动势。
本实验旨在探究热电偶的测温性能,包括响应时间、测量精度和线性度等方面的考察。
实验装置:本实验采用了一组标准热电偶和温度控制装置。
标准热电偶由铜和常见的测温材料铁铬合金(K型热电偶)组成。
温度控制装置通过加热电源和温度传感器实现对被测温度的控制和监测。
实验步骤:1. 将标准热电偶的冷端固定在恒温槽中,确保冷端与环境温度相同。
2. 将标准热电偶的热端与被测温度接触,确保接触良好。
3. 打开温度控制装置,设定被测温度为25℃。
4. 记录热电偶输出电压,作为初始电压。
5. 逐步提高温度控制装置的设定温度,每次提高5℃,并记录热电偶输出电压。
6. 当设定温度达到80℃时,开始逐步降低温度控制装置的设定温度,每次降低5℃,并记录热电偶输出电压。
7. 重复步骤3-6,直到设定温度回到25℃。
实验结果:通过实验记录的数据,我们可以得到热电偶在不同温度下的输出电压。
根据热电偶的特性曲线,我们可以计算出热电偶的响应时间、测量精度和线性度等性能指标。
1. 响应时间:响应时间是指热电偶从遇到温度变化到输出电压稳定的时间。
通过实验数据的处理,我们可以绘制出热电偶的响应时间曲线。
从曲线上可以看出,热电偶在温度变化后,输出电压会迅速变化,并在一段时间后趋于稳定。
响应时间可以通过计算输出电压达到稳定值所需的时间来确定。
2. 测量精度:测量精度是指热电偶测量温度与真实温度之间的偏差。
通过实验数据的处理,我们可以计算出热电偶的测量精度。
一般来说,热电偶的测量精度与热电偶的材料和制造工艺有关。
在实验中,我们可以通过与其他精度更高的温度测量装置进行比对,来评估热电偶的测量精度。
3. 线性度:线性度是指热电偶输出电压与温度之间的关系是否呈线性。
通过实验数据的处理,我们可以绘制出热电偶的线性度曲线。
一、实验目的本次实验旨在通过实践操作,了解温度测量原理,掌握温度传感器的使用方法,并对不同类型温度传感器的性能进行比较分析。
通过实验,加深对温度测量基础知识的理解,提高实际操作能力。
二、实验原理温度测量是科学研究、工程应用和日常生活中不可或缺的环节。
本实验采用多种温度传感器进行温度测量,主要包括热电偶、热电阻和热敏电阻等。
1. 热电偶测温原理:热电偶由两种不同材料的导体组成,当其两端处于不同温度时,会产生热电势。
根据热电势与温度之间的关系,可测量温度。
2. 热电阻测温原理:热电阻的电阻值随温度变化而变化,通过测量电阻值,可得到温度值。
3. 热敏电阻测温原理:热敏电阻的电阻值随温度变化而变化,通过测量电阻值,可得到温度值。
三、实验器材1. 热电偶(K型、E型)2. 热电阻(铂电阻、镍电阻)3. 热敏电阻(NTC、PTC)4. 温度传感器实验模块5. CSY2001B型传感器系统综合实验台6. 温控电加热炉7. 连接电缆8. 万用表:VC9804A、VC9806四、实验步骤1. 将实验模块连接到CSY2001B型传感器系统综合实验台上。
2. 将热电偶、热电阻和热敏电阻分别接入实验模块。
3. 打开实验台,设置实验参数,如温度范围、采样时间等。
4. 启动实验,观察温度传感器的输出信号。
5. 记录实验数据,包括温度值、电阻值等。
6. 分析实验数据,比较不同温度传感器的性能。
五、实验结果与分析1. 热电偶测温实验结果:K型热电偶和E型热电偶在实验温度范围内具有较好的线性度,测量误差较小。
2. 热电阻测温实验结果:铂电阻和镍电阻在实验温度范围内具有较好的线性度,测量误差较小。
3. 热敏电阻测温实验结果:NTC热敏电阻和PTC热敏电阻在实验温度范围内具有较好的线性度,测量误差较小。
4. 性能比较分析:(1)热电偶具有较宽的测量范围,但价格较高,安装和维护较为复杂。
(2)热电阻具有较好的精度和稳定性,但测量范围相对较窄。
《传感器与检测技术》热敏电阻演示实验/热电偶测温性能能实验报告课程名称:传感器与检测技术实验类型:验证型实验项目名称:热敏电阻演示实验/热电偶测温性能能实验热敏电阻演示实验一、实验目的:了解NTC 热敏电阻现象。
二、基本原理:热敏电阻分成两类:PTC 热敏电阻(正温度系数)与NTC 热敏电阻(负温度系数)。
一般NTC 热敏电阻测量范围较宽,主要用于温度测量;而PTC 突变型热敏电阻的温度范围较窄,一般用于恒温加热控制或温度开关,有些功率PTC 也作为发热元件用。
PTC 缓变型热敏电阻可用于温度补偿或作温度测量。
一般的NTC 热敏电阻测温范围为:-50ºC — +300ºC。
热敏电阻具有体积小、重量轻、热惯性小、工作寿命长、价格便宜,并且本身阻值大,不需要考虑引线长度带来的误差,适用于远距离传输等优点。
但热敏电阻也有:非线性大、稳定性差、有老化现象、误差较大、一致性差等缺点。
一般只适于低精度的温度测量。
三、需用器件与单元:加热器、热敏电阻、可调直流稳压电源、+15V 不可调直流稳压电源、电压/频率表、主、副电源、液晶温度表。
四、实验步骤:1、了解热敏电阻在实验仪的所在位置及符号,它是一个蓝色或棕色元件,封装在双平行梁上片梁的表面。
2、将电压/频率表量程切换开关置2V 档,可调直流稳压电源调至±2V 档,根据图8-1 接线,检测无误后开启主、副电源,调整W1 电位器,使电压/频率表显示为100mV 左右,记录为室温时的V1。
图8-1 热敏电阻实验原理示意图3、将+15V 电源接入加热器上端,下端接地,打开加热器开关,打开液晶温度表观察温度变化,观察电压表的读数变化,电压表的输入电压:4、由此可见,当温度时,R t 阻值,V1 。
5、实验完毕,关闭主、副电源,各旋钮置初始位置。
五、思考题:如果你手上有这样一个热敏电阻,想把它作为一个0~50ºC 的温度测量电路,你认为该怎样实现?热电偶测温性能实验一、实验目的:了解热电偶测量温度的性能与应用范围。
一、实验目的
本实验旨在评估热电偶的测温性能,以验证其性能是否符合预期要求。
二、实验原理
热电偶是一种利用热电效应测量温度的仪器,它通常由两种金属材料构成,当其中一个金属材料温度发生变化时,这两种金属材料的电阻也会发生变化,从而可以测量出温度的变化。
三、实验方法
1. 安装热电偶:将热电偶放置在待测物体的表面上,确保它能够正确的获取物体的温度变化;
2. 连接热电偶:将热电偶的两个端子分别连接到电源和测温仪上;
3. 设定温度范围:将测温仪的温度范围设定为实验所要求的范围;
4. 测量温度:将实验物体置于不同温度条件下,测量热电偶所检测到的温度,并将温度值记录下来;
5. 评估热电偶性能:观察热电偶的测温精度,以及实验得出的温度值与预期的温度值之间的差异,从而评估热电偶测温性能。
四、实验结果
实验过程中,热电偶的测温精度均符合预期要求,并且实验得出的温度值与预期的温度值之间的差异不大,说明热电偶的测温性能良好。
五、结论
通过本次实验,可以得出结论:热电偶的测温性能符合预期要求,可以满足测温的要求。
一、实验目的1. 了解温度测量技术的原理和方法。
2. 掌握常用温度传感器的使用和特点。
3. 学习温度测量仪器的操作和数据处理方法。
4. 通过实验,验证温度测量技术的准确性和可靠性。
二、实验原理温度测量技术是通过将温度转化为电信号或其他可测量的物理量,进而实现对温度的测量。
常用的温度传感器有热电偶、热电阻、热敏电阻、红外传感器等。
三、实验仪器与设备1. 温度传感器:K型热电偶、PT100铂电阻、NTC热敏电阻、红外传感器。
2. 温度测量仪器:数字多用表、温度测试仪、红外测温仪。
3. 实验装置:实验平台、连接线、加热装置。
四、实验内容与步骤1. 热电偶测温实验(1) 将K型热电偶连接到数字多用表的热电偶测试接口。
(2) 将热电偶的热端插入到加热装置中,调整加热装置的功率,使热端温度升高。
(3) 观察数字多用表的读数,记录不同温度下热电偶的热电势值。
(4) 根据热电偶的分度表,将热电势值转换为温度值。
2. 热电阻测温实验(1) 将PT100铂电阻连接到数字多用表的电阻测试接口。
(2) 将铂电阻插入到加热装置中,调整加热装置的功率,使铂电阻温度升高。
(3) 观察数字多用表的读数,记录不同温度下铂电阻的电阻值。
(4) 根据铂电阻的温度-电阻特性曲线,将电阻值转换为温度值。
3. 热敏电阻测温实验(1) 将NTC热敏电阻连接到数字多用表的电阻测试接口。
(2) 将NTC热敏电阻插入到加热装置中,调整加热装置的功率,使NTC热敏电阻温度升高。
(3) 观察数字多用表的读数,记录不同温度下NTC热敏电阻的电阻值。
(4) 根据NTC热敏电阻的温度-电阻特性曲线,将电阻值转换为温度值。
4. 红外测温实验(1) 将红外传感器对准被测物体,确保传感器与被测物体之间的距离符合要求。
(2) 观察红外测温仪的读数,记录被测物体的温度值。
五、实验结果与分析1. 对比不同温度传感器在不同温度下的测量结果,分析其准确性和可靠性。
2. 分析实验过程中可能存在的误差来源,并提出改进措施。
实验二热电阻测温特性实验1 实验目的了解热电阻的特性与应用。
2 基本原理利用导体电阻随温度变化的特性,热电阻用于测量时,要求其材料电阻温度系数大,稳定性好,电阻率高,电阻与温度之间最好有线性关系。
常用铂电阻和铜电阻,铂电阻在0~630.74℃以内,电阻Rt与温度t的关系为Rt = R0(1 + αt + βt2),其中R0是温度为0 °C时的电阻。
本实验R0 = 100 Ω,α= 3.9684×10−2°C−1,β= −5.847×10−7°C−2,铂电阻使用三引线,其中一端接二根引线,主要为消除引线电阻对测量的影响。
3 需用器件与单元加热源、K 型热电偶、Pt100热电阻、温度控制单元、温度传感器实验模板、数显单元、万用表。
4 实验步骤4.1 差动放大器调零将实验模板调节增益电位器RW2顺时针调节大致到中间位置,将±15V电源及地从主控箱接入模板,检查无误后,合上主控箱电源开关,进行差动放大器调零。
4.2 将K 型热电偶插入到热源孔,将自由端按极性正确接至主控板上,用于温度设定。
4.3 将Pt100铂电阻引线接入Rt端的a、b 上。
Pt100三根线中,其中两根线为铂电阻的一端。
采用三线制的第一对称接法将Pt100接入电桥,这样Rt、R3和Rl、RWl、R4并联组成单臂电桥,见图2.2。
4.4 在端点a 与地之间加直流源4V,合上主控箱电源开关,调RW1使Vi输出为零,即桥路输出为零(平衡)。
然后将Pt100热电阻探头插入到热源孔。
4.5 按Δt = 5℃进行升温,温度稳定后,读取数显表值,将结果填入表2.1。
实验结束后将温度控制器温度设定为零,关闭电源开关。
表2.1 铂电阻热电势与温度值t(℃) 40 45 50 55 60 65 70 75 80 85 u/mv -8.6 -2.4 -4.3 -0.9 6.2 11.7 16.9 20.4 24.8 29.05 思考题5.1 根据表2.1值计算温度测量系统的灵敏度,S =∆uO/∆t(∆uO输出电压变化量,∆t温度变化量);及其非线性误差。
热电偶测温特性实验报告
一、实验目的
实验目的是通过测量热电偶,了解测量热电偶的工作原理和使用特性;测试热电偶校
准系数,确定热电偶的温度测量范围及精度;测试热电偶的变比特性,量化热电偶的传感
特性。
二、实验方法和步骤
1、实验前准备:采用电阻结构式热电偶,连接氢火焰校准标准装置及UT383传感器,同时采用UT383测量仪器,热电偶的输出电压随标准温度逐渐变化。
2、热电偶校准:用氢火焰标准装置,从-30~980℃稳定工作,热电偶计量管输出电压
随温度改变,用UT383测量仪器测量,确定热电偶输出电压和温度的关系,确定校准系数。
3、测试热电偶的变比特性:将热电偶的影响因素(如坐标及角度等)一一排除,将
热电偶的温度值与其输出电压值测量,求出温度及输出电压的变比关系。
三、实验结果
经过以上实验,得出的以下结果:
1、热电偶的温度测量范围和精度:根据校准系数计算,热电偶的温度测量范围为-25℃~+850℃,精度达到±0.25℃。
2、热电偶变比特性:测量数据表明,热电偶输出电压和温度呈良好的线性关系,变
比特性良好,具有较大的温度量程,满足一定温度测量范围需求。
1、本次实验能够较好的了解热电偶的工作原理和使用特性。
3、在使用上,应根据温度量程、温度精度和变比特性等热电偶技术参数,确定使用
条件,使其达到最佳性能。
热电阻热电偶温度传感器校准实验————————————————————————————————作者:————————————————————————————————日期:湖南大学实验指导书课程名称:实验类型:实验名称:热电阻热电偶温度传感器校准实验学生姓名:学号:专业:指导老师:实验日期:年月日一、实验目的1.了解热电阻和热电偶温度计的测温原理2.学会热电偶温度计的制作与校正方法3.了解二线制、三线制和四线制热电阻温度测量的原理4.掌握电位差计的原理和使用方法5.了解数据自动采集的原理6.应用误差分析理论于测温结果分析。
二、实验原理1.热电阻(1) 热电阻原理热电阻是中低温区最常用的一种温度检测器。
它的主要特点是测量精度高,性能稳定。
其中铂热是阻的测量精确度是最高的,它不仅广泛应用于工业测温,而且被制成标准的基准仪。
热电阻测温是基于金属导体的电阻值随温度的增加而增加这一特性来进行温度测量的。
热电阻大都由纯金属材料制成,目前应用最多的是铂和铜,此外,现在已开始采用镍、锰和铑等材料制造热电阻。
常用铂电阻和铜电阻,铂电阻在0—630.74℃以内,电阻Rt与温度t 的关系为:Rt=R0(1+At+Bt2)R0系温度为0℃时的电阻,铂电阻内部引线方式有两线制,三线制,和四线制三种,两线制中引线电阻对测量的影响最大,用于测温精度不高的场合,三线制可以减小热电阻与测量仪之间连接导线的电阻因环境温度变化所引起的测量误差。
四线制可以完全消除引线电阻对测量的影响,用与高精度温度检测。
本实验是三线制连接,其中一端接二根引线主要是消除引线电阻对测量的影响。
(2) 热电阻的校验热电阻的校验一般在实验室中进行,除标准铂电阻温度计需要作三定点,(水三相点,水沸点和锌凝固点)校验外,实验室和工业用的铂或铜电阻温度计的校验方法有采用比较法两种校验方法。
比较法是将标准水银温度计或标准铂电阻温度计与被校电阻温度计一起插入恒温水浴中,在需要的或规定的几个稳定温度下读取标准温度计和被校验温度计的示值并进行比较,其偏差不超过最大允许偏差。