热电偶测温实验指导书
- 格式:doc
- 大小:265.50 KB
- 文档页数:4
热电偶测温实验研究
一、研究背景
热电偶是一种常用于测量温度的传感器,其原理是利用不同金属导体在温度变
化时产生的热电势差来测量温度。
热电偶具有响应速度快、精度高等优点,在工业领域得到广泛应用。
研究热电偶测温实验具有重要的理论和实际意义。
二、研究目的
本实验旨在通过探究热电偶测温原理及实验操作,加深对热电偶温度测量的理解,掌握实验中的操作技巧和数据处理方法。
三、实验原理
热电偶由两种不同金属的导线组成,当两种金属的接触点处于不同温度时,会
产生热电势差。
根据热电势差的大小可以推算出该点的温度。
通过引入标定常数,可以将热电势差转换为相应的温度读数。
四、实验装置
本实验所需的装置包括热电偶传感器、数字温度计、恒温槽等。
五、实验步骤
1.将热电偶传感器与数字温度计连接。
2.将热电偶传感器放置于待测物体表面。
3.打开数字温度计和恒温槽,使其稳定在一定的温度范围内。
4.记录热电偶传感器的示数,并与数字温度计测得的实际温度进行对比。
六、实验数据处理
在实验过程中,需进行一定的数据处理和分析。
根据实验测得的数据,可以绘
制热电偶传感器电压与温度的关系曲线,进一步验证热电偶测温的准确性和可靠性。
七、结论与展望
通过本实验,深入理解了热电偶测温的原理及应用。
进一步研究和改进热电偶
的测温性能,将有助于提高其在工业生产中的应用效率和精度。
以上是针对热电偶测温实验的研究内容,通过本文的介绍,希望对读者有所帮助。
热电偶校验实验一、概述热电偶校验实验装置是为大专院校热工实验室实验教学而设计制造的专用设备,可用于中温区工作热电偶的标准和检验实验。
本装置结构设计合理,配用电子调压器,并设有高温监控保护,体积小、重量轻、温度场恒温稳定、操作方便、安全可靠,是满足实验教学的理想装置。
二、技术性能本装置的高保温专用管式电炉,采用电子电压调温,在其炉膛中部均热体可同时插入控温用的工作热电偶、标准电偶和两个被检热电偶,可供作热电偶≤600℃低温区检定使用,装置的调节检控仪表箱配有E分度XCT-101或XMT-101温度指示调节仪表,可在恒定温区直接显示管炉内温度场的温度数值:控制点设置在≤600℃,管式炉上极限温度恒定断电保护。
如选用精密型XMT-101数显温度指示调节仪时,在使用中如定期用比较法分别检定一次显示仪表和二次传感器热电偶(工作热电偶)后,其标定值即可作为第二标准值,供检定工作中直接使用,以减轻检定人员劳动强度,提高工作效率。
本装置配有大功率双向可控硅器件组装的交流调压器一套,调压连续稳定,调压范围为0~200V,电流最大输出小于6A。
工作环境:无强磁场;温度10~35℃;相对湿度≤85%。
三、实验步骤1、安装使用前应首先检查实验室供电插座的电源极性与本装置调节检控仪表箱的电源输入插头的极性是否相符。
正确的接法是:插头红色线接电源相线;绿色线接中性线;黑色线接地保护。
不得接错。
2、将调节检控仪表箱的负载引出线与电炉相接,红色、绿色线接负载,黑色线接壳体,作接地保护。
[注意]负载线严禁短路。
3、将温度调节仪表用的工作热电偶插入管式炉内(均热体应在炉膛中心位置)的一侧,标准热电偶和被检测热电偶(1或2个)插入均热体的另一侧,并将这些热电偶连接好,工作热电偶与仪表箱的相应引出线相联接,标准热电偶和被测热电偶接到仪表箱面板上的相应的接线端子上,箱体旁有相对应的航空快速插头,将被检测的热电偶连接至面板上,红色为“+”极,黑色为“-”极。
实验四K热电偶温度特性实验1、实验目的:了解热电偶测温原理及方法和应用。
2、基本原理:K型热电偶是由镍铬-镍硅或镍铝材料制成的热电偶,偶丝直径不同,测量的温度范围也不同。
对于确定的热电偶,其温度测量范围和电动势随温度的变化曲线是确定的,可通过查表得到。
选用确定的K型热电偶,插入温度源中,把热电偶的输出端通过差分放大,获得热电偶的电动势。
记录测量电动势,通过测量热电偶输出的电动势值再查分度表得到相应的温度值。
3、需用器件与单元:主机箱、温度源、Pt100热电阻(温度源温度控制传感器)、K热电偶(温度特性实验传感器)、温度传感器实验模板、应变传感器实验模板(代mV发生器)。
4、原理图如下图4.8所示图4.8 K热电偶原理图5、实验步骤:热电偶使用说明:热电偶由A、B热电极材料及直径(偶丝直径)决定其测温范围,如K(镍铬-镍硅或镍铝)热电偶,偶丝直径3.2mm时测温范围0~1200℃,本实验用的K热电偶偶丝直径为0.5mm,测温范围0~800℃;E(镍铬-康铜),偶丝直径3.2mm时测温范围-200~+750℃,实验用的E热电偶偶丝直径为0.5mm,测温范围-200~+350℃。
由于温度源温度<200℃,所以,所有热电偶实际测温范围<200℃。
从热电偶的测温原理可知,热电偶测量的是测量端与参考端之间的温度差,必须保证参考端温度为0℃时才能正确测量测量端的温度,否则存在着参考端所处环境温度值误差。
热电偶的分度表(见附录)是定义在热电偶的参考端(冷端)为0℃时热电偶输出的热电动势与热电偶测量端(热端)温度值的对应关系。
热电偶测温时要对参考端(冷端)进行修正(补偿),计算公式:E(t,t0)=E(t,t0')+E(t0', t0)式中:E(t,t0)—热电偶测量端温度为t,参考端温度为t0=0℃时的热电势值;E(t,t0')—热电偶测量温度t,参考端温度为t0'不等于0℃时的热电势值;E(t0',t0)—热电偶测量端温度为t0',参考端温度为t0=0℃时的热电势值。
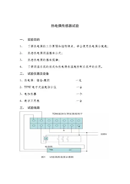
热电偶传感器试验一、实验目的1、了解热电偶的工作原理和结构特点,学会使用热电偶分度表;2、熟悉热电偶测温基本公式;3、熟悉热电偶的基本规律;4、了解测温系统的组成和热电偶在温度控制系统中的应用。
二、试验仪器及设备1、热电偶:镍铬-康铜一支2、TDW电子式温度指示仪一台3、电加热器一个4、数字万用表一台三、试验线路四、试验原理热电偶是将温度量转换为电势大小的一种传感器。
它测温范围广,尤其是在高温时,准确度和灵敏度高,使用方便。
热电偶的工作原理为热电效应。
当其热端和冷端的温度不同时,在热电偶的两端产生热电动势。
两端温差越大,产生的热电势就越大。
其电势由接触电势和温差电势两部分组成。
因此,通过对电动势的测量即可知道热电偶两端的温差。
根据热电偶测温的基本公式,将传感器插在电烙铁内,电烙铁通电以后温度上升,热电偶传感器将温度转换为输出电势,送到TDW电子式温度指示调节仪的桥路,经桥路处理后进放大电路,将毫伏级的微小电势信号放大。
放大后的信号一路使表头指针偏转而直接显示被测温度值,另一路与设定值比较后送至继电器电路,以控制加热器的通断,同时还控制红绿灯的状态。
五、试验内容1、用数字万用表毫伏档测量镍铬-康铜热电偶传感器接入电烙铁后的输出电势;2、用镍铬-康铜热电偶测量电烙铁温度;设:冷端温度T=18℃,测),计算后查分度表,对照镍铬-康铜热电偶传感器热电偶E(T, T温度,输出电势与实测值比较。
六、试验步骤1、热电偶的引出线与TDW电子式温度指示调节仪背板接线端子1、2相连,极性不能接反;13、14与市电相连。
2、把仪表设定旋钮的白色标记对准所需温度值,仪表绿灯亮。
3、电烙铁通电,随着电烙铁温度升高,表头及时显示测量温度值,当超过设定值时,仪表红灯亮,仪表自动切断电烙铁加热电源,电烙铁温度下降,当温度降到设定值时,仪表又转至绿灯亮,仪表又接通加热电源。
4、在室温至200℃区间内设定8组温度值,观测热电偶传感器工作情况,并记录测量数据,将读数记录表1表1 测量数据表七、分析与思考1、根据记录数据,绘制出热电偶的温度-电压曲线,并分析热电偶输出电压值与温度的关系。
实验一热电偶测温一、实验目的1、了解热电偶测温原理,学习热电偶测温技术,提高学生的实验技能和动手能力。
2、掌握电位差计的使用方法,用各种测温线路测量温度。
二、热电偶测温原理和水银温度计测温一样,热电偶测温也被广泛应用于工农业生产和科学研究工作中。
具有适用范围广、耐高温、精确度高等优点,是一种很好的测温方法。
热电偶测温是基于热电效应这一物理现象实现的。
如图1-1所示,用两种不同的金属导线A、B焊接而成的闭合回路称为“热电偶”。
当它的两个接点1、2的温度t1、t2不同时,回路中将产生热电动势,简称热电势,这种现象称为“热点效应”。
热电势的大小与两接点的温度差(t2—t1)和组成回路的导线材料有关。
对于给定的热电偶,则只与两接点的温差有关。
如果保持t1不变(t1=0℃),那么热电势只与t2有关。
t2越大,热电势越大,且有确定的关系。
只要用电位差计G测出回路中的热电势,就可以通过热电势与温度的关系球出被测温度t2。
热电偶电势与温度的关系应在恒温器中用标准温度计标定,并制成图表以供查用。
理论上,任何两种不同的金属导线均可组成热电偶,但实际上为了使热电偶回路有较大的热电势,能耐高温,而且热电势与温度基本上呈线性关系,通常采用下列金属或合金导线配对组成热电偶(见表1—1)热电偶的电极A、B两接点通常用电弧焊、电熔焊、锡焊等焊接在一起。
焊点要求圆滑、直径小、接触好、牢固,增强热电偶的灵敏度和耐用性。
测温时,接点1放在盛有冰水混合物的冰瓶中,维持接点1的温度恒为零摄氏度,称为参比端(或冷端)。
接点2置于待测温度场中,或焊接在被测物体的表面上,称为测量端(或热端)。
回路中接入测量热电势的仪表G(通常使用电位差计或数字电压表),测出电路中的热电势,再由热电势与温度的关系曲线或表格查出被测温度。
热电偶测温线路有两种接法,如图1—2所示。
t1为冷端,t2为热端,A、B为热电偶的正负极,热电偶电极的极性由每种热电偶电极的材料决定,表1—1中给出了每种热电偶电极的极性。
温度传感器—热电偶测温实验一、实验原理:由两根不同质的导体熔接而成的闭合回路叫做热电回路,当其两端处于不同温度时则回路中产生一定的电流,这表明电路中有电势产生,此电势即为热电势。
图1 热电偶测温系统图图1中T 为热端,To 为冷端,热电势Et=)T ()T (o AB AB本实验中选用两种热电偶镍铬—镍硅(K )和镍铬—铜镍(E )。
实验所需部件:K 、E 分度热电偶、温控电加热炉、214位数字电压表(自备) 二、实验步骤:1、观察热电偶结构(可旋开热电偶保护外套),了解温控电加热器工作原理。
温控器:作为热源的温度指示、控制、定温之用。
温度调节方式为时间比例式,绿灯亮时表示继电器吸合电炉加热,红灯亮时加热炉断电。
温度设定:拨动开关拨向“设定”位,调节设定电位器,仪表显示的温度值℃随之变化,调节至实验所需的温度时停止。
然后将拨动开关扳向“测量”侧,(注:首次设定温度不应过高,以免热惯性造成加热炉温度过冲)。
2、首先将温度设定在50℃左右,打开加热开关,热电偶插入电加热炉内,K 分度热电偶为标准热电偶,冷端接“测试”端,E 分度热电偶接“温控”端,注意热电偶极性不能接反,而且不能断偶,214位万用表置200mv 档,当钮子开关倒向“温控”时测E 分度热电偶的热电势,并记录电炉温度与热电势E 的关系。
3、因为热电偶冷端温度不为0℃,则需对所测的热电势值进行修正E (T ,To )=E(T,t 1)+E(T 1,T 0)实际电动势=测量所得电势 +温度修正电势查阅热电偶分度表,上述测量与计算结果对照。
4、继续将炉温提高到70℃、90℃、110℃和130℃,重复上述实验,观察热电偶的测温性能。
三、注意事项:加热炉温度请勿超过150℃,当加热开始,热电偶一定要插入炉内,否则炉温会失控,同样做其它温度实验时也需用热电偶来控制加热炉温度。
热电偶测温性能实验一、实验目的了解热电偶测量温度的性能与应用范围。
二、基本原理热电偶测温原理是利用热电效应。
当两种不同的金属组成回路,如两个接点有温度差,就会产生热电势,这就是热电效应。
温度高的接点称工作端,将其置于被测温度场,以相应电路就可间接测得被测温度值,温度低的接点就称冷端(也称自由端),冷端可以是室温值或经补偿后的 0ºC、25ºC。
冷热端温差越大,热电偶的输出电动势就越大,因此可以用热电动势大小衡量温度的大小。
常见的热电偶有 K(镍铬-镍硅或镍铝)、E(镍铬-康铜)等,并且有相应的分度表即参考端温度为 0℃时的测量端温度与热电动势的对应关系表,可以通过测量热电偶输出的热电动势再查分度表得到相应的温度值。
热电偶分度表是定义在热电偶的参考端为 0℃时热电偶输出的热电动势与热电偶测量端温度值的对应关系。
热电偶测温时要对参考端进行补偿,计算公式:E(t,to)=E(t,to′)+E(to′,to)式中:E(t,to)是热电偶测量端温度为 t,参考端温度 to=0℃时的热电动势值;E(t,to′)是热电偶测量温度 t,参考端温度为 to′不等于 0℃的热电动势;E(to′,to)是热电偶测量端温度为 to′,参考端温度为 to=0℃的热电动势。
三、需用器件与单元K 型、E 型热电偶、温度测量控制仪、温度源、差动放大器、电压表、直流稳压电源+15V。
四、实验步骤:1、将温控表上的“加热”和“冷却”拨到内控,将 K、E 热电偶插到温度源的插孔中,K 型的自由端接到温度控制仪上标有传感器字样的插孔中。
然后将温度源的航空插头插入实验箱侧面的航空插头,将实验箱的+15V 电压、地接到温度源的 2-24V 上,将实验箱的多功能控制器 D0 两端接到温度源的风机电源 Di 上。
2、首先将差动放大器的输入端短接并接到地,然后将放大倍数顺时针旋转到底,调节调零电位器使输出电压为零。
去掉输入端的短接线,将 E 型热电偶的自由端与差动放大器的输入端相接(红色接正,蓝色接负),同时 E 型热电偶的蓝色接线端子接地。
热电偶温度测量步骤说明书前言:热电偶是一种常用的温度测量设备,利用温度和电压的线性关系进行测量,广泛应用于工业生产和科学研究领域。
本说明书将详细介绍热电偶温度测量的步骤和操作要点,以帮助用户正确、准确地使用热电偶进行温度测量。
I. 器材准备在进行热电偶温度测量之前,首先要确保以下器材准备齐全:1. 热电偶:选择适合测量温度范围的热电偶,并检查其外观是否完好。
2. 测温仪表:使用符合要求的数字温度计或其他温度测量仪表,确保其稳定性和准确性。
3. 连接线:选用符合要求的热电偶连接线,连接端子牢固可靠。
II. 步骤说明1. 确定测量位置:根据实际需求,确定热电偶的测量位置。
注意选择位置避开可能影响测量准确性的因素,如辐射热源、振动源等。
2. 清洁准备:使用干净、柔软的布或纱布将测量位置进行清洁,确保无尘、无油污等污染物存在。
3. 连接热电偶:将热电偶的接头插入测量位置,确保插头与测量物体紧密接触。
注意避免弯曲或拉伸热电偶连接线,避免产生测量误差。
4. 连接测温仪表:将测温仪表的热电偶输入端与热电偶连接线的接线端子相连,确保接触良好。
5. 仪器校准:在进行真实温度测量之前,对测温仪表进行校准,确保其准确性。
可采用标准温度源进行对比校准,或根据仪表说明书进行校准操作。
6. 测量读数:打开测温仪表的电源,观察读数稳定后记录温度值。
注意及时记录读数,避免温度变化导致测量误差。
III. 注意事项1. 安全性:在进行热电偶温度测量时,要注意安全操作,避免触电、火灾等可能出现的危险情况。
2. 精度要求:根据实际需求,选择合适的热电偶和测温仪表,以满足精度要求。
注意不同型号的热电偶和仪表可能具有不同的测量误差范围。
3. 温度范围:在使用热电偶进行温度测量时,要注意选择适合的温度范围,避免超出热电偶的工作范围造成损坏。
4. 环境干扰:避免热电偶受到周围环境的干扰,如强磁场、电磁辐射等,以保证测量的准确性。
5. 维护保养:定期检查热电偶和测温仪表的状态,确保其正常工作。
实验七、K型热电偶测温实验
1、实验目的
了解K型热电偶测量温度的性能与应用范围。
2、实验原理
当镍铬—镍硅(镍铝)两种不同的金属组成回路,产生的二个接点有温度差、会产生热电势,这就是热电效应。
温度高的接点就是工作端,将其置于被测温度场配以相应电路就可间接测得被测温度值。
3、实验器件及模块
9B号温控箱、14号测量、差动放大实验模块、0-2V数显单元、±12V。
图11-1 K型热电偶测温实验
4、实验步骤
(1)9B号温控箱接上24V 2A,插入温控K型热电偶见图11-1。
(2)接入±12V电源,打开实验台电源开关,正负已接,见图 11-1,将仪器放大器输出端V02与数显表输入端相接,仪器放大器的倍数在50倍左右,再将仪器放大器调零。
(3)K型热电偶传感器分别接VIN+端和VIN-端,将K型热电偶插口直接与仪器放大器相接,热电偶的实际值=OUT-初始值/50倍。
(4)在40℃到100℃之间设定Δt=5℃。
读出热电偶的实际值,并记入表11-1。
表11-1 K型热电偶热势与温度数据
(5)根据表11-1计算非线性误差。
(6)如果采用计算机采集数据,需把数显表0-2V换成0-20000mV数据采集输入。
5、思考题
通过温度传感器的三个实验你对各类温度传感器的使用范围有何认识?。
热电偶的标定与校验一、实验目的1.掌握热电偶的温度标定与校验方法,初步了解铜――康铜热电偶的特性;掌握热电偶测温的基本原理;2.掌握单支热电偶采用冰浴法的连接线路;3.掌握电位差计的使用;4.学会制作热电偶丝;5.能利用误差理论对所得的数据进行处理。
二、实验内容1.对单支热电偶进行温度校验(或标定);2.绘制铜-康铜热电偶的热电势――温度特性曲线。
三、实验仪器、设备及材料1.UJ33d数字式直流电位差计;2.DHT-2型热学实验仪;3.铜-康铜热电偶丝;4.0~50℃二级标准水银温度计;5.电冰箱;6.保温杯;7.手锤;8.塑料杯;9.调压器;10.砂纸。
四、实验原理将A、B两种不同材质的金属丝的两端点焊接成一个闭合回路。
当两个接点处于不同温度时(如图1),在闭合回路中就会产生热电势,这种现象称为热电效应。
图1图2 为了测量温差电动势,就需要在图1的回路中接入电位差计,但测量仪器的引入不能影响热电偶原来的性质。
根据中间导体定则,在热电偶回路中接入第三种导体,只要与第三种导体相连接的两端温度相同,接入第三导体后,对热电偶回路中的总电势没有影响。
在A、B两种金属之间接入第三种金属C时,若它与A、B的两连接点处于同一温度T0(图2),则该闭合回路的温差电动势与上述只有A、B两种金属组成回路时的数值完全相同。
所以,我们把A、B 两根不同化学成份的金属丝的一端焊在一起,构成热电偶的热端(工作端)。
将另两端各与铜引线(即第三种金属C)焊接,构成两个同温度(T0)的冷端(自由端)。
铜引线与电位差计相连,这样就组成一个热电偶温度计。
如图3所示。
图 3当热电偶材料一定时,回路中的总电势E AB(T,T0)成为温度T和温度T0的函数差,即E AB(T,T0)=f(T)-f(T0)当热端温度T为测量点的实际温度时,若使冷端的温度T0不变,即f(T0)=C(常数),则E AB(T,T0)=f(T)-C回路中产生的热电势仅是热端温度T的单值函数。
那个远去的夏天_初二作文精选那个远去的夏天夏夜的味道是醇厚的葡萄酒,充满了童年的美好回忆。
夏夜的田野,是热闹的;夏夜的家园,是欢乐的;夏夜的人儿,是纯净如水的。
那远去的夏夜,永远流淌在我的血液里,是温热的。
我金色的童年是由一个快乐的家和这个夏夜一点一点组成的。
老家,屋后的那小院子,最令我难忘。
每当黄昏临近,暮色渐临时,夏风便一改常态,脱去夏天令人烦闷的外壳,变得沁人心脾。
从竹林里涌来的风儿一吹过院子,就留下清清凉凉的田园气息。
我站在院子里,任山风从我耳畔吹过,享受着这美好的时光。
到了晚上,大人们会带上水管,连接水龙头,清理院子里一整天积累的灰尘和热量。
奶奶也会按时从厨房里拿出各种盘子,放在小院里的石桌上。
这些五颜六色的菜令人垂涎三尺。
我和哥哥一闻到味道,我们就飞出游戏,寻找我们最喜欢的菜肴。
当大人们来的时候,我和弟弟特别照顾的菜已经不见了。
大人们似乎受不了屋里的热,所以他们把凳子搬到院子里,让微风吹干净。
饭后,用不着擦嘴洗手,只要舌头往嘴唇上舔一圈,把手指伸进嘴里一吮就完事了。
吃饱了,我和哥哥在院子里打闹着,追逐着,小院子便是我们的乐园。
院子里有一棵桑葚树,枝繁叶茂,紫红的桑葚挂满枝头,压弯了枝条,我们围绕着桑葚树一圈又一圈地追逐着,奔跑着,笑声招引来了阵阵的山风。
风儿摇晃着桑葚,偶尔几颗熟透的桑葚砸在了我的头顶上,掉落在地上,捡起来,一尝,酸酸甜甜的。
跑累了,就回到屋内,吃起奶奶刚炒好的花生。
这花生颗颗粒大饱满,咬下去嘎嘣脆,满口喷香。
我和哥哥一个劲地说好吃。
小院子的记忆是那样的温暖。
夜幕降临时,小星星从黑暗的天空中探出头来,眨着眼睛,小心翼翼地伸出月亮,把银光洒在院子里。
我和弟弟在院子里铺了一张席子,抬头望着星空,凝视着星星。
奶奶哼着歌,拿着一把掌扇给我们。
有时刮起凉风时,奶奶会停下来休息。
风应该会让奶奶难过的!“一、二、三、四……”我从西往东数着星星,哥哥则从东往西数,我们数着数着就乱了,于是又从头开始。
热电偶测温实验指导书《建筑环境测试技术》热电偶测温系统实验实验指导书上海工程技术大学机械工程学院能源与环境系统工程系2014.3一、实验目的通过本实验掌握热电偶测量温度的主要内容和方法,了解引起测量误差的因素,达到以下实验目的:1、观察了解热电偶的结构、校验装置;2、熟悉热电偶工作特性;3、掌握热电偶测温方法,学习查阅热电偶分度表;4、掌握数据读取和数据处理方法。
二、实验原理两种不同成份的导体两端接合成回路,当两接合点的温度不同时,在回路中就会产生电动势,这种现象称为热电效应,而这种电动势称为热电势。
热电偶就是利用这种原理进行温度测量的,其中,直接用作测量介质温度的一端叫做工作端(也称为测量端),另一端叫做冷端(也称为补偿端、自由端、参考端);冷端可以是室温值也可以是经过补偿后的0℃、25℃的模拟温度场。
冷端与显示仪表或配套仪表连接,可显示测得的热电势。
国际上,将热电偶的A 、B 热电极材料不同分成若干分度号,如常用的K(镍铬-镍硅或镍铝)、E(镍铬-康铜)、T(铜-康铜)等等,并且有相应的分度表,即参考端温度为0℃时的测量端温度与热电动势的对应关系表。
从热电偶的测温原理可知,热电偶测量的是测量端与参考端之间的温度差,必须保证参考端温度为0℃,才能利用热电偶分度表查得热电势对应的温度,而实际测量时,环境温度T 0(不为0)。
对此,有如下关系式:)0,(),()0,(00T E T T E T E +=其中)0,(T E ——测量端温度为T ,参考端为0℃时的热电势),(0T T E ——测量端温度为T ,参考端为T 0时的热电势)0,(0T E ——测量端温度为T 0,参考端为0℃时的热电势热电偶校验有两种方法:定点法和比较法,后者常用于校验工业用和实验室用热电偶。
比较法校验热电偶是以标准热电偶和被校热电偶测量同一稳定对象的温度来进行的。
本实验采用高温专用管式电炉作为被控对象,用温控器使电炉温度自动稳定在预定值上。
热电偶测温技术的实验指南引言:在各行各业中,温度的准确测量对于产品质量和生产过程的控制至关重要。
热电偶测温技术作为一种常用的温度测量方法,具有快速、可靠、稳定等优势,在工业实验室和生产现场得到广泛应用。
本文旨在为读者提供一份热电偶测温技术的实验指南,帮助读者了解该技术的基本原理、实验步骤以及注意事项,以便能够正确、有效地使用热电偶进行温度测量。
一、热电偶的基本原理热电偶是利用两种不同金属材料的热电性质来测量温度的装置。
其基本原理是根据两种热电材料在温度变化时产生的电动势(热电势)来间接测量被测物体的温度。
常见的热电偶材料有铜-常量汞、铜-铜镍、铁-恒铜、镍铬-镍铝等。
二、实验步骤1. 热电偶的选择:根据实际需求选择适合的热电偶型号和材料。
不同材料适用于不同工作温度范围,同时还需考虑其耐腐蚀性和机械性能。
2. 实验前准备:a. 校验热电偶的连接脚的接触性能和金属材料的纯度,确保测量的准确性。
b. 准备好实验所需的仪器设备,如数字温度计、示波器等,并保证其正常工作。
c. 安装热电偶,确保其接触被测物体的表面牢固且无松动。
3. 测温实验:a. 将热电偶的连接脚插入数字温度计或示波器的接口,确保连接良好。
b. 将热电偶的测温端与被测物体的表面接触,确保温度的传导稳定。
c. 读取接口设备上的温度显示数值,即可获得被测物体的温度。
三、注意事项1. 避免温度梯度过大:热电偶的测量结果受到温度梯度的影响,因此需要避免被测物体存在明显的温度梯度。
如有需要,可将热电偶多点安装,以提高测量准确性。
2. 避免电线干扰:在实验中,要将电源线和热电偶线分开敷设,以避免电源线干扰产生的误差。
当热电偶线较长时,要注意阻抗匹配,以避免信号衰减和噪声干扰。
3. 温度范围的选择:选择合适的热电偶材料和型号时,要根据被测物体的温度范围来确定。
不同材料和型号的热电偶适用于不同的温度范围,要根据实际需求进行选择。
4. 防止热电偶受损:在实验中,要避免热电偶与其他金属器件接触过程中的碰撞和弯曲,以免对热电偶的结构或性能造成损坏。
实验九热电偶定标与测温实验背景:热电偶是一种常用的温度测量装置,其原理是利用两种不同金属的热电势差随温度变化的特性来测量温度。
在实际应用中,需要对热电偶进行定标,即确定热电偶的温度-电压关系,从而准确测量温度。
实验目的:1.了解热电偶的原理及测温原理;2.学习使用标准温度源对热电偶进行定标;3.掌握测量温度的方法及技巧。
实验器材:1.热电偶(可通过实验室购买);2.热电偶计;3.标准温度源(如恒温水浴、恒温器等);4.温度计;5.锡膏或热导胶(用于固定热电偶);6.保护罩。
实验步骤:1.准备工作:(1)将热电偶的两个金属接头清洁干净,并用锡膏或热导胶固定在需要测温的物体上;(2)将热电偶的引线插入热电偶计中;(3)将标准温度源设置到所需温度,并使用温度计进行验证。
2.定标热电偶:(1)将热电偶的两个金属接头分别接触到标准温度源和热电偶计;(2)记录热电偶计上显示的温度值和对应的热电偶电势差;(3)逐渐改变标准温度源的温度,重复(1)(2)的步骤,获得相应的温度-电势差数据。
3.绘制温度-电势差曲线:(1)将获得的温度-电势差数据绘制得到温度-电势差曲线;(2)根据测量精度的要求,可以使用线性拟合或多项式拟合方法确定该曲线的函数关系。
4.测量温度:(1)将热电偶的两个金属接头分别接触到待测物体和热电偶计;(2)根据温度-电势差曲线,读取热电偶计上的电势差值,并得到相应的温度值。
实验注意事项:1.在进行实验前,保证热电偶的两个接头清洁,避免接触不良影响测量精度;2.使用锡膏或热导胶固定热电偶时,注意不要使热电偶与待测物体直接接触,避免影响测量结果;3.在定标过程中,最好选用多个不同温度的标准温度源,以获得更准确的温度-电势差数据;4.在测量温度时,注意将热电偶的金属接头完全插入待测物体,确保接触良好;5.避免热电偶受到外界热源的影响,使用保护罩等措施保护热电偶。
实验结果分析:1.根据获得的温度-电势差曲线,可以准确地将热电偶测得的电势差值转换为温度值;2.在测量温度时,要注意不同材质、长度、直径的热电偶的精度可能存在差异,需要进行个体和环境的校准;3.测量温度一般存在一定的误差,可以通过与其他测温装置测量结果的比对来评估精度。
热电偶实验指导书食品学院制冷空调工程系二〇〇四年九月热电偶温度计标定及实验数据线性回归一.实验目的:1) 了解热电偶的工作原理、使用和制作。
2) 掌握热电偶温度计的标定方法及电位差计的使用。
3) 学会应用最小二乘法原理,对实验数据进行线性回归的方法。
二.实验原理:热电偶温度计具有计结构简单、测温布点灵活、体积小巧、测温范围大、性能稳定,准确可靠、经济耐用、维护方便等特点,能够快速测量温度场中确定点的温度,输出的电信号能远传、转换和记录,是工业和实验室中使用最广泛的一种测温方法。
如图1-1所示,如果两种不同的导体A ,B 连成一个闭合回路,且其两节点温度t 、t 0不同时,在回路中就会产生电势,这种现象称为热电效应。
热电势(热电效应产生的电势)是由两种金属所含自由电子密度不同引起的,其大小与两节点间温差大小和热电偶材质有关。
通常,我们称t 端为工作端(或热端),t 0端为参考端(或冷端),当t 0恒定时,热电势大小只和t 有关,且存在一定的函数关系,利用上述原理即可以制成热电偶温度计,用热电偶的电势输出确定相应的温度。
在实际使用中往往把t 0置于冰水混合物中(0℃),并在热电偶回路中引入第三种材料C (通常为铜导线)将热电势导出至测量装置,如图1-2所示。
只要第三种材料二接点的温度相同,热电偶产生的电势与不引入第三种材料时相同。
热电偶接点(t 端)通常采用电火花熔接,焊前要消除接合处污物和绝缘漆,焊后结点呈小球状,并把结点置于被测温点。
冷结点一般用锡焊把热电偶和铜导线连接,相互绝缘后置于冰水混合物中。
三.实验方法图1-1 热电偶图1-2 热电势测量由于实际使用的热电偶材料的化学成份不一定符合标准而且不一定均匀,因此不能直接套用分度号对应的分度表,或使用IEC(国际电工委员会)提出的各种热电偶温度电势函数关系式,为此必须对实际使用的热电偶输出电势....标定之后才能作为测温元件。
....和对应温度2)实验设备如图1-3所示。
《建筑环境测试技术》
热电偶测温系统实验实验指导书
上海工程技术大学机械工程学院
能源与环境系统工程系
2014.3
一、实验目的
通过本实验掌握热电偶测量温度的主要内容和方法,了解引起测量误差的因素,达到以下实验目的:
1、观察了解热电偶的结构、校验装置;
2、熟悉热电偶工作特性;
3、掌握热电偶测温方法,学习查阅热电偶分度表;
4、掌握数据读取和数据处理方法。
二、实验原理
两种不同成份的导体两端接合成回路,当两接合点的温度不同时,在回路中就会产生电动势,这种现象称为热电效应,而这种电动势称为热电势。
热电偶就是利用这种原理进行温度测量的,其中,直接用作测量介质温度的一端叫做工作端(也称为测量端),另一端叫做冷端(也称为补偿端、自由端、参考端);冷端可以是室温值也可以是经过补偿后的0℃、25℃的模拟温度场。
冷端与显示仪表或配套仪表连接,可显示测得的热电势。
国际上,将热电偶的A 、B 热电极材料不同分成若干分度号,如常用的K(镍铬-镍硅或镍铝)、E(镍铬-康铜)、T(铜-康铜)等等,并且有相应的分度表,即参考端温度为0℃时的测量端温度与热电动势的对应关系表。
从热电偶的测温原理可知,热电偶测量的是测量端与参考端之间的温度差,必须保证参考端温度为0℃,才能利用热电偶分度表查得热电势对应的温度,而实际测量时,环境温度T 0(不为0)。
对此,有如下关系式:
)0,(),()0,(00T E T T E T E +=
其中)0,(T E ——测量端温度为T ,参考端为0℃时的热电势
),(0T T E ——测量端温度为T ,参考端为T 0时的热电势 )0,(0T E ——测量端温度为T 0,参考端为0℃时的热电势
热电偶校验有两种方法:定点法和比较法,后者常用于校验工业用和实验室用热电偶。
比较法校验热电偶是以标准热电偶和被校热电偶测量同一稳定对象的温度来进行的。
本实验采用高温专用管式电炉作为被控对象,用温控器使电炉温度自动稳定在预定值上。
通过实验得出被校热电偶的热电特性,即得出热电偶冷端处于0℃时热电偶热端温度T(℃)与输出热电势(μV)之间的关系曲线。
三、实验装置
该实验装置由高保温专用管式电炉、热电偶校验装置、标准热电偶、校验热电偶、数显温度指示调节仪、温度计、湿度计、秒表等组成。
该装置内含四路独立微伏计,可在恒定温区直接由液晶显示屏同屏显示热电偶的微伏值;控制点设置在≤600℃,管式炉设有上极限温度恒定断电保护装置。
该实验装置误差为±1%,应在周围无强磁场、温度为10~35℃、相对湿度≤85%的环境中使用。
四、实验步骤
1、根据热电偶测温原理,正确接线,组建热电偶测温系统。
2、将调节检控仪表箱的负载引出线与电炉相接,红色、绿色线接负载,黑色线接壳体,做接地保护。
3、完成接线后,先做以下两项准备工作:
(1)检查实验室供电插座的电源极性与本调节检控仪表箱的电源输入插头的极性是否相符。
正确的做法是:插头红色线接电源相线;绿色线接中性线;黑色线接地保护。
(2)检查仪表箱面板上各开关的初始状态:把电源开关扳向下方呈断电状态,恒温调节器旋钮旋至左方(零位)。
4、接通电源,数秒后,屏幕显示“热电偶校验装置、上海绿兰教学仪器有限公司”字样。
5、按“温度设定”按钮,设定被校验点温度。
6、按“启动”按钮,屏幕显示“炉温”、“室温”等字样和数据。
7、在读数过程中电炉的温度会有微小变化,因此一个温度校验点的读数不能只进行一次,通常需反复读几次(5次)。
先读标准热电偶的热电势,后读被校验热电偶的热电势,交替进行。
在整个读数过程中热电偶热端的温度(即炉温)变化不应超过5℃,且每分钟温度变化不超过0.2℃。
测量结果记录在表格中。
8、取得一个温度校验点的读数后,调整温控器,使炉温升高到第二个温度校验点,进行第二个温度校验点的校验。
本实验的测温范围为200-600℃(正规校验应做到满量程,为了缩
短实验时间只校验到600℃),取百位整数,共取5个校验点。
9、检查数据是否齐全和合理,如无问题,则可进行实验设备的整理和恢复。
五、实验数据记录与处理
1、实验数据记录
环境温度:_________C ;相对湿度:__________%
表1 校验数据记录
2、实验数据处理
a )利用热电偶分度表查出)0,(0T E ,计算出)0,(T E ,再查分度表,得出被测温度T ;
b )依据标准热电偶测出的温度利用分度表查出相应热电势,计算被校热电偶热电势误差;
c )依据热电势误差利用分度表查出温度误差。
六、思考题
1、实验过程中,哪些环节易引起误差?
2、冷端温度补偿一般可采用哪些方法?。